防水施工图集大全最新版本
- 格式:doc
- 大小:439.00 KB
- 文档页数:11
房屋渗漏是客户投诉的重点,而地下室、屋面、厨房卫生间又是渗漏的重灾区,如何才能打好防水这场战役?
一、地下室底板防水做法示意图
1、底板变形缝防水做法
2、底板后浇带防水构造做法
3、高低跨连接处防水做法
4、桩头防水处理
采用水泥基渗透结晶型防水涂料 +改性沥青防水涂料 +卷材的复合防水做法。
防水处理工序如下:
注意事项:
二、地下室侧墙防水做法
1.地下室底板防水交接处预留做法
2.地下室侧墙抗渗增强处理方法
3.侧壁底板防水接头做法
4.地下室侧墙地面收口做法
5.穿墙管件防水处理
6.穿墙群管的防水做法
三、屋面防水做法
1.种植屋面基本做法
2.上人屋面做法
3.出屋面管道防水做法、
四、卫生间防水构造做法。
P4 地下建筑防水等级标准分类与适应范围10.3.1 防水砂浆属刚性防水材料,主要包括聚合物水泥防水砂浆、掺外加剂或掺合料的防水砂浆,宜采用多层抹压法施工10.3.2 水泥砂浆防水层可用于地下建筑结构主体的迎水面或背水面。
本身必须形成一个封闭的整体,且必须与主体结构层之间结合牢固,不适用于有侵蚀性、受持续振动的或室内温度高于80℃的地下建筑防水10.4.1 卷材方式属于柔性防水材料,主要包括高聚物改性沥青类防水卷材和合成高分子类防水卷材。
10.4.2 卷材防水层宜用于经常处于地下水环境,且受侵蚀性介质作用或受震动作用的地下工程。
不宜用于地下水含矿物油或有机溶液处10.4.5 附加层宽度为500mm10.5.1 防水涂料包括无机、有机两类。
无机防水涂料一般属刚性材料,有机防水涂料属柔性材料。
无机防水涂料为含水泥基的涂料,有机防水涂料有反应型(聚氨酯),水乳型(丙烯酸酯胶乳类防水涂料)、聚合物水泥。
10.5.2 无机防水涂料可用于结构主体的背水面和迎水面,有机防水涂料宜用于主体结构的迎水面。
10.5.3 潮湿基层宜选用与潮湿基面粘接力大的防水涂料,也可采用先涂无机涂料而后涂有机涂料构成的复合防水涂料,冬季施工宜选用反应型涂料,而不适宜采用水乳型涂料10.5.6 聚合物水泥防水涂料应选用以水泥为主要原料的II型产品P8不同品种卷材的厚度10.7.2 常用耐根穿刺防水材料有聚氯乙烯防水卷材、高密度聚乙烯土工膜、SBS改性沥青耐根穿刺防水卷材(既要带铜胎基,又必须掺假阻根剂)10.8.5挥发固话型防水涂料不得作为防水卷材粘接材料使用;水乳型或合成高分子类防水涂料不得与热熔型防水卷材复合使用;水乳型或水泥基类防水涂料应待涂膜实干后方可采用冷战铺贴卷材13.2.2 底板承台高度范围内的外侧保护墙处的防水层,一般采用外防内贴施工方法13.4.1(2)搭接宽度:弹性体改性沥青卷材、改性沥青聚乙烯胎防水卷材≧100mm,自粘聚合物改性沥青防水卷材≧80mm;聚氯乙烯防水卷材≧60/80(单焊缝/双焊缝)、100mm(胶粘剂);聚乙烯丙纶复合防水卷材(粘接料);高分子自粘胶膜防水卷材≧70/80(自粘胶/胶粘带)。
三、各部位防水设计图1、地下室底板防水做法示意图地下室底板大面做法底板变形缝防水做法底板变形缝处防水做法底板后浇带防水构造做法底板后浇带防水做法高低跨连接处防水做法桩头防水处理采用水泥基渗透结晶型防水涂料 +改性沥青防水涂料 +卷材的复合防水做法。
:防水处理工序如下:1.由总承包方凿出桩头至设计标高位置,调整受力钢筋,并切割露出的定位钢筋,并由总承包方用高压水枪冲洗暴露的桩身上的泥土、浮浆、松动的碎石等,并经验收合格。
2。
水泥基渗透结晶型防水材料涂刷桩顶表面、暴露的桩身及周圈250mm范围,涂刷参考用量1.2kg/㎡,成膜厚度约1.0mm ;3。
在桩头部位收口卷材采用橡胶沥青防水涂料涂抹。
注意事项:1、桩头防水处理的关键是桩头的清理工序,采用高压水枪冲洗桩顶面混凝土能够有效清除混凝土的浮灰泥皮。
同时,涂料采用硬毛刷搓揉涂刷。
见下图:2、地下室侧墙防水做法 地下室底板防水交接处预留做法水泥砂浆抹面砖砌永久保护墙砖砌临保护墙细石混凝土保护层2mm 聚氨酯防水涂膜防水层 基层处理剂(细部热熔粘贴处) 细石混凝土垫层随捣随抹2mm 厚聚氨酯 防水涂膜防水层用高压水枪冲洗过的桩头能够最大限度地保证水泥渗透结晶型涂料的渗透效果水泥渗透结晶型涂料需要用硬毛刷搓揉涂刷,以保证活性物质与混凝土紧密结合钢筋混凝土结构底板自防水地下室侧墙抗渗增强处理方法:侧墙抗渗增强处理技术侧壁底板防水接头做法:地下室侧墙地面收口做法:防水系统地面收口做法穿墙管件防水处理穿墙群管的防水做法3、屋面防水做法种植屋面基本做法:种植屋面基本构造上人屋面做法出屋面管道防水做法4、厨房卫生间防水做法卫生间防水构造做法出屋面管道防水大样注明:侧墙墙体四面墙体防水高度均为1800mm。
四、改性沥青防水卷材防水成功案例在我司历年承接施工的防水工程中,所有工程的质量都得到了甲方、监理公司的一致好评,其中采用改性沥青防水卷材的成功案例不在少数,现将其节选如下:五、本设计方案所用产品简介(一)、APP 改性沥青防水卷材产品简介 【产品】“雨虹”牌塑性体(APP ) 改性沥青防水卷材是无规聚丙烯(APP )或聚烯烃类聚合物(APAO 、APO)等改性剂的沥青做浸渍和涂盖材料,上表面覆以聚乙烯膜、细砂、矿物片(粒)料或铝箔、铜箔等隔离材料所制成的可以卷曲的片状防水材料。
三、各部位防水设计图1、地下室底板防水做法示意图地下室底板大面做法底板变形缝防水做法底板变形缝处防水做法底板后浇带防水构造做法底板后浇带防水做法高低跨连接处防水做法桩头防水处理采用水泥基渗透结晶型防水涂料 +改性沥青防水涂料 +卷材的复合防水做法。
:防水处理工序如下:1.由总承包方凿出桩头至设计标高位置,调整受力钢筋,并切割露出的定位钢筋,并由总承包方用高压水枪冲洗暴露的桩身上的泥土、浮浆、松动的碎石等,并经验收合格。
2.水泥基渗透结晶型防水材料涂刷桩顶表面、暴露的桩身及周圈250mm范围,涂刷参考用量1.2kg/㎡,成膜厚度约1.0mm ;3.在桩头部位收口卷材采用橡胶沥青防水涂料涂抹。
注意事项:1、桩头防水处理的关键是桩头的清理工序,采用高压水枪冲洗桩顶面混凝土能够有效清除混凝土的浮灰泥皮。
同时,涂料采用硬毛刷搓揉涂刷。
见下图:2、地下室侧墙防水做法 地下室底板防水交接处预留做法水泥渗透结晶型涂料需要用硬毛刷搓揉涂刷,以保证活性物质与混凝土紧密结合地下室侧墙抗渗增强处理方法:侧墙抗渗增强处理技术侧壁底板防水接头做法:地下室侧墙地面收口做法:防水系统地面收口做法穿墙管件防水处理穿墙群管的防水做法3、屋面防水做法种植屋面基本做法:种植屋面基本构造上人屋面做法出屋面管道防水做法4、厨房卫生间防水做法卫生间防水构造做法出屋面管道防水大样注明:侧墙墙体四面墙体防水高度均为1800mm。
四、改性沥青防水卷材防水成功案例在我司历年承接施工的防水工程中,所有工程的质量都得到了甲方、监理公司的一致好评,其中采用改性沥青防水卷材的成功案例不在少数,现将其节选如下:五、本设计方案所用产品简介(一)、APP 改性沥青防水卷材产品简介 【产品】“雨虹”牌塑性体(APP ) 改性沥青防水卷材是无规聚丙烯(APP )或聚烯烃类聚合物(APAO 、APO )等改性剂的沥青做浸渍和涂盖材料,上表面覆以聚乙烯膜、细砂、矿物片(粒)料或铝箔、铜箔等隔离材料所制成的可以卷曲的片状防水材料。
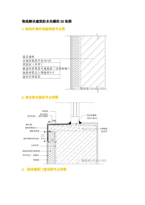
彻底解决建筑防水问题的20张图1.涂料外墙外保温构造节点图
2.窗台防水做法节点详图
3. 面砖墙面门窗顶部节点详图
4.涂料墙面门窗顶部节点详图
5. 面砖墙面门窗侧面节点详图
6. 涂料墙面门窗侧面节点详图
7. 雨棚防水节点详图
8. 天窗防水节点详图
9. 装饰构架防水节点详图
10. 涂料屋面女儿墙防水节点详图
11. 装饰墙垛保温防水节点详图
12. 墙体阳角保温防水节点详图
13. 露台门槛防水节点详图
14.露台栏杆根部防水节点详图
15. 露台墙面防水节点详图
16. 女儿墙与栏板根部防水节点详图
17. 露台.屋面管根部防水节点详图
18. 露台.屋面透气孔根部防水节点详图
19. 屋面落水口防水节点详图
21. 阳台墙面防水节点详图
22 阳台门槛防水节点详图。
P4地下建筑防水等级标准分类与适应范围10.3.1 防水砂浆属刚性防水材料,主要包括聚合物水泥防水砂浆、掺外加剂或掺合料的防水砂浆,宜采用多层抹压法施工10.3.2 水泥砂浆防水层可用于地下建筑结构主体的迎水面或背水面。
本身必须形成一个封闭的整体,且必须与主体结构层之间结合牢固,不适用于有侵蚀性、受持续振动的或室内温度高于80℃的地下建筑防水10.4.1 卷材方式属于柔性防水材料,主要包括高聚物改性沥青类防水卷材和合成高分子类防水卷材。
10.4.2 卷材防水层宜用于经常处于地下水环境,且受侵蚀性介质作用或受震动作用的地下工程。
不宜用于地下水含矿物油或有机溶液处10.4.5 附加层宽度为500mm10.5.1 防水涂料包括无机、有机两类。
无机防水涂料一般属刚性材料,有机防水涂料属柔性材料。
无机防水涂料为含水泥基的涂料,有机防水涂料有反应型(聚氨酯),水乳型(丙烯酸酯胶乳类防水涂料)、聚合物水泥。
10.5.2 无机防水涂料可用于结构主体的背水面和迎水面,有机防水涂料宜用于主体结构的迎水面。
10.5.3 潮湿基层宜选用与潮湿基面粘接力大的防水涂料,也可采用先涂无机涂料而后涂有机涂料构成的复合防水涂料,冬季施工宜选用反应型涂料,而不适宜采用水乳型涂料10.5.6 聚合物水泥防水涂料应选用以水泥为主要原料的II 型产品10.7.2 常用耐根穿刺防水材料有聚氯乙烯防水卷材、高密度聚乙烯土工膜、SBS改性沥青耐根穿刺防水卷材(既要带铜胎基,又必须掺假阻根剂);水乳型或合成高分子类防水涂料不得与热熔型防水卷材复合使用;水乳型或水泥基类防水涂料应待涂膜实干后方可采用冷战铺贴卷材13.2.2 底板承台高度范围内的外侧保护墙处的防水层,一般采用外防内贴施工方法,自粘聚合物改性沥青防水卷材≧80mm;聚氯乙烯防水卷材≧60/80(单焊缝/双焊缝)、100mm(胶粘剂);聚乙烯丙纶复合防水卷材(粘接料);高分子自粘胶膜防水卷材≧70/80(自粘胶/胶粘带)。
三、各部位防水设计图1、地下室底板防水做法示意图地下室底板大面做法底板变形缝防水做法底板后浇带防水构造做法高低跨连接处防水做法桩头防水处理采用水泥基渗透结晶型防水涂料 +改性沥青防水涂料 +卷材的复合防水做法。
:防水处理工序如下:1.由总承包方凿出桩头至设计标高位置,调整受力钢筋,并切割露出的定位钢筋,并由总承包方用高压水枪冲洗暴露的桩身上的泥土、浮浆、松动的碎石等,并经验收合格。
2.水泥基渗透结晶型防水材料涂刷桩顶表面、暴露的桩身及周圈250mm范围,涂刷参考用量1.2kg/㎡,成膜厚度约1.0mm;3.在桩头部位收口卷材采用橡胶沥青防水涂料涂抹。
注意事项:1、桩头防水处理的关键是桩头的清理工序,采用高压水枪冲洗桩顶面混凝土能够有效清除混凝土的浮灰泥皮。
同时,涂料采用硬毛刷搓揉涂刷。
见下图:2、地下室侧墙防水做法 地下室底板防水交接处预留做法地下室侧墙抗渗增强处理方法:水泥砂浆抹面砖砌永久保护墙砖砌临保护墙细石混凝土保护层2mm 聚氨酯防水涂膜防水层 基层处理剂(细部热熔粘贴处) 细石混凝土垫层随捣随抹 2mm 厚聚氨酯防水涂膜防水层用高压水枪冲洗过的桩头能够最大限度地保证水泥渗透结晶型涂料的渗透效果水泥渗透结晶型涂料需要用硬毛刷搓揉涂刷,以保证活性物质与混凝土紧密结合 钢筋混凝土结构底板自防水侧墙抗渗增强处理技术侧壁底板防水接头做法:地下室侧墙地面收口做法:穿墙管件防水处理穿墙群管的防水做法3、屋面防水做法种植屋面基本做法:上人屋面做法出屋面管道防水做法出屋面管道防水大样4、厨房卫生间防水做法卫生间防水构造做法四、改性沥青防水卷材防水成功案例在我司历年承接施工的防水工程中,所有工程的质量都得到了甲方、监理公司的一致好评,其中采用改性沥青防水卷材的成功案例不在少数,现将其节选如下:广州万科云山项目 屋面 SBS 改性沥青防水卷材 60000 万科金色荔苑 屋面 SBS 改性沥青防水卷材 5000 广州万科城屋面 SBS 改性沥青防水卷材 30000 万科棠樾-双城水岸项目 屋面 SBS 改性沥青防水卷材 25000深圳滨海医院 地下室,屋面 APP 改性沥青防水卷材 180000 底板钢筋锚杆青岛火车站地下室,屋面SBS 改性沥青防水卷材86000底板钢筋锚杆五、本设计方案所用产品简介(一)、APP 改性沥青防水卷材产品简介 【产品】“雨虹”牌塑性体(APP ) 改性沥青防水卷材是无规聚丙烯(APP )或聚烯烃类聚合物(APAO 、APO )等改性剂的沥青做浸渍和涂盖材料,上表面覆以聚乙烯膜、细砂、矿物片(粒)料或铝箔、铜箔等隔离材料所制成的可以卷曲的片状防水材料。
三、各部位防水设计图1、地下室底板防水做法示意图地下室底板大面做法底板变形缝防水做法底板变形缝处防水做法底板后浇带防水构造做法底板后浇带防水做法高低跨连接处防水做法桩头防水处理采用水泥基渗透结晶型防水涂料 +改性沥青防水涂料 +卷材的复合防水做法。
:防水处理工序如下:1.由总承包方凿出桩头至设计标高位置,调整受力钢筋,并切割露出的定位钢筋,并由总承包方用高压水枪冲洗暴露的桩身上的泥土、浮浆、松动的碎石等,并经验收合格。
2.水泥基渗透结晶型防水材料涂刷桩顶表面、暴露的桩身及周圈250mm范围,涂刷参考用量1.2kg/㎡,成膜厚度约1.0mm ;3.在桩头部位收口卷材采用橡胶沥青防水涂料涂抹。
注意事项:1、桩头防水处理的关键是桩头的清理工序,采用高压水枪冲洗桩顶面混凝土能够有效清除混凝土的浮灰泥皮。
同时,涂料采用硬毛刷搓揉涂刷。
见下图:2、地下室侧墙防水做法 地下室底板防水交接处预留做法水泥渗透结晶型涂料需要用硬毛刷搓揉涂刷,以保证活性物质与混凝土紧密结合地下室侧墙抗渗增强处理方法:侧墙抗渗增强处理技术侧壁底板防水接头做法:地下室侧墙地面收口做法:防水系统地面收口做法穿墙管件防水处理穿墙群管的防水做法3、屋面防水做法种植屋面基本做法:种植屋面基本构造上人屋面做法出屋面管道防水做法4、厨房卫生间防水做法卫生间防水构造做法出屋面管道防水大样注明:侧墙墙体四面墙体防水高度均为1800mm。
四、改性沥青防水卷材防水成功案例在我司历年承接施工的防水工程中,所有工程的质量都得到了甲方、监理公司的一致好评,其中采用改性沥青防水卷材的成功案例不在少数,现将其节选如下:五、本设计方案所用产品简介(一)、APP 改性沥青防水卷材产品简介 【产品】“雨虹”牌塑性体(APP ) 改性沥青防水卷材是无规聚丙烯(APP )或聚烯烃类聚合物(APAO 、APO )等改性剂的沥青做浸渍和涂盖材料,上表面覆以聚乙烯膜、细砂、矿物片(粒)料或铝箔、铜箔等隔离材料所制成的可以卷曲的片状防水材料。
三、各部位防水设计图1、地下室底板防水做法示意图地下室底板大面做法底板变形缝防水做法底板变形缝处防水做法底板后浇带防水构造做法底板后浇带防水做法高低跨连接处防水做法高低跨连接处防水节点桩头防水处理采用水泥基渗透结晶型防水涂料 +改性沥青防水涂料 +卷材的复合防水做法。
:防水处理工序如下:1.由总承包方凿出桩头至设计标高位置,调整受力钢筋,并切割露出的定位钢筋,并由总承包方用高压水枪冲洗暴露的桩身上的泥土、浮浆、松动的碎石等,并经验收合格。
2.水泥基渗透结晶型防水材料涂刷桩顶表面、暴露的桩身及周圈250mm 范围,涂刷参考用量1.2kg/㎡,成膜厚度约1.0mm ;3.在桩头部位收口卷材采用橡胶沥青防水涂料涂抹。
注意事项:1、桩头防水处理的关键是桩头的清理工序,采用高压水枪冲洗桩顶面混凝土能够有效清除混凝土的浮灰泥皮。
同时,涂料采用硬毛刷搓揉涂刷。
见下图:水泥渗透结晶型涂料需要用硬毛刷搓揉涂刷,以保证活性物质与混凝土紧密结合2、地下室侧墙防水做法地下室底板防水交接处预留做法基础底板侧壁交接处大样地下室侧墙抗渗增强处理方法:侧壁底板防水接头做法:地下室侧墙地面收口做法:防水系统地面收口做法穿墙管件防水处理穿墙群管的防水做法3、屋面防水做法种植屋面基本做法:种植屋面基本构造上人屋面做法出屋面管道防水做法4、厨房卫生间防水做法卫生间防水构造做法注明:侧墙墙体除淋浴面的墙体防水高度为1800mm外,其余3面墙体防水高度均为300mm。
四、改性沥青防水卷材防水成功案例在我司历年承接施工的防水工程中,所有工程的质量都得到了甲方、监理公司的一致好评,其中采用改性沥青防水卷材的成功案例不在少数,现将其节选如下:五、本设计方案所用产品简介(一)、APP 改性沥青防水卷材产品简介 【产品】“雨虹”牌塑性体(APP ) 改性沥青防水卷材是无规聚丙烯(APP )或聚烯烃类聚合物(APAO 、APO )等改性剂的沥青做浸渍和涂盖材料,上表面覆以聚乙烯膜、细砂、矿物片(粒)料或铝箔、铜箔等隔离材料所制成的可以卷曲的片状防水材料。
防水施工图集大全地下室底板防水做法示意
1)底板变形缝防水做法
2)底板后浇带防水构造做法
3)高低跨连接处防水做法
4)桩头防水处理
采用水泥基渗透结晶型防水涂料+改性沥青防水涂料+卷材的复合防水做法
防水处理工序:
①由总承包方凿出桩头至设计标高位置,调整受力钢筋,并切割露出的定位钢筋,由总承包方用高压水枪冲洗暴露的桩身上的泥土、浮浆、松动的碎石等,并经验收合格。
②水泥基渗透结晶型防水材料涂刷桩顶表面、暴露的桩身及周圈250mm,涂刷参考用量1.2kg/㎡,成膜厚度约1.0mm。
③在桩头部位收口卷材采用橡胶沥青防水涂料涂抹。
注意事项:
桩头防水处理的关键是桩头的清理工序,采用高压水枪冲洗桩顶面混凝土能够有效清除混凝土的浮灰泥皮。
同时,涂料采用硬毛刷搓揉涂刷,如下图:
地下室侧墙防水做法
1)地下室底板防水交接处预留做法
2)地下室侧墙抗渗增强处理方法
3)侧壁底板防水接头做法
4)地下室侧墙地面收口做法
5)穿墙管件防水处理
6)穿墙群管的防水做法
屋面防水做法
1)种植屋面基本做法
2)上人屋面做法
3)出屋面管道防水做法
卫生间防水做法
卫生间防水构造做法
【本文档内容可以自由复制内容或自由编辑修改内容期待你的好评和关注,我们将会做得更好】
最新范本,供参考!。