完整钢结构课程设计精
- 格式:doc
- 大小:1.81 MB
- 文档页数:41
钢结构刚屋架课程设计一、教学目标本课程旨在让学生掌握钢结构刚屋架的基本概念、设计原理和计算方法,培养学生运用理论知识分析和解决实际问题的能力。
具体目标如下:1.知识目标:(1)了解钢结构刚屋架的结构特点及分类。
(2)掌握刚屋架的基本设计原理和计算方法。
(3)熟悉刚屋架的施工工艺和验收标准。
2.技能目标:(1)能够运用理论知识分析和解决钢结构刚屋架设计中的实际问题。
(2)具备一定的钢结构刚屋架计算和绘图能力。
(3)学会对钢结构刚屋架施工过程进行质量控制和验收。
3.情感态度价值观目标:(1)培养学生对钢结构的兴趣和认识,提高学生对钢结构的审美观念。
(2)培养学生勤奋学习、勇于创新的精神风貌。
(3)增强学生的团队协作能力和责任感。
二、教学内容本课程主要教学内容如下:1.钢结构刚屋架的基本概念、分类及特点。
2.刚屋架的设计原理和计算方法,包括:荷载分析、内力计算、截面设计、稳定性分析等。
3.刚屋架的施工工艺、质量控制和验收标准。
4.典型工程案例分析,提高学生运用理论知识解决实际问题的能力。
三、教学方法为了提高教学效果,本课程将采用以下教学方法:1.讲授法:系统地传授钢结构刚屋架的基本概念、设计原理和计算方法。
2.案例分析法:分析典型工程案例,使学生更好地理解和运用理论知识。
3.讨论法:学生就钢结构刚屋架的设计、施工等方面的问题进行讨论,培养学生的思辨能力和团队协作精神。
4.实验法:安排学生进行钢结构的实验操作,提高学生的动手能力和实践能力。
四、教学资源为确保教学质量,本课程将充分利用以下教学资源:1.教材:选用权威、实用的教材,为学生提供系统、全面的学习资料。
2.参考书:推荐学生阅读相关参考书籍,丰富学生的知识体系。
3.多媒体资料:制作精美的课件,运用动画、图片等形式展示钢结构刚屋架的设计和施工过程。
4.实验设备:为学生提供充足的实验设备,确保实验教学的顺利进行。
5.网络资源:引导学生利用网络资源,了解钢结构刚屋架的最新发展动态。
目录一钢结构课程设计任务书 (1)二钢结构课程设计计算书 (3)1 支撑布置 (3)2 荷载计算 (4)3 内力计算 (6)4 杆件设计 (7)5 节点设计 (18)三附图1钢屋架施工图2钢屋架节点详图和材料表一、 钢 结 构 课 程 设 计 任 务 书一、设计资料 1、结构形式某厂房跨度为21m ,总长90m ,柱距6m ,采用梯形钢屋架、1.5×6.0m 预应力混凝土大型屋面板,屋架铰支于钢筋混凝土柱上,上柱截面400×400,混凝土强度等级为C30,屋面坡度为10:1 i 。
地区计算温度高于-200C ,无侵蚀性介质,地震设防烈度为7度,屋架下弦标高为18m ;厂房内桥式吊车为2台150/30t (中级工作制),锻锤为2台5t 。
2、 屋架形式及选材屋架形式、几何尺寸及内力系数如附图所示。
屋架采用的钢材及焊条为:1班学号为单号的同学用235Q 钢,焊条为43E 型,学号为双号的同学用345Q 钢,焊条为50E 型;2班学号为单号的同学用345Q 钢,焊条为50E 型,学号为双号的同学用235Q 钢,焊条为43E 型。
3、荷载标准值(水平投影面计)① 永久荷载:三毡四油(上铺绿豆砂)防水层 0.4 KN/m 2 水泥砂浆找平层 0.4 KN/m 2保温层 0.65KN/m 2(按附表取) 一毡二油隔气层 0.05 KN/m 2 水泥砂浆找平层 0.3 KN/m 2预应力混凝土大型屋面板 1.4 KN/m 2屋架及支撑自重:按经验公式L=计算: KN/m212.0+.0q11悬挂管道: 0.15 KN/m2②可变荷载:屋面活荷载标准值:27.0mkN/雪荷载标准值: 0.35KN/m2积灰荷载标准值: 1.0 KN/m2(按附表取)二、设计内容1、计算书部分进行桁架支撑布置,画出屋架结构及支撑的布置图;选择钢材及焊接材料,并明确提出对保证项目的要求;进行荷载计算、内力计算、内力组合,设计各杆件截面;设计一个下弦节点、一个上弦节点、支座节点、屋脊节点及下弦中央节点。
钢结构课程设计
钢结构课程设计是一门涉及钢结构设计和分析的课程,旨
在培养学生掌握钢结构设计的基本原理和方法,并能运用
相关软件进行结构计算与分析。
以下是一个钢结构课程设
计的大致内容和步骤:
1. 钢结构基础知识:学习钢结构的概念、组成和特点,了
解常见的钢材及其性能。
2. 荷载分析与选择:学习荷载的种类和计算方法,包括活载、恒载、风载等,根据设计需求选择合适的荷载标准。
3. 钢结构的构造形式:学习常见的钢结构形式,包括框架
结构、空间结构、悬挂结构等,并了解其特点和适用范围。
4. 钢结构的设计原理:学习根据材料力学和结构力学原理
进行结构设计,包括截面计算、稳定性分析、抗震设计等。
5. 钢结构的连接设计:学习钢结构的连接方式及其设计原理,包括焊接、螺栓连接等。
6. 结构设计软件:学习常用的钢结构设计软件,如
SAP2000、ETABS等,掌握其使用方法和分析结果的解读。
7. 综合设计项目:根据课程要求或实际工程需求,选择一
个钢结构设计项目进行综合设计,包括结构设计、计算、
分析和绘图等环节。
8. 结果评估和修改:对设计结果进行评估和修改,确保设
计的合理性和安全性。
9. 结果展示和报告:撰写设计报告,总结设计过程和结果,以及分析设计的优缺点和应用前景。
以上只是钢结构课程设计的一些基本内容和步骤,具体的
设计项目和要求可能会根据不同的课程和学校而有所不同。
在进行课程设计时,建议学生进行充分的资料搜集和实践
操作,结合理论知识与实际工程背景进行设计。
q345钢结构课程设计一、教学目标本课程旨在让学生掌握Q345钢结构的的基本知识,包括其性质、用途和设计方法。
在知识目标方面,学生应了解Q345钢的化学成分、机械性能以及焊接、切割等加工工艺。
技能目标方面,学生应能运用Q345钢结构的知识进行简单的结构设计和计算。
情感态度价值观目标方面,通过本课程的学习,学生应培养对钢结构的兴趣,增强工程安全意识,提高创新能力和团队合作精神。
二、教学内容教学内容主要包括Q345钢的性质、用途、加工工艺以及设计方法。
具体包括以下几个方面:1. Q345钢的化学成分、机械性能及其与国家标准的对应关系;2.Q345钢在工程中的应用领域,如建筑、桥梁等;3. Q345钢的加工工艺,包括焊接、切割、弯曲等;4. Q345钢结构的设计方法,包括强度计算、稳定性计算等。
三、教学方法为了提高教学效果,将采用多种教学方法相结合的方式进行授课。
包括:1. 讲授法:用于讲解Q345钢的基本概念、性质和设计方法;2. 案例分析法:通过分析实际工程案例,使学生更好地理解和掌握Q345钢的应用;3. 实验法:学生进行钢结构的实验,加深对钢性质和加工工艺的理解;4. 讨论法:鼓励学生在课堂上提问、发表见解,提高学生的主动性和参与度。
四、教学资源教学资源包括教材、参考书、多媒体资料和实验设备。
教材方面,选用《Q345钢结构设计与应用》作为主教材,辅助以《钢结构工艺手册》等参考书。
多媒体资料包括PPT课件、视频动画等,用于直观展示Q345钢的性质和加工工艺。
实验设备方面,准备钢材样品、焊接设备、切割工具等,以便进行实地操作和观察。
五、教学评估教学评估将采用多元化的评价方式,包括平时表现、作业、考试等,以全面、客观、公正地评价学生的学习成果。
平时表现主要评估学生的课堂参与度、提问与讨论、团队合作等,占总评的30%。
作业包括练习题、小设计等,主要评估学生对Q345钢结构知识的理解和应用能力,占总评的40%。
1.设计资料: ......................................................................................................... 错误!未定义书签。
2.结构形式与布置 ................................................................................................. 错误!未定义书签。
3.荷载计算 ............................................................................................................. 错误!未定义书签。
4.内力计算 ............................................................................................................. 错误!未定义书签。
附件:设计资料1、设计题目:单层工业厂房屋盖结构——梯形钢屋架设计2、设计任务及参数:第五组:某地一机械加工车间,长84m,跨度24m,柱距6m,车间内设有两台40/10T中级工作制桥式吊车,轨顶标高18.5m,柱顶标高27m,地震设计烈度7度;采用梯形钢屋架,封闭结合,×6m预应力钢筋混凝土大型屋面板m2,上铺100mm厚泡沫混凝土保温层容重为1KN/m3,三毡四油上铺绿豆砂防水层m2,找平层2cm厚m2,卷材屋面,屋面坡度i=1/10,屋架简支于钢筋混凝土柱上,混凝土强度等级C20,上柱截面400×400mm;钢材选用Q235B,焊条采用E43型;屋面活荷载标准值m2,积灰荷载标准值m2,3、设计任务分解学生按照下表分派的条件,完成梯形钢屋架设计的全部相关计算和验算及构造设计内容;表-34、设计成果要求在教师指导下,能根据设计任务书的要求,搜集有关资料,熟悉并应用有关规范、标准和图集,独立完成课程设计任务书指导书规定的全部内容;1需提交完整的设计计算书和梯形钢屋架施工图;2梯形钢屋架设计要求:经济合理,技术先进,施工方便;3设计计算书要求:计算依据充分、文理通顺、计算结果正确、书写工整、数字准确、图文并茂,统一用A4纸书写打印;A、按步骤设计计算,各设计计算步骤应表达清楚,写出计算表达式及必要的计算过程,对数据的选取应写明判断依据;B、计算过程中,必须配以相应的计算简图;C、对计算结果进行复核后,为保证施工质量且方便施工,应按规范要求对计算结果进行调整并写明依据;4梯形钢屋架施工图共两张,图纸绘制的要求:布图合理,版面整齐,图线清晰,标注规范,符合规范/图集要求;单层工业厂房屋盖结构——梯形钢屋架设计1.设计资料:1某地一机械加工车间,长84m,跨度24m,柱距6m,车间内设有两台40/10T 中级工作制桥式吊车,轨顶标高18.5m,柱顶标高27m,地震设计烈度7度;采用梯形钢屋架,封闭结合,×6m 预应力钢筋混凝土大型屋面板m 2,上铺100mm 厚泡沫混凝土保温层容重为1KN/m 3,三毡四油上铺绿豆砂防水层m 2,找平层2cm 厚m 2,卷材屋面,屋面坡度i=1/10,屋架简支于钢筋混凝土柱上,混凝土强度等级C20,上柱截面400×400mm;钢材选用Q235B,焊条采用E43型;屋面活荷载标准值m 2,积灰荷载标准值m 2,雪荷载及风荷载见下表;2屋架计算跨度)(7.233.0240m l =-=3跨中及端部高度:设计为无檩屋盖方案,采用平坡梯形屋架,端部高度mmh 19000=中部高度mm h 3100=为6.7/0l ,屋架跨中起拱500/l 考虑,取48m. 2.结构形式与布置屋架形式及几何尺寸如图所示:图1.梯形钢屋架形式和几何尺寸根据厂房长度102m>60m、跨度及荷载情况,设置三道上、下弦横向水平支撑;因柱网采用封闭结合,厂房两端的横向水平支撑设在第一柱间,该水平支撑的规格与中间柱间支撑的规格有所不同;在所有柱间的上弦平面设置了刚性与柔性系杆,以保证安装时上弦杆的稳定,在各柱间下弦平面的跨中及端部设置了柔性系杆,以传递山墙风荷载;在设置横向水平支撑的柱间,于屋架跨中和两端各设一道垂直支撑;梯形钢屋架支撑布置如图下图所示:屋架上弦支撑布置图屋架下弦支撑布置图3.荷载计算屋面和荷载与雪荷载不会同时出现,计算时,取较大的荷载标准值进行计算;故取屋面活荷载2m 进行计算;屋面风荷载迎风面 m KN /88.51235.00.1)0.1(4.11-=⨯⨯⨯-⨯=ω 背风面 m KN /82.31235.00.165.0(4.11-=⨯⨯⨯-⨯=ω由于屋面坡度较小,对荷载影响小,未予考虑;风荷载对屋面为吸力,重屋架不考虑;表 1 荷 载 计 算 表设计屋架时,应考虑以下三种荷载组合: .全跨永久荷载 + 全跨可变荷载全跨节点永久荷载及可变荷载:KN F 991.4865.1)82.16234.3(=⨯⨯+=.全跨永久荷载 + 半跨可变荷载全跨节点永久荷载:611.3265.16234.31=⨯⨯=F半跨节点可变荷载:KN F 38.1665.182.12=⨯⨯=.全跨屋架包括支撑自重+半跨屋面板自重+半跨屋面活荷载:全跨节点屋架自重:KN F 67.465.15184.03=⨯⨯=半跨节点屋面板自重及活荷载:KN F 31.2365.1)7.089.1(4=⨯⨯+=1、2为使用节点荷载情况,3为施工阶段荷载情况; 4.内力计算屋架在上述三种荷载组合作用下的计算简图如图所示:屋架计算简图由图解法或数解法解得F=1的屋架各杆件的内力系数F=1作用于全跨、左半跨和右半跨;然后求出各种荷载情况下的内力进行组合,计算结果见表2屋架构件内力组合表竖杆AaCb、EcGdHRIe 0 00 0 0 0 0 0 05.杆件设计1上弦杆整个上弦采用等截面,按GH,HI杆件的最大内力设计,即KNN89.797-=上弦杆计算长度:在屋架平面内,为节间轴线长度,即在屋架平面外,本屋架为无檩体系,并且认为大型屋面板只起到刚性系杆作用,根据支持布置和内力变化情况,取oyl为支撑点间的距离,即mmloy6000=根据屋架平面外上弦杆的计算长度,上弦杆截面选用两个不等肢角钢,短肢相并;如下图所示;腹杆最大内力KNN06.440-=,由屋架节点板厚度参考可知:中间节点板与垫板厚度取10mm,支座节点板刚度取12mm;设70=λ,查Q235钢的稳定系数表,可得751.0=ϕ由双角钢组成的T形和十字形截面均属于b类,则需要的截面积为236.4941215751.01089.797mmfNA=⨯⨯==ϕmmlloox1508==需要回转半径:mm l i oxx 5.21701508===λ , mm l i oy y 7.85706000===λ根据需要A,x i ,y i 查角钢规格表,选用101101802⨯⨯L ,肢背间距a=10mm,则:25680mm A =,mm i x 3.31=,mm i y 3.86=按所选角钢进行验算:52.693.866000===yoy y i l λ<λ=150, 758.0=y ϕb 类 双角钢T 型截面绕对称轴y 轴应按扭曲计算长细比yz λ,6.331160056.056.0110.1110=⨯=<==b l t b y 则yz λ=y λ=,754.0=ϕ,MPa MPa A N 3.1865680754.01089.7973=⨯⨯=ϕ<MPa 215故所选截面满足要求;填板每个节间放一块满足1l 范围内不少于两块,尺寸取60mmx130mmx10mm 则 间距cm x i cm l d 2.12513.340404.7528.150==<==,取80cm; 2下弦杆整个下弦杆采用同一截面,按最大内力所在的杆计算;K N 86.741=Nmm l ox 3000= ,mm l oy 118502/23700==因跨中有通长系杆,所需截面积为:235.34502151086.741mm f N A =⨯==选用101101802⨯⨯L ,因oy l ≥ox l ,故用不等肢角钢,短肢相并,如下图;25680mm A =,mm i x 3.31=,mm i y 3.86=8.953.313000===x ox x i l λ<350,31.1373.8611850===y oy y i l λ<35018.483.311508===x ox x i l λMPa MPa A N 21561.13056801086.7413<=⨯==σ故所选截面满足要求;填板每个节间放一块,尺寸取60mm ×130mm ×10mm,则 间距cm i cm l d 4.25013.380801502300=⨯=<==,取150cm; 3斜腹杆 ①端斜杆aB :杆件轴力 KN N 06.440-= 计算长度 =ox l mm l oy 2448=因=ox l oy l ,故采用不等肢角钢,长肢相并,使≈x i y i ;选用8801252⨯⨯L ,肢背间距a=10mm,则: 23200mm A =,mm i x 1.40=,mm i y 7.32= 按所选角钢进行验算:86.747.322448===yoy y i l λ<λ=150 双角钢T 型截面绕对称轴y 轴应按扭曲计算长细比yz λ,7.1788.24458.058.0108.08202=⨯=<==b l t b y 则yz λ=y λ1+2204209.1tl b y =×1+y λ>=⨯⨯58.81)8.08.244809.1224故由58.81max ==yz λλ,b 类,678.0=ϕ,MPa MPa A N 8.2023200678.01006.4403=⨯⨯=ϕ<MPa 215 故所选截面满足要求;填板放两块,尺寸取60mm ×145mm ×10mm,则 间距cm i cm l d 8.13027.340406.8138.244=⨯=<==,取90cm; ②杆件dR-RI此杆在R 节点处不断开,采用通长杆件;05.611.402448===x ox x i l λ最大拉力:KN N dR 60.65= ,KN N RI 33.103= 最大压力:KN N dR 63.34-= ,KN N RI 03.31-=再分式桁架中的斜腹杆,在桁架平面内的计算长度取节点中心间距mm l ox 2157=,在桁架平面外的计算长度:mm N N l l oy 5.6399)63.3403.3125.075.0(4314)125.075.0(21=⨯+⨯=⨯+⨯= 选用4632⨯L ,查角钢规格表得2996mm A =,mm i x 6.19=,mm i y 4.29=1507.996.192157<===x ox x i l λ因x λ<y λ,只需求y ϕ;查表得3486.0=y ϕ,则MPa A N y 7.999963486.034630=⨯==ϕσ<MPa 215 拉应力: MPa MPa A N 2157.10399610333<===σ 所选截面满足要求;填板放两块,尺寸取60mm ×83mm ×10mm,则 间距cm i cm l d 4.7896.140409.7137.215=⨯=<==,取75cm; ③ 杆件Bb杆件轴力 KN N 58.339=计算长度 =ox l ×2534=, mm l oy 2534= 选用8752⨯L ,查角钢规格表得22300mm A =,mm i x 8.22=,mm i y 0.35=3509.882.2027<===xoxx i l λ 3504.720.352534<===yoy y i l λ 所选截面满足要求;15067.2174.295.6399<===yoy y i l λ填板放两块,尺寸取60mm ×95mm ×10mm,则 间距cm i cm l d 4.18228.280804.6334.253=⨯=<==,取80cm; ④杆件bD杆件轴力 KN N 24.267-=计算长度 =ox l ×2798=, mm l oy 2798= 选用8752⨯L ,查角钢规格表得22300mm A =,mm i x 8.22=,mm i y 0.35=1502.988.224.2238<===x ox x i l λ,1508.812.342798<===y oy y i l λ x λ>y λ,567.0=x ϕ,MPa MPa A N x 2159.2042300567.0267240<=⨯==ϕσ 所选截面满足要求;填板放三块,尺寸取60mm ×95mm ×10mm,则 间距cm i cm l d 2.9128.240400.7048.279=⨯=<==,取70cm; ⑤杆件Dc杆件轴力 KN N 33.180=计算长度 =ox l ×2778=, mm l oy 2778= 选用8752⨯L ,查角钢规格表得22300mm A =,mm i x 8.22=,mm i y 0.35=3505.978.224.2222<===x ox x i l λ,35037.790.352778<===y oy y i l λ MPa MPa A N 2154.782300180330<===σ 所选截面满足要求;填板放两块,尺寸取60mm ×95mm ×10mm,则 间距cm i cm l d 4.18228.280806.9238.277=⨯=<==,取100cm; ⑥杆件cF杆件轴力 KN N 64.118-=计算长度 =ox l ×3055=2444m, mm l oy 3055=选用8752⨯L ,查角钢规格表得22300mm A =,mm i x 8.22=,mm i y 0.35=1502.1078.222444<===x ox x i l λ,1503.890.353035<===y oy y i l λx λ>y λ,449.0=x ϕ, MPa MPa A N x 2159.1142300449.0118640<=⨯==ϕσ 所选截面满足要求;填板放三块,尺寸取60mm ×95mm ×10mm,则 间距cm i cm l d 2.9128.240404.7645.305=⨯=<==,取cm 80; ⑦杆件Fd杆件轴力 KN N 49.52=计算长度 =ox l ×3035=2444m, mm l oy 3035= 选用4632⨯L ,查角钢规格表得2996mm A =,mm i x 6.19=,mm i y 4.29=3509.1236.192428<===x ox x i l λ,3505.1004.293035<===y oy y i l λMPa MPa A N 2157.5299652490<===σ 所选截面满足要求填板放两块,尺寸取60mm ×83mm ×10mm,则 间距cm i cm l d 8.15696.180802.10135.303=⨯=<==,取110cm; ⑧杆件RG杆件轴力 KN N 13.34=计算长度 =ox l ×1952=, mm l oy 1952= 选用4632⨯L ,查角钢规格表得2996mm A =,mm i x 6.19=,mm i y 4.29=3507.796.196.1561<===x ox x i l λ,3506.644.291952<===y oy y i l λx λ>y λ,688.0=x ϕ,MPa A N x 8.49996688.034130=⨯==ϕσ<MPa 215 所选截面满足要求填板放两块,尺寸取60mm ×83mm ×10mm,则 间距cm i cm l d 8.15696.180801.6532.195=⨯=<==,取70cm; 4竖杆 ①杆件Aa杆件轴力 KN N 50.24-=计算长度 =ox l ×1900=1520m, mm l oy 1900=由于杆件内力较小,按150][==λλ选择,需要回转半径为mm i x 13.10=,mm i y 67.12=选用4562⨯L ,查角钢规格表得2878mm A =,mm i x 3.17=,mm i y 7.26=15086.873.171520<===x ox x i l λ,15034.697.261900<===y oy y i l λx λ>y λ,636.0=x ϕ,MPa A N x 87.43878636.024500=⨯==ϕσ<MPa 215 所选截面满足要求;填板放两块,尺寸取60mm ×76mm ×12mm,则 间距cm i cm l d 2.6973.140403.633.190=⨯=<==,取65cm; ②杆件HR杆件轴力 KN N 99.48-=计算长度 =ox l ×1406=, mm l oy 1406= 选用4562⨯L ,查角钢规格表得2878mm A =,mm i x 3.17=,mm i y 7.26=15002.653.178.1124<===x ox x i l λ,1503.517.261406<===y oy y i l λx λ>y λ,78.0=x ϕ,MPa A N x 53.7187878.0448990=⨯==ϕσ<MPa 215 所选截面满足要求;填板放三块,尺寸取60mm ×76mm ×10mm,则 间距cm i cm l d 2.6973.140408.4636.140=⨯=<==,取50cm; ③杆件Cb杆件轴力 KN N 92.48-=计算长度 =ox l ×2200=1760m, mm l oy 2200= 选用4562⨯L ,查角钢规格表得2878mm A =,mm i x 3.17=,mm i y 7.26=1507.1013.171760<===x ox x i l λ,1503.807.262200<===y oy y i l λx λ>y λ,483.0=x ϕ,MPa A N x 5.115878483.0448920=⨯==ϕσ<MPa 215 所选截面满足要求;填板放三块,尺寸取60mm ×76mm ×10mm,则 间距,2.6973.14040554220cm i cm l d =⨯=<==取60cm; ④杆件Ec杆件轴力 KN N 92.48-=计算长度 =ox l ×2500=2000m, mm l oy 2500= 选用4562⨯L ,查角钢规格表得2878mm A =,mm i x 3.17=,mm i y 7.26=1506.1153.172000<===x ox x i l λ,15024.917.262200<===y oy y i l λx λ>y λ,460.0=x ϕ,MPa A N x 1.121878460.0448920=⨯==ϕσ<MPa 215 所选截面满足要求;填板放三块,尺寸取60mm ×76mm ×10mm,则间距,2.6973.140405.624250cm i cm l d =⨯=<==取65cm; ⑤杆件Gd杆件轴力 KN N 47.73-=计算长度 =ox l ×2800=2240m, mm l oy 2800= 选用4632⨯L ,查角钢规格表得2996mm A =,mm i x 6.19=,mm i y 4.29=1503.1146.192240<===x ox x i l λ,1507.924.292800<===y oy y i l λ x λ>y λ,468.0=x ϕ,MPa A N x 6.157996468.073470=⨯==ϕσ<MPa 215 所选截面满足要求;填板放三块,尺寸取60mm ×83mm ×10mm,则 间距,4.7896.14040704280cm i cm l d =⨯=<==取70cm表 3 屋 架 杆 件 截 面 选 择 表1.下弦设计 1下弦节点b已知采用用E43型焊条,角焊缝的抗拉、抗压和抗剪强度设计值160wf f Mpa ;设“Bb ”杆的肢背和肢尖焊缝mm mm h f 68和=,则所需的焊缝长度为按等肢角钢连接的角焊缝内力分配系数计算:肢背: mm l w 2.1648216087.02339580321=⨯+⨯⨯⨯⨯=,取180mm ;肢尖: mm l w 4.956216067.02339580312=⨯+⨯⨯⨯⨯=,取100mm ;设“bD ”杆的肢背和肢尖焊缝mm mm h f 68和=,则所需的焊缝长度为: 肢背: mm l w 9.1518216087.02267240321=⨯+⨯⨯⨯⨯=,取120mm ;肢尖: mm l w 6.776216067.02267240312=⨯+⨯⨯⨯⨯=,取90mm ;“Cb ”杆的内力很小,焊缝尺寸可按构造确定,取mm h f 5=;根据上面求得的焊缝长度,并考虑杆件之间应有的间隙及制作和装配等误差,按比例绘出节点详图,从而确定节点板尺寸为300mm ×340mm;下弦节点“b ”下弦与节点板连接的焊缝长度为,mm h f 6=;焊缝所受的力为左右两下弦杆的内力差kN 27.32618.42245.685==∆—N ,受力较大的肢背处的焊缝应力为MPa f MPa w f 1603.971234060.7226270332=)—(<=⨯⨯⨯⨯=τ,焊缝强度满足要求;2下弦节点c已知采用用E43型焊条,角焊缝的抗拉、抗压和抗剪强度设计值160wf f Mpa ;设“cD ”杆的肢背和肢尖焊缝mm mm h f 68和=,则所需的焊缝长度为按等肢角钢连接的角焊缝内力分配系数计算:肢背: mm l w 4.838216087.02180330321=⨯+⨯⨯⨯⨯=,取100mm ;肢尖: mm l w 3.566216067.02180330312=⨯+⨯⨯⨯⨯=,取60mm ;设“cF ”杆的肢背和肢尖焊缝mm mm h f 68和=,则所需的焊缝长度为: 肢背: mm l w 4.608216087.02186401321=⨯+⨯⨯⨯⨯=,取80mm ;肢尖: mm l w 3.416216067.02118640312=⨯+⨯⨯⨯⨯=,取60mm ;“cE ”杆的内力很小,焊缝尺寸可按构造确定,取mm h f 5=;根据上面求得的焊缝长度,并考虑杆件之间应有的间隙及制作和装配等误差,按比例下弦节点“c ”绘出节点详图,从而确定节点板尺寸为260mm ×300mm;下弦与节点板连接的焊缝长度为,mm h f 6=;焊缝所受的力为左右两下弦杆的内力差kN 41.15545.86586.741=-=∆N ,受力较大的肢背处的焊缝应力为MPa f MPa w f 16079.371234060.7215541032=)—(<=⨯⨯⨯⨯=τ,焊缝强度满足要求;3下旋节点d已知采用用E43型焊条,角焊缝的抗拉、抗压和抗剪强度设计值160wf f Mpa ;设“Fd 的肢背和肢尖焊缝mm mm h f 68和=,则所需的焊缝长度为按等肢角钢连接的角焊缝内力分配系数计算:肢背: mm l w 6.358216087.0252490321=⨯+⨯⨯⨯⨯=,取80mm.肢尖: mm l w 8.246216067.0252490312=⨯+⨯⨯⨯⨯=,取60mm.设“dR 的肢背和肢尖焊缝mm mm h f 68和=,则所需的焊缝长度为: 肢背: mm l w 5.408216087.0265600321=⨯+⨯⨯⨯⨯=,取80mm.肢尖: mm l w 1.286216067.0265600312=⨯+⨯⨯⨯⨯=,取60mm .“Gd 的内力很小,焊缝尺寸可按构造确定,取mm h f 5=;根据上面求得的焊缝长度,并考虑杆件之间应有的间隙及制作和装配等误差,按比例绘出节点详图,从而确定节点板尺寸为260mm ×340mm;下弦节点“d ”下弦与节点板连接的焊缝长度为,mm h f 6=;焊缝所受的力为左右两下弦杆的内力差kN 05.181.74086.741=-=∆N ,受力较大的肢背处的焊缝应力为MPa f MPa w f 16026.01234060.72105032=)—(<=⨯⨯⨯⨯=τ,焊缝强度满足要求;4下弦节点e1弦杆与拼接角钢连接焊缝计算:下弦与节点板连接的焊缝长度为50cm,mm h f 8=;焊缝所受的力为弦杆的内力kN 81.740=N ,则需焊缝长度为: =+⨯⨯⨯=167.04w ff w f h N l mm 222.698216087.04740810=⨯+⨯⨯⨯,取w l =250mm 拼接角钢长度不小于2⨯250+10=510mm,取540mm;为了保证施焊方便和保证连接焊缝的质量,还需将连接角钢的竖直肢切去Δ=t+mm h f 5+=10+8+5=23mm;2竖杆与节点板连接焊缝计算:按下弦杆内力的15%计算;kN N 12.111%15408107=⨯=设肢背、肢尖焊脚尺寸为6mm,弦杆一侧需焊缝长度为肢背:mm l w 39.671216067.021012.111323=+⨯⨯⨯⨯⨯=,取w l =80mm 肢尖mm l w 28.391216067.021012.111313`=+⨯⨯⨯⨯⨯=,按构造要求,取焊缝长度`w l ≥50mm, 取`w l =60mm3节点板尺寸:按比例绘出节点详图,从而确定节点板尺寸:图14.下弦节点“e ”MPa f MPa w f 16056.911650080.7274081032=)—(<=⨯⨯⨯⨯=τ 焊缝强度满足要求;2上弦设计1上弦节点“B ”“Bb ”杆与节点板的焊缝尺寸和节点“b ”相同;已知: kN 06.440-N =aB设“aB ”杆的肢背和肢尖焊缝mm mm h f 68和=,则所需的焊缝长度为按不等肢角钢短肢连接的角焊缝内力分配系数计算:肢背: mm l w 164.538216087.024********=⨯+⨯⨯⨯⨯=,取170mm ; 肢尖: mm l w 120.056216067.024********=⨯+⨯⨯⨯⨯=,取140mm ; 为了便于在上弦上搁置屋面板,节点板的上边缘可缩进上弦肢背8mm;用槽焊缝把上弦角钢和节点板连接起来;槽焊缝作为两条角焊缝计算,槽焊缝强度设计值乘以的折减系数;计算时可略去屋架上弦坡度的影响,而假定集中荷载P 与上弦垂直;上弦肢背槽焊缝内的应力由下面计算得到:。
21m跨度钢结构课程设计(完整版
21m跨度钢结构课程设计(完整版)是中国科学院大学为学生提供的一套有关21m跨度钢结构的完整课程。
该课程分为三大部分:基础理论、设计理论及应用技术,旨在帮助学生掌握21m跨度钢结构的基本知识、设计原理及其应用技术。
首先,21m跨度钢结构课程从基础理论开始,重点讲授了钢材材料特性、热处理工艺、焊接工艺、工程力学和结构力学,以及钢结构几何形体、计算方法和设计原则等相关内容,使学生能够掌握钢结构基础知识。
其次,21m跨度钢结构课程讲授设计理论,该部分共包括五章:钢结构抗压设计、钢结构抗弯设计、钢结构抗剪设计、钢结构抗扭设计、钢结构稳定性设计。
每一章都从钢结构抗力分析、设计准则以及实例设计出发,详细介绍了21m跨度钢结构的抗力设计原理,使学生能够正确理解并正确运用各种设计原则,以此保证钢结构的结构安全性。
最后,21m跨度钢结构课程讲授应用技术,主要内容包括接头设计、抗震设计、耐久性能设计及实际施工等,使学生掌握21m跨度钢结构的应用知识,能够根据钢结构
设计要求进行实际施工,从而保证21m跨度钢结构的合理性和安全性。
总之,21m跨度钢结构课程设计(完整版)是为学生提供的一套完整的21m跨度钢结构课程,全面深入地讲授了21m跨度钢结构的基础理论、设计理论及应用技术,使学生掌握21m跨度钢结构的基本知识、设计原理及其应用技术,从而为21m跨度钢结构的安全设计提供可靠的依据。
钢结构课程设计班级:姓名:学号:指导老师:201X年 12月 30日梯形钢屋架课程设计一、设计资料(1) 题号72,屋面坡度1:10,跨度30m ,长度102m ,,地点:哈尔滨,基本风压:0.45kN/m 2,基本雪压:0.45 kN/m 2。
该车间内设有两台200/50kN 中级工作制吊车,轨顶标高为8.000m 。
(2) 采用1.5m ×6m 预应力混凝土大型屋面板,80mm 厚泡沫混凝土保护层,卷材屋面,屋面坡度i=1/10。
屋面活荷载标准值0.7kPa ,血荷载标准值为0.1 kN/m 2,积灰荷载标准值为0.6 kN/m 2。
屋架绞支在钢筋混凝土柱上,上柱截面为400mm ×400mm 。
(3) 混凝土采用C20,,钢筋采用Q235B 级,焊条采用 E43型。
(4) 屋架计算跨度:l 0=30m-2×0.15m=29.7m(5) 跨中及端部高度:采用无檩无盖方案。
平坡梯形屋架,取屋架在30m 轴线处的端部高度m h 210.20=',屋架的中间高度h=3.710(为lo/8)。
屋架跨中起拱按500/0l 考虑,取60mm 。
二、结构形式与布置屋架形式及几何尺寸如下图:梯形钢屋架支撑布置如下图:1、荷载计算屋面荷载与雪荷载不会同时出现,计算时取较大值进行计算,故取屋面活荷载0.7 kN/m2进行计算。
屋架沿水平投影面积分布的自重(包括支撑)按经验公式2(0.120.011)/k g l kN m =+计算,跨度单位为米(m )。
荷载计算表如下:荷载名称标准值(kN/m 2)设计值(kN/m 2) 预应力混凝土大型屋面板 1.41.4×1.35=1.89三毡四油防水层 0.4 0.4×1.35=0.54 找平层(厚20mm) 0.2×20=0.4 0.4×1.35=0.54 80厚泡沫混凝土保护层 0.08×6=0.480.48×1.35=0.648 屋架和支撑自重 0.12+0.011×030=0.450.45×1.35=0.608 管道荷载 0.1 0.1×1.35=0.135永久荷载总和 3.23 4.361 屋面活荷载 0.7 0.7×1.4=0.98 积灰荷载 0.6 0.6×1.4=0.84可变荷载总和 1.31.82设计屋架时,应考虑以下三种荷载组合 (1) 全跨永久荷载+全跨可变荷载:kN F 629.5565.1)82.1361.4(=⨯⨯+=(2) 全跨永久荷载+半跨可变荷载 全跨节点永久荷载:kN F 249.3965.1361.41=⨯⨯=半跨节点可变荷载:kN F 38.1665.182.12=⨯⨯=(3)全跨屋架(包括支撑)自重+半跨屋面板自重+半跨屋面活荷载 全跨节点屋架自重:kN F 47.565.1608.03=⨯⨯=半跨接点屋面板自重及活荷载:kN F 83.2565.1)98.089.1(4=⨯⨯+=(1)、(2)为使用节点荷载情况,(3)为施工阶段荷载情况。
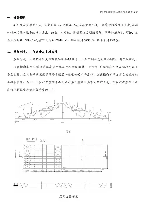
一、设计资料某厂房屋架跨度18m,屋架间距6m,柱高4。
5m,屋面坡度1/3,抗震设防烈度为7度,屋面材料为石棉水泥中波或小波瓦、油毡、木望板。
薄壁卷边Z型钢檩条,檩条斜距为0。
778m,基本风压为0。
35kN/2m,雪荷载为0.20kN/2m。
钢材采用Q235-B。
焊条采用E43型。
二、屋架形式、几何尺寸及支撑布置屋架形式、几何尺寸及支撑布置如图1-10所示,上弦节间长度为两个间距,有节间荷载。
上弦横向水平支撑设置在房屋两端及伸缩缝处的第一开间内,并在相应开间屋架跨中设置垂直支撑,在其余开间屋架下弦跨中设置一道通长的水平系杆。
上弦横向水平支撑在交叉点处与檩条相连。
为此,上弦杆在屋架平面外的计算长度等于其节间几何长度;下弦杆在屋架平面外的计算长度为钢屋架跨度的一半.简图屋架支撑布置图1-10 屋架形式、几何尺寸及支撑布置三、荷载(1)恒载标准值石棉瓦 0。
2kN/2m/0.949=0。
21kN/2m油毡、木望板 0。
18kN/2m/0。
949=0。
19kN/2m檩条、屋架及支撑 0.20kN/2m合计 0。
6kN/2m(2)活载活载与雪载取最大值 0.30kN/2m因屋架受荷水平投影面积超过602m,故屋面受均布活荷载可取为(水平投影面)0。
35kN/2m。
(3)风荷载基本风压 0。
35kN/2m(4)上弦的集中荷载及节点荷载见表2—1及图1-11、图1-12图1—11 上弦集中荷载图1—12 上弦节点荷载表2-1 上弦集中荷载及节点荷载表 荷载形式 荷载分类集中荷载(设计值)P'/kN节点荷载(设计值)P=2P'/kN备注恒载2。
6575。
314P'=0.6kN/2m ⨯0.778⨯103⨯6m=2.657活载1.3292.658P ’=0。
3kN/2m ⨯0。
778⨯103⨯6m=1。
329(5)风荷载以左吹风为例计算,右吹风同理计算,根据公式0z s z k ωμμβω=计算,z β高度小于30m 的单层厂房,取1.0,z μ查表,B 类地面粗糙程度,10h m ≤,取1.0,s μ取值迎风面-0.47,背风面-0.5.屋面风荷载标准值迎风面 21m /k 1645.035.00.147.00.1N -=⨯⨯-⨯=)(ω 背风面 21m /k 175.035.00.15.00.1N -=⨯⨯-⨯=)(ω上弦节点风荷载迎风面 N N W k 535.16m m 555.1m /k 1645.02-=⨯⨯-= 背风面 N N W k 633.16m m 555.1m /k 175.02-=⨯⨯-=图1-13 上弦节点风荷载四、内力组合内力计算表①1。
钢结构课程设计班级:姓名:学号:指导老师:2013年12月30日梯形钢屋架课程设计一、设计资料(1) 题号72,屋面坡度1:10,跨度30m ,长度102m ,,地点:哈尔滨,基本风压:0.45kN/m 2,基本雪压:0.45 kN/m 2。
该车间内设有两台200/50kN 中级工作制吊车,轨顶标高为8.000m 。
(2) 采用1.5m ×6m 预应力混凝土大型屋面板,80mm 厚泡沫混凝土保护层,卷材屋面,屋面坡度i=1/10。
屋面活荷载标准值0.7kPa ,血荷载标准值为0.1 kN/m 2,积灰荷载标准值为0.6 kN/m 2。
屋架绞支在钢筋混凝土柱上,上柱截面为400mm ×400mm 。
(3) 混凝土采用C20,,钢筋采用Q235B 级,焊条采用 E43型。
(4) 屋架计算跨度:l 0=30m-2×0.15m=29.7m(5) 跨中及端部高度:采用无檩无盖方案。
平坡梯形屋架,取屋架在30m 轴线处的端部高度m h 210.20=',屋架的中间高度h=3.710(为lo/8)。
屋架跨中起拱按500/0l 考虑,取60mm 。
二、结构形式与布置屋架形式及几何尺寸如下图:梯形钢屋架支撑布置如下图:1、荷载计算屋面荷载与雪荷载不会同时出现,计算时取较大值进行计算,故取屋面活荷载0.7 kN/m 2进行计算。
屋架沿水平投影面积分布的自重(包括支撑)按经验公式2(0.120.011)/k g l kN m =+(1) 全跨永久荷载+全跨可变荷载:kN F 629.5565.1)82.1361.4(=⨯⨯+=(2) 全跨永久荷载+半跨可变荷载 全跨节点永久荷载:kN F 249.3965.1361.41=⨯⨯=半跨节点可变荷载:kN F 38.1665.182.12=⨯⨯=(3)全跨屋架(包括支撑)自重+半跨屋面板自重+半跨屋面活荷载 全跨节点屋架自重:kN F 47.565.1608.03=⨯⨯=半跨接点屋面板自重及活荷载:kN F 83.2565.1)98.089.1(4=⨯⨯+=(1)、(2)为使用节点荷载情况,(3)为施工阶段荷载情况。
2013级土木工程专业《钢结构》课程设计任务书钢结构课程是土木工程专业重要的实践性教学环节,是对学生知识和能力的总结。
通过钢结构课程设计,使学生进一步了解钢结构的结构型式、结构布置和受力特点,掌握钢结构的计算简图、荷载组合和内力分析,掌握钢结构的构造要求等。
要求在老师的指导下,参考已学过的课本及有关资料,综合应用钢结构的材料、连接和基本构件的基本理论、基本知识,进行基本的钢结构设计计算,并绘制钢结构施工图。
设计题目:钢结构平台梁板柱的设计钢结构平台的梁格布置如如上图所示。
铺板为预制钢筋混凝土板。
平台永久荷载(包括铺板重力)为5kN/m2,荷载分项系数为1.2,可变荷载分项系数为1.5kN/m2,荷载分项系数为1.4;活荷载F=552.9kN,钢材采用Q235, E43型焊条,焊条电弧焊。
试对此钢结构平台的次梁、主梁和柱子(包括柱脚)进行设计要求:1. 每位同学自己独立完成,不能有任何雷同的课程设计计算书,否则都记为不及格;2. 课程设计计算书可以手写也可以打印,打印使用A4纸张;3. 完成并提交期限时间为第15周周五(12月9日)。
提示:可以参考教材P131例题4-2,P135例题4-4,P149习题4-10,P186习题5-2。
(b)次梁布置简图设计资料:(b)课程设计说明书》格式规范一、封面要求学生提交的正稿封面样式附后。
评定成绩必须有教师签名并写出评语。
二、正文规范1、字体字号要求①设计标题用小三号黑体、居中,英文标题对应用小三号Times NewRoman、居中,“摘要”用5号黑体,中文摘要内容用5号宋体,“ Abstract”用5号黑体,英文摘要内容用5号Times New Roman。
②课程设计正文内容第一级标题用四号黑体、靠左;第二级标题用小四号黑体、靠左;正文全文用小四号宋体、英文用Times New Roman 12。
③页码用小五号居中,页码两边不加修饰符,页码编号从正文开始。
钢结构课程设计-、设计资料1、题号92的已知条件:梯形钢屋架跨度24m,该厂房位于北京,长度为84m,柱距6m。
屋面坡度i=1/10。
屋面活荷载标准值为0.40 kN/m2,雪荷载标准值为0.4kN/m2,风荷载标准值0.45kN/m2,积灰荷载标注值为0.60kN/m2。
该车间内设有两台200/50 kN中级工作制吊车,轨顶标高为8.500 m。
冬季最低温度为-20℃,。
采用1.5m×6m预应力混凝土大型屋面板屋面板。
屋架支撑在钢筋混凝土柱上,上柱截面为400 mm×400 mm,混凝土标号为C20。
钢材采用Q235B级,焊条采用E43型。
2、屋架计算跨度:Lo=24000-2×150=23700mm3、跨中及端部高度:本设计中为无檩条屋盖方案,采用平坡形屋架取屋架在21m轴线处的端部高度h`=1990mm(轴线处),h=1915mm(计算跨度处)。
屋架的中间高度h=3040mm,屋架跨中起拱按Lo/500考虑,取50mm。
二、结构形式与布置屋架形式及几何尺寸见图1所示,支撑布置见图2所示。
图1 屋架形式及几何尺寸屋架下弦支撑布置图图2 屋架支撑布置符号说明:GWJ-(钢屋架);SC-(上弦支撑):XC-(下弦支撑);CC-(垂直支撑);GG-(刚性系杆);LG-(柔性系杆)三、荷载与内力计算1.荷载计算屋面荷载与雪荷载不会同时出现,计算时,取较大的荷载标准值进行计算。
故取屋面活荷载0.5 kN/㎡进行计算.屋架沿水平投影面积分布的自重(包括支撑)按照经验公式()20.120.011/k g l kN m =+计算,跨度单位为米。
表1 荷 载 计 算 表荷载名称 标准值(kN/m 2)设计值(kN/m 2) 压型钢板屋面板 1.4 1.4×1.35=1.89 三毡四油防水层0.4 0.4×1.35=0.54 找平层 0.4 0.4×1.35=0.54 保温层0.10.1×1.35=0.135屋架和支撑自重0.12+0.011×21=0.3510.351×1.35=0.474管道荷载0.1 0.1×1.35=0.135 永久荷载总和 2.751 3.714屋面活荷载0.40 0.4×1.4=0.56积灰荷载0.60 0.6×1.4=0.84 可变荷载总和0.80 1.122.荷载组合设计屋架时,应考虑以下三种组合:(1)全跨永久荷载+全跨可变荷载全跨节点永久荷载及可变荷载:F=(3.71+1012)×1.5×6=43.5kN (2)全跨永久荷载+半跨可变荷载全跨节点永久荷载:F1=3.71×1.5×6=33.42kN半跨节点可变荷载:F2=1.12×1.5×6=10.08kN(3)全跨屋架及支撑自重+半跨大型屋面板重+半跨屋面活荷载全跨节点屋架及支撑自重:F3 =0.474×1.5×6=4.26kN半跨大型屋面板重及活荷载:F4=(1.89+0.4)×1.5×6=20.61kN1、2为使用节点荷载情况,3为施工阶段荷载情况。
土建专业钢结构课程设计钢构造课程设计一、课程设计性质和任务《钢构造》是土木工程专业重要专业课,为了加强学生对基本理论理解和《钢构造》设计规范条文应用,培养学生独立分析问题和解决问题能力,必要在讲完关于课程内容后,安排2周课程设计,以提高学生综合运用能力。
课程设计又是知识深化、拓宽重要过程,也是对学生综合素质与工程实践能力全面锻炼,是实现本科培养目的重要阶段。
通过课程设计,着重培养学生综合分析和解决问题能力以及严谨、夯实工作作风。
为学生将来走上工作岗位,顺利完毕设计任务奠定基本。
课程设计任务是,通过进一步设计训练,使学生熟悉钢构造基本构件设计和构造设计基本原理和办法,具备普通钢构造设计基本技能;可以依照不同状况,合理地选取构造、构造方案,纯熟地进行构造设计计算,并学会运用各种设计资料。
二、课程设计基本规定课程设计是综合性很强专业训练过程,对学生综合素质提高起着重要作用。
基本规定如下:1、时间规定。
普通不少于2周;2、任务规定。
在教师指引下,独立完毕一项给定设计任务,编写出符合规定设计阐明(计算)书,并绘制必要施工图。
3、知识和能力规定。
在课程设计工作中,能综合应用各学科理论知识与技能,去分析和解决工程实际问题,使理论深化,知识拓宽,专业技能得到进一步延伸。
通过毕业设计,使学生学会根据设计任务进行资料收集、和整顿,能对的运用工具书,掌握钢构造设计程序、办法和技术规范,提高工程设计计算、理论分析、技术文献编写能力,提高计算机应用能力。
三、课程设计内容《钢构造》课程设计选题要符合教学基本规定,设计内容要有足够深度,使学生达到本专业基本能力训练。
对学习好、能力强学生,可恰当加深加宽。
题目:钢屋架设计采用平面钢屋架作为设计题目。
设计内容涉及:屋架内力计算、屋架杆件设计;节点设计;施工图绘制以及材料用量计算等。
完毕设计成果涉及:构造设计计算书一份,施工图1~3张(2号)。
普通钢屋架设计案例及设计指引参照题目:一、题目:普通梯形钢屋架设计(一)设计资料郑州某工业厂房,长度102m,屋架间距6m,车间内设有两台20/5t中级工作工作制桥式吊车,屋面采用1.5×6m预应力钢筋混凝土大型屋面板。
目录1.0 设计资料 (1)1.1 结构形式与布置 (2)1.1.1 桁架形式及几何尺寸 (2)1.1.2 屋架支撑布置 (2)1.2 荷载计算 (4)1.2.1屋面活荷载选择 (4)1.2.2屋架和支撑自重计算 (4)1.2.3荷载组合 (4)1.3 杆件设计及内力计算 (6)1.3.1 屋架计算简图 (6)1.3.2 杆件内力计算和杆件内力表 (6)1.3.3 杆件设计 (7)(1)上弦杆 (7)(2)下弦杆 (8)(3)腹杆 (9)(4)竖杆 (11)(5)屋架杆件截面选择表 (11)1.4 节点设计 (12)1.4.1 下弦节点“c” (12)1.4.2 上弦节点“B” (13)1.4.3 上弦节点“D” (14)1.4.4 下弦节点“e” (15)1.4.5 上弦节点“F” (16)1.4.6 下弦节点“g” (17)1.4.7 屋脊节点“H” (18)1.4.8竖杆与上弦节点“C,E,G” (19)1.4.9支座节点“A” (19)1.4.10支座节点“a” (21)参考文献 (22)致谢 (22)附录 (22)1.0 设计资料某厂房总长度90m, 跨度21m, 纵向柱距6m 。
1.结构形式:钢筋混凝土柱, 梯形钢屋架。
柱的混凝土强度等级为C30, 屋面坡度i=L/10;L 为屋架跨度。
地区计算温度高于-200C, 无侵蚀性介质, 地震设防烈度为7度, 设计基本地震加速度为0.1g, 二类场地。
屋架下弦标高为18m ;厂房内桥式吊车为2台150/30t (中级工作制), 锻锤为2台5t 。
2.屋架形式及荷载:屋架形式、几何尺寸及内力系数(节点荷载P=1.0作用下杆件的内力)如图1.11及下图所示。
21米跨屋架全跨单位荷载作用下各杆件的内力值Aacegg'e'c'a'+3.0100.000-5.310-7.339-6.861-5.319-3.923-2.1620.00-5.641-2.633-0.047+1.913+1.367+1.57+1.848+3.960+1.222-1.039-1.200-1.525-1.776-2.043-1.0-1.0-1.00.000.000.00-0.5+6.663+7.326+5.884+4.636+3.081+1.090BCDE FGHG 'F 'E 'D 'C 'B 'A '0.5 1.01.0 1.01.01.0 1.0 1.021米跨屋架半跨单位荷载作用下各杆件的内力值3.屋盖结构及荷载无檩体系: 采用1.5×6.0m 预应力混凝土屋板(考虑屋面板起系杆作用) 荷载:①屋架及支撑自重: 按经验公式q=0.12+0.011L, L 为屋架跨度, 以m 为单位, q 为屋架及支撑自重, 以KN/m2为单位;②屋面活荷载:施工活荷载标准值为0.7KN/m2, 雪荷载的基本雪压标准值值根据不同学号按附表取。
一、课程设计(论文)目的《钢结构基本原理》是土木工程专业的重要专业课,为了加强学生对基本理论的理解和《钢结构》设计规范条文的应用,培养学生独立分析问题和解决问题的能力,必须在讲完有关课程内容后,安排1周的课程设计,以提高学生的综合运用能力。
课程设计又是知识深化、拓宽的重要过程,也是对学生综合素质与工程实践能力的全面锻炼,是实现本科培养目标的重要阶段。
通过课程设计,着重培养学生综合分析和解决问题的能力以及严谨、扎实的工作作风。
为学生将来走上工作岗位,顺利完成设计任务奠定基础。
课程设计的任务是,通过进一步的设计训练,使学生熟悉钢结构基本构件的设计和构造设计的基本原理和方法,具备一般钢结构设计的基本技能;能够根据不同情况,合理地选择结构、构造方案,熟练地进行结构设计计算,并学会利用各种设计资料。
二、已知技术参数和条件某厂房总长度90m,跨度根据不同的组号从附表中取,屋盖体系可从以下所给的类型中选取。
纵向柱距6m。
1.结构形式:钢筋混凝土柱,梯形钢屋架。
柱的混凝土强度等级为C30,屋面坡度i=L/10;L为屋架跨度。
地区计算温度高于-200C,无侵蚀性介质,地震设防烈度为7度,屋架下弦标高为18m;厂房内桥式吊车为2台150/30t(中级工作制),锻锤为2台5t。
2. 屋架形式及荷载:屋架形式、几何尺寸及内力系数(节点荷载P=1.0作用下杆件的内力)如附图所示。
屋架采用的钢材、焊条为:组号为单号的同学用Q235钢,焊条为E43型;双号的同学用Q345钢,焊条为E50型。
3.屋盖结构及荷载无檩体系:采用1.5×6.0m预应力混凝土屋板(考虑屋面板起系杆作用)荷载:①屋架及支撑自重:按经验公式q=0.12+0.011L,L为屋架跨度,以m为单位,q为屋架及支撑自重,以kN/m2为单位;②屋面活荷载:施工活荷载标准值为0.6kN/m2,雪荷载的基本雪压标准值为S0=0.45kN/m2,施工活荷载与雪荷载不同时考虑,而是取两者的较大值;积灰荷载根据不同组号按附表取。
《钢结构》课程设计一、设计题目设计一座单跨简支钢梁桥,桥面宽度为4米,跨度为16米。
要求对桥的各个部分进行详细的计算和设计,并确保桥梁的安全性和稳定性。
二、设计任务1. 确定桥梁的总体布置,包括桥面宽度、跨度、桥墩位置等;2. 选择合适的钢梁截面形式和尺寸;3. 对钢梁进行强度、刚度和稳定性计算;4. 设计合适的支座和基础结构;5. 绘制详细的施工图纸。
三、设计步骤1. 确定总体布置:根据设计任务要求,确定桥梁的跨度、桥面宽度和桥墩位置。
考虑到施工方便和安全性,可以采用常规的桥梁结构形式,如T型钢梁或工字钢梁。
2. 选择钢梁截面形式和尺寸:根据设计任务要求,选择合适的钢梁截面形式和尺寸。
可以采用标准化的钢梁截面形式,也可以根据需要进行非标设计。
需要注意的是,选择的截面形式应满足强度、刚度和稳定性的要求。
3. 计算钢梁的强度、刚度和稳定性:根据钢梁的截面形式和尺寸,进行详细的强度、刚度和稳定性计算。
可以采用理论公式或有限元分析方法进行计算。
确保钢梁在使用过程中不会发生屈服、过大变形或失稳现象。
4. 设计支座和基础结构:根据桥梁的总体布置和荷载情况,设计合适的支座和基础结构。
支座可以采用常见的橡胶支座或球形支座,基础结构应根据地质勘察资料进行设计,确保桥梁的安全性和稳定性。
5. 绘制施工图纸:根据设计结果,绘制详细的施工图纸。
图纸应包括各个部件的尺寸、材料、连接方式等详细信息,以便施工时按照图纸进行制作和安装。
四、注意事项1. 在设计过程中,应充分考虑桥梁的安全性和稳定性,确保桥梁在使用过程中不会发生安全事故;2. 在选择材料时,应考虑材料的力学性能、耐久性和经济性等因素;3. 在设计过程中,应注意各个部件之间的连接方式和构造细节,确保桥梁的整体性和可靠性;4. 在绘制施工图纸时,应保证图纸的准确性和清晰度,以便施工时能够准确按照图纸进行制作和安装。
贵州大学高等教育自学考试实践考试
钢结构课程设计
课程代码:02443
题目:单层工业厂房屋盖结构——梯形钢屋架设计
年级:2 0 1 3 级
专业:建筑工程
层次:本科
姓名:张伟
准考证号:21001181132
衔接院校:贵州大学
指导老师:张筱芸
完成日期: 2015. 4. 24
附件:设计资料
1、设计题目:《单层工业厂房屋盖结构——梯形钢屋架设计》
2、设计任务及参数:
第五组:
某地一机械加工车间,长84m,跨度24m,柱距6m,车间内设有两台40/10T中级工作制桥式吊车,轨顶标高18.5m,柱顶标高27m,地震设计烈度7度。
采用梯形钢屋架,封闭结合,1.5×6m预应力钢筋混凝土大型屋面板(1.4KN/m2),上铺100mm厚泡沫混凝土保温层(容重为1KN/m3),三毡四油(上铺绿豆砂)防水层(0.4KN/m2),找平层2cm厚(0.3KN/m2),卷材屋面,屋面坡度i=1/10,屋架简支于钢筋混凝土柱上,混凝土强度等级C20,上柱截面400×400mm。
钢材选用Q235B,焊条采用E43型。
屋面活荷载标准值0.7KN/m2,积灰荷载标准值0.6KN/m2,
3、设计任务分解
学生按照下表分派的条件,完成梯形钢屋架设计的全部相关计算和验算及构造设计内容。
表-3
4、设计成果要求
在教师指导下,能根据设计任务书的要求,搜集有关资料,熟悉并应用有关规范、标准和图集,独立完成课程设计任务书(指导书)规定的全部内容。
1)需提交完整的设计计算书和梯形钢屋架施工图。
2)梯形钢屋架设计要求:经济合理,技术先进,施工方便。
3)设计计算书要求:计算依据充分、文理通顺、计算结果正确、书写工整、数字准确、图文并茂,统一用A4纸书写(打印)。
A、按步骤设计计算,各设计计算步骤应表达清楚,写出计算表达式及必要的计算过程,对数据的选取应写明判断依据。
B、计算过程中,必须配以相应的计算简图。
C、对计算结果进行复核后,为保证施工质量且方便施工,应按规范要求对计算结果进行调整并写明依据。
4)梯形钢屋架施工图共两张,图纸绘制的要求:布图合理,版面整齐,图线清晰,标注规范,符合规范/图集要求。
单层工业厂房屋盖结构——梯形钢屋架设计
1.设计资料:
(1)某地一机械加工车间,长84m ,跨度24m ,柱距6m ,车间内设有两台40/10T 中级工作制桥式吊车,轨顶标高18.5m ,柱顶标高27m ,地震设计烈度7度。
采用梯形钢屋架,封闭结合,1.5×6m 预应力钢筋混凝土大型屋面板(1.4KN/m 2),上铺100mm 厚泡沫混凝土保温层(容重为1KN/m 3),三毡四油(上铺绿豆砂)防水层(0.4KN/m 2),找平层2cm 厚(0.3KN/m 2),卷材屋面,屋面坡度i=1/10,屋架简支于钢筋混凝土柱上,混凝土强度等级C20,上柱截面400×400mm 。
钢材选用Q235B ,焊条采用E43型。
屋面活荷载标准值0.7KN/m 2,积灰荷载标准值0.6KN/m 2,雪荷载及风荷载见下表。
(2)屋架计算跨度
)(7.233.0240m l =-= (3)跨中及端部高度:设计为无檩屋盖方案,采用平坡梯形屋架,端部高度
mm h 19000=中部高度mm h 3100=(为6.7/0l ),屋架跨中起拱500/l 考虑,取
48m.
2.结构形式与布置
屋架形式及几何尺寸如图所示:
图1.梯形钢屋架形式和几何尺寸
根据厂房长度(102m>60m)、跨度及荷载情况,设置三道上、下弦横向水平支撑。
因柱网采用封闭结合,厂房两端的横向水平支撑设在第一柱间,该水平支撑的规格与中间柱间支撑的规格有所不同。
在所有柱间的上弦平面设置了刚性与柔性系杆,以保证安装时上弦杆的稳定,在各柱间下弦平面的跨中及端部设置了柔性系杆,以传递山墙风荷载。
在设置横向水平支撑的柱间,于屋架跨中和两端各设一道垂直支撑。
梯形钢屋架支撑布置如图下图所示:
屋架上弦支撑布置图
屋架下弦支撑布置图
3.荷载计算
屋面和荷载与雪荷载不会同时出现,计算时,取较大的荷载标准值进行计算。
故取屋面活荷载0.7kN/2m 进行计算。
屋面风荷载
迎风面 m KN /88.51235.00.1)0.1(4.11-=⨯⨯⨯-⨯=ω 背风面 m KN /82.31235.00.165.0(4.11-=⨯⨯⨯-⨯=ω
由于屋面坡度较小,对荷载影响小,未予考虑。
风荷载对屋面为吸力,重屋架不考虑。
表 1 荷 载 计 算 表 荷载名称
标准值(kN/2m )
设计值(kN/2m ) 预应力混凝土大型屋面板 1.4 1.4×1.35=1.89 三毡四油防水层(上铺绿豆沙)
0.4 0.4×1.35=0.54 找平层(厚2cm ) 0.3 0.3×1.35=0.405 10cm 厚泡沫混凝土保温层 1×0.1=0.1 0.1×1.35=0.35 屋架和支撑自重 0.12+0.011×24=0.384 0.384×1.35=0.5184 永久荷载总和 2.684 3.6234
屋面活荷载 0.7 0.7×1.4=0.98 积灰荷载 0.6 0.6×1.4=0.84 可变荷载总和 1.3 1.82
设计屋架时,应考虑以下三种荷载组合: 3.1.全跨永久荷载 + 全跨可变荷载
全跨节点永久荷载及可变荷载:
KN F 991.4865.1)82.16234.3(=⨯⨯+=
3.2.全跨永久荷载 + 半跨可变荷载
全跨节点永久荷载:
611.3265.16234.31=⨯⨯=F
半跨节点可变荷载:
KN F 38.1665.182.12=⨯⨯=
3.3.全跨屋架(包括支撑)自重+半跨屋面板自重+半跨屋面活荷载:
全跨节点屋架自重:
KN F 67.465.15184.03=⨯⨯=
半跨节点屋面板自重及活荷载:
KN F 31.2365.1)7.089.1(4=⨯⨯+=
1、2为使用节点荷载情况,3为施工阶段荷载情况。
4.内力计算
屋架在上述三种荷载组合作用下的计算简图如图所示:
屋架计算简图
由图解法或数解法解得F=1的屋架各杆件的内力系数(F=1作用于全跨、左半跨和右半跨)。
然后求出各种荷载情况下的内力进行组合,计算结果见表2。