最简单的收音机的电路图
- 格式:doc
- 大小:91.50 KB
- 文档页数:2
电路原理和原理图:调频收音机具有灵敏度高、选择性好、通频带宽、音质好等特点。
采用CD9088调频专用集成电路来制作电调谐调频收音机,具有电路简单、制作容易、调试方便、性能价格比高、音质好、成本低、体积小等特点。
CD9088采用16脚双列扁平封装,可直接焊接在印刷电路板上,其工作电压范围为 1.8〜5V,典型值为3V。
该电路内含调频收音机从天线接收到鉴频级输岀音频信号的全部功能,并设有搜索调谐电路,信号检测电路,静噪电路,以及频率锁定环(FLL)电路等。
其特点是采用70KHZ中频频率,不设置外围中频变压器,中频选择性由RC中频滤波器来完成,简化了电路、省去了中频频率调试的麻烦,又提高了中频频率特性,并减少了电路体积。
用CD9088可组成各种调频收音机电路,除可采用电调谐方式来搜索电台外,也可采用传统的可变电容器调谐搜索电台。
CD9088集成电路各引脚的功能如下表:有关收音机原理还可以参考以下资料:FM 信号由天线引进后从CD9088集成块11脚进入混频电路,电感L1、电阻 R1、电容C1、C2、C3构成输入回路,本振电路的本振频率由 L2、C4及变容二极 管D1决定。
C7为音频静噪电容,C8为中频反馈电容,C9为低通滤波器电容, C10为中频级耦合电容,15脚为搜索调谐端,16脚为电调谐AFC 电压输出端, SB1为复位按钮,SB2为调谐按钮。
按一下SB2按钮收音机就会自动从频率低端 向频率高端选台,当收到一个电台时,便自动锁定电台停止搜索,如要收听下一 个电台节目,可再按一下SB2按钮顺序搜索电台。
当搜索到频率最高端时,按一 下SB1按钮即可回到频率最低端,然再重新选台。
天线输入回路收到的电台信号与本振频率混频后产生70kHz 中频信号。
经RC 中频滤波器完成滤波和放大后送鉴频级处理,然输出音频复合信号,通过静 噪电路后,从CD9088的2脚输出音频复合信号,经 R3 C15去加重电路后,由 C16耦合到由VT1、VT2组成的低频放大电路放大,推动耳机放音。
电路原理和原理图:调频收音机具有灵敏度高、选择性好、通频带宽、音质好等特点。
采用CD9088调频专用集成电路来制作电调谐调频收音机,具有电路简单、制作容易、调试方便、性能价格比高、音质好、成本低、体积小等特点。
CD9088采用16脚双列扁平封装,可直接焊接在印刷电路板上,其工作电压范围为1.8~5V,典型值为3V。
该电路内含调频收音机从天线接收到鉴频级输出音频信号的全部功能,并设有搜索调谐电路,信号检测电路,静噪电路,以及频率锁定环(FLL)电路等。
其特点是采用70KHZ中频频率,不设置外围中频变压器,中频选择性由RC中频滤波器来完成,简化了电路、省去了中频频率调试的麻烦,又提高了中频频率特性,并减少了电路体积。
用CD9088可组成各种调频收音机电路,除可采用电调谐方式来搜索电台外,也可采用传统的可变电容器调谐搜索电台。
CD9088集成电路各引脚的功能如下表:有关收音机原理还可以参考以下资料:FM信号由天线引进后从CD9088集成块11脚进入混频电路,电感L1、电阻R1、电容C1、C2、C3构成输入回路,本振电路的本振频率由L2、C4及变容二极管D1决定。
C7为音频静噪电容,C8为中频反馈电容,C9为低通滤波器电容,C10为中频级耦合电容,15脚为搜索调谐端,16脚为电调谐AFC电压输出端,SB1为复位按钮,SB2为调谐按钮。
按一下SB2按钮收音机就会自动从频率低端向频率高端选台,当收到一个电台时,便自动锁定电台停止搜索,如要收听下一个电台节目,可再按一下SB2按钮顺序搜索电台。
当搜索到频率最高端时,按一下SB1按钮即可回到频率最低端,然再重新选台。
天线输入回路收到的电台信号与本振频率混频后产生70kHz中频信号。
经RC中频滤波器完成滤波和放大后送鉴频级处理,然输出音频复合信号,通过静噪电路后,从CD9088的2脚输出音频复合信号,经R3、C15去加重电路后,由C16耦合到由VT1、VT2组成的低频放大电路放大,推动耳机放音。
电路原理和原理图:调频收音机具有灵敏度高、选择性好、通频带宽、音质好等特点。
采用CD9088调频专用集成电路来制作电调谐调频收音机,具有电路简单、制作容易、调试方便、性能价格比高、音质好、成本低、体积小等特点。
CD9088采用16脚双列扁平封装,可直接焊接在印刷电路板上,其工作电压范围为1.8~5V,典型值为3V。
该电路内含调频收音机从天线接收到鉴频级输出音频信号的全部功能,并设有搜索调谐电路,信号检测电路,静噪电路,以及频率锁定环(FLL)电路等。
其特点是采用70KHZ中频频率,不设置外围中频变压器,中频选择性由RC中频滤波器来完成,简化了电路、省去了中频频率调试的麻烦,又提高了中频频率特性,并减少了电路体积。
用CD9088可组成各种调频收音机电路,除可采用电调谐方式来搜索电台外,也可采用传统的可变电容器调谐搜索电台。
CD9088集成电路各引脚的功能如下表:有关收音机原理还可以参考以下资料:FM信号由天线引进后从CD9088集成块11脚进入混频电路,电感L1、电阻R1、电容C1、C2、C3构成输入回路,本振电路的本振频率由L2、C4及变容二极管D1决定。
C7为音频静噪电容,C8为中频反馈电容,C9为低通滤波器电容,C10为中频级耦合电容,15脚为搜索调谐端,16脚为电调谐AFC电压输出端,SB1为复位按钮,SB2为调谐按钮。
按一下SB2按钮收音机就会自动从频率低端向频率高端选台,当收到一个电台时,便自动锁定电台停止搜索,如要收听下一个电台节目,可再按一下SB2按钮顺序搜索电台。
当搜索到频率最高端时,按一下SB1按钮即可回到频率最低端,然再重新选台。
天线输入回路收到的电台信号与本振频率混频后产生70kHz中频信号。
经RC中频滤波器完成滤波和放大后送鉴频级处理,然输出音频复合信号,通过静噪电路后,从CD9088的2脚输出音频复合信号,经R3、C15去加重电路后,由C16耦合到由VT1、VT2组成的低频放大电路放大,推动耳机放音。
diy少年晶体管调频收音机这是一台用3DP场效应管检波的FM矿石收音机,双栅分接电路,耳机是助听机耳机每只直流电阻85欧2只串联,在室内3楼能收到3个台103.9龙广乡村广播和103.3哈尔滨交通台和91.7中国之声,不过是在不同的地方,不同的地方不同的电台信号强度不一样,初步体会FM MOS矿机选择性好声音优美灵敏度高,我这距发射塔1公里左右中间有建筑物阻挡,室外太冷了没有去室外试机电路图:采用qg2007 老师的双栅电路,我在G1和地之间加了电阻和电容,可以增加音量,电容的容量要适中,在这台机器上1800p效果最好,开关K的作用是机器初次使用时如收不到台,就按一下,使机器启动,以后就不必按了,这样机器就可以稳定工作了TDA7000单片调频收音机电路图,电路很简单,谐振电感可以使用0.5毫米漆包线在直径5毫米的塑料棒上绕5匝左右。
伸缩匝间距使调节范围符合调频波段。
电路使用高阻耳机。
当然,也可以加一级放大,然后使用普通的耳机。
自己DIY调频收音机效果还可以(没用放大电路直接用32欧姆的耳机收听,天线用的是1米的软导线)在市区能收到7到8个调频台本电路图所用到的元器件:9018 9014 3AX31 收音机电路见图1它的新颖之处在于前级晶体管VT1以不同于超再生式及超外的方式进行工作,同时具有混频、本振、锁相环同步检波及低频放大4种功能。
L1、C2组成Q值较低的FM频段(87MHz-108MHZ)宽带输入回路,中心频率98MHZ。
L2、C5、C6组成本振调谐回路,本振频率为输入接收频率及本振信号的二次谐波,混频后输出的中频信号落在音频范围内。
由于VT1的输出电导是集电极电流的函数,所以它一身具有控制本振频率的功能。
VT1作为本机振荡器时,接成共基极电路,由于L1、C2对本振频率失谐,所以VT1的基极等效接地。
VT1作为混频器时,则为共发射极电路。
VT1作为同频检波器时,也是共基极电路,这是国为C3取值很大,对音频信号容抗很小,可认为VT1的基极交流接地。
电路原理和原理图:调频收音机具有灵敏度高、选择性好、通频带宽、音质好等特点。
采用CD9088调频专用集成电路来制作电调谐调频收音机,具有电路简单、制作容易、调试方便、性能价格比高、音质好、成本低、体积小等特点。
CD9088采用16脚双列扁平封装,可直接焊接在印刷电路板上,其工作电压范围为1.8~5V,典型值为3V。
该电路内含调频收音机从天线接收到鉴频级输出音频信号的全部功能,并设有搜索调谐电路,信号检测电路,静噪电路,以及频率锁定环(FLL)电路等。
其特点是采用70KHZ中频频率,不设置外围中频变压器,中频选择性由RC中频滤波器来完成,简化了电路、省去了中频频率调试的麻烦,又提高了中频频率特性,并减少了电路体积。
用CD9088可组成各种调频收音机电路,除可采用电调谐方式来搜索电台外,也可采用传统的可变电容器调谐搜索电台。
CD9088集成电路各引脚的功能如下表:有关收音机原理还可以参考以下资料:FM信号由天线引进后从CD9088集成块11脚进入混频电路,电感L1、电阻R1、电容C1、C2、C3构成输入回路,本振电路的本振频率由L2、C4及变容二极管D1决定。
C7为音频静噪电容,C8为中频反馈电容,C9为低通滤波器电容,C10为中频级耦合电容,15脚为搜索调谐端,16脚为电调谐AFC电压输出端,SB1为复位按钮,SB2为调谐按钮。
按一下SB2按钮收音机就会自动从频率低端向频率高端选台,当收到一个电台时,便自动锁定电台停止搜索,如要收听下一个电台节目,可再按一下SB2按钮顺序搜索电台。
当搜索到频率最高端时,按一下SB1按钮即可回到频率最低端,然再重新选台。
天线输入回路收到的电台信号与本振频率混频后产生70kHz中频信号。
经RC中频滤波器完成滤波和放大后送鉴频级处理,然输出音频复合信号,通过静噪电路后,从CD9088的2脚输出音频复合信号,经R3、C15去加重电路后,由C16耦合到由VT1、VT2组成的低频放大电路放大,推动耳机放音。
AM/FM收音机的安装与调试ξ1概述一、实习目的:1、学习收音机的调试与装配。
2、提高读整机电路图及电路板图的能力。
3、掌握收音机生产工艺流程,提高焊接工艺水平。
二、实习内容:1、收音机电路原理分析。
2、掌握印制电路板的组装及焊接工艺。
3、进行AM、FM中频及统调覆盖的调试及整机测试。
4、故障判断及排除。
三、实习基本要求:1、会检测元器件并判别其质量。
2、独立完成各测试点的测量与整机安装。
3、会排除在调试与装配过程中可能出现的问题与故障。
4、所制作的产品电器性能指标应能满足三级机水平(国标),具体如下:接收频率范围:AM 525~1605KHZ FM72~108MHZ接收灵敏度:AM 达国家C类标准FM优于μV级输出功率:大于100mW供电电源:DC 3V立体声耳机输出阻抗:32Ωξ2收音机的基本工作原理1、收音机的电路结构种类有很多,早期的多为分立元件电路,目前基本上都采用了大规模集成电路为核心的电路。
集成电路收音机的特点是结构比较简单,性能指标优越,体积小等优点。
AM/FM型的收音机电路可用如图1所示的方框图来表示。
收音机通过调谐回路选出所需的电台,送到变频器与本振电路送出的本振信号进行混频,产生中频输出(我国规定的AM中频为465KHZ,FM中频为10.7MHZ),中频信号将检波器检波后输出调制信号,调制信号经低放、功放放大电压和功率,推动喇叭发出声音。
图1 AM/FM型收音机电路方框图2、本实训中的收音机是一种50型的AM/FM二波段的收音机,收音机电路主要由索尼公司生产的专为调频、调幅收音机设计的大规模集成电路CXA1191M/CXC1191P组成。
由于集成电路内部无法制作电感、大电容和大电阻,故外围元件多以电感、电容和电阻为主,组成各种控制、供电、滤波等电路。
50型收音机电路图如图2所示。
图2 50型收音机电路图CXA1191M/CXC1191P的内部方框图如图3所示。
图3 CXA1191M/CXC1191P的内部方框图下面介绍收音机电路图的功能块电路的作用。
图解经典电路之六管调幅收音机展开全文今天闲来无事,带大家来分析一个经典电路。
如题,就是伴随我们整个童年的收音机,常用的收音机按照工作原理来说主要分为FM (调频)和AM(调幅)两种。
AM收音机最经典的电路要数六管调幅收音机。
今天,我们就来分析一下六管收音机的工作原理。
首先,拆开收音机,看看里面都有些啥。
图一收音机拆解图完整的电路图如下:图二完整电路图首先回答几个问题:(1)收音机是什么?收音机是一个能够接收无线电台广播信号,并把节目内容通过扬声器播放出来的终端设备。
(2)收听广播电台需要什么条件?首先,既然收音机是用来接收无线广播电台的设备,那么首先得有正常工作的无线广播电台,然后手里有一台工作正常的收音机。
我们通过调频旋钮来选择我们要收听的电台。
图三无线广播系统(3)收音机的原理是什么?首先,我们思考一下声音和电信号的关系。
虽然声音和电信号是两种不同的东西,但是可以通过一定方式实现两者之间的相互转化。
比如。
声音 ---> 电信号(麦克风可以将声音震动的机械能转化成电能)电信号---> 声音(扬声器,俗名喇叭,可以将电信号转化成声音信号)图四电信号和声音信号相互转换既然这样,如果电台到听众之间的距离很近的话,我们完全可以通过把麦克风产生的电信号通过电线传送到听众那里,然后使用放大器将电信号加以放大,推动喇叭发出声音。
结构如下:图五有线传输电台信号但是,一个广播电台不可能只服务于它周边的少数听众,且每个听众接根线收听电台实在是不方便。
所以,无线电台出现了。
无线和有线区别在哪里那? 顾名思义,无线电台就是把电台原本需要通过电线传输的电信号,先转换成电磁波,发往空中,然后接收端通过天线接收到该电磁波,天线把接收到的电磁波转换成电信号,加以放大,推动扬声器发出声音。
结构如下:图六无线传输电信号然而,我们人类听觉范围只有20Hz~20KHz,多数人声的频率范围在340Hz~3.4KHz之间。
根据理论分析,电信号转换成电磁波的能力跟频率和天线长度有关系,即,频率越高,天线越长,电信号越容易转换成电磁波,通过天线发射出去。
diy少年晶体管调频收音机这是一台用3DP场效应管检波的FM矿石收音机,双栅分接电路,耳机是助听机耳机每只直流电阻85欧2只串联,在室内3楼能收到3个台103.9龙广乡村广播和103.3哈尔滨交通台和91.7中国之声,不过是在不同的地方,不同的地方不同的电台信号强度不一样,初步体会FM MOS矿机选择性好声音优美灵敏度高,我这距发射塔1公里左右中间有建筑物阻挡,室外太冷了没有去室外试机电路图:采用qg2007 老师的双栅电路,我在G1和地之间加了电阻和电容,可以增加音量,电容的容量要适中,在这台机器上1800p效果最好,开关K的作用是机器初次使用时如收不到台,就按一下,使机器启动,以后就不必按了,这样机器就可以稳定工作了TDA7000单片调频收音机电路图,电路很简单,谐振电感可以使用0.5毫米漆包线在直径5毫米的塑料棒上绕5匝左右。
伸缩匝间距使调节范围符合调频波段。
电路使用高阻耳机。
当然,也可以加一级放大,然后使用普通的耳机。
自己DIY调频收音机效果还可以(没用放大电路直接用32欧姆的耳机收听,天线用的是1米的软导线)在市区能收到7到8个调频台本电路图所用到的元器件:9018 9014 3AX31 收音机电路见图1它的新颖之处在于前级晶体管VT1以不同于超再生式及超外的方式进行工作,同时具有混频、本振、锁相环同步检波及低频放大4种功能。
L1、C2组成Q值较低的FM频段(87MHz-108MHZ)宽带输入回路,中心频率98MHZ。
L2、C5、C6组成本振调谐回路,本振频率为输入接收频率及本振信号的二次谐波,混频后输出的中频信号落在音频范围内。
由于VT1的输出电导是集电极电流的函数,所以它一身具有控制本振频率的功能。
VT1作为本机振荡器时,接成共基极电路,由于L1、C2对本振频率失谐,所以VT1的基极等效接地。
VT1作为混频器时,则为共发射极电路。
VT1作为同频检波器时,也是共基极电路,这是国为C3取值很大,对音频信号容抗很小,可认为VT1的基极交流接地。
检波二极管的作用检波(也称解调)二极管的作用是利用其单向导电性将高频或中频无线电信号中的低频信号或音频信号取出来,广泛应用于半导体收音机、收录机、电视机及通信等设备的小信号电路中,其工作频率较高,处理信号幅度较弱。
常用的国产检波二极管有2AP系列锗玻璃封装二极管。
常用的进口检波二极管有1N34/A、1N60等。
二极管检波电路二极管检波电路及故障处理如图9-48所示是二极管检波电路。
电路中的VD1是检波二极管,C1是高频滤波电容,R1是检波电路的负载电阻,C2是耦合电容。
图9-48 二极管检波电路1.电路分析准备知识众所周知,收音机有调幅收音机和调频收音机两种,调幅信号就是调幅收音机中处理和放大的信号。
见图中的调幅信号波形示意图,对这一信号波形主要说明下列几点:(1)从调幅收音机天线下来的就是调幅信号。
(2)信号的中间部分是频率很高的载波信号,它的上下端是调幅信号的包络,其包络就是所需要的音频信号。
(3)上包络信号和下包络信号对称,但是信号相位相反,收音机最终只要其中的上包络信号,下包络信号不用,中间的高频载波信号也不需要。
2.电路中各元器件作用说明如表9-43所示是元器件作用解说。
表9-43 元器件作用解说元器件名称解说检波二极管VD1 将调频信号中的下半部分去掉,留下上包络信号上半部分的高频载波信号。
高频滤波电容C1 将检波二极管输出信号中的高频载波信号去掉。
检波电路负载电阻R1检波二极管导通时的电流回路由R1构成,在R1上的压降就是检波电路的输出信号电压。
耦合电容C2检波电路输出信号中有不需要的直流成分,还有需要的音频信号,这一电容的作用是让音频信号通过,不让直流成分通过。
3.检波电路工作原理分析检波电路主要由检波二极管VD1构成。
在检波电路中,调幅信号加到检波二极管的正极,这时的检波二极管工作原理与整流电路中的整流二极管工作原理基本一样,利用信号的幅度使检波二极管导通,如图9-49所示是调幅波形展开后的示意图。
51单片机+TEA5767+数码管的FM收音机制作电路图+程序展开全文现在网上很多网友都在做和TEA5767有关的东东,今天找到个MP4的尸体,屏碎了,打开一看刚好有能用的TEA5767,验证了一下这个东西的实用性,用手上刚好有的51单片机开发板和lm386,为这个集成模块搭建了一个测试平台,下面是试验图片,如果在西安的朋友,肯定知道我手的那个电台了,哈哈!图片一:这个图可以看到整体结构了,其实硬件电路很简单,看看pdf文档完全可以搭建出来,单片机实验板是以前开发的商品。
图片二:这一部分是主要部分了,中间上面那个就是拆下来的TEA5767,它右边是LM386,做功率放大的,下面的扬声器是从一个笔记本里边拆下来的(太败家了,衰!)。
下面的程序可以直接运行了,绝对没问题的,这个也是参考了几个网站的程序,做了些修改,可以手动自动调台了,手动调台有问题,算法好像不对,但是出来的频率问题不大,自动搜索的结果是正确的,我要提醒大家一点,自动搜台的效果和接受强度,也就是天线,有很大的关系,我的天线是一截不到15mm的软导线,good luck!1./*********************************************************** ****************************************2.TEA5767采用I2C接口控制,单片机用AT89S52.晶振11.0592Mhz。
采用四位LED显示。
3.TEA5767采用I2C接口控制.TEA5767读写数据都是5个字节,其中PLL参数14位. Fosc =11.0592Mhz.4.************************************************************ ****************************************/5.#include "regx52.h"6.#include "intrins.h"7./*********************************************************** ************************/8.#define max_freq 108000 //108Mhz9.#define min_freq 87500 //87.5Mhz10.#define max_pll 0x339b //108MHz时的pll.11.#define min_pll 0x299d //87.5MHz时的pll.12.#define Add_Freq 113.#define Dec_Freq 014.#define REFERENCE_FREQ 32.76815.#define ATIIcxxDriverAddressW 0xC016.#define ATIIcxxDriverAddressR 0xC117.#define _Nop()_nop_(),_nop_(),_nop_(),_nop_(),_nop_() /*定义空指令*/18.#define LED P019.void Initialization(void);20.void Get_Pll(void);21.void Get_Frequency(void);22.void Search(unsigned char mode);23.void Auto_Search(unsigned char mode);24.unsigned char GetKey();25.void Delay(unsigned char Time);26.void Led_Display(unsigned long i);27.void DelayD(unsigned char Time);28.unsigned char GetKey();29.void Delay(unsigned char Time);30.void ATIICxx_PWrite(unsigned char *McuAddress,unsigned char count);31.void ATIICxx_PRead(unsigned char *McuAddress,unsigned char count);32.void I2C_Send_Byte(unsigned char sendbyte);33.unsigned char I2C_Receive_Byte(void);34.void I2C_Start(void);35.void I2C_Stop(void);36.void I2C_Ack(void);37.void I2C_Noack(void);38.39./******************************************************** *************/40./* IIC读写程序芯片型号*/41.sbit I2C_SCK=P3^0; /*实时时钟时钟线引脚 */42.sbit I2C_SDA=P3^1; /*实时时钟数据线引脚 */43.sbit k1=P1^7;44.sbit k2=P1^6;45.sbit k3=P1^5;46.sbit k4=P1^4;47./******************************************************** *************/48./******************************************************** ****************/49.sbit ge=P2^3;50.sbit shi=P2^2;51.sbit bai=P2^1;52.sbit qan=P2^0;53.unsigned char tab[]={ 0xc0,0xf9,0xa4,0xb0,0x99,0x92,0x82,0xf8,0x80,0x90};//共阳54.//0, 1, 2 3 4 5 6 7 8 955./******************************************************** ****************/56.unsigned char radio_write_data[5]={0x2d,0x56,0x20,0x11,0x00}; //初始化写入TEA5767的数据(FM89.8Mhz)57.unsigned char radio_read_data[5];58.unsigned int Pll_Data;59.unsigned long Frequency_Data;60./******************************************************** ***************************/61.void Initialization(void)62.{63.TMOD = 0x11;64.TH0 = 0x5d;65.TL0 = 0x3d;66.TR0 = 0; //25ms67.TH1 = 0x5d;68.TL1 = 0x3d;69.TR1 = 0; //25ms70.T2CON = 0x30;71.T2MOD = 0x00;72.RCAP2H = 0xFE;73.TH2 = RCAP2H;74.RCAP2L = 0xFB;75.TL2 = RCAP2L;76.TR2 = 0; //2400bps77.PCON = 0x00;78.SCON = 0xD0;79.IP = 0x14;80.EX0 = 1;81.IT0 = 1;82.ET0 = 1;83.EX1 = 1;84.IT1 = 1;85.ES = 0;86.EA = 0;87.}88.89./******************************************************** ***************************/90.//读TEA5767状态,并转换成频率91.void Radio_Read(void)92.{93.unsigned char temp_l,temp_h;94.Pll_Data = 0;95.96.ATIICxx_PRead(&radio_read_data[0],5);97.98.temp_l = radio_read_data[1];99.temp_h = radio_read_data[0];100.temp_h &= 0x3f;101.Pll_Data = temp_h*256+temp_l;102.Get_Frequency();103.}104.105./******************************************************** ***************************/106.//由PLL计算频率107.void Get_Frequency(void)108.{109.unsigned char hlsi;110.unsigned int npll = 0;111.112.npll = Pll_Data;113.hlsi = radio_read_data[2]&0x10;114.if (hlsi)115.Frequency_Data = (unsigned long)((float)(npll)*(float)REFERENCE_FREQ*(float)0.25-225); //频率单位:KHz116.else117.Frequency_Data = (unsigned long)((float)(npll)*(float)REFERENCE_FREQ*(float)0.25+225); //频率单位:KHz118.}119.120./******************************************************** ***************************/121.//由频率计算PLL122.void Get_Pll(void)123.{124.unsigned char hlsi;125.126.hlsi = radio_read_data[2]&0x10;127.if (hlsi)128.Pll_Data = (unsigned int)((float)((Frequency_Data+225)*4)/(float)REFERENCE_FREQ); //频率单位:k129.else130.Pll_Data = (unsigned int)((float)((Frequency_Data-225)*4)/(float)REFERENCE_FREQ); //频率单位:k131.}132.133./******************************************************** ***************************/134.//手动设置频率,mode=1,+0.1MHz; mode="0:-0".1MHz ,不用考虑TEA5767用于搜台的相关位:SM,SUD135.void Search(unsigned char mode)136.{137.Radio_Read();138.139.if(mode)140.{141.Frequency_Data += 100;142.if(Frequency_Data > max_freq)143.Frequency_Data = min_freq;144.}145.else146.{147.Frequency_Data -= 100;148.if(Frequency_Data < min_freq)149.Frequency_Data = max_freq;150.}151.152.Get_Pll();153.radio_write_data[0] = Pll_Data/256;154.radio_write_data[1] = Pll_Data%256;155.radio_write_data[2] = 0x41;156.radio_write_data[3] = 0x11;157.radio_write_data[4] = 0x40;158.ATIICxx_PWrite(&radio_write_data[0],5);159.}160.161./******************************************************** ***************************/162.//自动搜台,mode=1,频率增加搜台; mode="0:频率减小搜台".163.void Auto_Search(unsigned char mode)164.{165.Radio_Read();166.Get_Pll();167.if(mode)168.{169.radio_write_data[2] = 0xb1;170.if(Pll_Data > max_pll)171.{172.Pll_Data = min_pll;173.}174.}175.else176.{177.radio_write_data[2] = 0x41;178.if(Pll_Data < min_pll)179.{180.Pll_Data = max_pll;181.}182.}183.184.radio_write_data[0] = Pll_Data/256+0x40;185.radio_write_data[1] = Pll_Data%256;186.radio_write_data[3] = 0x11;187.radio_write_data[4] = 0x40;188.ATIICxx_PWrite(&radio_write_data[0],5);189.Radio_Read();190.while(!(radio_read_data[0]&0x80)) //RF电台就绪标志191.{192.Radio_Read();193.}194.}195.196./******************************************************** ***************************/197.void main(void)198.{199.//0x2d,0x56,0x20,0x11,0x00200.unsigned long temp;201.Initialization();202.radio_write_data[0] =0x2A;203.radio_write_data[1] =0xB6;204.radio_write_data[2] =0x41;205.radio_write_data[3] =0x11;206.radio_write_data[4] =0x40;207.ATIICxx_PWrite(&radio_write_data[0],5);//初始化TEA5767(89.8Mhz)208.Frequency_Data = 89800;209.210.while(1)211.{ temp= Frequency_Data;212.Led_Display(Frequency_Data);213.214.if( k1 == 0)215.{ DelayD(2);216.while(k1 == 0);//等待键松开217.Search(Add_Freq);218.}219.if( k2 == 0)220.{ DelayD(2);221.while(k2 == 0);//等待键松开222.Search(Dec_Freq);223.}224.if( k3 == 0)225.{ DelayD(2);226.while(k3 == 0);//等待键松开227.Auto_Search(Add_Freq);228.}229.if( k4 == 0)230.{ DelayD(2);231.while(k4 == 0);//等待键松开232.Auto_Search(Dec_Freq);233.}234.235.}236.}237.238./******************************************************** *************/239.struct bytedata_2240.{241.unsigned char ByteH;242.unsigned char ByteL;243.};244.245.union int2byte246.{247.unsigned int IntData;248.struct bytedata_2 ByteData;249.};250./******************************************************** *************/251.//启动I2C总线,退出时SCL为低252.void I2C_Start(void)253.{254.I2C_SDA=1; /*发送起始条件的数据信号*/255._Nop();256.I2C_SCK=1;257._Nop();_Nop();_Nop();_Nop();_Nop();/*起始条件建立时间大于4.7us,延时*/258.I2C_SDA=0; /*发送起始信号*/259._Nop();_Nop();_Nop();_Nop();_Nop(); /* 起始条件锁定时间大于4μs*/260.I2C_SCK=0; /*钳住I2C总线,准备发送或接收数据 */261._Nop();_Nop();_Nop();_Nop();_Nop();/*起始条件建立时间大于4.7us,延时*/262.}263.//*停止I2C总线264.void I2C_Stop(void)265.{266.I2C_SCK=0;267.I2C_SDA=0; /*发送结束条件的数据信号*/268._Nop(); /*发送结束条件的时钟信号*/269.I2C_SCK=1; /*结束条件建立时间大于4μs*/270._Nop();_Nop();_Nop();_Nop();_Nop();271.I2C_SDA=1; /*发送I2C总线结束信号*/272.}273.//MCU等待应答位(返回0表示应答)274.bit I2C_WaitAck(void)275.{276.unsigned char ucErrTime = 200; //因故障接收方无ACK,超时值。
FM发射器电路——全集本电路图所用到的元器件:BBC109C电路如图所示。
它包括红外传感头、电子开关、音响发声电路、无线FM电路等。
将它安装在银行、密室或库房等需要监护的场所,用于晚上代替人员值守,当有人潜入作案时,电路将自动发出调频(FM)无线报警信号,附近(500m)的值班人员从FM收音机中可收到“呜呜……”作响的报警信号.从而采取积极的防范措施。
高频发射管D40揭密最早的关于"D40"文章从电路明显可以看出电路还较简易,不够完善,但这篇文章的历史意义要远远大于他的实际制作意义,我想也是这篇文章给了业余调频发烧友一个美丽的梦。
晓吴:这是一篇刊登在《家电维修》1992年第7期上的文章,名叫《超远程无线话筒》,作者是李栋鑫,说是能在开阔地最远可以发射1.5kM。
我看到这篇文章是在95年还是96年的时候,当时我真的对这管子是日思夜想,千方百计的想买到这个神奇的管子,但几年后我终于明白了些什么…………D40 这个管子最早初现在1992年《家用电器》刊登的一篇《超远程调频无线话筒》文章提到的,文章发表后,无线电爱好者无不为它神往,但确苦于没D40的参数,无法制做,正在吊足所有人胃口时,巧在这时,半年后又一篇《超远程调频无线话筒》一文答读者见刊,声称D40为特殊新型产品,并提供了该管的性能指标:D40 管是台湾敏通公司的产品,进口时型号已被抹去,电气参数BVCE0>9V、ft>280MHz、PCM:1W、ICM:150mA、β>120,声称据他们了解国内市场目前是不可能有买或替代品,只有他们有货可供,12.5元/只(相当与一只2SC1971的价)。
几年来,圈内又相继出现了所谓发射距离更远的D50的精品发射管,一时间电子报刊与网上有供D40、D50的信息漫天飞,,无意例外他们的价格都高的离谱,甚至我还看到了声称可以发射5公里的发射管D60的广告,我的天那!但是到你经过千方百计真的把那些所谓的D系列弄到手时,你却发现并不像传说的那样好使,为什么哪?当你仔细观察这些D管是它们不是被打磨掉了原有型号就是又被重新印是了D40、D50的字样,没见有人买到过真正用激光印有D40的管子。
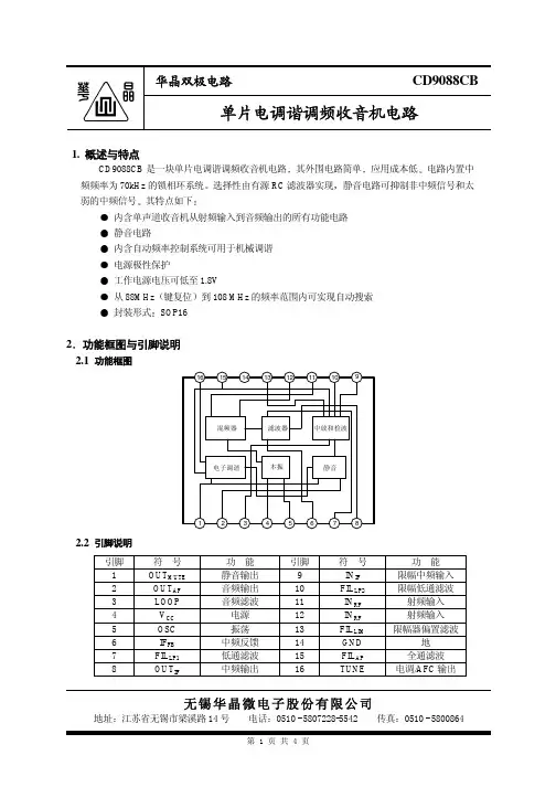
CD9088电调谐收音机电路图设计资料及介绍CD9088是适用于电调谐微小型FM收音机的单片集成电路,采用16脚双列扁平封装,工作电源电压范围为1.8~5V,典型值为3V。
该电路内包含了FM 收音机从天线接收到鉴频输出音频信号的全部功能。
CD9088集成电路的主要特点:CD9088电路设有搜索调谐电路、信号检测电路、静噪电路以及频率锁定环(FLL)电路。
CD9088电路的中频频率为70kHz,外围电路不用中频变压器,其中频选择由电路内部RC中频滤波器来完成。
在调谐方式上,CD9088即可采用传统的可变电容机械调谐,也可像数字调谐收音机那样采用电调谐方式来搜索电台。
在采用电调谐时,只需操作搜索调谐按钮(RUN),电路便自动地由频率低端向频率高端搜索电台,一旦搜索到电台信号,调谐自动停止。
当调谐到FM接收频率最高端时,只需按一下复位按钮(RESET),本振频率回到最低端,搜索调谐又重新开始。
一、CD9088电调谐收音机典型电路图如下所示:调频收音机具有灵敏度高、选择性好、通频带宽、音质好等特点。
采用CD9088调频专用集成电路来制作电调谐调频收音机,具有电路简单、制作容易、调试方便、性能价格比高、音质好、成本低、体积小等特点。
CD9088采用16脚双列扁平封装,可直接焊接在印刷电路板上,其工作电压范围为1.8~5V,典型值为3V。
该电路内含调频收音机从天线接收到鉴频级输出音频信号的全部功能,并设有搜索调谐电路,信号检测电路,静噪电路,以及频率锁定环(FLL)电路等。
其特点是采用70KHZ中频频率,不设置外围中频变压器,中频选择性由RC中频滤波器来完成,简化了电路、省去了中频频率调试的麻烦,又提高了中频频率特性,并减少了电路体积。
用CD9088可组成各种调频收音机电路,除可采用电调谐方式来搜索电台外,也可采用传统的可变电容器调谐搜索电台。
二、CD9088集成电路各引脚的功能如下表:常用电路图:三、工作原理:FM信号由天线引进后从CD9088集成块11脚进入混频电路,电感L1、电阻R1、电容C1、C2、C3构成输入回路,本振电路的本振频率由L2、C4及变容二极管D1决定。
七管收音机原理及安装调试超外差式收音机原理图一、实习目的:1、掌握收音机的原理与组成2、识别各种电子元器件3、掌握焊接技术4、学会超外差收音机的安装与调试二、原理1、最简收音机原理图1中LC谐振回路是收音机输入回路,改变电容C使谐振回路固有频率与无线电发射频率相同,从而引起电磁共振,谐振回路两端电压V AB最大,将该电波接收下来。
经高频放大电路放大后,通过由二极管D和滤波电容C1构成的检波电路,将调幅信号包络解调下来,得到调制前的音频信号,再将音频信号进行低频放大,送到喇叭,就完全还原成可闻的声波信号。
图1 最简单的收音机组成框图这就是最简AM收音机(也称高放式收音机)的工作原理,它简单,但可行性、可使用性太差,不适合日常使用。
由于高放式收音机中高频放大器只能适应较窄频率范围的放大,要想在整个中波频段525kHZ—1605kHZ获得一致放大是很困难的。
因此用超外差接收方式来代替高放式收音机。
2、超外差式收音机原理所谓超外差式,就是通过输入回路先将电台高频调制波接收下来,和本地振荡回路产生的本地信号一并送入混频器,再经中频回路进行频率选择,得到一固定的中频载波(如:调幅中频国际上统一为465KHz或455KHz)调制波。
超外差的实质就是将调制波不同频率的载波,变成固定的且频率较低的中频载波。
如图2所示。
在超外差的设计中,本振频率高于输入频率。
用同轴双联可变电容器,使输入回路电容C1-A和本振回路电容C1-B同步变化,从而使频率差值始终保持近似一致,其差值即为中频465KHZ,即:如接收信号频率是600kHz,则本振频率是1055kHz;若接收信号频率是1000kHz,则本振频率是1465kHz;若接收信号频率是1500kHz,则本振频率是1965kHz;图2 超外差收音机组成框图由于谐振回路谐振频率,f 与C不成线性变化,因此必须有补偿电容对其特性进行修正,以获得在收听范围内f与C近似成线性变化,保证f本振-f信号=f中频为一固定中频信号。