cd9088电路原理及调试方法 基于CD9088的收音机电路图
- 格式:doc
- 大小:17.50 KB
- 文档页数:4
电子教程 CF210SP调频调幅收音机套件CF210SP调频、调幅收音机套件的教学课件CF210SP型收音机是新型的调频、调幅两波段收音机,调频波段采用CD9088的芯片,其采用贴片元气件SMT封装,接收频率范围为76-108MHZ,不仅能接收调频广播,还能接收校园广播和部分电视台的音频信号;调幅波段采用直放式集成电路TA7642,接收频率范围是525-1605KHZ,具有电路简洁,装配成功率高,有较好的选择性等优点;功放电路采用TDA2822的专用功放集成电路,具有声音大,音质好等优点。
一、电路工作原理CF210SP型调频、调幅收音机的原理电路图见图一所示。
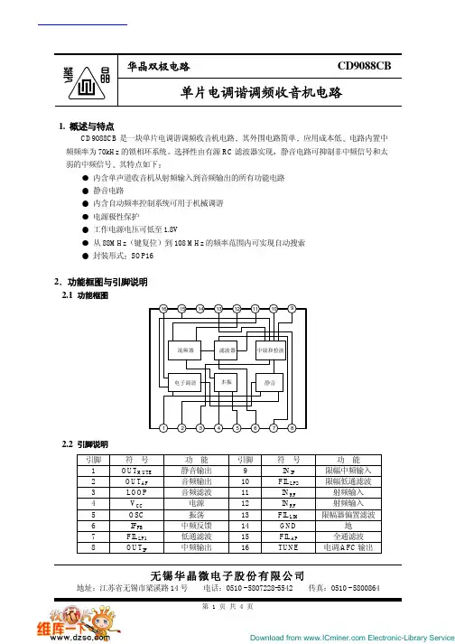
1、调频(FM)部分CD9088是一块专用单片调频收音机芯片,其外围电路简单,电路内置中频频率为70kHz 的锁相环系统,选择性由有源RC滤波器实现,静音电路可抑制非中频信号和太弱的中频信号。
其特点如下:内含单声道收音机从射频输入到音频输出的所有功能电路,静音电路,内含自动频率控制系统可用于机械调谐,电源极性保护,工作电源电压可低至1.8V 。
调频信号由拉杆天线经C8、C10和L1的输入电路进入IC1的11、12脚混频电路,本振电路采用的是可变电容器CA、L2等元气件,可实现手动调台。
FM广播信号和本振电路信号在IC1内混频产生70KHZ的中频信号,经内部中频放大,中频限幅器,送到鉴频器检出音频信号,经内部环路滤波后由2脚输出音频信号。
电路中的R2、C2为静噪电路,3脚接的C4为音频环路滤波电容,6、8脚之间接的C13是中频反馈电容,7脚接的C14是低通电容器,8、9脚之间接的C17是中频耦合电容,10脚接的C12是限幅放大器的低通电容,13脚接的C6为限幅器失调电压电容。
2脚输出的音频信号经过R6、C18耦合到功率放大集成电路TDA2822的输入端7脚,经过IC3(TDA2822)内部功率放大后由其1、3脚输出经过放大后的音频信号以推动扬声器工作,电路中的带开关电位器VOL是用来控制电源的开和关,以及控制音量的大小。
电路原理和原理图:调频收音机具有灵敏度高、选择性好、通频带宽、音质好等特点。
采用CD9088调频专用集成电路来制作电调谐调频收音机,具有电路简单、制作容易、调试方便、性能价格比高、音质好、成本低、体积小等特点。
CD9088采用16脚双列扁平封装,可直接焊接在印刷电路板上,其工作电压范围为 1.8〜5V,典型值为3V。
该电路内含调频收音机从天线接收到鉴频级输岀音频信号的全部功能,并设有搜索调谐电路,信号检测电路,静噪电路,以及频率锁定环(FLL)电路等。
其特点是采用70KHZ中频频率,不设置外围中频变压器,中频选择性由RC中频滤波器来完成,简化了电路、省去了中频频率调试的麻烦,又提高了中频频率特性,并减少了电路体积。
用CD9088可组成各种调频收音机电路,除可采用电调谐方式来搜索电台外,也可采用传统的可变电容器调谐搜索电台。
CD9088集成电路各引脚的功能如下表:有关收音机原理还可以参考以下资料:FM 信号由天线引进后从CD9088集成块11脚进入混频电路,电感L1、电阻 R1、电容C1、C2、C3构成输入回路,本振电路的本振频率由 L2、C4及变容二极 管D1决定。
C7为音频静噪电容,C8为中频反馈电容,C9为低通滤波器电容, C10为中频级耦合电容,15脚为搜索调谐端,16脚为电调谐AFC 电压输出端, SB1为复位按钮,SB2为调谐按钮。
按一下SB2按钮收音机就会自动从频率低端 向频率高端选台,当收到一个电台时,便自动锁定电台停止搜索,如要收听下一 个电台节目,可再按一下SB2按钮顺序搜索电台。
当搜索到频率最高端时,按一 下SB1按钮即可回到频率最低端,然再重新选台。
天线输入回路收到的电台信号与本振频率混频后产生70kHz 中频信号。
经RC 中频滤波器完成滤波和放大后送鉴频级处理,然输出音频复合信号,通过静 噪电路后,从CD9088的2脚输出音频复合信号,经 R3 C15去加重电路后,由 C16耦合到由VT1、VT2组成的低频放大电路放大,推动耳机放音。
电路原理和原理图:调频收音机具有灵敏度高、选择性好、通频带宽、音质好等特点。
采用CD9088调频专用集成电路来制作电调谐调频收音机,具有电路简单、制作容易、调试方便、性能价格比高、音质好、成本低、体积小等特点。
CD9088采用16脚双列扁平封装,可直接焊接在印刷电路板上,其工作电压范围为1.8~5V,典型值为3V。
该电路内含调频收音机从天线接收到鉴频级输出音频信号的全部功能,并设有搜索调谐电路,信号检测电路,静噪电路,以及频率锁定环(FLL)电路等。
其特点是采用70KHZ中频频率,不设置外围中频变压器,中频选择性由RC中频滤波器来完成,简化了电路、省去了中频频率调试的麻烦,又提高了中频频率特性,并减少了电路体积。
用CD9088可组成各种调频收音机电路,除可采用电调谐方式来搜索电台外,也可采用传统的可变电容器调谐搜索电台。
CD9088集成电路各引脚的功能如下表:有关收音机原理还可以参考以下资料:FM信号由天线引进后从CD9088集成块11脚进入混频电路,电感L1、电阻R1、电容C1、C2、C3构成输入回路,本振电路的本振频率由L2、C4及变容二极管D1决定。
C7为音频静噪电容,C8为中频反馈电容,C9为低通滤波器电容,C10为中频级耦合电容,15脚为搜索调谐端,16脚为电调谐AFC电压输出端,SB1为复位按钮,SB2为调谐按钮。
按一下SB2按钮收音机就会自动从频率低端向频率高端选台,当收到一个电台时,便自动锁定电台停止搜索,如要收听下一个电台节目,可再按一下SB2按钮顺序搜索电台。
当搜索到频率最高端时,按一下SB1按钮即可回到频率最低端,然再重新选台。
天线输入回路收到的电台信号与本振频率混频后产生70kHz中频信号。
经RC中频滤波器完成滤波和放大后送鉴频级处理,然输出音频复合信号,通过静噪电路后,从CD9088的2脚输出音频复合信号,经R3、C15去加重电路后,由C16耦合到由VT1、VT2组成的低频放大电路放大,推动耳机放音。
电路原理和原理图:调频收音机具有灵敏度高、选择性好、通频带宽、音质好等特点。
采用CD9088调频专用集成电路来制作电调谐调频收音机,具有电路简单、制作容易、调试方便、性能价格比高、音质好、成本低、体积小等特点。
CD9088采用16脚双列扁平封装,可直接焊接在印刷电路板上,其工作电压范围为1.8~5V,典型值为3V。
该电路内含调频收音机从天线接收到鉴频级输出音频信号的全部功能,并设有搜索调谐电路,信号检测电路,静噪电路,以及频率锁定环(FLL)电路等。
其特点是采用70KHZ中频频率,不设置外围中频变压器,中频选择性由RC中频滤波器来完成,简化了电路、省去了中频频率调试的麻烦,又提高了中频频率特性,并减少了电路体积。
用CD9088可组成各种调频收音机电路,除可采用电调谐方式来搜索电台外,也可采用传统的可变电容器调谐搜索电台。
CD9088集成电路各引脚的功能如下表:有关收音机原理还可以参考以下资料:FM信号由天线引进后从CD9088集成块11脚进入混频电路,电感L1、电阻R1、电容C1、C2、C3构成输入回路,本振电路的本振频率由L2、C4及变容二极管D1决定。
C7为音频静噪电容,C8为中频反馈电容,C9为低通滤波器电容,C10为中频级耦合电容,15脚为搜索调谐端,16脚为电调谐AFC电压输出端,SB1为复位按钮,SB2为调谐按钮。
按一下SB2按钮收音机就会自动从频率低端向频率高端选台,当收到一个电台时,便自动锁定电台停止搜索,如要收听下一个电台节目,可再按一下SB2按钮顺序搜索电台。
当搜索到频率最高端时,按一下SB1按钮即可回到频率最低端,然再重新选台。
天线输入回路收到的电台信号与本振频率混频后产生70kHz中频信号。
经RC中频滤波器完成滤波和放大后送鉴频级处理,然输出音频复合信号,通过静噪电路后,从CD9088的2脚输出音频复合信号,经R3、C15去加重电路后,由C16耦合到由VT1、VT2组成的低频放大电路放大,推动耳机放音。
cd9088电路原理及调试方法基于CD9088的收音机电路图cd9088电路原理FM信号由天线引进后从CD9088集成块11脚进入混频电路,电感L1、电阻R1、电容C1、C2、C3构成输入回路,本振电路的本振频率由L2、C4及变容二极管D1决定。
C7为音频静噪电容,C8为中频反馈电容,C9为低通滤波器电容,C10为中频级耦合电容,15脚为搜索调谐端,16脚为电调谐AFC电压输出端,SB1为复位按钮,SB2为调谐按钮。
按一下SB2按钮收音机就会自动从频率低端向频率高端选台,当收到一个电台时,便自动锁定电台停止搜索,如要收听下一个电台节目,可再按一下SB2按钮顺序搜索电台。
当搜索到频率最高端时,按一下SB1按钮即可回到频率最低端,然再重新选台。
天线输入回路收到的电台信号与本振频率混频后产生70kHz中频信号。
经RC中频滤波器完成滤波和放大后送鉴频级处理,然输出音频复合信号,通过静噪电路后,从CD9088的2脚输出音频复合信号,经R3、C15去加重电路后,由C16耦合到由VT1、VT2组成的低频放大电路放大,推动耳机放音。
L3、L4两只电感线圈是高频扼流圈,当将耳机引线作为天线时,可减少收音机其它回路对天线输入回路信号的影响。
如采用拖线作天线时,将虚线部份断开。
用耳机引线作天线和用拖线作天线各具优缺点,可试验后决定,也可两者同时采用。
用耳机引线作天线时,R1电阻可省去。
在低放电路中,采用了将电位器接在负载回路中的方式,其有二个优点:一是比接在CD9088的2脚输出端噪声要小,因接在后级时电位器的本身噪声不会被放大;二是电位器接在后级后,当调低音量时会使负载等效电阻增大,相应减小了功放级工作电流,因此可以减少电池的消耗量,延长电池的使用寿命。
袖珍电调谐调频收音机的频率范围为88-108MHz,频道间隔为200KHz。
其主要技术指标:(1)电源电压:3V;(2)电源消耗电流7~15mA;(3)灵敏度:5uV;(4)信噪比:50dB;(5)谐波失真(△F=士22.5KHZ):1%;(6)音频输出功率(RL=64):2~5mW;(7)音频带宽:125-12000 Hz。
电子教程:CF210SP调频、调幅收音机套件CF210SP调频、调幅收音机的安装指导JC210SP型收音机是新型的调频、调幅两波段收音机,调频波段采用CD9088的芯片,其采用贴片元气件SMT封装,接收频率范围为76-108MHZ,不仅能接收调频广播,还能接收校园广播和部分电视台的音频信号;调幅波段采用直放式集成电路TA7642,接收频率范围是525-1605KHZ,具有电路简洁,装配成功率高,有较好的选择性等优点;功放电路采用TDA2822的专用功放集成电路,具有声音大,音质好等优点。
一、电路工作原理JC210SP型调频、调幅收音机的原理电路图见图一所示。
1、调频(FM)部分CD9088是一块专用单片调频收音机芯片,其外围电路简单,电路内置中频频率为70kHz 的锁相环系统,选择性由有源RC滤波器实现,静音电路可抑制非中频信号和太弱的中频信号。
其特点如下:内含单声道收音机从射频输入到音频输出的所有功能电路,静音电路,内含自动频率控制系统可用于机械调谐,电源极性保护,工作电源电压可低至1.8V 。
调频信号由拉杆天线经C8、C10和L1的输入电路进入IC1的11、12脚混频电路,本振电路采用的是可变电容器CA、L2等元器件,可实现手动调台。
FM广播信号和本振电路信号在IC1内混频产生70KHZ的中频信号,经内部中频放大,中频限幅器,送到鉴频器检出音频信号,经内部环路滤波后由2脚输出音频信号。
电路中的R2、C2为静噪电路,3脚接的C4为音频环路滤波电容,6、8脚之间接的C13是中频反馈电容,7脚接的C14是低通电容器,8、9脚之间接的C17是中频耦合电容,10脚接的C12是限幅放大器的低通电容,13脚接的C6为限幅器失调电压电容。
2脚输出的音频信号经过R6、C18耦合到功率放大集成电路TDA2822的输入端7脚,经过IC3(TDA2822)内部功率放大后由其1、3脚输出经过放大后的音频信号以推动扬声器工作,电路中的带开关电位器VOL是用来控制电源的开和关,以及控制音量的大小。
diy少年晶体管调频收音机这是一台用3DP场效应管检波的FM矿石收音机,双栅分接电路,耳机是助听机耳机每只直流电阻85欧2只串联,在室内3楼能收到3个台103.9龙广乡村广播和103.3哈尔滨交通台和91.7中国之声,不过是在不同的地方,不同的地方不同的电台信号强度不一样,初步体会FM MOS矿机选择性好声音优美灵敏度高,我这距发射塔1公里左右中间有建筑物阻挡,室外太冷了没有去室外试机电路图:采用qg2007 老师的双栅电路,我在G1和地之间加了电阻和电容,可以增加音量,电容的容量要适中,在这台机器上1800p效果最好,开关K的作用是机器初次使用时如收不到台,就按一下,使机器启动,以后就不必按了,这样机器就可以稳定工作了TDA7000单片调频收音机电路图,电路很简单,谐振电感可以使用0.5毫米漆包线在直径5毫米的塑料棒上绕5匝左右。
伸缩匝间距使调节范围符合调频波段。
电路使用高阻耳机。
当然,也可以加一级放大,然后使用普通的耳机。
自己DIY调频收音机效果还可以(没用放大电路直接用32欧姆的耳机收听,天线用的是1米的软导线)在市区能收到7到8个调频台本电路图所用到的元器件:9018 9014 3AX31 收音机电路见图1它的新颖之处在于前级晶体管VT1以不同于超再生式及超外的方式进行工作,同时具有混频、本振、锁相环同步检波及低频放大4种功能。
L1、C2组成Q值较低的FM频段(87MHz-108MHZ)宽带输入回路,中心频率98MHZ。
L2、C5、C6组成本振调谐回路,本振频率为输入接收频率及本振信号的二次谐波,混频后输出的中频信号落在音频范围内。
由于VT1的输出电导是集电极电流的函数,所以它一身具有控制本振频率的功能。
VT1作为本机振荡器时,接成共基极电路,由于L1、C2对本振频率失谐,所以VT1的基极等效接地。
VT1作为混频器时,则为共发射极电路。
VT1作为同频检波器时,也是共基极电路,这是国为C3取值很大,对音频信号容抗很小,可认为VT1的基极交流接地。
电路原理和原理图:调频收音机具有灵敏度高、选择性好、通频带宽、音质好等特点。
采用CD9088调频专用集成电路来制作电调谐调频收音机,具有电路简单、制作容易、调试方便、性能价格比高、音质好、成本低、体积小等特点。
CD9088采用16脚双列扁平封装,可直接焊接在印刷电路板上,其工作电压范围为1.8~5V,典型值为3V。
该电路内含调频收音机从天线接收到鉴频级输出音频信号的全部功能,并设有搜索调谐电路,信号检测电路,静噪电路,以及频率锁定环(FLL)电路等。
其特点是采用70KHZ中频频率,不设置外围中频变压器,中频选择性由RC中频滤波器来完成,简化了电路、省去了中频频率调试的麻烦,又提高了中频频率特性,并减少了电路体积。
用CD9088可组成各种调频收音机电路,除可采用电调谐方式来搜索电台外,也可采用传统的可变电容器调谐搜索电台。
CD9088集成电路各引脚的功能如下表:有关收音机原理还可以参考以下资料:FM信号由天线引进后从CD9088集成块11脚进入混频电路,电感L1、电阻R1、电容C1、C2、C3构成输入回路,本振电路的本振频率由L2、C4及变容二极管D1决定。
C7为音频静噪电容,C8为中频反馈电容,C9为低通滤波器电容,C10为中频级耦合电容,15脚为搜索调谐端,16脚为电调谐AFC电压输出端,SB1为复位按钮,SB2为调谐按钮。
按一下SB2按钮收音机就会自动从频率低端向频率高端选台,当收到一个电台时,便自动锁定电台停止搜索,如要收听下一个电台节目,可再按一下SB2按钮顺序搜索电台。
当搜索到频率最高端时,按一下SB1按钮即可回到频率最低端,然再重新选台。
天线输入回路收到的电台信号与本振频率混频后产生70kHz中频信号。
经RC中频滤波器完成滤波和放大后送鉴频级处理,然输出音频复合信号,通过静噪电路后,从CD9088的2脚输出音频复合信号,经R3、C15去加重电路后,由C16耦合到由VT1、VT2组成的低频放大电路放大,推动耳机放音。
电路原理和原理图:调频收音机具有灵敏度高、选择性好、通频带宽、音质好等特点。
采用CD9088调频专用集成电路来制作电调谐调频收音机,具有电路简单、制作容易、调试方便、性能价格比高、音质好、成本低、体积小等特点。
CD9088采用16脚双列扁平封装,可直接焊接在印刷电路板上,其工作电压范围为 1.8~5V,典型值为3V。
该电路内含调频收音机从天线接收到鉴频级输出音频信号的全部功能,并设有搜索调谐电路,信号检测电路,静噪电路,以及频率锁定环(FLL)电路等。
其特点是采用70KHZ中频频率,不设置外围中频变压器,中频选择性由RC中频滤波器来完成,简化了电路、省去了中频频率调试的麻烦,又提高了中频频率特性,并减少了电路体积。
用CD9088可组成各种调频收音机电路,除可采用电调谐方式来搜索电台外,也可采用传统的可变电容器调谐搜索电台。
CD9088集成电路各引脚的功能如下表:有关收音机原理还可以参考以下资料:FM信号由天线引进后从CD9088集成块11脚进入混频电路,电感L1、电阻R1、电容C1、C2、C3构成输入回路,本振电路的本振频率由L2、C4及变容二极管D1决定。
C7为音频静噪电容,C8为中频反馈电容,C9为低通滤波器电容,C10为中频级耦合电容,15脚为搜索调谐端,16脚为电调谐AFC电压输出端,SB1为复位按钮,SB2为调谐按钮。
按一下SB2按钮收音机就会自动从频率低端向频率高端选台,当收到一个电台时,便自动锁定电台停止搜索,如要收听下一个电台节目,可再按一下SB2按钮顺序搜索电台。
当搜索到频率最高端时,按一下SB1按钮即可回到频率最低端,然再重新选台。
天线输入回路收到的电台信号与本振频率混频后产生70kHz中频信号。
经RC中频滤波器完成滤波和放大后送鉴频级处理,然输出音频复合信号,通过静噪电路后,从CD9088的2脚输出音频复合信号,经R3、C15去加重电路后,由C16耦合到由VT1、VT2组成的低频放大电路放大,推动耳机放音。
diy少年晶体管调频收音机这是一台用3DP场效应管检波的FM矿石收音机,双栅分接电路,耳机是助听机耳机每只直流电阻85欧2只串联,在室内3楼能收到3个台103.9龙广乡村广播和103.3哈尔滨交通台和91.7中国之声,不过是在不同的地方,不同的地方不同的电台信号强度不一样,初步体会FM MOS矿机选择性好声音优美灵敏度高,我这距发射塔1公里左右中间有建筑物阻挡,室外太冷了没有去室外试机电路图:采用qg2007 老师的双栅电路,我在G1和地之间加了电阻和电容,可以增加音量,电容的容量要适中,在这台机器上1800p效果最好,开关K的作用是机器初次使用时如收不到台,就按一下,使机器启动,以后就不必按了,这样机器就可以稳定工作了TDA7000单片调频收音机电路图,电路很简单,谐振电感可以使用0.5毫米漆包线在直径5毫米的塑料棒上绕5匝左右。
伸缩匝间距使调节范围符合调频波段。
电路使用高阻耳机。
当然,也可以加一级放大,然后使用普通的耳机。
自己DIY调频收音机效果还可以(没用放大电路直接用32欧姆的耳机收听,天线用的是1米的软导线)在市区能收到7到8个调频台本电路图所用到的元器件:9018 9014 3AX31 收音机电路见图1它的新颖之处在于前级晶体管VT1以不同于超再生式及超外的方式进行工作,同时具有混频、本振、锁相环同步检波及低频放大4种功能。
L1、C2组成Q值较低的FM频段(87MHz-108MHZ)宽带输入回路,中心频率98MHZ。
L2、C5、C6组成本振调谐回路,本振频率为输入接收频率及本振信号的二次谐波,混频后输出的中频信号落在音频范围内。
由于VT1的输出电导是集电极电流的函数,所以它一身具有控制本振频率的功能。
VT1作为本机振荡器时,接成共基极电路,由于L1、C2对本振频率失谐,所以VT1的基极等效接地。
VT1作为混频器时,则为共发射极电路。
VT1作为同频检波器时,也是共基极电路,这是国为C3取值很大,对音频信号容抗很小,可认为VT1的基极交流接地。
电子实验报告学生姓名:陈文东学号:11080607指导教师:曾卓斌实习时间:第一周至第四周实习地点:(电子电工实验中心503、605)主要实习内容:FM收音机制作1、实习目的通过实习学会有关电子工艺基础知识,培养一定的实践动手能力,培养严谨、细致、实干的科学的作风。
2、工作原理电路的核心是单片收音机集成电路CD9088CB。
它采用特殊的低中频(70KHz)技术,外围电路省去了中频变压器和陶瓷滤波器,使用电路简单可靠,调试方便。
CD908CB采用SOJ16脚封装,表1是引脚功能,图1是电原理图。
图1 电调谐FM收音机原理图表1 FM收音机集成电路CD9088CB引脚功能1.F M信号输入如图所示调频信号由耳机线馈入经C2进入IC的11脚混频电路。
此处的FM 信号是没有调谐的调频信号,即所有调频电台的信号均可进入。
2.本振调揩电路本振电路中关键元件是变容二极管,它是利用PN结的结电容与偏压有关的特性制成的“可变电容”。
变容二极管加反向电压Ud,其结电容Uc与Ud的特性是非线性关系。
这利电压控制的可变电容广泛用于电调谐、扫频等电路中。
本电路中,控制变容二极管D1的电压由IC的16脚给出。
当按下扫描开关S2时,IC内部的RS触发器打开恒流源,由16脚向电容C10充电。
C10两端电压不断上升,D1电容量不断变化,由D1、C13、L1构成的本振电路的频率不断变化而进行调谐。
当收到电台信号后,信号检测电路使IC内的RS触发器翻转,恒流源停止对C10充电,同时在AFC( automatic frequency control)电路作用下,锁住所接收的广播节目频率,从而可以稳定接收电台广播,直到再次按下S2开始新的搜索。
当按下Reset开关S3时,电容C10放电,本振频率回到最低端。
3.中频放大、限幅与鉴频电路的中频放大,限幅及鉴频电路的有源器件及电阻均在IC内。
FM广播信号和本振电路信号在IC内混频器中混频产生70KHz的中频信号,经内部1dB放大器,中频限幅器,送到鉴频器检出音频信号,经内部环路滤波后由2脚输出音频信号。
CD9088电调谐收音机电路图设计资料及介绍CD9088是适用于电调谐微小型FM收音机的单片集成电路,采用16脚双列扁平封装,工作电源电压范围为1.8~5V,典型值为3V。
该电路内包含了FM 收音机从天线接收到鉴频输出音频信号的全部功能。
CD9088集成电路的主要特点:CD9088电路设有搜索调谐电路、信号检测电路、静噪电路以及频率锁定环(FLL)电路。
CD9088电路的中频频率为70kHz,外围电路不用中频变压器,其中频选择由电路内部RC中频滤波器来完成。
在调谐方式上,CD9088即可采用传统的可变电容机械调谐,也可像数字调谐收音机那样采用电调谐方式来搜索电台。
在采用电调谐时,只需操作搜索调谐按钮(RUN),电路便自动地由频率低端向频率高端搜索电台,一旦搜索到电台信号,调谐自动停止。
当调谐到FM接收频率最高端时,只需按一下复位按钮(RESET),本振频率回到最低端,搜索调谐又重新开始。
一、CD9088电调谐收音机典型电路图如下所示:调频收音机具有灵敏度高、选择性好、通频带宽、音质好等特点。
采用CD9088调频专用集成电路来制作电调谐调频收音机,具有电路简单、制作容易、调试方便、性能价格比高、音质好、成本低、体积小等特点。
CD9088采用16脚双列扁平封装,可直接焊接在印刷电路板上,其工作电压范围为1.8~5V,典型值为3V。
该电路内含调频收音机从天线接收到鉴频级输出音频信号的全部功能,并设有搜索调谐电路,信号检测电路,静噪电路,以及频率锁定环(FLL)电路等。
其特点是采用70KHZ中频频率,不设置外围中频变压器,中频选择性由RC中频滤波器来完成,简化了电路、省去了中频频率调试的麻烦,又提高了中频频率特性,并减少了电路体积。
用CD9088可组成各种调频收音机电路,除可采用电调谐方式来搜索电台外,也可采用传统的可变电容器调谐搜索电台。
二、CD9088集成电路各引脚的功能如下表:常用电路图:三、工作原理:FM信号由天线引进后从CD9088集成块11脚进入混频电路,电感L1、电阻R1、电容C1、C2、C3构成输入回路,本振电路的本振频率由L2、C4及变容二极管D1决定。
CD9088单片电调谐收音机电路图
时间:2010-01-14 09:28:43 来源:互联网作者:
CD9088是适用于电调谐微小型FM收音机的单片集成电路,采用16脚双列扁平封装,工作电源电压范围为1.8~5V,典型值为3V。
该电路内包含了FM收音机从天线接收到鉴频输出音频信号的全部功能。
CD9088集成电路的主要特点:CD9088电路设有搜索调谐电路、信号检测电路、静噪电路以及频率锁定环(FLL)电路。
CD9088电路的中频频率为70kHz,外围电路不用中频变压器,其中频选择由电路内部RC中频滤波器来完成。
在调谐方式上,CD9088即可采用传统的可变电容机械调谐,也可像数字调谐收音机那样采用电调谐方式来搜索电台。
在采用电调谐时,只需操作搜索调谐按钮(RUN),电路便自动地由频率低端向频率高端搜索电台,一旦搜索到电台信号,调谐自动停止。
当调谐到FM接收频率最高端时,只需按一下复位按钮(RESET),本振频率回到最低端,搜索调谐又重新开始。
cd9088电路原理及调试方法基于CD9088的收音机电路图
cd9088电路原理FM信号由天线引进后从CD9088集成块11脚进入混频电路,电感L1、电阻R1、电容C1、C2、C3构成输入回路,本振电路的本振频率由L2、C4及变容二极管D1决定。
C7为音频静噪电容,C8为中频反馈电容,C9为低通滤波器电容,C10为中频级耦合电容,15脚为搜索调谐端,16脚为电调谐AFC电压输出端,SB1为复位按钮,SB2为调谐按钮。
按一下SB2按钮收音机就会自动从频率低端向频率高端选台,当收到一个电台时,便自动锁定电台停止搜索,如要收听下一个电台节目,可再按一下SB2按钮顺序搜索电台。
当搜索到频率最高端时,按一下SB1按钮即可回到频率最低端,然再重新选台。
天线输入回路收到的电台信号与本振频率混频后产生70kHz中频信号。
经RC中频滤波器完成滤波和放大后送鉴频级处理,然输出音频复合信号,通过静噪电路后,从CD9088的2脚输出音频复合信号,经R3、C15去加重电路后,由C16耦合到由VT1、VT2组成的低频放大电路放大,推动耳机放音。
L3、L4两只电感线圈是高频扼流圈,当将耳机引线作为天线时,可减少收音机其它回路对天线输入回路信号的影响。
如采用拖线作天线时,将虚线部份断开。
用耳机引线作天线和用拖线作天线各具优缺点,可试验后决定,也可两者同时采用。
用耳机引线作天线时,R1电阻可省去。
在低放电路中,采用了将电位器接在负载回路中的方式,其有二个优点:一是比接在CD9088的2脚输出端噪声要小,因接在后级时电位器的本身噪声不会被放大;二是电位器接在后级后,当调低音量时会使负载等效电阻增大,相应减小了功放级工作电流,因此可以减少电池的消耗量,延长电池的使用寿命。
袖珍电调谐调频收音机的频率范围为88-108MHz,频道间隔为200KHz。
其主要技术指标:(1)电源电压:3V;(2)电源消耗电流7~15mA;(3)灵敏度:5uV;(4)信噪比:50dB;(5)谐波失真(△F=士22.5KHZ):1%;(6)音频输出功率(RL=64):2~5mW;(7)音频带宽:125-12000 Hz。
元件的选择和制作。
调频专用集成电路CD9088也可选用华越微电子有限公司的D7088产。