矿粉表观密度计算表
- 格式:xls
- 大小:21.50 KB
- 文档页数:1
铁矿粉矿浆是指由加工后的铁矿石粉末和水混合而成的浆料,是炼铁生产过程中的重要原材料之一。
浆料的浓度和密度是影响炼铁生产质量和效率的重要参数,合理控制浆料的浓度和密度对于提高炼铁生产的稳定性和经济效益具有重要意义。
本文将针对铁矿粉矿浆的浓度和密度进行对照表的整理和分析,旨在为炼铁生产提供参考依据。
一、铁矿粉矿浆浓度的对照表序号浆料名称浓度()1 普通铁矿石浆料35-402 高储备铁矿石浆料40-453 超高储备铁矿石浆料45-504 精矿浆料50-55从上表可以看出,根据铁矿石的不同储备情况和炼铁生产的要求,铁矿石浆料的浓度有所差异。
普通铁矿石浆料的浓度在35至40之间,适合于一般的炼铁生产需求。
而对于高储备和超高储备的铁矿石浆料,浓度要求分别为40-45和45-50,这些浆料的浓度较高,适合于需求更高的炼铁生产场景。
而精矿浆料由于其矿石含铁量较高,其浆料浓度可达50-55,适合于高端产品的生产需求。
二、铁矿粉矿浆密度的对照表序号浆料名称密度(g/cm3)1 普通铁矿石浆料 1.5-1.82 高储备铁矿石浆料 1.8-2.03 超高储备铁矿石浆料 2.0-2.34 精矿浆料 2.3-2.5通过上述对照表可以看出,铁矿粉矿浆的密度随着铁矿石的储备情况和品质而有所不同。
普通铁矿石浆料的密度在1.5g/cm3至1.8g/cm3之间,适合于一般的炼铁生产需求。
而高储备和超高储备的铁矿石浆料的密度分别在1.8g/cm3至2.0g/cm3和2.0g/cm3至2.3g/cm3之间,密度较大,适合于需求更高的炼铁生产场景。
精矿浆料由于其矿石含铁量较高,密度可达2.3g/cm3至2.5g/cm3,适合于生产要求最高的产品。
总结:铁矿粉矿浆的浓度和密度是影响炼铁生产质量和效率的重要参数。
通过对比分析不同种类铁矿石浆料的浓度和密度对照表,可以为炼铁生产提供参考依据,指导生产实践,提高炼铁生产的稳定性和经济效益。
炼铁企业应根据自身原料的情况以及产品的需求来合理选择铁矿石浆料的浓度和密度,以求达到最佳的生产效果。
矿粉密度一、目的与适用范围用于检验矿粉的质量,供沥青混合料配合比设计计算使用,同时适用于测定供拌制沥青混合料用的其他填料如水泥、石灰、粉煤灰的相对密度。
二、依据标准《公路工程集料试验规程》JTG E42-2005三、仪器设备李氏比重瓶:容量为250mL 或300mL 。
天平:感量不大于0.01g.烘箱:能控温在105℃±5℃。
恒温水澡:能控温在20℃±0.5℃。
其他:瓷皿、小牛角匙、干燥器、漏斗等。
四、试验步骤4.1将代表矿粉试样置瓷皿中,在105℃烘箱中烘干至恒重(一般不少于6h ),放入干燥器中冷却后,连同小牛角匙、漏斗一起准确称量(m1)准确至0.01g ,矿粉数量应不少于200g 。
4.2向比重瓶中注入蒸馏水,至刻度0mL ~1mL 之间,将比重瓶放入20℃的恒温水槽中,静放至比重瓶的水温不再变化为止(一般不少于2h ),读取比重瓶中水面的刻度(V1)至0.02mL.4.3用牛角小匙将矿粉试样通过漏斗徐徐加入比重瓶中,待比重瓶中的液面上升至接近比重瓶的最大读数为止,轻轻摇晃比重瓶,是瓶中的空气充分逸出。
再次将比重瓶放入恒温水槽中,待温度不再变化时,读取比重瓶的读数(V2),准确至0.02mL 。
整个试验过程中比重瓶的水温变化不得超过1℃。
4.4准确称取牛角匙、瓷皿、漏斗及剩余矿粉的质量(m2),准确至小数点后3位。
五、计算按式(T0352-1)及式(T0352-2)计算矿粉的密度及相对密度,精确至小数点后3位。
v v m m f 1221--=ρ (T0352-1)ρργ'wff (T0352-2) 式中:ρf —矿粉的密度(g/cm3);γf —矿粉对水的相对密度,无量纲;m 1—牛角匙、瓷皿、漏斗及试验前瓷器中矿粉的干燥质量(g );m 2—牛角匙、瓷皿、漏斗及试验后瓷器中矿粉的干燥质量(g );V 1—加矿粉以前比重瓶的初读数(mL );V 2—加矿粉以后比重瓶的初读数(mL );ρ'w —试验温度是水的密度,按附录B 表B-1取用。
粉体的堆积密度表观密度真密度2009-04-25 13:59
粉体是一个分散体系,测试密度时,就是用粉体的质量(m)除以粉体的体积(V)从而得到粉体的密度。
根据测得的粉体的体积不同,粉体的密度可以用堆积密度(bulk density)、表观密度(apparent density)、真密度(true density或skeletal density)3种密度来表达。
粉体的体积可以看成是由如下3个部分组成的,即:粉体颗粒之间的间隙所占的体积(Vinter-p),粉体颗粒上的孔的体积(Vintra-p),粉体颗粒材料的骨架体积(Vt)。
则堆积密度=粉体质量/(Vinter-p+Vintra-p+Vt);
表观密度=粉体质量/(Vintra-p+Vt);
真密度=粉体质量/Vt;
出于各种不同的考虑,粉体的堆积密度是一个变化的值,因为粉体的堆积情况常常受到许多因素的干扰,如振动、受压、团聚等,因而体积会发生变化,因此该值的测量只能作为参考,而不能作为唯一的特性指标来表达粉体的性能;表观密度和真密度是由粉体颗粒的孔隙情况和材料的种类决定的,而材料本身的孔隙分布和孔隙率一半是不变的,材料的性质也是固定的,所以这两种密度也是确定的值,表达了样品本身特性,所以在进行粉体的性能分析测试时关心的更多的是这两个密度。
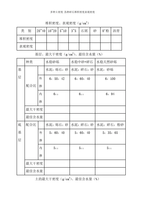
堆积密度、表观密度(g/cm3)基层、最大干密度(g/cm3)、最佳含水量(%)土的最大干密度(g/cm3)、最佳含水量(%)风化砂的最大干密度(g/cm3)、最佳含水量(%)一、击实试验测出料的本身含水量:8%试样重:(湿土重)3000*(1+8%)=3240 kg加水:10% 12% 14% 16%3000*(10%-8%)=60 ml干土 * 含水量之差二、液塑限试验特黄粘土:液限:w L= 塑限:w P= 塑性指数:I P= 黄粘土:液限:w L= 塑限:w P= 塑性指数:I P= 黄粉砂:液限:w L= 塑限:w P= 塑性指数:I P= 黑粘土:液限:w L= 塑限:w P= 塑性指数:I P= 黑粉砂:液限:w L= 塑限:w P= 塑性指数:I P=三、基层无侧限成型:已知:混合料配合比(外掺)水泥6%;碎石60%;中砂40%(内掺)水泥6%;碎石%;中砂%最大干密度:cm3最佳含水量:%料的本身含水量:%试件体积:V=2651(兀R2*15)最大干密度P d= (最大干密度*要求压实度97%)混合料总量:6172(V* P d)水泥:370(6172*6%)中砂:2321(6172*%)碎石:3481(6172*%)水:185 {6172*(%%)四、弯沉值A*2*(10/)=A*已知弯沉值:黄河(10t)中湿:254 干燥:200东风()中湿:186 干燥:146(中湿:254÷=186)五、计算工程量:1、沥青面层:马歇尔标准密度: T/m3 (kg/cm3)整个工程量:沥青砼(体积) = 长9628m * 宽11m * 高总重量 = 体积 * : T/m3矿料总重 = 总重量 - 总重量 * %(沥青用量) 各矿料米数(m3)20~40 (40%)碎石方数 = 矿料总重 * 40%÷ (密度)10~20 ………..2、石灰土: 4%石灰土、6%水泥综合稳定土长 * 宽 * 高 * 压实度体积:100m * * * % = 181 m3密度: T/m3 = (kg/cm3)总质量:181 * = 330 T石灰重:330 * 4% = 吨水泥重:330 * 6% = 19吨19000kg ÷ 50kg = 380袋3、桥涵工程量:已知:盖板涵一侧墙身: * * = 18m3砂密度:1540 kg/cm3 碎石密度:1560 kg/cm3每立方米砼配合比(kg)水泥:砂:碎石:水 = 372:611:1242:175 求:该墙身所用种料的方数:水泥:18 m3*372=6696 kg中砂:18 m3*611=10998 kg 10998÷1540= m3碎石:18 m3*1242=22356 kg 22356÷1560= m3水: 18 m3*175=3150 kg4、涵底标高:左侧上游、右侧下游、涵底标高、左右侧涵长、纵坡%左侧涵底标高: + * % =右侧涵底标高: - * % =六、钢筋:直径:28mm 长度:480mm(10d+200mm)标距:280mm截面积mm2: mm2(兀R2= m2 )屈服:233 屈服点:380(233÷ m2)尾数取0或5极限:336 拉伸强度:545(336÷ m2)断后标距:353 伸长率:26% {353 -(280÷280)} 弯心直径: 84(3 * d)弯曲角度:1800单面搭接焊:10d+200 mm 双面搭接焊:5d+200 mm单面搭接焊:5d+l h mm双面搭接焊:8d+ l h mm。
堆积密度、表观密度(g/cm3)(基层、最大干密度(g/cm3)、最佳含水量(%)土的最大干密度(g/cm3)、最佳含水量(%)风化砂的最大干密度(g/cm3)、最佳含水量(%)一、击实试验测出料的本身含水量:8%试样重:(湿土重)3000*(1+8%)=3240 kg加水:10% 12% 14% 16%3000*(10%-8%)=60 ml干土* 含水量之差二、液塑限试验?特黄粘土:液限:w L= 塑限:w P= 塑性指数:I P=黄粘土:液限:w L= 塑限:w P= 塑性指数:I P=黄粉砂:液限:w L= 塑限:w P= 塑性指数:I P=黑粘土:液限:w L= 塑限:w P= 塑性指数:I P=黑粉砂:液限:w L= 塑限:w P= 塑性指数:I P=三、:四、基层无侧限成型:已知:混合料配合比(外掺)水泥6%;碎石60%;中砂40%(内掺)水泥6%;碎石%;中砂%最大干密度:cm3最佳含水量:%料的本身含水量:%试件体积:V=2651(兀R2*15)最大干密度P d= (最大干密度*要求压实度97%)混合料总量:6172(V* P d)水泥:370(6172*6%)中砂:2321(6172*%)碎石:3481(6172*%)…水:185 {6172*(%%)五、弯沉值A*2*(10/)=A*已知弯沉值:黄河(10t)中湿:254 干燥:200东风()中湿:186 干燥:146(中湿:254÷=186)六、计算工程量:1、沥青面层:马歇尔标准密度:T/m3 (kg/cm3)整个工程量:)沥青砼(体积) = 长9628m * 宽11m * 高总重量= 体积* :T/m3矿料总重= 总重量- 总重量* %(沥青用量)各矿料米数(m3)20~40 (40%)碎石方数= 矿料总重* 40%÷(密度)10~20 ………..2、石灰土:4%石灰土、6%水泥综合稳定土长* 宽* 高* 压实度体积:100m * * * % = 181 m3密度:T/m3 = (kg/cm3)^总质量:181 * = 330 T石灰重:330 * 4% = 吨水泥重:330 * 6% = 19吨19000kg ÷50kg = 380袋3、桥涵工程量:已知:盖板涵一侧墙身:* * = 18m3砂密度:1540 kg/cm3 碎石密度:1560 kg/cm3每立方米砼配合比(kg)水泥:砂:碎石:水= 372:611:1242:175求:该墙身所用种料的方数:水泥:18 m3*372=6696 kg中砂:18 m3*611=10998 kg 10998÷1540= m3碎石:18 m3*1242=22356 kg 22356÷1560= m3水:18 m3*175=3150 kg4、涵底标高:左侧上游、右侧下游、涵底标高、左右侧涵长、纵坡%左侧涵底标高:+ * % =右侧涵底标高:- * % =七、钢筋:直径:28mm 长度:480mm(10d+200mm)标距:280mm 截面积mm2:mm2(兀R2= m2 )屈服:233 屈服点:380(233÷m2)尾数取0或5极限:336 拉伸强度:545(336÷m2)断后标距:353 伸长率:26% {353 -(280÷280)}弯心直径:84(3 * d)弯曲角度:1800单面搭接焊:10d+200 mm 双面搭接焊:5d+200 mm单面搭接焊:5d+l h mm双面搭接焊:8d+ l h mm。
矿粉密度一、目的与适用范围用于检验矿粉的质量,供沥青混合料配合比设计计算使用,同时适用于测定供拌制沥青混合料用的其他填料如水泥、石灰、粉煤灰的相对密度。
二、依据标准《公路工程集料试验规程》JTG E42-2005三、仪器设备李氏比重瓶:容量为250mL 或300mL 。
天平:感量不大于0.01g.烘箱:能控温在105℃±5℃。
恒温水澡:能控温在20℃±0.5℃。
其他:瓷皿、小牛角匙、干燥器、漏斗等。
四、试验步骤4.1将代表矿粉试样置瓷皿中,在105℃烘箱中烘干至恒重(一般不少于6h ),放入干燥器中冷却后,连同小牛角匙、漏斗一起准确称量(m1)准确至0.01g ,矿粉数量应不少于200g 。
4.2向比重瓶中注入蒸馏水,至刻度0mL ~1mL 之间,将比重瓶放入20℃的恒温水槽中,静放至比重瓶的水温不再变化为止(一般不少于2h ),读取比重瓶中水面的刻度(V1)至0.02mL.4.3用牛角小匙将矿粉试样通过漏斗徐徐加入比重瓶中,待比重瓶中的液面上升至接近比重瓶的最大读数为止,轻轻摇晃比重瓶,是瓶中的空气充分逸出。
再次将比重瓶放入恒温水槽中,待温度不再变化时,读取比重瓶的读数(V2),准确至0.02mL 。
整个试验过程中比重瓶的水温变化不得超过1℃。
4.4准确称取牛角匙、瓷皿、漏斗及剩余矿粉的质量(m2),准确至小数点后3位。
五、计算按式(T0352-1)及式(T0352-2)计算矿粉的密度及相对密度,精确至小数点后3位。
v v m m f 1221--=ρ (T0352-1)ρργ'wff (T0352-2) 式中:ρf —矿粉的密度(g/cm3);γf —矿粉对水的相对密度,无量纲;m 1—牛角匙、瓷皿、漏斗及试验前瓷器中矿粉的干燥质量(g );m 2—牛角匙、瓷皿、漏斗及试验后瓷器中矿粉的干燥质量(g );V 1—加矿粉以前比重瓶的初读数(mL );V 2—加矿粉以后比重瓶的初读数(mL );ρ'w —试验温度是水的密度,按附录B 表B-1取用。