碎石表观密度计算表
- 格式:xls
- 大小:20.50 KB
- 文档页数:2
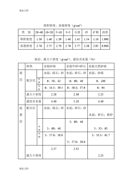
堆积密度、表观密度(g/cm3)基层、最大干密度(g/cm3)、最佳含水量(%)土的最大干密度(g/cm3)、最佳含水量(%)风化砂的最大干密度(g/cm3)、最佳含水量(%)一、击实试验测出料的本身含水量:8%试样重:(湿土重)3000*(1+8%)=3240 kg加水:10% 12% 14% 16%3000*(10%-8%)=60 ml干土 * 含水量之差二、液塑限试验特黄粘土:液限:w L= 塑限:w P= 塑性指数:I P= 黄粘土:液限:w L= 塑限:w P= 塑性指数:I P= 黄粉砂:液限:w L= 塑限:w P= 塑性指数:I P= 黑粘土:液限:w L= 塑限:w P= 塑性指数:I P= 黑粉砂:液限:w L= 塑限:w P= 塑性指数:I P=三、基层无侧限成型:已知:混合料配合比(外掺)水泥6%;碎石60%;中砂40%(内掺)水泥6%;碎石%;中砂%最大干密度:cm3最佳含水量:%料的本身含水量:%试件体积:V=2651(兀R2*15)最大干密度P d= (最大干密度*要求压实度97%)混合料总量:6172(V* P d)水泥:370(6172*6%)中砂:2321(6172*%)碎石:3481(6172*%)水:185 {6172*(%%)四、弯沉值A*2*(10/)=A*已知弯沉值:黄河(10t)中湿:254 干燥:200东风()中湿:186 干燥:146(中湿:254÷=186)五、计算工程量:1、沥青面层:马歇尔标准密度: T/m3 (kg/cm3)整个工程量:沥青砼(体积) = 长9628m * 宽11m * 高总重量 = 体积 * : T/m3矿料总重 = 总重量 - 总重量 * %(沥青用量) 各矿料米数(m3)20~40 (40%)碎石方数 = 矿料总重 * 40%÷ (密度)10~20 ………..2、石灰土: 4%石灰土、6%水泥综合稳定土长 * 宽 * 高 * 压实度体积:100m * * * % = 181 m3密度: T/m3 = (kg/cm3)总质量:181 * = 330 T石灰重:330 * 4% = 吨水泥重:330 * 6% = 19吨19000kg ÷ 50kg = 380袋3、桥涵工程量:已知:盖板涵一侧墙身: * * = 18m3砂密度:1540 kg/cm3 碎石密度:1560 kg/cm3每立方米砼配合比(kg)水泥:砂:碎石:水 = 372:611:1242:175 求:该墙身所用种料的方数:水泥:18 m3*372=6696 kg中砂:18 m3*611=10998 kg 10998÷1540= m3碎石:18 m3*1242=22356 kg 22356÷1560= m3水: 18 m3*175=3150 kg4、涵底标高:左侧上游、右侧下游、涵底标高、左右侧涵长、纵坡%左侧涵底标高: + * % =右侧涵底标高: - * % =六、钢筋:直径:28mm 长度:480mm(10d+200mm)标距:280mm截面积mm2: mm2(兀R2= m2 )屈服:233 屈服点:380(233÷ m2)尾数取0或5极限:336 拉伸强度:545(336÷ m2)断后标距:353 伸长率:26% {353 -(280÷280)} 弯心直径: 84(3 * d)弯曲角度:1800单面搭接焊:10d+200 mm 双面搭接焊:5d+200 mm单面搭接焊:5d+l h mm双面搭接焊:8d+ l h mm。
堆积密度、表观密度(g/cm3)(基层、最大干密度(g/cm3)、最佳含水量(%)土的最大干密度(g/cm3)、最佳含水量(%)风化砂的最大干密度(g/cm3)、最佳含水量(%)一、击实试验测出料的本身含水量:8%试样重:(湿土重)3000*(1+8%)=3240 kg加水:10% 12% 14% 16%3000*(10%-8%)=60 ml干土* 含水量之差二、液塑限试验?特黄粘土:液限:w L= 塑限:w P= 塑性指数:I P=黄粘土:液限:w L= 塑限:w P= 塑性指数:I P=黄粉砂:液限:w L= 塑限:w P= 塑性指数:I P=黑粘土:液限:w L= 塑限:w P= 塑性指数:I P=黑粉砂:液限:w L= 塑限:w P= 塑性指数:I P=三、:四、基层无侧限成型:已知:混合料配合比(外掺)水泥6%;碎石60%;中砂40%(内掺)水泥6%;碎石%;中砂%最大干密度:cm3最佳含水量:%料的本身含水量:%试件体积:V=2651(兀R2*15)最大干密度P d= (最大干密度*要求压实度97%)混合料总量:6172(V* P d)水泥:370(6172*6%)中砂:2321(6172*%)碎石:3481(6172*%)…水:185 {6172*(%%)五、弯沉值A*2*(10/)=A*已知弯沉值:黄河(10t)中湿:254 干燥:200东风()中湿:186 干燥:146(中湿:254÷=186)六、计算工程量:1、沥青面层:马歇尔标准密度:T/m3 (kg/cm3)整个工程量:)沥青砼(体积) = 长9628m * 宽11m * 高总重量= 体积* :T/m3矿料总重= 总重量- 总重量* %(沥青用量)各矿料米数(m3)20~40 (40%)碎石方数= 矿料总重* 40%÷(密度)10~20 ………..2、石灰土:4%石灰土、6%水泥综合稳定土长* 宽* 高* 压实度体积:100m * * * % = 181 m3密度:T/m3 = (kg/cm3)^总质量:181 * = 330 T石灰重:330 * 4% = 吨水泥重:330 * 6% = 19吨19000kg ÷50kg = 380袋3、桥涵工程量:已知:盖板涵一侧墙身:* * = 18m3砂密度:1540 kg/cm3 碎石密度:1560 kg/cm3每立方米砼配合比(kg)水泥:砂:碎石:水= 372:611:1242:175求:该墙身所用种料的方数:水泥:18 m3*372=6696 kg中砂:18 m3*611=10998 kg 10998÷1540= m3碎石:18 m3*1242=22356 kg 22356÷1560= m3水:18 m3*175=3150 kg4、涵底标高:左侧上游、右侧下游、涵底标高、左右侧涵长、纵坡%左侧涵底标高:+ * % =右侧涵底标高:- * % =七、钢筋:直径:28mm 长度:480mm(10d+200mm)标距:280mm 截面积mm2:mm2(兀R2= m2 )屈服:233 屈服点:380(233÷m2)尾数取0或5极限:336 拉伸强度:545(336÷m2)断后标距:353 伸长率:26% {353 -(280÷280)}弯心直径:84(3 * d)弯曲角度:1800单面搭接焊:10d+200 mm 双面搭接焊:5d+200 mm单面搭接焊:5d+l h mm双面搭接焊:8d+ l h mm。
检验名称:碎石的表观密度试验方法(简易法)
试验依据:JGJ52-2006《普通混凝土用砂、石质量及检验方法标准》主要仪器:1、秤;2、烘箱;3、广口瓶;4、试验筛;5、毛巾、刷子。
注意事项:1、试验前,筛除小于5.00mm的颗粒,缩分至略大于3kg 的量两份。
洗干净后,分成两份备用。
2、检查仪器是否正常运行。
3、做完试验清理工作台。
试验步骤:1、称取两份所需量。
2、将试样浸水饱和,然后装入广口瓶中。
装试样时,
广口瓶应倾斜放置,注入饮用水,用玻璃片覆盖瓶
口,以上下左右摇晃的方法排除气泡。
3、气泡排尽后,向瓶中添加饮用水直至水面凸出瓶口
边缘。
然后用玻璃片沿瓶口迅速滑行,使其紧贴瓶
口水面。
擦干瓶外水分后,称取试样、水、瓶和玻
璃片总质量(m1)。
4、将瓶中的试样倒入浅盘中,放在(105土5)℃的
烘箱中烘干至恒重;称取,放在带盖的容器中冷却
至室温后称取质量(m0)。
5、将瓶洗净,重新注入饮用水,用玻璃片紧贴瓶口水
面,擦干瓶外水分后称取质量(m2)。
计算方式:1、表观密度(标准法)应按下式计算,精确至10kg/m3:ρ=( m0/m0+m2-m1)-αt×1000
式中:ρ——表观密度(kg/m3)
m0——试样的烘干质量(g)
m1——试样、水及容量瓶总质量(g)
m2——水及容量瓶总质量(g)
αt——水温对砂的表观密度影响的修正系数。
试验结果:1、以两个试验结果的算术平均值作为测定值。
2、当两次结果之差大于20kg/m3时,应重新取样进行试
验。
堆积密度、表观密度(g/cm3)基层、最大干密度(g/cm3)、最佳含水量(%)土的最大干密度(g/cm3)、最佳含水量(%)风化砂的最大干密度(g/cm3)、最佳含水量(%)一、击实试验测出料的本身含水量:8%试样重:(湿土重)3000*(1+8%)=3240 kg加水:10% 12% 14% 16%3000*(10%-8%)=60 ml干土* 含水量之差二、液塑限试验特黄粘土:液限:w L=33.0 塑限:w P= 21.0 塑性指数:I P=12.0 黄粘土:液限:w L=35.9 塑限:w P= 22.5 塑性指数:I P=13.4 黄粉砂:液限:w L=23.2 塑限:w P= 16.3 塑性指数:I P=6.9 黑粘土:液限:w L=37.9 塑限:w P= 23.5 塑性指数:I P=14.4 黑粉砂:液限:w L=20.5 塑限:w P= 16.5 塑性指数:I P=4.0 三、基层无侧限成型:已知:混合料配合比(外掺)水泥6%;碎石60%;中砂40%(内掺)水泥6%;碎石56.4%;中砂37.6% 最大干密度:2.40g/cm3最佳含水量:4.5%料的本身含水量:1.5%试件体积:V=2651(兀R2*15)最大干密度P d=2.328 (最大干密度2.40*要求压实度97%)混合料总量:6172(V* P d)水泥:370(6172*6%)中砂:2321(6172*37.6%)碎石:3481(6172*56.4%)水:185 {6172*(4.5%-1.5%)四、弯沉值A*2*(10/6.96)0.87=A*1.37已知弯沉值:黄河(10t)中湿:254 干燥:200东风(6.93)中湿:186 干燥:146(中湿:254÷1.37=186)五、计算工程量:1、沥青面层:马歇尔标准密度:2.39 T/m3 (kg/cm3)整个工程量:沥青砼(体积) = 长9628m * 宽11m * 高0.05m总重量= 体积* :2.39 T/m3矿料总重= 总重量- 总重量* 5.5%(沥青用量) 各矿料米数(m3)20~40 (40%)碎石方数= 矿料总重* 40%÷1.56 (密度)10~20 ………..2、石灰土:4%石灰土、6%水泥综合稳定土长* 宽* 高* 压实度体积:100m * 9.5m * 0.2m * 0.95% = 181 m3密度:1.77 T/m3 = 1.77(kg/cm3)总质量:181 * 1.77 = 330 T石灰重:330 * 4% = 12.8 吨水泥重:330 * 6% = 19吨19000kg ÷50kg = 380袋3、桥涵工程量:已知:盖板涵一侧墙身:12.5m * 1.8m * 0.8m = 18m3砂密度:1540 kg/cm3 碎石密度:1560 kg/cm3每立方米砼配合比(kg)水泥:砂:碎石:水= 372:611:1242:175 求:该墙身所用种料的方数:水泥:18 m3*372=6696 kg中砂:18 m3*611=10998 kg 10998÷1540=7.14 m3碎石:18 m3*1242=22356 kg 22356÷1560=14.33 m3水:18 m3*175=3150 kg4、涵底标高:左侧上游、右侧下游、涵底标高118.60、左右侧涵长5.9、纵坡1.5% 左侧涵底标高:118.60 + 5.9 * 1.5% = 118.689右侧涵底标高:118.60 - 5.9 * 1.5% = 118.512六、钢筋:直径:28mm 长度:480mm(10d+200mm)标距:280mm截面积mm2:615.75 mm2(兀R2=0.61575 m2 )屈服:233 屈服点:380(233÷0.61575 m2)尾数取0或5 极限:336 拉伸强度:545(336÷0.61575 m2)断后标距:353 伸长率:26% {353 -(280÷280)}弯心直径: 84(3 * d)弯曲角度:1800单面搭接焊:10d+200 mm 双面搭接焊:5d+200 mm单面搭接焊:5d+l h mm双面搭接焊:8d+ l h mm。
碎石的表观密度计算方法
碎石的表观密度咋算呢?嘿,其实不难!先把碎石烘得干干的,称出它在空气中的重量,这就像给碎石来个“体检”,先知道它的基本“体重”。
然后把碎石放进水里,看看它排开多少水,这就好比碎石在水里“泡澡”,通过排开的水的体积就能算出碎石的体积。
接着用空气中的重量除以体积,不就得到表观密度啦!
在这个过程中安全不?那必须安全呀!只要你小心操作,别把碎石弄得到处都是,也别让水洒得到处都是,就没啥问题。
稳定性呢?只要你测量准确,结果就会很稳定。
那这表观密度计算有啥用呢?应用场景可多啦!比如在建筑工程中,知道碎石的表观密度,就能更好地设计混凝土的配合比,就像厨师知道各种食材的比例才能做出美味佳肴一样。
优势也不少呢!可以让工程更科学,质量更有保障。
我给你说个实际案例哈。
有个建筑工地,之前不知道碎石的表观密度,结果混凝土的强度不够。
后来一测量,调整了配合比,哇塞,那质量杠杠的!
所以呀,碎石的表观密度计算真的很重要,大家一定要重视起来哦!。
堆积密度、表观密度(g/cm3)基层、最大干密度(g/cm3)、最佳含水量(%)土的最大干密度(g/cm)、最佳含水量(%)风化砂的最大干密度(g/cm3)、最佳含水量(%)液限:w L=33.0塑限:w P=21.0塑性指数:I P=12.0黄粘土:液限:w L=35.9塑限:w P=22.5塑性指数:I P=13.4黄粉砂:液限:w L=23.2塑限:w P=16.3塑性指数:I P=6.9黑粘土:液限:w L=37.9塑限:w P=23.5塑性指数:I P=14.4黑粉砂:液限:w L=20.5塑限:w P=16.5塑性指数:I P=4.0 三、基层无侧限成型:四、东风(6.93)中湿:186干燥:146(中湿:254÷1.37=186)五、计算工程量:1、沥青面层:马歇尔标准密度:2.39T/m3(kg/cm3)整个工程量:沥青砼(体积)=长9628m*宽11m*高0.05m总重量=体积*:2.39T/m3矿料总重=总重量-总重量*5.5%(沥青用量)各矿料米数(m3)2水泥:砂:碎石:水=372:611:1242:175 求:该墙身所用种料的方数:水泥:18m3*372=6696kg中砂:18m3*611=10998kg10998÷1540=7.14m3碎石:18m3*1242=22356kg22356÷1560=14.33m3水:18m3*175=3150kg4、涵底标高:左侧上游、右侧下游、涵底标高118.60、左右侧涵长5.9、纵坡1.5% 左侧涵底标高:118.60+5.9*1.5%=118.689右侧涵底标高:118.60-5.9*1.5%=118.512六、。
筛孔尺寸(mm )16筛余质量(g )分计筛余(%)累计筛余(%)125.6126.8123.5127.8124.0 1.2050.1×50.3×50.125102510251025102520规格种类 委托编号 委托日期 试验日期粗骨料试验记录(三)试样编号 记录编号 样品产地 代表数量 50.1×50.1×50.250.0×50.2×50.350.1×50.1×50.050.0×50.2×50.24.75(14) 颗粒级配9075635337.531.526.5199.550.1×50.2×50.12515326105129.7126315241318267310056320873312369试件尺寸(mm )试件的截面积A (mm 2)破坏荷载F (N )岩石抗压强度f (MPa )单块值平均值(13) 岩石抗压强度试样质量m 0(g )压碎试验后筛余的试样质量m 1(g )压碎指标值δa (%)δa =[(m 0-m 1)/m 0]×100平 均 值(12) 压碎指标值(11) 有机物含量判定试样数量(m L )加3%NaOH 溶液时间标准溶液配制时间比较时间比较结(10) 三氧化硫含量粉磨试样质量m (g )坩埚质量m 1(g )800℃灼烧30min 后沉淀物与坩埚质量m 2(g )三氧化硫含量ωSO3(%)ωSO3=[(m 2-m 1)×0.343/m ]×10013801390380 1.0013791391380(9) 吸水率烘干试样与盘质量m 1(g )烘干前饱和面干试样与盘质量m 2(g )盘质量m 3(g )吸水率ωw a (%)ωwa =[(m 2-m 1)/(m 1-m 3)]×100单个值试验计算复核 监理见证(MPa)%)%)[(m2-m1×100。
检验名称:碎石的表观密度试验方法(简易法)
试验依据:JGJ52-2006《普通混凝土用砂、石质量及检验方法标准》主要仪器:1、秤;2、烘箱;3、广口瓶;4、试验筛;5、毛巾、刷子。
注意事项:1、试验前,筛除小于5.00mm的颗粒,缩分至略大于3kg 的量两份。
洗干净后,分成两份备用。
2、检查仪器是否正常运行。
3、做完试验清理工作台。
试验步骤:1、称取两份所需量。
2、将试样浸水饱和,然后装入广口瓶中。
装试样时,
广口瓶应倾斜放置,注入饮用水,用玻璃片覆盖瓶
口,以上下左右摇晃的方法排除气泡。
3、气泡排尽后,向瓶中添加饮用水直至水面凸出瓶口
边缘。
然后用玻璃片沿瓶口迅速滑行,使其紧贴瓶
口水面。
擦干瓶外水分后,称取试样、水、瓶和玻
璃片总质量(m1)。
4、将瓶中的试样倒入浅盘中,放在(105土5)℃的
烘箱中烘干至恒重;称取,放在带盖的容器中冷却
至室温后称取质量(m0)。
5、将瓶洗净,重新注入饮用水,用玻璃片紧贴瓶口水
面,擦干瓶外水分后称取质量(m2)。
计算方式:1、表观密度(标准法)应按下式计算,精确至10kg/m3:ρ=( m0/m0+m2-m1)-αt×1000
式中:ρ——表观密度(kg/m3)
m0——试样的烘干质量(g)
m1——试样、水及容量瓶总质量(g)
m2——水及容量瓶总质量(g)
αt——水温对砂的表观密度影响的修正系数。
试验结果:1、以两个试验结果的算术平均值作为测定值。
2、当两次结果之差大于20kg/m3时,应重新取样进行试
验。