铁路路基施工检查要点
- 格式:doc
- 大小:133.50 KB
- 文档页数:17
铁路施工要点铁路是现代交通系统中不可或缺的一部分,它连接了城市与城市、人与人之间的联系。
为了确保铁路的安全和高效运营,施工过程中需要遵循一系列要点。
本文将探讨铁路施工的关键要点,并从不同角度进行分析。
一、前期准备工作在进行铁路施工之前,必须进行充分的前期准备工作。
这包括勘测、设计、规划等环节。
勘测是为了确定铁路线路的走向和地形状况,以便进行合理的设计。
设计则包括路基、桥梁、隧道等各个部分的设计,确保其结构稳固、安全可靠。
规划则是考虑到未来的发展需求,合理安排线路的走向和站点的设置。
二、施工队伍的组织与管理施工过程中,一个高效的施工队伍是至关重要的。
施工队伍的组织与管理需要考虑到人员的合理配置、工作任务的分工以及施工进度的控制。
同时,还需要保证施工人员的安全意识和技术水平,提供必要的培训和装备,确保施工过程中的安全和质量。
三、材料的选择与采购铁路施工过程中需要大量的材料,包括钢材、混凝土、沥青等。
材料的选择与采购需要考虑到质量、价格、供应等因素。
质量是首要考虑的因素,必须选择符合标准的材料,以确保施工的安全和可靠性。
价格和供应则需要进行充分的市场调研和比较,以获得最优的采购方案。
四、施工过程中的安全措施铁路施工是一项高风险的工作,因此必须采取一系列的安全措施。
这包括施工现场的围栏设置、安全标识的标示、人员的安全教育和培训等。
同时,还需要合理规划施工进度,避免施工过程中的交叉作业和冲突,确保施工的安全和顺利进行。
五、环境保护与生态恢复铁路施工对周围环境会产生一定的影响,因此需要采取一系列的环境保护措施。
这包括施工现场的垃圾分类和处理、施工过程中的噪音和振动控制、施工后的生态恢复等。
同时,还需要与相关部门进行密切合作,确保施工过程中的环境影响最小化。
六、施工质量的控制与检验铁路施工质量的控制与检验是确保施工质量的重要环节。
需要建立一套完善的质量管理体系,包括施工过程中的质量控制和施工后的质量检验。
质量控制需要对施工过程中的各个环节进行监督和检查,确保施工符合设计要求。
路基工程试验监理要点第一节基本要求1、本城际轨道交通项目铁路路基工程施工现场质量管理应有相应的技术标准、健全的质量管理体系和施工质量检验制度。
2、路基工程采用的主要材料、半成品、配件、设备,施工单位应对其外观、规格、型号和质量证明文件等进行现场验收,并经监理工程师检查认可。
凡涉及结构安全和使用功能的,施工单位应按规定进行平行检验或见证取样检测。
3、涉及结构安全的试块、试件和现场检验项目,监理单位应按规定进行平行检验、见证取样检验或见证检验。
4、对涉及结构安全和使用功能的工程部位应进行抽样检测。
5、检验批的质量验收应包括以下内容:A实物检查a、对原材料、构配件和设备等的检验,应按进场的批次和产品的抽样检验方案执行。
b、对混凝土性能指标的检验,应按国家现行有关标准和《客运专线铁路路基工程施工质量验收暂行标准》规定的抽样检验方案执行。
c、对路基处理效果、路基填筑压实质量,应按《客运专线铁路路基工程施工质量验收暂行标准》规定的抽样检验方案执行。
B、资料检查包括原材料、构配件等的质量证明文件,(质量合格证、规格、型号及性能检测报告等)和抽样检验报告、施工过程中重要工序的自检和交接检验记录、平行检验报告、见证取样检测报告等。
第二节地基处理一、原地面处理1、原地面处理前,应对地基地质资料进行核查,检验方法采用静力触探试验或事先经监理工程师同意后采用轻型动力触探。
2、检验数量:施工单位沿线路纵向每100m检验2点,监理单位100%见证检验,勘察设计单位现场确认。
3、路堤地基条件应符合设计文件,当不符合时,应及时反馈。
二、换填1、换填所用的材料应符合设计要求。
换填中粗砂或碎石的检验、换填普通填料及物理改良土的检验、换填化学改良土的检验应符合《客运专线铁路路基工程施工质量验收暂行标准》的规定。
2、分层压实质量应符合设计要求和《客运专线铁路路基工程施工质量验收暂行标准》的相关规定。
三、砂、碎石垫层1、施工前应进行压实工艺试验,确定施工参数,并报小水监理分站和监理总站确认。
试析铁路路基填筑施工质量控制要点铁路路基填筑施工是保障铁路线路安全和稳定运营的重要工作,其质量控制关系到铁路的可靠性和服务水平。
为此,本文将从施工准备、施工过程和施工验收三个方面,分析铁路路基填筑施工质量控制的要点。
一、施工准备阶段施工准备工作是确保施工质量控制的关键环节,包括项目设计评审、材料准备和人员培训等。
首先,需要对项目设计方案进行全面评审,确保施工方案与设计要求相符合。
其次,应做好材料的采购和检验工作,确保填筑材料的质量符合标准要求。
同时,为了保证施工人员的专业素质,应进行相关人员的培训,提高其施工技能和质量控制意识。
二、施工过程控制施工过程控制是实现铁路路基填筑质量控制的具体手段,主要包括挖填基础、填筑土方和压实等环节。
首先,在挖填基础阶段,应控制挖填基面的平整度和坡度,确保基面符合设计要求。
其次,在填筑土方过程中,应注意填筑均匀、连续,避免出现夯实不密实、松散等问题。
最后,在压实阶段,应采取合适的压实设备和方法,确保土方达到设计要求的密实度。
三、施工验收控制施工验收是铁路路基填筑质量控制的最后一道关卡,需要严格按照工程验收标准进行检查和评估。
首先,应对填筑土方进行取样检测,检验土方的密实度、含水率等指标是否符合要求。
其次,应对挖填基面进行测量和检查,确认基面的平整度和坡度是否合格。
最后,还需对压实工艺进行检查,确保土方的密实度满足工程要求。
在铁路路基填筑施工质量控制过程中,需要注重以下几个关键要点。
首先,要加强项目经理的质量控制意识,严格按照设计要求和施工规范进行操作。
其次,要进行现场质量管理,定期进行检查和评估,发现问题及时整改。
最后,要注重施工技术的创新和引进,不断提高施工质量和效率。
总之,铁路路基填筑施工质量控制是确保铁路线路安全和稳定运营的重要环节。
通过施工准备、施工过程和施工验收三个阶段的控制,能够有效提高施工质量,保障铁路的可靠性和服务水平。
铁路施工现场安全检查施工现场安全卡控是安全监督检查的重点,也是施工得以安全、平稳推进的基础,大部分施工安全事故均发生在卡控环节上。
一、施工负责人施工负责人由施工单位按照施工等级安排相应人员担当。
(1)建设项目Ⅰ级施工由标段项目负责人担当,Ⅱ级施工由标段副职担当,Ⅲ级施工由分项目负责人(副)担当。
(2)技术改造、大中修项目Ⅰ级施工由施工单位负责人担当,Ⅱ级施工由施工单位分管副职担当,Ⅲ级施工由施工单位段领导或车间主任(副主任)担当。
(3)施工配合人员资格要求:①Ⅰ、Ⅱ级施工主体专业配合单位由分管副职及以上人员担当施工配合负责人,其他专业配合单位根据施工涉及本专业相关内容指定胜任人员担当施工配合负责人。
②Ⅲ级施工各配合单位根据施工涉及本专业相关内容指定胜任人员担当施工配合负责人。
(4)维修的组织领导工作由设备管理单位负责。
Ⅰ级维修负责人由车间主任(副)担当(Ⅰ级维修较多时,车间主任可委托车间干部担当),Ⅱ级维修负责人由工(班)长担当。
施工现场为两个及以上施工单位综合利用天窗作业时,由运输部门负责综合施工(维修)计划,并指定主体单位,明确主体施工(维修)负责人。
主体施工(维修)负责人负责协调各单位施工组织,各单位必须服从主体施工(维修)负责人指挥,按时完成施工和维修任务,确保达到规定的列车放行条件。
两个及以上单位作业车进入同一个区间移动作业时,由主体施工(维修)负责人统一划分各单位作业车作业范围及分界点,作业单位必须按规定分别进行防护。
现场检查时,主要查施工负责人是否佩戴相应的标识,是否在施工现场进行施工组织指挥工作。
是否检查施工和开通前的各项准备工作、安排施工防护、确认放行列车条件等。
是否协调解决施工中发生的问题,协调各单位施工作业,掌握施工进度,反馈现场信息,及时向施工协调小组汇报施工情况。
是否总结分析施工组织、进度和安全等情况。
二、施工“三会”施工组织管理实行“施工协调会、施工准备会、施工总结会”制度。
铁路路基工程施工质量验收标准一、总则铁路路基工程是铁路运输系统的基础工程,其施工质量直接影响到铁路线路的安全运行和服务水平。
为了有效监督和控制铁路路基工程的施工质量,制定本验收标准,对铁路路基工程的施工质量进行验收。
二、验收依据1.国家相关法律法规和标准;2.工程设计文件;3.施工合同;4.施工组织设计;5.施工方案及相关技术规范;6.施工现场检测记录;7.监理机构验收意见;8.其他相关施工资料。
三、验收内容1.路基开挖(1)开挖范围符合设计要求;(2)开挖过程中遇到的地质情况与设计相符;(3)开挖过程中是否出现开挖失稳、坍塌等安全问题;(4)开挖后的路基平整度和坡度是否符合设计要求;(5)开挖后的路基土质是否符合设计要求。
2.路基填筑(1)填筑土质符合设计要求;(2)填筑土方量是否达到设计要求;(3)填筑土方压实度是否符合要求;(4)填筑后的路基平整度和坡度是否符合设计要求;(5)填筑过程中是否出现掺杂杂质等问题。
3.路基防护(1)路基防护结构是否按设计要求施工;(2)防护结构的厚度和坡度是否符合设计要求;(3)防护结构的材料是否符合要求;(4)防护结构的施工质量是否达标。
4.排水设施(1)排水设施的设计是否符合要求;(2)排水设施的施工质量是否符合标准;(3)排水设施的通畅性和排水效果是否满足要求;(4)排水设施的排放口设置是否合理。
5.边坡护面(1)护面材料是否符合设计要求;(2)边坡护面的坡度和平整度是否符合设计要求;(3)护面的固定和连接是否牢固;(4)护面的外观质量是否合格。
6.其他验收内容(1)工程施工单位的资质和人员素质是否符合要求;(2)工程施工单位的施工设备是否合格;(3)工程施工单位的安全生产管理是否到位;(4)其他需要验收的内容。
四、验收方法1.定期验收:根据工程进度和施工计划,进行定期验收,对每个施工阶段的质量进行检查和验收。
2.临时验收:在施工过程中,发现重大问题或需要调整时进行临时验收。
铁路路基工程施工质量验收铁路路基工程是铁路建设中的重要组成部分,其施工质量的优劣直接影响到铁路线路的安全、稳定和舒适性。
为了确保铁路路基工程的施工质量,我国制定了一系列的验收标准,本文将结合《铁路路基工程施工质量验收标准》(TB10414-2018)进行解析。
一、验收标准概述《铁路路基工程施工质量验收标准》(TB10414-2018)是针对新建和改建设计速度为200km/h及以下铁路路基工程施工质量的验收标准。
该标准于2018年11月12日发布,并于2019年2月1日起实施。
适用于铁路路基工程的施工质量验收,包括土方工程、石方工程、排水工程、防护工程、加固工程等。
二、验收标准内容1. 土方工程土方工程是铁路路基工程的重要组成部分,主要包括填方和挖方。
验收标准要求填方土质应符合设计要求,土质分层填筑,分层压实,压实度应达到规定要求。
挖方区应进行边坡稳定处理,确保边坡稳定。
2. 石方工程石方工程主要包括石方开挖、石方爆破、石方砌筑等。
验收标准要求石方开挖应符合设计要求,石方爆破应保证周围设施的安全,石方砌筑应牢固、平整。
3. 排水工程排水工程是保证铁路路基工程稳定的重要环节。
验收标准要求排水设施应设置合理,排水管道应畅通,排水出口应符合设计要求。
4. 防护工程防护工程是为了防止铁路路基工程受到自然因素的影响而设置的。
验收标准要求防护设施应设置合理,防护材料应符合设计要求,防护工程应达到设计效果。
5. 加固工程加固工程是为了提高铁路路基工程的稳定性和承载能力而进行的。
验收标准要求加固措施应符合设计要求,加固材料应符合规定,加固工程应达到设计要求。
三、验收程序铁路路基工程施工质量验收程序分为施工单位自检、监理单位验收、建设单位抽检三个环节。
施工单位自检是指施工单位在工程完成后进行的自我检查,监理单位验收是指监理单位对施工单位的工程进行检查、评定,建设单位抽检是指建设单位对监理单位的验收结果进行抽检。
四、总结铁路路基工程施工质量验收是保证铁路路基工程安全、稳定和舒适性的重要环节。
铁路路基填筑验收标准、填筑要求及控制要点《路基填筑验收标准、填筑要求及控制要点》一、路基填筑验收标准1、路基填料1)、基床底层:普通填料最大粒径不大于60mm。
2)、基床以下路堤:最大粒径小于75mm。
检验数量:1×104m3检验一次填料粒径,颗粒级配及细粒土含量。
监理平行检验10%平行检验,且同一土源不少于1次,最大干密度最优含水率。
3)、基床表层:非过渡地段掺入3%水泥,过渡段基床表层掺5%水泥,检验数量:5000m3检1次级配,10%平检。
4)、过渡段:基床底层范围内掺3%水泥(分过渡段方式),表层:5%水泥检验数量:2000m3检1次级配,10%平检。
2、填料压实标准,控制指标1)、基床以下路堤:检测指标:K30、K检验数量:K30≥110(细)130(粗)K≥0.92每层检K6点;每填高约90cm检K304点。
2)、基床底层,检测指标:K30、Evd、K检验数量:K30≥130(细)150(粗)Evd≥40 K≥0.95 每层检K6点,边线1m处左右各2点,中间2点;每填高约90cm,检Evd、K30各4点,边线2m各1点,中间2点。
3)、基床表层:K30、Evd、K检验数量:K30≥190 Evd≥55 K≥0.97 每层检Evd、K各6点,边线1.5处左右各2点,中间2点;每层检K30 4点,边线1.5m处左右各1点,中间2点。
4)、过渡段:K30、Evd、K检验数量:K30≥150 Evd≥50、K≥0.95 每层检K3点,边线1m左右各1点,中间1点;每填高约30cm检Evd 3点,中间1点,靠近桥台边缘2点;每填高约60cm检K30 2点,边线2m处左右各1点。
3、施工要求和注意事项1)、尽量避免雨天施工,合理安排施工工序。
2)、各正式填筑前,根据不同填料和机械情况进行填筑压实试验段,确定合理的铺填厚度,碾压遍数和填筑工艺,确保满足设计要求的压实标准,不少于3个检验批验收合格后,方可确定大面积施工的工艺参数。
铁路工程施工质量控制要点及措施一、路基工程.基床以下路堤填筑关键工序的监控①填料选择基床以下路堤填料选用、组填料和组碎石、砾石类填料,其粒径级配应符合压实性能要求;当采用组细粒土填料时,应根据填料性质进行改良,同时采取边坡加筋、坡面防护等加固措施。
浸水地段路基浸水部分应采用渗水土填筑。
路基压实标准:路基基床以下路堤填料压实标准按照现行《铁路路基工程施工质量验收标准》。
施工前,对设计取土场的填料进行核对确认,当实际使用填料不符合规定和要求时,应及时予以纠正,采用改良土或另选取土场取土填筑,填筑前应按设计提供的配比进行室内试验,确定施工配合比,物理改良土的施工配合比应保证混合料的压实质量达到设计要求,化学改良土的配合比应保证混合料的无侧限抗压强度能达到设计要求。
②路堤填筑前应按设计要求对基底或处理后的地基面进行检查,选择试验段做摊铺压实性试验,确定施工工艺参数,并报监理和相关单位确认。
路基填筑是路基工程中最主要的部分,监理按照三阶段(准备、施工、整形验收),四区段(填筑、平整、碾压、检测),八流程(施工准备、基底处理、分层填筑、摊铺平整、洒水或晾晒、机械碾压、检验签证、路基整形)进行控制。
③分层填筑。
检查填筑方法。
应确定区段长度;采取横断面全宽、纵向分层、两边向中心填筑。
检查现场填料。
抽样检验,检查施工方试验结果,并每填筑万方做一组平行检验。
每层检查铺土宽度。
根据边桩每边应加宽。
检查填料分布。
每一填筑层全宽要用同一种类及条件的填料。
每一种填料压实累计总厚度不小于。
检查土工格栅的铺设质量,包括铺设宽度、搭接宽度和固定质量。
控制虚铺厚度、检测土料粒径;铺设厚后,督促、检查沉降观测标的设置。
④摊铺平整。
检查和控制卸土,要求卸土均匀,不能集中。
应根据车容量计算卸土间距。
要求用石灰划横向中线分开纵向的方格网,根据计算控制格内卸土车数。
检查平整度、厚度和横坡。
推土机推平时,要求先中间后两头。
沿纵向保持中间高两边低。
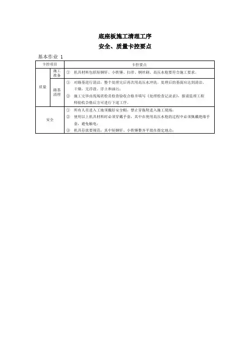
底座板施工清理工序安全、质量卡控要点基本作业 1安全、质量卡控要点基本作业 2 上道工序:基面清理钢筋加工、安装允许偏差安全、质量卡控要点基本作业 3 上道工序:钢筋绑扎底座模板安装允许偏差底座板混凝土浇筑工序施工安全、质量卡控要点基本作业 4 上道工序:模板安装底座及凹槽外形尺寸允许偏差表底座板混凝土养护工序施工安全、质量卡控要点基本作业 5 上道工序:混凝土浇筑混凝土保温保湿养护的最低期限道床板钢筋绑扎工序施工安全、质量卡控要点轨排组装工序施工安全、质量卡控要点基本作业7 上道工序:道床板底层钢筋绑扎轨排组装架设允许偏差道床板模板安装工序施工安全、质量卡控要点基本作业8 上道工序:上层钢筋绑扎轨排调整工序施工安全、质量卡控要点基本作业 9 上道工序:模板安装道床板混凝土浇筑工序施工安全、质量卡控要点基本作业 10 上道工序:轨道精调道床板混凝土养护工序施工安全、质量卡控要点基本作业 11 上道工序:道床板混凝土浇筑混凝土保温保湿养护的最低期支承层导线或模板边线放样工序施工安全、质量卡控要点支承层混合料的配置和运输安全、质量卡控要点基本作业 13 上道工序:导线或模板边线放样支承层滑模施工安全、质量卡控要点基本作业 14 上道工序:导线放样支承层外形尺寸允许偏差及检验方法支承层模板安装工序施工安全、质量卡控要点基本作业 15 上道工序:模板边线放样支承层模板安装允许偏差支承层模筑法施工安全、质量卡控要点基本作业 16 上道工序:模板安装支承层外形尺寸允许偏差及检验方法支持层混凝土养护工序施工安全、质量卡控要点基本作业 17 上道工序:混凝土浇筑混凝土保温保湿养护的最低期限支承层假缝施工安全、质量卡控要点基本作业 18 上道工序:混凝土浇筑支承层端梁施工安全、质量卡控要点基本作业 19 上道工序:模板安装施工(注:本资料素材和资料部分来自网络,供参考。
请预览后才下载,期待你的好评与关注!)。
铁路红线检查要点参考一、质量安全红线细则、宣贯及实施(一)细则检查质量安全红线实施细则相关内容,明确责任及分工,“五定、三统一、一查处”内容及落实情况;1、五定”,即定人、定期、定岗、定责、定点。
现场质量安全检查必须明确检查人、检查频次、检查工点、检查责任、检查时段,突出不事先通知的突击检查,突出管理薄弱的质量安全关键环节检查。
铁路局集团公司分管建设副总经理和铁路公司主要负责人要每月组织设计、施工、监理单位深入施工现场,加强日常检查,对复杂地质条件的隧道、路基、桥梁等质量安全薄弱地段开展重点检查、专项检查、突击检查。
2、“三统一”,即统一部署、统一检查、统一记录分析。
建设单位每月要统一部署建设项目检查重点,组织设计、施工、监理单位有关负责人员、工程技术管理人员,按要求统一开展检查活动,实现全员、全面、全过程的检查。
检查时要一并检查《铁路建设项目工程质量管理办法》规定的质量“五条红线”(结构物沉降评估达标、桥梁收缩徐变达标、锁定轨温达标、联调联试达标、工序达标)落实情况,发现违反质量“五条红线”的问题,按《铁路建设项目施工企业信用评价办法》等规定处理。
建设单位要对现场检查情况组织检查人员汇总分析,并做好统一的记录,找出主要问题和原因,制定措施,举一反三,狠抓落实。
3、“一查处”,即严肃查处。
针对检查发现的问题,要组织专门的分析研究,查清问题的真正原因,依据本单位的规定对责任施工、监理、检测等单位进行处理。
其中情节恶劣的,建设单位要向总公司提出对责任单位的进一步处理建议。
(二)红线管理培训、学习、宣贯资料,承诺书签订1、宣贯资料齐全:通知、签到、培训课件、培训照片、试卷、成绩单齐全;2、宣贯人员全面:项目部管理人员宣贯到部员、施工队伍宣贯到作业工人,并结合工人的工种有针对性的宣贯培训;3、红线管理规定宣贯培训应纳入项目年度教育培训计划,并按期开展。
在检查中发现质量安全一般问题出现显著增多或红线问题出现较多时,要加大红线管理规定宣贯培训频次;对新进场的劳务工人或转岗的劳务工人要进行宣贯培训,考试合格后方可上岗;(三)红线管理承诺书全员签订红线管理承诺书,承诺书中内容要体现质量红线保证措施。
1 路基地基处理工程1.1 原地面处理(客专验标4.1.4,4.1.5,4.1.6 条)查看设计文件,抽查现场地表清理、地质资料核对、施工资料(施工日志、监理日记、检验批资料),抽检原地面处理质量(采用检测设备进行实体检测)。
(1)开挖后原地面和设计文件核对状况,是否按设计要求进行力学检测,每100 米不少于2 点;须要勘察设计单位进行现场确认的应有书面确认资料。
(2)路堤高度小于 2.5 米时原地面压实度符合路基压实度标准,路堤高度大于 2.5 米时原地面压实度符合设计要求。
实体检测方法采用静力触探或者贯入度仪检测。
(3)纵坡、横坡符合设计要求、坡度大于 1 :5 地段设置台阶。
(4)原地面开挖后刚好进行下道工序施工,避开浸水、冻害;同时作好暂时排水措施。
1.2 换填(客专验标4.2.3,4.2.4,4.2.6 条)对采用换填处理的路基重点检查其填料种类、换填深度、换填压实质量。
查看设计文件,核查换填范围、深度、压实指标,特别是低路堤的压实质量标准设计和现场实际施工质量要求。
(1)换填路基的深度及范围符合设计要求。
换填路基底部原状土土质和承载力进行检查,如和设计不符,检查其变更设计资料。
(2)换填的填料要求:砂应采用自然级配的中、粗砾砂,不含草根、垃圾等杂质,其含泥量不得大于5%。
碎石应采用未风化的干净砾石或者碎石,其最大粒径不得大于50mm 含泥量不得超过5%且不含草根、垃圾等杂质。
(3)换填路基的压实质量:基床以下路基换填压实质量符合设计要求。
基床底层压实质量设计要求及路基验收标准的规定。
1.3 岩溶洞窟处理检查岩溶洞窟处理的地质核查记录,设计要求,施工状况,勘察设计、监理单位对处理效果的确认。
详细抽查岩溶洞窟处理的范围、高程、孔间距、孔深、灌浆压力,施工方案、施工工艺,施工现场渗浆、漏浆和“跑浆”等。
(1)按设计要求或者现场试验确定浆液协作比;确定注浆孔深度、孔距、注浆压力等参数。
(2)预留检查孔,按设计要求进行质量限制和检测。
铁路施工工地安全检查
在铁路施工工地进行安全检查时,需注意以下事项:
1. 工地周边环境安全检查
a. 确保工地周边道路通畅,道路标识清晰可见,没有临时障碍物。
b. 检查工地围栏是否完好,是否设置了警示标志牌。
c. 检查灭火设备的摆放位置和数量是否符合要求。
2. 施工场地安全检查
a. 检查施工场地是否清洁整齐,无杂物和危险废弃物。
b. 检查施工材料的摆放是否合理稳固,是否存在倾倒或滑落风险。
c. 检查施工现场是否设置了防护网、护坡等安全设施。
3. 施工机械和设备安全检查
a. 检查各类机械设备是否符合安全要求,是否进行了定期检修和维护。
b. 检查机械操作人员是否持证上岗,并核对证件的有效期。
c. 检查机械设备是否设置了安全保护装置,如防护罩、安全开关等。
4. 人员安全检查
a. 检查工地人员是否佩戴安全帽、安全鞋等个人防护用品。
b. 检查是否有足够数量的急救箱和医疗器械,并确保员工了解其使用方法。
c. 检查是否有明确的安全管理制度,工人是否接受过相关的
安全培训。
5. 施工过程安全检查
a. 检查施工过程是否严格按照施工计划进行,是否存在违规行为。
b. 检查是否有必要的警示标志和安全警戒线,是否设置了交通指引员。
c. 检查是否有危险源隐患,如电线、开挖坑洞等,是否有相应的安全措施。
以上仅为列举的一部分注意事项,安全检查人员还需结合具体工地情况进行综合评估。
确保各项安全措施得以有效实施,保障工人和施工过程的安全。
铺轨施工安全监理检查要点铺轨施工是铁路建设中非常重要的一项工作,也是建设铁路线路的基础。
为了保障施工安全,需要进行安全监理检查。
下面是铺轨施工安全监理检查的要点:一、施工人员管理1.施工人员必须具备相应的岗位资质证书,并穿戴符合要求的安全防护装备。
2.施工人员应进行安全培训,掌握安全作业规程,并定期进行技能考核。
3.施工人员应保持良好的作业状态,不得饮酒后上岗,不得患有传染病。
4.施工人员之间应进行有效的协调和沟通,确保施工过程中的安全。
二、施工场地管理1.施工场地必须清理整理,摆放材料、设备、工具等要合理有序。
2.施工场地应设置符合要求的警示标志,标明禁止入内的区域,并进行相应的围挡安装,预防他人误入施工现场。
3.施工场地应设置专门的通道,方便施工人员进出,并保证通道的畅通。
4.施工场地应根据实际情况,设立相应数量的紧急避难通道,以备发生突发情况时施工人员迅速撤离。
三、材料设备管理1.铁轨、道枕等铺轨材料应符合国家标准,经过质量检验合格并有相应检验证明。
2.铺轨机械设备应定期进行安全检查,并保持良好的工作状态。
3.设备操作人员必须具备相应的操作证书,并熟悉设备的使用方法,能够熟练操作设备。
4.设备使用时应注意安全建议,不得超载使用,不得在有人员站立的情况下移动设备。
四、施工过程安全控制1.施工过程中要密切关注气象情况和地质环境,及时采取相应的安全防护措施。
2.在清理地基时要防范工人掉入坑中,坑内人员必须按规定戴好安全带。
3.进行铺轨作业前,应先设置好铺轨线,并确保线路的平直度和水平度符合要求。
4.组织施工要做好施工工艺交底和技术方案讲解,确保施工人员理解并按照要求操作。
五、安全防护设施管理1.施工场地应设置相应的安全设施,如防护栏杆、防护网等,以防止人员意外坠落。
2.进行高空作业时,应设置安全吊篮,确保施工人员安全。
3.在夜间作业时,应设置足够的照明设施,确保施工人员的视线良好。
六、施工现场卫生管理1.施工现场要保持整洁,避免垃圾和建筑废料堆放在工作面上。
铁路工程施工规范要点解析铁路工程施工规范是确保铁路施工过程安全、高效的重要指南。
它制定了一系列规范和要求,涵盖了施工流程、施工材料、设备使用和施工作业的各个方面。
本文将对铁路工程施工规范的要点进行解析,并对其重要性进行说明。
一、施工前准备1.地质勘察:施工前必须进行详细的地质勘察,了解地下结构和地质情况,确保施工安全。
2.施工图纸:准备符合规范要求的施工图纸,并进行审查和批准,确保施工过程符合设计要求。
3.施工准备:包括人员培训、设备准备、材料采购等工作,确保施工过程中的各项条件得到充分满足。
二、基础施工要点1.基坑开挖:按照设计要求进行基坑开挖,确保基坑的稳定性和符合规范要求的尺寸。
2.基础浇筑:选用符合规范要求的混凝土材料进行基础浇筑,确保基础结构的强度和稳定性。
3.支护结构:在施工过程中,根据地质情况进行合理的支护结构设计和安装,保证施工过程的安全性。
三、轨道施工要点1.道床处理:道床材料的选择和处理要符合规范要求,确保道床的牢固性和稳定性。
2.轨枕安装:根据设计要求和规范要求安装轨枕,确保轨道的稳定性和舒适性。
3.铺轨:按照规范要求进行铺轨,确保轨道的准确度和平整度。
四、设备和材料使用要点1.设备选择:根据施工要求和规范要求选择适当的施工设备,确保施工过程的高效性和安全性。
2.材料验收:对进场的施工材料进行验收,确保其符合规范要求和质量标准。
3.设备维护:定期对施工设备进行维护保养,确保设备的正常运行和使用寿命。
五、工程质量控制要点1.施工质量检测:按照规范要求进行施工质量检测,确保施工过程的质量符合规范要求。
2.质量记录:详细记录施工过程中的质量检测结果和问题处理情况,为后期验收和管理提供依据。
3.质量整改:对发现的质量问题及时进行整改,确保工程质量符合规范要求。
六、安全生产要点1.安全教育培训:组织施工人员进行安全教育培训,提高他们的安全意识和救援能力。
2.安全措施:采取必要的安全措施,确保施工过程的安全性,如设立安全警示标识、划定安全区域等。
铁路路基检查要点路基是承载线路和火车的主体,直接关系到行车安全.从近几年新线开通后的情况来看,路基<包括附属>出的问题最多.为严格控制路基施工过程中的质量,检查组真正能检查出问题,首先检查人员进点后,应尽量先把设计、施组主要章节、重大技术方案等熟悉一遍,以使我们做到心中有数,说话有据,检查重点突出,检查方能收到较好的效果.一、软基处理随着铁路建设事业的发展,软基处理的方法日益增多,如改良换填、砂桩、碎石桩、挤密桩、CFG桩、粉喷桩、旋喷桩、插塑板等,其中CFG桩使用的较多,现在重点谈谈CFG桩施工及检查.1.CFG桩施工工艺流程图:如下,工序作业控制要点:地表处理:清除地表植被,填平沟坑,修好进出场道路,挖除0.3m种植土,然后碾压,K30≥60MPa/m即可.桩位放样:用全站仪放出线路中线,以此为基准,按设计桩距布桩,插竹木杆标记.钻杆垂直度检查与调整:垂直刻度针对准桩位中心,调正钻杆并使钻杆垂直.开钻时,关闭钻头阀门,先慢后快,当钻头底面达到桩长标记时即可停止钻孔,记下成孔电流.边提钻边泵压灌注混合料.成孔后,停止钻进,开始泵送,但不能拔管,当钻杆心充满料后,才开始拔管,拔管时钻杆停止转动.清土:钻孔弃土此时也可转运走,但不能碰桩位.2.内业资料的检查:1>试桩方案:根据规范要求,CFG桩施工必须要进行试桩.试桩是非常重要的关键工序,必须认真进行.在施工调查和图纸审核及地基处理段的地质补充勘探的基础上,在做好各种原材料、配合比试验的同时,针对地基处理类型、施工设备、地质情况等编制详细的试桩方案,确定采集参数、记录格式、工艺流程和施工方法.在未明确规定时,试桩不得少于3根.在CFG桩施工中,最重要的有几个参数,必须由试验确定,绝不能照抄设计或规范.一是提管速度.二是终孔电流值.三是输入量.即额定的时间内所泵送的混合料的数量.M3/<h>四是混合料从拌合机出料口到泵送入孔的时间值.要充分考虑到路况、堵车、红灯等意外因素.参照施工时的气温,得出混合料的初凝和终凝时间.试验过程中,项目副经理、总工、技术主管,并请监理必须全程参与,其试验参数由监理确认.2>《CFG桩试桩成果报告书》,报经理部总工和监理批准后实施.3>《CFG桩作业指导书》.4>《CFG桩施工技术交底书》,发至生产副经理、主管技术员、领工员、旁站及机械操作手等人.5>施工日志.6>《CFG桩旁站施工记录表》:.7>三检制中的专检记录或台账.8>检验批.9>桩的检测10>全员培训.3.外业检查:1>钻机、泵车、发电机、混合料运输罐车等机械的配置、功率、速度、运距等是否匹配,有无停机待料和供料等机的情况发生.2>钻机的提钻速度是否与交底书或指导书一致,每孔灌注混合料的实际时间是否相符.3>因故障停机时,有无混合料过了初凝时间情况发生.4>钻孔深度与设计是否相符;检查钻机身上有无孔深标识<钻管缠红布条>.5>检查钻机的终孔电流值.当钻机钻到设计孔深时,观察钻机的电流值是否达到设计值或终孔电流值,这一点十分重要.随着钻孔深度的增加,电流值缓慢上升,说明钻头仍在软基中工作.当电流值突然上升,说明钻头已经达到持力层,这时候应果断停钻.电流值实际是个进入持力层的指示器,通过这个指示器我们可以判定软基与持力层的分界深度,以确保成桩质量.如果没有电流值,等于是"盲人"骑瞎马走到哪算到哪.实际上,电流值还有一个作用.当设计说明中仅明确了桩长,没有给定终孔电流值时,说明软基基底相对平坦,我们的孔深一般达到设计深度就行了;当设计说明中除了给以桩长,还给了终孔电流值时,说明软基基底起伏不平,设计桩长实际上是个平均桩长,施工中要结合终孔电流值来控制,实际每个桩长又应该是不等的.6>检查施工的各种设备是否配备相应的自动记录仪,如垂直度观测装置、深度记录装置、电流表、水泥<浆体>记录仪、给定桩位的标识.并利用这些装置或标识进行抽查.检查标准见下表.CFG桩施工的允许偏差、检验数量及方法表员是否配备钢卷尺、计时器等工具.8>现场验证技术员填写的《工程日志》、旁站员填写的《CFG桩施工记录表》是否准确真实.9>检查现场是否有3牌,即《CFG桩质量控制标准牌》、《责任单位和责任人牌》、《钻机编号牌》.4.长螺旋钻机施工应注意检查几个关键环节:1>拔管速度:速度由试桩确定,一般情况下是1.5~2.5m/min.如果拔管速度过快,泵送供料跟不上,其管内空间会很快由泥浆或水填补,极易造成断桩或离析桩.2>灌注中,如因机械故障或供料不及时而停机,再行二次灌注时,接桩长度不小于0.5m<即钻杆下降0.5m>.3>钻机钻到设计标高停钻后,当钻杆芯管充满混合料后再开始拔管,拔管时钻杆禁止转动,严禁先拔管后泵料.成桩过程要连续进行,灌注至设计桩顶上0.5m时才算灌注完成.4>如因运输时间过长,气温过高,混合料过了终凝时间,则应坚决将其废弃,决不能再用.其解决方法应重新调正配合比,或在倾倒混合料前在罐车内补充添加剂,重新搅拌.5>在给泵车加混合料的过程中,如因机械故障停机时间过长,混合料产生离析,在料斗中应重新拌合,严禁往料斗中加水,防止产生离析.6>技术人员和旁站人员的培训和责任心问题.5.CFG桩后续作业中应注意的几个问题:后续作业有:清理钻机弃土、挖运桩间土、凿桩头、做桩帽、铺设褥垫层等,每个环节如果操作不当都会造场对桩体的损坏.09年8月~9月间,集团公司对全局在建的所有软基处理桩施工进行了一次专项检查,主要是CFG桩.不合格桩有三种,即断桩、短桩、离析桩.其中浅层断桩占不合格桩数的57.4%,短桩占不合格桩数的34.6%;Ⅱ类桩中离析桩占总桩数的8.0%.浅层断桩占不合格桩总数一半还多,其主要原因是桩的后续施工不当造成的.1>对钻桩过程中的弃土和桩间土挖运,应人工配合小型装运机械,严禁大型机械在上行走对成桩碾压碰撞,防止浅表性断桩.如果必须使用装运机械施工,也要等桩身的强度达到要求后,采取粘土垫通道至桩顶30cm以上,并确保轮胎行走在两桩间,在专人指挥下,按倒退顺序作业、之字形行走.2>褥垫层一般有60cm厚的碎石桩和土工格栅,工作量也很大.上第一层碎石垫层必须人工作业,轻型压路机静压,严禁大型机械在桩间行走.3>桩头凿除如果方法不当也易造成浅表性断桩.一是使用截桩机截桩,二是使用人工对称凿除.严禁使用挖掘机扒斗或其他野蛮作业的方式作业.4>成桩后,要及时做好对成桩的保护,周边设置醒目的标识或物理隔离.5>桩的检测:一般用小应变、钻芯、开挖方法进行检测,具体我不多讲,在这里我想提醒,要注意两个问题.一是业主一般都要委托第三方检测,在检测之前我们自己一定要先全部检测一遍,该补桩的补桩,别存侥幸心理.二是还有些单位为了省事,自行委外检测,这也靠不住.因此,凡委外检测时,我们一定要全程参与,随机取样,自己判定,不要"大撒把".二、一般路基填筑施工路基填筑施工一般分为基床以下土质填料施工、改良土填料施工、石质填料施工、级配碎石填料施工等.一般路基填筑施工工艺流程框图<三区段、四区段、八流程>如下,1.地基处理:树根植物清理干净,腐殖土清到设计标高;经过水田、池塘或洼地时,应视情况,采取排水疏干、清挖淤泥、抛填片石或砂砾石等处理措施,经碾压密实,地基承载力经检测合格,并经监理签认后方可填筑路基.重点是现场看地基处理的状况.如地基已完,就查验收检测资料.2.填料的摊铺作业:重点检查松铺厚度<经试验确定,一般在30~35cm>,用白灰撒出方格网进行控制,然后推土机推平,平地机精平.为确保路基宽度和中线,施工时必须设置中边桩,路基两侧各放宽50cm,每层路基必须设置成人字坡或横向排水沟,以利于排水.3.碾压:按照试验段确定的参数和工艺要**施碾压.碾压时按照先慢后快,先静后振,振幅频率先弱后强的原则进行;直线段由两侧向中间,曲线段有路基内侧向外侧纵向进退碾压,行与行的轮迹重叠宽度不小于0.3m,横向同层接头处重叠不小于1m;前后相邻两区段纵向重叠2m,上下两层接头处错开3m.为确保碾压横向到边,除了设置边桩外,还要在路基两侧外沿竖立标杆便于司机界定碾压宽度,这是很重要的一个方法.每碾压一遍,即检测一次,旁站人员及时记录,直至达到交底书规定的遍数.关于路基的检测,一般是双控指标:密实度和孔隙率,用环刀法和灌砂法.石质路基一般用K30检测地基承载力的检验.在现场也可经验大致判定,不管是密实度设计95%或是96%,只要看见路基表面没有明显的每层碾压痕迹,即基本达到要求.4.填料含水率的控制:除了试验室用仪器每层检查外,还可以在现场经验判断:路基表面没有橡皮土,手感微潮、手握不成团、拆开不粘手即可.5.路基填料:要严格按照试验段确定的土源场上料,如果更换取土场,应重新进行土工试验.另外,不同性质的填料应分别填筑,严禁混填.填料中不得含有树根、杂草及超标的土块等杂物,应有人配合清除.6.挖台阶填筑:在稳定的斜坡上填筑时,横向坡度小于1:5时,原地面应推成水平;大于1:5时,应挖台阶施工或按设计要求进行.相邻的两段路堤衔接时,先施工的一段应挖台阶,台阶高宽一般为1m,并要碾压到边.路基的帮宽,也要层层挖台阶,夯实后帮填.7.基床底层外形尺寸容许偏差表:资料、检测资料、交底书等;是否有地基验收检测资料;工地有无旁站及旁站记录;松铺厚度是否合规;碾压遍数是否符合交底要求;有无分层报检;有无不合格地段,不合格地段有无封闭;路面有无排水坡、排水沟,路面有无积水坑;所用土源是否经试验确定.此外,路基宽度、标高、坡面及边坡是否合乎要求;成品路基的保护,要有排水设施;封闭车辆交通;教育培训资料.三、改良土填筑施工施工工艺与土质路堤填筑相同,同样也是"三阶段、四区段、八流程",所不同的有以下几点:1.所用石灰是否熟化?其目测经验是粉状无生灰块,路面无鼓包.2.石灰的计量和撒布:提倡采用自动计量石灰洒布车布灰,局部边角人工配合撒布.如果没有撒布车,也可以采用方格定量人工撒布,最常见的问题是灰量不足,撒布不均.3.拌合:厂拌法最好,质量工效都有保证,但小批量的改良土一般用路拌法施工.松铺厚度和拌合遍数由试验确定.拌合2遍后,要立即取样进行筛分及石灰剂量试验.采用EDTA滴定或直读仪快速测定.若剂量不足,立即补撒灰,再重新拌合.拌合机叶轮片要切入下承层3~5cm,最常见的问题拌合不到底,出现夹层或漏拌.4.碾压:碾压次数由试验确定,每层要做好旁站记录,碾压机、推土机、平地机联动配合.本层碾压完成后,应立即覆盖养生,每层不少于4天,洒水次数要根据气温,路面始终保持湿润.养生期间,载重车辆不得上去.5.本节检查要点:一是试验段的试验资料、交底书、旁站记录、工程日志;二是检验手段和检测记录是否齐全,质量问题有无封闭;三是石灰熟化程度、石灰剂量是否足量、拌合是否均匀<拌合遍数>、碾压遍数是否和交底书一致、养生是否到位.四、石质填筑路基1.用石头、卵石土、砾石土、中粗砂填筑路基的工艺流程与土方大致相同.但用石头材质填料,却有不同要求.在基床以下施工时,石头应采取人工铺平码砌分层填筑,每层厚度一般≤50cm.石头大面朝下,石块的孔隙用小石头填塞,严禁倾填.每层中的最大粒径石块不得超过层厚的三分之二<即30cm以下>;边坡一般用较大石块堆砌成型;相邻两段石质路基的衔接采取错缝搭接.2.石质路基施工应重点关注几个问题:一是石头严禁倾倒,必须砌码;二是石头粒径不得超标;三是不同性质的石材不允许混填.未风化石不能与风化石混填;土夹石不能混填;砂土夹石不能混填等.五、级配碎石填筑施工一般用于基床表层填筑,要求采用厂拌、推土机配合平地机摊铺,压路机碾压的方法施工.1.内业资料与前面基本相同,增加基床底层的验收、检测资料,试验段长度大于等于100m.2.厂拌法级配碎石填筑施工工艺流程框图,如下.3.检查中要注意的几个问题:1>有无试验资料,作业指导书、交底书、工程日志、专检记录、检验批等;有无基床底层的验收及检测资料,级配碎石是否厂拌?2>摊铺厚度:是否按交底控制,一般每层压实厚度按25cm掌控,松铺厚度由试验段确定.现场有无控制厚度标高和横坡的标识及工具<如钢筋绑扎布条和桩子>.3>通过交底书和旁站记录,验证压路机、碾压遍数及作业方式,确**实度和地基承载力是否合规.碾压合格的表面平整光洁,无石子碎屑,坡面、边宽符合设计.每层是否检测和报检.4>施工时间控制:掺水泥的混合料从拌和到最后成型的间隔时间不宜超过2小时,要看气温,摊铺间隔一般不得超过30分钟,超过时间应按接缝处理.5>施工缝设置和处理:由于是全断面的一次摊铺成型,不存在横向施工缝,纵向施工缝的处理按交底书处理将未压密实的端头级配碎石人工整齐切割,再摊铺新的级配碎石,压密压实.摊铺要保持上下基层接缝区错开,错缝不小于1.0m.最后一层压实厚度≥15cm.6>上下基层层间的处理:摊铺前对下层基面要清扫拉毛,适当洒水湿润.如停工时间较长,结合面可洒布一层纯水泥浆或撒水泥干粉以利结合.7>完工后要进行交通管制和覆盖养生.碾压后应立即封闭交通,物理隔离.除洒水车外,其他车辆不得通行,养护7天后,施工车辆可限制通行.严禁急转弯和急刹车.撒水后,应用草袋等覆盖,为期7天.六、桥涵与路堤过渡段施工这是路基施工中非常重要的关键工序,应列入隐蔽工程检验.过渡段施工应关注的几个关键环节:1.拌合:级配碎石填料提倡厂拌、自卸车运输,现场方格网控制布料,松铺厚度按试验确定.2.摊铺:为了控制由试验确定的摊铺厚度,在摊铺之前,应在桥涵后背用油漆标注分层的厚度标识.填料由人工精平,摊铺分层厚度与相邻路层基本一致.碾压部位、每层最大松铺厚度不大于30cm.最小碾压厚度不小于15cm.3.碾压:临近结构物两侧2m之内,采用人工小型立式夯机夯压,其余部位用18T~22T压路机碾压.即先静压、再振压、先弱振、再强振,最后静压收尾.夯实及碾压遍数由试验确定.4.过渡段桥台锥体:填筑按水平分层与过渡段同步施工.5.横向结构物<涵洞、涵管、金属管网、高压电缆穿管等>的顶部填料厚度小于1m时,用立式夯人工施工.6.横向结构物两端的过渡段填筑必须对称同步进行.7.水泥级配碎石混合料宜在2小时内使用完毕.七、路基沉降观测考虑到施工中和竣工后路堤本体的压缩与固结,施工时必须预留沉降量.沉降量由试验确定.因此,路堤完工后应立即设置沉降观测点.如果有软基处理的桩基,还要进行位移观测.高铁还要预压,加速其沉降.因此,预压、位移和沉降观测要有方案、有培训、有交底、有记录、有分析、有专人负责,其观测结果要报监理和经理部总工签认.现场检查时,重点是看其方案的规范性、布点的合理性、测点的完整性、内业资料的真实性、分析结论的准确性,及时采取措施.另外,高边坡施工、深路堑开挖及活动山体的挡护工程的沉降观测点和观测资料,也应列为必查项目.其施工方案、施工现场及采取的措施要作为重点检查.八、路基附属路及附属,如水沟<侧沟、天沟、边沟、吊钩>、护坡、挡墙、踏步及小型预制构件,都是路基施工的一部分,在这里仅重点谈谈浆砌问题.纵观近几年的浆砌附属,质量普遍有所下降的趋势,其主要表现有以下几个方面:1.小石头多,石头低于规格.按规定Φ30cm,厚度大于15cm,但现在施工标准降低了,特别是砌体内部,普遍用小石头堆砌.2.施工方法不对.规范要求浆砌用坐浆法或挤浆法施工.但灌浆法、表面抹浆法比较普遍.3.砂浆标号不标准.现场无称、无盘、无配合比.砂浆水泥不足、水量太多是通病.4.勾缝不规范.我们一般要求沟凹缝,但现在勾缝是五花八门.一个项目、一个工地都不一样.缝的宽窄不一,缝的深浅不一,有平缝也有凹缝,有的即不平也不凹,在凸出石头的砂浆上面勾缝.5.浆砌表面不平顺.石头表面不加工.现在民工不再加工面石了,顶多用锤子砸几下边角.民工不带鉴子,不拿截子,更不用水平尺了.砌体的拐角和沉降缝大多不再进行弹墨线予以精加工石头了.6.挡墙、护坡后背的反滤层不标准;一是厚度不足;二是渗水料不标准,用加工石头的边角料作反滤层;三是漏设泄水孔过滤网;四是泄水孔pvC管角度也有问题.由于以上四点问题造成挡护工程的泄水孔,泄水状况不好,相当数量不泄水,造成较大的质量隐患.7.不管是水沟或是护墙,砌体厚度不够是通病;挡墙基础挖出后不与设计比对.8.大坡度的天沟或吊沟不设流水减速台阶或减速桩,非常不利于以后对路基和农田的保护.以上八条,是当前在附属施工中常见的通病和多发病,各工地或多或少都存在.其主要原因我认为不外三条.一是单价低,成本亏损,或是责任成本限制,尽量找一些单价低、技术水平低的民工队施工.二是这几年会砌石头的民工也在逐步减少,因为活重又累又赚不了多少钱,许多二代民工都不愿干这个.三是与我们重主体、轻附属的思想也有关系.路及附属虽然不是工程主体,但他不但涉及到构造物的外观,更重要的是对路基主体的**久安却影响很大,因此,要认真对待,严格施工.九、培训工作培训工作的重要性在此不作赘述.不管是检查什么工程,项目的安质和技术培训应该是我们必查的内业重点,至于具体要检查什么内容,主要有以下几点:1.项目经理部<或分部>的培训计划.该计划是项目管理中重要的法规性文件之一,必须以红头文件下发,列为受控文件.其内容有成立教育培训领导小组的成员名单、职责范围、分管部门、经费使用等.后面列表在项目施工期间本单位培训的班次名称、培训时间、培训对象、授课人或部门以及培训内容等,文件发至各部门和作业队.2.培训台账.3培训班的资料.培训班的培训文件归档内容.举例说明:如"xxx分部CFG 桩技术培训班".主要内容有以下几点:1>文件目录.2>培训简介:培训时间、地点、培训内容、培训对象、主持人、授课人、参加培训人数.3>签到簿:有**、单位、职称、工种等.4>培训照片:照片中应有"xxx分部CFG桩技术培训班"字样,用横幅、黑板、投影仪都行,只要是突出照片主题,照片就是可信的.照片同时还要显示培训班的参培人员全景及时间.5>讲义:讲课人应根据设计和试验桩认真编写有针对性且符合实际的讲义,反对不切实际的按照规范和设计照本宣科行为,或把规范复印作为培训文件存档.6>参培人员考试成绩单.7>参培人员考试卷.8>参培考试合格人员发《CFG桩上岗合格证》的签字和个人照片.以上8条资料前后照应,具有紧密的逻辑关系,是培训资料真实性的必须条件.现在在培训问题上存在不少问题,讲义抄袭规范不切实际,照片不能说明问题,培训不能到达作业班组和个人,培训文件保管凌乱.我们检查时除了查内业培训资料外,在现场还要重点抽查关键工序的技术员、旁站员、操作工有无上岗证,是否经过培训,有关施工参数否知道等,从实际中检查培训的效果.4.培训工作不是一劳永逸的.技术人员、旁站人员和操作手经过一段时间上岗后,要根据他们在现场遇到的实际问题和表现,还应该有的放矢的再培训一次,也可以在现场边示范、边操作、边讲解,方法可以灵活多样.在项目上培训的主体是项目经理部和分部.主要培训两类人员:一是我们的现场管理人员,二是作业班组个人.要做到横向到底,纵向到边,不留死角.由于路基施工管段长,工程量大,施工队伍多,受环境气候影响大,因此,质量管控十分不易,今天我只能一般性的讲讲.像高填方路基、高边坡施工、深路堑开挖、控制爆破等,这些都属于路基范畴,由于时间关系今天不讲了.就是讲的这点内容,也由于个人水平能力有限,这只能是给大家炒炒剩饭,如果有错误,请大家自我更正,谢谢!9。
铁路路基施工检查要点在铁路施工中,路基是铁路的基础,其建设质量的好坏直接关系到铁路的运营安全和使用寿命,因此进行路基施工检查是非常重要的。
本文将详细介绍路基施工检查的要点。
I. 前期准备在开始路基施工检查之前,应该进行以下准备工作:•准备工作计划和检查表格,明确检查的范围、目标和要求。
•熟悉当地土质和气候条件,了解本次施工的特殊要求和难点。
•根据工程记录和技术文件,了解施工进度和质量情况。
II. 施工质量检查1. 路基土方施工检查•首先应检查填方土原料的合理性和总量是否满足设计要求,填方土中是否有大块石头或杂质等问题。
•检查土方施工坡度、填高和填实度要求是否合理,并查看地质、地下水位、降雨等因素对填方土方的影响。
•检查路基填方土是否按层压实,压实机械设备是否符合技术要求,土方的压实程度和密度是否达标。
2. 路基基础施工检查•检查路基基础材料是否符合设计要求,如基础石的质量、大小、饱和度等。
•检查混凝土浇筑的过程,如浇筑速度、浇筑高度、振捣时间和强度等要求是否符合技术要求。
•检查基础沉降量和垂直度等要求是否符合设计要求,如发现问题要及时处理。
3. 路基排水施工检查•检查路基排水系统完整性和合理性,检查排水管道和渠道的尺寸、施工质量和材料质量是否符合要求。
•检查路基排水系统是否留有检查口和排污池,是否能够对系统进行正常清理和维护。
•检查路基排水系统是否与车站码头中的排水系统相连通,并要求施工方进行防污染措施。
III. 工程安全检查除了以上的施工质量检查,施工安全也非常重要,需要进行以下检查:•检查施工现场安全设施是否到位,如施工栏杆、防护网、宣传标语等;施工人员是否佩戴安全帽、防护鞋等安全设备。
•检查施工机械设备和电气设备的安全问题,如振捣机、起重机、压路机等设备是否技术状态良好、安装是否稳固等。
•检查各种危险源是否得到有效控制,如检查高处作业、爆破作业、电工作业、劳动保护等问题,严格落实防火、防爆、消防安全等规定。
铁路路基检查要点路基是承载线路和火车的主体,直接关系到行车安全。
从近几年新线开通后的情况来看,路基(包括附属)出的问题最多。
为严格控制路基施工过程中的质量,检查组真正能检查出问题,首先检查人员进点后,应尽量先把设计、施组主要章节、重大技术方案等熟悉一遍,以使我们做到心中有数,说话有据,检查重点突出,检查方能收到较好的效果。
一、软基处理随着铁路建设事业的发展,软基处理的方法日益增多,如改良换填、砂桩、碎石桩、挤密桩、CFG桩、粉喷桩、旋喷桩、插塑板等,其中CFG桩使用的较多,现在重点谈谈CFG桩施工及检查。
1.CFG桩施工工艺流程图:如下,工序作业控制要点:地表处理:清除地表植被,填平沟坑,修好进出场道路,挖除0.3m种植土,然后碾压,K30≥60MPa/m即可。
桩位放样:用全站仪放出线路中线,以此为基准,按设计桩距布桩,插竹木杆标记。
钻杆垂直度检查与调整:垂直刻度针对准桩位中心,调正钻杆并使钻杆垂直。
开钻时,关闭钻头阀门,先慢后快,当钻头底面达到桩长标记时即可停止钻孔,记下成孔电流。
边提钻边泵压灌注混合料。
成孔后,停止钻进,开始泵送,但不能拔管,当钻杆心充满料后,才开始拔管,拔管时钻杆停止转动。
清土:钻孔弃土此时也可转运走,但不能碰桩位。
2.内业资料的检查:1)试桩方案:根据规范要求,CFG桩施工必须要进行试桩。
试桩是非常重要的关键工序,必须认真进行。
在施工调查和图纸审核及地基处理段的地质补充勘探的基础上,在做好各种原材料、配合比试验的同时,针对地基处理类型、施工设备、地质情况等编制详细的试桩方案,确定采集参数、记录格式、工艺流程和施工方法。
在未明确规定时,试桩不得少于3根。
在CFG 桩施工中,最重要的有几个参数,必须由试验确定,绝不能照抄设计或规范。
一是提管速度。
二是终孔电流值。
三是输入量。
即额定的时间内所泵送的混合料的数量。
M3/(h)四是混合料从拌合机出料口到泵送入孔的时间值。
要充分考虑到路况、堵车、红灯等意外因素。
参照施工时的气温,得出混合料的初凝和终凝时间。
试验过程中,项目副经理、总工、技术主管,并请监理必须全程参与,其试验参数由监理确认。
2)《CFG桩试桩成果报告书》,报经理部总工和监理批准后实施。
3)《CFG桩作业指导书》。
4)《CFG桩施工技术交底书》,发至生产副经理、主管技术员、领工员、旁站及机械操作手等人。
5)施工日志。
6)《CFG桩旁站施工记录表》:精选里程段:质检员:旁站人:年 月 日工程名称:CFG 长 螺 旋 桩 施 工 记 录 表精选7)三检制中的专检记录或台账。
8)检验批。
9)桩的检测10)全员培训。
3.外业检查:1)钻机、泵车、发电机、混合料运输罐车等机械的配置、功率、速度、运距等是否匹配,有无停机待料和供料等机的情况发生。
2)钻机的提钻速度是否与交底书或指导书一致,每孔灌注混合料的实际时间是否相符。
3)因故障停机时,有无混合料过了初凝时间情况发生。
4)钻孔深度与设计是否相符;检查钻机身上有无孔深标识(钻管缠红布条)。
5)检查钻机的终孔电流值。
当钻机钻到设计孔深时,观察钻机的电流值是否达到设计值或终孔电流值,这一点十分重要。
随着钻孔深度的增加,电流值缓慢上升,说明钻头仍在软基中工作。
当电流值突然上升,说明钻头已经达到持力层,这时候应果断停钻。
电流值实际是个进入持力层的指示器,通过这个指示器我们可以判定软基与持力层的分界深度,以确保成桩质量。
如果没有电流值,等于是“盲人”骑瞎马走到哪算到哪。
实际上,电流值还有一个作用。
当设计说明中仅明确了桩长,没有给定终孔电流值时,说明软基基底相对平坦,我们的孔深一般达到设计深度就行了;当设计说明中除了给以桩长,还给了终孔电流值时,说明软基基底起伏不平,设计桩长实际上是个平均桩长,施工中要结合终孔电流值来控制,实际每个桩长又应该是不等的。
6)检查施工的各种设备是否配备相应的自动记录仪,如垂直度观测装置、深度记录装置、电流表、水泥(浆体)记录仪、给定桩位的标识。
并利用这些装置或标识进行抽查。
检查标准见下表。
CFG桩施工的允许偏差、检验数量及方法表站员是否配备钢卷尺、计时器等工具。
8)现场验证技术员填写的《工程日志》、旁站员填写的《CFG桩施工记录表》是否准确真实。
9)检查现场是否有3牌,即《CFG桩质量控制标准牌》、《责任单位和责任人牌》、《钻机编号牌》。
4.长螺旋钻机施工应注意检查几个关键环节:1)拔管速度:速度由试桩确定,一般情况下是1.5~2.5m/min。
如果拔管速度过快,泵送供料跟不上,其管内空间会很快由泥浆或水填补,极易造成断桩或离析桩。
2)灌注中,如因机械故障或供料不及时而停机,再行二次灌注时,接桩长度不小于0.5m(即钻杆下降0.5m)。
3)钻机钻到设计标高停钻后,当钻杆芯管充满混合料后再开始拔管,拔管时钻杆禁止转动,严禁先拔管后泵料。
成桩过程要连续进行,灌注至设计桩顶上0.5m时才算灌注完成。
4)如因运输时间过长,气温过高,混合料过了终凝时间,则应坚决将其废弃,决不能再用。
其解决方法应重新调正配合比,或在倾倒混合料前在罐车内补充添加剂,重新搅拌。
5)在给泵车加混合料的过程中,如因机械故障停机时间过长,混合料产生离析,在料斗中应重新拌合,严禁往料斗中加水,防止产生离析。
6)技术人员和旁站人员的培训和责任心问题。
5.CFG桩后续作业中应注意的几个问题:后续作业有:清理钻机弃土、挖运桩间土、凿桩头、做桩帽、铺设褥垫层等,每个环节如果操作不当都会造场对桩体的损坏。
09年8月~9月间,集团公司对全局在建的所有软基处理桩施工进行了一次专项检查,主要是CFG桩。
不合格桩有三种,即断桩、短桩、离析桩。
其中浅层断桩占不合格桩数的57.4%,短桩占不合格桩数的34.6%;Ⅱ类桩中离析桩占总桩数的8.0%。
浅层断桩占不合格桩总数一半还多,其主要原因是桩的后续施工不当造成的。
1)对钻桩过程中的弃土和桩间土挖运,应人工配合小型装运机械,严禁大型机械在上行走对成桩碾压碰撞,防止浅表性断桩。
如果必须使用装运机械施工,也要等桩身的强度达到要求后,采取粘土垫通道至桩顶30cm以上,并确保轮胎行走在两桩间,在专人指挥下,按倒退顺序作业、之字形行走。
2)褥垫层一般有60cm厚的碎石桩和土工格栅,工作量也很大。
上第一层碎石垫层必须人工作业,轻型压路机静压,严禁大型机械在桩间行走。
3)桩头凿除如果方法不当也易造成浅表性断桩。
一是使用截桩机截桩,二是使用人工对称凿除。
严禁使用挖掘机扒斗或其他野蛮作业的方式作业。
4)成桩后,要及时做好对成桩的保护,周边设置醒目的标识或物理隔离。
5)桩的检测:一般用小应变、钻芯、开挖方法进行检测,具体我不多讲,在这里我想提醒,要注意两个问题。
一是业主一般都要委托第三方检测,在检测之前我们自己一定要先全部检测一遍,该补桩的补桩,别存侥幸心理。
二是还有些单位为了省事,自行委外检测,这也靠不住。
因此,凡委外检测时,我们一定要全程参与,随机取样,自己判定,不要“大撒把”。
二、一般路基填筑施工路基填筑施工一般分为基床以下土质填料施工、改良土填料施工、石质填料施工、级配碎石填料施工等。
一般路基填筑施工工艺流程框图(三区段、四区段、八流程)如下,1.地基处理:树根植物清理干净,腐殖土清到设计标高;经过水田、池塘或洼地时,应视情况,采取排水疏干、清挖淤泥、抛填片石或砂砾石等处理措施,经碾压密实,地基承载力经检测合格,并经监理签认后方可填筑路基。
重点是现场看地基处理的状况。
如地基已完,就查验收检测资料。
2.填料的摊铺作业:重点检查松铺厚度(经试验确定,一般在30~35cm),用白灰撒出方格网进行控制,然后推土机推平,平地机精平。
为确保路基宽度和中线,施工时必须设置中边桩,路基两侧各放宽50cm,每层路基必须设置成人字坡或横向排水沟,以利于排水。
3.碾压:按照试验段确定的参数和工艺要求实施碾压。
碾压时按照先慢后快,先静后振,振幅频率先弱后强的原则进行;直线段由两侧向中间,曲线段有路基内侧向外侧纵向进退碾压,行与行的轮迹重叠宽度不小于0.3m,横向同层接头处重叠不小于1m;前后相邻两区段纵向重叠2m,上下两层接头处错开3m。
为确保碾压横向到边,除了设置边桩外,还要在路基两侧外沿竖立标杆便于司机界定碾压宽度,这是很重要的一个方法。
每碾压一遍,即检测一次,旁站人员及时记录,直至达到交底书规定的遍数。
关于路基的检测,一般是双控指标:密实度和孔隙率,用环刀法和灌砂法。
石质路基一般用K30检测地基承载力的检验。
在现场也可经验大致判定,不管是密实度设计95%或是96%,只要看见路基表面没有明显的每层碾压痕迹,即基本达到要求。
4.填料含水率的控制:除了试验室用仪器每层检查外,还可以在现场经验判断:路基表面没有橡皮土,手感微潮、手握不成团、拆开不粘手即可。
5.路基填料:要严格按照试验段确定的土源场上料,如果更换取土场,应重新进行土工试验。
另外,不同性质的填料应分别填筑,严禁混填。
填料中不得含有树根、杂草及超标的土块等杂物,应有人配合清除。
6.挖台阶填筑:在稳定的斜坡上填筑时,横向坡度小于1:5时,原地面应推成水平;大于1:5时,应挖台阶施工或按设计要求进行。
相邻的两段路堤衔接时,先施工的一段应挖台阶,台阶高宽一般为1m,并要碾压到边。
路基的帮宽,也要层层挖台阶,夯实后帮填。
7.基床底层外形尺寸容许偏差表:8.本节要检查的基本内容是:内业资料是否准确齐全真实。
路基试验段的资料、检测资料、交底书等;是否有地基验收检测资料;工地有无旁站及旁站记录;松铺厚度是否合规;碾压遍数是否符合交底要求;有无分层报检;有无不合格地段,不合格地段有无封闭;路面有无排水坡、排水沟,路面有无积水坑;所用土源是否经试验确定。
此外,路基宽度、标高、坡面及边坡是否合乎要求;成品路基的保护,要有排水设施;封闭车辆交通;教育培训资料。
三、改良土填筑施工施工工艺与土质路堤填筑相同,同样也是“三阶段、四区段、八流程”,所不同的有以下几点:1.所用石灰是否熟化?其目测经验是粉状无生灰块,路面无鼓包。
2.石灰的计量和撒布:提倡采用自动计量石灰洒布车布灰,局部边角人工配合撒布。
如果没有撒布车,也可以采用方格定量人工撒布,最常见的问题是灰量不足,撒布不均。
3.拌合:厂拌法最好,质量工效都有保证,但小批量的改良土一般用路拌法施工。
松铺厚度和拌合遍数由试验确定。
拌合2遍后,要立即取样进行筛分及石灰剂量试验。
采用EDTA滴定或直读仪快速测定。
若剂量不足,立即补撒灰,再重新拌合。
拌合机叶轮片要切入下承层3~5cm,最常见的问题拌合不到底,出现夹层或漏拌。
4.碾压:碾压次数由试验确定,每层要做好旁站记录,碾压机、推土机、平地机联动配合。
本层碾压完成后,应立即覆盖养生,每层不少于4天,洒水次数要根据气温,路面始终保持湿润。