3锅炉汽水系统图(锅炉系统)
- 格式:pdf
- 大小:466.24 KB
- 文档页数:1
锅炉设备及汽水流程锅炉设备介绍:1、钢结构:整个锅炉设备全部由钢结构支撑,悬吊在大板梁上,由于整个受热面系统的热胀冷缩,因此将水冷壁、过热器、再热器、省煤器等受热面设备通过吊挂装置全部悬挂在大板梁上,以保证整个锅炉能向上向下自然膨胀。
钢结构:一般材质为Q235A或Q235B,它是由几根大的钢柱和梁,还有斜撑构成。
钢结构设备到货为散件,钢结构到现场后由现场组合安装,钢结构的连接方式有焊接和螺栓连接,螺栓一般采用高强度螺栓。
采用螺栓连接的钢结构,在安装调整初期,要求每一层安装时需用临时普通螺栓初紧固,待调整和验收完毕,才能用高强度螺栓紧固,在钢架验收时候要对高强度螺栓的紧固度进行检查。
锅炉基础锅炉钢结构安装锅炉钢结构锅炉钢结构高强螺栓锅炉大板梁锅炉钢架锅炉钢架地面准备锅炉钢结构(注意剪力槽钢,与土建对应必须留有足够的剪力槽)锅炉吊挂装置,受热面设备全部吊挂在大板梁上2、水冷壁:炉膛四周由膜式管道密封组成,形成一个方体中空炉膛,由刚性梁连接形成方形整体,通过吊挂装置悬吊在大板梁上,保证向上和向下受热自然膨胀,前后左右膨胀由导向装置限制;接受炉膛火焰的直接辐射传热,水在水冷壁里经过加热至水沸腾,形成水与蒸汽的混合体,产生饱和蒸汽,最上端由上集箱连接,上端通过上集箱与锅筒连通,最下端由下集箱连接,最下端与下降管连通,同时也与锅筒连通。
水冷壁:一般材质为20G。
为保证炉膛燃烧后的热量能完全被水冷壁管内的水吸收,因此必须将炉膛密封起来,在安装水冷壁时候将管屏与管屏之间密封焊接起来保证密封形成密闭炉膛。
在水冷壁的外面为了防止热量损失及防止烫伤所以在水冷壁的外面设置了保温棉及耐火砖,保证热量损失。
水冷壁地面组合检查水冷壁地面组合水冷壁地面组合检查后吊装锅炉水冷壁安装水冷壁对口焊接锅炉水冷壁焊接及刚性梁安装下部水冷壁及水冷壁刚性梁水冷壁上集箱安装3、锅筒(汽包):圆筒形的筒体,通过吊挂装置悬挂安装在大板梁上,在炉膛的上部,与省煤器、过热器、水冷壁直接连通,在锅筒里起着汽水分离、沉淀、保证自然循环的压头、加药、排污等作用。
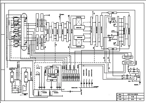
汽水系统1、汽水系统图:汽炉汽水系统、水炉水系统、主蒸汽母管系统、疏水系统、定排放水系统2、汽水系统包括省煤器、汽包、下降管、水冷壁等组成的蒸发设备,以及过热器、给水、蒸汽管路等组成的汽水系统。
汽水系统的任务是使水吸收热量蒸发,最后变成具有一定参数的过热蒸汽。
3、省煤器(非沸腾式)省煤器由蛇形管组成布置在锅炉尾部的垂直烟道中,省煤器管内走的是给水,管外走的是烟气,给水沿蛇形管自下而上由低温至高温与烟气逆向流动。
给水在省煤器内吸收烟气余热部分产生蒸汽,汽水混合物进入汽包。
省煤器的作用:是利用烟气余热加热锅炉给水,提高给水温度,同时降低排烟温度,减少排烟热损失,从而提高锅炉效率,节省燃料。
给水经省煤器加热后再送入汽包,可以减少汽包壁与给水之间的温差,减少汽包壁因温差而产生的热应力,改善汽包的工作条件。
锅炉再循环门的作用:在锅炉生火或停炉时,为防止给水暂时中断使省煤器管得不到冷却而烧坏,在汽包与省煤器进口联箱之间装设再循环管,其上装有再循环门,当停止进水时打开再循环门,由于再循环管装在烟道外不受热,而省煤器管中的水受烟气加热,水温与再循环管中的水温形成温差,因而在汽包、再循环管、省煤器、汽包之间形成水的自然循环流动,使省煤器管得到冷却,保护省煤器。
当锅炉进水时关闭再循环门,给水就经过省煤器加热后进入汽包,避免低温给水直接由再循环管进入汽包,降低汽包热应力的产生汽包的作用:汽包是锅炉蒸发设备中的主要部件,是加热、蒸发、过热三个过程的分界点,它汇集炉水和饱和蒸汽,通过汽水分离装置减少蒸汽的带水量,通过排污管和加药管,减少蒸汽中的含盐量,保证蒸汽品质。
汽包上还装有各种表计如压力表、水位计等,用以控制汽包压力,监视汽包水位。
汽包具有一定的水容积,它与水冷壁、下降管相连,组成自然水循环系统。
汽包设有汽水分离器(旋风分离器)、连续排污管、加药管、下降管、安全门、压力表、温度计、水位计、事故放水管、再循环管、进水管(与水冷壁、省煤器相连)、蒸汽引出管(与吊挂管过热器进口联箱相连)。
锅炉汽水系统及汽包内部结构一、锅炉给水流程概述1.水在火电厂的种类?除盐水、循环水、工业水(工业进水、工业回水)、消防水、中水、生活水、凝结水回水问题:锅炉用水用的是什么水?为什么?锅炉用水为除盐水(利用各种水处理工艺除去悬浮物,胶体和无机的阳离子,阴离子等水中的杂质后所得的成品水)。
用除盐水可以防止锅内结垢、腐蚀和产生的蒸汽品质不良。
2.水在锅炉运行中的作用?水在火力发电厂中是一种工质。
作用:吸收煤粉燃烧产生的热量,形成水蒸汽,将热量带至汽轮机作功,蒸汽热量越高,其作功能力越强出力越大,发电量会越高。
受技术、材料、成本等方面制约,高压锅炉一般主蒸温度为540度左右。
3.水的来源:地下水、河水、海水问题:本厂采用的水源?本厂采用地下水,厂内共有8个深水井。
北墙4个,自西向东为1、2、3、4。
南墙4个自西向东为5、6、7、8。
1—4号井管道已经布置完毕,可以使用。
厂区预留了DN1200河水采集管道,位置在宿舍楼东侧公路距路约4米。
4.厂内水的流程:深水井一体化净水站水池—化水(双介质过滤器、超滤、反渗透、阳床、阴床混床、除盐水箱)——除盐水加热器—除氧器—给水泵—高压加热器—锅炉给水平台—省煤器—汽包—下降管—水冷壁——汽包(汽水分离)5.补充:工业水问题:锅炉车间及辅机主要有几路工业水?锅炉车间主要有哪些设备用到工业水。
工业水进水和工业水回水在现场怎么区别?锅炉车间内部有2路工业水,车间外1路工业水。
位置。
用工业水的设备:引风机、送风机、排粉机、磨煤机电机和磨煤机的稀油站。
二、锅炉蒸汽流程概述1.水蒸汽定压产生的过程:三个阶段,五个状态。
三个阶段:预热阶段、汽化阶段、过热阶段。
五个状态:过冷水、饱和水、湿饱和蒸汽、干饱和蒸汽、过热蒸汽。
问题:什么是饱和状态?什么是饱和温度?什么是饱和压力?什么是湿饱和蒸汽?什么是干饱和蒸汽?什么是过热蒸汽?什么是过热度?水汽平衡共存的状态为饱和状态。
饱和状态所具有的温度为饱和温度。
锅炉的汽、水系统与汽水共腾锅炉的汽、水系统与"汽水共腾"一、船舶辅锅炉的汽、水系统1.水管锅炉的水循环.;循环方式有两种,一是利用泵使汽水混合物经受热面的强制循环,二是利用水与汽水混合物的密度差使汽水混合物经蒸发受热面流动,叫自然循环.目前大多数船用锅炉采用自然循环。
自然循环的优点是设备简单,无需专门的循环泵.1.1.自燃循环的基本原理水管锅炉的自然循环回路由汽包、水筒(或联箱)、下降管及上升管(蒸发受热面)组成,受热面上进行着水变为汽水混合物的沸腾过程,锅炉安全工作,上升管的流动状况和限制壁温过高的条件在蒸发作的重要条件之一是蒸发受热面的管壁温度不超过其金属的许用温度。
根据传热学,水管锅炉蒸发受热面外壁温度与管内工质温度、管内壁对流放热系数a,管内水垢和管壁金属的导热热阻及单位受热面热负荷q有关。
目前船用锅炉工作压力最高约为6MPa,管内工质的温度(该压力下水的饱和温度)不超过276℃.水垢热阻与水质情况有关。
目前炉水处理良好巳能作到基本上无垢运行,而金属的热阻较小;因此管子外壁温度与管内工质温度差主要取决于a及1.2保证自燃水循环良好的措施为了防止蒸发受热面过热烧坏,除了防止受热面热负荷过大和结垢严重外,主要是保证水循环良好,即保证所有的上升管有足够的循环流速Wo(以上升管人口处计)和进水流量为了保证良好的水循环,在设计和管理上应注童以下几个方面;(1)尽量减少或避免下降管带汽(2)避免上升管受热不均现象加重-(3)避免上升管流动阻力过大(4)尽量避免用汽量突然增大或减小,引起工作汽压急剧降低或升高.(5)运行中不宜在下锅筒进行下排污,这会破坏水循环。
2.影响蒸汽带水的因素和汽水分离设备;若饱和蒸汽用于驱动蒸汽辅机,带水过多也会引起这些机械的水击;由汽包引出的饱和蒸汽带水过多,就会使蒸汽品质下降,蒸汽携水所带有的盐分可能加快汽、水管路和设备的腐蚀;在过热器中被加热蒸发,溶解在水中的盐分就沉积在过热对于装有过热器的锅炉,如蒸汽带水进入过热器,则水器的内壁上,使过热器管子烧坏。
锅炉设备及汽水流程锅炉设备介绍:1、钢结构:整个锅炉设备全部由钢结构支撑,悬吊在大板梁上,由于整个受热面系统的热胀冷缩,因此将水冷壁、过热器、再热器、省煤器等受热面设备通过吊挂装置全部悬挂在大板梁上,以保证整个锅炉能向上向下自然膨胀。
钢结构:一般材质为Q235A或Q235B,它是由几根大的钢柱和梁,还有斜撑构成。
钢结构设备到货为散件,钢结构到现场后由现场组合安装,钢结构的连接方式有焊接和螺栓连接,螺栓一般采用高强度螺栓。
采用螺栓连接的钢结构,在安装调整初期,要求每一层安装时需用临时普通螺栓初紧固,待调整和验收完毕,才能用高强度螺栓紧固,在钢架验收时候要对高强度螺栓的紧固度进行检查。
锅炉基础锅炉钢结构安装锅炉钢结构锅炉钢结构高强螺栓锅炉大板梁锅炉钢架锅炉钢架地面准备锅炉钢结构(注意剪力槽钢,与土建对应必须留有足够的剪力槽)锅炉吊挂装置,受热面设备全部吊挂在大板梁上2、水冷壁:炉膛四周由膜式管道密封组成,形成一个方体中空炉膛,由刚性梁连接形成方形整体,通过吊挂装置悬吊在大板梁上,保证向上和向下受热自然膨胀,前后左右膨胀由导向装置限制;接受炉膛火焰的直接辐射传热,水在水冷壁里经过加热至水沸腾,形成水与蒸汽的混合体,产生饱和蒸汽,最上端由上集箱连接,上端通过上集箱与锅筒连通,最下端由下集箱连接,最下端与下降管连通,同时也与锅筒连通。
水冷壁:一般材质为20G。
为保证炉膛燃烧后的热量能完全被水冷壁管内的水吸收,因此必须将炉膛密封起来,在安装水冷壁时候将管屏与管屏之间密封焊接起来保证密封形成密闭炉膛。
在水冷壁的外面为了防止热量损失及防止烫伤所以在水冷壁的外面设置了保温棉及耐火砖,保证热量损失。
水冷壁地面组合检查水冷壁地面组合水冷壁地面组合检查后吊装锅炉水冷壁安装水冷壁对口焊接锅炉水冷壁焊接及刚性梁安装下部水冷壁及水冷壁刚性梁水冷壁上集箱安装3、锅筒(汽包):圆筒形的筒体,通过吊挂装置悬挂安装在大板梁上,在炉膛的上部,与省煤器、过热器、水冷壁直接连通,在锅筒里起着汽水分离、沉淀、保证自然循环的压头、加药、排污等作用。