风险管理记录表填写内容
- 格式:docx
- 大小:203.48 KB
- 文档页数:74
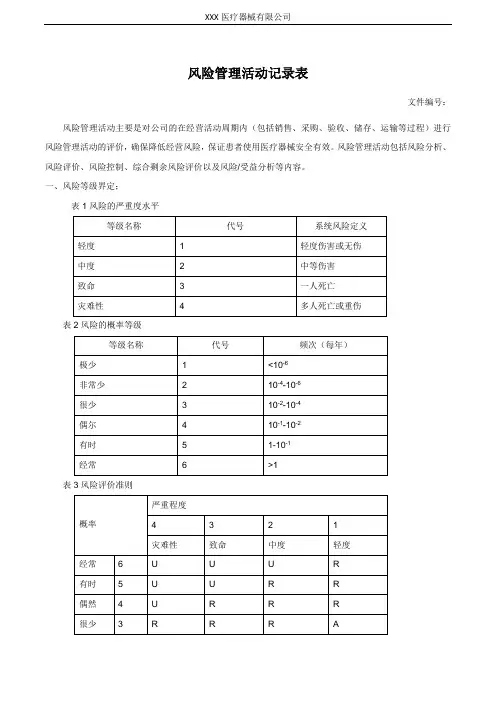
风险管理活动记录表文件编号:风险管理活动主要是对公司的在经营活动周期内(包括销售、采购、验收、储存、运输等过程)进行风险管理活动的评价,确保降低经营风险,保证患者使用医疗器械安全有效。
风险管理活动包括风险分析、风险评价、风险控制、综合剩余风险评价以及风险/受益分析等内容。
一、风险等级界定;表1风险的严重度水平表2风险的概率等级表3风险评价准则A:可接受的风险;R:合理可行降低(ALARP)的风险;U:不可接受的风险。
二、风险分析;对经营活动中的各项环节进行分析,判断是否存在风险以及风险可接受程度。
1. 销售过程;1.1 客户资质:客户是否具有合法资质,客户的经营范围是否符合?有合法资质□ 无合法资质□经营范围符合□ 经营范围部符合□1.2 销售合同是否经过评审:合同经过评审□ 合同未经评审□经评审部门认可□未经评审部门认可□1.3 客户信誉度:初次合作□ 多次合作□信誉度未知□ 信誉度良好□2. 采购过程;2.1 供方资质:客户是否具有合法资质,客户的经营范围是否符合?有合法资质□无合法资质□经营范围符合□经营范围部符合□2.2 供方评审情况:如实进行□ 未进行□供货及时□ 供货时间长□2.3 供方信誉度初次合作□ 多次合作□ 信誉度未知□ 信誉度良好□3. 验收、储存过程;3.1 是否建立查验制度;已建立□ 未建立□ 保存检验记录□未保存检验记录□3.2 有专职检验人员履职;专职检验人员□兼职检验人员□经过培训□未经培训□3.3 是否按产品储存要求储存;产品有特殊储存要求□ 产品无特殊储存要求□低温冷藏□常温储存□3.4 是否对储存环境进行监控有监控调节设备□无监控调节设备□监控设备已计量□监控设备未计□3.5 是否具备计算机管理系统,计算机系统是否具备规定功能;有计算机管理系统□无计算机管理系统□系统功能齐全□系统功能缺失□4. 产品防护过程;4.1 包装、标签、说明书;齐全□缺失□符合总局6号令□不符合总局6号令□4.2 区域划分;仓库区域划分明确□仓库区域未划分□货架摆放合理□货架摆放杂乱□4.3 产品防护;发货包装牢固□发货包装松软□包装标识清晰□包装无标识□4.4 运输过程;配送□自提□常温运输□冷链运输□三、风险评价、控制:对已发现的风险进行评价和控制,采取必要措施避免或降低风向发生的概率,保证经营过程正常进行。
风险管理记录表036•2013控制后原风险可以接受,预防措施得当。
质量管理部部长:日期:年月日质量负责人:日期:年月日风险管理记录表036•2013控制后原风险可以接受,预防措施得当。
质量管理部部长:日期:年月日质量负责人:日期:年月日风险管理记录表036•2013控制后原风险可以接受,预防措施得当。
质量管理部部长:日期:年月日质量负责人:日期:年月日风险管理记录表036•2013控制后原风险可以接受,预防措施得当。
质量管理部部长:日期:年月日质量负责人:日期:年月日风险管理记录表036•2013控制后原风险可以接受,预防措施得当。
质量管理部部长:日期:年月日质量负责人:日期:年月日风险管理记录表036•2013控制后原风险可以接受,预防措施得当。
质量管理部部长:日期:年月日质量负责人:日期:年月日风险管理记录表036•2013控制后原风险可以接受,预防措施得当。
质量管理部部长:日期:年月日质量负责人:日期:年月日风险管理记录表036•2013控制后原风险可以接受,预防措施得当。
质量管理部部长:日期:年月日质量负责人:日期:年月日风险管理记录表036•2013控制后原风险可以接受,预防措施得当。
质量管理部部长:日期:年月日质量负责人:日期:年月日风险管理记录表036•2013控制后原风险可以接受,预防措施得当。
质量管理部部长:日期:年月日质量负责人:日期:年月日风险管理记录表036•2013日期:年月日控制后原风险可以接受,预防措施得当。
质量管理部部长:日期:年月日质量负责人:日期:年月日风险管理记录表036•2013控制后原风险可以接受,预防措施得当。
质量管理部部长:日期:年月日质量负责人:日期:年月日风险管理记录表036•2013控制后原风险可以接受,预防措施得当。
质量管理部部长:日期:年月日质量负责人:日期:年月日风险管理记录表036•2013控制后原风险可以接受,预防措施得当。
质量管理部部长:日期:年月日质量负责人:日期:年月日风险管理记录表036•2013质量管理部部长:日期:年月日质量负责人:日期:年月日风险管理记录表036•2013控制后原风险可以接受,预防措施得当。
主题:安全风险管理工作会议记录内容1. 会议时间:xxx上午9点-11点2. 会议地点:公司会议室3. 主持人:安全风险管理部主管4. 与会人员:公司各部门负责人、安全风险管理部各成员会议记录:一、会议开场1.1 主持人致开幕词,对与会人员表示感谢,并简要介绍今天会议的主要议程。
1.2 宣布会议纪律,提醒与会人员关闭无线终端,保持会场安静。
二、安全风险管理工作总结2.1 安全风险管理部主管对上季度的工作进行总结,分析安全隐患和风险点的发现情况,以及各部门在风险管控、事故应急处理方面的表现。
2.2 对安全风险管理工作中存在的问题和不足进行指出,并提出改进意见和建议。
三、安全事故案例分析与教训总结3.1 安全风险管理部针对最近发生的安全事故案例进行了详细分析,总结事故原因和导致因素,并对处理过程进行了评估。
3.2 各部门代表就案例中的教训和启示进行了交流和讨论,提出了相关改进和防范措施。
四、安全风险管理工作计划4.1 安全风险管理部主管向与会人员介绍了下一季度的工作计划和重点任务,包括加强现场巡查、加强隐患排查、加强员工安全教育等方面的工作安排。
4.2 就工作计划中的重点任务和重点工作进行了讨论和交流,各部门负责人表示将全力配合安全风险管理部的工作安排,积极落实工作任务。
五、会议总结和要求5.1 主持人对本次会议进行了总结,强调各部门要高度重视安全风险管理工作,加强风险防范和隐患排查工作,确保公司安全生产和员工安全。
5.2 要求各部门及时整改存在的安全隐患,合理分配安全生产经费,确保安全生产设施设备的正常运行和维护。
5.3 安排下次安全风险管理工作会议的时间和地点。
六、会议结束6.1 主持人宣布本次会议圆满结束,感谢与会人员的参与和配合,并祝愿大家工作顺利、身体健康。
以上就是今天安全风险管理工作会议的全部内容,希望通过这次会议能够更好地加强公司的安全风险管理工作,确保员工的生命财产安全,促进公司持续健康发展。
食品安全风险“日管控、周排查、月调度”记录表公司基于食品安全风险防控的需要,结合企业的实际情况,为了有效落实食品安全主体责任,依据《企业落实食品安全主体责任监督管理规定》(总局令第60号)制定了落实食品安全主体责任的“风险管控清单”,建立了“食品安全风险日管控、周排查、月调度”工作制度和机制,编制了“日管控、周排查、月调度”记录表格。
现提供各食品相关单位和部门参考使用。
每日食品安全管控检查记录
记录填写说明:
1.食品安全员正常工作日每日根据日管控风险管控清单进行检查,形成《每日食品安全检查记录》;
2.针对相应的检查项目,在检查结果栏“□”打“√”,如检查发现不符合,需要在“不符合项说明”栏中详细记录不符合具体内容;
3.对发现的食品安全风险隐患,应当立即采取防范措施,按照程序及时上报食品安全总监(食品安全负责
人)或者企业主要负责人。
每周食品安全排查治理报告
每月食品安全调度会议纪要
汇报人:×××日期:2023年××月××日负责人:×××日期:2023年××月××日。
风险管理记录表036?2013日期:年月日控制后原风险可以接受,预防措施得当。
质量管理部部长:日期:年月日质量负责人:日期:年月日风险管理记录表036?2013日期:年月日控制后原风险可以接受,预防措施得当。
质量管理部部长:日期:年月日质量负责人:日期:年月日风险管理记录表036?2013日期:年月日质量管理部部长:日期:年月日质量负责人:日期:年月日风险管理记录表036?2013日期:年月日控制后原风险可以接受,预防措施得当。
质量管理部部长:日期:年月日质量负责人:日期:年月日风险管理记录表036?2013日期:年月日风险管理记录表036?2013日期:年月日控制后原风险可以接受,预防措施得当。
控制后原风险可以接受,预防措施得当。
质量管理部部长:日期:年月日质量负责人:日期:年月日风险管理记录表036?2013日期:年月日控制后原风险可以接受,预防措施得当。
质量管理部部长:日期:年月日质量负责人:日期:年月日风险管理记录表036?2013日期:年月日风险管理记录表036?2013日期:年月日控制后原风险可以接受,预防措施得当。
质量管理部部长:日期:年月日质量负责人:日期:年月日控制后原风险可以接受,预防措施得当。
质量管理部部长:日期:年月日质量负责人:日期:年月日风险管理记录表036?2013日期:年月日质量管理部部长:日期:年月日质量负责人:日期:年月日风险管理记录表036?2013日期:年月日日期:年月日控制后原风险可以接受,预防措施得当。
控制后原风险可以接受,预防措施得当。
质量管理部部长:日期:年月日质量负责人:日期:年月日风险管理记录表036?2013控制后原风险可以接受,预防措施得当。
质量管理部部长:日期:年月日质量负责人:日期:年月日风险管理记录表036?2013日期:年月日质量管理部部长:日期:年月日质量负责人:日期:年月日风险管理记录表036?2013日期:年月日控制后原风险可以接受,预防措施得当。
风险管理表单【最新版】目录1.风险管理表单的定义和作用2.风险管理表单的内容3.如何填写风险管理表单4.风险管理表单的应用场景5.风险管理表单的优点和局限性正文风险管理表单是指用于记录、评估和跟踪项目或活动过程中可能出现的各种风险的一种工具。
在项目或活动开始之前,通过对风险进行全面、系统的识别、评估和分析,可以为项目或活动制定相应的应对措施,以降低风险对项目或活动的影响,保证项目或活动的顺利进行。
风险管理表单的内容通常包括以下几个部分:1.风险的基本信息:包括风险名称、风险描述、风险类型等。
2.风险的影响分析:分析风险对项目或活动的可能影响,包括影响范围、影响程度、影响持续时间等。
3.风险的概率评估:评估风险发生的可能性,通常使用概率等级进行描述。
4.风险的应对措施:根据风险的影响分析和概率评估,制定相应的应对措施,以降低风险对项目或活动的影响。
在填写风险管理表单时,应确保表单内容的完整性和准确性。
首先,应全面、系统地识别和收集项目或活动中可能出现的各种风险。
其次,应客观、公正地分析和评估风险的影响和概率,避免主观臆断。
最后,应制定具体、可行的应对措施,确保在风险发生时能够迅速、有效地进行应对。
风险管理表单的应用场景非常广泛,可用于各种项目或活动,如企业战略规划、新产品研发、市场营销、生产运营等。
通过使用风险管理表单,可以提高项目或活动的成功率,降低风险带来的损失。
尽管风险管理表单具有很多优点,但也存在一些局限性。
首先,风险管理表单只能识别和分析已知的或可预测的风险,对于未知的或无法预测的风险,风险管理表单的作用可能会受到限制。
风险管理表是一种用于识别、评估和控制潜在风险的工具。
它通常包括以下几个部分:
1. 风险识别:在这一部分,列出可能对项目或业务产生负面影响的所有潜在风险。
这可以包括内部和外部风险,如市场变化、技术故障、人力资源问题等。
2. 风险描述:对每个识别出的风险进行详细描述,包括其来源、可能的影响以及发生的可能性。
3. 风险评估:根据风险的可能性和影响对其进行评估,确定其优先级。
这通常使用一个量化的评分系统,如低、中、高或1-5分。
4. 风险应对策略:对于每个识别出的风险,制定相应的应对策略。
这可能包括避免风险、减轻风险、转移风险或接受风险。
5. 风险所有者:指定负责管理每个风险的人或团队。
他们需要监控风险的发展,并确保采取适当的应对措施。
6. 风险跟踪:记录每个风险的状态,包括其当前的影响、应对措施的效果以及任何新的风险。
7. 审核和更新:定期审查风险管理表,以确保其内容的准确性和及时性。
在项目或业务环境发生变化时,可能需要更新风险管理表。
风险管理表单一、引言风险管理是指在项目或企业运营过程中,对可能发生的各种风险进行识别、评估、控制和监测的过程。
为了更好地管理风险,提高项目或企业的成功率,风险管理表单成为一个重要的工具。
本文将详细探讨风险管理表单的内容和使用方法。
二、风险管理表单的内容风险管理表单是用于记录和跟踪项目或企业中的各种风险信息的工具。
以下是一个常见的风险管理表单的内容:1. 风险描述在风险管理表单中,首先需要对每个风险进行详细的描述。
风险描述应包括风险的来源、可能导致的影响、发生的概率等信息。
2. 风险级别为了对风险进行分类和优先级排序,风险管理表单通常包含了风险级别的字段。
风险级别可以根据风险的严重程度和概率进行评估,一般分为高、中、低三个级别。
3. 风险影响风险管理表单中还需要记录风险对项目或企业的影响。
影响可以从多个角度来评估,如财务影响、时间影响、资源影响等。
4. 风险控制措施对于每个风险,风险管理表单应包含相应的风险控制措施。
控制措施可以包括预防措施和应对措施,以降低风险的发生概率和减轻风险的影响。
5. 负责人和截止日期为了保证风险管理的有效性,风险管理表单应明确指定负责人和相应的截止日期。
负责人负责监督和执行相应的风险控制措施,并在截止日期前完成相应的任务。
三、风险管理表单的使用方法风险管理表单作为一个工具,需要正确使用才能发挥其作用。
以下是一些使用风险管理表单的方法和注意事项:1. 定期更新风险管理表单应定期更新,以反映项目或企业中的最新风险情况。
当有新的风险出现或已有的风险发生变化时,应及时更新表单中的相关信息。
2. 多人参与风险管理是一个团队工作,因此在填写风险管理表单时,应该邀请相关的团队成员参与。
不同的团队成员可以提供不同的视角和经验,有助于更全面地识别和评估风险。
3. 定期评估风险管理表单中的风险级别和影响可能会随着项目或企业的进展而变化。
因此,应定期对已记录的风险进行评估,以确保风险的级别和影响的准确性。
肉制品企业风险管控记录表风险名称:食品安全风险责任部门:生产部门责任人:李经理风险描述:食品安全风险是指在肉制品生产过程中可能存在的食品污染、品质问题、卫生标准不达标等潜在风险。
风险等级:高风险风险影响:食品安全问题可能导致消费者的健康受到威胁,同时对企业的声誉和品牌形象造成严重影响。
风险管控措施:1. 严格执行食品安全法律法规,确保生产过程符合卫生标准和食品安全要求。
2. 建立完善的食品安全管理制度,包括食品原材料采购、生产加工、质量检验等全过程的管理措施。
3. 加强员工培训,提高员工的食品安全意识和操作技能,确保操作规范和卫生要求的落实。
4. 引入先进的生产设备和技术,提高生产效率和质量,降低食品安全风险。
5. 建立完善的食品安全监测体系,定期对产品进行抽检和监测,及时发现和处理潜在风险。
6. 加强供应商管理,确保原材料的质量和安全性,避免食品安全问题源头。
风险监控措施:1. 每日检查生产车间的卫生状况,确保生产环境清洁卫生。
2. 定期对生产过程进行抽样检测,确保产品的安全性和合格率。
3. 设立食品安全专职岗位,负责食品安全管理和风险监控工作。
4. 定期组织食品安全培训和演练,提高员工对食品安全的认识和应急处置能力。
5. 建立食品安全事件报告和处理机制,对食品安全问题及时报告和处理,防止风险扩大化。
风险评估与改进:1. 定期对食品安全风险进行评估,分析风险发生的可能性和影响程度,制定相应的改进措施。
2. 针对食品安全事件进行事后分析和总结,找出问题的原因和改进的方向,避免类似问题再次发生。
3. 加强与相关部门和行业协会的沟通与合作,及时了解行业动态和最新的食品安全要求,不断提升风险管控水平。
总结:肉制品企业在食品安全风险方面面临着较高的风险等级,需要加强风险管控措施的落实。
通过严格执行法律法规、建立完善的管理制度、加强员工培训、引入先进设备和技术、加强监测和供应商管理等措施,可以有效降低食品安全风险的发生概率,保障产品的质量和安全,维护企业的声誉和品牌形象。
XXX医院
医疗风险管理检查记录表
检查科室检查时间检查项目检查结果
医疗风险预防控制管理方案1、管理风险:
①诊疗衔接管理制度不完善有□无□
②执行新政策法规不熟悉有□无□
③开展新技术(项目)风险有□无□
2、诊疗风险:
①错误诊断有□无□
②延误诊断有□无□
③遗漏诊断有□无□
④颠倒主次诊断有□无□
⑤以症状体征代替诊断或不写诊断有□无□
3、检查治疗风险:
①选择的治疗方案或药物种类、剂量、用法失误有□无□
②手术,各种穿刺损伤及并发症有□无□
③输液反应有□无□
④过敏反应有□无□
⑤滥施辅助检查有□无□
4、医护人员自身风险:
①超常门诊量有□无□
②三级检诊少有□无□
③助理医师或未经授权医师承担高风险手术治疗或放射、心电图、超声检查操作
及出报告有□无□
④知识更新有□无□
⑤人身安全保障有□无□
5、医疗安全(不良)事件与安全隐患缺陷报告管理有□无□
医疗风险管理1、针对主要风险制定相应的:
①管理制度有□(规范□不规范□)无□
②管理流程有□(规范□不规范□)无□
③预案或处置规范有□(规范□不规范□)无□
2、对员工进行医疗风险预警通告制度是□(规范□不规范□)否□
3、有相关培训:
①医院培训及记录有□(规范□不规范□)无□
②医务科对科室的培训和督查有□(规范□不规范□)无□
③科室内部根据专业特点的培训有□(规范□不规范□)无□
存在问题
改进措施
效果评价
督查部门:督查人员签名:被检查科室主任签名:时间:。
肉制品企业风险管控记录表全文共四篇示例,供读者参考第一篇示例:肉制品企业是食品行业中一个重要的领域,但也存在一定的风险和挑战。
为了保障企业的可持续发展和消费者的健康安全,对企业的风险进行有效管控是非常重要的。
制作一份关于肉制品企业风险管控记录表就显得尤为重要。
一、肉制品企业风险管控记录表企业名称:___________ 日期:___________风险内容风险描述风险级别风险管控措施二、风险管控记录表使用说明1. 在每一栏目填写对应的内容,包括风险内容、风险描述、风险级别和风险管控措施。
2. 风险内容包括企业可能面临的风险类型,如原料采购、生产环境、生产工艺、产品质量、销售渠道等。
3. 风险描述详细描述了具体的风险情况,帮助企业了解风险的来源和影响。
4. 风险级别根据风险的重要程度和可能性评定,分为高、中、低三个级别。
5. 风险管控措施是对应的风险防范措施,帮助企业有效应对并控制风险。
6. 风险管控记录表可以作为企业风险管理计划的一部分,帮助企业建立健全的风险管控体系。
通过制作肉制品企业风险管控记录表,企业可以全面了解自身的潜在风险,并采取相应的措施进行有效管控,保障企业经营的稳健和可持续发展。
建立风险管控记录表也有利于企业建立风险防范意识,加强内部管理,提高生产质量和服务水平,增强企业竞争力和市场信誉。
希望以上信息对您有所帮助,谢谢!第二篇示例:肉制品企业的风险管控是一项至关重要的工作,它直接关系到企业的经营和发展。
为了更好地管理和控制各项风险,我们可以制作一份肉制品企业风险管控记录表,通过详细记录和分析各种潜在风险因素,从而制定有效的应对措施,确保企业的持续健康发展。
一、食品安全风险在肉制品生产过程中,食品安全是首要考虑的风险因素。
是否符合食品安全法规和标准,是否存在食品安全隐患,以及食品安全事件的应急处理等都是需要重点关注的问题。
在食品安全方面,我们可以通过以下内容来记录和管理:1.生产工艺和卫生条件:记录生产线的工艺流程和生产环境的卫生情况,确保生产过程符合食品安全标准。
网络安全风险防护记录表记录ID:__________ 日期:__________
风险项:
- 描述:
- 风险等级(高/中/低):
- 受影响系统/服务:
- 风险来源:
- 防护措施:
- 实施状态(已实施/未实施):
- 负责人:
- 审核人:
注:本记录表用于记录网络安全风险的防护措施及实施情况,请根据实际情况填写。
风险项、风险描述、风险等级、受影响系统/服务、风险来源等信息请详细填写,以便于负责人和审核人了解风险情况,制定相应的防护措施。
防护措施请务必详细填写,包括已实施的措施和未实施的措施,以便于负责人和审核人了解实施情况,并对未实施的措施进行跟进和督促。
负责人和审核人请务必填写,以便于对防护措施的实施进行监督和审核。
质量管理部部长:日期:年月日质量负责人:日期:年月日
质量管理部部长:日期:年月日质量负责人:日期:年月日
•036•2013
质量管理部部长:日期:年月日质量负责人:日期:年月日
风险管理记录表
质量管理部部长:日期:年月日质量负责人:日期:年月日
风险管理记录表
•036•2013
质量管理部部长:日期:年月日质量负责人:日期:年月日
风险管理记录表
•036•2013
质量管理部部长:日期:年月日质量负责人:日期:年月日
风险管理记录表
•036•2013
日期:年月日
质量管理部部长:日期:年月日质量负责人:日期:年月日
风险管理记录表
•036•2013
日期:年月日
质量管理部部长:日期:年月日质量负责人:日期:年月日
风险管理记录表
•036•2013
日期:年月日
质量管理部部长:日期:年月日质量负责人:日期:年月日
风险管理记录表
•036•2013
日期:年月日
质量管理部部长:日期:年月日质量负责人:日期:年月日
风险管理记录表
•036•2013
日期:年月日
质量管理部部长:日期:年月日质量负责人:日期:年月日
风险管理记录表
•036•2013
日期:年月日
质量管理部部长:日期:年月日质量负责人:日期:年月日
风险管理记录表
•036•2013
日期:年月日
质量管理部部长:日期:年月日质量负责人:日期:年月日
风险管理记录表
•036•2013
日期:年月日
质量管理部部长:日期:年月日质量负责人:日期:年月日
风险管理记录表
•036•2013
日期:年月日
质量管理部部长:日期:年月日质量负责人:日期:年月日
风险管理记录表
•036•2013
日期:年月日
质量管理部部长:日期:年月日质量负责人:日期:年月日
风险管理记录表
•036•2013
日期:年月日
质量管理部部长:日期:年月日质量负责人:日期:年月日
风险管理记录表
•036•2013
日期:年月日
质量管理部部长:日期:年月日质量负责人:日期:年月日
风险管理记录表
•036•2013
日期:年月日
质量管理部部长:日期:年月日质量负责人:日期:年月日
风险管理记录表
•036•2013
日期:年月日
质量管理部部长:日期:年月日质量负责人:日期:年月日
风险管理记录表
•036•2013
日期:年月日
质量管理部部长:日期:年月日质量负责人:日期:年月日
风险管理记录表
•036•2013
日期:年月日
质量管理部部长:日期:年月日质量负责人:日期:年月日
风险管理记录表
•036•2013
日期:年月日
质量管理部部长:日期:年月日质量负责人:日期:年月日
风险管理记录表
•036•2013
日期:年月日
质量管理部部长:日期:年月日质量负责人:日期:年月日
风险管理记录表
•036•2013
日期:年月日
质量管理部部长:日期:年月日质量负责人:日期:年月日
风险管理记录表
•036•2013
日期:年月日
质量管理部部长:日期:年月日质量负责人:日期:年月日
风险管理记录表
•036•2013
日期:年月日
质量管理部部长:日期:年月日质量负责人:日期:年月日
风险管理记录表
•036•2013
日期:年月日
质量管理部部长:日期:年月日质量负责人:日期:年月日
风险管理记录表
•036•2013
日期:年月日
质量管理部部长:日期:年月日质量负责人:日期:年月日
风险管理记录表
•036•2013
日期:年月日
质量管理部部长:日期:年月日质量负责人:日期:年月日
风险管理记录表
•036•2013
日期:年月日
质量管理部部长:日期:年月日质量负责人:日期:年月日
风险管理记录表
•036•2013
日期:年月日
质量管理部部长:日期:年月日质量负责人:日期:年月日
风险管理记录表
•036•2013
日期:年月日
质量管理部部长:日期:年月日质量负责人:日期:年月日
风险管理记录表
•036•2013
日期:年月日
质量管理部部长:日期:年月日质量负责人:日期:年月日
风险管理记录表
•036•2013
日期:年月日
质量管理部部长:日期:年月日质量负责人:日期:年月日
风险管理记录表
•036•2013
日期:年月日
质量管理部部长:日期:年月日质量负责人:日期:年月日
风险管理记录表
•036•2013
日期:年月日
质量管理部部长:日期:年月日质量负责人:日期:年月日
风险管理记录表
•036•2013
日期:年月日
质量管理部部长:日期:年月日质量负责人:日期:年月日
风险管理记录表
•036•2013
日期:年月日
质量管理部部长:日期:年月日质量负责人:日期:年月日
风险管理记录表
•036•2013
日期:年月日
质量管理部部长:日期:年月日质量负责人:日期:年月日
风险管理记录表
•036•2013
日期:年月日
质量管理部部长:日期:年月日质量负责人:日期:年月日
风险管理记录表
•036•2013
日期:年月日
质量管理部部长:日期:年月日质量负责人:日期:年月日
风险管理记录表
•036•2013
日期:年月日
质量管理部部长:日期:年月日质量负责人:日期:年月日
风险管理记录表
•036•2013
日期:年月日
质量管理部部长:日期:年月日质量负责人:日期:年月日
风险管理记录表
•036•2013
日期:年月日
质量管理部部长:日期:年月日质量负责人:日期:年月日
风险管理记录表
•036•2013
质量管理部部长:日期:年月日质量负责人:日期:年月日
风险管理记录表
•036•2013
日期:年月日
质量管理部部长:日期:年月日质量负责人:日期:年月日
风险管理记录表
•036•2013
日期:年月日
质量管理部部长:日期:年月日质量负责人:日期:年月日
风险管理记录表
•036•2013
日期:年月日
质量管理部部长:日期:年月日质量负责人:日期:年月日
风险管理记录表
•036•2013
日期:年月日
质量管理部部长:日期:年月日质量负责人:日期:年月日
风险管理记录表
•036•2013
日期:年月日。