餐饮业绩效考核表(店长、前厅领班、吧台、厨师长、后厨、服务员、收银员、库管、后勤)(1)
- 格式:doc
- 大小:202.00 KB
- 文档页数:11
餐饮业不同职位绩效评价表
服务员绩效评价
工作内容
服务员负责为客人提供就餐服务,包括引导客人入座、介绍菜单、点餐、上菜、清理餐具以及为客人解决问题等。
绩效指标
1. 服务态度:礼貌、热情、耐心、细致;
2. 服务效率:能快速响应客人需求,及时为客人上菜、加水等;
3. 客户满意度:客人对服务员的评价和反馈。
厨师绩效评价
工作内容
厨师负责烹饪菜肴以及保持厨房卫生和安全。
绩效指标
1. 菜品质量:菜品的口感和质量;
2. 菜品创新:研发新菜品,提高餐厅知名度;
3. 工作效率:完成工作的速度和准确性。
收银员绩效评价
工作内容
收银员负责为客人结账和管理收银台。
绩效指标
1. 收银准确性:银行卡、现金兑换等操作的正确性;
2. 工作效率:处理客人结账的速度和准确性;
3. 服务态度:礼貌、热情、耐心、细致。
餐厅经理绩效评价
工作内容
餐厅经理负责协调和管理餐厅运营。
绩效指标
1. 营业额:实现预算和目标排名的能力;
2. 成本控制:有效控制成本,降低开支;
3. 客户满意度:客人对餐厅的评价和反馈;
4. 员工管理:员工招聘、培训、考核和绩效管理等方面的表现。
餐饮各岗位绩效考核表
前厅部:
大堂经理绩效考核内容及标准
考核方式:百分奖分制。
前厅主管绩效考核内容及标准考核方式:百分奖分制。
服务领班绩效考核内容及标准考核方式:百分奖分制。
服务员绩效考核内容及标准考核方式:百分奖分制。
传菜领班绩效考核内容及标准考核方式:百分奖分制。
传菜员绩效考核内容及标准考核方式:百分奖分制。
门迎绩效考核内容及标准考核方式:百分奖分制。
吧台领班绩效考核内容及标准考核方式:百分奖分制。
收银员、输单员绩效考核内容及标准考核方式:百分奖分制。
酒水员绩效考核内容及标准
考核方式:百分奖分制。
后厨部:
厨师长绩效考核内容及标准考核方式:百分奖分制。
后厨部:
炉灶领班绩效考核内容及标准考核方式:百分奖分制。
后厨部:
烧烤部经理(配送中心经理)绩效考核内容及标准考核方式:百分奖分制。
后厨部:
烧烤部主管绩效考核内容及标准
前厅部:
备餐员绩效考核内容及标准考核方式:百分奖分制。
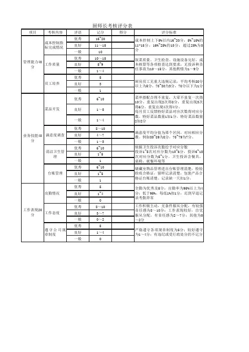
项目考核内容评语记分得分评分标准优秀16~20良好11~15一般10优秀10~15良好5~9一般1~4优秀5良好3一般1优秀6~10良好1~5一般1~4优秀8~10良好4~7一般1~3优秀6~10良好1~5一般1优秀6~10良好1~5一般1优秀5良好1~4一般0优秀8~10良好3~7一般0~2优秀5良好1~4一般厨师长考核评分表工作表现20分出勤情况全勤为优秀及5分;出勤率为95%以上为4分;低于95%,每低1%扣1分,迟到早退记录考勤异常工作态度工作积极主动,无条件服从分配,有较强责任感为8~10分;工作表现较好,自觉服从分配,有责任感为2~7分;其他为0~2分遵守公司规章制度严格遵守各项规章制度为5分;较好遵守为1~4分;有违纪或受行政处分的不记分菜品开发菜单搭配合理不重复,大荤不重复一次得10分,重复出现2次得8分,重复出现3次得6分,重复出现4次得4分。
每月员工反馈特好菜品对应次数得对应分数。
特好菜品数量1加1分,特好菜品数量2加2分满意度调查满意度平均分值为那个区间,对应相应分数。
例如80~89为8分,70~79为7分。
依据卫生投诉次数给予对应分数投诉1~5次对应分数为10~6分,投诉6~10次对应分数为5~1分。
卫生投诉含餐具,桌椅,就餐环境等清洁卫生管理业务技能40分台账管理储藏室物品管理进出台账管理清楚,检验检疫合格证,留样记录清楚,包装产品合格证台账清楚。
记录缺一天扣1分。
管理能力40分成本控制上下5%以内16~20分,5%~15%的11-15分,16%~25%的10分,超过25%为0分工作质量饭菜质量、卫生检查、设施设备完好,成本核算等各项检查达到要求,无投诉和责任事故为10~15分,其他酌情为1~9分员工培养厨房员工无重大违规记录,平均考核80分以上为5分,70~80为3分,70分以下为1分成本控制指标完成情况。
30员工的每月考核评估达成率90以上30 分80以上15 分80以下 0 分10顾客满意率达 90以上10 分80以上5 分80以下0 分报表准确度达 1001510客满意度 85以上10 分70以上 5 分70以下 0 分顾客无投诉, 交办工作完成率 100, 10 分90以上5 分90以下0 分10盘点准确率 100 5155加权合计行为考核序号行为指标权重指标说明考核评分自评上级结果1 商业保密251级:明知商业技术及信息的范围及要点2级:工作期间遵守单位保密协议,并积极宣传正面信息3级:不进行商业性信息交易,不透露单位发展的技术及战略4级:维护公司商业机密并有实际案例5级:影响他人做好商业保密,离职后五年不脱密的职业操守1级5 分2级10 分3级15 分4级20 分5级25 分2 领导力251级:任命员工合理2级:能正确评价员工付出与回报协调性3级:对员工业绩与态度进行客观评价4级: 掌握岗位精确工作技术及全面专家技术并组织实施产生良好效果, 培训员工为胜任力者5级:影响力大,员工自愿追随并付出贡献1级5 分2级10 分3级15 分4级20 分5级25 分3 承担责任251级: 承认结果, 而不是强调愿望2级:承担责任,不推卸,不指责3级:着手解决问题,减少业务流程4级: 举一反三, 改进业务流程5级: 做事有预见, 有防误设计1级5 分2级10 分3级15 分4级20 分5级25 分4 团队合作251级:尊重他人,接纳不同意见,合理和包容2级:直言,分享他们的观点和信息使团队前进3级:支持团队领导者的决定,即使自己有不同意见4级: 愿意提供即使是不属自己日常工作职责范围的帮助5级:跨边界建立关系以发展非正式及正式工作网络1级5 分2级10 分3级15 分4级20 分5级25 分加权合计总分总分=业绩考核得分×+行为考核得分×=。
餐饮绩效考核方法篇一:餐饮业绩效考核表(店长、前厅领班、吧台、厨师长、后厨、服务员、收银员、库管、后勤)店长绩效评估指标量表篇二:餐饮绩效考核管理办法绩效考核管理办法第一条:目的1、通过绩效考核促进上下级沟通和各部门间的相互协作。
2、通过客观评价员工的工作绩效,帮助员工提高自身工作水平,从而有效提升公司整体绩效。
3、通过绩效考核,使公司员工工作行为有所规范,考核有所依循,为公司的人力资源的开发与规划提供合理依据。
第二条:适用范围本办法适用于公司所有正式员工;新进人员仍在试用期内的、复职人员在职日未满3个月者、兼职及计时工不在此列。
第三条:考核时间考核分为月度考核、季度考核、项目考核和年度考核。
其中月度考核、季度考核于月度、季度结束后十日内完成;项目考核于项目结束后十日内完成,年度考核于次年一月二十日前完成。
不同的考核对象考核周期不同,详见下表:考核周期表第四条:考核内容(KPi指标)1、营业指标;2、管理指标;3、行为指标;1附表:●总经理绩效考核表●店经理绩效考核表●前厅经理绩效考核表●前厅主任绩效考核表●前厅主管绩效考核表●厨师长绩效考核表●厨师绩效考核表●服务员绩效考核表●传菜员绩效考核表●收银员绩效考核表●吧员绩效考核表●保洁员绩效考核表●保安员绩效考核表●迎宾人员绩效考核表●切配人员绩效考核表●打荷人员绩效考核表●海鲜养殖人员绩效考核表●初加工人员绩效考核表●洗碗人员绩效考核表●行政部绩效考核表●人力资源部绩效考核表●财务部绩效考核表●企划部绩效考核表●工程部绩效考核表●采购部绩效考核表第五条:考核责任者1、对店经理、行政总厨、前厅经理、厨师长的考核,由人力资源部组建考评小组进行考评。
2、对店各部门第一主管的考核,由店经理、行政总厨、店经理及厨师长组成考评小组进行考评,人力资源部协助、监督执行。
2第六条:考核方式1、考评分数满分为100分。
2、每项考评内容标准为最高分,被考评者未完成评估内容以递减方式减分,每档10分。
一张表格,让后厨绩效考核一目了然!绩效考核对现代的餐饮酒店来说尤为重要,不能合理激励员工,就不能让员工充满干劲。
以下后厨绩效考核的六张表格,哪个适合你的餐厅?1简易考核小店大店都能用分享人丨蒋恩崇以前,我们酒店后厨的绩效考核内容设计得非常细,表格也很繁琐,但是用到最后,我们发现表格越细化绩效考核越复杂,复杂到我们在填写表格时有些“不堪重负”,所以我们对绩效考核方法进行了“瘦身”,形成了下面这个简易的表格。
其实,你别看这个表格很简单,但是应用起来特别方便。
每天工作结束后,我们会将食客的反馈意见和厨师长的抽检意见汇总起来,填写在“得票”一栏,每获得一次好评(或者一次差评)画一杠。
到了月底,只要数数表格中画了几道杠即知每位厨师当月的工作表现。
每获得一次好评,奖励5元。
如果一个月可以获得20次好评,此厨师就可以获得100元的奖励。
这种方法是不是应用起来简单多了!当然了,当月获得好评最多的厨师,我们还会给他500元的现金奖励。
2十项考核评估很细致分享人丨高岳青跟前面蒋师傅介绍的表格有点不同,我们的绩效考核内容设计得就比较复杂一些,涉及的面也很广,包括毛利率、能耗管理和日常管理三大部分,含有毛利率、营收比、水耗、电耗、煤耗、员工流失率、六T及安全、分块管理及执行情况、考勤和质量投诉10项内容。
每项内容占10分,满分为100分。
虽说我们的表格很复杂,但是使用起来还是比较简单的。
你可以从表格中看出,里面的内容是用红色和白色两种颜色来标注的。
红色标注的内容是没有达到指标的,有一项没有达到指标的扣10分,有两项没有达标的扣20分。
就比如炉灶,一共有四个项目没有达到指标,所以得分是60分。
月底,我们根据得分情况发放厨房各主管的管理绩效。
得分为100分的,可以得到全部管理绩效;得到80分的,可以拿到管理绩效的80%;得到60分的,只能拿到管理绩效的60%。
这个表格中的某些内容可能在其他酒店的绩效考核中也会涉及的到,这里主要突出说明两块内容,一个是员工流失率,一个是质量投诉。