基于西门子PLC电动机正反转互锁控制实验报告
- 格式:docx
- 大小:543.94 KB
- 文档页数:7
PLC电机正反转实验报告PLC电机正反转实验报告PLC实验报告实验名称:组长:组员:组员:班级:实验时间:电动机基本控制单元杨键090603161翟俊090603166张万权090603171自动化202*-1-一、实验目的1.能够制作I/O分配表;2.能够独立完成程序的编辑;3.能够调试并运行程序;4.能够学以致用,把所学习的知识融会贯通来控制电机的运行;5.能够在所学习的基础上有所创新,让电机有一些新的功能;二、实验内容(1)电动机的正反转控制及运行(必须实现)(2)可以延时自动切换正反转,可以手动,或者其他控制想法,可自由发挥。
视实现难度评分。
I/O分配表输入信号正转开关SB1反转开关SB2停止输出信号正转反转程序:I0.0I0.1I0.2Q1.0Q1.三、小结与体会通过本次试验,使我对“运动控制系统”这门课程中电机的运行有了形象直观的了解,通过程序控制电机的启停,以及正反转的转换,形象的展现出在理论课上所学习的抽象的难以理解的知识。
在编辑的过程中,我们遇到的麻烦不少,就像正反转不能同时运行,否则会损坏电机,因此在编程时的自锁与互锁就尤为重要,而且三相电的连线方法也必须正确,否则无法正常运行。
在解决这些问题的过程中,我们不断的战胜困难,不断进取,不断创新,最终取得了胜利的果实。
扩展阅读:电机正反转控制实验报告电机正反转控制实验报告一、实验目的1、掌握可编程控制器的工作原理。
2、通过动手接线,提高学生的实际动手能力以及加强对PLC基本结构的了解。
3、通过实验,加强学生对PLC逻辑顺序编程的理解,使学生能够熟练应用三菱PLC的开发工具软件和软元件。
二、实验内容三.硬件电路图将PLC与实验装置上面的接线端子连接,通过PLC来对上面的电机进行控制。
四、PLC梯形图PLC梯形图如下:I/O分配如下:五、工作原理当启动按钮SB1按下时,X0接通,系统进入工作状态,当停止按钮SB2接通时,X1接通,系统停止工作。
实验报告实验课程:基于西门子PLC电动机正反转互锁控制学生姓名:张荣学号:130302062专业班级:13级应电一班二〇一六年六月十六日实验报告传统的继电器控制系统中都使用了继电器、接触器等器件。
在这样的纯硬继电器系统中,系统的接线难度会随着系统的复杂程度增加。
再者,继电器系统使用了大量的机械触点,其存在机械磨损和电弧烧伤等缺点。
以上原因使系统的可靠性和可维护性都变得很差。
当前在工业控制领域广泛使用的PLCPLC分为固定式和组合式(模块式)两种。
固定式PLC包括CPU板、I/O板、显示面板、内存块、电源等,这些元素组合成一个不可拆卸的整体。
模块式PLC包括CPU模块、I/O模块、内存、电源模块、底板或机架,这些模块可以按照一定规则组合配置。
PLC具有功能强、可靠性高,抗干扰能力强、安装维护方便等很多优点,完全可以取代传统的继电器控制系统。
一、实验目的1.能够独立制作I/O分配表;2.能够独立完成程序的编辑;3.能够调试并运行程序,能够学以致用,把所学知识融会贯通来控制电机的运行;4.能够在所学习的基础上有所创新,让电机有一些新的功能;5.增强实践动手能力,熟悉相关电汽结构和电器的使用;6.了解相关电子线路布线与布局;7.了解控制电路中各种保护及互锁、自锁环节的作用;8.学会分析故障与排除故障的方法;二、实验设备1.西门子实验箱2.编程软件STEP7 V5.5 SP23.计算机一台4.按钮开关3个,接触器2个,热过载1个,熔断器2个,电动机1台三、实验步骤1.了解电路相关控制要求,制作出电气控制原理图。
图3.1.1电动机正反转互锁控制电气图2.电路原理介绍图3.1.1为正反转互锁控制电路,电路分为主电路可控制电路两部分。
主电路中的两个交流接触器KM1和KM2分别构成正反两个相序电源连接线。
控制原理分析:KM1为电动机正向运行交流接触器,KM2为电动机反向运行交流接触器,SB1为正向启动按钮,SB3为反向启动按钮,SB2为停止按钮,KH为过载保护热继电器。
实验三 PLC电机控制实验
一、实验目的
1. 通过对电机控制线路的安装接线,掌握由电气原理图接成实际操作电路的方法。
2. 加深对电气控制系统各种保护、自锁、互锁等环节的理解。
3. 加深对定时器延时功能的理解。
二、实验要求
1. 西门子S7-200 PLC对电机正、反转的控制。
启动:按启动按钮SB1,I0.0的动合触点闭合,M20.0线圈得电,M20.0的动合触点闭合,Q0.0线圈得电,即接触器KM1的线圈得电,0.5S后Q0.3线圈得电,即接触器KM4的线圈得电,电动机作星形连接启动,此时电机正转;按启动按钮SB2,I0.2的动合触点闭合,M20.1线圈得电,M20.1的动合触点闭合,Q0.1线圈得电,即接触器KM2的线圈得电,0.5S后Q0.3线圈得电,电动机作星形连接启动,此时电机反转;在电机正转时反转按钮SB2是不起做用的;在电机反转时正转按钮SB1是不起作用的;当按下停止按钮SB3时电机正反转运行停止工作。
2. 西门子S7-200 PLC对电机星形-三角形启动的控制。
启动:按启动按钮SB1,I0.0的动合触点闭合,M20.0线圈得电,M20.0的动合触点闭合,同时Q0.0线圈得电,即接触器KM1的线圈得电,1S后Q0.3线圈得电,即接触器KM3的线圈得电,电动机作星形连接启动;6S后Q0.3的线圈失电,0.5S后Q0.2线圈得电,电动机转为三角形运行方式,按下停止按钮SB3电机停止运行。
三、实验面板图:
四、实验步骤
1
2、根据控制要求编写实验程序。
3、打开主机电源将程序下载到主机中。
4、启动并运行程序观察实验现象。
五、思考改进
电机带延时的正反转控制怎么编程实现?。
plc控制变频器驱动三相异步电动机正反转实训总结I. 引言本文将总结PLC控制变频器驱动三相异步电动机正反转实训的相关内容。
本实训主要涉及PLC控制系统、变频器驱动系统和三相异步电动机正反转控制系统。
在实训过程中,我们学习了PLC编程、变频器参数设置、三相异步电动机接线及控制等知识,并通过实际操作加深了对这些知识的理解。
II. PLC控制系统在本实训中,我们使用的是西门子S7-200系列PLC,通过编写Ladder图程序来控制变频器和电动机。
在编写程序时需要考虑输入输出信号的选择和逻辑关系的设计。
另外,还需要注意程序的调试和修改,以确保程序能够正确运行。
III. 变频器驱动系统变频器是一种用于调整交流电源供应电压、频率和相位等参数的设备,可以用来调整三相异步电动机的转速。
在本实训中,我们使用的是DELTA VFD-M系列变频器。
在设置参数时需要注意各个参数之间的关系,以确保变频器能够正确地驱动电动机。
IV. 三相异步电动机正反转控制系统三相异步电动机是一种常见的工业用电机,可以通过变频器来调整其转速。
在本实训中,我们主要学习了三相异步电动机的接线和正反转控制。
在接线时需要注意各个端子之间的连接关系,以及接地等问题。
在正反转控制时需要编写PLC程序,并通过变频器来调整电动机的转速和方向。
V. 实训总结通过本实训,我们深入了解了PLC控制系统、变频器驱动系统和三相异步电动机正反转控制系统的相关知识。
同时,我们也学会了如何进行PLC编程、变频器参数设置和电动机接线及控制等操作。
这些知识对于工业自动化领域的从业人员来说非常重要,能够帮助他们更好地理解和应用相关技术。
基于PLC实现双重互锁控制电机正反转的应用设计双重互锁控制电机正反转是一种常见的应用设计,它通过使用PLC实现电机在正反转之间的切换控制,并保证在电机正转期间不会误操作导致电机反转,反之亦然。
本文将详细介绍如何基于PLC实现双重互锁控制电机正反转的应用设计。
1.硬件设计首先,我们需要准备相关的硬件设备,包括:PLC、电机驱动器、电机、按钮等。
PLC作为整个应用的核心控制设备,负责接收输入的信号并控制电机正反转。
电机驱动器用于控制电机的转向和转速。
电机作为执行器负责实际的运动。
按钮则用于操作电机的正反转。
2.软件设计在PLC的编程软件中,我们可以通过编写相应的程序来实现双重互锁控制电机正反转。
在此我们以Siemens的S7-1200 PLC为例,介绍具体的软件设计。
首先,我们需要定义输入信号,即按钮的状态,用来判断用户的操作。
在PLC中,可以将按钮状态定义为一个位,0表示按钮未按下,1表示按钮按下。
接下来,我们需要定义输出信号,即电机的正反转和停止控制信号。
同样,可以将电机的状态定义为一个位,0表示电机停止,1表示电机正转,2表示电机反转。
在PLC软件中,我们可以使用ladder图编程方式来实现双重互锁控制电机正反转。
以下为程序的主要逻辑:-当按钮1按下时,将电机状态设置为正转(1),并且将电机反转(2)和停止(0)状态清零;-当按钮2按下时,将电机状态设置为反转(2),并且将电机正转(1)和停止(0)状态清零;-当按钮1和按钮2均未按下时,将电机状态设置为停止(0),并且将电机正转(1)和反转(2)状态清零。
此外,为了保证双重互锁控制,我们还需要添加相关的条件判断。
例如,在电机强制正转时,如果按钮2按下,则不执行正转操作,并且将按钮1强制设置为未按下,在电机强制反转时,如果按钮1按下,则不执行反转操作,并且将按钮2强制设置为未按下。
3.调试和测试完成软件编程后,我们需要进行调试和测试,确保程序能够正常运行。
用西门子S7-200做PLC电机正反转控制项目的学习生产设备常常要求具有上下、左右、前后等正反方向的运动,这就要求电动机能正反向工作,对于交流感应电动机,一般借助接触器改变定子绕组相序来实现。
常规继电控制线路如下图所示。
在该控制线路中,KM1 为正转交流接触器,KM2 为反转交流接触器,SB1 为停止按钮、SB2 为正转控制按钮,SB3 为反转控制按钮。
KM1、KM2 常闭触点相互闭锁,当按下SB2 正转按钮时,KM1 得电,电机正转;KM1 的常闭触点断开反转控制回路,此时当按下反转按钮,电机运行方式不变;若要电机反转,必须按下SB1停止按钮,正转交流接触器失电,电机停止,然后再按下反转按钮,电机反转。
若要电机正转,也必须先停下来,再来改变运行方式。
这样的控制线路的好处在于避免误操作等引起的电源短路故障。
PLC 控制电机正反转I/O 分配及硬件接线1、接线:按照控制线路的要求,将正转按纽、反转按纽和停止按纽接入PLC 的输入端,将正转继电器和反转继电器接入PLC 的输出端。
注意正转、反转控制继电器必须有互锁。
2、编程和下载:在个人计算机运行编程软件STEP 7 Micro-WIN4.0,首先对电机正反转控制程序的I/O 及存储器进行分配和符号表的编辑,然后实现电机正反转控制程序的编制,并通过编程电缆传送到PLC 中。
在STEP 7 Micro-WIN4.0 中,单击“查看”视图中的“符号表”,弹出图所示窗口,在符号栏中输入符号名称,中英文都可以,在地址栏中输入寄存器地址。
3、图符号表定义完符号地址后,在程序块中的主程序内输入如下图程序。
注意当菜单“察看”中“?符号寻址”选项选中时,输入地址,程序中自动出现的是符号编址。
若选中“查看”菜单的“符号信息表”选项,每一个网络中都有程序中相关符号信息。
4、程序监控与调试:通过个人计算机运行编程软件STEP 7 Micro-WIN4.0,在软件中应用程序监控功能和状态监视功能,监测PLC 中的各按纽的输入状态和继电器的输出状态。
plc控制电机正反转报告本文将使用1000字的篇幅,报告PLC控制电机正反转的情况。
一、背景介绍随着自动化控制在各个领域的应用,PLC(可编程逻辑控制器)被广泛应用于各类工业生产流程中。
PLC控制电机正反转也是其中的一种常见应用。
二、电机正反转控制原理对于PLC控制电机正反转,其原理主要有以下两种:1、通过输出端口控制电机正反转具体控制方法是,通过PLC输出信号控制电机正反转控制开关的触发,达到控制电机的正反转。
2、通过交流调制控制器控制该方法通过交流调制控制器改变电机电流的方向,来控制电机的正反转。
三、控制效果检验报告1、试验目标:检验PLC控制电机正反转的效果;2、试验设备:PLC控制电机正反转实验装置、电压表、电流表等;3、试验方法:a、将PLC输出信号连接到电机正反转控制开关上;b、通过PLC信号控制开关,控制电机正反转;c、测试电机正反转的效果。
4、测试结果:经过检验,PLC控制电机正反转的效果良好。
通过PLC输出信号,控制开关的触发,确实可以实现电机的正反转,使电机具有更好的控制性能和精度。
四、改善措施虽然PLC控制电机正反转的效果较好,但发现在实际使用中还存在一些问题。
因此,为了进一步提高控制效果,可以进行以下改善措施:1、优化控制程序,提高控制精度;2、优化电路设计,提高电路稳定性;3、提高控制信号传输的速度和延迟,提高控制精度。
五、结论PLC控制电机正反转可以实现对电机的良好控制,具有较好的控制精度和效果。
但在实际应用中,还需要进行进一步的改善和优化,才能更好地应用于各生产流程中。
plc正反转实验报告
PLC正反转实验报告
实验目的:通过PLC控制器实现正反转控制,验证PLC在工业控制中的应用。
实验设备:PLC控制器、电机、按钮、继电器等。
实验步骤:
1. 将PLC控制器与电机、按钮、继电器等设备连接好,确保接线正确无误。
2. 编写PLC控制程序,包括正转和反转两种控制逻辑。
3. 运行实验程序,通过按钮控制电机的正反转,观察电机的运行状态。
实验结果:
经过实验,我们成功实现了PLC控制电机的正反转。
当按下正转按钮时,电机
按照设定的正转逻辑开始运转;当按下反转按钮时,电机则按照设定的反转逻
辑开始运转。
实验结果表明,PLC控制器可以有效地实现对电机的正反转控制,具有较高的可靠性和稳定性。
实验分析:
PLC控制器在工业控制中具有广泛的应用,其正反转控制实验验证了其在工业
生产中的重要性。
通过PLC控制器,工业生产中的设备可以实现自动化控制,
提高生产效率,降低人力成本,确保生产过程的稳定性和可靠性。
因此,PLC
技术在工业控制领域有着广阔的发展前景。
结论:
通过本次实验,我们验证了PLC控制器在工业控制中的应用价值,成功实现了
电机的正反转控制。
PLC技术的发展将进一步推动工业自动化水平的提升,为
工业生产带来更多的便利和效益。
希望通过这次实验,能够加深对PLC控制技
术的理解,为今后的工程实践奠定坚实的基础。
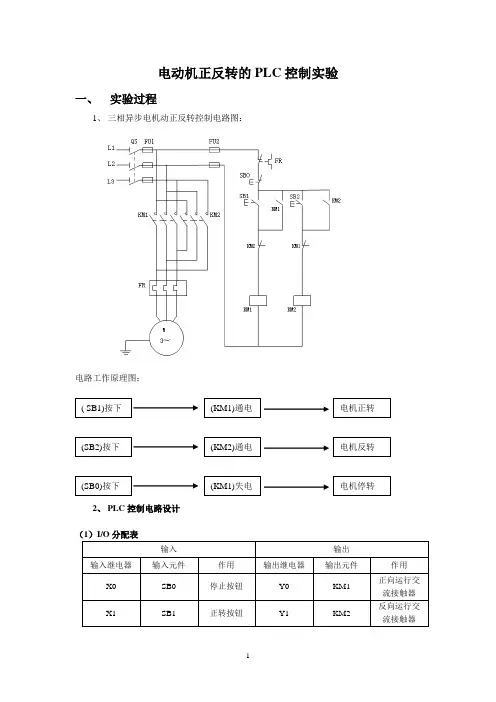
电动机正反转的PLC 控制实验
一、 实验过程
1、 三相异步电机动正反转控制电路图:
电路工作原理图:
2、 PLC 控制电路设计
(2)PLC接线图
根据上面的I/O分配表格,画出PLC接线图。
注意输出继电器线圈的互锁,以起到硬件保护作用。
(3)梯形图和指令表
观察继电器接触器控制电路部分,如图1所示,根据图1的控制电路图对对硬触点进行软化,得到如图2所示的控制线路图。
图1
图2
得到所示的梯形图程序如图3所示。
二、实验总结
将继电器接触器控制电路转换到PLC控制电路的方法就是将硬触点进行“软化”,转换的过程可以用以下几步来完成:
(1)、I/O分配表
(2)、PLC接线图
(3)、梯形图和指令表。
plc控制电机实验报告PLC控制电机实验报告引言:PLC(可编程逻辑控制器)是一种广泛应用于工业自动化领域的控制设备,通过编程实现对各种设备和系统的自动化控制。
在本次实验中,我们将使用PLC 控制电机,探索其在工业控制中的应用。
一、实验目的本次实验旨在通过PLC控制电机,理解PLC的工作原理和应用场景。
具体目标包括:1. 掌握PLC的基本原理和工作方式;2. 理解电机的基本结构和工作原理;3. 学习使用PLC控制电机的方法和技巧。
二、实验设备和材料1. PLC控制器(例如西门子S7-1200);2. 电机(直流电机或交流电机);3. 电源;4. 电线、开关等连接设备。
三、实验步骤1. 将PLC控制器与电源连接,并通过编程软件进行设置和编程。
2. 将电机与PLC控制器连接,确保电路连接正确。
3. 编写PLC程序,实现对电机的控制。
可以设置不同的运行模式、速度和方向等参数。
4. 调试程序,确保电机能够按照预期的方式运行。
5. 观察电机的工作状态和性能,记录实验数据。
6. 分析实验结果,总结PLC控制电机的优缺点,并探讨其在工业控制中的应用前景。
四、实验结果与讨论经过实验,我们成功地使用PLC控制器控制了电机的运行。
通过调整程序中的参数,我们能够实现电机的正转、反转、变速等操作。
此外,PLC控制电机具有以下优点:1. 灵活性:通过编程,可以根据实际需求灵活调整电机的运行模式和参数。
2. 可靠性:PLC控制器具有较高的稳定性和可靠性,能够保证电机长时间稳定运行。
3. 高效性:PLC控制电机能够实现快速响应和精确控制,提高生产效率和产品质量。
然而,PLC控制电机也存在一些限制和挑战:1. 成本:PLC控制器相对较昂贵,对于一些小规模企业来说可能难以承担。
2. 编程难度:PLC编程需要一定的专业知识和技能,对于初学者来说可能存在一定的学习曲线。
3. 维护和升级:PLC控制器的维护和升级需要专业人员进行,增加了企业的运营成本。
PLC控制电动机正反转实验实验指导书一.目的要求1.利用PLC进行电动机的正反转控制,加深对电机正反转原理的理解。
2.通过PLC进行电动机的控制,代替了常规的由接触器构成的控制回路,来了解PLC在工业场合的实用性。
3.通过该实验,同学们要掌握PLC是如何控制电气设备的运行,为以后的运用提供了一个实验平台。
二、实验设备三、实验内容与步骤1)实验接线图图5.1主回路+图5.2PLC控制回路如图5.2所示,该实验用到4个输入点、2个输出点。
输入点00000~00003分别接正转按钮的常开触点、反转按钮的常开触点、停车按钮的常闭触点、热继电器常闭触点。
输出点01004~01006分别接ZJ1、ZJ2、ZJ3中间继电器的线圈。
2)实验例程代码3)实验步骤①首先,按照上述图5.1、图5.2进行接线,从刀开关的下端开始自上而下地接线,先接主电路后接控制电路,先串联后并联,先控制点后保护点的接线规律连接,最后接电源进线。
主电路使用导线的粗细按电动机的工作电流选取,中小容量电动机的辅助电路一般可用截面积为1mm2左右导线,实验中使用实验室提供的导线即可。
根据以上的原则先按照图5.1进行主回路的接线,然后按照图5.2开始控制回路的接线,最后再接入电源。
②接线的检查。
接线完成后,仔细检查电路有无漏接、短接、错接以及接线端的接触是否良好。
检查主电路,断开FU,切除控制电路,用万用表欧姆档对各接点做通断检查。
检查控制电路,,切断主回路,检查COM段与输入输出点的接线,电源的接线、中间继电器、交流接触器线圈的接线以及自锁和互锁连接是否正确。
③程序输入。
用串口线将PLC与计算机相连,确定PLC串口位置的开关拨到ON状态。
然后双击计算机桌面CX-Programme图标,进入PLC编程界面,按照附录2提供的CX-Programme软件的操作流程新建一个工程。
输入实验提供的例程代码。
输入完毕后,编译链接,没有错误后将代码下载PLC。
基于西门子PLC电动机正反转互锁控制实验报告实验目的:实验器材:1. 西门子PLC(CPU224)2. SIMATIC STEP 7软件3. 三相异步电动机4. 启动、停止按钮5. 指示灯6. 感应式接近开关实验原理:电动机正反转互锁控制是一种经典的控制方式,主要是用来保护电动机不会在同一时间内发生正反转,从而避免电动机的损坏。
正反转互锁的基本原理是通过触发不同的控制信号,在不同的时间段内使得电动机在正转和反转之间切换。
实验步骤:1. 按照电动机正反转电路连接好,将输入信息与输出信息进行配置。
2. 在STEP 7软件中,对PLC CPU224进行参数设置,设置好输入输出口。
3. 按照实验原理进行程序设计,实现电动机正反转互锁控制。
4. 将程序下载到PLC中,并完成文件传输。
5. 在实验盘上进行调试和测试,查看程序运行结果是否按照预期运行。
6. 如果程序运行结果与预期不符,重新检查电路和程序设计是否有误,进行排除故障。
7. 在实验过程结束后,将整个实验过程进行总结,检查程序设计的有效性。
实验结果:实验结果表明,西门子PLC电动机正反转互锁控制实验是一个非常成功的实验,通过该实验能够掌握西门子PLC的基本编程方法,并能够理解电动机正反转互锁控制的基本原理。
此外,实验结果还表明,通过程序设计和调试等操作,能够完美的实现电动机正反转互锁控制,从而达到了预期的效果。
通过该实验,我们可以得出如下结论:1. 电动机正反转互锁控制的实现是非常重要的,可以保护电动机免于损坏,同时也保证了电动机的正常操作。
3. 通过程序设计和调试等操作,能够完美的实现电动机正反转互锁控制,从而达到了预期的效果。
用西门子S7-200做PLC电机正反转控制项目的学习生产设备常常要求具有上下、左右、前后等正反方向的运动,这就要求电动机能正反向工作,对于交流感应电动机,一般借助接触器改变定子绕组相序来实现。
常规继电控制线路如下图所示。
在该控制线路中,KM1 为正转交流接触器,KM2 为反转交流接触器,SB1 为停止按钮、SB2 为正转控制按钮,SB3 为反转控制按钮。
KM1、KM2 常闭触点相互闭锁,当按下SB2 正转按钮时,KM1 得电,电机正转;KM1 的常闭触点断开反转控制回路,此时当按下反转按钮,电机运行方式不变;若要电机反转,必须按下SB1停止按钮,正转交流接触器失电,电机停止,然后再按下反转按钮,电机反转。
若要电机正转,也必须先停下来,再来改变运行方式。
这样的控制线路的好处在于避免误操作等引起的电源短路故障。
PLC 控制电机正反转I/O 分配及硬件接线1、接线:按照控制线路的要求,将正转按纽、反转按纽和停止按纽接入PLC 的输入端,将正转继电器和反转继电器接入PLC 的输出端。
注意正转、反转控制继电器必须有互锁。
2、编程和下载:在个人计算机运行编程软件STEP 7 Micro-WIN4.0,首先对电机正反转控制程序的I/O 及存储器进行分配和符号表的编辑,然后实现电机正反转控制程序的编制,并通过编程电缆传送到PLC 中。
在STEP 7 Micro-WIN4.0 中,单击“查看”视图中的“符号表”,弹出图所示窗口,在符号栏中输入符号名称,中英文都可以,在地址栏中输入寄存器地址。
3、图符号表定义完符号地址后,在程序块中的主程序内输入如下图程序。
注意当菜单“察看”中“?符号寻址”选项选中时,输入地址,程序中自动出现的是符号编址。
若选中“查看”菜单的“符号信息表”选项,每一个网络中都有程序中相关符号信息。
4、程序监控与调试:通过个人计算机运行编程软件STEP 7 Micro-WIN4.0,在软件中应用程序监控功能和状态监视功能,监测PLC 中的各按纽的输入状态和继电器的输出状态。
plc控制电动机正反转实验报告摘要:一、实验背景与目的1.实验背景2.实验目的二、实验原理1.电动机正反转原理2.PLC控制原理三、实验设备与材料1.实验设备2.实验材料四、实验步骤1.实验准备2.实验操作3.实验结果分析五、实验梯形图设计1.梯形图设计步骤2.梯形图解析六、实验总结与展望1.实验总结2.实验展望正文:一、实验背景与目的随着工业自动化技术的不断发展,可编程逻辑控制器(PLC)在各类设备控制中得到了广泛应用。
电动机作为工业生产中最常用的动力装置,其正反转控制功能是基础且重要的。
本文将围绕PLC控制电动机正反转实验,详细介绍实验过程、原理及结果分析,以期提高读者对PLC控制技术的理解和应用能力。
实验目的:通过PLC控制电动机实现正反转,掌握PLC控制电路设计及编程方法,培养实际操作能力和故障分析能力。
二、实验原理1.电动机正反转原理:电动机的正反转取决于定子绕组的相序。
通过改变接触器控制定子绕组相序,实现电动机正反转。
2.PLC控制原理:PLC通过编程实现对输入/输出信号的控制,完成逻辑判断、计时、计数等功能,实现对电动机正反转的控制。
三、实验设备与材料1.实验设备:PLC控制器、交流电动机、接触器、按钮、电线等。
2.实验材料:无特定材料要求。
四、实验步骤1.实验准备:搭建实验台,连接电路,检查设备运行正常。
2.实验操作:(1)将PLC编程软件编写好,设置输入/输出点;(2)连接PLC与实验设备,进行电路调试;(3)操作按钮,观察电动机正反转情况。
3.实验结果分析:根据实验现象,分析电动机正反转过程,检查电路运行是否正常。
五、实验梯形图设计1.梯形图设计步骤:(1)分析实验需求,确定控制逻辑;(2)设计梯形图,编写程序;(3)检查程序,确保无误。
2.梯形图解析:梯形图由上至下依次为:输入信号、逻辑判断、输出信号。
以图示为例,当SB1按下,KM1吸合,电动机正转;当SB2按下,KM1断开,KM2吸合,电动机反转。
实验二PLC控制电动机正反转实验学时:2学时实验类型:综合实验要求:必修一、实验目的1、通过实验掌握PLC控制系统的硬件电路应用、程序设计以及编程软件的使用;2、对PLC控制三相异步电动机正反转有较深入的了解。
二、实验内容本实验涉及三相异步电动机的旋转磁场转动方向决定其转子旋转方向的原理、继电器—接触器控制系统的主电路与辅助电路的电器原理图、控制电器的结构与工作原理、可编程序控制器的工作原理、程序(梯形图)编制与硬件接线等知识。
1、实验内容本实验通过PLC、控制按钮、中间继电器、交流接触器来控制三相异步电动机的正、反转。
2、对I/O点进行分配(参考)输入:正转0.00,反转0.01,停止0.02。
输出:中间继电器K1的线圈1.00,中间继电器K2的线圈1.01。
3、编程序:画出梯形图。
4、构造PLC控制的系统硬件。
(确立PLC与控制电器、电动机的连接关系)三、实验原理、方法和手段三相异步电动机旋转磁场的转动方向与接入电动机三相对称绕组的三相电源的相序有关;使用成套实验设备开展实验;PLC是针对工业现场环境而专门设计的计算机控制设备,利用PLC的顺序控制功能,实现对三相异步电动机的正反转的控制。
四、实验组织运行要求采用以学生自主训练为主的开放式模式组织教学,指导教师先讲解本实验的基本要求与步骤,重申实验的安全性要求,然后由学生自主形成实验小组、确定实验的方案、解决实验中出现的问题。
指导教师负责监督实验的安全进行,并提供指导性解决方法。
五、实验条件计算机一台,THORM-D型网络可编程控制器高级实验装置一台,三相异步电动机一台。
六、实验步骤1、按照I/O分配,连接PLC、控制按钮、中间继电器、交流接触器和三相异步电动机,三相异步电动机为三角形接法;2、在个人计算机上编制控制程序(梯形图);3、连接个人计算机与PLC,将程序调试好后,下载到PLC中,并运行程序;4、将PLC设置为运行模式(RUN模式)按起动按钮,运行控制系统;5、观察试验现象。
实验报告
实验课程:基于西门子PLC电动机正反转互锁控制学生姓名:**
学号:*********
专业班级:13级应电一班
二〇一六年六月十六日
实验报告
传统的继电器控制系统中都使用了继电器、接触器等器件。
在这样的纯硬继电器系统中,系统的接线难度会随着系统的复杂程度增加。
再者,继电器系统使用了大量的机械触点,其存在机械磨损和电弧烧伤等缺点。
以上原因使系统的可靠性和可维护性都变得很差。
当前在工业控制领域广泛使用的PLCPLC分为固定式和组合式(模块式)两种。
固定式PLC包括CPU板、I/O板、显示面板、内存块、电源等,这些元素组合成一个不可拆卸的整体。
模块式PLC包括CPU模块、I/O模块、内存、电源模块、底板或机架,这些模块可以按照一定规则组合配置。
PLC具有功能强、可靠性高,抗干扰能力强、安装维护方便等很多优点,完全可以取代传统的继电器控制系统。
一、实验目的
1.能够独立制作I/O分配表;
2.能够独立完成程序的编辑;
3.能够调试并运行程序,能够学以致用,把所学知识融会贯通来控制电机
的运行;
4.能够在所学习的基础上有所创新,让电机有一些新的功能;
5.增强实践动手能力,熟悉相关电汽结构和电器的使用;
6.了解相关电子线路布线与布局;
7.了解控制电路中各种保护及互锁、自锁环节的作用;
8.学会分析故障与排除故障的方法;
二、实验设备
1.西门子实验箱
2.编程软件STEP7 V5.5 SP2
3.计算机一台
4.按钮开关3个,接触器2个,热过载1个,熔断器2个,电动机1台
三、实验步骤
1.了解电路相关控制要求,制作出电气控制原理图。
图3.1.1电动机正反转互锁控制电气图
2.电路原理介绍
图3.1.1为正反转互锁控制电路,电路分为主电路可控制电路两部分。
主电路中的两个交流接触器KM1和KM2分别构成正反两个相序电源连接线。
控制原理分析:KM1为电动机正向运行交流接触器,KM2为电动机反向运行交流接触器,SB1为正向启动按钮,SB3为反向启动按钮,SB2为停止按钮,KH为过载保护热继电器。
当按下SB1时,KM1的线圈通电吸合,KM1主触点闭合,电机开始正向运行,同时KM1的辅助常开触点闭合而使KM1线圈保持吸合,实现了电动机的正向连续运行;反之,当按下SB3时,KM2的线圈通电闭合,KM2的主触点闭合,实现了电动机反向运行,同时KM2的辅助常开触点闭合而使KM2的线圈保持吸合,从而实现了电动机的反向持续运行,任何时候按下SB2电机都会停止运行。
KM2,KM1线圈互锁,保正了不同时通电。
3.进行I/O分配表制作及利用西门子软件编程
图3.3.1 I/O分配表
图3.3.2梯形图
4.进行程序调试以及布线、布局的安排
程序调试:根据电气控制编译出相关梯形图,进行程序调试。
监控程序运行过程,是否符合相关电气控制要求。
将设计好的程序写入PLC后,首先逐条仔细检查,并改正写入时出现的错误。
用户程序一般先在实验室模拟调试,实际的输入信号可以用钮子开关和按钮来模拟,各输出量的通/断状态用PLC上有关的发
光二极管来显示,一般不用接PLC实际的负载(如接触器、电磁阀等)。
可以根据功能表图,在适当的时候用开关或按钮来模拟实际的反馈信号,如限位开关触点的接通和断开。
对于顺序控制程序,调试程序的主要任务是检查程序的运行是否符合功能表图的规定,即在某一转换条件实现时,是否发生步的活动状态的正确变化,即该转换所有的前级步是否变为不活动步,所有的后续步是否变为活动步,以及各步被驱动的负载是否发生相应的变化。
在调试时应充分考虑各种可能的情况,对系统各种不同的工作方式、有选择序列的功能表图中的每一条支路、各种可能的进展路线,都应逐一检查,不能遗漏。
发现问题后应及时修改梯形图和PLC中的程序,直到在各种可能的情况下输入量与输出量之间的关系完全符合要求。
如果程序中某些定时器或计数器的设定值过大,为了缩短调试时间,可以在调试时将它们减小,模拟调试结束后再写入它们的实际设定值。
在设计和模拟调试程序的同时,可以设计、制作控制台或控制柜,PLC之外的其他硬件的安装、接线工作也可以同时进行。
布线、布局的安排:
1.总体布线时应注意使用电线尽量远离发热件,发热温度在100℃以内的发热器件,电线与之距离保持在20mm以上。
在100~300℃者,电线与之距离需保持在30mm以上,发热在300℃以上,如无隔热、防火措施者,电线与之距离保持在80mm以上。
2.控制电路如需接地,应集中接地,接地点不得超过2处。
3.穿入线管的电线电缆,外径面积之和不应超过线管内孔横截面积的70%。
4.电线两端头接线,除了与插接件相连者外,必须采用接头压接。
5.每根电线两端必须有清晰牢固的线号,每个插头、插座,每个接线端子上或安装位置处必须有清晰牢固的代号标记。
6.安装槽应牢固,电线要用扎线带、线卡待以适当间隔可靠固定,防止振动造成损失。
7.电线、电缆出入线槽,线管及穿过金属隔板的孔、口时,必须加以防护。
四、实验结果
本次基于西门子PLC电动机正反转互锁控制实验顺利完成。
1、检查主回路路的接线是否正确,为了保证两个接触器动作时能够可靠调换电动机的相序,接线时应使接触器的上口接线保持一致,在接触器的下口调相。
2、检查接线无误后,通电试验,通电试验时为防止意外,应先将电动机的接线断开。
故障现象预处理;
1、不启动;原因之一,检查控制保险FU是否断路,热继电器FR接点是否用错或接触不良,SB1按钮的常闭接点是否不良。
原因之二按纽互锁的接线有误。
2、起动时接触器“叭哒”就不吸了;这是因为接触器的常闭接点互锁接线有错,将互锁接点接成了自己锁自己了,起动时常闭接点是通的接触器线圈的电吸合,接触器吸合后常闭接点又断开,接触器线圈又断电释放,释放常闭接点又接通接触器又吸合,接点又断开,所以会出现“叭哒”接触器不吸合的现象。
3、不能够自锁一抬手接触器就断开,这是因为自锁接点接线有误。
图4.1.1实验结果图
五、实验小结
在做实验前,我以为不会难做,就像以前做物理实验一样,做完实验,然后两下子就将实验报告做完.直到做完测试实验时,我才知道其实并不容易做,但学到的知识与难度成正比,使我受益匪浅.在做实验前,一定要将课本上的知识吃透,因为这是做实验的基础,否则,在老师讲解时就会听不懂,这将使你在做实验时的难度加大,浪费做实验的宝贵时间.比如做应变片的实验,你要清楚电桥的各种接法,如果你不清楚,在做实验时才去摸索,这将使你极大地浪费时间,使你事倍功半.做实验时,一定要亲力亲为,务必要将每个步骤,每个细节弄清楚,弄明白,实验后,还要复习,思考,这样,你的印象才深刻,记得才牢固,否则,过后不久你就会忘得一干二净,这还不如不做.做实验时,老师还会根据自己的亲身体会,将一些课本上没有的知识教给我们,拓宽我们的眼界,使我们认识到这门课程在生活中的应用是那么的广泛。
通过这次的实验,使我学到了不少实用的知识,更重要的是,做实验的过程,思考问题的方法,这与做其他的实验是通用的,真正使我们受益匪浅。