【工程资料】T0203_楼层平面放线记录
- 格式:xls
- 大小:15.51 KB
- 文档页数:4
楼层平面放线记录编号×××
工程名
称
××大学综合楼日期日期××××年××月××日
放线部位地下一层①~⑦/○A~○J轴顶板
放线内
容
轴线竖向投测控制线、墙柱轴线、边线、门窗洞口位
置线,垂直度偏差等
放线依据:
1.施工图样(图号××),设计变更、洽商(编号××)。
2.该工程施工测量方案。
3.地下二层已放好的控制桩点。
放线简图(单位:mm):
检查意见:
1.①~⑦/○A~○J轴为地下一层外廓纵横轴线。
2.括号内数据为复测数据(或结果)。
3.各细部轴线间几何尺寸相对精度最大偏差+2mm,90°角中误差10″,精度合格。
4.放线内容均已完成,位置准确,垂直度偏差在允许范围内,符合设计及测量方案要求,可以进行下道工序施工。
签字栏建设(监理)
单位
施工单位××建筑工程公司
专业技术负
责人
专业质
检员
施测人××××××××××××。
施工单位中天建设集团有限公司放线日期年月日放线部位16#楼一层楼面放线内容竖向投测控制线、墙柱轴线、边线、门窗洞口线放线内容及依据:1、定位控制桩1#、2#、3#、4#如下图所示;2、建设单位提供的测绘成果图;3、施工图纸;4、±0.000相当于黄海高程17.4;5、依据《工程测量规范》GB50026-2007。
放线简图:检查意见:1、主控线误差在±3mm以内,角度在±10“以内;2、各轴线、墙柱边线,门窗洞口线误差在±2mm以内;3、内控点尺寸误差不超过2mm,角度±5“以内,符合工程《工程测量规范》GB50026-2007要求。
测量员:项目专业质检员:项目技术负责人:专业监理工程师:施工单位中天建设集团有限公司放线日期年月日放线部位16#楼二层楼面放线内容竖向投测控制线、墙柱轴线、边线、门窗洞口线放线内容及依据:1、定位控制桩1#、2#、3#、4#如下图所示;2、建设单位提供的测绘成果图;3、施工图纸;4、±0.000相当于黄海高程17.4;5、依据《工程测量规范》GB50026-2007。
放线简图:检查意见:1、主控线误差在±3mm以内,角度在±10“以内;2、各轴线、墙柱边线,门窗洞口线误差在±2mm以内;3、内控点尺寸误差不超过2mm,角度±5“以内,符合工程《工程测量规范》GB50026-2007要求。
测量员:项目专业质检员:项目技术负责人:专业监理工程师:施工单位中天建设集团有限公司放线日期年月日放线部位16#楼三层楼面放线内容竖向投测控制线、墙柱轴线、边线、门窗洞口线放线内容及依据:1、定位控制桩1#、2#、3#、4#如下图所示;2、建设单位提供的测绘成果图;3、施工图纸;4、±0.000相当于黄海高程17.4;5、依据《工程测量规范》GB50026-2007。
放线简图:检查意见:1、主控线误差在±3mm以内,角度在±10“以内;2、各轴线、墙柱边线,门窗洞口线误差在±2mm以内;3、内控点尺寸误差不超过2mm,角度±5“以内,符合工程《工程测量规范》GB50026-2007要求。
楼层放线记录范文楼层放线记录是指在建筑施工过程中,为了确保楼层的平整和准确度,需要进行放线工作,将建筑设计图纸上的楼层线条按照一定的比例和坐标放置在实际的施工现场上。
楼层放线的准确性对于整个建筑工程的质量和进度都有着重要的影响。
以下是一份楼层放线记录的示例,总字数超过1200字。
项目名称:地建筑项目项目地址:地街道号施工单位:建筑施工有限公司放线人员:A先生放线日期:xxxx年xx月xx日放线仪器:放线仪、测量尺、激光测距仪等放线的楼层:B1层、B2层、B3层、1层、2层、3层、4层、5层、6层、7层、8层、9层、10层、11层、12层、13层、14层、15层、16层、17层、18层、19层、20层放线前准备工作:1.确认建筑设计图纸,获取楼层线条位置及标高等信息。
2.准备放线仪器和相关工具。
3.确认施工现场安全,并清理施工区域。
放线过程及记录:1.B1层放线:a.根据设计图纸上的楼层线条和定位点,使用放线仪测得平面坐标,并将标记点放置在施工现场。
b.通过测量尺,测量各个标记点与建筑基准点之间的距离,并计算出各个标记点的高程。
2.B2层放线:a.重复B1层放线过程。
b.注意与B1层的楼层线条进行对比,确保位置和标高的准确性。
3.B3层至20层放线:a.重复B1层放线过程,依次放置各个楼层的标记点。
b.每放线一层,都要与前一层进行比对,确保楼层线条布置的连续性和准确性。
4.放线过程中遇到的问题及处理方式:a.部分标记点的建筑基准点被遮挡,无法进行直接测量。
解决方法是利用激光测距仪对其进行间接测量,并进行修正。
b.楼层线条与周围现有结构的相对位置存在偏差,需要调整。
采用调整放线标记点的坐标,确保与周围结构的衔接。
c.放线过程中发现设计图纸与实际情况存在不一致,及时汇报给相关负责人,并协商解决方案。
5.放线完成后的处理工作:a.在施工现场上进行标记,以清晰标识各个楼层的线条和定位点。
b.汇总放线记录,并归档保存。
楼层平面放线记录工程名称:碧桂园·嘉山公馆(明光)一期二标段本表由施工单位填写保存。
楼层平面放线记录工程名称:碧桂园·嘉山公馆(明光)一期二标段本表由施工单位填写保存。
楼层平面放线记录工程名称:碧桂园·嘉山公馆(明光)一期二标段本表由施工单位填写保存。
楼层平面放线记录工程名称:碧桂园·嘉山公馆(明光)一期二标段本表由施工单位填写保存。
楼层平面放线记录工程名称:碧桂园·嘉山公馆(明光)一期二标段本表由施工单位填写保存。
楼层平面放线记录工程名称:碧桂园·嘉山公馆(明光)一期二标段本表由施工单位填写保存。
楼层平面放线记录工程名称:碧桂园·嘉山公馆(明光)一期二标段本表由施工单位填写保存。
楼层平面放线记录工程名称:碧桂园·嘉山公馆(明光)一期二标段本表由施工单位填写保存。
楼层平面放线记录工程名称:碧桂园·嘉山公馆(明光)一期二标段本表由施工单位填写保存。
楼层平面放线记录工程名称:碧桂园·嘉山公馆(明光)一期二标段本表由施工单位填写保存。
楼层平面放线记录工程名称:碧桂园·嘉山公馆(明光)一期二标段本表由施工单位填写保存。
楼层平面放线记录工程名称:碧桂园·嘉山公馆(明光)一期二标段本表由施工单位填写保存。
楼层平面放线记录工程名称:碧桂园·嘉山公馆(明光)一期二标段本表由施工单位填写保存。
楼层平面放线记录工程名称:碧桂园·嘉山公馆(明光)一期二标段本表由施工单位填写保存。
楼层平面放线记录工程名称:碧桂园·嘉山公馆(明光)一期二标段本表由施工单位填写保存。
楼层平面放线记录工程名称:碧桂园·嘉山公馆(明光)一期二标段本表由施工单位填写保存。
楼层平面放线记录工程名称:碧桂园·嘉山公馆(明光)一期二标段本表由施工单位填写保存。
楼层平面放线记录工程名称:碧桂园·嘉山公馆(明光)一期二标段本表由施工单位填写保存。
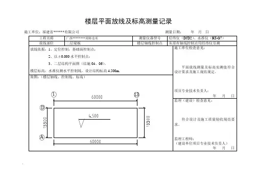
楼层平面放线记录表
符合设计图纸及测量放线要求
施工测量单位
建设(监理)单位
专业技术负责人专业质检员施测人本表由施工单位填写保存。
检查意见:
符合设计图纸及测量放线要求
施工测量单位
建设(监理)单位
专业技术负责人专业质检员施测人本表由施工单位填写保存。
符合设计图纸及测量放线要求
施工测量单位
建设(监理)单位
专业技术负责人专业质检员施测人本表由施工单位填写保存。
检查意见:
符合设计图纸及测量放线要求
施工测量单位
建设(监理)单位
专业技术负责人专业质检员
检查意见:
符合设计图纸及测量放线要求
施工测量单位
建设(监理)单位
专业技术负责人专业质检员
符合设计图纸及测量放线要求
施工测量单位
建设(监理)单位
专业技术负责人专业质检员施测人
符合设计图纸及测量放线要求
施工测量单位
建设(监理)单位
专业技术负责人专业质检员。