建筑工程施工测量记录-楼层平面放线记录表
- 格式:xlsx
- 大小:29.38 KB
- 文档页数:1
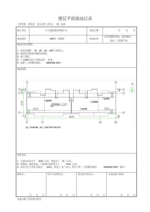
施工单位中天建设集团有限公司放线日期年月日放线部位16#楼一层楼面放线内容竖向投测控制线、墙柱轴线、边线、门窗洞口线放线内容及依据:1、定位控制桩1#、2#、3#、4#如下图所示;2、建设单位提供的测绘成果图;3、施工图纸;4、±0.000相当于黄海高程17.4;5、依据《工程测量规范》GB50026-2007。
放线简图:检查意见:1、主控线误差在±3mm以内,角度在±10“以内;2、各轴线、墙柱边线,门窗洞口线误差在±2mm以内;3、内控点尺寸误差不超过2mm,角度±5“以内,符合工程《工程测量规范》GB50026-2007要求。
测量员:项目专业质检员:项目技术负责人:专业监理工程师:施工单位中天建设集团有限公司放线日期年月日放线部位16#楼二层楼面放线内容竖向投测控制线、墙柱轴线、边线、门窗洞口线放线内容及依据:1、定位控制桩1#、2#、3#、4#如下图所示;2、建设单位提供的测绘成果图;3、施工图纸;4、±0.000相当于黄海高程17.4;5、依据《工程测量规范》GB50026-2007。
放线简图:检查意见:1、主控线误差在±3mm以内,角度在±10“以内;2、各轴线、墙柱边线,门窗洞口线误差在±2mm以内;3、内控点尺寸误差不超过2mm,角度±5“以内,符合工程《工程测量规范》GB50026-2007要求。
测量员:项目专业质检员:项目技术负责人:专业监理工程师:施工单位中天建设集团有限公司放线日期年月日放线部位16#楼三层楼面放线内容竖向投测控制线、墙柱轴线、边线、门窗洞口线放线内容及依据:1、定位控制桩1#、2#、3#、4#如下图所示;2、建设单位提供的测绘成果图;3、施工图纸;4、±0.000相当于黄海高程17.4;5、依据《工程测量规范》GB50026-2007。
放线简图:检查意见:1、主控线误差在±3mm以内,角度在±10“以内;2、各轴线、墙柱边线,门窗洞口线误差在±2mm以内;3、内控点尺寸误差不超过2mm,角度±5“以内,符合工程《工程测量规范》GB50026-2007要求。
建设单位五河县恒信投资有限公司设计单位深圳市筑道建筑工程设计有限公司
工程名称
五河县城南3号及4号地块棚户区西凌
安置房22#楼
放线依据
西凌安置区总平面定位图/安徽鑫土地测
绘有限公司淮南分公司定位坐标
工程位置草图N
施
工
单
位
放线人:复核人:
技术负责人:
年月日
监理
(建设)
单位监理工程师:
(建设单位项目负责人):
年月日
设
计
单
位
项目负责人:
年月日
1
2
施 工 单 位
放线人: 复核人: 技术负责人: 年 月 日 监理(建设) 单位 监理工程师: (建设单位项目负责人):
年 月 日 设 计 单 位
项目负责人:
年 月 日
3
4。
工程测量定位放线记录表精彩文档精彩文档建设单位驻工地代表: 项目负责人: 项目监理机构:定位放线负责人:工程测量定位放线记录表永久(临时)水准点标高建筑物设计标高相对标高±0.000相当于绝对标高30.9房屋朝向纵轴线方位轴线名称6-D轴—6-R轴邻近建筑物名称距离(角度)横轴线方位轴线名称6-1轴—6-36轴邻近建筑物名称距离(角度)定位放线日期2016年月日验收情况符合设计及规划要求精彩文档建设单位驻工地代表:项目负责人:项目监理机构:定位放线负责人:工程测量定位放线记录表精彩文档线方位距离(角度)横轴线方位轴线名称○1—○11轴邻近建筑物名称距离(角度)定位放线日期2015年4月20日验收情况符合设计及规划要求建设单位驻工地代表:项目负责人:项目监理机构:定位放线负责人:精彩文档工程测量定位放线记录表精彩文档横轴线方位轴线名称○1—○21轴邻近建筑物名称距离(角度)定位放线日期2015年月日验收情况符合设计及规划要求建设单位驻工地代表:项目负责人:项目监理机构:定位放线负责人:工程测量定位放线记录表精彩文档精彩文档建设单位驻工地代表:项目负责人:项目监理机构:定位放线负责人:工程测量定位放线记录表精彩文档建设单位驻工地代表:项目负责人:项目监理机构:定位放线负责人:精彩文档工程测量定位放线记录表精彩文档精彩文档建设单位驻工地代表: 项目负责人: 项目监理机构:定位放线负责人:工程测量定位放线记录表建设单位驻工地代表:项目负责人:项目监理机构:定位放线负责人:精彩文档工程测量定位放线记录表精彩文档建设单位驻工地代表:项目负责人:项目监理机构:定位放线负责人:精彩文档工程测量定位放线记录表精彩文档精彩文档建设单位驻工地代表: 项目负责人: 项目监理机构:定位放线负责人:工程测量定位放线记录表建设单位驻工地代表:项目负责人:项目监理机构:定位放线负责人:精彩文档。
XXXXXXXXXXXXXXX 公司建设项目
房建项目工程定位测量记录
本表由建设单位、监理单位、施工单位各保存一份
XXX X X OXXX公司建设项目
房建项目水准原始记录
校对者:观测者:持尺者: 日期:
XXX X X OXXX公司建设项目
房建项目基槽验线记录
驻地监理工程师检查意见:
本表由建设单位、监理单位、施工单位各保存一份
房建项目楼层平面放线记录
房建项目建筑物垂直度、标高观测记录
XXX X 公司建设项目
本表由建设单位、监理单位、施工单位各保存一份
XXX X
公司建设项目
检查结论:
钢结构主体结构整体垂直度、平面弯曲、标高观测记录本表由建设单位、监理单位、施工单位各保存一份
建(构)筑物沉降观测记录
XXX X X X X X X X X公司建设项目。
9.4 施工测量记录施工测量记录是在施工过程中形成的,确保轨道交通工程定位、线路路由、线路平纵断面、尺寸、标高、位置和沉降量等满足设计要求和规范规定的资料统称。
9.4.1施工测量放线报验表(表B2-2(A2监))施工单位应在完成施工测量方案、红线桩校核成果、水准点引测成果及施工过程中各种测量记录后,填写《施工测量放线报验表》(表B2-2(A2监))报监理单位审核。
9.4.2工程定位测量记录(表C3-1)1 测绘部门根据建设工程规划许可证(附件)批准的轨道交通工程建筑位置及标高、线路路由、线路平纵断面依据,测定出轨道交通建筑的红线桩。
2 施工测量单位应依据测绘部门提供的放线成果、红线桩及场地控制网(或建筑物控制网),测定建筑物位置、主控轴线及尺寸、建筑物±0.000绝对高程,并填写《工程定位测量记录》(表C3-1)报监理单位审核。
3 工程定位测量完成后,应由建设单位报请具有相应资质的测绘部门验线。
9.4.3 基槽验线记录(表C3-2)施工测量单位应根据主控轴线和基底平面图,检验建筑物基底外轮廓线、集水坑、电梯井坑、垫层标高(高程)、基槽断面尺寸和坡度等,填写《基槽验线记录》(表C3-2)报监理单位审核。
9.4.4 楼层平面放线记录(表C3-3)楼层平面放线内容包括轴线竖向投测控制线、各层墙柱轴线、墙柱边线、门窗洞口位置线、垂直度偏差等,施工单位应在完成楼层平面放线后,填写《楼层平面放线记录》(表C3-3)报监理单位审核。
9.4.5 楼层标高抄测记录(表C3-4)楼层标高抄测内容包括楼层、桥面水平控制线、皮数杆等,施工单位应在完成楼层标高抄测记录后,填写《楼层标高抄测记录》(表C3-4)报监理单位审核。
9.4.6 建筑物垂直度、标高测量记录(表C3-5)1 施工单位应在结构工程完成和工程竣工时,对建筑物垂直度和全高进行实测并记录,填写《建筑物垂直度、标高测量记录》(表C3-5)报监理单位审核。
楼层测量放线检查记录(总22页)--本页仅作为文档封面,使用时请直接删除即可----内页可以根据需求调整合适字体及大小--楼层测量放线检查记录工程名称君地天城 33#楼编号01-00-B039-1检查日期年月日检查部位机房层测量放线依据图纸结构平面图放线示意图:检查结论:1:楼层设计标高与抄测标高数值无误。
墙柱上抄测建筑一米线误差在±2mm以内符合设计图纸和规范要求2:经检查墙柱钢筋上抄测结构50cm,误差在±2mm以内符合设计图纸和规范要求。
施工单位江苏南通二建集团有限公司监理单位吉林省先胜建设工程咨询有限公司施测人(签字)专业监理工程师:年月日专业质检员(签字)专业技术负责人(签字)楼层测量放线检查记录工程名称君地天城 33#楼编号01-00-B039-1检查日期年月日检查部位四层测量放线依据图纸结构平面图放线示意图:检查结论:1:楼层设计标高与抄测标高数值无误。
墙柱上抄测建筑一米线误差在±2mm以内符合设计图纸和规范要求2:经检查墙柱钢筋上抄测结构50cm,误差在±2mm以内符合设计图纸和规范要求。
施工单位江苏南通二建集团有限公司监理单位吉林省先胜建设工程咨询有限公司施测人(签字)专业监理工程师:年月日专业质检员(签字)专业技术负责人(签字)楼层测量放线检查记录工程名称君地天城 33#楼编号01-00-B039-1检查日期年月日检查部位五层测量放线依据图纸结构平面图放线示意图:检查结论:1:楼层设计标高与抄测标高数值无误。
墙柱上抄测建筑一米线误差在±2mm以内符合设计图纸和规范要求2:经检查墙柱钢筋上抄测结构50cm,误差在±2mm以内符合设计图纸和规范要求。
施工单位江苏南通二建集团有限公司监理单位吉林省先胜建设工程咨询有限公司施测人(签字)专业监理工程师:专业质检员(签字)专业技术负责人(签字)年月日楼层测量放线检查记录工程名称君地天城 33#楼编号01-00-B039-1检查日期年月日检查部位六层测量放线依据图纸结构平面图放线示意图:检查结论:1:楼层设计标高与抄测标高数值无误。
陕西省建筑工程施工质量验收技术资料统一用表
工程质量控制资料表
专业| 01.建筑与结构|资料名称| 02.工程定位测量,放线记录
04.多层高层的各层放线测量记录
陕ZKZ —
010204
工程名称中铁二十局技工学校教学楼建设单位中铁二十局技工学校
总承包单位渭南市建总公司分包单位/
放线层位主体五层日期
使用仪器水准仪/50Mq钢卷尺/线毕
坠/线绳型号等级DSC 332仪器编号 C 0702493
内容定位或控制方法是否符合设计和规范要
求
偏差情况
1.平面轴线将基础轴线引测至圈梁上并弹出墨线符合设计及规范要求在允许偏差范围内
2.层位标高将一层50线引测至构造柱钢筋上用红笔做
标记
符合设计及规范要求在允许偏差范围内
3.垂直中心线将轴线垂直中心线垂直上引符合设计及规范要求在允许偏差范围内
4.偏差纠正处理对于轴线出现的偏差用钢尺进行复核并进行校
正处理,形成测量闭合
符合设计及规范要求
放线测量
记录用线坠将建筑物四角基础轴线的引测至四角构造柱上,用钢尺进行复核闭合后分出其它所有轴线并将轴线弹在底圈梁上,按照图纸对门,窗,砖砌体,构造柱及预留洞口进行施工放线,
标高用水准仪从+ 0.000进行引测,将四层50线引测至构造柱钢筋上,控制建筑物标高进行
砌砖,砖砌体工程完成后将50线引测至砖砌体上并弹出墨线。
施工单位参加人员
监理(建设)单位参加
人员
放线测量二人施工放线负责人项目部质检员专业技术人员
年月曰年月曰年月曰年月曰年月曰
施工单位专业技术负责人:
年月日专业监理工程师(建设单位项目技术负责人):
年月日。
基槽及各层测量放线记录
施测单位:山西四建四分公司日期:2007 年11月24日编号:
基槽及各层测量放线记录
施测单位:山西四建四分公司日期:2007 年11月22日编号:
基槽及各层测量放线记录
施测单位:山西四建四分公司日期:2007 年12月2日编号:
基槽及各层测量放线记录
施测单位:山西四建四分公司日期:2007 年11月30日编号:
基槽及各层测量放线记录
施测单位:山西四建四分公司日期:2007 年12月2日编号:
基槽及各层测量放线记录
施测单位:山西四建四分公司日期:2007 年11月15日编号:
基槽及各层测量放线记录
施测单位:山西四建四分公司日期:2007 年9 月23日编号:
基槽及各层测量放线记录
施测单位:山西四建四分公司日期:2007 年12月26日编号:
基槽及各层测量放线记录
施测单位:山西四建四分公司日期:2007 年12月29日编号:
基槽及各层测量放线记录
施测单位:山西四建四分公司日期:2007 年12月19日编号:
基槽及各层测量放线记录
施测单位:山西四建四分公司日期:2007 年12月22日编号:
基槽及各层测量放线记录
施测单位:山西四建四分公司日期:2007 年12月11日编号:
基槽及各层测量放线记录
施测单位:山西四建四分公司日期:2007 年12月15日编号:
基槽及各层测量放线记录
施测单位:山西四建四分公司日期:2007 年12月7日编号:。
施工测量放线报验单工程名称:辰溪县黄溪口镇中心小学教育公租房工程编号:001 致:怀化市建设工程监理有限公司:根据合同要求,我们已完成条形基础平面定位工程的施工放样,工作清单如下,请予查验。
附件:测量及放样资料承包单位(章)项目经理工程或部位名称放样内容备注建筑物平面平面定位点监理工程师审核意见:□查验合格□纠正差错后再报监理工程师:日期:本表由施工单位填写一式二份,监理单位、施工单位各留一份。
基础平面放线及标高实测记录资料编号工程名称辰溪县黄溪口镇中心小学教育公租房工程日期放线部位条形基础放线内容条形基础轴线放线依据:1、定位控制桩(外桩)。
2、施工高程控制网3、结构图GS5-2。
4、施工测量方案。
5、建筑工程施工测量规程。
放线简图:见附图。
检查意见:经核对:外控桩(坐标)尺寸、设计施工图、桩位图及放线成果资料一致无误。
经检查:1、桩位与基础控制轴线误差在±20mm以内。
2、本结构面标高-1.500~-1.100m误差在±5mm以内。
符合建筑工程施工测量规程精度要求。
签字栏施工单位辰溪县华盛工程建设有限公司专业技术负责人专业质检员施测人监理(建设)单位怀化市建设工程监理有限公司专业工程师本表由施工单位填写。
施工测量放线报验单工程名称:辰溪县黄溪口镇中心小学教育公租房工程编号:002 致:怀化市建设工程监理有限公司:根据合同要求,我们已完成架空层平面定位工程的施工放样,工作清单如下,请予查验。
附件:测量及放样资料承包单位(章)项目经理工程或部位名称放样内容备注建筑物平面平面定位点监理工程师审核意见:□查验合格□纠正差错后再报监理工程师:日期:本表由施工单位填写一式二份,监理单位、施工单位各留一份。
基础平面放线及标高实测记录资料编号工程名称辰溪县黄溪口镇中心小学教育公租房工程日期放线部位架空层放线内容梁、板、柱轴线放线依据:1、定位控制桩(外桩)。
2、施工高程控制网3、结构图GS5-2、GS5-3。
楼层平面放线及标高测量记录
楼层平面放线及标高测量记录
楼层平面放线及标高测量记录
楼层平面放线及标高测量记录
楼层平面放线及标高测量记录
楼层平面放线及标高测量记录
楼层平面放线及标高测量记录
楼层平面放线及标高测量记录
楼层平面放线及标高测量记录
楼层平面放线及标高测量记录
楼层平面放线及标高测量记录
楼层平面放线及标高测量记录
楼层平面放线及标高测量记录
楼层平面放线及标高测量记录
楼层平面放线及标高测量记录
楼层平面放线及标高测量记录
楼层平面放线及标高测量记录
楼层平面放线及标高测量记录
楼层平面放线及标高测量记录
楼层平面放线及标高测量记录
楼层平面放线及标高测量记录
楼层平面放线及标高测量记录
楼层平面放线及标高测量记录
楼层平面放线及标高测量记录
楼层平面放线及标高测量记录
楼层平面放线及标高测量记录
楼层平面放线及标高测量记录
楼层平面放线及标高测量记录
楼层平面放线及标高测量记录
楼层平面放线及标高测量记录
楼层平面放线及标高测量记录
楼层平面放线及标高测量记录
楼层平面放线及标高测量记录
楼层平面放线及标高测量记录
楼层平面放线及标高测量记录
楼层平面放线及标高测量记录
楼层平面放线及标高测量记录
楼层平面放线及标高测量记录
楼层平面放线及标高测量记录。
日期
放线内容工程名称
××综合楼签字栏建设(监理)单位
1、1-7/A-J 轴为地下一层外廓纵横轴线;
2、括号内数据为复测数据(或结果);
3、各细部轴线间几何尺寸相对精度最大偏差+2mm ,90度角中误差10″,精度合格;
4、放线内容均已完成,位置准确,垂直度偏差在允许范围内,符合设计,DBJ01-21-95及测量方案要求,可以进行下道工序施工。
×××××建筑工程公司放线简图:1、施工图纸(图号××),设计变更/洽商(编号××)
2、《建筑工程施工测量规程》(DBJ01-21-95)
3、本工程《施工测量方案》
4、地下二层已放好的控制桩点。
专业技术负责人
×××检查意见:
专业质检员施测人××××××放线依据:
施工单位
编号楼层平面放线记录
表C3-3
放线部位
地下一层1-7/A-J 轴顶板轴线竖向投测控制线,墙柱轴线、边
线、门窗洞口位置线,垂直度偏差等。