螺栓紧固预紧力和预紧力矩
- 格式:pdf
- 大小:72.75 KB
- 文档页数:1
1、引言家用电器厂在生产某型产品时,经常出现批头、电批套筒或风批套筒被打断的现象。
原因是一些重要零部件如发热管、R型弹簧等的固定都需要用很大的扭力矩来旋紧螺钉,而批头、电批套筒或风批套筒的极限扭力矩不能达到螺钉拧紧的拧紧力矩要求,致使其超过能够承受的最大拧紧力矩而折断。
但是,螺钉的拧紧力矩到底需要多大?目前尚没有一个确切的或者令人信服的标准来衡量。
那么,有没有办法给定螺钉比较准确的标准值呢?答案是肯定的。
下面以某产品弹性元件固定螺钉PM5×10为例,来计算它的拧紧力矩。
2、螺纹联接的拧紧力矩我们知道,在螺栓联接中,只有适当的预紧力才能保证螺栓可靠联接。
而预紧力则是通过控制施加于螺钉的拧紧力矩或转角来间接实现的。
但是,螺栓轴力与拧紧力矩之间的对应关系严重地受到摩擦条件的影响。
摩擦一方面是螺纹自锁防松的必要条件,另一方面摩擦消耗大量拧紧力矩(能量)从而影响螺栓轴力。
拧紧时,扳手或电批(风批)力矩T用于克服螺纹副的螺纹阻力矩T1及螺母与被联接件(或垫圈)支承面间的端面摩擦力矩T2。
即T= T1+ T2=KF0 d (N·mm)d——螺纹公称直径(mm)F0——预紧力(N)K——拧紧力矩系数(无量纲)其中,K值与螺纹中径、螺纹升角、螺纹当量摩擦系数、螺母与被联接件支承面间的摩擦系数有关。
而这些参数的取值都比较复杂。
要准确地计算出K 值,就要通过针对性的试验,同时测得预紧力和紧固扭矩才能间接获得拧紧力矩系数K值。
一般情况下,在各种条件下的K值,可参考下表中的数据。
盘铝合金基材上,铝合金的硬度较低,摩擦力较大。
故按干燥加工表面无润滑取值,则K值的取值范围是0.26~0.30,取最小值K=0.26。
螺纹联接的预紧力螺纹联接预紧力的大小,要根据螺钉组受力和联接的工作要求决定。
设计时首先要保证所需的预紧力,又不应使联接的结构尺寸过大。
一般规定拧紧后螺纹联接件的预紧力不得大于其材料屈服强度σs的80%。
高强度螺栓预紧力和拧紧力矩比较分析在钢结构连接中经常使用高强度螺栓。
高强度螺栓连接对于防止松动有良好的可靠性,尤其用于连接动载荷的构件。
在高强度螺栓连接中,预紧力和拧紧力矩是一个很重要的参数。
下面就高强度螺栓的预紧力及拧紧力矩进行探讨,以期得到合理的结果,在今后的设计中应用。
1 预紧力大小的确定高强度螺栓预紧力的大小跟螺栓的材料及其横截面面积有关。
所用材料需要经过调质处理以提高其机械性能,满足使用要求。
国内高强度螺栓的材料一般为45钢、40B钢及40Cr钢。
45钢用作8.8级的螺栓,40B钢及40Cr钢用作10.9级的螺栓。
预紧力大小由下式计算:P=0.6σb Fi(1-1)式中σb—高强度螺栓材料经热处理后的抗拉强度限,Fi—螺栓的计算面积(按内螺纹直径计算),按下表取。
高强度螺栓的螺纹内径d1和计算面积Fi螺栓公称直径M16 M18 M20 M22 M24螺纹的内径(mm) 13.835 15.294 17.294 19.294 20.732计算面积(mm2)149 182 235 292 337.52 拧紧力矩的计算拧紧力矩是为了使螺栓产生预紧力,其大小由预紧力确定。
拧紧力矩由下式计算:M=0.19Pd(kg·m)(2-1)式中 P—高强度螺栓需要的预紧力(t);d—高强度螺栓的公称直径(mm)。
3 下面就国内外高强度螺栓,根据它们的材料的机械性能计算其预紧力和拧紧力矩,并进行比较和分析,从中找到适合我们应用的预紧力和拧紧力矩。
(1)根据《机械设计手册》(机械工业出版社)材料:45钢,8.8级;40B钢,10.9级抗拉强度限:45钢,850kN/mm2;40B钢,1550kN/mm2。
计算结果如下表所示。
预紧力Fv (kN)及扭紧力矩MA(N·m)(2)根据《起重机设计手册》(辽宁人民出版社)材料:45钢,8.8级;40B钢,10.9级抗拉强度限:45钢,850kN/mm2;40B钢,1550kN/mm2。
化 工 设 备 与 管 道第42卷螺栓拧紧方法及预紧力控制初泰安(扬子石油化工公司芳烃厂,南京 210048)[摘要] 石化、炼油企业装置上的静密封结构以螺栓法兰垫片连接系统为主,检修期间螺栓拧紧方法的选择和预紧力的正确控制对保证装置的安全运行至关重要。
本文介绍了实际生产中常用的扭矩法、螺母转角法和液压拉伸法的基本原理,并给出了各种预紧力的控制方法及其所能达到的精度,对安装和维修有一定的指导意义。
[关键词] 螺栓; 预紧力; 拧紧; 法兰连接 螺栓法兰连接在化工装置中广为应用。
为了保证法兰连接系统紧密不漏、安全可靠地长周期运行,垫片表面必须有足够的密封比压,特别在高温工况下垫片会产生老化、蠕变松弛,法兰和螺栓产生热变形,高温连接系统的密封比常温困难得多,此时螺栓预紧力的施加与控制就显得十分重要,过大或过小的预紧力都会对密封产生不利影响。
螺栓预紧力过大,密封垫片会被压死而失去弹性,甚至会将螺栓拧断;过小的螺栓预紧力又使受压后垫片表面的残余压紧应力达不到工作密封比压,从而导致连接系统泄漏。
因此如何控制螺栓预紧力是生产实际中必须重视的问题。
1 螺栓拧紧方法1.1扭矩拧紧法扭矩拧紧法[1、2]是最常用的螺栓拧紧方法,通过扭矩扳手显示的扭矩值来控制被连接件的预紧力,操作简单、直观。
拧紧螺栓时的拧紧力矩:M=K t Q0d×10-3N m式中:Q0———预紧力,N;K t———计算系数;d———螺栓的公称直径,m m。
Q0=MK t d×10-3N(1)系数K t与螺纹表面及法兰的光洁度、润滑状况、拧紧速度、所用拧紧工具、以及反复拧紧时的温度变化等有关,通常在0.1~0.3之间变化。
K t的变化将导致预紧力Q0也发生较大变化,变化范围大约在40%左右。
所以,如采用扭矩法拧紧螺栓,其计算载荷需要1.3倍最大工作载荷,这必然会造成螺栓直径增大,或数量增加,或提高材质。
这对简化结构、降低成本,减轻其重量都是不利的。
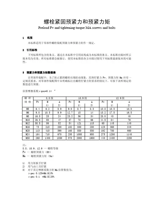
螺栓紧固预紧力和预紧力矩Preload Fv and tightening torque MA screws and bolts1范围本标准适用于零部件螺栓装配预紧力和预紧力矩作一规定。
2 引用标准下列标准所包含的条文,通过在本标准中引用而构成为本标准的条文。
本标准出版时所示版本均为有效。
所有标准都会被修订,使用本标准的各方应探讨使用下列标准最新版本的可能性。
3 预紧力和预紧力矩数值表在零部件装配中,为了防止紧固螺栓出现松动现象,其预拧紧力Fv、预紧力矩Ma应有一定规范要求。
对零部件装配图中未明确标注出螺栓拧紧力矩要求的情况下,可按下表所规定的数值进行预紧。
估算摩擦系数μges=0.14 3)螺 栓 8.8级 10.9级 12.9级规 格 Fv M A Fv M A Fv M A1) 2) 1) 2) 1) 2)M5 6.4 6.2 5.9 9.08.7 8.3 10.810.5 10.0 M6 9.0 10.5 9.9 12.715 14 15.217.5 16.5 M8 16.5 25 24 23.236 34 28.043 40 M10 26.5 50 47 37 70 66 44.584 79 M12 38.5 86 82 54 121 115 65 145 140 M16 73 215 200 102300 280 123360 340 M20 113 410 390 160580 550 192700 660 M24 164 710 670 2301000 950 2751200 1140 M30 260 1400 1350 3702000 1900 4402400 2250注:8.8、10.9、12.9 — 螺栓等级Fv — 螺栓预紧力(KN)M A— 螺栓预紧力矩(Nm)1) 用力矩扳手拧紧2) 用气动工具拧紧3) 对于其它摩擦系数力矩MA估算数值为:μges 0.125=MA减8%μges 0.1 =MA减20%。
预紧力与预紧力矩之间的简化关系一、引言预紧力与预紧力矩是工程领域中重要的概念,它们在机械连接和结构设计中起着至关重要的作用。
在本文中,我们将探讨预紧力与预紧力矩之间的简化关系,旨在帮助读者更好地理解这两个概念之间的联系。
二、预紧力与预紧力矩的定义让我们先来了解一下预紧力与预紧力矩的定义。
预紧力是指在螺栓或螺钉连接中施加的力,它的作用是通过将连接件拉伸来增加摩擦力和连接的紧固性能。
而预紧力矩则是指在预紧力作用下,螺栓或螺钉所受到的扭矩,它是预紧力施加后产生的力矩。
三、预紧力与预紧力矩的关系预紧力与预紧力矩之间存在着密切的关系,它们之间的简化关系可以用数学公式来描述。
当施加预紧力时,螺栓或螺钉会产生弹性变形,在这个过程中会产生预紧力矩。
根据弹性力学的理论,预紧力和预紧力矩之间的关系可以用以下公式简化表示:M = K * F * d其中,M表示预紧力矩,K表示螺栓或螺钉的摩擦系数,F表示预紧力,d表示螺栓或螺钉的直径。
这个公式说明了预紧力与预紧力矩之间的简化关系,通过预紧力,可以间接产生预紧力矩,从而增加连接的紧固性能。
四、预紧力与预紧力矩的应用在工程领域中,预紧力与预紧力矩的应用是非常广泛的。
它们不仅可以用于机械连接,还可以应用于各种结构的设计和施工中。
通过合理施加预紧力,可以增加连接的承载能力和抗疲劳性能,从而提高结构的安全性和稳定性。
五、结论与展望预紧力与预紧力矩之间存在着密切的简化关系,通过预紧力,可以产生预紧力矩,从而增加连接的紧固性能。
这种简化关系在工程设计和施工中具有重要的意义。
在未来的研究中,我们可以进一步探讨预紧力与预紧力矩之间的精确关系,以及其在各种工程领域中的应用。
个人观点:预紧力与预紧力矩是工程领域中非常重要的概念,它们对于机械连接和结构设计起着决定性的作用。
在实际工程中,我们需要深入理解预紧力与预紧力矩之间的关系,才能更好地应用于工程实践中。
通过不断学习和实践,我们可以不断完善对预紧力与预紧力矩的理解,从而为工程领域的发展做出更大的贡献。
1、引言家用电器厂在生产某型产品时,经常出现批头、电批套筒或风批套筒被打断的现象。
原因是一些重要零部件如发热管、R型弹簧等的固定都需要用很大的扭力矩来旋紧螺钉,而批头、电批套筒或风批套筒的极限扭力矩不能达到螺钉拧紧的拧紧力矩要求,致使其超过能够承受的最大拧紧力矩而折断。
但是,螺钉的拧紧力矩到底需要多大?目前尚没有一个确切的或者令人信服的标准来衡量。
那么,有没有办法给定螺钉比较准确的标准值呢?答案是肯定的。
下面以某产品弹性元件固定螺钉PM5×10为例,来计算它的拧紧力矩。
2、螺纹联接的拧紧力矩我们知道,在螺栓联接中,只有适当的预紧力才能保证螺栓可靠联接。
而预紧力则是通过控制施加于螺钉的拧紧力矩或转角来间接实现的。
但是,螺栓轴力与拧紧力矩之间的对应关系严重地受到摩擦条件的影响。
摩擦一方面是螺纹自锁防松的必要条件,另一方面摩擦消耗大量拧紧力矩(能量)从而影响螺栓轴力。
拧紧时,扳手或电批(风批)力矩T用于克服螺纹副的螺纹阻力矩T1及螺母与被联接件(或垫圈)支承面间的端面摩擦力矩T2。
即T= T1+ T2=KF0 d (N·mm)d——螺纹公称直径(mm)F0——预紧力(N)K——拧紧力矩系数(无量纲)其中,K值与螺纹中径、螺纹升角、螺纹当量摩擦系数、螺母与被联接件支承面间的摩擦系数有关。
而这些参数的取值都比较复杂。
要准确地计算出K 值,就要通过针对性的试验,同时测得预紧力和紧固扭矩才能间接获得拧紧力矩系数K值。
一般情况下,在各种条件下的K值,可参考下表中的数据。
盘铝合金基材上,铝合金的硬度较低,摩擦力较大。
故按干燥加工表面无润滑取值,则K值的取值范围是0.26~0.30,取最小值K=0.26。
螺纹联接的预紧力螺纹联接预紧力的大小,要根据螺钉组受力和联接的工作要求决定。
设计时首先要保证所需的预紧力,又不应使联接的结构尺寸过大。
一般规定拧紧后螺纹联接件的预紧力不得大于其材料屈服强度σs的80%。
常用高强度螺栓预紧力和拧紧扭矩(参考)预紧力Fv(kN)及扭紧力矩MA(N·m)计算方式决定施工高强度螺栓扭矩:Ma=1.1 k Pv d式中: k---扭矩系数,此数据由高强度螺栓制造商提供或在安装前实验得到。
通常k=0.11-0.15,详细数据见供货商的质量报告。
Pv---高强度螺栓预拉力, [kN];d---高强度螺栓直径,mm。
如何确定机螺丝的紧固力矩关于如何紧固螺栓和螺母的文章已经有很多,但如何恰当地紧固机螺丝(Machine Screws)的文章较少。
与如何确保螺栓和螺母的安全连接一样,在紧固机螺丝时,恰当地选择合适的拧紧力矩十分重要。
恰当的、安全的连接直接关系到装配后产品的质量好坏。
因此在紧固机螺丝时,我们应该计算一下合理的拧紧力矩。
紧固机螺丝的这些力矩与紧固螺栓、螺母的力矩相比起来要小得多。
1、机螺丝拧紧力矩的计算常用的计算螺纹紧固件拧紧力矩的公式为:T=D×K×P其中:T:力矩(牛顿?米/英寸?磅1Nm=9 in.1b)D:螺纹的外径(1mm=0.03937 in)K:螺母的摩擦系数(光杆螺栓 K=0.20 镀锌螺栓 K=0.22 上蜡或带润滑螺栓 K=0.10)P:夹紧力(一般是屈服点抗拉强度值的75%)1.1米制机螺丝米制机螺丝(Metric Machine Screws)有不同的强度等级,每个等级都有相应合适的拧紧力矩。
在ISO国际标准中来制机螺丝(Metric Machine Screws)有两个主要的强度等级:4.8级(类似SAE 60M)和8.8级(类似SAE 120M)。
强度等级4.8表示最小的抗拉强度是480MPa,这约等于每英寸70,000磅(即70,000 Psi)。
强度等级8.8表示最小的抗拉强度是880MPa,约等于每英寸127,000磅(127,000Psi)。
米制电镀锌机螺丝拧紧力矩见表1。
1.2 英制机螺丝对于英制机螺丝(Inch Machine Screws)也有不同的强度等级,每个等级都有相应合适的拧紧力矩。
螺栓紧固的理论依据徐锐 杨学斌 梅军阳(武钢集团昆明钢铁股份有限公司物流部 云南昆明650309)摘 要 通过对螺栓紧固理论依据的阐述,介绍了受轴向载荷的螺栓处于不同工作状况下的预紧力推算要点以及物流部机车车辆检修中应用的几种螺栓紧固方法。
关键词 螺栓紧固 预紧力 受力情况 静载荷 交变载荷中图法分类号 TG155.4 文献标识码 BDoi:10 3969/j issn 1001-1269 2023 Z2 0411 前言螺栓紧固在设备日常的检修、维护、保养工作中是一道较为普遍、基本的工序。
正因为其基本而普通,在紧固的过程中,一些所应遵循的理论依据和应注意的工艺技术要求往往被忽视。
一个普遍的现象是:在螺栓的紧固过程中,因操作者个人的感受的不同,最终螺栓紧固后的技术状态也会出现较大差异。
当前,随着设备精密化程度的进一步提高,对最简单的一道工序,往往也有严格、细致的工艺要求。
在我公司现用的机车车辆设备中,螺栓紧固的方式已由最基本的力矩法逐步进步为关键部件采用丝杆拉伸法(12V180ZJC柴油机主轴瓦的紧固)及塑性区域旋转角度拧紧法(12V180ZJC柴油机活塞铝裙与钢顶间的联接)等。
因而,进一步阐述清楚螺栓紧固的理论依据,对螺栓紧固的各种方法从机械的掌握到对其本质上的理解掌控,都将对生产实际工作具有一定的指导作用。
2 螺栓在紧固状态下的受力情况2.1 紧固螺栓的受力分类根据螺栓紧固后所处的工作受载情况,螺栓处于工作状态下的受力主要有以下几种情况:A、受横向载荷的螺栓组联接;B、受扭矩的螺栓组联接;C、受轴向载荷的螺栓组连接;D、受倾覆力矩的螺栓组联接。
在实际使用中,螺栓组联接所受的工作载荷常常是以上四种简单受力状态的不同组合,但无论受力如何复杂,都可利用静力分析方法将复杂的受力状态简化成上述四种简单受力状态。
以上四种受力状态,均有所需预紧力及螺栓强度的计算模式,一般而论,对受拉螺栓可按轴向模式或倾覆力矩确定螺栓的工作拉力;按横向载荷或扭矩确定联接所需预紧力。
螺栓预紧力标准各单位:近来发现许多维修人员在设备维修时,对设备连接螺栓扭力力矩要求不清楚,使用的扭力不规范,易造成维修缺陷及故障隐患,为加强设备连接螺栓的紧固规范,提高维修质量,现要求维修员工在维修中,螺栓的预紧力矩一律按以下力矩表严格执行。
特殊设备螺栓紧固要求及紧固力矩一;水泥磨辊压机锁紧盘螺栓紧固要求及紧固力矩:先用1/3的力矩,对角交叉均匀扭紧,再用1/2的力矩对角交叉均匀扭紧,然后用总力矩对角交叉均匀扭紧,最后用总扭力矩,按圆周顺序紧固一遍完成,(注:该螺栓的总力为1100N.m)。
二;生料辊压机锁紧盘螺栓紧固要求及紧固力矩:先用1/3的力矩,对角交叉均匀扭紧,再用1/2的力矩对角交叉均匀扭紧,然后用总的力矩对角交叉均匀扭紧,最后用总扭力矩,按圆周顺序紧固一遍完成,(注:该螺栓的总力为1640N.m)。
三:皮带输送机,提升机及其他辅机减速机锁紧盘螺栓紧固力矩表螺栓8.8级(N.m)10.9级(N.m)M8 25 29M10 50 58M12 90 100M16 230 240M20 440 470M24 760 820M27 1100 1250紧固要求:先用1/2的扭力力矩对角交叉紧固,最后用总扭力按圆周顺序依次紧固。
直到所有的力满为止。
四:斜拉链机连接螺栓更换及使用力矩:在更换齿片时,一定要同时更换相应的紧固件,而且必须使用扭力扳手,头部螺栓力矩为1080N.m ;尾部螺栓为630N.m。
五:钢丝胶带提升机夹板螺栓及料斗螺栓的紧固方式及力矩:胶带夹板紧固力矩表胶带规格315 400 500 630 800 800H 1000 1250 主夹板预紧力(N.m)200 300 4001:防松螺母紧固力100N.m。
2:在操作期间,紧固力矩可减少到200N.m,如果检查时发现低于200N.m,固定螺母应重新紧固到300N.m.3紧固顺序:第一行..........9 5 1 3 7 11第二行.........10 6 2 4 8 12注:提升机调试运行第一年内,必须在带载运行六个阶段12小时,72小时,2周,1个月,3个月,6个月,对带夹连接螺栓进行紧固。
1、引言家用电器厂在生产某型产品时,经常出现批头、电批套筒或风批套筒被打断的现象。
原因是一些重要零部件如发热管、R型弹簧等的固定都需要用很大的扭力矩来旋紧螺钉,而批头、电批套筒或风批套筒的极限扭力矩不能达到螺钉拧紧的拧紧力矩要求,致使其超过能够承受的最大拧紧力矩而折断。
但是,螺钉的拧紧力矩到底需要多大?目前尚没有一个确切的或者令人信服的标准来衡量。
那么,有没有办法给定螺钉比较准确的标准值呢?答案是肯定的。
下面以某产品弹性元件固定螺钉PM5×10为例,来计算它的拧紧力矩。
2、螺纹联接的拧紧力矩我们知道,在螺栓联接中,只有适当的预紧力才能保证螺栓可靠联接。
而预紧力则是通过控制施加于螺钉的拧紧力矩或转角来间接实现的。
但是,螺栓轴力与拧紧力矩之间的对应关系严重地受到摩擦条件的影响。
摩擦一方面是螺纹自锁防松的必要条件,另一方面摩擦消耗大量拧紧力矩(能量)从而影响螺栓轴力。
拧紧时,扳手或电批(风批)力矩T用于克服螺纹副的螺纹阻力矩T1及螺母与被联接件(或垫圈)支承面间的端面摩擦力矩T2。
即T= T1+ T2=KF0 d (N·mm)d——螺纹公称直径(mm)F0——预紧力(N)K——拧紧力矩系数(无量纲)其中,K值与螺纹中径、螺纹升角、螺纹当量摩擦系数、螺母与被联接件支承面间的摩擦系数有关。
而这些参数的取值都比较复杂。
要准确地计算出K 值,就要通过针对性的试验,同时测得预紧力和紧固扭矩才能间接获得拧紧力矩系数K值。
一般情况下,在各种条件下的K值,可参考下表中的数据。
本例中,因为没有具体的实验参数,K按上表取值。
由于螺钉拧紧在发热盘铝合金基材上,铝合金的硬度较低,摩擦力较大。
故按干燥加工表面无润滑取值,则K值的取值范围是0.26~0.30,取最小值K=0.26。
螺纹联接的预紧力螺纹联接预紧力的大小,要根据螺钉组受力和联接的工作要求决定。
设计时首先要保证所需的预紧力,又不应使联接的结构尺寸过大。
螺栓预紧力与拧紧力矩的公式换算
本文为“自动机算模板“系列原创文档之一,本文档主要介绍螺栓预紧力与拧紧力矩的公式换算和如何使用免费开源的软件wxMaxima让计算机为我们自动计算复杂公式数值的过程和方法。
理论依据
已知预紧力F0,拧紧力矩与预紧力F0的对应关系参考成大先《机械设计手册》第五版。
T=K*F0*d
其中:
T为拧紧力矩,N·mm;(1000N·mm=1N·m)
K为拧紧力矩系数,无量纲;
F0为预紧力,N;
d为螺纹公称直径,mm;
拧紧力矩系数K值可以通过下表查得:(摘自成大先《机械设计手册》表
计算范例
以M12螺纹连接为例:
wxMaxima输入单元的数值表达式如下:
K:0.2;
F0:16000;
d:12;
T:K*F0*d;
软件wxMaxima,大家可以从网上下载并安装,这个软件是免费的。
安装后,打开软件,然后把我上面列出的公式复制进去,修改数值,点击菜单栏的“单元”→“对单元进行求值”,即可在几秒内获得想要的计算结果。
由上图可以看到拧紧力矩的计算结果:T=38400N·mm=38.4N·m
计算结果的评估
得到计算结果后,需要根据工程实际情况判断预紧力或拧紧力矩是否合适。
一般而言,预紧力不容易测量得到,拧紧力矩则可以通过力矩扳手进行控制。
铝材的强度小于钢材,所以当螺钉材料是钢、零件材料是铝材时,预紧力和拧紧力矩应选取的小一些,一般螺栓等级的选取不能大于5.6级。
通过本文方法计算得到的拧紧力矩数值可以与《螺栓尺寸、强度等级、预紧力和预紧扭矩对照表》进行比对和选用,工程应用时还要通过实验测试来验证。
三、螺栓拧紧力矩和预紧力计算
拧紧力矩的计算:T=T1+T2=Ftan(∅+ρv)d2
2+Fμ
3
×D w3−d03
D w3−d02
=KFd (1)
K=d2
2d tan(∅+ρv)+μ
3d
×
D
w−d03
3
D w3−d02
(2)
式中d——螺纹公称直径, mm;
F——预紧力, N;
d2——螺纹中径, mm;
∅——螺纹升角;
ρv——螺纹当量摩擦角, ρv=arctanμv;
μv——螺纹当量摩擦因数;
Μ——螺母与被连接件支承面间的摩擦因数;
K——拧紧力矩系数(推荐从下表中选取);
D w、d0见图3-1。
图3-1
预紧力计算:F=(0.5~0.6)σS A s (3)
式中σS——螺栓材料的屈服点,MPa;
A S——螺栓公称应力截面积,mm²;
螺栓公称应力截面积:A S=π
4(d2+d3
2
)2 (4)
螺纹的计算直径:d3=d1−H
6
(5)
螺纹的原始三角形高度:H=√3
2
P=0.866P (6)
式中
d1——外螺纹小径, mm;
d2——外螺纹中径, mm;
d3——螺纹的计算直径, mm;
H——螺纹的原始三角形高度,mm;
P——螺纹的螺距,mm。
一般规定拧紧后螺纹连接件预紧应力不得大于其材料的屈服点σS的80%。
1、引言家用电器厂在生产某型产品时,经常出现批头、电批套筒或风批套筒被打断的现象。
原因是一些重要零部件如发热管、R型弹簧等的固定都需要用很大的扭力矩来旋紧螺钉,而批头、电批套筒或风批套筒的极限扭力矩不能达到螺钉拧紧的拧紧力矩要求,致使其超过能够承受的最大拧紧力矩而折断。
但是,螺钉的拧紧力矩到底需要多大?目前尚没有一个确切的或者令人信服的标准来衡量。
那么,有没有办法给定螺钉比较准确的标准值呢?答案是肯定的。
下面以某产品弹性元件固定螺钉PM5×10为例,来计算它的拧紧力矩。
2、螺纹联接的拧紧力矩我们知道,在螺栓联接中,只有适当的预紧力才能保证螺栓可靠联接。
而预紧力则是通过控制施加于螺钉的拧紧力矩或转角来间接实现的。
但是,螺栓轴力与拧紧力矩之间的对应关系严重地受到摩擦条件的影响。
摩擦一方面是螺纹自锁防松的必要条件,另一方面摩擦消耗大量拧紧力矩(能量)从而影响螺栓轴力。
拧紧时,扳手或电批(风批)力矩T用于克服螺纹副的螺纹阻力矩T1及螺母与被联接件(或垫圈)支承面间的端面摩擦力矩T2。
即T= T1+ T2=KF0 d (N·mm)d——螺纹公称直径(mm)F0——预紧力(N)K——拧紧力矩系数(无量纲)其中,K值与螺纹中径、螺纹升角、螺纹当量摩擦系数、螺母与被联接件支承面间的摩擦系数有关。
而这些参数的取值都比较复杂。
要准确地计算出K 值,就要通过针对性的试验,同时测得预紧力和紧固扭矩才能间接获得拧紧力矩系数K值。
一般情况下,在各种条件下的K值,可参考下表中的数据。
盘铝合金基材上,铝合金的硬度较低,摩擦力较大。
故按干燥加工表面无润滑取值,则K值的取值范围是0.26~0.30,取最小值K=0.26。
螺纹联接的预紧力螺纹联接预紧力的大小,要根据螺钉组受力和联接的工作要求决定。
设计时首先要保证所需的预紧力,又不应使联接的结构尺寸过大。
一般规定拧紧后螺纹联接件的预紧力不得大于其材料屈服强度σs的80%。
螺栓预紧力标准各单位:近来发现许多维修人员在设备维修时,对设备连接螺栓扭力力矩要求不清楚,使用的扭力不规范,易造成维修缺陷及故障隐患,为加强设备连接螺栓的紧固规范,提高维修质量,现要求维修员工在维修中,螺栓的预紧力矩一律按以下力矩表严格执行。
特殊设备螺栓紧固要求及紧固力矩一;水泥磨辊压机锁紧盘螺栓紧固要求及紧固力矩:先用1/3的力矩,对角交叉均匀扭紧,再用1/2的力矩对角交叉均匀扭紧,然后用总力矩对角交叉均匀扭紧,最后用总扭力矩,按圆周顺序紧固一遍完成,(注:该螺栓的总力为1100N.m)。
二;生料辊压机锁紧盘螺栓紧固要求及紧固力矩:先用1/3的力矩,对角交叉均匀扭紧,再用1/2的力矩对角交叉均匀扭紧,然后用总的力矩对角交叉均匀扭紧,最后用总扭力矩,按圆周顺序紧固一遍完成,(注:该螺栓的总力为1640N.m)。
三:皮带输送机,提升机及其他辅机减速机锁紧盘螺栓紧固力矩表螺栓8.8级(N.m)10.9级(N.m)M8 25 29M10 50 58M12 90 100M16 230 240M20 440 470M24 760 820M27 1100 1250紧固要求:先用1/2的扭力力矩对角交叉紧固,最后用总扭力按圆周顺序依次紧固。
直到所有的力满为止。
四:斜拉链机连接螺栓更换及使用力矩:在更换齿片时,一定要同时更换相应的紧固件,而且必须使用扭力扳手,头部螺栓力矩为1080N.m ;尾部螺栓为630N.m。
五:钢丝胶带提升机夹板螺栓及料斗螺栓的紧固方式及力矩:胶带夹板紧固力矩表胶带规格315 400 500 630 800 800H 1000 1250 主夹板预紧力(N.m)200 300 4001:防松螺母紧固力100N.m。
2:在操作期间,紧固力矩可减少到200N.m,如果检查时发现低于200N.m,固定螺母应重新紧固到300N.m.3紧固顺序:第一行..........9 5 1 3 7 11第二行.........10 6 2 4 8 12注:提升机调试运行第一年内,必须在带载运行六个阶段12小时,72小时,2周,1个月,3个月,6个月,对带夹连接螺栓进行紧固。
螺栓紧固预紧力和预紧力矩
Preload Fv and tightening torque MA screws and bolts
1范围
本标准适用于零部件螺栓装配预紧力和预紧力矩作一规定。
2 引用标准
下列标准所包含的条文,通过在本标准中引用而构成为本标准的条文。
本标准出版时所示版本均为有效。
所有标准都会被修订,使用本标准的各方应探讨使用下列标准最新版本的可能性。
3 预紧力和预紧力矩数值表
在零部件装配中,为了防止紧固螺栓出现松动现象,其预拧紧力Fv、预紧力矩Ma应有一定规范要求。
对零部件装配图中未明确标注出螺栓拧紧力矩要求的情况下,可按下表所规定的数值进行预紧。
估算摩擦系数μges=0.14 3)
螺 栓 8.8级 10.9级 12.9级
规 格 Fv M A Fv M A Fv M A
1) 2) 1) 2) 1) 2)
M5 6.4 6.2 5.9 9.08.7 8.3 10.810.5 10.0 M6 9.0 10.5 9.9 12.715 14 15.217.5 16.5 M8 16.5 25 24 23.236 34 28.043 40 M10 26.5 50 47 37 70 66 44.584 79 M12 38.5 86 82 54 121 115 65 145 140 M16 73 215 200 102300 280 123360 340 M20 113 410 390 160580 550 192700 660 M24 164 710 670 2301000 950 2751200 1140 M30 260 1400 1350 3702000 1900 4402400 2250
注:
8.8、10.9、12.9 — 螺栓等级
Fv — 螺栓预紧力(KN)
M A— 螺栓预紧力矩(Nm)
1) 用力矩扳手拧紧
2) 用气动工具拧紧
3) 对于其它摩擦系数力矩MA估算数值为:
μges 0.125=MA减8%
μges 0.1 =MA减20%。