螺栓拧紧力矩及载荷计算公式
- 格式:xls
- 大小:549.00 KB
- 文档页数:10
拧紧力矩的计算方法1. 螺栓和螺母组成的螺纹副在紧固时,紧固力是通过旋转螺母或螺栓(通常是螺母)而获得的,紧固力与旋转螺母所用的扭矩(拧紧扭矩)成正比,为了保证达到设计所需的紧固力,就要在工艺文件中规定拧紧扭矩,并在实际施工中贯彻实施。
2. 机械设计中拧紧扭矩计算方法 M = KPD 式中: M — 拧紧扭矩,Nm K — 扭矩系数P — 设计期望达到的紧固力,KN D — 螺栓公称螺纹直径,mmK 值表(参考)3. 紧固力P 一般在设计上选取螺栓屈服强度σs 的60~80%,安全系数约为以上。
4. 扭矩系数K 是由内外螺纹之间的摩擦系数和螺栓或螺母支撑面与被紧固零件与紧固件接触的承压面的摩擦系数综合而成。
它与紧固件的表面处理、强度、形位公差、螺纹精度、被紧固零件承压面粗糙度、刚度的许多因素有关,其中表面处理是一个关键的因素。
不同的表面处理,其扭矩系数相差很大,有时相差近一倍。
例如:同螺纹规格,同强度的螺纹副,表面处理为磷化时,扭矩系数约为~,而表面处理为发黑时,扭矩系数可达~。
5. 对于M10~M68的粗牙钢螺栓,当螺纹无润滑时,拧紧力矩粗略计算公式:0.2M PD =6.VDI 2230中的拧紧力矩计算方法22(0.160.58)2: :::::KmA M G K M G Km K D M F P d F P d D μμμμ=⋅+⋅⋅+式中:装配预紧力螺距外螺纹基本中径 螺栓螺纹摩擦系数螺栓头部下面的摩擦直径 螺栓头支承面摩擦系数()()0s 2s 23310 :/4 :=+/2 /6 :=0.50.7 :s s s s s s P A A A d d d d d d d H H σπσσσ=⨯=⨯=-⨯也可以由下表查出螺纹部分危险剖面的计算直径螺纹牙的公称工作高度~螺栓材料的屈服极限F M 计算公式为:p0.20=M F R A ν⋅⋅式中:ν:拧紧过程中屈服点应力的利用因数,一般ν= :屈服强度A 0:螺栓最小横截面积F M 和M A 可从第2部分附录C 中查得,并应根据现有条件使用螺纹摩擦系数的最小值。
螺丝压紧力计算公式在机械设计和制造中,螺丝是一种常见的连接件。
螺丝的压紧力是指螺丝在拧紧后对连接件施加的压力,是保证连接件紧固的重要参数。
因此,计算螺丝的压紧力是非常重要的。
本文将介绍螺丝压紧力的计算公式及其相关知识。
螺丝的压紧力与螺纹的摩擦力、螺丝材料的弹性模量、螺丝直径和螺纹间距等因素有关。
一般来说,螺丝的压紧力可以通过以下公式来计算:F = T / K。
其中,F表示螺丝的压紧力,T表示拧紧力矩,K表示螺丝的拉伸系数。
拧紧力矩T可以通过螺丝的螺纹力矩和摩擦力矩之和来计算:T = T1 + T2。
其中,T1表示螺丝的螺纹力矩,T2表示螺丝的摩擦力矩。
螺丝的螺纹力矩T1可以通过以下公式来计算:T1 = K1 Fd。
其中,K1表示螺丝的螺纹摩擦系数,Fd表示螺丝的螺纹直径。
螺丝的摩擦力矩T2可以通过以下公式来计算:T2 = K2 Fd Ff。
其中,K2表示螺丝的摩擦系数,Ff表示螺丝的摩擦力。
螺丝的拉伸系数K可以通过以下公式来计算:K = As / Ac。
其中,As表示螺丝的拉伸面积,Ac表示螺丝的截面积。
通过以上公式,我们可以计算出螺丝的压紧力。
在实际应用中,为了保证连接件的安全可靠,通常会在计算出的压紧力的基础上增加一定的安全系数。
此外,螺丝的材料、螺纹的精度、螺纹的润滑情况等因素也会对压紧力产生影响,因此在实际使用中需要综合考虑这些因素。
除了计算螺丝的压紧力外,还需要注意螺丝的拧紧方式和工具的选择。
一般来说,螺丝的拧紧应该均匀进行,以避免因局部过紧或过松而影响连接件的使用寿命。
此外,选择合适的扭矩扳手和螺丝刀具也是非常重要的,以保证螺丝的拧紧力矩符合设计要求。
总之,螺丝的压紧力是保证连接件紧固的重要参数,通过合理计算和选择合适的工具和方法,可以保证螺丝的压紧力符合设计要求,从而保证连接件的安全可靠。
希望本文对读者在螺丝的设计和使用中有所帮助。
联接螺栓的强度计算方法一.连接螺栓的选用及预紧力:1、已知条件:螺栓的s=730MPa 螺栓的拧紧力矩T=49N.m2、拧紧力矩:为了增强螺纹连接的刚性、防松能力及防止受载螺栓的滑动,装配时需要预紧。
其拧紧扳手力矩T用于克服螺纹副的阻力矩T1及螺母与被连接件支撑面间的摩擦力矩T2。
装配时可用力矩扳手法控制力矩。
公式:T=T1+T2=K*F* d拧紧扳手力矩T=49N.m其中K为拧紧力矩系数,F为预紧力N d为螺纹公称直径mm其中K为拧紧力矩系数,F为预紧力N d为螺纹公称直径mm摩擦表面状态K值有润滑无润滑精加工表面0.10.12一般工表面0.13-0.150.18-0.21表面氧化0.20.24镀锌0.180.22粗加工表面-0.26-0.3取K=0.28,则预紧力F=T/0.28*10*10-3=17500N3、承受预紧力螺栓的强度计算:螺栓公称应力截面面积As(mm)=58mm2外螺纹小径d1=8.38mm外螺纹中径d2=9.03mm计算直径d3=8.16mm 螺纹原始三角形高度h=1.29mm 螺纹原始三角形根部厚度b=1.12mm紧螺栓连接装配时,螺母需要拧紧,在拧紧力矩的作用下,螺栓除受预紧力F0的拉伸而产生拉伸应力外,还受螺纹摩擦力矩T1的扭转而产生扭切应力,使螺栓处于拉伸和扭转的复合应力状态下。
螺栓的最大拉伸应力σ1(MPa)。
1sF A σ==17500N/58*10-6m 2=302MPa 剪切应力:=0.51σ=151 MPa根据第四强度理论,螺栓在预紧状态下的计算应力: =1.3*302=392.6 MPa强度条件:=392.6≤730*0.8=584预紧力的确定原则:拧紧后螺纹连接件的预紧应力不得超过其材料的屈服极限s σ的80%。
4、 倾覆力矩倾覆力矩 M 作用在连接接合面的一个对称面内,底板在承受倾覆力矩之前,螺栓()2031tan 216v Td F T W dϕρτπ+== 1.31ca σσ≈[]0211.34F ca d σσπ=≤已拧紧并承受预紧力F 0。
拧紧⼒矩的计算⽅法拧紧⼒矩的计算⽅法1.螺栓和螺母组成的螺纹副在紧固时,紧固⼒是通过旋转螺母或螺栓(通常是螺母)⽽获得的,紧固⼒与旋转螺母所⽤的扭矩(拧紧扭矩)成正⽐,为了保证达到设计所需的紧固⼒,就要在⼯艺⽂件中规定拧紧扭矩,并在实际施⼯中贯彻实施。
2. 机械设计中拧紧扭矩计算⽅法 M = KPD 式中:M —拧紧扭矩,Nm K —扭矩系数P —设计期望达到的紧固⼒, KND —螺栓公称螺纹直径, mm代:也可以由下表查岀 d s :螺纹部分危险剖⾯的计算直径 d 3 =d i -H /6 H :螺纹⽛的公称⼯作⾼度0 ?:螺栓材料的屈服极限3. 紧固⼒P —般在设计上选取螺栓屈服强度(T s 的60?80%,安全系数约为 1.2以上。
4. 扭矩系数K 是由内外螺纹之间的摩擦系数和螺栓或螺母⽀撑⾯与被紧固零件与紧固件接触的承压⾯的摩擦系数综合⽽成。
它与紧固件的表⾯处理、强度、形位公差、螺纹精度、被紧固零件承压⾯粗糙度、刚度的许多因素有关,其中表⾯处理是⼀个关键的因素。
不同的表⾯处理,其扭矩系数相差很⼤,有时相差近⼀倍。
例如:同螺纹规格,同强度的螺纹副,表⾯处理为磷化时,扭矩系数约为0.13?0.18,⽽表⾯处理为发⿊时,扭矩系数可达 0.26?0.3。
5. 对于M10~M68的粗⽛钢螺栓,当螺纹⽆润滑时,拧紧⼒矩粗略计算公式:M =0.2 PD6. VDI 2230中的拧紧⼒矩计算⽅法 M A =F M (0.16 ⼙ +0.58 d 2 '甩 +P = A sA s =兀 Xd ;/4d s = (d 2+d 3 y 2 G 0 = (0.5?0.7 ¥ b s式中:F M :装配预紧⼒ d 2:外螺纹基本中径D Km :螺栓头部下⾯的摩擦直径P:螺距巴:螺栓螺纹摩擦系数⽐:螺栓头⽀承⾯摩擦系数10. 螺纹粘接剂(密封胶)拆卸⽅法⼀般情况下,⽤普通⽅法(如扳⼿、螺丝⼑)即可拆开。
当选⽤胶的强度过⾼时,⽤普通⽅法不能拆时,可采⽤局部加热法,将螺纹捏合处局部加F M 计算公式为:F M ⼆ V R p0.2 A o式中:V :拧紧过程中屈服点应⼒的利⽤因数,⼀般V =0.9R po.2 :屈服强度 A o :螺栓最⼩横截⾯积F M 和M A 可从第2部分附录C 中查得,并应根据现有条件使⽤螺纹摩擦系数的最⼩值。
螺栓的扭矩怎么计算
螺栓是机械设备中常见的连接元件,扭矩是螺栓连接中需要考虑的重要参数。
正确计算螺栓的扭矩对于确保连接的可靠性至关重要。
下面将介绍如何计算螺栓的扭矩。
1. 螺栓扭矩的公式
螺栓的扭矩计算公式为:
$T = F \\times D$
其中,
•T为螺栓的扭矩(Nm);
•F为施加在螺栓上的力(N);
•D为螺栓偏心距离(m)。
2. 扭矩计算步骤
(1)确定施加在螺栓上的力F。
螺栓连接时需要考虑受力情况,根据具体情况确定所需的预紧力。
(2)确定螺栓的偏心距离D。
螺栓的偏心距离指的是力和螺栓轴线之间的垂直距离,通常情况下可以通过技
术手册或相关设计图谱得到。
(3)将力F和偏心距离D带入公式计算得到螺栓的扭矩T。
3. 扭矩计算的注意事项
•在计算过程中要考虑到材料的强度和连接部件之间的摩擦力,以及预紧力的影响;
•需要根据具体的工程要求和设计条件来确定螺栓的扭矩;
•在实际应用中,通常需要考虑到温度、振动等外部因素对扭矩的影响。
通过以上步骤,可以准确计算螺栓的扭矩,确保连接的稳固可靠。
在工程设计
和制造过程中,正确的扭矩计算是确保设备安全运行的重要环节之一。
松螺栓连接紧螺栓连接1、受横向工作载荷(1)当普通螺栓联结承受横向载荷时,由于预紧力的作用,将在接合面间产生摩擦力来抵抗工作载荷(如图),这时螺栓仅承受预紧力的作用,而且预紧力不受工作载荷的影响,在联结承受工作载荷后仍保持不变。
预紧力F0的大小,根据接合面不产生滑移的条件确定。
假设为保证接合面不产生滑移所需要的预紧力为F0,则结合面间的摩擦力与横向外载荷平衡的条件是:(2)螺栓除受预紧力的拉伸而产生拉伸应力外,还受拧紧螺纹时,因螺纹摩擦力矩而产生的扭转切应力,使螺栓处于拉伸与扭转的复合应力状态下。
因此在进行强度计算时,应综合考虑拉伸应力和扭转切应力的作用。
螺栓危险截面的拉伸应力为:预紧螺栓时由螺纹力矩T 产生的扭转剪切应力: 1.3:系数将外载荷提高30%,以考虑螺纹力矩对螺栓联接强度的影响,这样把拉扭的复合应力状态简化为纯拉伸来处理,大大简化了计算手续,故又称简化计算法2、受轴向工作载荷松螺栓连接装配时螺母不需拧紧,故在承受工作载荷之前螺栓不受力。
这种连接应用范围有限,主要用于拉杆、起重吊钩等连接方面。
螺栓所受拉力=工作载荷d1:螺栓小径F:螺栓总拉力[σ]:许用拉应力σs:螺栓屈服强度S S :安全系数,一般取1.2-1.7z.f.F0≥KF z:结合面数目f-结合面的摩擦系数,K-防滑系数,K=1.1-1.3F —横向载荷σs:螺栓屈服强度S S :安全系数,一般取1.2-1.7受轴向工作载荷时,螺栓所受的总拉力:F2 = F1+ FF2 : 总拉力F1 : 残余预紧力F:工作载荷16/311d T πτ=][41σπF d ≥[]S ss σσ=[]S s s σσ=MPad F ca ][4/3.13.1212σπσσ≤==3、铰制孔螺栓(螺栓承受剪切力)螺栓杆与孔壁之间无间隙,接触表面受挤压;在连接接合面处,螺栓杆则受剪切。
因此,应分别按挤压及剪切强度条件计算。
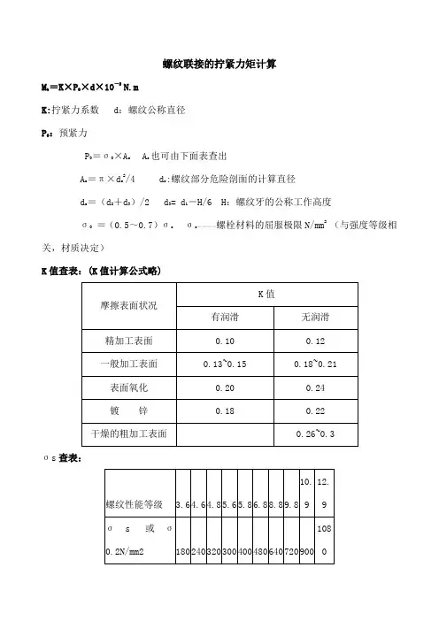
螺纹联接的拧紧力矩计算M t =K ×P 0×d ×10-3N.mK:拧紧力系数 d :螺纹公称直径 P 0:预紧力P 0=σ0×A s A s 也可由下面表查出A s =π×d s 2/4 d s :螺纹部分危险剖面的计算直径d s =(d 2+d 3)/2 d 3= d 1-H/6 H :螺纹牙的公称工作高度σ0 =(0.5~0.7)σs σs ――――螺栓材料的屈服极限N/mm 2 (与强度等级相关,材质决定)K 值查表:(K 值计算公式略)σs 查表:As查表:通过计算得到螺栓联接拧紧力矩如下表所示:钢结构连接用螺栓性能等级分3.6、4.6、4.8、5.6、6.8、8.8、9.8、10.9、12.9等10余个等级,其中8.8级及以上螺栓材质为低碳合金钢或中碳钢并经热处理(淬火、回火),通称为高强度螺栓,其余通称为普通螺栓。
螺栓性能等级标号有两部分数字组成,分别表示螺栓材料的公称抗拉强度值和屈强比值。
例如,性能等级4.6级的螺栓,其含义是:1、螺栓材质公称抗拉强度达400MPa级;2、螺栓材质的屈强比值为0.6;3、螺栓材质的公称屈服强度达400×0.6=240MPa级性能等级10.9级高强度螺栓,其材料经过热处理后,能达到1、螺栓材质公称抗拉强度达1000MPa级;2、螺栓材质的屈强比值为0.9;3、螺栓材质的公称屈服强度达1000×0.9=900MPa级螺栓性能等级的含义是国际通用的标准,相同性能等级的螺栓,不管其材料和产地的区别,其性能是相同的,设计上只选用性能等级即可表面被氧化(无润滑)的螺纹联接的拧紧力矩值(单位:N.m)表面被氧化(有润滑)的螺纹联接的拧紧力矩值(单位:N.m)镀锌(无润滑)的螺纹联接的拧紧力矩值(单位:N.m)镀锌(有润滑)的螺纹联接的拧紧力矩值(单位:N.m)干燥的粗加工表面的螺纹联接的拧紧力矩值(单位:N.m)精加工表面(无润滑)的螺纹联接的拧紧力矩值(单位:N.m)精加工表面(有润滑)的螺纹联接的拧紧力矩值(单位:N.m)一般表面(无润滑)的螺纹联接的拧紧力矩值(单位:N.m)一般表面(有润滑) 的螺纹联接的拧紧力矩值(单位:N.m)。
用力矩扳手正规测定拧紧力矩螺栓规格dmm 螺距P mm T max /N·m T min /N·m T s /N·m s s MPa 螺栓公称应力截面积As mm2外螺纹小径 d 1mm 141.5189.61127.15158.38640124.5455412.37620237螺纹规格M8M10M12M14M16M18M20M24M27M30M33M36M39M42M48M52M56M60M64M68M72M76M80螺栓规格dmm螺距P mm 计算螺纹升角φ/pi 预紧应力/屈服点支撑面摩擦因数μ0螺纹副摩擦因数μs s MPa 支撑面外径D 0mm 14 1.50.070.800.120.12640326, 4,3,2,1.5,(1)螺距5.5, 4,3,2,1.5,(1)(5.5), 4,3,2,1.5,(1)6, 4,3,2,1.5,(1)6, 4,3,2,1.5,(1)4, 3,2,1.5,(1)4.5, (4),3,2,1.5,(1)5, (4),3,2,1.5,(1)5, (4),3,2,1.5,(1)6, 4,3,2,1.5,(1)3, 2,1.5,1,(0.75)3.5, (3),2,1.5,1,(0.75)3.5, (3),2,1.5,(1),(0.75)4, 3,2,1.5,(1)2, 1.5,1,(0.75),(0.5)2.5, 2,1.5,1,(0.75),(0.5)2.5, 2,1.5,1,(0.75),(0.5)3, 2,1.5,1,(0.75)1.25, 1,0.75,(0.5)1.5, 1.25,1,0.75,(0.5)1.75, 1.5,1.25,1,(0.75),(0.5)2, 1.5,(1.25),1,(0.75),(0.5)根据预紧力计算扭矩6, 4,3,2,1.5,(1)外螺纹中径 d2mm螺纹原始三角形高度H mm 计算直径d 3 mm 环箍类型13.02572142 1.29903810612.1597钢号s b MPa s s MPa 10335~400205Q235-A375~460235355303154560035540Cr 980785等级s b MPa s s MPa 3.63001804.84003205.65003005.85204008.880064010.9104090012.912201080被联接件或垫圈孔径d 0mm拧紧力矩 T N·m 计算预紧力F'/N螺纹原始三角形高度H mm 外螺纹小径d1mm 计算螺纹副当量摩擦角ρ'外螺纹中径d2/mm 已知扭矩T 0N·m 15176.267846361593.46541.29903810612.3762020.1413.02572145注1: 蓝色底为输入项,黄色底为输出项。
螺纹联接的拧紧力矩计算M t=K×P0×d×10-3 N.mK:拧紧力系数d:螺纹公称直径P0:预紧力P0=σ0×A s A s也可由下面表查出A s=π×d s2/4 d s:螺纹部分危险剖面的计算直径d s=(d2+d3)/2 d3= d1-H/6 H:螺纹牙的公称工作高度σ0=(0.5~0.7)σs σs――――螺栓材料的屈服极限N/mm2(与强度等级相关,材质决定)K值查表:(K值计算公式略)σs查表:As查表:通过计算得到螺栓联接拧紧力矩如下表所示:钢结构连接用螺栓性能等级分3.6、4.6、4.8、5.6、6.8、8.8、9.8、10.9、12.9等10余个等级,其中8.8级及以上螺栓材质为低碳合金钢或中碳钢并经热处理(淬火、回火),通称为高强度螺栓,其余通称为普通螺栓。
螺栓性能等级标号有两部分数字组成,分别表示螺栓材料的公称抗拉强度值和屈强比值。
例如,性能等级 4.6级的螺栓,其含义是:1、螺栓材质公称抗拉强度达400MPa级;2、螺栓材质的屈强比值为0.6;3、螺栓材质的公称屈服强度达400×0.6=240MPa级性能等级10.9级高强度螺栓,其材料经过热处理后,能达到1、螺栓材质公称抗拉强度达1000MPa级;2、螺栓材质的屈强比值为0.9;3、螺栓材质的公称屈服强度达1000×0.9=900MPa级螺栓性能等级的含义是国际通用的标准,相同性能等级的螺栓,不管其材料和产地的区别,其性能是相同的,设计上只选用性能等级即可表面被氧化(无润滑)的螺纹联接的拧紧力矩值(单位:N.m)表面被氧化(有润滑)的螺纹联接的拧紧力矩值(单位:N.m)镀锌(无润滑)的螺纹联接的拧紧力矩值(单位:N.m)镀锌(有润滑)的螺纹联接的拧紧力矩值(单位:N.m)干燥的粗加工表面的螺纹联接的拧紧力矩值(单位:N.m)精加工表面(无润滑)的螺纹联接的拧紧力矩值(单位:N.m)精加工表面(有润滑)的螺纹联接的拧紧力矩值(单位:N.m)一般表面(无润滑)的螺纹联接的拧紧力矩值(单位:N.m)一般表面(有润滑) 的螺纹联接的拧紧力矩值(单位:N.m)。
注1:该螺栓扭矩表是德国工业标准,此表中扭矩为螺栓达到屈服极限的70%时所测定注2:建议锁紧力矩值为:表中数值×(70-80)%一个8.8级M20螺栓的最大承受拉力有多大? (2011-05-28 18:41:24)转载▼标签: 杂谈一、螺栓的分类普通螺栓一般为4.4级、4.8级、5.6级和8.8级。
高强螺栓一般为8.8级和10.9级,其中10.9级居多。
二、高强度螺栓的概念根据高强度螺栓的性能等级分为:8.8级和10.9级。
其中8.8级仅有大六角型高强度螺栓,在标示方法上,性能等级小数点前的数字代表材料公称抗拉强度σb的1%,小数点后的数字代表材料的屈服强度σs与公称抗拉强度之比的10倍。
M20螺栓8.8性能等级公称抗拉强度σb=800MPa,最小抗拉强度σb=830MPa。
公称屈服强度σs=640 ,最小屈服强度σs=660。
(另外一种解释:小数点前数字表示热处理后的抗拉强度;小数点后的数字表示屈强比即屈服强普通螺栓一般为4.4级、4.8级、5.6级和8.8级。
高强螺栓一般为8.8级和10.9级,其中10.9级居多。
二、高强度螺栓的概念根据高强度螺栓的性能等级分为:8.8级和10.9级。
其中8.8级仅有大六角型高强度螺栓,在标示方法上,性能等级小数点前的数字代表材料公称抗拉强度σb的1%,小数点后的数字代表材料的屈服强度σs与公称抗拉强度之比的10倍。
M20螺栓8.8性能等级公称抗拉强度σb=800MPa,最小抗拉强度σb=830MPa。
公称屈服强度σs=640 ,最小屈服强度σs=660。
(另外一种解释:小数点前数字表示热处理后的抗拉强度;小数点后的数字表示屈强比即屈服强度实测值与极限抗拉强度实测值之比。
8.8级的意思就是螺栓杆的抗拉强度不小于800MPa,屈强比为0.8;10.9级的意思就是螺栓杆的抗拉强度不小于1000MPa,屈强比为0.9。
)抗拉强度也叫强度极限指材料在拉断前承受最大应力值,当钢材屈服到一定程度后,由于内部晶粒重新排列,其抵抗变形能力又重新提高,此时变形虽然发展很快,但却只能随着应力的提高而提高,直至应力达最大值。
螺栓拧紧力矩计算公式螺栓是一种常见的紧固件,广泛应用于机械、建筑、汽车等领域。
在使用螺栓时,需要根据实际情况确定拧紧力矩,以确保螺栓的紧固效果。
本文将介绍螺栓拧紧力矩计算公式及其应用。
一、螺栓拧紧力矩的作用螺栓的作用是将两个或多个零件紧密连接在一起,以达到固定的效果。
在使用螺栓时,需要施加一定的拧紧力矩,使螺栓产生预紧力,从而保证连接的牢固性。
如果拧紧力矩不足,螺栓可能会松动或者失效;如果拧紧力矩过大,螺栓可能会断裂或者变形。
因此,正确计算螺栓拧紧力矩是非常重要的。
二、螺栓拧紧力矩计算公式螺栓拧紧力矩的计算公式可以根据螺栓的材料、直径、螺距、螺纹类型、摩擦系数等因素来确定。
下面介绍几种常见的螺栓拧紧力矩计算公式。
1. 标准螺纹螺栓的拧紧力矩计算公式标准螺纹螺栓的拧紧力矩计算公式如下:T=k*d*F其中,T为拧紧力矩,单位为N·m;k为摩擦系数,一般取0.15~0.2;d为螺栓直径,单位为mm;F为预紧力,单位为N。
2. 非标准螺纹螺栓的拧紧力矩计算公式非标准螺纹螺栓的拧紧力矩计算公式如下:T=k*d*F*p其中,T为拧紧力矩,单位为N·m;k为摩擦系数,一般取0.15~0.2;d为螺栓直径,单位为mm;F为预紧力,单位为N;p 为螺纹系数,一般取0.16~0.18。
3. 高强度螺栓的拧紧力矩计算公式高强度螺栓的拧紧力矩计算公式如下:T=k*d*F*p*K其中,T为拧紧力矩,单位为N·m;k为摩擦系数,一般取0.15~0.2;d为螺栓直径,单位为mm;F为预紧力,单位为N;p 为螺纹系数,一般取0.16~0.18;K为系数,一般取1.25。
三、螺栓拧紧力矩的应用螺栓拧紧力矩的应用非常广泛,涉及到机械、建筑、汽车等领域。
在使用螺栓时,需要根据实际情况选择合适的拧紧力矩,以确保螺栓的紧固效果。
一般来说,拧紧力矩应该在螺栓的承载能力范围内,同时也要考虑到螺栓的材料、直径、螺距、螺纹类型、摩擦系数等因素。
螺栓拧紧力矩计算首先,不锈钢螺栓与不锈钢工件之间的摩擦系数会影响螺栓的拧紧力矩。
摩擦系数通常是通过实验测定得出的。
其次,不锈钢螺栓的弹性系数和截面面积也会影响拧紧力矩的计算。
最后,不锈钢螺栓和不锈钢工件在拧紧过程中可能会出现磨损和塑性变形,这些也需要考虑在内。
计算螺栓拧紧力矩的一种常用方法是基于松弛法。
该方法假设在达到拧紧规范要求之后,螺栓不会再进一步松弛。
该方法基于以下公式进行计算:T=K×F×d其中,T为拧紧力矩,K为拧紧系数,F为预载荷,d为螺栓的松弛距离。
拧紧系数K是一个不确定的参数,它可以通过实验进行测定。
一般情况下,可以根据螺栓和工件的材料性质和尺寸进行估算。
例如,当采用不锈钢螺栓和不锈钢工件时,拧紧系数的范围通常为0.1至0.2预载荷F是施加在螺栓上的力,通常由设计需求来确定。
预载荷的大小取决于应用中所需的紧固力和其他因素。
预载荷可以使用下列公式进行计算:F=P×A其中,P为所需的紧固力,A为螺栓的截面面积。
螺栓的松弛距离d是螺栓拧紧后的松弛。
该值可以通过实验进行测定,也可以根据经验进行估算。
松弛距离通常是在较长时间后测定的,以获得最准确的结果。
此外,螺栓拧紧力矩的计算还需要考虑一些特殊情况。
例如,当工作条件要求螺栓处于永久预压力状态时,即使在螺栓拧紧后松弛一段距离后,也需要保持一定的预压力。
这种情况下,拧紧力矩的计算需要考虑预压力的大小和螺栓的特性。
总之,螺栓拧紧力矩的计算是一个复杂的过程,需要考虑多种因素。
对于不锈钢螺栓和不锈钢工件,摩擦系数、弹性系数、截面面积、松弛距离等因素都需要考虑在内。
通过合理的计算和实验,能够确定合适的拧紧力矩,以满足设计和工作要求。
螺栓扭矩定义公式
螺栓扭矩是指施加在螺栓上的扭转力矩,用于将螺栓与螺母紧固在一起。
螺栓
扭矩的大小直接影响到螺栓连接的紧固性能,过大或过小的扭矩都会导致螺栓连接失效。
因此,正确计算和施加螺栓扭矩至关重要。
螺栓扭矩定义公式
螺栓扭矩可以通过以下公式计算得出:
$$ T = K \\times F \\times D $$
其中: - T为螺栓扭矩(单位:N·m) - K为螺栓装配系数,取决于螺纹摩擦系
数和阻力系数 - F为螺栓预紧力(单位:N) - D为螺栓公称直径(单位:m)
螺栓装配系数
螺栓装配系数K是一个关键参数,影响着螺栓扭矩的计算。
K的取值范围一般
为0.12到0.18之间,实际值需要根据具体材料、润滑条件和工作环境等因素确定。
螺栓预紧力
螺栓预紧力F是指在连接螺栓与螺母时所施加的拉伸力,目的是通过螺纹摩擦
力来使螺栓连接紧固。
预紧力的大小需要根据被连接零件的要求和规范进行计算,通常通过螺栓拉力计或者液压扭力工具来施加。
螺栓公称直径
螺栓公称直径D是指螺栓的直径大小,通常以英寸或毫米作为单位。
螺栓的直
径直接影响到扭矩的大小,公称直径应根据实际需要选择合适的规格。
综上所述,螺栓扭矩定义公式是通过螺栓装配系数、螺栓预紧力和螺栓公称直
径来计算得出的。
正确的螺栓扭矩计算可以确保螺栓连接的安全稳固,提高了机械设备的可靠性和使用寿命。
在实际工程中,需要根据具体情况灵活运用这个定义公式,保证螺栓连接的质量和安全性。
螺栓拧紧力矩计算螺栓拧紧力矩计算书一、相关计算参数:螺栓规格d(mm)螺距P(mm)螺纹原始三角形高度H(mm)外螺纹中径d2(mm)外螺纹小径d1(mm)计算直径d3(mm)螺栓公称应力截面积As(mm2)螺栓材料屈服强度σs(MPa)计算拧紧力矩T(Nm)二、计算内容:根据要求,需要计算DN300及以上接管法兰所配螺栓拧紧力矩,故统计相关法兰如下:一效结晶器 DN1200二效结晶器 DN1200三效结晶器 DN1200APU效结晶器 DN800N1 DN900N2 DN1200N4 DN1200N6 DN600根据管法兰相关标准,DN600所配螺栓为M33,DN800、DN900、DN1200所配螺栓为M39,DN1400、DN1600所配螺栓为M45.三、计算过程:以M33螺栓为例:螺栓规格d=33(mm)螺距P=3.5(mm)螺纹原始三角形高度H=0.866×P=0.866×3.5=3.031(mm)外螺纹中径d2=d-2×P×tan(30°)=33-2×3.031=30.73(mm)计算直径d3=d1-2×P×tan(30°)=29.21(mm)外螺纹小径d1=d-2×P×tan(30°)=33-2×3.031=29.21(mm)螺栓公称应力截面积As=π/4×(d2²-d3²)=693.14(mm2)螺栓材料屈服强度σs=114(MPa)计算拧紧力矩T=0.12×σs×As×d/1000=312.91(Nm)通常取计算值的0.8倍左右作为实际应用的拧紧力矩值,故T=0.8×312.91=250.3(Nm)以M39螺栓为例:螺栓规格d=39(mm)螺距P=4(mm)螺纹原始三角形高度H=0.866×P=0.866×4=3.46(mm)外螺纹中径d2=d-2×P×tan(30°)=39-2×3.46=36.4(mm)计算直径d3=d1-2×P×tan(30°)=34.1(mm)外螺纹小径d1=d-2×P×tan(30°)=39-2×3.46=34.67(mm)螺栓公称应力截面积As=π/4×(d2²-d3²)=975.75(mm2)螺栓材料屈服强度σs=114(MPa)计算拧紧力矩T=0.12×σs×As×d/1000=408.19(Nm)通常取计算值的0.8倍左右作为实际应用的拧紧力矩值,故T=0.8×408.19=326.55(Nm)。
螺栓抗扭计算
螺栓扭矩计算:
简化了的公式:T=KFd(N.mm)
①K:拧紧力矩系数,根据表面的状态可以大致选个参考值,对于一般加工表面,如果是有润滑的K可以取0.13-0.15;如果没有润滑的,可以取0.18~0.21;楼主说的范围如果不是一般的加工表面,那你把具体情况说一下;; M6 l# Z# @9 G) G
②d:指的就是螺纹的公称直径6 W, D. `, Z9 R
③F:是预紧力,碳素钢螺栓取F=(0.6~0.7)σA;合金钢螺栓取F=(0.5~0.6)σA;其中σ是螺栓材料的屈服点;A=π/16(d2+d3)2,d2为螺纹中经,d3=d1-H/6;d1是小径,H是螺纹原始三角性高度;H 值根据不同螺纹可以算出来的,大概是0.87倍的螺距P。
一般工业中应用表格查找,特殊的可以自己测试。
例:我有个需要测算力矩的孔位和螺栓,先测出这个螺栓的最小不上浮力矩P1,然后测一个最大破坏力矩P2,连续测出几组数据来求P1平均值△P1,和P2平均值△P2然后我们用一个公式来求出我们需要的力矩要求值△P△P=△P1+(△P2-△P1)*60%这个是平时我们常用特殊力矩测试公式。
具体应用的时候你可以根据需要自己取值也可以的。
希望能对你有所帮助。
用力矩扳
手正规测
定拧紧力矩螺栓规格d mm 螺距P mm T max /N·m T min /N·m T s /N·m s s MPa 螺栓公称应力截面积As mm2外螺纹小径 d 1mm 14
1.5189.61127.15158.38640124.545541
2.37620237螺纹规格
M8
M10
M12
M14
M16
M18
M20
M24
M27
M30
M33
M36
M39
M42
M48
M52
M56
M60
M64
M68
M72
M76
M80螺栓规格d
mm
螺距P mm 计算螺纹升角φ/pi 预紧应力/屈服点支撑面摩擦因数μ0螺纹副摩擦因数μs s MPa 支撑面外径D 0mm 14 1.50.070.800.120.1264032
6, 4,3,2,1.5,(1)
螺距5.5, 4,3,2,1.5,(1)(5.5), 4,3,2,1.5,(1)6, 4,3,2,1.5,(1)6, 4,3,2,1.5,(1)4, 3,2,1.5,(1)4.5, (4),3,2,1.5,(1)5, (4),3,2,1.5,(1)5, (4),3,2,1.5,(1)6, 4,3,2,1.5,(1)3, 2,1.5,1,(0.75)3.5, (3),2,1.5,1,(0.75)3.5, (3),2,1.5,(1),(0.75)4, 3,2,1.5,(1)2, 1.5,1,(0.75),(0.5)2.5, 2,1.5,1,(0.75),(0.5)2.5, 2,1.5,1,(0.75),(0.5)3, 2,1.5,1,(0.75)1.25, 1,0.75,(0.5)1.5, 1.25,1,0.75,(0.5)1.75, 1.5,1.25,1,(0.75),(0.5)2, 1.5,(1.25),1,(0.75),(0.5)根据预紧力计算扭矩
6, 4,3,2,1.5,(1)
外螺纹中径 d 2mm
螺纹原始三角形高度H mm 计算直径
d 3 mm 环箍类型13.02572142 1.29903810612.1597
钢号
s b MPa s s MPa 10
335~400205Q235-A
375~46023535
53031545
60035540Cr 980785等级s b MPa s s MPa 3.6
3001804.8
4003205.6
5003005.8
5204008.8
80064010.9
104090012.912201080被联接件或垫
圈孔径d 0
mm
拧紧力矩 T N·m 计算预紧力F'/N
螺纹原始三角形高度H mm 外螺纹小径d1mm 计算螺纹副当量摩擦角ρ'外螺纹中径d2/mm 已知扭矩T 0N·m 15176.267846361593.46541.29903810612.3762020.1413.02572145注1: 蓝色底为输入项,黄色底为输出项。
注2:
T max ,T min ,T s 三项为根据
QC/T518附录公式计算输出螺纹联接件常用材料及机械性能
螺纹联接件对应强度等级的机械性能Q675A型
Q676B型
及
Q676B
C型
计算预紧力N 已知预紧力
N
计算扭矩T 0N·m 1747.155441000028.61794596
按右边公式计算d t t r M M Q πμπ15.02+-=
M 旋紧力矩 Nm
d 螺栓直径 mm
t 螺距 mm
r=d/2轴向力Q
μ 摩擦系数 螺纹和螺母之间的摩擦系数μ=0.15d t t r M M Q πμπ15.02+-=。