五金冲压连续模设计规范(间隙标准)
- 格式:doc
- 大小:33.50 KB
- 文档页数:1
公差及间隙标准
一模具零件公差及间隙标准
1 模板厚度公差要求:
1.1 配合性模板(厚度对入子零件的上下装配关系有较
大影响的模板)厚度尺寸公差取值±0.03;
1.2 非配合性模板厚度公差取值±0.08.
2零件外形和模板孔的公差及间隙要求:
详见附表一: <<模具零件公差及间隙一览表>>
二冲裁刃口要求及冲裁间隙标准
1 冲裁刃口要求
1.1 一般冲裁刃口留修(直段)3MM,斜度1?,如下图.
1.2 一般3MM以下的小孔(含3MM),冲裁刃口留修
2MM,斜度1?.对于其它标准有明确规定的,按照其
它标准要求执行.
1.3 产品材料厚度T<0.3或T>1.5时,请示上级.
2 冲裁间隙标准详见附表二: <<冲裁间隙一览表>>
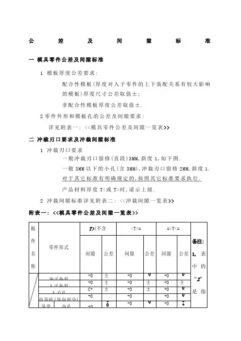
附表一: <<模具零件公差及间隙一览表>>
附表二: <<冲裁间隙一览表>>
注: 1.上表所列间隙值均是指单边冲裁间隙Z.
2.冲裁间隙Z的取值与冲裁的料片材质、厚度及生产条件
(模具形式等)有关.
3.未作注明者均不区分模具形式是工程模/连续模.
4.对于3MM以下小孔,当冲裁的料片材质为GI或不锈钢
/CRS/铝时,单边冲裁间隙Z=10%T.
5.冲裁的料片材质上表未列出时(如铜),冲裁间隙请示上
级.。
公差及空隙标准一模具零件公差及间隙标准1模板厚度公差要求 :配合性模板(厚度对入子零件的上下装配关系有较大影响的模板)厚度尺寸公差取值± 0.03;非配合性模板厚度公差取值± 0.08.2零件外形和模板孔的公差及空隙要求 :详见附表一 : << 模具零件公差及间隙一览表 >>二冲裁刃口要求及冲裁间隙标准1冲裁刃口要求一般冲裁刃口留修(直段)3MM,斜度1?,以下图.一般3MM以下的小孔(含3MM),冲裁刃口留修2MM,斜度1?.对于其它标准有明确规定的 , 依照其他标准要求执行 .产品材料厚度或时,请示上级.2冲裁间隙标准详见附表二 : << 冲裁间隙一览表 >>附表一 : << 模具零件公差及空隙一览表 >>( 不含 0.5)板件零件形式名称空隙公差空隙公差空隙公差备注:冲子外形+0 ±+0 0 +0 0 1, 表中入子外形+0 ±+0 ±+0 ±入子孔 ± +0 ± +0 0 的 内导柱 ( 导向部分 ) +0 +0+0 0“Z ” 导套内孔 +0 +0 0 +0外圆 +0+0 +0 0是指单导正销 +0±+0+0固定销孔 (.01) ±0 +0.01(.01)±0 (双面(.01)± 边冲裁固定定位销孔 (.01) ±间 隙 ,活动定位销孔(.04) ±0与的模具要求相同.滑块孔参照冲滑块 +0 ±案内消孔±裁空隙冲孔、切边、半剪 +Z ± ZC+ZCC+要求取切边部分挡刀直壁 +0+0 下导正销逃孔 (.20) ±0 ±± ±值 ;模 ±( 内导柱孔 ( 不用导 (.01) +0 0公 模板内导套孔 (.01) ±0 母 下料母模外形 +0模)下料公模外形-ZC冲孔母模外形 +ZC冲孔公模外形 +0一般冲子导向孔打 内导柱孔 ( 不用导(.01) ±0打板内导套孔(.01) ±0 板成形模内打外形冲孔落料复合模不共享内打冲孔落料复合模共享内打外冲孔落料复合模不共享-Z+0外打.03 夹 冲子固定孔导正销固定孔 板内导柱孔 ( 不用导 (.01) ±0 冲子及导柱消孔 +1(设计定) 打背内打背外形 -1( 设计定) 下垫 落料孔+1(设计定) 下模 落料孔+1.5(设计±0 “T ”±± 与的模具要求相同.是指冲 ±裁的料±片 厚 +0 0 0度.±0 ±±与的模具要求相同.2, 未特±别注明 ±+0.01 的 , 都+0.01 (.01) ±0 ( 双 ± +0 ± 是指单与的模具要求相同. 边 间 隙.附 表二 : << 冲 裁间 隙一 览表 >>I. “ CRS/GI/不 锈 钢 ” 料料厚 TT≦0.5<T ≦材质CRS 工程模和连续模: 一律取 5%T工程模: 一律取 7%T 请示上级GI/ 不锈7%T钢连续模: 一律取 10%TII.“ 铝” 料料厚 T0.5<T<1. 1.5<T<3.T≦ 1.0 ≦ T≦T≧0 0材质铝请示上级5%T 4%T 3%T 2%T注: 1. 上表所列间隙值均是指单边冲裁间隙 Z.2.冲裁间隙 Z 的取值与冲裁的料片材质、厚度及生产条件 ( 模具形式等 )有关 .3.未作注明者均不区分模具形式是工程模 / 连续模 .4.对于 3MM 以下小孔 , 当冲裁的料片材质为 GI 或不锈钢 /CRS/ 铝时 , 单边冲裁间隙 Z=10%T.5.冲裁的料片材质上表未列出时 ( 如铜 ), 冲裁空隙请示上级 .。
五金冲压模具间隙分析及模具结构设计(二)一、模具的刃磨1、模具刃磨的重要性定期刃磨模具是冲孔质量一致性的保证。
定期刃磨模具不仅能提高模具的使用寿命而且能提高机器的使用寿命,要掌握正确的刃磨时机。
2、模具需要刃磨的具体特征对于模具的刃磨,没有一个严格的打击次数来确定是否需要刃磨。
主要取决于刃口的锋利程度。
主要取决于刃口的锋利程度。
主要由以下三个因素决定:(1)检查刃口的圆角,如果圆角半径达到R0.1毫米(最大R值不得超过0.25mm)就需要刃磨。
(2)检查冲孔质量,是否有较大的毛刺产生。
(3)通过机器冲压的噪声来判断是否需要刃磨。
注:刃口边缘部变圆或刃口后部粗糙,也要考虑刃磨。
3、刃磨的方法:模具的刃磨有多种方法,可采用专用刃磨机,也可在平面磨床上实现。
冲头、下模刃磨的频度一般为4:1,刃磨后请调整好模具高度。
4、刃磨规则:模具刃磨时要考虑下面的因素:(1)刃口圆角在R0.1-0.25mm大小情况下要看刃口的锋利程度。
(2)砂轮表面要清理干净。
(3)建议采用一种疏松、粗粒、软砂轮。
如WA46KV。
(4)每次的磨削量(吃刀量)不应超过0.013mm,磨削量过大会造成模具表面过热,相当于退火处理,模具变软,大大降低模具的寿命。
(5)刃磨时必须加足够的冷却液。
(6)磨削时应保证冲头和下模固定平稳,采用专用的工装夹具。
(7)模具的刃磨量是一定的,如果达到该数值,冲头就要报废。
如果继续使用,容易造成模具和机器的损坏,得不偿失。
(8)刃磨完成后,边缘部分要用油石处理,去掉过分尖锐的棱线。
(9)刃磨完后,要清理干净、退磁、上油。
注:模具刃磨量的大小主要取决于所冲压的板材的厚度。
二、冲头使用前应注意1、存放(1)用干净抹布把上模套里外擦干净。
(2)存放时小心表面不要出现刮痕或凹痕。
(3)上油防锈。
2、使用前准备(1)使用前彻底清洁上模套。
(2)查看表面是否有刮痕、凹痕。
如有,用油石去除。
(3)里外上油。
3、安装冲头于上模套时应注意事项(1)清洁冲头,并给其长柄上油。
五金冲压连续模设计规范五金冲压连续模具设计是五金冲压工艺中的重要环节,直接关系到产品的质量和生产效率。
在连续模设计中,外导柱是一个关键部件,对模具的使用寿命和性能有着重要影响。
下面将介绍五金冲压连续模设计规范中外导柱的设计要点和注意事项。
一、设计要点:1.外导柱的定位准确性:外导柱是模具中的一个定位部件,它的定位准确性直接影响到模具的装配准确性和工作稳定性。
设计时应确保外导柱的尺寸和位置与其他定位部件匹配,达到精准定位的效果。
2.外导柱的刚度和稳定性:外导柱在模具工作过程中承受着较大的冲击载荷,因此其刚度和稳定性非常重要。
设计时应选择合适的材料和加工工艺,使外导柱具有足够的强度和刚度,以保证模具的工作稳定性和寿命。
3.外导柱的表面处理:外导柱与模具中其他部件的接触面积较大,表面粗糙度和润滑性对模具的使用寿命有着直接影响。
设计时应考虑外导柱的表面处理,如镀硬铬、磨削和润滑油脂等,以减少摩擦和磨损,提高模具的使用寿命。
4.外导柱的维护性和更换方便性:外导柱在使用过程中可能会出现磨损或其他故障,因此应考虑其维护性和更换方便性。
设计时应合理安排外导柱的位置和固定方式,以便于维护和更换。
二、设计注意事项:1.外导柱的长度和直径:外导柱的长度和直径应根据模具的具体要求进行选择,通常情况下,外导柱的长度应该略长于模具厚度的一半,直径应根据外导柱所承受的载荷和工作环境选择合适的尺寸。
2.外导柱的材料选择:外导柱材料的选择应考虑载荷、磨损和使用环境等因素。
通常情况下,外导柱应选择高强度的合金钢或工具钢,有些情况下还可以选择高速钢或硬质合金。
3.外导柱的固定方式:外导柱的固定方式应选择可靠且易于调整的方式,以便于实现模具的定位和调整。
通常情况下,可以采用螺纹固定、精确磨削或锁销等方式进行固定。
4.外导柱的润滑方式:外导柱与其他模具部件之间的间隙应适当设计,并配备润滑油脂或润滑剂,以减少摩擦和磨损。
外导柱还可以设计润滑孔或油管,方便润滑油脂的补充和更换。
公差及间隙标准
一模具零件公差及间隙标准
1 模板厚度公差要求:
1.1 配合性模板(厚度对入子零件的上下装配关系有较
大影响的模板)厚度尺寸公差取值±0.03;
1.2 非配合性模板厚度公差取值±0.08.
2零件外形和模板孔的公差及间隙要求:
详见附表一: <<模具零件公差及间隙一览表>>
二冲裁刃口要求及冲裁间隙标准
1 冲裁刃口要求
1.1 一般冲裁刃口留修(直段)3MM,斜度1?,如下图.
1.2 一般3MM以下的小孔(含3MM),冲裁刃口留修2MM,
斜度1?.对于其它标准有明确规定的,按照其它标
准要求执行.
1.3 产品材料厚度T<0.3或T>1.5时,请示上级.
2 冲裁间隙标准详见附表二: <<冲裁间隙一览表>>
附表一: <<模具零件公差及间隙一览表>>
附表二: <<冲裁间隙一览表>>
注: 1.上表所列间隙值均是指单边冲裁间隙Z.
2.冲裁间隙Z的取值与冲裁的料片材质、厚度及生产条件
(模具形式等)有关.
3.未作注明者均不区分模具形式是工程模/连续模.
4.对于3MM以下小孔,当冲裁的料片材质为GI或不锈钢
/CRS/铝时,单边冲裁间隙Z=10%T.
5.冲裁的料片材质上表未列出时(如铜),冲裁间隙请示上
级.。
公差及间隙标准
一模具零件公差及间隙标准
1 模板厚度公差要求:
1.1 配合性模板(厚度对入子零件的上下装配关系有较
大影响的模板)厚度尺寸公差取值±0.03;
1.2 非配合性模板厚度公差取值±0.08.
2零件外形和模板孔的公差及间隙要求:
详见附表一: <<模具零件公差及间隙一览表>>
二冲裁刃口要求及冲裁间隙标准
1 冲裁刃口要求
1.1 一般冲裁刃口留修(直段)3MM,斜度1︒,如下图.
1.2 一般3MM以下的小孔(含3MM),冲裁刃口留修
2MM,斜度1︒.对于其它标准有明确规定的,按照其
它标准要求执行.
1.3 产品材料厚度T<0.3或T>1.5时,请示上级.
2 冲裁间隙标准详见附表二: <<冲裁间隙一览表>>
附表一: <<模具零件公差及间隙一览表>>
附表二: <<冲裁间隙一览表>>
注: 1.上表所列间隙值均是指单边冲裁间隙Z.
2.冲裁间隙Z的取值与冲裁的料片材质、厚度及生产条件
(模具形式等)有关.
3.未作注明者均不区分模具形式是工程模/连续模.
4.对于3MM以下小孔,当冲裁的料片材质为GI或不锈钢
/CRS/铝时,单边冲裁间隙Z=10%T.
5.冲裁的料片材质上表未列出时(如铜),冲裁间隙请示上级.。
公差及间隙标准一模具零件公差及间隙标准
1 模板厚度公差要求:
配合性模板(厚度对入子零件的上下装配关系有较大影响
的模板)厚度尺寸公差取值±;
非配合性模板厚度公差取值±.
2零件外形和模板孔的公差及间隙要求:
详见附表一: <<模具零件公差及间隙一览表>>
二冲裁刃口要求及冲裁间隙标准
1 冲裁刃口要求
一般冲裁刃口留修(直段)3MM,斜度1,如下图.
一般3MM以下的小孔(含3MM),冲裁刃口留修2MM,斜度1.
对于其它标准有明确规定的,按照其它标准要求执行.
产品材料厚度T<或T>时,请示上级.
2 冲裁间隙标准详见附表二: <<冲裁间隙一览表>>
附表一: <<模具零件公差及间隙一览表>>
附表二: <<冲裁间隙一览表>>
注: 1.上表所列间隙值均是指单边冲裁间隙Z.
2.冲裁间隙Z的取值与冲裁的料片材质、厚度及生产条件(模具
形式等)有关.
3.未作注明者均不区分模具形式是工程模/连续模.
4.对于3MM以下小孔,当冲裁的料片材质为GI或不锈钢/CRS/铝
时,单边冲裁间隙Z=10%T.
5.冲裁的料片材质上表未列出时(如铜),冲裁间隙请示上级.。
公差及间隙标准
一模具零件公差及间隙标准
1 模板厚度公差要求:
配合性模板(厚度对入子零件的上下装配关系有
较大影响的模板)厚度尺寸公差取值±;
非配合性模板厚度公差取值±.
2零件外形和模板孔的公差及间隙要求:
详见附表一: <<模具零件公差及间隙一览表>>
二冲裁刃口要求及冲裁间隙标准
1 冲裁刃口要求
一般冲裁刃口留修(直段)3MM,斜度1?,如下图.
一般3MM以下的小孔(含3MM),冲裁刃口留修2MM,
斜度1?.对于其它标准有明确规定的,按照其它
标准要求执行.
产品材料厚度T<或T>时,请示上级.
2 冲裁间隙标准详见附表二: <<冲裁间隙一览表>>
附表一: <<模具零件公差及间隙一览表>>
附表二: <<冲裁间隙一览表>>
注: 1.上表所列间隙值均是指单边冲裁间隙Z.
2.冲裁间隙Z的取值与冲裁的料片材质、厚度及生产条
件(模具形式等)有关.
3.未作注明者均不区分模具形式是工程模/连续模.
4.对于3MM以下小孔,当冲裁的料片材质为GI或不锈钢
/CRS/铝时,单边冲裁间隙Z=10%T.
5.冲裁的料片材质上表未列出时(如铜),冲裁间隙请示
上级.。
五金冲压连续模设计规范1.材料选择:连续模一般采用优质工具钢或合金钢制作,具有高强度、高硬度和耐磨性。
材料选择要根据所加工的零件要求及生产批量来确定,确保连续模在长期工作中能够保持稳定的性能。
2.结构设计:连续模的结构设计要合理,尽量减少零件数量和复杂度。
各部件之间要有足够的间隙和余量,以确保装配和拆卸时的顺畅度。
同时,要考虑到模具的加工和维修便捷度。
3.精度要求:连续模的加工精度要符合零件的设计要求,以保证加工出来的零件能够满足使用要求。
特别是对于具有高精度要求的零件,需要采用精密加工和装配技术,确保模具的加工精度和稳定性。
4.冷却系统设计:连续模在长时间工作中会因摩擦产生大量热能,如果不能及时散热,会导致模具变形、损坏及产量降低。
因此,连续模设计要考虑合理的冷却系统,确保在加工过程中能够及时散热,保持模具的温度稳定。
5.表面处理:连续模在使用过程中会受到一定的摩擦和腐蚀,因此需要对表面进行处理来增加其耐磨性和耐腐蚀性。
常见的表面处理方法有热处理、镀硬铬、堆焊等,可以根据具体情况选择适当的处理方法。
6.寿命评估:连续模的寿命评估是设计的关键环节。
根据加工工艺、材料选择、结构设计等因素综合考虑,通过模具试验和实际生产数据进行评估,预测模具的寿命,确保获得满足生产要求的寿命。
7.维护保养:为保证连续模的长期稳定工作,需要定期进行维护保养。
包括清洁、润滑、防锈等工作,以延长模具寿命和保持模具的加工精度。
总之,五金冲压连续模设计规范是确保连续模工作稳定、性能优良的关键因素。
通过合理的材料选择、结构设计、精度控制、冷却系统设计、表面处理、寿命评估和维护保养等措施,能够提高连续模的工作效率和寿命,降低生产成本,保证产品质量。
冲压模具公差及间隙标
准
Company number:【0089WT-8898YT-W8CCB-BUUT-202108】
公差及间隙标准
一模具零件公差及间隙标准
1 模板厚度公差要求:
配合性模板(厚度对入子零件的上下装配关系有较
大影响的模板)厚度尺寸公差取值±;
非配合性模板厚度公差取值±.
2零件外形和模板孔的公差及间隙要求:
详见附表一: <<模具零件公差及间隙一览表>>
二冲裁刃口要求及冲裁间隙标准
1 冲裁刃口要求
一般冲裁刃口留修(直段)3MM,斜度1,如下图.
一般3MM以下的小孔(含3MM),冲裁刃口留修2MM,
斜度 1.对于其它标准有明确规定的,按照其它标准
要求执行.
产品材料厚度T<或T>时,请示上级.
2 冲裁间隙标准详见附表二: <<冲裁间隙一览表>>
附表一: <<模具零件公差及间隙一览表>>
附表二: <<冲裁间隙一览表>>
注: 1.上表所列间隙值均是指单边冲裁间隙Z.
2.冲裁间隙Z的取值与冲裁的料片材质、厚度及生产条件
(模具形式等)有关.
3.未作注明者均不区分模具形式是工程模/连续模.
4.对于3MM以下小孔,当冲裁的料片材质为GI或不锈钢
/CRS/铝时,单边冲裁间隙Z=10%T.
5.冲裁的料片材质上表未列出时(如铜),冲裁间隙请示上级.。
五金冲压连续模具设计规范鉚合模設計標準文件編號:SB-B0031 一.目的返回上頁推行作業標准化﹐實現模具設計快速統一。
二.適用范圍沖模設計3.內容鉚合螺帽請參見圖鉚合螺帽零件圖。
在產品上鉚合螺帽時﹐為了保証螺帽的定位穩定和成型以后產品質量﹐我們在設計模具時都要為螺帽設計專用的定位裝置。
1. 鉚合螺帽在沖件上方時的模具結構示意圖(圖一)﹐注意﹕(1) 引導銷的直段高度要包含頂料銷的高度﹔(2)引導銷處的彈簧選用Φ8.0圓線彈簧。
2. 壓螺帽沖子示意圖(圖二)﹐適用于M3,M4和#6-32螺帽﹐因沖子頭部尺寸較大不需要為這個沖子在上面再加專門熱處理過的淬火入子。
類別:技術標準制定日期:2002/06/11 版次:A 共4頁第1頁五金冲压连续模具设计规范鉚合模設計標準文件編號:SB-B00313. 鉚合螺帽在沖件下方時的模具結構示意圖如圖三所示﹐注意螺帽放到定位入塊中定位后應比定位入塊的最上平面高0.5mm.4.鉚合螺帽定位入塊示意圖(圖四).類別:技術標準制定日期:2002/06/11 版次:A 共4頁第2頁五金冲压连续模具设计规范第一部分:鉚合模設計標準文件編號:SB-B00315. 注意事項﹕(1) 注意圖二和圖四中的尺寸”H-0.1”.(代號H為鉚合螺帽零件尺寸﹐參見鉚合螺帽零件圖)(2) 定位零件的定位段直徑D取值原則﹕以螺帽的螺絞孔內孔為基數﹐圓整為0.05的倍數。
(3) 各種規格螺帽的內徑請根據產品的實際情況予以確定。
6.模具設計中,螺柱的鉚合模具結構圖請參考圖六。
其下模板螺柱過孔﹐割﹐單邊加0.05mm.7. 鉚合模具結構如圖六所示﹐適合于材料浮升較低時﹐螺柱可以插入下模板內﹔但若材料浮升高度較高時﹐為使螺柱定位穩定﹐而在下模孔內加浮升引導銷給予導正。
8. 鉚合螺柱的脫料方式﹐一般情況下﹐采用如圖六中所示的方法﹐直接加以浮升銷。
但如果位置不夠,無法加浮升銷時﹐可以直接在螺柱過孔內加浮升銷﹐直接頂住螺柱﹐只需把螺柱脫起2-3mm即可。