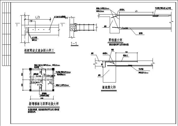
植筋图
- 格式:docx
- 大小:361.79 KB
- 文档页数:3
LYJGN®植筋锚固结构胶
用途:LYJGN®植筋锚固结构胶适用于钢筋、螺栓的种植锚固;本胶广泛应用建筑、桥梁、幕墙、护栏、塔吊、矿山工程中钢筋、螺栓、金属型材与混凝土、岩石等基材的锚固生根。
特点:该胶触变性,拉伸、剪切强度高,耐老化、耐疲劳性能优良,负载-位移特性卓越,通过粘结与锁键作用,达到如同预埋效果。
该胶所需钻孔孔径小,竖直孔、水平孔、倒垂孔均可轻松植筋。
通常钻孔直径d+4∽8mm,锚固长度15d,所植钢筋锚固力值一般即大于屈服值。
(实际钻孔深度可参考15d的基准,根据实际所需锚固力大小,并考虑构造长度要求,按照规范GB50367-2006计算确定)。
LYJGN®植筋胶各项技术指标经检测,均满足《混凝土结构加固设计规范
GB50367-2006》的要求。
LYJGN®植筋锚固结构胶性能
注:HRB235钢筋屈服强度235N/mm2,HRB400钢筋屈服强度400N/mm2
注:1.钢试件材质Q235。
2.试件粘接前均进行粗糙、洁净(除油、除绣、除尘)处理。
3.结构胶性能的改进在不断进行中,上述数据是建立在以往试验结
果均值基础之上的,供参考。
LYJGN®结构胶采用小单元金属桶封装,便于使用、贮存和运输。
附件包括产品质量合格证、检验和试验报告、产品使用说明书。
钻孔除锈
清孔配胶
送胶植筋
拉拔试验
钢筋拔断胶搅拌器(与电锤配套)
LYJGN®植筋锚固结构胶使用说明。
图文讲解:植筋施工技术随着建筑工程的日新月异,植筋技术已经在建筑工程中广泛的运用,至于什么是植筋,它又是怎么广泛的运用开来的,其它优缺点又是什么,本帖(以柱纵筋植筋为例)将以现场实际施工过程图片结合规范逐一讲解,以帮助没有接触过现场的同鞋更容易接受植筋技术这一施工方法。
先从植筋的背景说起,植筋锚固技术其实是因建筑结构胶的发明而产生的新技,也就是用建筑结构胶将钢筋锚固到建筑构件中(工艺流程为:钻孔→清孔→注胶→插筋→固化)。
在国外,这一技术已应用了三四十年。
在国内的大量应用也就是近10年左右的时间。
随着我国经济的快速增长,房地产业也迅猛发展,植筋技术已广泛应用于建筑物的改造及补强加固中,成为梁、板、柱、墙等构件后加、连接、重置的有效手段。
其锚固力大、工艺简单、操作方便、施工速度快、效率高、工期短、相对成本低的特点是传统的连接、加固方法所无法比拟的。
案例:设计变更,柱脚加大,柱基按原设计图已完成浇筑,需另外植入插筋。
1.植筋标准施工程序:划线定位-钻孔-清除孔尘-灌注结构胶-钢筋处理-植入钢筋-养护固化-质量检验2.操作方法:2.1划线定位:设计图纸在植筋的平面位置上,用墨线或直尺划出纵横线条2.2钻孔:钻孔一般要垂直混凝土构件平面,倾斜度不大于8°(特殊要求除外)。
2.3清孔除尘:(1)清孔方法:一般采用高压气冲洗(用空压机、打气筒等);也可以用高压水冲洗(但是在植筋前,孔内必须达到干燥)。
(2)孔壁化学处理,用上述方法清除后,在灌胶前,用丙酮或酒精清洗一遍,达到孔壁无灰尘、无油污、无有机杂质。
2.4灌注结构胶:(1)配制比例:该胶为双组份,A组份:B组份=4:1(重量比),误差不得超过3%。
(2)搅拌:首先分别将A、B组份胶搅拌均匀,然后按比例配备,用专用电动搅拌机搅拌3分钟。
原则上不用人工搅拌,特殊情况,设专人搅拌,最少搅拌5分钟,一定要搅拌均匀(见使用说明)。
(3)注入胶:用专用工具将搅拌好的胶注入清洗过的孔内,(4)配胶、注胶、插筋必须流水作业,连续进行。
插筋和植筋,其实就是一个是在混凝土施工时同时施工,一个是混凝土施工完后再施工。
插筋一般是预留钢筋,为下一步施工作准备。
我们常采用有:1、基础部位混凝土施工时,一些非主要构件的钢筋可采用在混凝土初凝前插入到相应部位,如、构造柱的插筋、小型构件的预留筋等。
2、在楼层施工时,上部墙柱增加或上部墙柱的钢筋直径改变时,可采用插筋的方法进行施工,但要注意插筋长度不能在同一面上,要根据要求进行设置;3、一些小型构件在主体结构施工时不便于施工,需要预留插筋。
植植主要是在混凝土施工完的后期进行的。
在施工时要编制专项施工方案,报建设单位或监理单位审批后才能按方案进行施工。
一般主要有增加构件或工程构件加固时使用,另一种常用的情况就是墙柱拉结筋和构造柱或构造梁施工时采用。
前一种情况一般要求专业公司施工,后一种一般只要有可靠的技术保证措施,可按施工组织施工即可。
但要注意的是,植筋一般都要求进行拉拔试验,合格后才能进行下一步施工工序。
拉结筋拉结筋,竖向一般是500一道,水平方向一般是砌体均分就可以了。
墙体拉结筋连接可以有植筋、预埋、绑扎等方式。
普通每500高设一道拉结筋。
也就是0.5米。
在抗震地区,板底设有圈梁时,预制板应在板端每块板缝处设1Φ8的拉接钢筋,中间墙处钢筋每边伸入板中1000mm,端墙处伸入墙中并弯折。
板跨大于4.8m的,还应在顺板跨方向靠墙边的第一块预制板的侧面,按1000mm的间距用1Φ8的钢筋拉接,一端通过板上伸入到第一、二块板间的板缝向下弯折,另一端伸入墙体内弯折。
抗震等级7度及以下地区,上述拉接筋不必与圈梁拉接;8、9度地区,除设上述拉接筋外,还应在板下圈梁中预埋钢筋与上述拉接筋相连。
拉结筋是建筑工程中钢筋类型的一种,把它砌到墙的里面,摆在砖层当中起连接砌体防止开裂的作用。
拉结筋通常用直径6.5毫米细钢筋制成,多用在砖墙的L转角和T字转角处,每隔500毫米放一层,每层每125毫米宽度范围内放一根。
长度按规范。
植筋的定义建筑结构抗震加固工程上的一种钢筋
植筋,又叫种筋,是一种在建筑结构抗震加固工程中常用的钢筋后锚固技术。
这种技术利用结构胶的锁键握紧力,将钢筋与基材(如混凝土、墙体岩石等)牢固地连接在一起。
具体来说,化学法植筋的过程包括在基材上钻孔,然后注入高强植筋胶,待胶固化后插入钢筋或型材,最终形成一个整体。
高强建筑植筋胶主要有注射式植筋胶和桶装式植筋胶两种。
这项技术在加固补强行业应用广泛,它不仅可用于普通钢筋的植入,还可用于螺栓式锚筋的植入。
在已有的建筑物加固改造工程中,植筋技术常被用于施工中漏埋钢筋或钢筋偏离设计位置的补救,构件加大截面加固的补筋,上部结构扩跨、顶升对梁、柱的接长,房屋加层接柱和高层建筑增设剪力墙的植筋等。
以上内容仅供参考,如需更多信息,建议查阅植筋技术的相关文献或咨询专业工程师。
7#主楼零星植筋统计1、外墙百页窗梁上拉筋8,2880根。
2、电梯井构造柱变更门洞口10,576根。
3、1-12层y节点(每层20m挡板)8,2400根。
(扣联丰)4、牛腿植筋3、4、10、11层8,2360根。
(扣联丰)。
5、-1.5m~±0.000m层挡墙两端头植筋12,720根。
(扣联丰)6、楼层泵管洞植筋8,384根。
(扣联丰)7、一层、二层F轴14b节点窗台板8,310根。
(新增)8、-1.5m~二层转角部位装饰柱6.5,1624根。
(图为GRC改为砖砌)9、7#变更牛腿窗台过梁8,128根10、7#主楼门厅干挂石材柱子植筋6.5,96根11、7#风井盖板5块8,137根;梁12,24根。
(扣联丰)12、7#楼一层因F轴窗台板宽度变更8,75根。
(变更)电梯井及楼层移位及变更后割除钢筋用工8个普工。
2#主楼及商业楼零星植筋统计1、主楼2、3、10、11层牛腿8,750根。
(扣优越)3、商业楼女儿墙下方5-7/A轴木工线条未做8,102根。
(扣优越)4、女儿墙9-11/D轴线条未做8,102根。
(扣优越)5、老虎窗部分预埋错位10,208根;烟道装饰未预留10,180根。
(扣优越)6、老虎窗下口线200根。
(扣优越)7、2#风井A-B/4轴地下室顶板梁结构植筋16,8根(扣优越)8、2#风井四周未预留挡墙钢筋12,120根.(扣优越)9、2#楼风井盖板5块未预留钢筋8,135根、梁12,8根(扣优越)10、2#牛腿下部新增过梁8,64根。
(新增)11、因2#车库地下室基础柱子F/8-9轴偏位植筋1个工日(扣优越)12、因2#楼一层主体外观线条错误植筋1个工日(扣优越)结构植筋:2#商业楼地下室挡墙交接部位梁、板未预留钢筋16,12根18,14根20,8根22,22根板10,96根3#商业楼一段零星植筋统计1、一层L轴圆拱12,80根。
2、2-9/2-K轴装饰柱植筋8,20根。
(扣优越)3、C-D/2轴门厅柱8,116根;12,16根。
这是我看到的挺好的资料,详细介绍了植筋锚固技术,图文并茂,分析的很全面,我觉得很有用,所以分享一下,如果大家和我一样觉得有用,不妨学习一下~植筋技术已经在建筑工程中广泛的运用,至于什么是植筋,它又是怎么广泛的运用开来的,其它优缺点又是什么,本帖(以柱纵筋植筋为例)将以现场实际施工过程图片结合规范逐一讲解,以帮助没有接触过现场的同鞋更容易接受植筋技术这一施工方法。
用建筑结构胶将钢筋锚固到建筑构件中(工艺流程为:钻孔→清孔→注胶→插筋→固化)。
在国外,这一技术已应用了三四十年。
在国内的大量应用也就是近10年左右的时间。
随着我国经济的快速增长,房地产业也迅猛发展,植筋技术已广泛应用于建筑物的改造及补强加固中,成为梁、板、柱、墙等构件后加、连接、重置的有效手段。
其锚固力大、工艺简单、操作方便、施工速度快、效率高、工期短、相对成本低的特点是传统的连接、加固方法所无法比拟的。
案例:设计变更,柱脚加大,柱基按原设计图已完成浇筑,需另外植入插筋。
1.植筋标准施工程序:划线定位-钻孔-清除孔尘-灌注结构胶-钢筋处理-植入钢筋-养护固化-质量检验2.操作方法:2.1划线定位:设计图纸在植筋的平面位置上,用墨线或直尺划出纵横线条,2.2钻孔:钻孔一般要垂直混凝土构件平面,倾斜度不大于8°(特殊要求除外)。
2.3清孔除尘:1)清孔方法:一般采用高压气冲洗(用空压机、打气筒等);也可以用高压水冲洗(但是在植筋前,孔内必须达到干燥)。
2)孔壁化学处理,用上述方法清除后,在灌胶前,用丙酮或酒精清洗一遍,达到孔壁无灰尘、无油污、无有机杂质。
2.4灌注结构胶:(1)配制比例:该胶为双组份,A组份:B组份=4:1(重量比),误差不得超过3%。
(2)搅拌:首先分别将A、B组份胶搅拌均匀,然后按比例配备,用专用电动搅拌机搅拌3分钟。
原则上不用人工搅拌,特殊情况,设专人搅拌,最少搅拌5分钟,一定要搅拌均匀(见使用说明)。
(3)注入胶:用专用工具将搅拌好的胶注入清洗过的孔内,(4)配胶、注胶、插筋必须流水作业,连续进行。
GD26 001XX工程植筋专题施工方案编制:日期:审核:日期:审批:日期:目录第一章、编制依据 0第二章、工程概况 02.1 工程参建单位 02.2 工程概况 02.3 植筋点位分布 (1)第三章、施工准备 (5)4.1技术准备 (5)4.2劳动力安排 (5)4.3主材供给 (5)4.4 项目部施工人员安排 (6)4.5 生产准备 (7)4.6 作业条件 (7)4.7 施工计划及安排 (7)4.8 机具准备 (7)第四章植筋技术 (9)4.1原理 (9)4.2植筋优点 (9)4.3 施工技术控制要求 (10)4.5植筋胶合材料 (13)4.6应用优点 (13)第五章关键施工工艺 ...............................................................错误!未定义书签。
5.1 工艺步骤 (14)5.2 植筋埋置深度 (14)5.3 植筋施工 (17)5.4 检验和验收 (20)第六章质量标准及采取方法 (21)6.1控制项目 (21)6.2材料要求及标准 (21)6.3植筋施工质量 (22)6.4确保质量方法 (22)6.5检验检验 (23)6.6注意事项 (23)第七章施工试验计划 (25)7.1进场检验 (25)7.2 外观检验 (25)7.3 力学性能试验 (25)7.4 植筋锚固性能试验 (25)第八章施工现场安全、环境及成品保护 (27)8.2成品保护 (28)第一章、编制依据本项目施工图纸、业主相关质量、材料要求国家规范、规程和加固行业标准《混凝土结构后锚固技术规程》JGJ 145-工程测量规范GB50026-建筑工程施工质量验收统一标准GB50300-混凝土结构工程施工质量验收规范GB50204-混凝土结构加固设计规范GB50367-建筑抗震加固技术规程JGJ116-建筑装饰装修工程质量验收规范GB50210-工程加固材料安全性判定技术规范GB/T50728- 建筑结构加固工程施工质量验收规范GB/T50550- 民用建筑工程室内环境污染控制规范GB50325-()混凝土结构加固结构13G311-1施工现场临时用电安全技术规程JGJ46-建筑施工安全检验标准JGJ59-钢结构工程施工质量验收规范GB50205-钢结构高强度螺栓连接技术规程JGJ107-建筑工程冬季施工规程JGJ104-建筑工程资料管理规程 JGJ∕T185-中国协议法1999年15号主席令中国建筑法46号国家主席令中国消防法 6号国家主席令中国安全生产法70号主席令中国环境保护法9号国家主席令中国环境噪声污染防治法1997年77号国家主席令建设工程质量管理条例279号国务院令建设工程安全生产管理条例393号国务院令xx企业质量、环境、职业健康和安全管理手册和程序文件xx企业施工技术质量管理、安全生产管理制度系列标准xx企业其它相关环境、质量法律法规及文件资料。
基本定义"植筋加固"技术是一项针对混凝土结构较简捷、有效的连接与锚固技术;可植入普通钢筋,也可植入螺栓式锚筋;现已广泛应用于建筑物的加固改造工程,如:施工中漏埋钢筋或钢筋偏离设计位置的补救,构件加大截面加固的补筋,上部结构扩跨、顶升对梁、柱的接长,房屋加层接柱和高层建筑增设剪力墙的植筋等。
它是对工程中没有预埋钢筋的一种有效补救措施。
工艺流程植筋加固工艺流程如下所示:步骤一:钻孔根据设计图的配筋位置及数量,错开原结构公斤位置,标注出植筋位置。
请有关部门验线,合格后就可钻孔。
用冲击钻钻孔,钻头直径应比钢筋直径大5mm左右,钢筋选用首钢生产的φ25钢筋,钻头选用φ30的合金钢钻头。
孔深大小15d(375mm),实际钻深400mm.钻孔时,钻头始终与柱面保持垂直。
步骤二:洗孔洗孔是植筋中最重要的一个环节,因为孔钻完后内部会有很多灰粉、灰渣,直接影响植筋的质量,所以一定要把孔内杂物清理干净。
方法是:用喜得利毛刷(这种毛刷不掉毛),套上加长棒,伸至孔底,来回反复抽动,把灰尘、碎渣带出,再用压缩空气,吹出孔内浮尘。
吹完后再用脱脂棉沾酒精或丙酮擦洗孔内壁。
但不能用水擦洗,因酒精和丙酮易挥发,水不易挥发。
用水擦洗后孔内不会很快干燥。
钻孔清洗完后要请设计等有关单位验收,合格后方可注胶。
步骤三:注胶喜利得RE500植筋胶是双组分专用成品,取一组强力植筋胶,装进套筒内,安置到专用手动注射器上,慢慢扣动板机,排出铂包口处较稀的胶液废弃不用,然后将螺旋混合嘴伸入孔底,如长度不够可用塑料管加长,然后扣动板机,板机孔动一次注射器后退一下,这样能排出孔内空气。
为了使钢筋植入后孔内胶液饱满,又不能使胶液外流,孔内注胶达到80%即可。
孔内注满胶后应立即植筋。
步骤四:植筋在注胶前梁底模板就已支好,便于植筋后钢筋定位。
植筋前要把钢筋植入部分用钢丝刷反复刷,清除锈污,再用酒精或丙酮清洗。
钻孔内注完胶后,把经除锈处理过的钢筋立即放入孔口,然后慢慢单向旋入,不可中途逆向反转,直至钢筋伸入孔底。
植筋设计指南1. 引言植筋是一种常用的结构加固方法,用于增强混凝土结构的承载能力。
本指南将介绍植筋设计的基本原理和步骤,以帮助设计师在实践中正确应用植筋技术。
2. 设计准备在进行植筋设计前,设计师应先收集以下信息:- 结构平面图和截面图- 结构荷载和荷载组合- 结构材料参数- 现场施工条件和限制- 植筋材料的性能和要求3. 断面的选择和计算根据结构的几何形状和受力情况,选择合适的断面形式。
常见的断面形式包括矩形、T形、L形等。
对于每个断面形式,进行截面计算以确定最大截面尺寸和受力情况。
4. 植筋布置根据结构的荷载和受力分布,确定植筋的布置方式。
布置植筋时需要考虑植筋之间的间距、植筋与混凝土间的保护层厚度以及植筋的排布方式等因素。
5. 植筋计算根据植筋布置和断面尺寸,进行植筋计算以确定植筋的数量和尺寸。
常用的计算方法包括弯曲截面法、平衡曲线法等。
6. 植筋施工要求在进行植筋施工时,应遵循以下要求:- 植筋应正确布置,并与结构钢筋连接牢固。
- 植筋位置应符合设计要求,并保持纵向和横向的准确度。
- 植筋应按照施工计划的要求按序进行。
- 植筋施工过程中应注意保护混凝土免受损坏。
7. 植筋验收和质量控制在植筋施工完成后,应进行植筋的验收和质量控制。
其中包括对植筋的数量、尺寸和位置进行检查,并对有问题的部位进行修正和整改。
8. 结论植筋设计是一项重要的工作,正确的植筋设计能够有效提高混凝土结构的承载能力。
设计师在进行植筋设计时,应充分考虑结构的受力情况和施工条件,以确保设计的准确性和可行性。
以上是《植筋设计指南》的主要内容,希望本指南能够帮助设计师们在实践中正确应用植筋技术,提高结构的安全性和可靠性。
基本定义
"植筋加固"技术是一项针对混凝土结构较简捷、有效的连接与锚固技术;可植入普通钢筋,也可植入螺栓式锚筋;现已广泛应用于建筑物的加固改造工程,如:施工中漏埋钢筋或钢筋偏离设计位置的补救,构件加大截面加固的补筋,上部结构扩跨、顶升对梁、柱的接长,房屋加层接柱和高层建筑增设剪力墙的植筋等。
它是对工程中没有预埋钢筋的一种有效补救措施。
工艺流程
植筋加固工艺流程如下所示:
步骤一:钻孔
根据设计图的配筋位置及数量,错开原结构公斤位置,标注出植筋位置。
请有关部门验线,合格后就可钻孔。
用冲击钻钻孔,钻头直径应比钢筋直径大5mm左右,钢筋选用首钢生产的φ25钢筋,钻头选用φ30的合金钢钻头。
孔深大小15d(375mm),实际钻深400mm.钻孔时,钻头始终与柱面保持垂直。
步骤二:洗孔
洗孔是植筋中最重要的一个环节,因为孔钻完后内部会有很多灰粉、灰渣,直接影响植筋的质量,所以一定要把孔内杂物清理干净。
方法是:用喜得利毛刷(这种毛刷不掉毛),套上加长棒,伸至孔底,来回反复抽动,把灰尘、碎渣带出,再用压缩空气,吹出孔内浮尘。
吹完后再用脱脂棉沾酒精或丙酮擦洗孔内壁。
但不能用水擦洗,因酒精和丙酮易挥发,水不易挥发。
用水擦洗后孔内不会很快干燥。
钻孔清洗完后要请设计等有关单位验收,合格后方可注胶。
步骤三:注胶
喜利得RE500植筋胶是双组分专用成品,取一组强力植筋胶,装进套筒内,安置到专用手动注射器上,慢慢扣动板机,排出铂包口处较稀的胶液废弃不用,然后将螺旋混合嘴伸入孔底,如长度不够可用塑料管加长,然后扣动板机,板机孔动一次注射器后退一下,这样能排出孔内空气。
为了使钢筋植入后孔内胶液饱满,又不能使胶液外流,孔内注胶达到80%即可。
孔内注满胶后应立即植筋。
步骤四:植筋
在注胶前梁底模板就已支好,便于植筋后钢筋定位。
植筋前要把钢筋植入部分用钢丝刷反复刷,清除锈污,再用酒精或丙酮清洗。
钻孔内注完胶后,把经除锈处理过的钢筋立即放入孔口,然后慢慢单向旋入,不可中途逆向反转,直至钢筋伸入孔底。
步骤五:固化
钢筋植入后,在梁底模板上定位,在强力植筋胶完全固化前不能振动钢筋。
强力植筋胶在常温下就可完成固化,50h后便可进行下道工序施工。
步骤六:检验
在植筋施工前,要对所用钢筋及植筋胶进行现场拉拔试验,以确定钢筋及植筋胶是否符合设计要求。
方法是:制作与要植筋部位混凝土构件相同强度等级的混凝土试件,按植筋步骤,植入3组钢筋,待植筋胶完全固化后,进行拉拔实验。
实验用专用的钢筋测力计,当加力达到Ⅱ级钢筋屈服强度(450N/mm2)时,出现颈缩现象,继而拉断。
测试时测力计施加于卡具的力应符合FC≥FYK(FC:测力计施加的力,N/mm2;FYK:钢筋的屈服强度,N/mm2)
试验证明:植筋用的植筋胶强度大于钢筋的屈服强度,植筋的破坏是钢筋的屈服破坏,不是胶的粘结破坏,这表明钢筋和植筋胶都是合格的。
植筋后进行非破损性拉拔试验,用来检测工作状态下的植筋质量,检测的数量是植筋总数的10%。
检测中,测力计施加的力要小于钢筋的屈服强度、大于由设计部门提供的植筋设计锚固力值。
公式为:FM<FC<FYK(FC:测力计施加的力,N/mm2;FYK:钢筋的屈服强度,N/mm2;FM:植筋设计锚固力,N/mm2)
检测实验合格后就可进行下道工序。
8. 绑筋、支模、浇注混凝土
钢筋在抗拉拔试验合格后就可按施工图开始绑筋、支模、浇注混凝土。
注意事项:
1、植筋后,一般不允许在所植钢筋上焊接,如确实需要焊接时,焊点距离基材混凝土表面应大于15d,且应采用冰水浸渍的毛巾包裹植筋外露部分的根部。
2、承台围堰必须牢固,确保在植筋期间不能有水流入承台范围,承台要保持干燥。
如果不能保障承台干燥,那此方案不可行。
3、注意天气变化,植筋施工开始前要查看天气预备,要确保在植筋施工期间天气状况良好,不要在阴雨天气施工。
针对本工程在厂房内部施工,故无需考虑天气因素的影响。
4、钢筋必须按要求除锈,钢筋表明不能有油渍等杂物。
5、植筋所用的锚固胶必须是合格产品,各项性能指标要符合规范要求。
6、为了保证植筋质量,必须避免第四条中提到的影响植筋质量缺陷的各个因素发生,我们要从工、料、机、工艺、环境以及方法等几个方面综合考虑,要做到万无一失。
7、植筋施工用电要按照项目的用电规程操作,避免违章。
8、植筋所用的设备及机具必须按找该设备或机具的操作规程操作,不允许违章操作。
9、植筋所用的材料不能到处乱扔污染环境。
应用领域
1、建筑物新增梁、楼板、墙体、立柱等。
2、墙体、柱、梁等加固。
3、对桥梁,柱加大断面植筋,柱加牛腿,水平植筋。
4、墙体加厚拉结植筋。
5、结构加层柱头拉结钢筋,梁体接长水平植筋,梁上加柱,垂直植筋,基础、连续墙植筋,预制梁修复植筋。
6、幕墙埋件。
7、机械设备固定。
8、岩石,砖砌体等锚固。