房屋建筑单元工程质量检查评定表格模板
- 格式:doc
- 大小:163.00 KB
- 文档页数:6
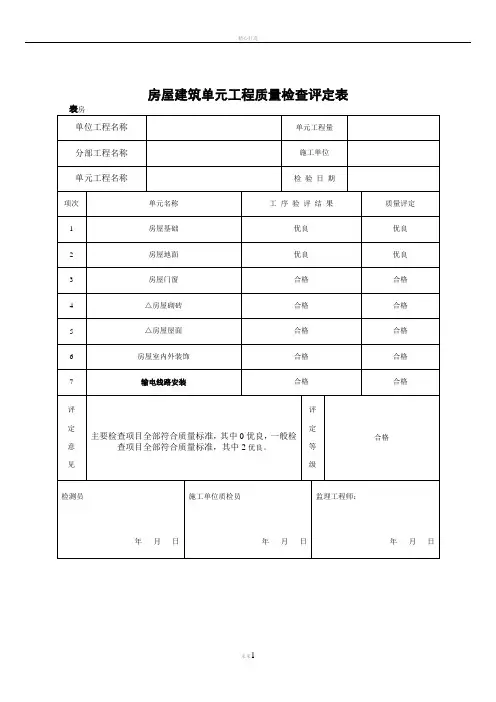
单元工程质量评定表通常包括以下内容:
1.单元工程名称、部位、施工单位、施工日期等基本信息。
2.单元工程的质量标准,包括质量要求、合格标准等。
3.单元工程的质量检测情况,包括检测项目、检测结果等。
4.单元工程的质量评定,包括合格与否、存在的问题及处理措施等。
以下是一个简单的单元工程质量评定表填写范例:
在填写表格时,根据实际情况填写检测项目、检测结果、合格标准等,并根据评定标准对每个项目进行评定,最后给出总评结论。
如果某个项目不合格,需要填写处理措施。
房屋建筑工程实体质量检查表受检单位受检项目检查人日期序号检查内容与打分标准标准分实得分1.地基与基础1地基标高、基槽宽度、桩顶标高、桩位偏差不符合要求的,每发现一处扣1分,发现3处(含)以上的扣5分。
52土方开挖的标高、表面平整度、基坑周边荷载不符合要求的,每发现一处扣1分,发现3处(含)以上的扣5分。
53地下防水卷材的搭接宽度、粘贴质量、防水保护层等不符合要求的,以及其它防水做法不符合设计和规范要求的,每发现一处扣1分,发现3处(含)以上的扣5分。
54地下室外墙或底板渗漏点,每层发现数量不超过3处扣2分,超过3处(含)扣5分。
52.主体结构5地下室防水砼以及主体结构砼回弹强度值达不到设计强度的扣5分。
56主体砼结构二次接茬漏浆、错台,每层发现数量不超过3处或每单元发现层数不超过3层的扣2分,每层发现数量超过3处(含)或每单元发现层数超过3层(含)的扣5分。
57主体砼结构洞口(包括盘箱洞口)变形,每层发现数量不超过3处或每单元发现层数不超过3层的扣2分,每层发现数量超过3处(含)或每单元发现层数超过3层(含)的扣4分,变形超过25mm且数量较多的扣5分。
58主体砼剪力墙扭曲变形,每层发现数量不超过3处或每单元发现层数不超过3层的扣2分,每层发现数量超过3处(含)或每单元发现层数超过3层(含)的扣5分。
59主体砼结构墙体、柱垂直度、平整度超差,每层发现数量不超过3处或每单元发现层数不超过3层的扣1分,每层发现数量超过3处(含)或每单元发现层数超过3层(含)的扣5分。
510主体砼结构产生麻面面积超过1㎡,每层发现数量不超过3处或每单元发现层数不超过3层的扣2分,每层发现数量超过3处(含)或每单元发现层数超过3层(含)的扣5分。
511主体砼结构出现孔洞、露筋、夹渣、烂根的,每发现一处扣2分,发现3处(含)以上的扣5分。
512主体砼顶板保护层不够表面看出钢筋返锈的,每发现一处扣1分,每单元或每层楼发现3处(含)以上的扣5分。