市政验·管-36 压力管道水压试验验收记录
- 格式:xls
- 大小:26.50 KB
- 文档页数:1
水压试验检验批质量验收记录一、项目背景为保证水压试验质量,确保设备安全可靠运行,按照相关要求,对水压试验进行了检验批质量验收。
二、验收目的本次验收的主要目的是确认水压试验工作是否按照相关规定执行,是否符合质量验收标准,以及整个过程中是否存在问题和不足。
三、验收人员本次质量验收的验收人员包括:1.项目负责人;2.施工单位质检人员;3.监理单位代表。
四、验收内容1.设备准备:检查水压试验设备的准备情况,包括水源、水泵、管道等设备的选择和安装是否符合要求,确认设备符合设计要求和施工文件要求。
2.设备检查:检查水压试验设备的运行情况,包括水泵、管道等设备是否正常工作,是否存在泄漏、堵塞等问题,确认设备运行正常。
3.压力测试:进行水压力测试,按照设计要求进行连续工作时间和逐渐增加压力等环节,记录测试过程中的压力、时间和电流等数据。
4.压力保持:进行压力保持测试,确认设备是否能够在一定时间内保持稳定的压力状态,记录测试过程中的压力波动情况和保持时间。
5.泄漏检测:进行泄漏检测,检查设备是否存在泄漏,包括管道连接处、阀门密封处等部位,记录泄漏点和泄漏程度。
6.设备性能:对设备的性能进行评估,包括流量、压力等指标是否符合设计要求,记录设备性能情况和评估结果。
五、验收结论根据以上验收内容的实施和检测结果,对水压试验的质量进行总体评估,得出以下结论:1.设备准备情况良好,符合要求;2.设备运行正常,无泄漏和堵塞情况;3.压力测试和保持测试结果正常,设备能够满足设计要求;4.泄漏检测结果符合要求,设备密封性良好;5.设备性能评估符合设计要求,能够满足使用需要。
六、存在问题和不足经过验收的过程中,发现以下问题和不足:1.在压力测试过程中,部分压力计读数不准确,需要及时更换或校正;2.压力保持测试中发现部分阀门密封不严,需要进一步检查和处理;3.从泄漏检测结果来看,设备的泄漏情况较小,但仍需进一步加强管道连接处和阀门的密封性;4.在设备性能评估中,流量和压力指标有些偏差,需要对设备进行进一步调试和优化。
市政给排水管道验收记录表
单位(子单位)工程质量竣工验收记录
编号:
单位(子单位)工程质量控制资料核查表
编号:
编号:
编号:
编号:
编号:
编号:
编号:
编号:
编号
编号:
编号
钢管内防腐层工程检验批质量验收记录
编号:
钢管外防腐层工程检验批质量验收记录
编号:
钢管阴极保护工程检验批质量验收记录
编号:
球墨铸铁管接口连接工程检验批质量验收记录
编号:
钢筋混凝土管、预(自)应力混凝土管、预应力钢筒混凝土管接口连接工程检验批质量验收记录
编号:
化学建材管接口连接工程检验批质量验收记录
编号:
编号:
井室工程检验批质量验收记录
编号:
编号:
编号:。
管道试压检查记录一、任务概述管道试压检查记录是对管道系统进行试压过程中的各项数据和检查情况进行记录和总结的文档,旨在确保管道系统的安全性和稳定性。
本文档将详细描述试压过程中的各项数据和检查内容,以及相应的记录方式和标准格式。
二、试压过程数据记录1. 试压日期:2022年1月1日2. 试压地点:某某工地3. 试压管道:主管道、支管道等4. 试压介质:水、气体等5. 试压压力:设定试压压力为10MPa6. 试压持续时间:设定试压持续时间为2小时三、试压前准备工作1. 检查管道系统的设计图纸和规格要求,确认试压压力和持续时间。
2. 清理管道系统,确保无杂物和污物。
3. 检查管道系统的连接件和焊接质量,确保无渗漏和破损。
4. 检查试压设备和工具的完好性和准确性。
四、试压过程记录1. 开始试压前,将试压设备连接至管道系统,并确保连接紧固无松动。
2. 打开试压设备,逐步增加压力至设定试压压力,并记录每个压力点的数值。
3. 在试压过程中,仔细观察管道系统是否有渗漏现象,并记录渗漏点的位置和程度。
4. 检查试压设备的压力稳定性和泄漏情况,确保试压过程的准确性。
5. 在试压持续时间结束后,逐步减压至零,并记录每个压力点的数值。
6. 检查管道系统的压力释放情况,确保无残余压力。
五、试压结果分析1. 根据试压过程中记录的数据,计算试压系统的泄漏率。
2. 对于有渗漏现象的管道部位,进行修复或更换,并重新试压。
3. 分析试压结果,评估管道系统的安全性和稳定性。
4. 若试压结果符合设计要求,则认定管道系统通过试压检查。
六、试压检查记录总结1. 试压日期:2022年1月1日2. 试压地点:某某工地3. 试压管道:主管道、支管道等4. 试压介质:水、气体等5. 试压压力:10MPa6. 试压持续时间:2小时7. 泄漏率:0.5%8. 修复情况:部分管道部位进行了修复或更换9. 评估结果:管道系统通过试压检查,具备安全性和稳定性。
市政给排水管道检验批单位(子单位)工程质量竣工验收记录编号:工程名称:项目类型:工程造价:施工单位技术负责人:开工日期:项目经理:项目技术负责人:竣工日期:序号验收记录验收结论1 分部工程共分部,经查分部符合标准及设计要求2 质量控制资料核查共项,经审查符合要求项,经核定符合规范规定项安全和主要使用功能核查及抽查结果观感质量检验综合验收结论共核查项,符合要求项,共抽查项,符合要求项,经返工处理符合要求项4 共抽查项,符合要求项,不符合要求项5 设计单位(公章)项目负责人年月日参加验收建设单位(公章)年月日施工单位(公章)项目负责人年月日监理单位(公章)项目负责人年月日以下是该工程单位(子单位)的质量竣工验收记录。
记录编号、工程名称、项目类型、工程造价、施工单位技术负责人、开工日期、项目经理和项目技术负责人等信息都在记录中列出。
验收记录包括分部工程、质量控制、安全和主要使用功能核查及抽查等内容。
经过核查和审查,符合要求的项已经被核定符合规范规定项。
综合验收结论表明,共核查项、共抽查项中,有些不符合要求,但经过返工处理后符合要求。
最后,设计单位、建设单位、施工单位和监理单位均在验收中参加并盖章确认。
单位(子单位)工程质量控制资料核查表编号:工程名称:序号资料名称施工单位份数核查意见1 管节、管件、管道设备及管配件等。
防腐层材料、阴极保护设备及材料;混凝土外加剂、钢制构件、混凝土预制构件等材质质量保证资料 1 管道接口连接质量检测(钢管焊接无损探伤检验、法兰或压兰螺栓拧紧力矩检测、熔焊检验);内外防腐层(包括补口、补伤)栓拧紧力矩检测、熔焊检验;预水压试验;混凝土强度、混凝土抗渗、混凝土抗防腐检测等施工检测 5 回填土压实度;柔性管道环向变形冻、砂浆强度、钢筋焊接;不开槽施工土层加固、支护及施工变形等测量;管道设备检测;阴极保护安装测试;桩基完整性检测、地基处理备安装测试等检测 1 管道水压试验;给水管道冲洗消毒;管道位置及高程;浅埋暗挖管道、盾构管片拼装变形测量等结构安全和使用功能核查及抽查 3 混凝土结构管道渗漏水调试;桩基动测、静载试验;阴极保护系统测试;控制桩(副桩)施工放样复核、永久(临时)水准点测量复核;竣工测量核等施工测量 4 施工组织设计(施工方案);焊接工艺、专题施工方案及批复;管道及抽升泵站设备(或系统)调试、电气设备电气试验;阴极保护用功能性检测等施工技术管理 5 图纸会审、施工技术交底;设计变更、技评定及作业指导书;质量事故(问题)处理;材料、设备进场验收;计术联系单;工程会议纪要;施工日记量仪器校核报告等该工程单位(子单位)的质量控制资料核查表包括编号、工程名称、序号、资料名称、施工单位、份数和核查意见等信息。
压力管道验收资料表格(1)资料内容本资料表格用于压力管道的验收记录,其中包含以下内容:•验收日期:标注压力管道验收的日期。
•验收单位:验收压力管道的单位名称。
•管道标识号:管道的唯一标识号码,在验收过程中应该与管道实际编号相符合。
•材质:标注管道所使用的材料,例如钢管、镀锌钢管等。
•规格:标注管道的规格大小。
•壁厚:指管道壁的厚度。
•焊口质量:检测管道各个焊口的合格情况。
•蒸气密度:标注管道内以及周围的环境蒸气密度情况。
•测压值:对管道进行压力测试,标注实际测得的结果。
填写流程在填写本表格时,需要进行以下流程:1.在验收日期栏填写压力管道验收的日期。
2.在验收单位栏填写验收压力管道的单位名称。
3.在管道标识号栏填写管道的唯一标识号码,在验收过程中应该与管道实际编号相符合。
4.在材质栏填写管道所使用的材料,例如钢管、镀锌钢管等。
5.在规格栏填写管道的规格大小。
6.在壁厚栏填写管道壁的厚度。
7.在焊口质量栏中检测管道各个焊口的合格情况,标注是否合格或不合格。
8.在蒸气密度栏中标注管道内以及周围的环境蒸气密度情况,标注是否符合验收标准。
9.在测压值栏中对管道进行压力测试,标注实际测得的结果。
注意事项1.在填写本表格时,应当认真核对管道的材质、规格和壁厚等信息,并进行正确的填写和记录。
2.在检测管道焊口质量时,应进行严格的验证和记录,并确保焊口的合格情况符合验收标准。
3.在标注管道蒸气密度情况时,需要对管道周围环境的蒸气密度等因素进行考虑。
4.在进行管道的压力测试时,需要使用专业的测量工具,并确保测得的结果准确无误。
本资料表格为压力管道验收提供了有效的记录和管理工具,将对压力管道验收的实施和监管提供有力保障。
在填写本表格时,需要认真核对各项信息,并严格按照验收标准进行操作和记录,确保数据的准确性和可靠性。
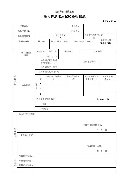
压力管道水压试验记录
操作工艺:
1、按设计规定的试验压力分层分系统进行水压试验。
当设计未注明时,各种材质的给水管道系统试验压力均为工作压力的1.5倍,但不得小于0.6MPa。
2、将试验管道末端封堵,缓慢注水,同时将管内气体排出。
3、水压试验的测试点应设在系统的最低点。
冬季低温无保温环境试压时,可采用压缩气体试验或其他防冻措施。
4、吊顶内给水管道、管道保温前及隐蔽在墙内、地面内的管道应在水压试验合格后方可进行隐蔽作业。
质量要求:
1、试验前,对试压管道应采取安全有效的固定和保护措施。
管道接头部位应明露。
2、水压试验合格后可进行后序土建施工。
水压试验时,应作好记录并经监理工程师确认,以备查或存档。
3、金属及复合管给水管道系统在试验压力下观测10min,压力降不应大于0.02MPa,然后降到工作压力进行检查,应不渗不漏;塑料管给水系统应在试验压力下稳压1h,压力降不得超过0.05MPa,然后在工作压力的1.15倍状态下稳经常会有人问小编市政工程功能性试验的问题,比如:功能性试验怎么做?都需要做什么资料?表格怎么填写等等。
所以小编决定针对这些问题写四期专题,分别从给水排水管道工程、给水排水管道构筑物工程、城镇供热管网工程以及城镇燃气输配工程来跟大家仔细聊聊功能性试验那些事儿!.压2h,压力降不得超过0.03MPa,同时检查各连接处不得渗漏。
管道试压检查记录一、检查概述管道试压检查是为了确保管道系统的安全性和可靠性,在管道安装完成后进行的一项重要工作。
本次试压检查旨在验证管道系统的密封性能和耐压能力,确保管道系统在正常运行条件下不会发生泄漏和爆破等安全问题。
二、检查对象本次试压检查的对象为新安装的XX管道系统,包括主管道、支管道、阀门、法兰连接等。
三、检查前准备1. 确保管道系统已完成安装,并按照设计要求进行了清洗和消毒;2. 检查管道系统的密封性能,包括阀门和法兰连接处的密封性;3. 准备试压设备,包括压力表、压力泵等。
四、试压步骤1. 开始试压前,将试压设备校准至设计压力,并记录校准结果;2. 挨次关闭管道系统的阀门,确保所有阀门处于关闭状态;3. 将试压设备连接至管道系统的进口端,并逐渐增加压力,直至达到设计压力;4. 在达到设计压力后,保持一定时间(通常为30分钟),观察管道系统是否有泄漏现象;5. 在试压过程中,使用泄漏检测仪器对管道系统进行全面检查,确保没有任何泄漏点;6. 完成试压后,逐渐减压,将管道系统压力降至零,并记录减压过程中的压力变化;7. 检查试压设备的准确性,确保试压结果的可靠性。
五、试压记录1. 试压日期:XXXX年XX月XX日;2. 试压设备:压力表型号、准确度等信息;3. 试压压力:设计压力、实际试压压力;4. 试压时间:达到设计压力的时间、保持压力的时间、减压时间;5. 泄漏检查结果:无泄漏点、有泄漏点的位置和数量;6. 试压设备校准结果:校准先后的压力偏差;7. 其他备注:如试压过程中的异常情况、处理措施等。
六、试压结果评估根据试压记录和泄漏检查结果,对管道系统的试压结果进行评估。
如果试压过程中没有发现泄漏点,且压力变化在允许范围内,说明管道系统具备良好的密封性能和耐压能力。
如果发现泄漏点或者压力变化超出允许范围,需要对问题进行排查和修复,并重新进行试压检查,直至达到要求为止。
七、安全注意事项1. 在试压过程中,严禁超过设计压力进行试压,以免造成管道系统的损坏;2. 试压过程中,要保持周围环境的通风良好,防止气体积聚造成安全隐患;3. 试压设备的使用和操作必须符合相关安全规范,确保操作人员的人身安全;4. 如发现试压过程中的异常情况,应即将住手试压,并采取相应的应急措施。
管道试压检查记录一、任务描述本次管道试压检查旨在确保管道系统的安全性和密封性,以及验证管道系统是否能够承受正常运行所需的压力。
二、检查对象本次试压检查的对象为位于XX工厂的XX管道系统。
三、检查内容及步骤1. 确定试压方案根据管道系统的设计要求和标准,制定试压方案,包括试压压力、试压介质、试压时间等。
2. 准备试压设备和工具确保试压设备和工具的完好性和准确性。
包括试压泵、压力表、温度计、密封胶带、管道夹具等。
3. 检查管道系统3.1 检查管道系统的安装质量,包括焊接、螺纹连接、密封等。
3.2 检查管道系统的支撑架构和固定情况,确保其稳定可靠。
3.3 检查管道系统的阀门、法兰和附件等部件的安装情况和密封性。
4. 进行试压4.1 在试压前,先将管道系统内的杂质、污物清除干净。
4.2 根据试压方案,逐段进行试压,确保每段管道系统都能承受相应的试压压力。
4.3 在试压过程中,记录试压压力、试压时间、温度等数据。
5. 观察检查5.1 在试压过程中,观察管道系统是否有漏水、渗漏、变形等情况。
5.2 检查管道系统的压力表、温度计等设备是否正常工作。
5.3 检查试压过程中的安全措施是否到位,如防护栏杆、警示标识等。
6. 试压结束6.1 当试压时间达到要求后,逐段减压,确保管道系统安全平稳地恢复正常工作状态。
6.2 检查试压过程中产生的废弃物和污水是否妥善处理。
四、试压结果记录试压结果记录应包括以下内容:1. 试压日期、时间、地点;2. 试压方案,包括试压压力、试压介质、试压时间等;3. 管道系统的检查情况,包括安装质量、支撑架构、阀门和附件等;4. 试压过程中的观察检查结果,包括漏水、渗漏、变形等情况;5. 试压过程中的数据记录,包括试压压力、试压时间、温度等;6. 试压结束后的处理情况,包括减压过程、废弃物和污水处理等。
五、安全注意事项1. 在试压过程中,必须严格遵守相关安全操作规程,佩戴个人防护装备,确保人员安全。