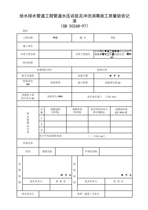
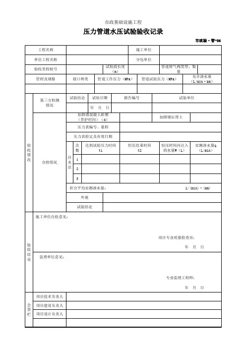
1、压力管道水压试验验收记录
- 格式:xls
- 大小:34.50 KB
- 文档页数:1
水压试验检验批质量验收记录一、项目背景为保证水压试验质量,确保设备安全可靠运行,按照相关要求,对水压试验进行了检验批质量验收。
二、验收目的本次验收的主要目的是确认水压试验工作是否按照相关规定执行,是否符合质量验收标准,以及整个过程中是否存在问题和不足。
三、验收人员本次质量验收的验收人员包括:1.项目负责人;2.施工单位质检人员;3.监理单位代表。
四、验收内容1.设备准备:检查水压试验设备的准备情况,包括水源、水泵、管道等设备的选择和安装是否符合要求,确认设备符合设计要求和施工文件要求。
2.设备检查:检查水压试验设备的运行情况,包括水泵、管道等设备是否正常工作,是否存在泄漏、堵塞等问题,确认设备运行正常。
3.压力测试:进行水压力测试,按照设计要求进行连续工作时间和逐渐增加压力等环节,记录测试过程中的压力、时间和电流等数据。
4.压力保持:进行压力保持测试,确认设备是否能够在一定时间内保持稳定的压力状态,记录测试过程中的压力波动情况和保持时间。
5.泄漏检测:进行泄漏检测,检查设备是否存在泄漏,包括管道连接处、阀门密封处等部位,记录泄漏点和泄漏程度。
6.设备性能:对设备的性能进行评估,包括流量、压力等指标是否符合设计要求,记录设备性能情况和评估结果。
五、验收结论根据以上验收内容的实施和检测结果,对水压试验的质量进行总体评估,得出以下结论:1.设备准备情况良好,符合要求;2.设备运行正常,无泄漏和堵塞情况;3.压力测试和保持测试结果正常,设备能够满足设计要求;4.泄漏检测结果符合要求,设备密封性良好;5.设备性能评估符合设计要求,能够满足使用需要。
六、存在问题和不足经过验收的过程中,发现以下问题和不足:1.在压力测试过程中,部分压力计读数不准确,需要及时更换或校正;2.压力保持测试中发现部分阀门密封不严,需要进一步检查和处理;3.从泄漏检测结果来看,设备的泄漏情况较小,但仍需进一步加强管道连接处和阀门的密封性;4.在设备性能评估中,流量和压力指标有些偏差,需要对设备进行进一步调试和优化。
室内采暖系统水压试验及调试检验批质量验收记录一、背景和目的为确保室内采暖系统的正常运行和使用安全,依据相关标准和规范,对系统进行水压试验及调试检验批质量验收。
二、验收范围本次质量验收范围包括室内采暖系统的液压试验和调试。
三、检验依据和方法按照国家相关标准以及建筑行业规范的要求进行。
四、验收内容和结果记录1.检验准备在验收前,需做好准备工作,包括准备检验材料、检测仪器和设备,并对其进行校验、检修和清洗。
2.液压试验进行液压试验前,先检查安全阀、排污阀等是否安装正确,并检查系统的密封性能。
然后,按照设计要求进行液压试验,记录测试结果。
3.调试检验对室内采暖系统的各个部分进行调试检验,包括热水管道、散热器、供暖设备等。
通过调整控制参数和检查设备运行情况,确保系统正常运行。
记录各项指标和参数的调整情况。
4.异常处理如果在测试过程中出现异常情况,需及时处理并记录处理过程和结果。
5.相关报告和文件将测试和检验结果整理成报告和文件,包括系统运行参数、设备情况、调试结果等。
五、质量验收结论依据室内采暖系统的液压试验和调试检验批的结果,结合相关标准和规范进行评估,可以得出系统是否合格的结论。
六、质量验收不合格处理若室内采暖系统的液压试验和调试检验批结果不合格,应及时进行整改和处理,并重新进行质量验收。
七、质量验收记录归档质量验收记录应进行归档保存,以备日后检验和追溯。
以上为室内采暖系统水压试验及调试检验批质量验收记录。
通过本次验收,对系统的正常运行和使用安全进行了保障。
同时,也为日后的维护和管理提供了依据。
室内给水管道水压试验记录作者:[用户姓名]日期:[日期]本文档记录了对室内给水管道的水压试验过程和结果。
通过测试,评估管道系统的安全性和稳定性,以提供可靠的给水服务。
1. 背景介绍室内给水管道是建筑物中供应给水的重要组成部分。
为确保给水系统的质量和安全性,需要对供水管道进行水压试验。
本文档记录了测试过程中的步骤、参数和结果,用于评估管道系统的可靠性。
2. 水压试验前准备工作在进行水压试验之前,需要做一些准备工作,以确保测试的准确性和可靠性。
2.1 管道系统检查在测试之前,应对管道系统进行全面的检查,确保所有管道连接牢固、没有漏水或损坏。
2.2 压力表校准校准压力表是保证测试结果准确的关键步骤。
在测试之前,应确保压力表的准确性,并进行必要的校准。
2.3 水源准备准备测试所需的水源,可使用自来水或外部水源。
确保水源的供应充足且清洁,以避免对管道系统造成不必要的污染。
2.4 安全措施测试过程中需要注意安全,包括佩戴防护手套和眼镜,避免水压过高导致管道破裂等意外情况。
3. 水压试验步骤3.1 封闭系统关闭所有与测试系统相关的阀门,并确保所有开口均已密封。
确保测试范围内的管道系统与其他管道系统有效隔离。
3.2 增加水压通过逐渐打开水源阀门,增加系统水压。
可以根据需要逐步增加水压,直到达到预定的测试压力。
在增加水压的过程中,仔细观察管道系统是否有任何异常,如漏水或震动等。
3.3 维持压力当达到预定的测试压力后,保持水压稳定,并持续观察管道系统的状况。
在稳定状态下,记录测试压力和持续时间。
3.4 压力释放测试完成后,逐渐减小水压,将系统恢复到正常工作状态。
确保系统完全压力释放并恢复正常后,进行下一步处理。
4. 测试结果分析根据测试记录和观察结果,对供水管道系统的质量和安全性进行分析。
4.1 压力保持情况观察记录测试期间水压的保持情况。
如果测试压力持续稳定,且无明显下降,说明管道系统密封良好,无明显泄漏。
4.2 管道异常情况观察记录测试过程中是否出现异常情况,如漏水、破裂或异响等。
管道系统压力试验记录管道安装完毕,应对管道系统进行压力试验。
压力试验包括水压试验、气压试验和气密性试验等。
试验的目的是检查设备或管道的强度和密封性能。
试验一般在制作安装完工后,按规定进行。
按试验时使用的介质可分为液压试验和气压试验两种。
管道水压试验时,承受内压的钢管道及有色金属管道的试验压力应为设计压力的l。
5倍,埋地钢管道的试验压力应为设计压力的1.5倍,且不得低于0. 4MPa。
管道气压试验时,承受内压钢管没有色金属管的试验压力应为设计压力的1.15倍,真空管道的试验压力应为0. 2MPa。
1、低压管道:公称压力不超过2.5MPa2、中压管道:公称压力4-6.4MPa3、高压管道:公称压力10-100MPa4、超高压管道:公称压力超过100MPa压力管道是指所有承受内压或外压的管道,无论其管内介质如何。
压力管道是管道中的一部分,管道是用以输送、分配、混合、分离、排放、计量、控制和制止流体流动的,由管子、管件、法兰、螺栓连接、垫片、阀门、其他组成件或受压部件和支承件组成的装配总成。
检测标准:对压力管道的检验检测工作包括:外观检验、测厚、无损检测、硬度测定、金相、耐压试验等。
而磁粉检测则是无损检测一种经常使用的方法。
磁粉检测的能力不仅与施加磁场强度的大小有关,还与缺陷的方向、缺陷的深宽比、缺陷的形状、工件的外形、尺寸和表面状态及可能产生缺陷的部位有关。
因此就有各种不同的磁化方法。
管道特点:1、压力管道是一个系统,相互关联相互影响,牵一发而动全身。
2、压力管道长径比很大,极易失稳,受力情况比压力容器更复杂。
压力管道内流体流动状态复杂,缓冲余地小,工作条件变化频率比压力容器高(如高温、高压、低温、低压、位移变形、风、雪、地震等都有可能影响压力管道受力情况)。
3、管道组成件和管道支承件的种类繁多,各种材料各有特点和具体技术要求,材料选用复杂。
4、管道上的可能泄漏点多于压力容器,仅一个阀门通常就有五处。
压力管道水压试验(注水法)记录表
1. 试验对象
试验对象名称规格型号数量材质
压力管道89mm 50 Q235
2. 试验设备
设备名称规格型号数量
试验泵50m³/h 1
压力表0-2MPa 2
3. 试验方案
3.1 试验前准备
1.对试验设备进行检查和校验,保证其正常使用;
2.对试验管路进行冲洗,确保管路内不留有杂质;
3.试验前对试验管道进行检查,检查管道是否有损坏、腐蚀和泄漏等情
况;
4.根据管道直径、长度和压力等参数确定试验压力。
3.2 试验步骤
1.将试验管道两端与试验泵连接,并确保连接紧密;
2.将试验管道的空气排出,直到管道内只有液体,然后关闭进水阀;
3.打开试验泵,让水流入管道内,直到管道内充满水,并保持一段时间,
以确保管道内水均匀稳定,然后关闭试验泵;
4.记录管道内的压力值,并观察管道是否存在漏水和变形等情况。
5.根据试验数据,判断试验是否合格。
4. 试验记录
试验时间试验压力(MPa) 试验结果备注
2021/8/1 1.0 合格
2021/8/2 2.0 合格
2021/8/3 2.5 合格
2021/8/4 2.8 不合格存在漏水
5. 试验
经试验,管道在试验压力为1.0MPa、2.0MPa、2.5MPa时均达到要求,试验结果合格。
但在试验压力为2.8MPa时,管道存在漏水问题,试验结果不合格。
建议进行修复后重新试验。
给水管道系统试水打压试验记录工程名称施工单位
监理单位试验日期年月日
材质、规格试验部位
工作压力0.4Mpa 试验压力0.63Mpa
试验介质水环境温度
试验要求:
本系统为PVC-U给水管道系统,按设计要求,试验压力应为工作压力的1..5倍,设计工作压力为0.4Mpa
试验记录:
试验压力表设在管道入口处一块,水压泵亦设在入口,因本次试压力为地下管道试压,按设计给出的试验压力进行试压,即注水处试验压力为0.63Mpa。
首先用自来水向管道充水,待管道充满水后,开始打压,待达到工
作压力0.4Mpa后,检查管道无遗漏。
继续加压升至0.63Mpa,再继续观察60min压力降压为0Mpa。
结
论管沟内给水管道水压试压符合设计要求
参
加人签字建设单位监理单位
施工单位
技术负责人质检员操作人员施工员
欢迎共阅。
给水管道系统试水打压试验记录工程名称
施工单位
监理单位试验日期年月日
材质、规格试验部位
工作压力0.4Mpa 试验压力0.63Mpa
试验介质水环境温度
试验要求:
本系统为PVC-U给水管道系统,按设计要求,试验压力应为工作压力的1..5倍,设计工作压力为0.4Mpa
试验记录:
试验压力表设在管道入口处一块,水压泵亦设在入口,因本次试压力为地下管道试压,按设计给出的试验压力进行试压,即注水处试验压力为0.63Mpa。
首先用自来水向管道充水,待管道充满水后,开始打压,待达到工作压力0.4Mpa后,检查管道无遗漏。
继续加压升至0.63Mpa,再继续观察60min压力降压为0Mpa。
结
论管沟内给水管道水压试压符合设计要求
参
加人签字建设单位监理单位
施工单位
技术负责人质检员操作人员施工员。