附着式升降脚手架首次安装完毕及使用前检查验收表
- 格式:doc
- 大小:85.00 KB
- 文档页数:8
附着式升降脚手架(整体提升架或爬架)验收表 NO 6
注:此表用于架体安装后或架体每升降一次后的验收记录。
安全生产十项注意事项:
一、工作前穿戴好规定的劳动防护品,检查设备及作业场地,做到安全可靠。
二、不违章作业,并监督制止他人违章作业。
三、不准擅自开动别人操作的机械,电器开关设备。
登高作业应戴好安全带、安全帽、并有专人监护、防止坠落,严禁向下乱抛工具和设备零件。
四、不准随便拆除各种安全防护装置、信号标志、仪表及专指示器等。
保持设备齐全有效灵敏可靠。
五、不准随意启动设备。
机器设备停机检查或修理时,应切断电源并悬挂警示牌,取牌人应是挂牌人。
开机时发出信号,听到回音确定安全后才能开机。
六、不准吊装物及下行人。
多人操作起重搬运要统一指挥,密切配合。
不准超负荷使用机器。
七、不在易燃物品附近吸烟动火,不乱扔垃圾。
八、不在厂内无证驾驶机动车辆,机动车进出车间转弯必须鸣号减速。
车辆行驶中严禁爬上跳下。
九、工作时精力集中,不准打闹、赤脚、赤膊、穿拖鞋和高跟鞋。
十、上班时间不准怠工、滋事、脱岗或擅离职守。
有事请假经领导批准后方可离开岗位。
附着式升降脚手架验收表项目名称:附着式升降脚手架安装工程验收一、起重设备1.附着式升降脚手架是否满足相关国家安全标准?2.附着式升降脚手架的起重设备是否符合使用要求?3.附着式升降脚手架的起重设备是否符合国家标准?二、安全防护措施1.附着式升降脚手架是否设置了防护装置?2.防护装置是否稳定可靠、安装牢固?3.防护装置是否符合国家标准?4.防护装置是否阻挡墙体外侧的工人坠落?三、安全防护措施使用情况1.附着式升降脚手架的防护装置是否被正确使用?2.工人是否正确佩戴安全带并正确固定?四、结构稳定性1.附着式升降脚手架是否稳定?2.附着式升降脚手架的支撑条件是否符合要求?3.附着式升降脚手架是否有倾斜或不稳定的情况?五、设备质量1.附着式升降脚手架的组件是否符合国家标准?2.附着式升降脚手架的材料质量是否符合要求?3.附着式升降脚手架是否经过质检?六、施工现场1.附着式升降脚手架的施工现场是否符合相关安全要求?2.施工现场是否设置了警示标志?七、使用期限1.附着式升降脚手架的使用期限是否符合国家标准?2.附着式升降脚手架的使用期限是否超过了设计要求?八、保养维护1.附着式升降脚手架的保养维护是否合格?2.附着式升降脚手架是否经过定期检查和维护?九、使用人员资质1.使用附着式升降脚手架的人员是否具备相关证书和资质?十、结论和建议根据以上检查结果,附着式升降脚手架是否符合相关标准和要求,如果不符合,需要指出问题所在,并提出改进的建议。
同时,需要对检查结果进行总结,评估附着式升降脚手架的安全性和可靠性,并提出验收结论。
文档内容要求完整,以上为初稿,具体内容可以根据实际情况进行调整和完善,确保所有的要点都被覆盖到。
同时,为了保证文档的质量,需要对每个问题进行详细描述,包括具体检查方法、检查结果和评估依据等。
除了文字描述外,可以附上相关照片和资料作为补充,以提供更直观的证据和信息。
总结:。
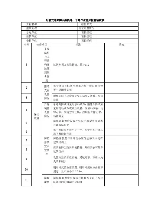
附着式脚手架检查验收表工程名称安装单位安装地点安装时间年月日-年月日规格型号设计荷载承重架装饰架升降状态Kn/m2 Kn/m2 Kn/m2序号检查项目内容标准检查结果一使用条件1、产品持有建设部发放的生产许可证、使用许可证和产品合格证,以及当地安监部门颁发的准用证。
2、有专项施工组织设并经上级技术部门审批。
3、有相关工种的操作规程。
二设计计算1、设计计算书经上级技术部门审批。
2、设计荷载符合要求。
3、压杆长细比<=150,受拉杆件长细比<=300。
4、主框架(绗架)支撑框架的各节点的各杆件轴线应交汇于一点。
5、有完整的制作安装图。
三架体构造1、主框架须定型为焊接或螺栓连接。
2、支撑框架(绗架)须定型焊接或螺栓连接。
3、荷载通过主框架间脚手立杆传递到绗架上。
4、架体应按规定构造搭设。
5、架体上部悬臂部分不大于架体高度的1/3,且不能超过4.5m。
6、支撑框架须以主框架作为支座。
四附着支撑1、主框架须与楼层设置连接点。
2、钢挑梁应与预埋钢筋环作严密连接。
3、钢挑梁上的螺栓与墙体应符合规定连接牢固。
4、钢挑梁的焊接须符合要求。
五升降装1、设置同步升降装置,起同步升降作用。
2、索具、吊具安全系数>=6。
3、两个以上吊点升降时,不得使用手拉葫芦。
置4、升降时架体的附着支撑装置不得少于二个。
5、升降时架体上不准站人。
六防坠导向防倾斜装置1、防坠落装置设在与架体升降的同一附着支撑上,且须有二以上。
防坠装置必须安装在主框架部位,必须的两处附着支撑结构。
2、防倾斜装置起垂直导向和防止左右、前后倾斜的作用。
七控制电路1、设有专用电柜(配电箱0,应有门锁、门内应有原理图和线路图、操作指示及有关标志。
2、每个操作控制点上均应设置能断开总电源的紧急断电开关。
3、配电箱、控制盘上所有的导线连接端部应有准确、清楚的标记,且与电气布线图一致。
八脚手板1、脚手板应铺设严密牢固。
2、脚手板距离墙体空隙要密封牢固。
附着式升降脚手架首次安装完毕及使用前检查验收表注1:表中项目编号打*的为保证项目,其他为一般项目。
注2:要求量化的参数按实测数据填在检验结果中,无实测数据的填写观测到的状况。
注3:结论的填写:“合格”用“Y”代表,“不合格”用“x”代表,“无此项”用“/”代表。
注4:复检时,复检合格的,结论中填入“复检合格”;复检不合格的,检验机构需将检验结果报告当地建筑安全生产监督管理部门。
附着式升降脚手架提升通知________________________ 项目部我工程处电动升降脚手架按照贵项目部施工进度安排第层至第层的提升下降准备工作全部就绪可与年月日时至___________________________________ 时间进行提升一下降,请贵部进行验收,并通知其他施工人员,同时将架体上其它建筑材料卸下(垃圾清除),将影响提升一下降障碍物和楼面1米范围内的建筑材料清除干净。
设置安全区,确保提升一下降安全。
谢谢合作!工程处:年月日项目部意见:负责人:日期:监理方意见:负责人:日期:注:1、该表须经签字同意方可进入提升下降工作程序。
2、该表一式三份。
一份公司存档、一份交甲方项目部、一份交监理单位。
附着式升降脚手架下降通知________________________ 项目部我工程处电动升降脚手架按照贵项目部施工进度安排第层至第层的提升下降准备工作全部就绪可与年月日时至____________________________________ 时间进行提升一下降,请贵部进行验收,并通知其他施工人员,同时将架体上其它建筑材料卸下(垃圾清除),将影响提升一下降障碍物和楼面1米范围内的建筑材料清除干净。
设置安全区,确保提升一下降安全。
谢谢合作!工程处:年月日项目部意见:负责人:日期:监理方意见:负责人:日期:注:1、该表须经签字同意方可进入提升下降工作程序。
2、该表一式三份。
一份公司存档、一份交甲方项目部、一份交监理单位。