接触网平面图图例
- 格式:doc
- 大小:199.16 KB
- 文档页数:7
序号名称图例备注1
腕臂柱
2 桥钢柱
3 常闭隔离开关
4 无补偿下锚
5 全补偿下锚
6 关节电连接
7 双拉线
8 单拉线
9 吸上线
10 接地极
11 防窜中心锚结
12 防断中心锚结
13 电化的正线
14 腕臂柱
15 桥钢柱
16 避雷器
17 手动隔离开关
18 电动隔离开关
19 区间横向电连
接
20 钢柱硬横跨
21 钢柱软横跨
22
电化股道23 非电化股道
24 回流线
25 架空地线下锚
26
架空地线27 回流线下锚
28 回流线对向下
锚
29 百米标
30 公里标
31 拉出值及拉出
值方向32 手动常闭隔离
开关
33 禁止V停
34 单线腕臂钢筋
混凝土支柱35 分段绝缘子串
36 电分段
37 避雷器
38 信号机
39 道岔号
40 跨距
41 中心锚结
42 站场曲线
43 接触悬挂下锚
44 小桥、涵洞、跨
线桥、框架桥45 非绝缘锚段关
节
46 绝缘锚段关节。
第一节接触网平面布置图
接触网平面布置图是接触网施工的主要依据,它以图例的形式,反映了接触网布置情况,铁路线路情况,沿线地质情况,接触网设备的种类、类型、数量及其安装位置等。
接触网平面布置图由接触网布置平面图、表格栏、材料统计表、说明、图标等部分内容,如附图《接触网平面布置图》。
接触网平面布置图分为站场平面布置图、区间平面布置图、隧道平面布置图。
一、接触网图例
在接触网平面布置图中,将铁路线路及设备、接触网布置等用规定的图例符号来表示,其内容如表4-1-1所示。
接触网图例
表4-1-1
、符号中所注尺寸均以
、规定符号见下表。
符号。
接触网施工图例接触网施工图是接触网工程的重要文件,由设计部门通过初步设计和施工设计来完成。
它表达了接触网的技术特点和性能、设备种类和型号、工程数量、零件构造及材料等。
施工图是接触网施工的依据,也是运营管理的重要资料。
接触网施工图包括接触网平面布置图、接触网安装图、接触网零件图等。
平面图上标出了接触网支持装置、设备、附加悬挂〔回流线、架空地线等〕等的安装图号,从相应的安装图中可查出安装形式、使用的零、部件名称及规格,零、部件的具体形状构造及规格从零件图中能够确定。
一、接触网平面布置图接触网平面布置图是接触网施工的主要依据,它以图例的形式,反映了接触网布置情况,铁路线路情况,沿线地质情况,接触网设备的种类、类型、数量及其安装位置等。
接触网平面布置图由接触网布置平面图、表格栏、材料统计表、说明、图标等局部容,如附图?接触网平面布置图?。
接触网平面布置图分为站场平面布置图、区间平面布置图、隧道平面布置图。
二、接触网图例在接触网平面布置图中,将铁路线路及设备、接触网布置等用规定的图例符号来表示,其容如表4-1-1所示。
接触网图例表4-1-11、本标准适用于一般的站场及区间接触网平面;2、本标准采用的线条宽度规定为以下三种:〔1〕粗型宽度为0.9mm〔2〕中型宽度为0.6mm〔3〕细型宽度为0.3mm3、符号中所注尺寸均以mm计,适用于比例尺1:1000及1:2000的接触网平面;4、规定符号见下表。
序号名称符号1 电化的正线〔区间图中允许用中型线条〕2 电化的站线及段管线等3 非电化既有线路序号名称符号4 预留线路5 接触悬挂非工作支,供电线及分区亭引出线6 加强线7 回流线8 正馈线〔AF线〕9 保护线〔PW线〕10 架空地线〔GW线〕11 接触线硬锚,供电线及分区亭引出线下锚12 承力索硬锚13 接触线补偿下锚14 承力索补偿下锚15 链形悬挂硬锚16 半补偿链形悬挂下锚17 全补偿链形悬挂下锚18 加强线下锚19 回流线下锚20 正馈线〔AF线〕下锚21 保护线〔PW线〕下锚22 架空地线〔GW线〕下锚23 区间曲线及头尾:R—曲线半径(m) L—曲线全长(m) —缓和曲线长(m)序号名称符号24 站场曲线及头尾:R—曲线半径(m) L—曲线全长(m) —缓和曲线长(m)25 拉出值300mm,书写位置即为拉出方向;也可不注“300〞,用半箭头表示,箭头指向即为拉出方向26 拉出值150mm〔除“300〞允许用半箭头表示,其余均应写出数值〕,书写位置即为拉出方向27 区间单线腕臂钢筋混凝土柱28 区间单线腕臂钢柱29 站场单线腕臂钢筋混凝土柱30 站场单线腕臂钢柱31 站场单线定位钢筋混凝土柱32 站场双线腕臂钢柱33 站场钢筋混凝土柱软横跨34 站场钢柱软横跨35 站场钢柱硬横跨36 非绝缘锚段关节37 绝缘锚段关节38 半补偿链形悬挂中心锚结、简单悬挂中心锚结39 区间全补偿链形悬挂中心锚结40 站场全补偿链形悬挂中心锚结〔虚线为锚结绳〕41 分段绝缘子串42 分段绝缘器序号名称符号43 分相绝缘器44 股道间电连接45 常分隔离开关46 常合隔离开关47 常分的带接地闸刀的隔离开关48 常合的带接地闸刀的隔离开关49 管形避雷器50 区间隧道51 站场隧道52 隧道非绝缘关节〔全补偿链形悬挂下锚〕53 隧道绝缘关节〔全补偿链形悬挂下锚〕54 上承式桥梁及设计电化线路在上面的立交桥、拱桥等55 下承式栓焊桥梁56 小桥、涵洞57 设计电化线路在下面的立交桥58 架空水槽、水管序号名称符号59 天桥60 地道61 渗沟62 雨棚63 仓库64 站房65 路肩挡墙66 托盘式路基墙67 有限界门的平交道68 区间长〔短〕链标记69 回流线跨越接触悬挂70 吸上线位置71 吸流变压器72 水鹤73 进站高柱色灯信号机74 通过高柱色灯信号机75 区间公里标76 机车检查坑77 接触网起测点78 接触网工区序号名称符号79 区间横向电连接80 扼流变压器81 AT区段双极隔离开关82 AT区段区间AF、PW线在钢柱悬挂83 AT区段站场AF、PW线在钢筋混凝土柱悬挂84 AT区段区间AF、PW线在钢筋混凝土柱悬挂85 架空线在站场钢筋混凝土柱悬挂86AT区段AF、PW线在钢筋混凝土支柱下锚表示馈线第一锚段;1AF:2380.00—1AF2380.00表示锚段长度表示保护线第一锚段;1PW:2380.00—1PW2380.00表示锚段长度87接触悬挂锚段下锚4:表示锚段号1286.08:表示锚段长度〔m〕88 道岔编号及型号89 跨距长度〔m〕6590 土壤安息角30°91 土壤承压力〔MPa〕20092 火花间隙93 放电器94 接地极。
接触网施工图例接触网施工图是接触网工程的重要文件,由设计部门通过初步设计和施工设计来完成。
它体现了接触网的技术特点和性能、设备种类和型号、工程数量、零件构造及材料等。
施工图是接触网施工的依据,也是运营管理的重要资料。
接触网施工图包括接触网平面布置图、接触网安装图、接触网零件图等。
平面图上标出了接触网支持装置、设备、附加悬挂(回流线、架空地线等)等的安装图号,从相应的安装图中可查出安装形式、使用的零、部件名称及规格,零、部件的具体形状结构及规格从零件图中能够确定。
一、接触网平面布置图接触网平面布置图是接触网施工的主要依据,它以图例的形式,反映了接触网布置情况,铁路线路情况,沿线地质情况,接触网设备的种类、类型、数量及其安装位置等。
接触网平面布置图由接触网布置平面图、表格栏、材料统计表、说明、图标等部分内容,如附图《接触网平面布置图》。
接触网平面布置图分为站场平面布置图、区间平面布置图、隧道平面布置图。
二、接触网图例在接触网平面布置图中,将铁路线路及设备、接触网布置等用规定的图例符号来表示,其内容如表4-1-1所示。
接触网图例表4-1-11、本标准适用于一般的站场及区间接触网平面;2、本标准采用的线条宽度规定为以下三种:(1)粗型宽度为0.9mm(2)中型宽度为0.6mm(3)细型宽度为0.3mm3、符号中所注尺寸均以mm计,适用于比例尺1:1000及1:2000的接触网平面;4、规定符号见下表。
序号名称符号1 电化的正线(区间图中允许用中型线条)2 电化的站线及段管线等3 非电化既有线路序号名称符号4 预留线路5 接触悬挂非工作支,供电线及分区亭引出线6 加强线7 回流线8 正馈线(AF线)9 保护线(PW线)10 架空地线(GW线)11 接触线硬锚,供电线及分区亭引出线下锚12 承力索硬锚13 接触线补偿下锚14 承力索补偿下锚15 链形悬挂硬锚16 半补偿链形悬挂下锚17 全补偿链形悬挂下锚18 加强线下锚19 回流线下锚20 正馈线(AF线)下锚21 保护线(PW线)下锚22 架空地线(GW线)下锚23 区间曲线及头尾:R—曲线半径(m) L—曲线全长(m) l—缓和曲线长(m)序号名称符号24 站场曲线及头尾:R—曲线半径(m) L—曲线全长(m) l—缓和曲线长(m)25 拉出值300mm,书写位置即为拉出方向;也可不注“300”,用半箭头表示,箭头指向即为拉出方向26 拉出值150mm(除“300”允许用半箭头表示,其余均应写出数值),书写位置即为拉出方向27 区间单线腕臂钢筋混凝土柱28 区间单线腕臂钢柱29 站场单线腕臂钢筋混凝土柱30 站场单线腕臂钢柱31 站场单线定位钢筋混凝土柱32 站场双线腕臂钢柱33 站场钢筋混凝土柱软横跨34 站场钢柱软横跨35 站场钢柱硬横跨36 非绝缘锚段关节37 绝缘锚段关节38 半补偿链形悬挂中心锚结、简单悬挂中心锚结39 区间全补偿链形悬挂中心锚结40 站场全补偿链形悬挂中心锚结(虚线为锚结绳)41 分段绝缘子串42 分段绝缘器序号名称符号43 分相绝缘器44 股道间电连接45 常分隔离开关46 常合隔离开关47 常分的带接地闸刀的隔离开关48 常合的带接地闸刀的隔离开关49 管形避雷器50 区间隧道51 站场隧道52 隧道内非绝缘关节(全补偿链形悬挂下锚)53 隧道内绝缘关节(全补偿链形悬挂下锚)54 上承式桥梁及设计电化线路在上面的立交桥、拱桥等55 下承式栓焊桥梁56 小桥、涵洞57 设计电化线路在下面的立交桥58 架空水槽、水管序号名称符号59 天桥60 地道61 渗沟62 雨棚63 仓库64 站房65 路肩挡墙66 托盘式路基墙67 有限界门的平交道68 区间长(短)链标记69 回流线跨越接触悬挂70 吸上线位置71 吸流变压器72 水鹤73 进站高柱色灯信号机74 通过高柱色灯信号机75 区间公里标76 机车检查坑77 接触网起测点78 接触网工区序号名称符号79 区间横向电连接80 扼流变压器81 AT区段双极隔离开关82 AT区段区间AF、PW线在钢柱悬挂83 AT区段站场AF、PW线在钢筋混凝土柱悬挂84 AT区段区间AF、PW线在钢筋混凝土柱悬挂85 架空线在站场钢筋混凝土柱悬挂86 AT区段AF、PW线在钢筋混凝土支柱下锚AF1—2380.00:AF1表示馈线第一锚段;2380.00表示锚段长度PW1—2380.00:PW1表示保护线第一锚段;2380.00表示锚段长度87 接触悬挂锚段下锚4:表示锚段号1286.08:表示锚段长度(m)88 道岔编号及型号38589 跨距长度(m)6590 土壤安息角30°91 土壤承压力(MPa)20092 火花间隙93 放电器94 接地极。
接触网施工图例接触网施工图是接触网工程的重要文件,由设计部门通过初步设计和施工设计来完成。
它体现了接触网的技术特点和性能、设备种类和型号、工程数量、零件构造及材料等。
施工图是接触网施工的依据,也是运营管理的重要资料。
接触网施工图包括接触网平面布置图、接触网安装图、接触网零件图等。
平面图上标出了接触网支持装置、设备、附加悬挂(回流线、架空地线等)等的安装图号,从相应的安装图中可查出安装形式、使用的零、部件名称及规格,零、部件的具体形状结构及规格从零件图中能够确定。
一、接触网平面布置图接触网平面布置图是接触网施工的主要依据,它以图例的形式,反映了接触网布置情况,铁路线路情况,沿线地质情况,接触网设备的种类、类型、数量及其安装位置等。
接触网平面布置图由接触网布置平面图、表格栏、材料统计表、说明、图标等部分内容,如附图《接触网平面布置图》。
接触网平面布置图分为站场平面布置图、区间平面布置图、隧道平面布置图。
二、接触网图例在接触网平面布置图中,将铁路线路及设备、接触网布置等用规定的图例符号来表示,其内容如表4-1-1所示。
接触网图例表4-1-11、本标准适用于一般的站场及区间接触网平面;2、本标准采用的线条宽度规定为以下三种:(1)粗型宽度为(2)中型宽度为(3)细型宽度为3、符号中所注尺寸均以mm计,适用于比例尺1:1000及1:2000的接触网平面;4、规定符号见下表。
序号名称符号1电化的正线(区间图中允许用中型线条)2电化的站线及段管线等3非电化既有线路序号名称符号4预留线路5接触悬挂非工作支,供电线及分区亭引出线6加强线7回流线8正馈线(AF线)9保护线(PW线)10架空地线(GW线)11接触线硬锚,供电线及分区亭引出线下锚12承力索硬锚13接触线补偿下锚14承力索补偿下锚15链形悬挂硬锚16半补偿链形悬挂下锚17全补偿链形悬挂下锚18加强线下锚19回流线下锚20正馈线(AF线)下锚21保护线(PW线)下锚22架空地线(GW线)下锚23区间曲线及头尾:l序号名称符号24站场曲线及头尾:R—曲线半径(m) L—曲线全长(m) l—缓和曲线长(m)25拉出值300mm,书写位置即为拉出方向;也可不注“300”,用半箭头表示,箭头指向即为拉出方向26拉出值150mm(除“300”允许用半箭头表示,其余均应写出数值),书写位置即为拉出方向27区间单线腕臂钢筋混凝土柱28区间单线腕臂钢柱29站场单线腕臂钢筋混凝土柱30站场单线腕臂钢柱31站场单线定位钢筋混凝土柱32站场双线腕臂钢柱33站场钢筋混凝土柱软横跨34站场钢柱软横跨35站场钢柱硬横跨36非绝缘锚段关节37绝缘锚段关节38半补偿链形悬挂中心锚结、简单悬挂中心锚结39区间全补偿链形悬挂中心锚结40站场全补偿链形悬挂中心锚结(虚线为锚结绳)41分段绝缘子串42分段绝缘器序号名称符号43分相绝缘器44股道间电连接45常分隔离开关46常合隔离开关47常分的带接地闸刀的隔离开关48常合的带接地闸刀的隔离开关49管形避雷器50区间隧道51站场隧道52隧道内非绝缘关节(全补偿链形悬挂下锚)53隧道内绝缘关节(全补偿链形悬挂下锚)54上承式桥梁及设计电化线路在上面的立交桥、拱55下承式栓焊桥梁56小桥、涵洞57设计电化线路在下面的立交桥58架空水槽、水管序号名称符号59天桥60地道61渗沟62雨棚63仓库64站房65路肩挡墙66托盘式路基墙67有限界门的平交道68区间长(短)链标记69回流线跨越接触悬挂70吸上线位置71吸流变压器72水鹤73进站高柱色灯信号机74通过高柱色灯信号机75区间公里标76机车检查坑77接触网起测点78接触网工区序号名称符号79区间横向电连接80扼流变压器81AT区段双极隔离开关82AT区段区间AF、PW线在钢柱悬挂83AT区段站场AF、PW线在钢筋混凝土柱悬挂84AT区段区间AF、PW线在钢筋混凝土柱悬挂85架空线在站场钢筋混凝土柱悬挂86AT区段AF、PW线在钢筋混凝土支柱下锚AF1—:AF1表示馈线第一锚段;表示锚段长度PW—:PW表示保护线第一锚段;87接触悬挂锚段下锚4:表示锚段号:表示锚段长度(m)88道岔编号及型号38589跨距长度(m)65 90土壤安息角 30°91土壤承压力(MPa)200 92火花间隙93放电器94接地极。
接触网施工图例接触网施工图是接触网工程的重要文件,由设计部门通过初步设计和施工设计来完成。
它体现了接触网的技术特点和性能、设备种类和型号、工程数量、零件构造及材料等。
施工图是接触网施工的依据,也是运营管理的重要资料。
接触网施工图包括接触网平面布置图、接触网安装图、接触网零件图等。
平面图上标出了接触网支持装置、设备、附加悬挂(回流线、架空地线等)等的安装图号,从相应的安装图中可查出安装形式、使用的零、部件名称及规格,零、部件的具体形状结构及规格从零件图中能够确定。
一、接触网平面布置图接触网平面布置图是接触网施工的主要依据,它以图例的形式,反映了接触网布置情况,铁路线路情况,沿线地质情况,接触网设备的种类、类型、数量及其安装位置等。
接触网平面布置图由接触网布置平面图、表格栏、材料统计表、说明、图标等部分内容,如附图《接触网平面布置图》。
接触网平面布置图分为站场平面布置图、区间平面布置图、隧道平面布置图。
二、接触网图例在接触网平面布置图中,将铁路线路及设备、接触网布置等用规定的图例符号来表示,其内容如表4-1-1所示。
接触网图例表4-1-11、本标准适用于一般的站场及区间接触网平面;2、本标准采用的线条宽度规定为以下三种:(1)粗型宽度为0.9mm(2)中型宽度为0.6mm(3)细型宽度为0.3mm3、符号中所注尺寸均以mm计,适用于比例尺1:1000及1:2000的接触网平面;4、规定符号见下表。
序号名称符号1 电化的正线(区间图中允许用中型线条)2 电化的站线及段管线等3 非电化既有线路序号名称符号4 预留线路5 接触悬挂非工作支,供电线及分区亭引出线6 加强线7 回流线8 正馈线(AF线)9 保护线(PW线)10 架空地线(GW线)11 接触线硬锚,供电线及分区亭引出线下锚12 承力索硬锚13 接触线补偿下锚14 承力索补偿下锚15 链形悬挂硬锚16 半补偿链形悬挂下锚17 全补偿链形悬挂下锚18 加强线下锚19 回流线下锚20 正馈线(AF线)下锚21 保护线(PW线)下锚22 架空地线(GW线)下锚23 区间曲线及头尾:R—曲线半径(m) L—曲线全长(m) l—缓和曲线长(m)序号名称符号24 站场曲线及头尾:R—曲线半径(m) L—曲线全长(m) l—缓和曲线长(m)25 拉出值300mm,书写位置即为拉出方向;也可不注“300”,用半箭头表示,箭头指向即为拉出方向26 拉出值150mm(除“300”允许用半箭头表示,其余均应写出数值),书写位置即为拉出方向27 区间单线腕臂钢筋混凝土柱28 区间单线腕臂钢柱29 站场单线腕臂钢筋混凝土柱30 站场单线腕臂钢柱31 站场单线定位钢筋混凝土柱32 站场双线腕臂钢柱33 站场钢筋混凝土柱软横跨34 站场钢柱软横跨35 站场钢柱硬横跨36 非绝缘锚段关节37 绝缘锚段关节38 半补偿链形悬挂中心锚结、简单悬挂中心锚结39 区间全补偿链形悬挂中心锚结40 站场全补偿链形悬挂中心锚结(虚线为锚结绳)41 分段绝缘子串42 分段绝缘器序号名称符号43 分相绝缘器44 股道间电连接45 常分隔离开关46 常合隔离开关47 常分的带接地闸刀的隔离开关48 常合的带接地闸刀的隔离开关49 管形避雷器50 区间隧道51 站场隧道52 隧道内非绝缘关节(全补偿链形悬挂下锚)53 隧道内绝缘关节(全补偿链形悬挂下锚)54 上承式桥梁及设计电化线路在上面的立交桥、拱桥等55 下承式栓焊桥梁56 小桥、涵洞57 设计电化线路在下面的立交桥58 架空水槽、水管序号名称符号59 天桥60 地道61 渗沟62 雨棚63 仓库64 站房65 路肩挡墙66 托盘式路基墙67 有限界门的平交道68 区间长(短)链标记69 回流线跨越接触悬挂70 吸上线位置71 吸流变压器72 水鹤73 进站高柱色灯信号机74 通过高柱色灯信号机75 区间公里标76 机车检查坑77 接触网起测点78 接触网工区序号名称符号79 区间横向电连接80 扼流变压器81 AT区段双极隔离开关82 AT区段区间AF、PW线在钢柱悬挂83 AT区段站场AF、PW线在钢筋混凝土柱悬挂84 AT区段区间AF、PW线在钢筋混凝土柱悬挂85 架空线在站场钢筋混凝土柱悬挂86 AT区段AF、PW线在钢筋混凝土支柱下锚AF1—2380.00:AF1表示馈线第一锚段;2380.00表示锚段长度PW1—2380.00:PW1表示保护线第一锚段;2380.00表示锚段长度87 接触悬挂锚段下锚4:表示锚段号1286.08:表示锚段长度(m)88 道岔编号及型号38589 跨距长度(m)6590 土壤安息角30°91 土壤承压力(MPa)20092 火花间隙93 放电器94 接地极。
第四章接触网施工图接触网施工图是接触网工程的重要文件,由设计部门通过初步设计和施工设计来完成。
它体现了接触网的技术特点和性能、设备种类和型号、工程数量、零件构造及材料等。
施工图是接触网施工的依据,也是运营管理的重要资料。
接触网施工图包括接触网平面布置图、接触网安装图、接触网零件图等。
平面图上标出了接触网支持装置、设备、附加悬挂(回流线、架空地线等)等的安装图号,从相应的安装图中可查出安装形式、使用的零、部件名称及规格,零、部件的具体形状结构及规格从零件图中能够确定。
第一节接触网平面布置图接触网平面布置图是接触网施工的主要依据,它以图例的形式,反映了接触网布置情况,铁路线路情况,沿线地质情况,接触网设备的种类、类型、数量及其安装位置等。
接触网平面布置图由接触网布置平面图、表格栏、材料统计表、说明、图标等部分内容,如附图《接触网平面布置图》。
接触网平面布置图分为站场平面布置图、区间平面布置图、隧道平面布置图。
一、接触网图例在接触网平面布置图中,将铁路线路及设备、接触网布置等用规定的图例符号来表示,其内容如表4-1-1所示。
接触网图例表4-1-11、本标准适用于一般的站场及区间接触网平面;2、本标准采用的线条宽度规定为以下三种:(1)粗型宽度为0.9mm(2)中型宽度为0.6mm(3)细型宽度为0.3mm3、符号中所注尺寸均以mm计,适用于比例尺1:1000及1:2000的接触网平面;4、规定符号见下表。
序号名称符号1 电化的正线(区间图中允许用中型线条)2 电化的站线及段管线等3 非电化既有线路序号名称4 预留线路5 接触悬挂非工作支,供电线及分区亭引出线6 加强线7 回流线8 正馈线(AF线)9 保护线(PW线)10 架空地线(GW线)11 接触线硬锚,供电线及分区亭引出线下锚12 承力索硬锚13 接触线补偿下锚14 承力索补偿下锚15 链形悬挂硬锚16 半补偿链形悬挂下锚17 全补偿链形悬挂下锚18 加强线下锚19 回流线下锚20 正馈线(AF线)下锚21 保护线(PW线)下锚22 架空地线(GW线)下锚23 区间曲线及头尾:R—曲线半径(m) L—曲线全长(m) l—缓和曲线长(m)符号序号名称符号24 站场曲线及头尾:R—曲线半径(m) L—曲线全长(m) l—缓和曲线长(m)25 拉出值300mm,书写位置即为拉出方向;也可不注“300”,用半箭头表示,箭头指向即为拉出方向26 拉出值150mm(除“300”允许用半箭头表示,其余均应写出数值),书写位置即为拉出方向27 区间单线腕臂钢筋混凝土柱28 区间单线腕臂钢柱29 站场单线腕臂钢筋混凝土柱30 站场单线腕臂钢柱31 站场单线定位钢筋混凝土柱32 站场双线腕臂钢柱33 站场钢筋混凝土柱软横跨34 站场钢柱软横跨35 站场钢柱硬横跨36 非绝缘锚段关节37 绝缘锚段关节38 半补偿链形悬挂中心锚结、简单悬挂中心锚结39 区间全补偿链形悬挂中心锚结40 站场全补偿链形悬挂中心锚结(虚线为锚结绳)41 分段绝缘子串42 分段绝缘器序号名称符号43 分相绝缘器44 股道间电连接45 常分隔离开关46 常合隔离开关47 常分的带接地闸刀的隔离开关48 常合的带接地闸刀的隔离开关49 管形避雷器50 区间隧道51 站场隧道52 隧道内非绝缘关节(全补偿链形悬挂下锚)53 隧道内绝缘关节(全补偿链形悬挂下锚)54 上承式桥梁及设计电化线路在上面的立交桥、拱桥等55 下承式栓焊桥梁56 小桥、涵洞57 设计电化线路在下面的立交桥58 架空水槽、水管序号名称符号59 天桥60 地道61 渗沟62 雨棚63 仓库64 站房65 路肩挡墙66 托盘式路基墙67 有限界门的平交道68 区间长(短)链标记69 回流线跨越接触悬挂70 吸上线位置71 吸流变压器72 水鹤73 进站高柱色灯信号机74 通过高柱色灯信号机75 区间公里标76 机车检查坑77 接触网起测点78 接触网工区序号名称符号79 区间横向电连接80 扼流变压器81 AT区段双极隔离开关82 AT区段区间AF、PW线在钢柱悬挂83 AT区段站场AF、PW线在钢筋混凝土柱悬挂84 AT区段区间AF、PW线在钢筋混凝土柱悬挂85 架空线在站场钢筋混凝土柱悬挂86 AT区段AF、PW线在钢筋混凝土支柱下锚AF1—2380.00:AF1表示馈线第一锚段;2380.00表示锚段长度PW1—2380.00:PW1表示保护线第一锚段;2380.00表示锚段长度87 接触悬挂锚段下锚4:表示锚段号1286.08:表示锚段长度(m)88 道岔编号及型号38589 跨距长度(m)6590 土壤安息角30°91 土壤承压力(MPa)20092 火花间隙93 放电器94 接地极。
接触网施工图例接触网施工图是接触网工程的重要文件,由设计部门通过初步设计和施工设计来完成。
它体现了接触网的技术特点和性能、设备种类和型号、工程数量、零件构造及材料等。
施工图是接触网施工的依据,也是运营管理的重要资料。
接触网施工图包括接触网平面布置图、接触网安装图、接触网零件图等。
平面图上标出了接触网支持装置、设备、附加悬挂(回流线、架空地线等)等的安装图号,从相应的安装图中可查出安装形式、使用的零、部件名称及规格,零、部件的具体形状结构及规格从零件图中能够确定。
一、接触网平面布置图接触网平面布置图是接触网施工的主要依据,它以图例的形式,反映了接触网布置情况,铁路线路情况,沿线地质情况,接触网设备的种类、类型、数量及其安装位置等。
接触网平面布置图由接触网布置平面图、表格栏、材料统计表、说明、图标等部分容,如附图《接触网平面布置图》。
接触网平面布置图分为站场平面布置图、区间平面布置图、隧道平面布置图。
二、接触网图例在接触网平面布置图中,将铁路线路及设备、接触网布置等用规定的图例符号来表示, 其容如表4-1-1所示。
接触网图例44股道间电连接序号43 分相绝缘器 45 常分隔离开关 46 常合隔离开关47 48 常分的带接地闸刀的隔离开关 常合的带接地闸刀的隔离开关 49 5051525354555657 58管形避雷器 区间隧道站场隧道隧道非绝缘关节(全补偿链形悬挂下锚)隧道绝缘关节(全补偿链形悬挂下锚)—卞ge上承式桥梁及设计电化线路在上面的立交桥、下承式栓焊桥梁小桥、涵洞设计电化线路在下面的立交桥 架空水槽、水管59 天桥序号6061 地道渗沟b <16263 雨棚仓库64 站房k 4口.....6566 口& 4" jAfz___________ 路肩挡墙托盘式路基墙6768 有限界门的平交道区间长(短)链标记69 回流线跨越接触悬挂7071 吸上线位置吸流变压器72737475767778 水鹤进站高柱色灯信号机通过咼柱色灯信号机区间公里标机车检查坑接触网起测点接触网工区*-0-1aot-a。
第一章接触网平面图接触网平面布置图是接触网主要设计文件之一,是施工中应用最广的重要设计依据,认真弄懂和记清这些图例,学会看平面布置图对于我们掌握和了解线路情况,指导施工是非常重要的。
第一节接触网图例接触网的各种设计图是以机械制图或工程制图学为基础,加上接触网的各种特殊制图标记(接触网图例)所组成,第二节接触网平面布置图识别接触网的平面布置图是掌握接触网施工的最基本技巧之一,除了要懂得接触网的图例及工程制图处,还要对接触网专业表示方式有一定的了解,下面分别介绍站场、区间及隧道内接触网平面布置图。
一、站场接触网平面布置图站场接触网平面布置图实际路状态相符,其比例一般大站为1:1000,小站为1:2000。
第二章、施工测量第一节区间杆位测量一、测量方法及步骤1、由测量起点出发,使用钢尺拉链沿接触网支柱侧的钢轨轨面进行测量。
测量起点在接触网平面图已标出,一般选择在站场最外侧道岔的标准定位处,或是大型建筑物处如:桥梁、隧道等。
由于设计图所注跨距是以线路中线标注的,故曲线地段采用按弦长测量加修正值的办法为宜,修正值见表13-1。
2、根据设计图标注的测量起点,沿前进方向按设计跨出下一根接触网支柱的座标用粉笔在钢轨面画出位置,并在轨枕上写清标记。
然后,由专人用白色油漆在轨腰上书写标记,书写前轨腰锈蚀要擦净,字体要端正,标记要醒目。
标记内容包括:顺线路方面支柱中线标记;杆号;支柱或钢柱型号;基础型号;支柱侧面限界;底板、横卧板数量。
测量注意事项:1、测量中,遇有大型建筑物,如桥、隧、立交道口时,应分段进行闭合,其精度要求为1:2000,如有差错应写明原因,必要时加以复测确认,由于涵洞、平交道口、公里标、曲线标等固定建筑里程,往往不够精确,测量中仅供参考,不得作为根据来修正测量结果。
2、对挖坑困难、影响路基安全或支柱稳定的区段,如支柱位于高路堤,上下挡墙、排水沟中、桥梁两端等处时,应作出相应的、准确的线路横断面图,以便采取相应的防护办法,处理措施或提出变更意见。
接触网施工图例
接触网施工图是接触网工程的重要文件,由设计部门通过初步设计和施工设计来完成。
它体现了接触网的技术特点和性能、设备种类和型号、工程数量、零件构造及材料等。
施工图是接触网施工的依据,也是运营管理的重要资料。
接触网施工图包括接触网平面布置图、接触网安装图、接触网零件图等。
平面图上标出了接触网支持装置、设备、附加悬挂(回流线、架空地线等)等的安装图号,从相应的安装图中可查出安装形式、使用的零、部件名称及规格,零、部件的具体形状结构及规格从零件图中能够确定。
一、接触网平面布置图
接触网平面布置图是接触网施工的主要依据,它以图例的形式,反映了接触网布置情况,铁路线路情况,沿线地质情况,接触网设备的种类、类型、数量及其安装位置等。
接触网平面布置图由接触网布置平面图、表格栏、材料统计表、说明、图标等部分内容,如附图《接触网平面布置图》。
接触网平面布置图分为站场平面布置图、区间平面布置图、隧道平面布置图。
二、接触网图例
在接触网平面布置图中,将铁路线路及设备、接触网布置等用规定的图例符号来表示,其内容如表4-1-1所示。
接触网图例
表4-1-1
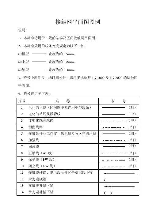
1、本标准适用于一般的站场及区间接触网平面;
2、本标准采用的线条宽度规定为以下三种:
(1)粗型宽度为0.9mm
(2)中型宽度为0.6mm
(3)细型宽度为0.3mm
3、符号中所注尺寸均以mm计,适用于比例尺1:1000及1:2000的接触网平面;
4、规定符号见下表。
序号名称符号
1 电化的正线(区间图中允许用中型线条)
2 电化的站线及段管线等
3 非电化既有线路
序号名称符号
4 预留线路
5 接触悬挂非工作支,供电线及分区亭引出线
6 加强线
7 回流线
8 正馈线(AF线)
9 保护线(PW线)
10 架空地线(GW线)
11 接触线硬锚,供电线及分区亭引出线下锚
12 承力索硬锚
13 接触线补偿下锚
14 承力索补偿下锚
15 链形悬挂硬锚
16 半补偿链形悬挂下锚
17 全补偿链形悬挂下锚
18 加强线下锚
19 回流线下锚
20 正馈线(AF线)下锚
21 保护线(PW线)下锚
22 架空地线(GW线)下锚
23 区间曲线及头尾:
R—曲线半径(m) L—曲线全长(m) l—缓和曲线长(m)
序号名称符号
24 站场曲线及头尾:
R—曲线半径(m) L—曲线全长(m) l—缓和曲线长(m)
25 拉出值300mm,书写位置即为拉出方向;也可不注“300”,用半箭头表示,箭头指向即为拉出方向
26 拉出值150mm(除“300”允许用半箭头表示,其余均应写出数值),书写位置即为拉出方向
27 区间单线腕臂钢筋混凝土柱
28 区间单线腕臂钢柱
29 站场单线腕臂钢筋混凝土柱
30 站场单线腕臂钢柱
31 站场单线定位钢筋混凝土柱
32 站场双线腕臂钢柱
33 站场钢筋混凝土柱软横跨
34 站场钢柱软横跨
35 站场钢柱硬横跨
36 非绝缘锚段关节
37 绝缘锚段关节
38 半补偿链形悬挂中心锚结、简单悬挂中心锚结
39 区间全补偿链形悬挂中心锚结
40 站场全补偿链形悬挂中心锚结(虚线为锚结绳)
41 分段绝缘子串
42 分段绝缘器
序号名称符号
43 分相绝缘器
44 股道间电连接
45 常分隔离开关
46 常合隔离开关
47 常分的带接地闸刀的隔离开关
48 常合的带接地闸刀的隔离开关
49 管形避雷器
50 区间隧道
51 站场隧道
52 隧道内非绝缘关节(全补偿链形悬挂下锚)
53 隧道内绝缘关节(全补偿链形悬挂下锚)
54 上承式桥梁及设计电化线路在上面的立交桥、拱桥等
55 下承式栓焊桥梁
56 小桥、涵洞
57 设计电化线路在下面的立交桥
58 架空水槽、水管
序号名称符号
59 天桥
60 地道
61 渗沟
62 雨棚
63 仓库
64 站房
65 路肩挡墙
66 托盘式路基墙
67 有限界门的平交道
68 区间长(短)链标记
69 回流线跨越接触悬挂
70 吸上线位置
71 吸流变压器
72 水鹤
73 进站高柱色灯信号机
74 通过高柱色灯信号机
75 区间公里标
76 机车检查坑
77 接触网起测点
78 接触网工区
序号名称符号
79 区间横向电连接
80 扼流变压器
81 AT区段双极隔离开关
82 AT区段区间AF、PW线在钢柱悬挂
83 AT区段站场AF、PW线在钢筋混凝土柱悬挂
84 AT区段区间AF、PW线在钢筋混凝土柱悬挂
85 架空线在站场钢筋混凝土柱悬挂
86 AT区段AF、PW线在钢筋混凝土支柱下锚AF1—2380.00:AF1表示馈线第一锚段;
2380.00表示锚段长度
PW1—2380.00:PW1表示保护线第一锚段;
2380.00表示锚段长度
87 接触悬挂锚段下锚
4:表示锚段号
1286.08:表示锚段长度(m)
88 道岔编号及型号38
5
89 跨距长度(m)65
90 土壤安息角30°
91 土壤承压力(MPa)200
92 火花间隙
93 放电器
94 接地极。