电机检查接线运行记录
- 格式:doc
- 大小:38.00 KB
- 文档页数:2
电机的电气检查和接线本章适用于所有高低压电机的电气检查和接线。
第一节 作业条件第19.1.1条 电机安装完毕,施工图纸及施工技术资料齐全。
第19.1.2条 土建室内装饰已经完毕,室内已清理干净。
第二节 主要机具葫芦吊、龙门架、联轴节顶出器、电工工具、转速表、兆欧表、万用表、钳形电流表、测电笔、直流电桥、互感器、电流表、电压表、升压变压器等。
第三节 操作工艺工艺流程:外观检查 试验调整 抽芯检查 接线 送电试运行 第19.3.1条 外观检查①电机铭牌上制造厂名、出厂日期、电机型号规格、接线方式、工作方法、绝缘等级等记录清楚。
②电机型号规格符合设计要求,附件备件齐全。
③电机安装牢固,连接紧密、牢固。
第19.3.2条 试验调整A.交流电动机试验内容包括:绝缘电阻和吸收比、直流电阻、耐压试验、线圈极性和连接线正确性、空载试验等。
①绝缘电阻和吸收比测量测量绝缘电阻采用兆欧表。
兆欧表的电压等级选择如下表: 设备或回路电压 <100V <500V <3KV <10KV ≥10KV 兆欧表电压等级 250V 500V 1000V 2500V 2500V或5000V绝缘电阻的测量结果应满足:电机额定电压 <1KV ≥1KV绝缘电阻 ≥0.5MΩ(常温) 定子绕组 ≥1MΩ/KV 转子绕组 0.5MΩ/KV吸收比 ≥1.2绝缘电阻应读取60S时的阻值,吸收比应使用60S与15S时绝缘电阻的比值。
可变电阻器、起动电阻器、天磁电阻器的绝缘电阻与回路一起测量,其值不低于0.5 MΩ。
电动机轴承绝缘电阻采用1000V兆欧表测量,其值不低于0.5 M Ω。
②直流电阻测量:测量直流电阻采用电桥。
测量结果应满足:1KV以上或100KW以上电机各相绕组直流电阻值相互差别不应超过其最小值的2%,中性点未引出的电动机可测线间直流电阻,其相互差别不应超过其最小值的1%。
可变电阻器、起动电阻器、天磁电阻器的直流电阻值与产品出厂值比较,其差值不应超过10%。
电动机检查接线工作内容电动机是现代工业中常见的一种设备,用于将电能转换为机械能。
为了确保电动机能够正常运行,我们需要进行接线工作的检查。
本文将介绍电动机检查接线的工作内容。
在进行电动机接线检查之前,我们需要确定电动机的型号和额定功率。
这些信息通常可以在电动机的铭牌上找到。
接下来,我们需要检查电动机的绝缘性能。
这可以通过使用绝缘电阻测试仪来完成。
我们需要将测试仪的两个电极分别连接到电动机的绕组和接地端,然后测量电动机的绝缘电阻。
如果绝缘电阻低于标准值,说明电动机的绝缘性能存在问题,需要进行修复或更换。
我们需要检查电动机的接线是否正确。
首先,我们需要检查电动机的主线是否正确连接。
主线通常有三根,分别是U、V、W相线。
我们需要确保每根相线都连接到正确的位置,以避免相位错乱。
此外,我们还需要检查电动机的接地线是否连接良好,以确保电动机的安全运行。
接下来,我们需要检查电动机的起动方式是否正确。
电动机的起动方式通常有直接起动和星角起动两种。
在直接起动中,电动机的起动电流较大,因此需要确保电源线路能够承受起动时的电流冲击。
而在星角起动中,电动机的起动电流较小,但需要额外的起动装置。
我们需要检查起动装置是否正常工作,以确保电动机能够顺利起动。
我们还需要检查电动机的运行状态。
我们可以通过观察电动机的运行声音和振动来判断其是否正常运行。
如果电动机的声音异常大或振动过大,可能意味着电动机存在故障或不平衡的问题。
此时,我们需要进行进一步的检查和维修。
我们需要检查电动机的温度。
电动机在运行过程中会产生热量,因此我们需要确保电动机的温度在正常范围内。
通常,电动机的温度应该低于其额定温度。
我们可以使用红外测温仪来测量电动机的表面温度,以判断其是否超过了额定温度。
总结起来,电动机检查接线的工作内容包括确定电动机型号和额定功率、检查绝缘性能、检查接线是否正确、检查起动方式是否正确、检查运行状态和检查温度。
通过进行这些检查,我们可以确保电动机的正常运行,提高设备的可靠性和安全性。
电气设备检查记录标题:电气设备检查记录引言概述:电气设备的检查记录对于保障设备运行安全、延长设备寿命、预防事故发生具有重要意义。
本文将从设备检查记录的重要性、检查内容、检查频率、记录方式和应对异常情况等方面进行详细介绍。
一、设备检查记录的重要性1.1 提供设备运行状态的实时数据,有利于及时发现问题。
1.2 为设备维护保养提供参考依据,有助于制定合理的维护计划。
1.3 作为事故发生后的重要依据,有助于事故原因分析和责任追究。
二、检查内容2.1 电气设备的外观检查:检查设备外壳、连接线路、接地情况等。
2.2 电气设备的性能检查:检查设备运行状态、电流电压等参数。
2.3 电气设备的安全检查:检查设备的漏电保护、过载保护等安全装置。
三、检查频率3.1 日常巡检:每日对设备进行简单的外观检查和性能检查。
3.2 定期检查:每月或每季度对设备进行全面检查,包括外观、性能和安全检查。
3.3 年度检查:每年对设备进行全面的检修和维护,确保设备运行稳定。
四、记录方式4.1 纸质记录:通过填写检查记录表格,记录设备的检查时间、检查内容和检查结果。
4.2 电子记录:通过专门的设备管理软件记录设备的检查情况,方便查询和分析。
4.3 图像记录:通过拍摄设备照片或录制视频的方式记录设备的实际情况,便于回顾和比对。
五、应对异常情况5.1 发现问题及时报修,不擅自进行维修,以免造成更大的损失。
5.2 在记录中详细描述问题的具体情况,以便维修人员更快地找到问题所在。
5.3 定期对设备进行维护保养,预防问题的发生,确保设备的长期稳定运行。
结语:电气设备检查记录是确保设备安全运行的重要手段,只有做好记录工作,才能及时发现问题、解决问题,保障设备的正常运行。
希望本文的介绍能够帮助读者更好地了解电气设备检查记录的重要性和方法。
电机运行安全:定期检查接线端子电机是现代工业生产中广泛使用的设备,它的运行安全对于保障生产的正常进行至关重要。
其中,接线端子作为电机运行中的重要组成部分,必须进行定期检查,以确保电机的运行安全。
本文将详细介绍定期检查接线端子的必要性、检查的方法和注意事项。
一、定期检查接线端子的必要性接线端子作为电机的连接部分,承担着输送电能和信号的重要任务。
如果接线端子存在问题或损坏,会导致电机运行不稳定、电能转换效率低下、甚至发生火灾等事故。
因此,定期检查接线端子的必要性不言而喻。
首先,定期检查接线端子可以及时发现潜在的问题。
接线端子经过长时间的使用,可能会松动、烧损、氧化等,这些问题如果不及时发现和处理,会对电机的正常运行产生严重的影响。
其次,定期检查接线端子可以预防安全事故的发生。
如果接线端子连接不良或出现接触不良等问题,会导致电机发生故障,有可能引发火灾等严重事故,给人身安全和财产造成损失。
最后,定期检查接线端子可以延长电机的使用寿命。
一旦接线端子出现问题,电机会因为电流过大、电压不稳等原因过载工作,从而缩短电机的寿命。
通过定期检查接线端子,可以及时解决问题,保证电机的正常使用,延长其使用寿命。
二、定期检查接线端子的方法1. 视觉检查:定期检查接线端子时,首先需要进行视觉检查。
检查时应确保电机已断电,并进行必要的安全防护措施。
通过观察接线端子的外观,包括连接是否牢固、是否有松动、烧痕、变形或氧化现象等,以判断是否存在问题。
2. 测量电阻:除了视觉检查外,还可以通过测量接线端子的电阻来评估其连接是否正常。
使用万用表等测量工具,将电极连接到接线端子的两个导线上,检测其电阻值。
正常情况下,接线端子应该没有或者只有很小的电阻。
3. 清洁处理:如果接线端子存在松动、烧痕、氧化等问题,应及时进行清洁处理。
可以使用专用清洁剂或消毒酒精对接线端子进行清洁,除去表面的污垢和氧化物。
清洁后,再对接线端子进行紧固,确保其连接牢固可靠。
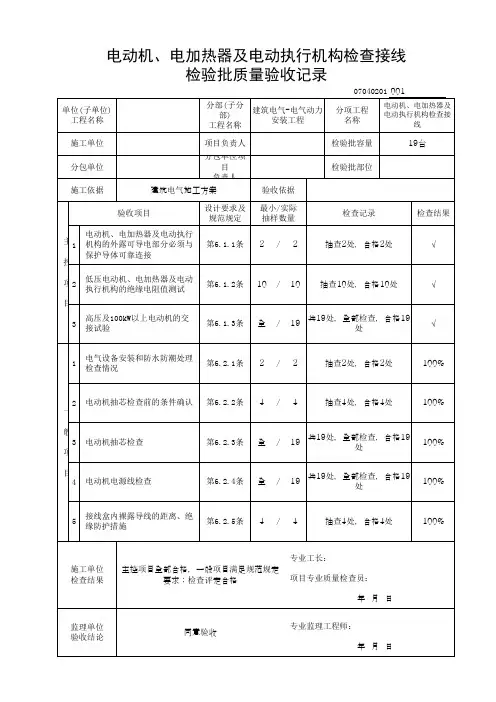
承包单位:中铁一局集团电务有限责任公司合同号:KMGD-L6-A-HT-SG-EX-2011-044 监理单位:华铁工程咨询有限责任公司编号:
施工负责人:技术负责人:
质检工程师:监理工程师:
承包单位:中铁一局集团电务有限责任公司合同号:KMGD-L6-A-HT-SG-EX-2011-044 监理单位:华铁工程咨询有限责任公司编号:
施工负责人:技术负责人:
质检工程师:监理工程师:
昆明轨道交通工程
承包单位:中铁一局集团电务有限责任公司合同号:KMGD-L6-A-HT-SG-EX-2011-044 监理单位:华铁工程咨询有限责任公司编号:
施工负责人:技术负责人:
质检工程师:监理工程师:
承包单位:中铁一局集团电务有限责任公司合同号:KMGD-L6-A-HT-SG-EX-2011-044 监理单位:华铁工程咨询有限责任公司编号:
施工负责人:技术负责人:
质检工程师:监理工程师:
承包单位:中铁一局集团电务有限责任公司合同号:KMGD-L6-A-HT-SG-EX-2011-044 监理单位:华铁工程咨询有限责任公司编号:
施工负责人:技术负责人:
质检工程师:监理工程师:
昆明轨道交通工程
承包单位:中铁一局集团电务有限责任公司合同号:KMGD-L6-A-HT-SG-EX-2011-044 监理单位:华铁工程咨询有限责任公司编号:
施工负责人:技术负责人:
质检工程师:监理工程师:。
低压电机接线盒的检查操作
一、说明
1、电机接线盒应每年进行一次全面检查,以保证电机的安全运行。
2、检查以前先联系生产开具停送电票、现场检修作业票。
二、操作步骤
1、到变电所确认需要检查的电机是不是备用状态,然后停电,验电,挂上“禁止合闸,有人工作”的标示牌。
2、打开电机接线盒,检查有无进水、受潮情况。
3,检查接线柱或接线板的连接螺丝有无松动、锈蚀、过热痕迹,并进行紧固和处理。
4、检查电源线电缆有无裂纹、破损,电缆要与外壳保持大于一定的安全距离,电缆三相标示要清楚,如果是多股电缆是否压接鼻子,电缆鼻子的内径是否与接线柱相匹配。
5、检查接线柱护套或接线板有无裂纹、过热、放电痕迹
6、检查电机引线有无裂纹、破损、过热现象。
7、检查电缆接地线在接线盒内的连接是否牢固。
8、用低压摇表摇测电机和电缆的绝缘,三相对地绝缘均大于0.5MΩ,相间绝缘为0,如果有问题,要拆下电缆,分别摇测电机和电缆,并进行相应的处理。
9、检查接线盒喇叭口是否完好、密封情况、螺丝紧固情况。
10、清除接线盒防爆面的杂质和锈斑,并用细砂纸打磨干净,涂
上润滑脂,以保证防爆性能,避免接线盒进水和受潮。
11、装上接线盒,紧固螺丝。
12、恢复送电,结束作业票。
三、注意事项和风险识别
1、检查接线盒不能带电作业,一定要先停电。
2、拆装大电机的接线盒,要做好防护措施,防止接线盒盖儿坠落砸伤人。
3、对拆过电缆头的电机要联系生产进行试运。
交流电动机试验记录实验目的:本次试验旨在了解交流电动机的工作原理和性能指标,并通过试验数据对交流电动机进行性能分析。
实验仪器:1.三相交流电源2.交流电动机3.电能表4.功率因素表5.电压表和电流表6.转速测量仪实验步骤:1.实验前准备:a.将交流电源单元连接到电网,并检查接线是否安全可靠。
b.将交流电动机与电源单元通过三相接线连接。
c.将电能表、功率因素表、电压表和电流表连接到电路中。
d.为了测量交流电动机的转速,将转速测量仪连接到电机轴上。
2.实验一:开路试验a.确保电动机已接通,但未负载工作。
b.测量交流电机的铭牌数据,包括额定功率、额定电流和额定电压,并记录下来。
c.测量电动机的开路电流、功率因数和有功功率,并计算出无功功率。
d.通过测量的数据,计算出电动机的效率和功率损耗,并记录下来。
3.实验二:短路试验a.确保电动机已接通,并使其正常负载运行。
b.测量电动机的短路电压和短路电流,并计算出短路阻抗和短路功率。
c.通过测量的数据,计算出电动机的输出功率、输出电功率和转差率,并记录下来。
4.实验三:负载试验a.确保电动机已接通,并使其正常负载运行。
b.测量电动机的负载电压、负载电流和负载功率,并计算出负载功率因数。
c.通过测量的数据,计算出电动机的输出功率、效率和电机转速,并记录下来。
5.数据处理和分析a.将实验测得的数据整理并计算出相应的性能指标。
b.比较不同试验条件下的性能指标,分析电动机的性能。
c.分析电动机的效率、功率因数和输出功率随负载变化的情况,并讨论其原因。
6.实验结果与结论a.根据实验数据和性能指标的分析,得出结论。
b.对电动机工作特性的分析,提出改进意见和建议。
实验注意事项:1.确保电源和仪器的接线正确,防止电击和其他安全事故。
2.实验过程中,遵循操作规程和安全操作要求。
3.确保电动机的负载过程中工作正常,防止过负荷烧毁电机。
4.实验完成后,及时断开电源,维护仪器设备。
本次试验对交流电动机进行了开路试验、短路试验和负载试验,并通过测量数据分析了电机的性能指标。
电气设备检查记录标题:电气设备检查记录引言概述:电气设备是现代工业生产中不可或缺的重要设备,其正常运行对生产效率和安全性至关重要。
为了确保电气设备的正常运行和安全性,需要进行定期的检查和记录。
本文将详细介绍电气设备检查记录的内容和重要性。
一、检查内容1.1 电气设备外观检查:检查设备外观是否有损坏、腐蚀、漏电等现象。
1.2 电气设备电气连接检查:检查设备的电气连接是否牢固、接地是否良好。
1.3 电气设备运行状态检查:检查设备的运行状态是否正常,有无异常噪音或振动。
二、检查频率2.1 定期检查:每月对电气设备进行一次定期检查,确保设备的正常运行。
2.2 不定期检查:随时对设备进行不定期检查,及时发现并解决问题。
2.3 特殊情况检查:在设备发生故障或异常情况时,及时对设备进行检查和记录。
三、检查记录3.1 检查日期:记录每次检查的日期,以便追踪设备的运行情况。
3.2 检查人员:记录进行检查的人员姓名,确保检查的专业性和准确性。
3.3 检查结果:记录每次检查的结果,包括设备的运行状态、存在的问题和解决方案。
四、检查记录的重要性4.1 预防故障:通过检查记录,可以及时发现设备存在的问题,预防设备故障的发生。
4.2 提高效率:定期检查记录可以帮助提高设备的运行效率,减少生产中断。
4.3 保障安全:检查记录可以确保设备的安全运行,减少事故发生的可能性。
五、检查记录的管理5.1 存档管理:将检查记录进行存档管理,便于查阅和追踪设备运行情况。
5.2 定期复查:定期对检查记录进行复查,确保设备的正常运行和安全性。
5.3 持续改进:根据检查记录的情况,及时进行设备的维护和改进,提高设备的性能和可靠性。
结语:电气设备检查记录是保障设备正常运行和安全性的重要手段,通过定期检查和记录,可以及时发现和解决问题,提高设备的效率和可靠性。
希望本文的内容能够帮助读者更好地管理和维护电气设备,确保生产的顺利进行。
电动机检查接线作业指导书1. 引言电动机是工业生产中常用的设备之一,它的正常工作与其正确的接线密切相关。
本作业指导书将为您提供一份详细的电动机检查接线操作指南,以确保电动机的安全运行和稳定性。
2. 准备工作在进行电动机检查接线之前,有几个准备工作需要做好,以确保工作的安全和顺利进行。
2.1 确认工作区域安全在开始操作之前,需要确认工作区域没有明火、易燃物品等安全隐患,确保操作环境的安全。
2.2 关联电源在开始进行接线之前,应关联电源,并确保电源开关处于关闭状态,以防止电流意外进入。
2.3 准备工具和材料执行接线作业时,应准备好必要的电动机接线工具和材料,如螺丝刀、压线钳、绝缘胶带等。
3. 检查接线前的注意事项在开始检查电动机接线之前,需要注意以下几点,以确保操作的顺利进行。
3.1 确认电动机厂家的接线规范每个电动机厂家可能有不同的接线规范,应仔细研读电动机的使用说明书,并按照厂家的规范进行操作。
3.2 清理工作区域在开始接线之前,应清理工作区域的杂物和尘土,以保持操作环境整洁。
3.3 检查电源线路在进行接线之前,应检查电源线路是否正常,避免因为电源线路故障导致电动机无法正常运行。
4. 电动机接线步骤根据电动机的不同类型和接线需求,接线步骤可能会有所不同。
在进行接线时,应按照以下步骤进行操作。
4.1 标识接线端子在开始接线之前,应标识电动机的接线端子,以便后续操作时能够正确连接。
4.2 接线顺序依据电动机厂家的规范和接线图,按照正确的接线顺序连接电源线路和控制线路。
4.3 接线固定在完成接线后,应使用合适的螺丝、螺母等设备将接线固定牢固,防止接线松动。
4.4 绝缘处理在接线完毕后,应使用绝缘胶带或其他绝缘材料对接线端子进行绝缘处理,以保证安全使用。
5. 接线完成后的工作在完成电动机接线之后,需要进行以下工作以确保操作的安全性。
5.1 检查接线质量完成接线后,应仔细检查接线是否牢固、质量是否符合要求。
2、当做分项工程施工技术交底时,应填写"分项工程名称"栏,其他技术交底可不填写。
2、当做分项工程施工技术交底时,应填写"分项工程名称"栏,其他技术交底可不填写。
2、当做分项工程施工技术交底时,应填写"分项工程名称"栏,其他技术交底可不填写。
2、当做分项工程施工技术交底时,应填写"分项工程名称"栏,其他技术交底可不填写。
2、当做分项工程施工技术交底时,应填写"分项工程名称"栏,其他技术交底可不填写。
2、当做分项工程施工技术交底时,应填写"分项工程名称"栏,其他技术交底可不填写。
2、当做分项工程施工技术交底时,应填写"分项工程名称"栏,其他技术交底可不填写。
2、当做分项工程施工技术交底时,应填写"分项工程名称"栏,其他技术交底可不填写。
2、当做分项工程施工技术交底时,应填写"分项工程名称"栏,其他技术交底可不填写。
电机检查接线运行记录
电动机检查及接线记录
工程名称:未给出
额定功率:未给出
用途:未给出
检查内容与要求:
1.确认铭牌参数、防爆类型、级别、组别等符合设计文件。
2.检查接线盒内接线是否正确、紧固,绝缘件是否完好,
电气间隙和爬电距离是否符合规范要求。
3.确认接线盒的进线密封是否符合要求,螺栓和防松设施
是否齐全、可靠。
4.确认电动机及其起动设备已按规定接地。
5.检查电机外壳有无损伤,风罩、风叶是否完好。
6.确认轴承润滑脂(油)及填充量是否符合产品技术文件规定。
7.确认转子盘动灵活,无碰卡声。
8.确认电机接线端子上的接线牢固无松动。
9.按电机接线盒盖上接线图进行接线。
10.测量定子绕组的绝缘电阻。
检验结论:
经过检查,此电动机接线合格,符合使用要求。
所有检查结果均合格。
编号:未给出
型号:未给出
电机参数:未给出类型:未给出
监理单位:未给出现场人员:未给出施工单位:未给出建设单位:未给出日期:年月日。
交流异步电动机检查接线工作内容下载温馨提示:该文档是我店铺精心编制而成,希望大家下载以后,能够帮助大家解决实际的问题。
文档下载后可定制随意修改,请根据实际需要进行相应的调整和使用,谢谢!并且,本店铺为大家提供各种各样类型的实用资料,如教育随笔、日记赏析、句子摘抄、古诗大全、经典美文、话题作文、工作总结、词语解析、文案摘录、其他资料等等,如想了解不同资料格式和写法,敬请关注!Download tips: This document is carefully compiled by theeditor.I hope that after you download them,they can help yousolve practical problems. The document can be customized andmodified after downloading,please adjust and use it according toactual needs, thank you!In addition, our shop provides you with various types ofpractical materials,such as educational essays, diaryappreciation,sentence excerpts,ancient poems,classic articles,topic composition,work summary,word parsing,copy excerpts,other materials and so on,want to know different data formats andwriting methods,please pay attention!异步电动机的接线检查工作详解异步电动机作为工业生产中广泛应用的动力设备,其稳定运行至关重要。
电机检查接线调试报告模板一、任务描述本次任务是对某工厂的电机进行检查接线调试工作。
旨在确保电机运转正常,保证生产线的稳定运行。
二、检查范围检查范围包括机器电源接线、电机转子、定子及接线,电机传动部分。
三、检查步骤1.打开电源控制开关,检查电源负荷是否正常。
留意电表是否指示在合理范围内。
2.检查电机传动部分,并核对传动比。
检查传动部分是否有松动现象。
如确认传动是否松动,则调整传动部分,使之达到合理状态。
3.拆下电机的后盖,检查电机转子。
确认是否有异物存在。
如确认有异物,则立即清除。
检查转子是否有裂槽或变形现象。
如有,则确保电机转子处于良好状态。
4.检查电机定子及接线。
确认连接电缆是否良好,不要有松动或损伤现象。
利用Multimeter 测量电机定子绕组。
确认定子绕组的绝缘电阻是否合理。
5.检查电机的电容器。
如果发现电容器存在渗漏现象,则立即更换。
6.重新尝试电机。
操作完成后,跟进检查电机转子是否与传动部分的完美结合,电机运转声音是否合理,电机是否正常运行。
四、检查结论在本次检查中,我们发现电机传动部分存在松动现象,已经调整。
电机转子和定子都没有发现裂槽和变形,且定子绕组绝缘电阻合理。
电容器也没有发现渗漏现象。
重新测试电机后,发现电机运转声音正常,电机转子和传动部分良好地结合在一起。
因此,结论为:电机检查接线调试工作完成,电机运行正常,可继续使用。