双排扣件钢管脚手架计算书
- 格式:doc
- 大小:140.38 KB
- 文档页数:23
双排扣件式脚⼿架计算书-模型_扣件式脚⼿架计算书计算依据:1、《建筑施⼯扣件式钢管脚⼿架安全技术规范》JGJ130-20112、《建筑结构荷载规范》GB50009-20123、《钢结构设计规范》GB50017-20034、《建筑地基基础设计规范》GB50007-2011⼀、脚⼿架参数⽴⾯图侧⾯图三、纵向⽔平杆验算纵、横向⽔平杆布置承载能⼒极限状态q=1.2×(0.04+G kjb×l b/(n+1))+1.4×G k×l b/(n+1)=1.2×(0.04+0.35×0.9/(2+1))+1.4×3×0.9/(2 +1)=1.434kN/m正常使⽤极限状态q'=(0.04+G kjb×l b/(n+1))+G k×l b/(n+1)=(0.04+0.35×0.9/(2+1))+3×0.9/(2+1)=1.045kN/m 计算简图如下:1、抗弯验算M max=0.1ql a2=0.1×1.434×1.52=0.323kN·mσ=M max/W=0.323×106/5260=61.325N/mm2≤[f]=205N/mm2满⾜要求!2、挠度验算νmax=0.677q'l a4/(100EI)=0.677×1.045×15004/(100×206000×127100)=1.368mm νmax=1.368mm≤[ν]=min[l a/150,10]=min[1500/150,10]=10mm满⾜要求!3、⽀座反⼒计算承载能⼒极限状态R max=1.1ql a=1.1×1.434×1.5=2.366kN正常使⽤极限状态R max'=1.1q'l a=1.1×1.045×1.5=1.724kN四、横向⽔平杆验算承载能⼒极限状态由上节可知F1=R max=2.366kNq=1.2×0.04=0.048kN/m正常使⽤极限状态由上节可知F1'=R max'=1.724kNq'=0.04kN/m1、抗弯验算计算简图如下:弯矩图(kN·m)σ=M max/W=0.714×106/5260=135.732N/mm2≤[f]=205N/mm2 满⾜要求!2、挠度验算计算简图如下:变形图(mm)νmax=1.716mm≤[ν]=min[l b/150,10]=min[900/150,10]=6mm 满⾜要求!3、⽀座反⼒计算承载能⼒极限状态R max=2.388kN五、扣件抗滑承载⼒验算纵向⽔平杆:R max=2.366/2=1.183kN≤R c=0.85×8=6.8kN横向⽔平杆:R max=2.388kN≤R c=0.85×8=6.8kN满⾜要求!六、荷载计算1、⽴杆承受的结构⾃重标准值N G1k单外⽴杆:N G1k=(gk+l a×n/2×0.04/h)×H=(0.129+1.5×2/2×0.04/1.8)×23=3.728kN 单内⽴杆:N G1k=3.728kN 2、脚⼿板的⾃重标准值N G2k1单外⽴杆:N G2k1=(H/h+1)×la×l b×G kjb×1/2/2=(23/1.8+1)×1.5×0.9×0.35×1/2/2=1.627kN 1/2表⽰脚⼿板2步1设单内⽴杆:N G2k1=1.627kN3、栏杆与挡脚板⾃重标准值N G2k2单外⽴杆:N G2k2=(H/h+1)×la×G kdb×1/2=(23/1.8+1)×1.5×0.14×1/2=1.447kN1/2表⽰挡脚板2步1设4、围护材料的⾃重标准值N G2k3单外⽴杆:N G2k3=G kmw×la×H=0.01×1.5×23=0.345kN5、构配件⾃重标准值N G2k总计单外⽴杆:N G2k=N G2k1+N G2k2+N G2k3=1.627+1.447+0.345=3.419kN单内⽴杆:N G2k=N G2k1=1.627kN⽴杆施⼯活荷载计算外⽴杆:N Q1k=la×l b×(n jj×G kjj+n zj×G kzj)/2=1.5×0.9×(1×3+1×2)/2=3.375kN内⽴杆:N Q1k=3.375kN组合风荷载作⽤下单⽴杆轴向⼒:单外⽴杆:N=1.2×(N G1k+ N G2k)+0.9×1.4×N Q1k=1.2×(3.728+3.419)+0.9×1.4×3.375=12.829kN单内⽴杆:N=1.2×(N G1k+ N G2k)+0.9×1.4×N Q1k=1.2×(3.728+1.627)+0.9×1.4×3.375=10.679kN七、⽴杆稳定性验算⽴杆计算长度l0=Kµh=1×1.5×1.8=2.7m长细⽐λ=l0/i=2.7×103/15.9=169.811≤210满⾜要求!轴⼼受压构件的稳定系数计算:⽴杆计算长度l0=Kµh=1.155×1.5×1.8=3.119m长细⽐λ=l0/i=3.119/15.9=196.132查《规范》表A得,φ=0.1882、⽴杆稳定性验算不组合风荷载作⽤单⽴杆的轴⼼压⼒设计值N=1.2(N G1k+N G2k)+1.4N Q1k=1.2×(3.728+3.419)+1.4×3.375=1 3.302kNσ=N/(φA)=13301.5/(0.188×506)=139.827N/mm2≤[f]=205N/mm2满⾜要求!组合风荷载作⽤单⽴杆的轴⼼压⼒设计值N=1.2(N G1k+N G2k)+0.9×1.4N Q1k=1.2×(3.728+3.419)+0.9×1.4×3.375=12.829kNM w=0.9×1.4×M wk=0.9×1.4×ωk l a h2/10=0.9×1.4×0.299×1.5×1.82/10=0.183kN·mσ=N/(φA)+M w/W=12829/(0.188×506)+183095.64/5260=169.669N/mm2≤[f]=205N/mm2 满⾜要求!⼋、脚⼿架架体⾼度验算不组合风荷载作⽤H s1=(φAf-(1.2N G2k+1.4N Q1k))/(1.2g k)=(0.188×506×205×10-3-(1.2×3.419+1.4×3.375))/(1. 2×0.129)=68.949m组合风荷载作⽤H s2=(φAf-(1.2N G2k+0.9×1.4×(N Q1k+M wφA/W)))/(1.2g k)=(0.188×506×205×10-3-(1.2×3.419+0.9×1.4×(3.375+0.183×1000×0.188×506/5260)))/(1.2×0.129)=45.048m H s=45.048m>H=23m满⾜要求!九、连墙件承载⼒验算lw k a长细⽐λ=l0/i=600/15.9=37.736,查《规范》表A.0.6得,φ=0.896(N lw+N0)/(φAc)=(6.033+3)×103/(0.896×506)=19.924N/mm2≤0.85×[f]=0.85×205N/mm2= 174.25N/mm2满⾜要求!扣件抗滑承载⼒验算:N lw+N0=6.033+3=9.033kN≤0.85×12=10.2kN满⾜要求!⼗、⽴杆地基承载⼒验算G1k G2k Q1k⽴柱底垫板的底⾯平均压⼒p=N/(m f A)=10.522/(1×0.25)=42.088kPa≤f g=140kPa 满⾜要求!仅供参考由:品茗安全设施计算软件编制计算。
脚手架施工方案一、工程概况本工程建筑面积3988.4m2,建筑层数三层,局部四层,建筑结构类型框架,总高度为16.3m。
二、搭设形式和材质1、本工程采用双排落地式外脚手架(扣件式钢管脚手架),架体外围护密目安全网封闭。
2、钢管选用国家标准《直缝电焊钢管》(GB/T13793)3号普通钢管,其质量符合《碳素结构钢》(GB/T700)中Q235-A级钢的规定,尺寸为外径48mm,壁厚3.5mm。
新、旧架管在使用前应保养、除锈,刷防锈漆,统一涂色。
3、扣件采用铸铁扣件,其材质符合国家标准《钢管脚手架扣件》(GB15831)规定。
4、脚手板采用竹脚手板。
三、施工准备1、单位工程负责人应按施工组织设计中有关规定的要求,向架设作业和使用人员进行技术交底。
2、应按《建筑施工扣件式钢管脚手架安全技术规范》JGJ130-2001,8.1构配件检查与验收中8.1.1—8.1.5条规定和施工组织设计的要求对钢管、扣件、脚手板等进行检查验收,不合格产品不得使用。
3、经检验合格的构配件应按品种、规格分类,堆放整齐、平稳,堆放场地不得有积水。
4、搭设前应对场地进行平整,清除场地杂物,硬化基础,并做排水措施。
5、当脚手架下有设备基础、管沟时,在脚手架使用过程中不应开挖,否则必须采取加固措施。
四、搭设(一)地基与基础1、脚手架地基与基础的施工根据脚手架搭设高度、搭设场地土质情况与现行国家标准《建筑地基基础工程施工质量验收规范》(GB50202-2002)的有关规定进行。
2、脚手架底座底面标高宜高于自然地坪50mm。
基础平整夯实,宜采用砼硬化,立杆垂直落在垫板上,垫板宜采用长度不少于2跨、厚度不小于50mm的木垫板,亦可采用槽钢。
3、脚手架基础经验验收合格后,应按施工组织设计的要求定位放线。
并将底座、垫板准确放在定位线上。
(二)搭设1、搭设作业顺序:先搭设立杆,立杆底部用横、纵向扫地杆固定(固定立杆底端前,应确保立杆垂直),沿着建筑物竖起3-4根立杆后,随即装设第一步纵向水平杆(与立杆扣接固定),和横向水平杆(小横杆,靠近立杆并与纵向水平杆扣接固定)、校正立杆垂直和平杆水平使其符合要求后,按40-60N.m力矩拧紧扣件螺栓,形成构架的起始段,按照上述要求依次向前延伸(水平杆采用对接、立杆采用对接),直至第一步架体交圈完成。
双排扣件钢管脚手架计算书-CAL-FENGHAI.-(YICAI)-Company One1双排扣件钢管脚手架计算书依据规范:《建筑施工脚手架安全技术统一标准》GB51210-2016《建筑施工扣件式钢管脚手架安全技术规范》JGJ130-2011《建筑结构荷载规范》GB50009-2012《钢结构设计规范》GB50017-2017《建筑地基基础设计规范》GB50007-2011计算参数:钢管强度为 N/mm2,钢管强度折减系数取。
双排脚手架,搭设高度米,立杆采用单立管。
立杆的纵距米,立杆的横距米,内排架距离结构米,立杆的步距米。
钢管类型为φ48×,连墙件采用2步2跨,竖向间距米,水平间距米。
施工活荷载为m2,同时考虑2层施工。
脚手板采用竹串片,荷载为m2,按照铺设4层计算。
栏杆采用竹串片,荷载为m,安全网荷载取m2。
脚手板下小横杆在大横杆上面,且主结点间增加一根小横杆。
基本风压m2,高度变化系数,体型系数。
地基承载力标准值170kN/m2,基础底面扩展面积,地基承载力调整系数。
钢管惯性矩计算采用 I=π(D4-d4)/64,抵抗距计算采用 W=π(D4-d4)/32D。
一、小横杆的计算:小横杆按照简支梁进行强度和挠度计算,小横杆在大横杆的上面。
按照小横杆上面的脚手板和活荷载作为均布荷载计算小横杆的最大弯矩和变形。
1.均布荷载值计算小横杆的自重标准值 P1=m脚手板的荷载标准值 P2=×2=m活荷载标准值 Q=×2=m荷载的计算值 q=×+×+×=m小横杆计算简图2.抗弯强度计算最大弯矩考虑为简支梁均布荷载作用下的弯矩计算公式如下:M=×8= σ=γ0M/W = ××106/=mm2小横杆的计算强度小于mm2,满足要求!3.挠度计算最大挠度考虑为简支梁均布荷载作用下的挠度计算公式如下:荷载标准值 q=++=m简支梁均布荷载作用下的最大挠度V=××(384××105×=小横杆的最大挠度小于150与10mm,满足要求!二、大横杆的计算:大横杆按照三跨连续梁进行强度和挠度计算,小横杆在大横杆的上面。
扣件式脚手架计算书计算依据:1、《建筑施工扣件式钢管脚手架安全技术规范》JGJ130-20112、《建筑地基基础设计规范》GB50007-20113、《建筑结构荷载规范》GB50009-20124、《钢结构设计规范》GB50017-2003一、脚手架参数二、荷载设计计算简图:立面图侧面图三、纵向水平杆验算纵、横向水平杆布置承载能力极限状态q=1.2×(0.033+Gkjb ×lb/(n+1))+1.4×Gk×lb/(n+1)=1.2×(0.033+0.35×0.9/(2+1))+1.4×3×0.9/(2+1)=1.43kN/m正常使用极限状态q'=(0.033+Gkjb ×lb/(n+1))+Gk×lb/(n+1)=(0.033+0.35×0.9/(2+1))+3×0.9/(2+1)=1.04kN/m计算简图如下:1、抗弯验算Mmax =0.1qla2=0.1×1.43×1.52=0.32kN·mσ=Mmax/W=0.32×106/4490=71.46N/mm2≤[f]=205N/mm2 满足要求!2、挠度验算νmax =0.677q'la4/(100EI)=0.677×1.04×15004/(100×206000×107800)=1.602mmνmax =1.602mm≤[ν]=min[la/150,10]=min[1500/150,10]=10mm满足要求!3、支座反力计算承载能力极限状态Rmax =1.1qla=1.1×1.43×1.5=2.35kN正常使用极限状态Rmax '=1.1q'la=1.1×1.04×1.5=1.71kN四、横向水平杆验算承载能力极限状态由上节可知F1=Rmax=2.35kNq=1.2×0.033=0.04kN/m 正常使用极限状态由上节可知F1'=Rmax'=1.71kNq'=0.033kN/m1、抗弯验算计算简图如下:弯矩图(kN·m) σ=Mmax/W=0.7×106/4490=156.35N/mm2≤[f]=205N/mm2 满足要求!2、挠度验算计算简图如下:变形图(mm)νmax =1.991mm≤[ν]=min[lb/150,10]=min[900/150,10]=6mm满足要求!3、支座反力计算承载能力极限状态Rmax=2.37kN五、扣件抗滑承载力验算扣件抗滑承载力验算:纵向水平杆:Rmax =2.35/2=1.18kN≤Rc=0.75×8=6kN横向水平杆:Rmax =2.37kN≤Rc=0.75×8=6kN满足要求!六、荷载计算立杆静荷载计算1、立杆承受的结构自重标准值N G1k单外立杆:N G1k =(gk+l a ×n/2×0.033/h)×(H-H 1)=(0.129+1.5×2/2×0.033/1.8)×(51.3-24)=4.28kN 单内立杆:N G1k =4.28kN双外立杆:N G1k =(gk+0.033+l a ×n/2×0.033/h)×H 1=(0.129+0.033+1.5×2/2×0.033/1.8)×24=4.56kN 双内立杆:N GS1k =4.56kN 2、脚手板的自重标准值N G2k1单外立杆:N G2k1=((H-H 1)/h+1)×la ×l b ×G kjb ×1/2/2=((51.3-24)/1.8+1)×1.5×0.9×0.35×1/2/2=1.91kN 1/2表示脚手板2步1设 单内立杆:N G2k1=1.91kN双外立杆:N GS2k1=H 1/h ×la ×l b ×G kjb ×1/2/2=24/1.8×1.5×0.9×0.35×1/2/2=1.58kN1/2表示脚手板2步1设 双内立杆:N GS2k1=1.58kN 3、栏杆与挡脚板自重标准值N G2k2单外立杆:N G2k2=((H-H 1)/h+1)×la ×G kdb ×1/2=((51.3-24)/1.8+1)×1.5×0.14×1/2=1.7kN1/2表示挡脚板2步1设双外立杆:N GS2k2=H 1/h ×la ×G kdb ×1/2=24/1.8×1.5×0.14×1/2=1.4kN 1/2表示挡脚板2步1设 4、围护材料的自重标准值N G2k3单外立杆:N G2k3=G kmw ×la ×(H-H 1)=0.01×1.5×(51.3-24)=0.41kN 双外立杆:N GS2k3=G kmw ×la ×H 1=0.01×1.5×24=0.36kN 构配件自重标准值N G2k 总计单外立杆:N G2k =N G2k1+N G2k2+N G2k3=1.91+1.7+0.41=4.02kN单内立杆:N G2k =N G2k1=1.91kN双外立杆:N GS2k =N GS2k1+N GS2k2+N GS2k3=1.58+1.4+0.36=3.34kN 双内立杆:N GS2k =N GS2k1=1.58kN 立杆施工活荷载计算外立杆:N Q1k =la ×l b ×(n jj ×G kjj +n zj ×G kzj )/2=1.5×0.9×(1×3+1×2)/2=3.38kN 内立杆:N Q1k =3.38kN组合风荷载作用下单立杆轴向力:单外立杆:N=1.2×(N G1k + N G2k )+0.9×1.4×N Q1k =1.2×(4.28+4.02)+ 0.9×1.4×3.38=14.21kN单内立杆:N=1.2×(N G1k + N G2k )+0.9×1.4×N Q1k =1.2×(4.28+1.91)+ 0.9×1.4×3.38=11.68kN双外立杆:N s =1.2×(N GS1k + N GS2k )+0.9×1.4×N Q1k =1.2×(4.56+3.34)+ 0.9×1.4×3.38=13.73kN双内立杆:N s =1.2×(N GS1k + N GS2k )+0.9×1.4×N Q1k =1.2×(4.56+1.58)+ 0.9×1.4×3.38=11.62kN七、钢丝绳卸荷计算钢丝绳卸荷钢丝绳绳卡作法钢丝绳连接吊环作法(共用)第1次卸荷验算α1=arctan(ls/Hs)=arctan(3000/200)=86.19°α2=arctan(ls/Hs)=arctan(3000/1100)=69.86°钢丝绳竖向分力,不均匀系数KX取1.5P1=Kf×KX×N×hj(n+1)/(H-H1)×HL/la=0.8×1.5×11.68×21/(51.3-24)×3/1.5=21.56kNP2=Kf×KX×N×hj(n+1)/(H-H1)×HL/la=0.8×1.5×14.21×21/(51.3-24)×3/1.5=26.23kN钢丝绳轴向拉力T1=P1/sinα1=21.56/sin86.19°=21.61kNT2=P2/sinα2=26.23/sin69.86°=27.94kN卸荷钢丝绳的最大轴向拉力[Fg]=max[T1,T2]=27.94kN绳夹数量:n=1.667[Fg]/(2T)=1.667×27.94/(2×15.19)=2个≤[n]=5个满足要求!Pg =k×[Fg]/α=9×27.94/0.85=295.8kN钢丝绳最小直径dmin =(Pg/0.5)1/2=(295.8/0.5)1/2=24.32mm吊环最小直径dmin =(4A/π)1/2=(4×[Fg]/([f]π))1/2=4×27.94×103/(65π))1/2=24mm注:[f]为拉环钢筋抗拉强度,按《混凝土结构设计规范》9.7.6 每个拉环按2个截面计算的吊环应力不应大于65N/mm2第1次卸荷钢丝绳最小直径24.32mm,必须拉紧至27.94kN,吊环最小直径为24mm。
双排扣件钢管脚手架计算书依据规范:《建筑施工脚手架安全技术统一标准》GB51210-2016《建筑施工扣件式钢管脚手架安全技术规范》JGJ130-2011《建筑结构荷载规范》GB50009-2012《钢结构设计规范》GB50017-2017《建筑地基基础设计规范》GB50007-2011计算参数:钢管强度为205.0 N/mm2,钢管强度折减系数取1.00。
双排脚手架,搭设高度15.5米,立杆采用单立管。
立杆的纵距1.50米,立杆的横距0.80米,内排架距离结构0.30米,立杆的步距1.80米。
钢管类型为φ48×3.0,连墙件采用2步2跨,竖向间距3.60米,水平间距3.00米。
施工活荷载为2.0kN/m2,同时考虑2层施工。
脚手板采用竹串片,荷载为0.35kN/m2,按照铺设4层计算。
栏杆采用竹串片,荷载为0.17kN/m,安全网荷载取0.0100kN/m2。
脚手板下小横杆在大横杆上面,且主结点间增加一根小横杆。
基本风压0.30kN/m2,高度变化系数1.0000,体型系数0.6000。
地基承载力标准值170kN/m2,基础底面扩展面积0.250m2,地基承载力调整系数0.40。
钢管惯性矩计算采用I=π(D4-d4)/64,抵抗距计算采用W=π(D4-d4)/32D。
一、小横杆的计算:小横杆按照简支梁进行强度和挠度计算,小横杆在大横杆的上面。
按照小横杆上面的脚手板和活荷载作为均布荷载计算小横杆的最大弯矩和变形。
1.均布荷载值计算小横杆的自重标准值P1=0.038kN/m脚手板的荷载标准值P2=0.350×1.500/2=0.262kN/m活荷载标准值Q=2.000×1.500/2=1.500kN/m荷载的计算值q=1.2×0.038+1.2×0.262+1.4×1.500=2.461kN/m小横杆计算简图2.抗弯强度计算最大弯矩考虑为简支梁均布荷载作用下的弯矩计算公式如下:M=2.461×0.8002/8=0.197kN.mσ=γ0M/W = 1.000×0.197×106/4493.0=43.821N/mm2小横杆的计算强度小于205.0N/mm2,满足要求!3.挠度计算最大挠度考虑为简支梁均布荷载作用下的挠度计算公式如下:荷载标准值q=0.038+0.262+1.500=1.801kN/m简支梁均布荷载作用下的最大挠度V=5.0×1.801×800.04/(384×2.06×105×107831.2)=0.432mm小横杆的最大挠度小于800.0/150与10mm,满足要求!二、大横杆的计算:大横杆按照三跨连续梁进行强度和挠度计算,小横杆在大横杆的上面。
扣件式钢管脚手架设计计算书本工程建筑装修结构用扣件式双排脚手架,ΣQK=5.0KN/m2,建筑物层高二层3.3m,三、四、五、六层为2.9m,脚手架搭设高度16.1M,W0=0.5KN/m2,地面粗糙度为B类,脚手架背靠建筑物为砖混,木脚手板,Q235、Φ48×3.5mm 钢管,密目网全封闭,网重0.002KN/m2,网目2400目/100cm2,每目透风面积为1.5mm2。
一、槽钢作扣件式钢管脚手架支撑计算1、脚手架荷载计算(1)、线荷载计算结构荷载标准值3×1.5=4.5KN.M木脚手架0.35×1.5=0.525KN.M剪刀撑L=1.52+1.52=2.12MS=1.5×1.2=1.8M2(1.5×2+1.5×2+1.2+2.12×2)×38.4×1.3+10×41.8=340N/m2高度按五层荷载计算,3.3×2.9×4+1.2=16.1M340×16.1×1.2=6.57KN钢管脚手架自重300×16.1=4.83KN荷载轴向计算求q:q=4.5+0.525+6.57+4.83=15.425KN.M(2)、抗弯强度计算按集中荷载计算M=Kmgl=0.188×15.425×1.4=4.06KN.MM4.06×106N.mmQ=—=———————=65.8mPa<f=215Mpa([12槽钢)W61.7×1000(3)、按挠度计算5qL45×15.425×14W=——=———————=2.02mm384E1384×2.1×100000×388.5×1000[120<3mm满足要求根据以上计算,故先取槽钢[12满足要求螺栓选取M20=38200N>15.425×1.4=21595N钢丝绳选取6×19×11(绳直径)=61.3KN>21595N故满足要求。
钢管落地脚手架计算书1 工程;工程建立地点:;属于构造;地上 0 层;地下 0 层;建筑高度:0m;原则层层高:0m ;总建筑面积:0 平方米;总工期:0 天。
本工程由投资建立,设计,地质勘察,监理,组织施工;由担任工程经理,担任技术负责人。
扣件式钢管落地脚手架的计算根据?建筑施工扣件式钢管脚手架平安技术规?(JGJ130-)、?建筑地基根底设计规?(GB 50007-)、?建筑构造荷载规?(GB 50009-)、? 钢构造设计规?(GB 50017-)等编制。
一、参数信息1.脚手架参数双排脚手架搭设高度为 25 m,立杆采用单立杆;搭设尺寸为:横距 L b为 1.2m,纵距 L a为 1.2m,大小横杆的步距为 1.5 m;排架距离墙长度为 0.30m;小横杆在上,搭接在大横杆上的小横杆根数为 2 根;采用的钢管类型为Φ48Χ3.0;横杆与立杆连接方式为单扣件;连墙件采用两步三跨,竖向间距 3 m,水平间距 3.6 m,采用扣件连接;连墙件连接方式为双扣件;2.活荷载参数施工均布活荷载原则值:2.000 kN/m2;脚手架用途:装修脚手架;同时施工层数:2 层;3.风荷载参数本工程地处市,根本风压 0.5 kN/m2;风荷载高度变化系数μz,计算连墙件强度时取 0.92,计算立杆稳定性时取 0.74,风荷载体型系数μs为 0.693;4.静荷载参数每米立杆承受的构造自重原则值(kN/m):0.1291;脚手板自重原则值(kN/m2):0.300;栏杆挡脚板自重原则值(kN/m):0.150;平安设施与平安网(kN/m2):0.005;脚手板类别:竹笆片脚手板;栏杆挡板类别:竹笆片脚手板挡板;每米脚手架钢管自重原则值(kN/m):0.033;脚手板铺设总层数:16;5.地基参数地基土类型:素填土;地基承载力原则值(kPa):80.00;立杆根底底面面积(m2):0.20;地基承载力调节系数:1.00。
双排钢管脚⼿架施⼯⽅案(详细计算书)免费双排钢管脚⼿架施⼯⽅案(详细计算书) 免费【最新资料Word版可⾃由编辑!】某⼯程双排扣件式钢管落地脚⼿架施⼯⽅案⼴西建⼯集团第⼆建筑⼯程有限责任公司⽬录1编制依据42⼯程概况43施⼯部署43.1组织机构43.2设计总体思路 43.3劳动⼒准备43.4材料准备53.5机具准备63.6技术准备64脚⼿架构造要求64.1总的设计尺⼨ 64.2纵向⽔平杆64.3横向⽔平杆74.4脚⼿板74.6连墙件74.7门洞84.8剪⼑撑84.9扣件84.10基础84.11上⼈斜道85脚⼿架的搭设和拆除施⼯⼯艺85.1落地脚⼿架搭设施⼯⼯艺85.2脚⼿架的拆除施⼯⼯艺 96⽬标和验收标准97安全⽂明施⼯保证措施107.1材质及其使⽤的安全技术措施107.2脚⼿架搭设的安全技术措施107.3脚⼿架上施⼯作业的安全技术措施107.4脚⼿架拆除的安全技术措施117.5⽂明施⼯要求 117.6应执⾏的强制性条⽂138设计计算148.1荷载传递路线 148.2横向⽔平杆强度计算148.3纵向⽔平杆强度计算158.4连接扣件抗滑承载⼒计算168.5⽴杆稳定性计算168.6连墙件验算198.7⽴杆地基承载⼒计算209 附图附图-1 外架平⾯布置图附图-2 外架剖⾯图和⽴⾯图附图-3 基础、门洞和连墙件做法1编制依据《建筑施⼯扣件式钢管脚⼿架》(JGJ130-2001,2002年版);《建筑施⼯安全检查标准》(JGJ59-99);《建筑施⼯⾼处作业安全技术规范》(JGJ80-91);本⼯程施⼯图纸和投标⽂件;本⼯程施⼯组织设计。
2⼯程概况本⼯程位于南宁市,框架结构。
东西向1⾄8轴长50.4m,南北向A⾄E轴宽28.8m。
层⾼3.3m,共8层,现地⾯平均标⾼为-0.600m,屋⾯⼥⼉墙⾼1.400m,⼥⼉墙顶建筑标⾼为27.800m。
现地⾯⾄⼥⼉墙顶总⾼为28.400m。
3施⼯部署外架搭设由外架⼯长负责组织实施,其他⼈员配合。
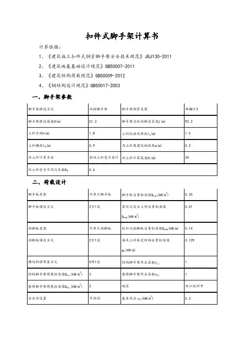
扣件式脚手架计算书计算依据:1、《建筑施工扣件式钢管脚手架安全技术规范》JGJ130-20112、《建筑地基基础设计规范》GB50007-20113、《建筑结构荷载规范》GB50009-20124、《钢结构设计规范》GB50017-2003一、脚手架参数(其中10层、11层采用12米以下为双立杆)脚手架设计类型结构脚手架,装修脚手架脚手板设计荷载(kN/m2) 3,2同时施工作业层数1,1 卸荷设置无脚手架搭设方式双排脚手架脚手架钢管类型Ф48×3.5脚手架架体高度H(m) 40 脚手架沿纵向搭设长度L(m) 243立杆步距h(m) 1.8 立杆纵距或跨距l a(m) 1.5立杆横距l b(m) 1 内立杆离建筑物距离a(m) 0.2双立杆计算方法按双立杆受力设计双立杆计算高度H1(m) 12双立杆受力不均匀系数K S0.6二、荷载设计脚手板类型竹串片脚手板脚手板自重标准值G kjb(kN/m2) 0.35脚手板铺设方式2步1设密目式安全立网自重标准值G kmw(kN/m 2)0.01挡脚板类型竹串片挡脚板栏杆与挡脚板自重标准值G kdb(kN/m) 0.14 挡脚板铺设方式2步1设每米立杆承受结构自重标准值g k(kN/m)0.129 横向斜撑布置方式5跨1设结构脚手架作业层数n jj 1结构脚手架荷载标准值G kjj(kN/m 2) 3 装修脚手架作业层数n zj 1装修脚手架荷载标准值G kzj(kN/m 2) 2 地区浙江慈溪市安全网设置全封闭基本风压ω0(kN/m2) 0.3风荷载体型系数μs 1.254 风压高度变化系数μz(连墙件、单立杆、双立杆稳定性)1.06,0.796,0.65风荷载标准值ωk(kN/m2)(连墙件、单立杆、双立杆稳定性)0.399,0.299,0.245计算简图:立面图侧面图三、纵向水平杆验算纵、横向水平杆布置方式纵向水平杆在上横向水平杆上纵向水平杆根数n 2横杆抗弯强度设计值[f](N/mm2) 205 横杆截面惯性矩I(mm4) 121900 横杆弹性模量E(N/mm2) 206000 横杆截面抵抗矩W(mm3) 5080纵、横向水平杆布置承载能力极限状态1/(2+1))+1.43×1/(2+1)=1.(0.038+0.35×G k×l b/(n+1)=1.2×q=1.2×(0.038+G kjb×l b/(n+1))+1.4×586kN/m正常使用极限状态q'=(0.038+G kjb×l b/(n+1))+G k×l b/(n+1)=(0.038+0.35×1/(2+1)=1.155kN/m1/(2+1))+3×计算简图如下:1、抗弯验算M max=0.1ql a2=0.1×1.586×1.52=0.357kN·mσ=M max/W=0.357×106/5080=70.25N/mm2≤[f]=205N/mm2满足要求!2、挠度验算1.155×15004/(100×206000×121900)=1.576mmνmax=0.677q'l a4/(100EI)=0.677×=min[l a/150,10]=min[1500/150,10]=10mm νmax=1.576mm≤[ν]满足要求!3、支座反力计算承载能力极限状态R max=1.1ql a=1.1×1.586×1.5=2.617kN正常使用极限状态R max'=1.1q'l a=1.1×1.155×1.5=1.906kN四、横向水平杆验算承载能力极限状态由上节可知F1=R max=2.617kNq=1.2×0.038=0.046kN/m正常使用极限状态由上节可知F1'=R max'=1.906kNq'=0.038kN/m1、抗弯验算计算简图如下:弯矩图(kN·m)σ=M max/W=0.877×106/5080=172.679N/mm2≤[f]=205N/mm2 满足要求!2、挠度验算计算简图如下:变形图(mm)=min[l b/150,10]=min[1000/150,10]=6.667mm νmax=2.712mm≤[ν]满足要求!3、支座反力计算承载能力极限状态R max=2.64kN五、扣件抗滑承载力验算横杆与立杆连接方式单扣件扣件抗滑移折减系数0.85 扣件抗滑承载力验算:纵向水平杆:R max=2.617/2=1.309kN≤Rc=0.85×8=6.8kN横向水平杆:R max=2.64kN≤Rc=0.85×8=6.8kN满足要求!六、荷载计算脚手架架体高度H 40 双立杆计算高度H112脚手架钢管类型Ф48×3.5每米立杆承受结构自重标准值0.129gk(kN/m)立杆静荷载计算1、立杆承受的结构自重标准值N G1k单外立杆:(40-12)=4.508kN2/2×0.038/1.8)×N G1k=(gk+l a×n/2×0.038/h)×(H-H1)=(0.129+1.5×单内立杆:N G1k=4.508kN双外立杆:12=2.393kN2/2×0.038/1.8)×H1=(0.129+0.038+1.5×N G1k=(gk+0.038+l a×n/2×0.038/h)×双内立杆:N GS1k=2.393kN2、脚手板的自重标准值N G2k1单外立杆:1.5×1×0.35×1/2/2=2.173kNN G2k1=((H-H1)/h+1)×l a×l b×G kjb×1/2/2=((40-12)/1.8+1)×1/2表示脚手板2步1设单内立杆:N G2k1=2.173kN1.5×1×0.35×1/2/2=0.875kN双外立杆:N GS2k1=H1/h×la×l b×G kjb×1/2/2=12/1.8×1/2表示脚手板2步1设双内立杆:N GS2k1=0.875kN3、栏杆与挡脚板自重标准值N G2k21.5×0.14×1/2=1.738kN单外立杆:N G2k2=((H-H1)/h+1)×la×G kdb×1/2=((40-12)/1.8+1)×1/2表示挡脚板2步1设1.5×0.14×1/2=0.7kN双外立杆:N GS2k2=H1/h×la×G kdb×1/2=12/1.8×1/2表示挡脚板2步1设4、围护材料的自重标准值N G2k3单外立杆:N G2k3=G kmw×la×(H-H1)=0.01×1.5×(40-12)=0.42kN双外立杆:N GS2k3=G kmw×la×H1=0.01×1.5×12=0.18kN构配件自重标准值N G2k总计单外立杆:N G2k=N G2k1+N G2k2+N G2k3=2.173+1.738+0.42=4.331kN单内立杆:N G2k=N G2k1=2.173kN双外立杆:N GS2k=N GS2k1+N GS2k2+N GS2k3=0.875+0.7+0.18=1.755kN双内立杆:N GS2k=N GS2k1=0.875kN立杆施工活荷载计算外立杆:N Q1k=la×l b×(n jj×G kjj+n zj×G kzj)/2=1.5×1×(1×3+1×2)/2=3.75kN 内立杆:N Q1k=3.75kN组合风荷载作用下单立杆轴向力:单外立杆:N=1.2×(N G1k+ N G2k)+0.9×1.4×N Q1k=1.2×(4.508+4.331)+0.9×1.4×3.75=15.332kN单内立杆:N=1.2×(N G1k+ N G2k)+0.9×1.4×N Q1k=1.2×(4.508+2.173)+0.9×1.4×3.75=12.742kN双外立杆:N s=1.2×(N GS1k+ N GS2k)+0.9×1.4×N Q1k=1.2×(2.393+1.755)+0.9×1.4×3.75=9.702kN双内立杆:N s=1.2×(N GS1k+ N GS2k)+0.9×1.4×N Q1k=1.2×(2.393+0.875)+0.9×1.4×3.75=8.646kN七、立杆稳定性验算脚手架架体高度H 40 双立杆计算高度H112 双立杆受力不均匀系数K S0.6 立杆计算长度系数μ 1.5 立杆截面抵抗矩W(mm3) 5080 立杆截面回转半径i(mm) 15.8立杆抗压强度设计值[f](N/mm 2) 205 立杆截面面积A(mm2) 489连墙件布置方式两步两跨1、立杆长细比验算立杆计算长度l0=Kμh=1×1.5×1.8=2.7m长细比λ=l0/i=2.7×103/15.8=170.886≤210轴心受压构件的稳定系数计算:立杆计算长度l0=kμh=1.155×1.5×1.8=3.118m 长细比λ=l0/i=3.118×103/15.8=197.373查《规范》表A得,φ=0.186满足要求!2、立杆稳定性验算不组合风荷载作用单立杆的轴心压力设计值N=(1.2×(N G1k +N G2k )+1.4×N Q1k )=(1.2×(4.508+4.331)+1.4×3.75)=15.857kN 双立杆的轴心压力设计值N S =1.2×(N GS1k +N GS2k )+N=1.2×(2.393+1.755)+15.857=20.834kNσ=N/(φA)=15857.1/(0.186×489)=174.342N/mm 2≤[f]=205N/mm2满足要求!σ=KS N S /(φA)=0.6×20834.46/(0.186×489)=137.44N/mm 2≤[f]=205N/mm2满足要求!组合风荷载作用单立杆的轴心压力设计值N=(1.2×(N G1k +N G2k )+0.9×1.4×N Q1k )=(1.2×(4.508+4.331)+0.9×1.4×3.75)=15.332kN双立杆的轴心压力设计值N S =1.2×(N GS1k +N GS2k )+N=1.2×(2.393+1.755)+15.332=20.309kNM w =0.9×1.4×M wk =0.9×1.4×ωk l a h 2/10=0.9×1.4×0.299×1.5×1.82/10=0.183kN ·m σ=N/(φA)+M w /W=15332.1/(0.186×489)+183095.64/5080=204.612N/mm 2≤[f]=205N/mm 2满足要求!M ws =0.9×1.4×M wk =0.9×1.4×ωk l a h 2/10=0.9×1.4×0.245×1.5×1.82/10=0.15kN ·m σ=KS (N S /(φA)+ M w /W)=0.6×(20309.46/(0.186×489)+150028.2/5080)=151.696N/mm 2≤[f]=205N/mm 2满足要求!八、连墙件承载力验算连墙件布置方式两步两跨连墙件连接方式扣件连接连墙件约束脚手架平面外变形轴向力N0(kN) 3 连墙件计算长度l 0(mm)600连墙件截面类型钢管连墙件型号Ф48×3.5连墙件截面面积A c (mm 2)489 连墙件截面回转半径i(mm) 158连墙件抗压强度设计值[f](N/mm 2)205 连墙件与扣件连接方式双扣件扣件抗滑移折减系数0.85N lw =1.4×ωk ×2×h ×2×l a =1.4×0.399×2×1.8×2×1.5=6.033kN 长细比λ=l 0/i=600/158=3.797,查《规范》表A.0.6得,φ=0.992(N lw +N 0)/(φAc)=(6.033+3)×103/(0.992×489)=18.621N/mm 2≤0.85 ×[f]=0.85 ×205N/mm 2=174.25N/mm2满足要求!扣件抗滑承载力验算:N lw +N 0=6.033+3=9.033kN ≤0.85×12=10.2kN 满足要求!。
一、编制依据《建筑施工扣件式钢管脚手架安全技术规范》JGJ130-2011《建筑施工安全检查标准》JGJ59-2011《建筑施工高处作业安全技术规范》(JGJ80-91)《钢结构设计规范》(GB50017-2003)《建筑结构荷载设计规范》(GB50009-2001)(2006年版)《工程施工图纸》(广东南海国际建筑设计有限公司)二、概况项目名称:,项目地址:结构形式:框筒结构,建筑面积:,建筑高度: 1栋20层(总高100.4m),地下2层。
本工程外脚手架采用双排扣件式钢管脚手架落地搭设,结合钢丝绳斜拉吊卸荷,总高约101.90m。
除注明外,纵距(以下简称“跨”)≤1.5m,标准横距0.8m,步距为1.8m,外脚手架离建筑物距离为0.4m。
裙楼和地下室外脚手架采用双排扣件式钢管脚手架落地搭设,搭设高度分别为30.20m和11.50m。
脚手架拟支撑于本工程地下室顶板上。
地下室顶板板厚180mm,C35混凝土,配双层双向Φ10@180。
板最大跨度为7.0×3.9m,验算时取最大跨度板,具体见脚手架架在楼板上计算书。
经验算,不需采取回顶措施。
三、施工搭设方案1、建筑物裙楼和塔楼平面大致呈长方形,外脚手架拟采用双排扣件式钢管脚手架落地搭设,结合钢丝绳斜拉吊卸荷。
在7(北面)、10、13、16、19和21层边梁处预埋吊环用钢丝绳拉吊外脚手架卸荷。
吊环采用φ20钢筋,钢丝绳采用6×19 φ16钢丝绳。
拉吊位置同外脚手架的柱距,具体做法详脚手架拉吊示意图。
另自首层平桥起每升高不大于10米设一道兜底安全网(加强型尼龙水平安全网)。
2、建筑物北面从地下室顶板搭设到顶,其他部位分裙楼和塔楼分别搭设。
3、建筑物外装修采用玻璃幕墙和石材幕墙,外脚手架内立杆距离建筑物为400mm,建筑物转角石材幕墙比其他部位外凸100mm,转角处外脚手架内立杆距离建筑物为500mm,脚手架横距0.8m。
4、地下室侧墙外脚手架采用双排落地式钢管脚手架,搭设高度为11.5m。
脚手架施工方案一、工程概况本工程建筑面积3988.4m2,建筑层数三层,局部四层,建筑结构类型框架,总高度为16.3m。
二、搭设形式和材质1、本工程采用双排落地式外脚手架(扣件式钢管脚手架),架体外围护密目安全网封闭。
2、钢管选用国家标准《直缝电焊钢管》(GB/T13793)3号普通钢管,其质量符合《碳素结构钢》(GB/T700)中Q235-A级钢的规定,尺寸为外径48mm,壁厚3.5mm。
新、旧架管在使用前应保养、除锈,刷防锈漆,统一涂色。
3、扣件采用铸铁扣件,其材质符合国家标准《钢管脚手架扣件》(GB15831)规定。
4、脚手板采用竹脚手板。
三、施工准备1、单位工程负责人应按施工组织设计中有关规定的要求,向架设作业和使用人员进行技术交底。
2、应按《建筑施工扣件式钢管脚手架安全技术规范》JGJ130-2001,8.1构配件检查与验收中8.1.1—8.1.5条规定和施工组织设计的要求对钢管、扣件、脚手板等进行检查验收,不合格产品不得使用。
3、经检验合格的构配件应按品种、规格分类,堆放整齐、平稳,堆放场地不得有积水。
4、搭设前应对场地进行平整,清除场地杂物,硬化基础,并做排水措施。
5、当脚手架下有设备基础、管沟时,在脚手架使用过程中不应开挖,否则必须采取加固措施。
四、搭设(一)地基与基础1、脚手架地基与基础的施工根据脚手架搭设高度、搭设场地土质情况与现行国家标准《建筑地基基础工程施工质量验收规范》(GB50202-2002)的有关规定进行。
2、脚手架底座底面标高宜高于自然地坪50mm。
基础平整夯实,宜采用砼硬化,立杆垂直落在垫板上,垫板宜采用长度不少于2跨、厚度不小于50mm的木垫板,亦可采用槽钢。
3、脚手架基础经验验收合格后,应按施工组织设计的要求定位放线。
并将底座、垫板准确放在定位线上。
(二)搭设1、搭设作业顺序:先搭设立杆,立杆底部用横、纵向扫地杆固定(固定立杆底端前,应确保立杆垂直),沿着建筑物竖起3-4根立杆后,随即装设第一步纵向水平杆(与立杆扣接固定),和横向水平杆(小横杆,靠近立杆并与纵向水平杆扣接固定)、校正立杆垂直和平杆水平使其符合要求后,按40-60N.m力矩拧紧扣件螺栓,形成构架的起始段,按照上述要求依次向前延伸(水平杆采用对接、立杆采用对接),直至第一步架体交圈完成。
钢管落地脚手架计算书1工程;工程建设地点:;属于结构;地上0层;地下0层;建筑高度:0m;标准层层高:0m ;总建筑面积:0平方米;总工期:0天。
本工程由投资建设,设计,地质勘察,监理,组织施工;由担任项目经理,担任技术负责人.扣件式钢管落地脚手架的计算依据《建筑施工扣件式钢管脚手架安全技术规范》(JGJ130—2001)、《建筑地基基础设计规范》(GB 50007-2002)、《建筑结构荷载规范》(GB 50009—2001)、《钢结构设计规范》(GB 50017—2003)等编制。
一、参数信息1.脚手架参数双排脚手架搭设高度为 25 m,立杆采用单立杆;搭设尺寸为:横距L b为 1。
2m,纵距L a为1。
2m,大小横杆的步距为1。
5 m;内排架距离墙长度为0.30m;小横杆在上,搭接在大横杆上的小横杆根数为 2 根;采用的钢管类型为Φ48Χ3。
0;横杆与立杆连接方式为单扣件;连墙件采用两步三跨,竖向间距 3 m,水平间距3。
6 m,采用扣件连接;连墙件连接方式为双扣件;2.活荷载参数施工均布活荷载标准值:2。
000 kN/m2;脚手架用途:装修脚手架;同时施工层数:2 层;3。
风荷载参数本工程地处广东东莞市,基本风压0。
5 kN/m2;风荷载高度变化系数μz,计算连墙件强度时取0.92,计算立杆稳定性时取0.74,风荷载体型系数μs为0.693;4.静荷载参数每米立杆承受的结构自重标准值(kN/m):0。
1291;脚手板自重标准值(kN/m2):0.300;栏杆挡脚板自重标准值(kN/m):0。
150;安全设施与安全网(kN/m2):0.005;脚手板类别:竹笆片脚手板;栏杆挡板类别:竹笆片脚手板挡板;每米脚手架钢管自重标准值(kN/m):0.033;脚手板铺设总层数:16;5。
地基参数地基土类型:素填土;地基承载力标准值(kPa):80.00;立杆基础底面面积(m2):0.20;地基承载力调整系数:1.00.二、小横杆的计算小横杆按照简支梁进行强度和挠度计算,小横杆在大横杆的上面。
G212线北温泉危岩带抢险整治工程扣件式钢管落地双排外脚手架计算书计算:复核:审核:中铁十七局集团有限公司G212线北温泉危岩带抢险整治工程项目经理部二O一一年三月一日目录1、概述 (1)2、编制依据、选型、计算及构造要求 (1)2.1、扣件式钢管落地脚手架所涉及的依据及规范 (1)2.2、脚手架选型 (1)2.3、脚手架设计参数 (2)3、扣件式钢管落地双排外脚手架计算书 (2)3.1、参数信息 (2)3.1.1、基本参数信息 (2)3.1.2、活荷载参数 (2)3.1.3、风荷载参数 (3)3.1.4、静荷载参数 (3)3.1.5、地基参数 (3)3.2、大横杆的计算 (3)3.2.1、均布荷载值计算 (3)3.2.2、强度验算 (4)3.2.3、挠度验算 (4)3.3、小横杆的计算 (5)3.3.1、荷载值计算 (5)3.3.2、强度验算 (5)3.3.3、挠度验算 (6)3.4、扣件抗滑力的计算 (6)3.5、脚手架立杆荷载计算 (7)3.6、立杆的稳定性计算 (7)3.7、最大搭设高度的计算 (9)3.8、连墙件的稳定性计算 (9)3.9、立杆的地基承载力计算 (10)4、脚手架搭设施工注意事项 (11)扣件式钢管落地双排外脚手架计算书1、概述重庆市北温泉危岩带位于重庆市北碚区嘉陵江温塘峡谷右岸,平面形态呈条带状展布,南起鹞鹰岩,北止于四川仪表厂东侧,全长约1000m,距重庆市核心区约32km,距北碚区城区约7km。
北温泉危岩带共划分11处危岩段,根据危岩岩体结构面发育程度及组合特征、切割块体的变形破坏机制及所处位置等情况,划分危岩体35个(已治理4个)块体最大规模为3211.67m3,总体积16432.4m3,属特大型危岩。
危岩体相对高度15~90m,属高~中位危岩体。
本合同段脚手架工程设计为7段,脚手架架设距离长、高,是本合同段的重、难点工程。
2、编制依据、选型、计算及构造要求2.1、扣件式钢管落地脚手架所涉及的依据及规范《建筑施工扣件式钢管脚手架安全技术规范》(JGJ 130-2001)《岩土锚杆(索)技术规程CECS22-2005》《建筑结构荷载规范》(GB50017-2003)《建筑边坡工程技术规范》(GB50330-2002)《建筑桩基技术规范》(JGJ94-94)《建筑地基基础设计规范》(GB50007-2002)《钢结构设计规范》(GB 50017-2003)《施工手册第四版》设计施工图、地勘资料及施工现场土质实际情况等2.2、脚手架选型2.2.1根据地质资料及施工现场实际情况显示,该支护从现有地平面搭设脚手架。
扣件式脚手架计算书计算依据:1、《建筑施工扣件式钢管脚手架安全技术规范》JGJ130-20112、《建筑地基基础设计规范》GB50007-20113、《建筑结构荷载规范》GB50009-20124、《钢结构设计规范》GB50017-2003一、脚手架参数二、荷载设计计算简图:立面图侧面图三、横向水平杆验算纵、横向水平杆布置承载能力极限状态q=1.2×(0.038+G kjb×l a/(n+1))+1.4×G k×l a/(n+1)=1.2×(0.038+0.35×1.5/(2+1))+1.4×3×1.5/(2+1 )=2.36kN/m正常使用极限状态q'=(0.038+G kjb×l a/(n+1))+G k×l a/(n+1)=(0.038+0.35×1.5/(2+1))+3×1.5/(2+1)=1.71kN/m 计算简图如下:1、抗弯验算M max=max[ql b2/8,qa12/2]=max[2.36×0.62/8,2.36×0.152/2]=0.11kN·mσ=M max/W=0.11×106/5080=20.87N/mm2≤[f]=205N/mm2满足要求!2、挠度验算νmax=max[5q'l b4/(384EI),q'a14/(8EI)]=max[5×1.71×6004/(384×206000×121900),1.71×1504/(8×206000×121900)]=0.115mmνmax=0.115mm≤[ν]=min[l b/150,10]=min[600/150,10]=4mm满足要求!3、支座反力计算承载能力极限状态R max=q(l b+a1)2/(2l b)=2.36×(0.6+0.15)2/(2×0.6)=1.1kN正常使用极限状态R max'=q'(l b+a1)2/(2l b)=1.71×(0.6+0.15)2/(2×0.6)=0.8kN四、纵向水平杆验算承载能力极限状态由上节可知F1=R max=1.1kNq=1.2×0.038=0.046kN/m正常使用极限状态由上节可知F1'=R max'=0.8kNq'=0.038kN/m1、抗弯验算计算简图如下:弯矩图(kN·m)σ=M max/W=0.45×106/5080=88.39N/mm2≤[f]=205N/mm2满足要求!2、挠度验算计算简图如下:变形图(mm)νmax=2.096mm≤[ν]=min[l a/150,10]=min[1500/150,10]=10mm满足要求!3、支座反力计算承载能力极限状态R max=2.57kN五、扣件抗滑承载力验算扣件抗滑承载力验算:横向水平杆:R max=1.1kN≤R c=0.85×8=6.8kN纵向水平杆:R max=2.57kN≤R c=0.85×8=6.8kN满足要求!六、荷载计算立杆静荷载计算1、立杆承受的结构自重标准值N G1k单外立杆:N G1k=(gk+(l b+a1)×n/2×0.038/h)×H=(0.129+(0.6+0.15)×2/2×0.038/1.5)×22.25=3.3kN 单内立杆:N G1k=3.3kN2、脚手板的自重标准值N G2k1单外立杆:N G2k1=(H/h+1)×la×(l b+a1)×G kjb×1/2/2=(22.25/1.5+1)×1.5×(0.6+0.15)×0.35×1/2/2=1.56kN 1/2表示脚手板2步1设单内立杆:N G2k1=1.56kN3、栏杆与挡脚板自重标准值N G2k2单外立杆:N G2k2=(H/h+1)×la×G kdb×1/2=(22.25/1.5+1)×1.5×0.17×1/2=2.02kN1/2表示挡脚板2步1设4、围护材料的自重标准值N G2k3单外立杆:N G2k3=G kmw×la×H=0.01×1.5×22.25=0.33kN构配件自重标准值N G2k总计单外立杆:N G2k=N G2k1+N G2k2+N G2k3=1.56+2.02+0.33=3.91kN单内立杆:N G2k=N G2k1=1.56kN立杆施工活荷载计算外立杆:N Q1k=la×(l b+a1)×(n jj×G kjj+n zj×G kzj)/2=1.5×(0.6+0.15)×(1×3+1×2)/2=2.81kN 内立杆:N Q1k=2.81kN组合风荷载作用下单立杆轴向力:单外立杆:N=1.2×(N G1k+ N G2k)+0.9×1.4×N Q1k=1.2×(3.3+3.91)+ 0.9×1.4×2.81=12.19kN 单内立杆:N=1.2×(N G1k+ N G2k)+0.9×1.4×N Q1k=1.2×(3.3+1.56)+ 0.9×1.4×2.81=9.37kN 七、立杆稳定性验算1、立杆长细比验算立杆计算长度l0=Kμh=1×1.5×1.5=2.25m长细比λ=l0/i=2.25×103/15.8=142.41≤210轴心受压构件的稳定系数计算:立杆计算长度l0=kμh=1.155×1.5×1.5=2.6m长细比λ=l0/i=2.6×103/15.8=164.48查《规范》表A得,φ=0.262满足要求!2、立杆稳定性验算不组合风荷载作用单立杆的轴心压力设计值N=1.2(N G1k+N G2k)+1.4N Q1k=1.2×(3.3+3.91)+1.4×2.81=12.59kNσ=N/(φA)=12587.75/(0.262×489)=98.25N/mm2≤[f]=205N/mm2满足要求!组合风荷载作用单立杆的轴心压力设计值N=1.2(N G1k+N G2k)+0.9×1.4N Q1k=1.2×(3.3+3.91)+0.9×1.4×2.81=12.19kNM w=0.9×1.4×M wk=0.9×1.4×ωk l a h2/10=0.9×1.4×0.34×1.5×1.52/10=0.14kN·mσ=N/(φA)+ M w/W=12194/(0.262×489)+144621.06/5080=123.65N/mm2≤[f]=205N/mm2满足要求!八、脚手架搭设高度验算不组合风荷载作用H s1=(φAf-(1.2N G2k+1.4N Q1k))×H/(1.2N G1k)=(0.262×489×205×10-3-(1.2×3.91+1.4×2.81))×22. 25/(1.2×3.3)=99.15m组合风荷载作用H s2=(φAf-(1.2N G2k+0.9×1.4×(N Q1k+M wkφA/W)))×H/(1.2N G1k)=(φAf-(1.2N G2k+0.9×1.4×N Q1k+M wφA/W))×H/(1.2N G1k)=(0.262×489×205×10-3-(1.2×3.91+0.9×1.4×2.81+0.14×1000×0.262×48 9/5080))×22.25/(1.2×3.3)=80.86mH s=80.86m>H=22.25m满足要求!九、连墙件承载力验算N lw=1.4×ωk×2×h×2×l a=1.4×0.45×2×1.5×2×1.5=5.7kN长细比λ=l0/i=600/158=3.8,查《规范》表A.0.6得,φ=0.99(N lw+N0)/(φAc)=(5.7+3)×103/(0.99×489)=17.93N/mm2≤0.85 ×[f]=0.85 ×205N/mm2=174.25N/mm2满足要求!扣件抗滑承载力验算:N lw+N0=5.7+3=8.7kN≤0.85×12=10.2kN满足要求!。
====双排扣件钢管脚手架计算书依据规范:《建筑施工脚手架安全技术统一标准》GB51210-2016JGJ130-2011《建筑施工扣件式钢管脚手架安全技术规范》《建筑结构荷载规范》GB50009-2012《钢结构设计规范》GB50017-2017《建筑地基基础设计规范》GB50007-2011计算参数:2,钢管强度折减系数取1.00205.0N/mm。
钢管强度为双排脚手架,搭设高度15.5米,立杆采用单立管。
立杆的纵距1.50米,立杆的横距0.80米,内排架距离结构0.30米,立杆的步距1.80米。
钢管类型为φ48×3.0,连墙件采用2步2跨,竖向间距3.60米,水平间距3.00米。
2层施工。
,同时考虑2施工活荷载为2.0kN/m2脚手板采用竹串片,荷载为层计算。
,按照铺设0.35kN/m42。
0.0100kN/m 0.17kN/m,安全网荷载取栏杆采用竹串片,荷载为脚手板下小横杆在大横杆上面,且主结点间增加一根小横杆。
2,高度变化系数1.0000,体型系数0.6000基本风压0.30kN/m。
22地基承载力标准值170kN/m,基础底面扩展面积0.250m,地基承载力调整系数0.40。
4444,抵抗距计算采用-d)/64(D钢管惯性矩计算采用I=π)/32D(D。
-dW=π一、小横杆的计算:小横杆按照简支梁进行强度和挠度计算,小横杆在大横杆的上面。
按照小横杆上面的脚手板和活荷载作为均布荷载计算小横杆的最大弯矩和变形。
1.均布荷载值计算=0.038kN/mP小横杆的自重标准值1=0.350×1.500/2=0.262kN/mP脚手板的荷载标准值2活荷载标准值 Q=2.000×1.500/2=1.500kN/m==========荷载的计算值 q=1.2×0.038+1.2×0.262+1.4×1.500=2.461kN/m小横杆计算简图2.抗弯强度计算最大弯矩考虑为简支梁均布荷载作用下的弯矩计算公式如下:2M=2.461/8=0.197kN.m×0.80062/4493.0=43.821N/mm10×0.197×M/W=1.000 γσ=02小横杆的计算强度小于205.0N/mm,满足要求! 3.挠度计算最大挠度考虑为简支梁均布荷载作用下的挠度计算公式如下:荷载标准值q=0.038+0.262+1.500=1.801kN/m简支梁均布荷载作用下的最大挠度45102.06×/(384×1.801V=5.0 ××800.0×107831.2)=0.432mm小横杆的最大挠度小于800.0/150与10mm,满足要求!二、大横杆的计算:大横杆按照三跨连续梁进行强度和挠度计算,小横杆在大横杆的上面。
用小横杆支座的最大反力计算值,在最不利荷载布置下计算大横杆的最大弯矩和变形。
1.荷载值计算=0.038×0.800=0.031kNP小横杆的自重标准值1=0.350×0.800×1.500/2=0.210kNP脚手板的荷载标准值2==========活荷载标准值Q=2.000×0.800×1.500/2=1.200kN荷载的计算值 P=(1.2×0.031+1.2×0.210+1.4×1.200)/2=0.984kN大横杆计算简图2.抗弯强度计算最大弯矩考虑为大横杆自重均布荷载与荷载的计算值最不利分配的弯矩和均布荷载最大弯矩计算公式如下:集中荷载最大弯矩计算公式如下:2M=0.08+0.175×0.984×1.500=0.267kN.m(1.2××0.038)×1.50062/4493.0=59.361N/mm×10M/W=1.000×0.267 =γσ02大横杆的计算强度小于205.0N/mm,满足要求!3.挠度计算最大挠度考虑为大横杆自重均布荷载与荷载的计算值最不利分配的挠度和均布荷载最大挠度计算公式如下:集中荷载最大挠度计算公式如下:大横杆自重均布荷载引起的最大挠度45V102.060××=0.677×0.0381500.00×/(100×107831.200)=0.059mm1集中荷载标准值P=(0.031+0.210+1.200)/2=0.720kN集中荷载标准值最不利分配引起的最大挠度==========35V102.060×/(100×=1.146×720.360×1500.00×107831.200)=1.254mm2最大挠度和V=V+V=1.314mm21大横杆的最大挠度小于1500.0/150与10mm,满足要求!三、扣件抗滑力的计算 :纵向或横向水平杆与立杆连接时,扣件的抗滑承载力按照下式计算:R≤R γc0其中R——扣件抗滑承载力设计值,单扣件取8.0kN,双扣件取12.0kN;cR——纵向或横向水平杆传给立杆的竖向作用力设计值;γ——结构重要性系数;01.荷载值计算=0.038×1.500=0.058kN P横杆的自重标准值1=0.350×0.800×1.500/2=0.210kNP脚手板的荷载标准值2活荷载标准值Q=2.000×0.800×1.500/2=1.200kNR=1.000×(1.2×0.058+1.2×0.210+1.4×1.200)=2.001kNγ荷载的计算值0!单扣件抗滑承载力的设计计算满足要求当直角扣件的拧紧力矩达40--65N.m时,试验表明:单扣件在12kN的荷载下会滑动,其抗滑承载力可取8.0kN;双扣件在20kN的荷载下会滑动,其抗滑承载力可取12.0kN。
四、脚手架荷载标准值 :作用于脚手架的荷载包括静荷载、活荷载和风荷载。
静荷载标准值包括以下内容:(1)每米立杆承受的结构自重标准值(kN/m);本例为0.1072N=0.107×15.500=1.662kN G12);本例采用竹串片脚手板,标准值为0.35 (2)脚手板的自重标准值(kN/mN=0.350×4×1.500×(0.800+0.300)/2=1.155kN G2(3)栏杆与挡脚手板自重标准值 (kN/m);本例采用栏杆、竹串片脚手板挡板,标准值为0.17==========N=0.170×1.500×4=1.020kN G320.010);(4)吊挂的安全设施荷载,包括安全网(kN/m N=0.010×1.500×15.500=0.232kN G4=N+N+N+N=4.070kN。
N经计算得到,静荷载标准值G4G2GG1G3活荷载为施工荷载标准值产生的轴向力总和,内、外立杆按一纵距内施工荷载总和的1/2取值。
=2.000×2×1.500×0.800/2=2.400kNN经计算得到,活荷载标准值Q风荷载标准值应按照以下公式计算2),W=0.300(kN/m——基本风压W其中00=1.000U——风荷载高度变化系数,U z zU=0.600——风荷载体型系数:U s s2。
0.600=0.180kN/m1.000×经计算得到:W=0.300×k立杆的轴向压力设计值计算公式,考虑风荷载时N=1.2N+1.4N QG经过计算得到,底部立杆的最大轴向压力:N=1.2 ×4.070+1.0×1.4×2.400=8.244kN不考虑风荷载时,立杆的轴向压力设计值计算公式N=1.2N+1.4N QG经过计算得到,底部立杆的最大轴向压力:N=1.2 ×4.070+1.4×2.400=8.244kN风荷载设计值产生的立杆段弯矩M计算公式W2=1.4M H l×0.05ξW0.6×ca W k(kN/m);W2风荷载标准值其中——kl(m);——立杆的纵距aξ——弯矩折减系数;Hc(m)。
——连墙件间竖向垂直距离经过计算得到风荷载产生的弯矩:==========3.600=0.088kN.m××3.600×0.180×1.500M=1.4×0.6×0.05×0.60w:五、立杆的稳定性计算不考虑风荷载时,立杆的稳定性计算1.——立杆的轴心压力设计值,其中N;N=8.244kNi=1.60cm;——计算立杆的截面回转半径,i;k——计算长度附加系数,取1.155u;u=1.500——计算长度系数,由脚手架的高度确定,l=kuh(m),——计算长度由公式l;1.500×1.800=3.118m确定,l=1.155×0002——立杆净截面面积,A;A=4.241cm;W——立杆净截面模量(抵抗矩),W=4.493cm3 3118/16=196λ——长细比,为!λ2700/16=169<2101),为取——允许长细比(k长细比验算满足要求0/il;0.190,由长细比的结果查表得到φ——轴心受压立杆的稳定系数0;)(N/mm2σ——钢管立杆受压强度计算值2[f]=205.00N/mm[f]——钢管立杆抗压强度设计值,;:经计算得到2;××=1.08244/(0.19424)=102.543N/mmσ<[f],不考虑风荷载时,立杆的稳定性计算σ!满足要求考虑风荷载时,立杆的稳定性计算 2.——立杆的轴心压力设计值,其中N;N=8.244kNi;——计算立杆的截面回转半径,i=1.60cm;1.155——计算长度附加系数,取k;——计算长度系数,由脚手架的高度确定,u=1.500u===========kuh确定,l=1.155×1.500×1.800=3.118m;ll 由公式——计算长度(m),0002A=4.241cm——立杆净截面面积,A;3W——立杆净截面模量(抵抗矩),W=4.493cm;λ——长细比,为3118/16=196λ——允许长细比(k取1),为2700/16=169<210长细比验算满足要求!0/ilφ——轴心受压立杆的稳定系数,由长细比的结果查表得到0.190;0M——计算立杆段由风荷载设计值产生的弯矩,M=0.088kN.m;W W2);(N/mmσ——钢管立杆受压强度计算值2;——钢管立杆抗压强度设计值,[f]=205.00N/mm[f]2σ=1.0×8244/(0.19×424)+1.0×88000/4493=122.169N/mm;经计算得到σ<[f],满足要求!考虑风荷载时,立杆的稳定性计算六、最大搭设高度的计算 :[H],按下式计算:不考虑风荷载时,当立杆采用单管时,单、双排脚手架允许搭设高度φσ-(1.2N+1.4N-N)]/1.2gA[H]=[k XieG2k Qk NN=2.408kN其中;——构配件自重标准值产生的轴向力,QG2k G2k=2.400kNN——活荷载标准值,N;kQkg g=0.107kN/m——每米立杆承受的结构自重标准值,;k k=0.000kNN N;——轴向力钢丝绳卸荷部分,Xie Qk σ——钢管立杆抗压强度设计值,σ=205.00N/mm;2经计算得到,不考虑风荷载时,按照稳定性计算的搭设高度[H]=79.503米。