复旦运放课程设计
- 格式:docx
- 大小:3.60 KB
- 文档页数:2
2级运放课程设计一、课程目标知识目标:1. 让学生掌握二级运放的基本原理,理解运放电路的组成及各部分功能。
2. 使学生了解二级运放电路的电压增益、输入输出阻抗等性能参数,并能进行简单的计算。
3. 引导学生掌握运放电路的频率响应特性,了解影响频率响应的因素。
技能目标:1. 培养学生运用所学知识设计二级运放电路的能力,能够根据需求选择合适的运放型号及外围元件。
2. 提高学生分析、调试二级运放电路的能力,能够解决实际应用中遇到的问题。
3. 培养学生使用仿真软件对二级运放电路进行仿真测试,优化电路设计。
情感态度价值观目标:1. 培养学生对电子技术的兴趣,激发学生主动探究、创新的精神。
2. 培养学生团队协作精神,提高沟通与表达能力,学会倾听他人意见。
3. 引导学生认识到电子技术在国家发展和社会进步中的重要性,树立为国家和民族振兴贡献力量的信念。
课程性质分析:本课程为电子技术专业课程,旨在使学生掌握二级运放的基本原理、电路设计及应用,提高学生实际操作能力。
学生特点分析:二年级学生已具备一定的电子技术基础,具有较强的求知欲和动手能力,但部分学生对理论知识掌握不够扎实。
教学要求:1. 理论与实践相结合,注重培养学生的实际操作能力。
2. 采用案例教学,提高学生的实际应用能力。
3. 强化团队合作,培养学生的沟通与表达能力。
二、教学内容1. 二级运放基本原理:讲解运放的理想模型、工作原理,重点分析差分放大电路、互补输出级电路的原理及作用。
相关教材章节:第二章第二节2. 二级运放性能参数:介绍电压增益、输入输出阻抗、带宽等性能参数,并进行简单的计算分析。
相关教材章节:第二章第三节3. 运放电路设计:讲解如何根据需求选择合适的运放型号,设计二级运放电路,包括偏置电路、反馈网络等。
相关教材章节:第二章第四节4. 运放电路的频率响应:分析影响运放电路频率响应的因素,探讨如何优化电路设计以提高频率响应性能。
相关教材章节:第二章第五节5. 仿真软件应用:介绍仿真软件在二级运放电路设计中的应用,指导学生进行电路仿真测试及优化。
2级运放电路课程设计一、课程目标知识目标:1. 让学生理解并掌握二级运放电路的基本原理,包括负反馈、增益计算和频率响应。
2. 使学生能够识别并描述常见的二级运放电路类型,如非反相放大器、反相放大器、电压跟随器等。
3. 培养学生运用二级运放电路进行信号放大、滤波等实际应用的能力。
技能目标:1. 培养学生动手搭建和测试二级运放电路的能力,掌握相关仪器的使用方法。
2. 培养学生运用所学知识分析和解决实际电路问题的能力,包括调试和优化电路。
情感态度价值观目标:1. 激发学生对电子技术的兴趣和热情,培养其主动探索科学问题的精神。
2. 培养学生的团队合作意识,使其在合作中学会沟通、分享和承担责任。
3. 培养学生严谨、务实的科学态度,养成认真观察、准确记录和分析实验数据的良好习惯。
课程性质:本课程为电子技术基础课程,以理论教学和实验操作相结合的方式进行。
学生特点:二年级学生,具备一定的电子技术基础,具有较强的动手能力和好奇心。
教学要求:结合学生特点,注重理论与实践相结合,提高学生的实际操作能力和问题解决能力。
在教学过程中,将课程目标分解为具体的学习成果,以便进行有效的教学设计和评估。
二、教学内容1. 理论教学:- 运放电路基本原理回顾,重点讲解负反馈的工作机制。
- 二级运放电路的组成、功能及分类,包括非反相放大器、反相放大器、电压跟随器等。
- 增益计算和频率响应分析,结合实际电路讲解影响增益和带宽的因素。
2. 实验教学:- 搭建非反相和反相放大器电路,学习使用多用途运放芯片。
- 测量和分析二级运放电路的增益、输入输出阻抗等性能参数。
- 设计简单的滤波电路,观察不同频率信号的放大和滤波效果。
3. 教学大纲安排:- 第一周:回顾一级运放电路,引入二级运放电路的概念。
- 第二周:理论讲解二级运放电路的原理,分类及性能分析。
- 第三周:实验操作,搭建和测试非反相和反相放大器。
- 第四周:实验操作,搭建和测试电压跟随器及滤波电路。
《IC课程设计》报告运算放大器电路的设计系(部):控制科学与工程系专业:自动化班级:1008班姓名:学号:同组人:摘要本次课程设计的主要目的在于能够熟练的理解电路,并掌握对电路原理图进行小信号等效,通过等效小信号电路图进行理论计算公式的推导。
本题运算放大器的设计方法为:先分析电路结构,运用小信号等效电路图推算出放大系数Av,相角裕度Phase的计算公式,通过题目给定的限定条件和推算出的公式计算出管子的尺寸大小,然后运用hspice仿真,若仿真结果相差太大,则对整个电路图重新进行分析和计算,若仿真结果与期望值略有偏差,则对管子尺寸大小或者电流分配进行微小调节,直到仿真结果满足要求为止。
关键字:pmos、nmos、单管放大系数、单位增益带宽、静态特性、频率特性、HspiceAbstractThe main purpose of this course design is to the understand the circuit skillfully, and to master the skill to change circuit principle diagram into small signal equivalent, deducing the theoretical formula by understanding the small signal equivalent Ontology of operational amplifier design method is: first ,analysis of the circuit structure, calculating Av amplification coefficient tor Phase margin by using the small signal equivalent circuit diagram. calculating the size of the pipe sizethrough the topic about the limited conditions and the formulas, then use hspice simulation. if there's a huge difference between the simulation results,then calculate the circuit again. if there is a little deviation between results of simulation and expectations, make small adjustment on pipe size or current distribution until the simulation results meet the requirements.Key Words:pmos、nmos、Single tube amplification coefficient、unity-gain bandwidth、static characteristics、frequency characteristic、Hspice目录摘要 (I)Abstract (I)一、设计目标(题目) (1)二、相关背景知识 (2)2.1、mos管 (2)2.1.1、直流参数 (2)2.1.2、交流小信号参数 (2)2.1.3、相关公式 (2)2.2 、差分式放大器 (3)三、电路结构 (4)3.1、电路描述 (4)3.2、静态特性 (5)3.3、动态特性 (6)四、设计过程 (8)4.1、NMOS的特性仿真及参数推导 (8)4.2、PMOS的特性仿真及参数推导 (9)4.3、二级运算放大器参数推导 (10)4.4、二级运算放大器仿真及参数调整 (11)4.4.1、电路原理图 (11)4.4.2、计算初值仿真网表及说明 (11)4.4.3、参数调整仿真网表及说明 (12)4.4.4、网表生成.lis文件内容分析 (13)4.4.4.1、静态仿真结果输出分析 (13)4.4.4.2、动态特性仿真结果分析 (13)4.4.5、仿真图形分析 (14)4.4.5.1、频率特性仿真图 (14)4.4.5.2、输入、输出波形仿真 (15)五、总结 (16)5.1、个人心得 (16)5.2、课设碰到的主要疑问以及自己个人对问题的理解 (18)六、参考文献 (20)七、附录 (20)分工 (20)一、设计目标(题目)Caculate the Av of this apmolifier助教额外附加电路指标要求:Hspice library 0.35umAv=60db;I《8uaPhase margzh》45°.二、相关背景知识 2.1 mos 管Mosfet 作为信号放大时,其输入的信号一般为交流信号,即随时间而变化的电信号,这是器件的特性将因信号变化的大小及快慢而不同,有低频、高频之分。
关于放大器的课程设计一、课程目标知识目标:1. 学生能理解放大器的基本概念,掌握放大器的种类及工作原理。
2. 学生能描述放大器在电子电路中的应用,了解放大器参数对电路性能的影响。
3. 学生掌握放大器电路的分析与设计方法,能运用所学知识解决实际问题。
技能目标:1. 学生能运用放大器电路原理,搭建简单的放大器电路,并对其进行调试与优化。
2. 学生能通过实验,观察和分析放大器电路的性能,提高实验操作和数据分析能力。
3. 学生能运用所学知识,设计简单的放大器应用电路,培养创新意识和实际操作能力。
情感态度价值观目标:1. 学生通过学习放大器知识,激发对电子技术的兴趣,培养探究精神和自主学习能力。
2. 学生在团队合作中,学会沟通交流,培养团队协作意识和责任感。
3. 学生了解放大器在科技发展中的应用,认识到电子技术对社会进步的重要性,增强社会责任感。
课程性质:本课程为电子技术基础课程,旨在让学生掌握放大器的基本原理和实际应用。
学生特点:学生具备一定的电子基础知识,对电子技术有一定兴趣,但缺乏实际操作经验。
教学要求:结合学生特点,注重理论与实践相结合,提高学生的实际操作能力和创新意识。
通过课程学习,使学生能够达到上述课程目标,为后续相关课程打下坚实基础。
二、教学内容1. 放大器基本概念:介绍放大器的定义、功能、分类及其在电子电路中的应用。
- 教材章节:第一章 放大器概述- 内容:放大器的定义、放大器的作用、放大器的分类、放大器的应用领域。
2. 放大器工作原理:讲解各种放大器的工作原理,重点掌握晶体管放大器、运算放大器。
- 教材章节:第二章 放大器工作原理- 内容:晶体管放大器、场效应管放大器、运算放大器、功率放大器的工作原理。
3. 放大器电路分析与设计:学习放大器电路的分析方法,掌握放大器电路的设计步骤。
- 教材章节:第三章 放大器电路分析与设计- 内容:放大器电路分析方法、放大器电路设计步骤、放大器电路性能指标。
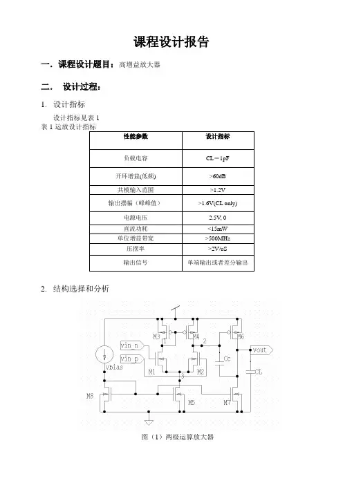
课程设计报告一.课程设计题目:高增益放大器二.设计过程:1.设计指标设计指标见表1表1运放设计指标性能参数设计指标负载电容CL=1pF开环增益(低频) >60dB共模输入范围>1.2V输出摆幅(峰峰值)>1.6V(CL only)电源电压 2.5V, 0直流功耗<15mW单位增益带宽>500MHz压摆率>2V/uS输出信号单端输出或者差分输出2.结构选择和分析图(1)两级运算放大器为了满足设计指标又同时想得到结构比较简单的运算放大器。
最终构根据设计指标 采用了两级运算放大器,结构如上图(1)。
七管两级运算放大器不仅结构简单而且计算也不复杂简单易懂。
能够很好的满足设计指标,所以最终选择了此结构。
本次设计使用TANNER 仿真工具进行仿真。
使用TSMC 0.25um CMOS 工艺库。
3. 手工计算首先选择在整个电路中使用的器件栅长。
为了方便理论计算选取栅长L=1u 。
0.25um 工艺参数如下表2。
表2工艺参数 Nmos 0.43 0.4 0.63 0.06 Pmos -0.4 -0.4 -1 -0.1管子栅长选好后,可以确定补偿电容Cc 的最小值。
输出节点 高于2.2GB 可以获得60°的相位裕度。
根据公式L >(2.2/10)C C C 计算出 >=0.22pF C C 取Cc 等于0.5pF. 然后在满足摆率要求的基础上确定尾电流5I 。
由公式5()C I SR C =算出:5 () = 20V/us*0.5p = 10uA C I SR C =取520I uA =。
根据公式计算出输入最大电压得到:31(max) 2.50.60.43 2.33I DD SG T V V V V V =-+=-+=电路处于平衡状态时M3管子处于饱和状态。
现在可以确定M3的宽长比,根据正的输入共模范围要求来求解。
设计公式如下:533'23031(/)()[()-()+V ()]DD in T T I S W L K V V V ==-最大最大最小 计算的出:63462201016.673010(2.5 2.330.40.43)S S --⨯==≈⨯--+为了方便计算取18。
基于运算放大器和模拟集成电路的电路设计课程设计1. 课程设计概述本课程设计旨在通过运算放大器和模拟集成电路的原理、应用及设计过程等方面的学习,使学生们能够掌握基于运放和模拟集成电路的电路设计方法,并应用所学知识进行电路设计。
本课程设计以模拟电路设计为主,重点学习运放基本类型的电路组成、运放应用电路设计、信号调理电路的设计等知识点。
本课程设计要求学生具备一定的基础电子知识,熟练掌握运放电路的基本原理,通过实践操作提高设计能力和实际操作经验,对实际的电路问题进行有效的解决。
2. 设计实验方案2.1 设计实验目的本实验旨在使学生:1.理解运算放大器的基本特性、功用、特点;2.掌握运扰放大器、电压跟随器等基本电路;3.掌握电荷放大器、测量检测放大器、微分放大器等高级电路;4.了解集成运算放大器的特点和基本使用方法;5.掌握模拟电路的实际设计流程和调试方法。
2.2 设计实验设备1.实验板;2.科技STM32开发板;3.示波器;4.万用表;5.电源供应器等。
2.3 实验步骤实验1:基本运放电路1.搭建非反向运放电路,测量电压放大倍数;2.搭建反向运放电路,测量电压放大倍数;3.搭建电压跟随器电路,测量输出波形和输入波形。
实验2:高级运放电路1.搭建电荷放大器电路,测量电路增益;2.搭建测量检测放大器电路,测量输出电压;3.搭建微分放大器电路,测量电路增益。
实验3:集成运放电路1.学习集成运放的基本组成和特点;2.搭建基于集成运放的电压比较器电路,测试电路的工作情况。
实验4:模拟电路设计1.认识模拟电路设计流程;2.根据实验要求设计模拟电路;3.进行调试和验证,输出实验报告。
3. 实验总结通过本次课程设计,我们深入了解了运放的基本原理、特性和应用电路,掌握了运扰放大器、电压跟随器、电荷放大器、测量检测放大器、微分放大器等基本电路的设计方法,以及集成运放的特点和基本使用方法。
此外,我们还学习了模拟电路的实际设计流程和调试方法,掌握了实际电路问题的解决方法。
比例运放 课程设计一、课程目标知识目标:1. 学生能理解比例运放的基本概念,掌握运放的正负反馈原理。
2. 学生能运用比例运放的知识,分析并计算简单电路的放大倍数。
3. 学生了解比例运放在实际电路中的应用,如音频放大器、传感器信号放大等。
技能目标:1. 学生能够搭建简单的比例运放电路,并验证其放大效果。
2. 学生能够运用所学知识,解决实际电路中的放大问题,具备一定的电路分析能力。
情感态度价值观目标:1. 学生通过学习比例运放,培养对电子技术的兴趣和热情,增强对科学技术的探索精神。
2. 学生在小组合作完成实验过程中,培养团队协作能力和沟通能力,养成严谨、求实的科学态度。
课程性质分析:本课程为电子技术基础课程,以理论教学和实践操作相结合的方式进行。
通过本课程的学习,使学生掌握比例运放的基本原理和实际应用,提高学生的电路分析能力。
学生特点分析:学生为初中生,具备一定的物理基础和电路知识,对电子技术有一定的好奇心,但实践经验不足,需要通过实践操作来巩固理论知识。
教学要求:1. 注重理论与实践相结合,提高学生的实际操作能力。
2. 激发学生的学习兴趣,培养学生的科学素养。
3. 引导学生运用所学知识解决实际问题,提高学生的创新思维和动手能力。
二、教学内容1. 理论知识:(1)比例运放的原理及分类(2)正负反馈在比例运放中的应用(3)比例运放的主要性能参数(4)比例运放的实际应用案例分析2. 实践操作:(1)搭建比例运放电路,观察并分析放大效果(2)设计简单的音频放大器电路(3)利用比例运放进行传感器信号放大实验3. 教学大纲:第一课时:比例运放的原理及分类,正负反馈在比例运放中的应用第二课时:比例运放的主要性能参数,实践操作(搭建比例运放电路)第三课时:比例运放的实际应用案例分析,实践操作(设计音频放大器电路)第四课时:传感器信号放大实验,总结与拓展教学内容关联教材:本教学内容依据教材中关于比例运放的相关章节进行组织,涵盖比例运放的基本原理、性能参数、实际应用等方面,旨在帮助学生系统地掌握比例运放的知识,并将理论知识与实际操作相结合,提高学生的实践能力。
复旦运放课程设计复旦大学是中国著名的高等学府之一,其运放课程设计是该校电子信息类专业的重要课程之一。
本文将对复旦运放课程设计进行详细介绍,旨在帮助读者了解该课程的内容和重要性。
一、课程概述复旦运放课程设计是电子信息类专业的核心课程之一,旨在培养学生对运放电路的设计和应用能力。
通过该课程的学习,学生将掌握运放电路的基本原理、设计方法和实际应用技巧,为日后从事电子信息领域的工作打下坚实的基础。
二、课程内容1. 运放基本原理:课程首先介绍了运放的基本原理,包括运放的输入输出特性、放大倍数、频率响应等。
学生通过理论学习和实验实践,深入了解运放的工作原理和特性。
2. 运放电路设计:课程重点讲解了运放电路的设计方法和技巧。
学生将学习如何根据具体需求设计运放电路,包括放大电路、滤波电路、比较电路等。
通过实际案例的分析和实验操作,学生将掌握设计运放电路的关键步骤和技术要点。
3. 运放应用实践:课程还注重培养学生的实践能力。
学生将通过实验室实践,亲自搭建运放电路并进行测试和调试。
通过实际操作,学生将加深对运放电路的理解,并掌握运放在实际应用中的技术要求和注意事项。
三、课程重要性复旦运放课程设计在电子信息类专业中具有重要的地位和作用。
首先,运放是电子电路中常用的基础器件,广泛应用于信号放大、滤波、比较等领域。
掌握运放的设计和应用技能,对于学生日后从事电子信息工程师等相关职业具有重要意义。
通过运放课程设计,学生将培养系统设计和实践能力。
在课程中,学生需要从实际问题出发,进行电路设计和实验操作,培养解决实际问题的能力和创新思维。
复旦运放课程设计还为学生提供了与同学合作的机会。
在课程中,学生将分组进行实验和项目设计,通过合作与交流,培养团队合作精神和沟通能力。
复旦运放课程设计是电子信息类专业中的重要课程,通过该课程的学习,学生将掌握运放电路的设计和应用能力,培养系统设计和实践能力,提高团队合作和沟通能力。
相信通过复旦运放课程设计的学习,学生将为未来的职业发展打下坚实的基础。
成绩评定表课程设计任务书目录1 Protel 的简要介绍 (4)1.1Protel 的发展历史 (4)1.2Protel99SE 简介 (4)2设计任务及要求 (5)2.1设计任务 (5)2.2设计要求 (5)3电路原理介绍 (6)3.1反向运算放大器 (6)3.2反向加法器 (6)3.3差动运算放大器 (7)3.4积分器电路 (7)4原理图设计 (8)4.1电路元件明细表 (9)4.2绘制原理图 (10)4.3元件生成清单 (11)5印刷版图的绘制 (11)5.1准备电路原理图和网络表......................................................................................................................... 11-135.2创建PCB文件以及网络表的装入 (14)5.3元件的布局以及印刷板的布线 (15)6收获和体会 (16)7主要参考文献 (18)1 Protel的简要介绍1.1 Protel 的发展历程初期Protel Windows版本:八十年代末期推出了Windows版本下的ProtelFor Windows 1.0、Protel For Windows1.5 等版本。
中期Protel Windows版本:开发了与Windows95寸应的3.X版本。
近期版本:98年推出的Proel98,开始基本满足了大多数使用者的需求,特别是出色的自动布线功能得到了用户的支持。
99 年推出的Proel99及后来的Proel99SE让Protel用户耳目一新,因为在其中新增了很多全新的功能。
2002 年下半年推出了最新版本Protel DXP该版本耗时2年多,无论在功能、规模上都比Protel99SE,有极大的飞跃,主要在仿真与布线方面有了较大的提高。
2004 年最新产品Protel 2004.1.2 Protel99SE 简介Protel99se 软件中提供了SIM99se数模混合仿真器集成软件可以对许多电子线路进行模拟设计,模拟运行,反复修改。
集成运放应用课程设计一、课程目标知识目标:1. 学生能理解集成运放的基本工作原理和特点。
2. 学生能掌握集成运放电路的基本组成部分及其功能。
3. 学生能掌握集成运放在模拟信号处理中的应用,如放大、滤波、积分和微分等。
技能目标:1. 学生能运用所学知识,设计简单的集成运放电路。
2. 学生能通过实验操作,验证集成运放电路的功能和性能。
3. 学生能运用仿真软件,对集成运放电路进行模拟和调试。
情感态度价值观目标:1. 学生培养对电子技术的兴趣,增强学习动力。
2. 学生树立团队协作意识,提高沟通与协作能力。
3. 学生养成严谨的科学态度,注重实验数据的准确性和可靠性。
课程性质:本课程为电子技术专业课程,旨在让学生掌握集成运放的基本原理和应用,提高学生的实践操作能力和创新能力。
学生特点:学生已具备一定的电子技术基础知识,具有较强的学习能力和动手能力,但对集成运放的了解较少。
教学要求:注重理论与实践相结合,通过课堂讲解、实验操作和仿真设计,使学生全面掌握集成运放的应用。
同时,注重培养学生的团队协作能力和科学素养。
在教学过程中,将目标分解为具体的学习成果,以便进行教学设计和评估。
二、教学内容本课程教学内容主要包括以下几部分:1. 集成运放基础知识:介绍集成运放的基本原理、组成部分、类型及主要参数。
- 教材章节:第3章“集成运算放大器”2. 集成运放的线性应用:讲解集成运放在模拟信号放大、滤波、积分和微分等方面的应用。
- 教材章节:第4章“运算放大器的线性应用”3. 集成运放的非线性应用:介绍集成运放的非线性应用,如比较器、方波发生器等。
- 教材章节:第5章“运算放大器的非线性应用”4. 集成运放电路设计:结合实际案例,教授如何设计集成运放电路。
- 教材章节:第6章“运算放大器电路设计”5. 仿真与实验:利用仿真软件和实验设备,对集成运放电路进行模拟、调试和验证。
- 教材章节:第7章“运算放大器的仿真与实验”教学内容安排与进度:1. 基础知识学习(2课时)2. 线性应用学习(4课时)3. 非线性应用学习(2课时)4. 电路设计学习(4课时)5. 仿真与实验操作(4课时)教学内容科学性和系统性相结合,注重理论与实践相结合,使学生在掌握理论知识的基础上,提高实践操作能力。
复旦运放课程设计
复旦大学是中国著名的高等学府之一,其开设的运放课程设计是该校电子工程专业的一门重要课程。
本文将围绕复旦运放课程设计展开讨论,旨在介绍该课程的内容和特点,以及对学生的意义和影响。
一、课程内容
复旦运放课程设计主要涵盖了运算放大器(Operational Amplifier,简称OP-AMP)的原理、设计和应用。
学生将学习到运放的基本概念、电路模型、频率响应、稳定性分析等内容。
此外,课程还包括运放的各种应用,如信号放大、滤波、比较器、振荡器等。
二、课程特点
1. 理论与实践相结合:复旦运放课程设计注重理论与实践相结合,通过理论讲解和实验操作相结合的方式,帮助学生深入理解运放的原理和应用。
2. 实验设计与实施:课程中,学生将进行一系列的实验设计和实施,通过实际操作来验证理论知识的正确性,并培养学生的动手能力和实践能力。
3. 项目实践:复旦运放课程设计还注重培养学生的项目实践能力。
学生将参与到具体的项目中,进行运放电路的设计、调试和优化,
锻炼解决实际问题的能力。
三、学生意义和影响
1. 提升专业能力:通过学习复旦运放课程设计,学生将掌握运放的原理和设计方法,提升自己在电子工程领域的专业能力,为未来的工作和研究打下坚实的基础。
2. 培养创新思维:课程中的实验设计和项目实践将培养学生的创新思维能力。
学生需要在实践中不断探索和尝试,提出新的解决方案,培养自己的创新意识和创造力。
3. 团队合作能力:在项目实践中,学生需要与同学合作,共同完成一个项目。
这将培养学生的团队合作能力和沟通协作能力,为将来的工作中与他人合作打下基础。
4. 实践应用价值:运放作为电子工程中常用的器件,具有广泛的应用价值。
通过学习复旦运放课程设计,学生将能够将所学知识应用于实际工程中,为社会做出贡献。
复旦运放课程设计是一门重要的电子工程课程,通过理论与实践相结合的方式,培养学生的专业能力、创新思维和团队合作能力。
该课程的学习对学生的未来发展具有重要意义,也为他们在电子工程领域的实践应用提供了坚实的基础。