工程质量计划的编制与实施
- 格式:docx
- 大小:11.38 KB
- 文档页数:3
工程建设质量管理计划和方案一、引言工程建设质量管理是确保工程项目顺利进行和达到设计要求的重要手段。
建立完善的质量管理计划和方案,对于项目的成功实施和质量的提升具有重要意义。
本文将从质量管理计划和方案的编制和执行过程、质量控制、质量保证和质量改进等方面详细介绍工程建设质量管理的相关内容。
二、质量管理计划和方案的编制和执行过程1. 项目质量管理组织结构质量管理的有效实施需要建立明确的组织结构,明确各级责任人的职责和权利。
在项目质量管理组织结构中,通常包括项目质量部门、现场质量管理部门和工程施工单位的质量管理部门。
同时,还需要设立专门的质量管理培训机构,为项目相关人员提供质量管理的培训课程。
2. 质量管理计划的编制在项目启动阶段,需要编制质量管理计划。
质量管理计划应包括项目质量目标、质量管理方针、质量管理组织结构、质量管理程序文件、质量管理培训计划、监督检验计划、工程质量抽检计划、质量控制措施、质量保证措施等内容。
3. 质量管理方案的执行质量管理方案执行应遵循严格的流程,包括质量管理的记录、分析和评价。
在质量管理的执行过程中,需要明确各项工作的责任人和责任单位,并建立有效的沟通机制,及时解决质量问题。
三、质量控制1. 施工方的质量控制施工方需要根据项目质量管理计划和方案,建立质量控制方案。
质量控制方案包括材料控制、工艺控制、施工控制等内容。
施工方需要严格执行质量控制方案,检测和评估工艺、材料和施工过程的质量。
2. 监理方的质量控制监理方需要对施工方的质量控制过程进行监督,并对工程质量进行监控和评价。
监理方要确保施工方根据质量控制方案的要求进行施工,并对施工过程中发现的质量问题进行处理和记录。
四、质量保证1. 质量保证体系的建立在工程项目的建设过程中,需要建立完善的质量保证体系,以确保项目的质量目标得以顺利实现。
质量保证体系应包括质量目标的制定、过程的管理、资源的配置、质量环境的评价和监控等内容。
2. 质量问题的处理在项目的实施过程中,可能会出现各种质量问题,包括材料质量、工艺质量、施工质量、设备质量等方面的问题。
工程质量施工方案有哪些一、前言工程质量是工程建设的重要标志之一,直接关系到工程的安全性、经济性和可靠性。
质量施工方案是保证工程质量的有效手段之一,制定好质量施工方案是保证工程质量的前提条件。
二、工程质量施工方案的概念工程质量施工方案是指在工程施工过程中,为了保证工程质量和施工安全,制定的一套施工管控措施和方法。
质量施工方案应包括整个工程的施工组织设计、质量控制措施、施工检查验收计划等内容,是施工单位全面贯彻落实质量管理工作的重要依据。
三、工程质量施工方案的编制1. 依据编制工程质量施工方案需要遵循相关的法规、标准和规范,同时还要充分考虑工程的实际情况和特点。
一般来说,工程质量施工方案应遵守国家相关的建筑工程标准、施工规范、安全规定等,同时还要结合具体的施工要求和工程特点进行编制。
2. 编制要求工程质量施工方案的编制应当符合以下要求:(1)全面性:包括整个工程的施工组织设计、质量控制措施、施工检查验收计划等内容;(2)系统性:各项内容之间应该有机地联系,形成一个完整的体系;(3)实用性:方案应该具有可实施性和可操作性,指导施工人员实际工作;(4)科学性:编制过程中应充分考虑工程的特点和实际情况,合理确定各项措施和方法。
四、工程质量施工方案的内容1. 施工组织设计(1)施工单位的组织结构和职责分工(2)施工工艺和工期计划(3)人员配备和技术力量(4)施工所需的资金、物资等保障措施2. 质量控制措施(1)施工材料和设备的质量要求和控制措施(2)施工工艺的管理和控制(3)施工质量检验和评定标准(4)工程质量控制的检测方法和周期3. 施工检查验收计划(1)检查和验收的程序和方法(2)验收标准和要求(3)验收的时机和频率(4)验收记录和报告五、工程质量施工方案的实施1. 施工前的准备工作(1)质量施工方案的宣贯和培训(2)技术交底和交底记录(3)质量控制设备和工具的准备2. 施工中的质量控制(1)严格按照质量施工方案的要求进行施工,确保质量控制措施的有效实施(2)及时处理施工中出现的质量问题和技术难题(3)定期检查和评估施工质量,发现问题及时整改3. 施工结束后的评估和总结(1)施工结束后,对质量施工方案的实施情况进行全面评估(2)总结工程施工的经验和教训,及时调整和完善质量施工方案六、工程质量施工方案的评价和改进1. 质量施工方案的评价(1)定期对质量施工方案的实施情况进行评价(2)对施工中出现的问题和事故进行分析和评估2. 质量施工方案的改进(1)根据评价结果进行质量施工方案的调整和改进(2)总结工程施工的经验和教训,及时更新质量施工方案七、结语工程质量施工方案是保证工程质量和施工安全的重要手段,在工程建设中具有重要的意义和作用。
化工工程质量检验试验计划编制实施下载温馨提示:该文档是我店铺精心编制而成,希望大家下载以后,能够帮助大家解决实际的问题。
文档下载后可定制随意修改,请根据实际需要进行相应的调整和使用,谢谢!并且,本店铺为大家提供各种各样类型的实用资料,如教育随笔、日记赏析、句子摘抄、古诗大全、经典美文、话题作文、工作总结、词语解析、文案摘录、其他资料等等,如想了解不同资料格式和写法,敬请关注!Download tips: This document is carefully compiled by theeditor.I hope that after you download them,they can help yousolve practical problems. The document can be customized andmodified after downloading,please adjust and use it according toactual needs, thank you!In addition, our shop provides you with various types ofpractical materials,such as educational essays, diaryappreciation,sentence excerpts,ancient poems,classic articles,topic composition,work summary,word parsing,copy excerpts,other materials and so on,want to know different data formats andwriting methods,please pay attention!化工工程质量检验试验计划的编制与实施一、引言化工工程是国家工业化进程中的重要组成部分,其工程质量直接影响到生产安全、环境保护和经济效益。
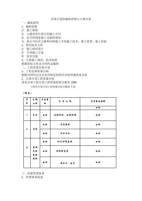
质量计划的编制原则与主要内容一、编制说明1、编制依据1)施工图纸2)与建设单位签订的施工合同3)有关的国家施工及验收规范4)我公司位在公路和市政施工中的施工技术、施工管理、施工经验2、相关技术文件1)施工组织设计2)专项施工方案3)技术交底3、主要施工规范、技术标准根据招标文件及合同约定编制二、工程质量目标计划1、工程总体质量目标根据合同约定及企业内制定的项目目标明确质量目标2、分部分项工程质量目标要求分部工程分项工程质量检验合格率100%工程各分部分项工程质量目标分解如下表:(样表)序号分部工程质量等级分项工程质量等级控制合格一土方合格沟槽开挖、沟槽回填合格二管道合格管道安装合格合格污水闭水合格三基础及附属构筑物合格砂及砂砾基础合格合格砖砌检查井合格合格雨水口、支管合格三、质量管理体系1、管理体系组成根据GB/T19002—IS09000质量标准和本企业的《质量管理程序文件》和《质量手册》,本项目将建立完善的项目质量管理体系,并进行质量管理。
各专业施工队均应配置相应的技术人员和专职质量管理员,并纳入到本工程的质量管理体系中。
应附项目质量管理组织机构图。
2、质量管理岗位职责根据本公司的项目管理模式,以及ISO9000的要求,对项目主要管理人员的质量职责进行明确规定,做到“分工明确、责任到人”:以下为样表,应根据项目人员编制质量体系要素分配表要素责任人(★) 相关人( ☆)条目名称项目负责人技术负责人质检员实验员资料员测量员成本员本部1 管理职责★☆☆☆☆☆☆★2 质量体系运行★☆☆☆☆☆★3 合同评审☆☆☆★4 文件和资料控制☆☆☆★☆☆5 采购和分包☆☆☆★6 产品标识和可追溯性☆☆☆★7 过程控制☆★★☆☆8 进货检验和试验☆★★☆9 过程检验和试验☆★★☆10 最终检验和试验☆★★☆11 检验、测量和试验设备的控制☆☆☆☆☆★12 检验和试验状态☆★★☆13 不合格品的控制☆★★☆☆14 纠正和预防措施☆★★☆☆15 搬运、贮存、包装★☆☆16 防护和交付★☆☆17 质量记录的控制☆★☆☆☆18 内部质量审核☆☆☆☆☆☆★19 培训☆☆☆☆☆☆☆★20 服务(回访保修) ★☆★21 资料整理与存档☆☆☆★☆★应根据《项目的职能及组织结构》中的岗位分工、各项目的人员及建设、监理单位的要求分别论述四、施工技术管理1、施工组织设计编制施工组织设计是施工管理中最为重要的一环,是一个工程的战略部署,其编制要具有纲领性。
工程质量管理计划编制步骤一、编制工程质量管理计划的目的1、确保工程质量符合标准和规范要求2、制订一套可行、有效的质量管理措施和方法3、明确质量管理的责任分工和流程4、提高施工过程中的效率和生产力5、落实工程监理和评审要求二、编制工程质量管理计划的步骤1、确定质量管理目标和原则在开始制定工程质量管理计划之前,首先要明确工程质量的目标和原则。
根据国家标准和相关规范,确定工程项目的质量目标和要求,包括质量标准、验收标准等。
同时,在质量管理计划中确立遵循的质量管理原则,如全员参与、全过程控制、持续改进等。
2、建立质量管理组织在编制工程质量管理计划的过程中,需要建立一个负责质量管理工作的组织机构。
一般而言,该组织机构由质量管理部门、质量管理人员和项目负责人等组成,负责质量管理的规划、监督和执行工作。
3、确定质量管理控制点在确定质量管理控制点时,需要根据工程项目的特点和要求,制定出一套切实可行的控制周期和控制点。
这些控制点应能够有效地监控和管控工程质量发展的每一个环节,确保质量达标。
4、建立质量保证体系质量保证体系是工程质量管理计划的核心内容之一。
它包括了工程质量管理的各个环节、各个阶段的质量要求,以及针对质量问题的预防和纠正措施。
在建立质量保证体系时,需要综合考虑工程项目的实际情况,确保其完整性和有效性。
5、制定质量监督与评审计划质量监督与评审计划是保证工程质量的重要手段。
在编制工程质量管理计划时,需要制定出一套详细的监督与评审计划,包括质量监督方法、频率、评审标准等内容,以便及时发现和解决工程质量问题。
6、明确质量管理流程和文件要求在编制质量管理计划时,需要明确质量管理的流程和文件要求。
包括各个阶段的工作流程、质量记录文件的编制要求、报告的递交时间和形式等内容,以确保质量管理工作有序进行,质量信息完整准确。
7、制定质量监督与检验计划质量监督与检验计划是质量管理计划的重要组成部分。
它包括了质量监督的内容、方式和频率,以及质量检验的标准、方法和要求。
1. 什么是项目质量计划?由谁编写?有何作用?项目质量计划应由项目经理组织编写,需报企业相关管理部门批准后实施;质量计划应体现从工序、分项工程、分部工程到单位工程的过程控制,且应体现从资源投入到完成工程质量最终检验和试验的全过程管理与控制要求。
工程质量计划编制和成功实施是项目质量管理中重要一环,是施工企业质量方针和质量目标的分解和具体表现,又是工程项目质量管理的纲领性文件,也体现出企业质量管理水平.2.质量计划的编制依据有哪些?(1)工程承包合同、设计文件;(2)施工企业的《质量手册》及相应的程序文件;(3)施工操作规程及作业指导书;(4)各专业工程施工质量验收规范;(5)《建筑法》、《建设工程质量管理条例》、环境保护条例及法规;(6)安全施工管理条例等。
3. 项目质量计划的主要内容有哪些?(1)编制依据;(2)项目概况;(3)质量目标;(4)项目质量管理体系;(5)项目资源管理;(6)产品实现;(7)测量、分析和改进;(8)文件和记录的控制;(9)创优措施;(10)项目质量计划的管理。
4.施工项目质量计划的编制要求施工项目质量计划应由项目经理主持编制。
质量计划作为对外质量保证和对内质量控制的依据文件,应体现施工项目从分项工程、分部工程到单位工程的过程控制,同时也要体现从资源投人到完成工程质量最终检验和试验的全过程控制。
施工项目质量计划编制的要求主要包括以下几个方面。
(1)质量目标合同范围内的全部工程的所有使用功能符合设计(或更改)图纸要求。
分项、分部、单位工程质量达到既定的施工质量验收统一标准,合格率100%,其中专项达到:①所有隐蔽工程为业主质检部门验收合格。
②卫生间不渗漏、地下室、地面不出现渗漏,所有门窗不渗漏雨水。
③所有保温层、隔热层不出现冷热桥。
④所有高级装饰达到有关设计规定。
⑤所有的设备安装、调试符合有关验收规范。
⑥特殊工程的目标。
⑦工程交工后维修期为一年,其中屋面防水维修期三年。
⑧工程基础和地下室年月日前完工;主体年月日完工;设备安装和装修年月日交付业主(或安装);分包工程××项年月日交工。
四、工程的质量目标和施工方案在工程建设中,确立质量目标和施工方案是至关重要的。
只有明确了质量目标,采取合适的施工方案,才能保证工程的质量符合要求,达到预期的效果。
本文将从质量目标和施工方案两个方面进行探讨。
一、工程的质量目标工程的质量目标是对工程项目质量的要求和规定。
质量目标应当具有可衡量性和可实施性,要求合理、明确。
在设定工程质量目标时,一般需要考虑以下几个方面:1.技术要求:包括工程的设计要求、工程材料的质量要求、施工工艺的要求等。
这些要求直接关系到工程的质量水平。
2.安全要求:工程施工过程中的安全措施、施工工艺是否符合安全规范等方面的要求。
保障施工人员和周围环境的安全是工程建设中不可忽视的重要方面。
3.质量控制目标:包括质量检验频次、检测项目、合格标准等。
通过质量控制目标的设定,可以对工程质量进行有效的监控和管理。
4.时间进度要求:工程进度和质量之间存在一定的联系,要求工程按时完成,保证质量目标的达成。
二、工程的施工方案工程施工方案是根据工程的特点和质量目标,制定出来的具体施工计划和方法。
在确定施工方案时,需要充分考虑工程的环境、地质、材料、技术、规范等因素,确保施工方案的科学性和可行性。
1.选材方案:根据工程的具体需求和质量要求,选择合适的材料,并保证材料的质量符合标准。
2.施工工艺方案:制定详细的施工工艺流程,包括施工顺序、施工方法、工艺参数等,确保施工过程有条不紊、高效有序。
3.安全防护方案:针对工程施工可能存在的安全隐患,制定安全防护方案,包括施工人员安全培训、安全设施配置、应急预案等。
4.质量控制方案:建立质量控制计划,明确质量检验的流程和频次,确保施工质量符合要求。
结语工程的质量目标和施工方案是工程建设过程中至关重要的环节。
通过合理设定质量目标,制定科学施工方案,可以保证工程质量的稳定和可靠,为工程的顺利进行提供保障。
希望每一位参与工程建设的人员都能够重视质量目标和施工方案的制定,共同努力确保工程质量,提升工程建设水平。
工程质量规划制度模板一、总则1. 本制度旨在规范工程项目的质量管理工作,确保工程质量符合国家及行业标准,满足业主和社会的需求。
2. 本制度适用于公司承接的所有建筑工程项目,从项目启动到竣工验收的全过程。
3. 质量管理部门负责本制度的制定、修订和监督执行,各项目部负责具体实施。
二、质量目标1. 确保工程合格率达到100%,优良率不低于行业平均水平。
2. 无重大质量事故发生,一般质量问题及时整改,整改率达到100%。
3. 通过第三方质量评估,获得良好的社会评价和信誉。
三、组织机构与职责1. 成立项目质量管理领导小组,由项目经理担任组长,负责全面质量管理工作。
2. 设立专职质量管理人员,负责日常的质量检查、监督和记录工作。
3. 各参建单位应明确质量责任人,对本单位的工程质量负责。
四、质量管理流程1. 施工前准备:包括技术交底、材料检验、设备校验等,确保施工条件满足质量要求。
2. 施工过程控制:实行自检、互检、专检相结合的质量检查制度,及时发现并解决问题。
3. 竣工验收:按照国家标准和设计要求进行,确保工程质量达标。
五、质量控制措施1. 严格执行国家和行业的标准规范,不断提高施工技术水平。
2. 强化原材料的进场检验和使用过程的控制,不合格材料一律不得使用。
3. 加强对施工人员的培训和考核,提高其质量意识和操作技能。
4. 定期召开质量分析会议,总结经验教训,持续改进质量管理工作。
六、监督检查与考核1. 定期组织内部质量检查,对发现的问题进行整改,并跟踪验证整改效果。
2. 接受外部监督检查,如政府监督、业主检查等,确保客观公正。
3. 将质量管理情况纳入项目绩效考核体系,与奖惩挂钩,激励全体人员参与质量管理。
七、附则1. 本制度自发布之日起生效,由质量管理部门负责解释。
2. 如有与国家法律法规相抵触之处,以国家法律法规为准。
3. 本制度根据实际工作需要,可适时进行修订。
工程质量验收计划及检验批划分的编制实施细则一、引言工程质量验收是确保工程符合设计要求、施工规范和国家有关标准的一项重要工作,对于保证工程质量的安全和可靠具有至关重要的作用。
编制和实施工程质量验收计划及检验批划分的细则,是为了规范工程质量验收工作,提高工程质量的质量控制和检验效果。
二、工程质量验收计划的编制1.测定验收标准:根据工程设计文件、施工方案和有关国家标准,确定工程质量验收的标准和要求,包括验收的合格标准和判定依据。
2.制定验收项目清单:根据工程性质和特点,列出工程质量验收的项目清单,包括工程结构、建筑装饰、电器设备、弱电系统、给排水系统等方面的具体项目。
3.制定验收计划:根据工程的施工进度和验收项目的难易程度,制定工程质量验收的计划,明确每个阶段的验收时间和验收内容,并与相关部门进行协调。
4.制定验收记录表:制定工程质量验收的记录表格,包括工程名称、验收项目、验收标准、验收结果等内容,方便记录和整理验收数据。
三、检验批划分的实施细则1.检验批划分原则:根据工程特点和施工进度,制定检验批划分的原则,包括工序检验批划分、分部工程检验批划分、总体检验批划分等。
2.制定检验批划分方案:根据工程质量验收计划,结合施工组织设计和施工进度,制定检验批划分的具体方案,包括每个检验批的工程范围、验收标准和验收方法等。
3.检验批划分的监督与管理:建立工程质量验收的监督与管理机制,指定专人负责检验批的划分和验收记录的审查,确保检验批划分的准确和规范。
4.合理调整检验批划分:根据工程实际情况和质量控制要求,及时进行检验批划分的调整和优化,确保检验批划分的合理性和实用性。
四、实施细则的制定1.培训与教育:对工程质量验收的有关人员进行培训和教育,提高其对工程质量验收的理解和操作技能。
2.验收人员的职责:明确各个岗位的工作职责,包括验收人员、监理工程师、设计人员等,建立协作机制和工作流程。
3.验收方式的规定:明确工程质量验收的方式和方法,包括现场检查、检测仪器的使用和数据分析等方面的规定。
项目质量计划编制规定1 目的和范围本规定对编制、审批和修订质量计划工作提供了指导,以满足特定产品、项目或合同规定的要求。
本规定适用于工程总承包项目质量计划的编制,其他领域项目也可参照执行。
2 职责2.1项目质量计划由项目质量经理或工程师编制,科技质量处审查,项目经理核定后发布实施。
2.2项目质量工程师负责质量计划执行情况监督、检查。
3 编写规定3.1项目质量策划在项目展开之初,项目经理和项目组主要人员应对项目实施的全过程进行策划,应对如何满足项目质量要求作出规定。
通常在工程公司的企业标准和质量体系文件中均有相应规定,项目经理应选择适用于本项目的有关规定作为项目的规定,对不足部分作出新的规定或说明。
应注意这些规定的适用性和协调性,不能过多过粗(例如对技术标准应规定每一项活动具体遵循的标准,不能拢统地规定“按有关国家、行业标准”)。
规定要形成适于操作的文件。
项目策划应涉及到项目的全部工作,项目质量策划是项目策划的主要组成部分,应全面考虑到影响项目质量的各方面的所有工作。
项目质量策划中还应适当考虑下述活动:(1)将策划结果纳入项目质量计划和项目开工报告;(2)确定项目主要专业的工艺方案、设备、仪表以及人员和资源,以达到所要求的质量;(3)确定在项目实施的各阶段的质量门,规定质量门要求,确定适当的评审和验证;(4)对项目质量特性和要求,明确接收标准;(5)确定项目质量记录。
3.2 每个工程项目均应有质量计划,质量计划必要时可单独编制,特殊情况下可作为项目计划的一部分或项目开工报告的组成部分。
3.3 项目质量计划的编制(1)项目质量计划是根据项目特点和顾客(用户)的要求,专门为该项目编制的规定该项目的质量措施、资源和活动顺序的项目管理文件。
(2)项目质量计划由项目经理负责或委托项目质量经理(质量工程师)负责编制。
(3)项目质量计划在项目初始阶段编制,经项目经理批准发布。
当用户有要求时应报用户审查。
(4)项目质量计划的某些规定,可引用院质量体系文件的有关规定或在院规定基础上加以补充。
施工方案的详细编制与实施指导随着现代建筑工程的不断发展,施工方案的编制和实施指导成为了每个工程项目中不可或缺的环节。
一个良好的施工方案不仅可以确保施工过程的顺利进行,还可以有效提高工程的质量和效率。
本文将从编制施工方案的意义、详细编制的步骤以及实施指导的重要性等方面进行探讨。
一、编制施工方案的意义施工方案是对工程项目进行详细规划和组织的重要文档。
它包含了工程项目的具体造价、进度安排、技术方案等各个方面的内容。
编制施工方案的意义在于:1. 优化资源配置。
通过施工方案的编制,可以充分评估项目所需的各类资源,包括人力、物力和财力,并合理应用在项目的各个环节中,从而提高施工过程的效率和质量。
2. 风险管理。
施工方案的编制需要对施工过程中可能出现的各种风险进行评估和预测,并提出相应的控制措施。
这样可以减少施工中的事故和质量问题,保障施工人员的安全和工程质量的稳定性。
3. 项目管理与沟通。
施工方案是项目管理的核心文件,可以为各个参与方提供清晰明确的工作方向和目标。
同时,通过施工方案的编制,可以促进各个参与方之间的沟通和协作,确保项目的整体顺利推进。
二、施工方案的详细编制步骤1. 工程前期准备。
这个阶段需要对施工项目进行全面调研和评估,包括土地利用情况、环境保护要求、工期计划、资金预算等。
同时,还需要明确工程的目标和需求,为后续的编制工作提供基础。
2. 技术方案的确定。
在这个阶段,需要根据项目的特点和要求,制定准确可行的技术方案。
这个方案应包括施工方法、工艺流程、设备选型等内容,为施工过程提供指导。
3. 进度计划的编制。
根据前期的调研结果和技术方案,编制详细的施工进度计划。
这个计划应包括施工的各个阶段、任务和时间节点,以及关键路径和关键任务的优先性。
4. 资源配置和管理。
在编制施工方案过程中,需要对各种资源进行详细的配置和管理。
这包括人员的组织安排、物资的采购和仓储、机械设备的选择和调配等。
通过合理的资源配置,可以提高施工的效率和质量。
工程质量计划制度第一章总则为提供高质量的工程服务,确保工程按照相关法规标准进行设计、施工和验收,保障工程质量,特制定本工程质量计划制度。
第二章工程质量管理机构1. 工程质量管理中心工程质量管理中心是项目质量管理的核心机构,由质量经理领导,组织质量专业人员参与各个阶段的工程管理工作。
2. 质量经理质量经理是项目质量管理的主要负责人,负责制定和执行项目的质量计划,监督工程施工过程,进行质量检查和评估,负责制定整改措施等工作。
第三章工程质量计划的制定1. 项目概述根据工程需求和相关法规,确定工程的建设范围、标准和质量要求,并编制工程质量计划书。
2. 质量目标根据项目的实际情况和要求,制定工程质量目标,包括工程的设计要求、施工标准和验收标准等。
3. 质量管理措施根据工程施工的特点和要求,制定相应的质量管理措施,确保工程施工过程中的质量。
4. 质量验收标准根据相关法规和标准,确定工程的各项验收标准,包括设计验收、工艺验收和竣工验收等要求。
第四章工程质量管理流程1. 设计阶段在设计阶段,质量经理应根据项目要求进行设计审查,确保设计方案符合相关法规和标准,做好设计文件的整理和存档工作。
2. 施工阶段在施工阶段,质量经理应指导施工现场的质量检查和验收工作,确保工程施工质量符合要求,及时发现和整改施工中存在的质量问题。
3. 竣工验收阶段在工程竣工验收阶段,质量经理应组织对工程的竣工验收工作,确保工程符合相关法规和标准的要求,完成工程竣工验收报告的编制。
第五章质量监督与检查1. 质量监督质量监督是保障工程质量的有效手段,质量经理应加强对工程的质量监督,确保工程施工过程中的质量符合要求。
2. 质量检查质量检查是工程质量管理的重要环节,质量经理应指导工程质量检查工作,及时发现和整改施工中存在的质量问题,确保工程质量。
第六章质量反馈与整改1. 质量反馈质量反馈是工程质量管理的重要环节,质量经理应及时跟进工程施工的动态,收集工程质量问题的反馈信息,及时分析和处理。
工程质量计划工程质量计划是指在工程项目实施过程中,为保证工程质量达到设计要求和技术标准,制定的一项计划。
它是工程项目管理的重要组成部分,对于保障工程质量、提高工程质量水平具有重要意义。
本文将从工程质量计划的编制、实施和监督等方面进行详细阐述。
一、工程质量计划的编制。
1.明确编制责任。
工程质量计划的编制应由项目质量部门或专门的质量管理人员负责,明确责任人员的职责和权限,确保计划的有效性和可行性。
2.收集项目信息。
在编制工程质量计划之前,需要充分了解项目的基本情况、工程设计要求、技术标准和相关法律法规,确保质量计划符合实际情况。
3.制定质量目标。
根据项目特点和要求,明确工程质量目标,确保质量计划的针对性和实效性。
4.确定质量控制措施。
根据工程特点和质量目标,制定相应的质量控制措施,包括工艺流程、检验标准、质量检测手段等,确保工程质量可控。
二、工程质量计划的实施。
1.组织实施。
根据质量计划的要求,组织相关人员按照计划进行实施,确保每个环节的质量要求得到满足。
2.监督检查。
建立健全的质量监督检查机制,定期对工程质量进行检查和评估,及时发现和纠正质量问题,确保工程质量符合要求。
3.记录和归档。
对工程质量实施过程中的各项数据和记录进行归档,形成完整的质量档案,为工程质量的评估和改进提供依据。
三、工程质量计划的监督。
1.建立监督机制。
建立健全的工程质量监督机制,明确监督责任部门和人员,确保监督工作的有效性。
2.加强沟通协调。
加强与相关部门和单位的沟通协调,及时了解工程质量实施情况,协调解决工程质量问题。
3.定期评估。
定期对工程质量计划的实施情况进行评估,发现问题及时改进,确保质量计划的有效性和可持续性。
四、工程质量计划的改进。
1.总结经验。
定期总结工程质量管理的经验和教训,形成改进措施,不断提高工程质量管理水平。
2.优化流程。
根据实际情况,不断优化工程质量管理流程,提高管理效率和质量水平。
3.持续改进。
工程质量管理是一个持续改进的过程,需要不断加强管理、改进措施,提高工程质量水平。
策划书工程质量策划书工程质量策划书。
一、背景。
随着社会经济的不断发展,工程建设项目日益增多,而工程质量的问题也日益凸显。
为了保障工程建设项目的质量,提高工程施工质量管理水平,制定工程质量策划书,对于确保工程质量具有重要意义。
二、目的。
本工程质量策划书的目的在于规范工程质量管理流程,明确工程质量管理责任,提高工程施工质量管理水平,确保工程建设项目的质量达到国家标准要求。
三、内容。
1.工程质量管理组织结构。
明确工程质量管理组织结构,包括质量管理部门设置、人员配备、职责分工等内容。
2.工程质量管理流程。
规范工程质量管理流程,包括工程质量验收、质量监督检查、质量事故处理等环节,确保每个环节的质量管理得到有效执行。
3.工程质量管理措施。
制定工程质量管理措施,包括质量管理培训、质量管理奖惩制度、质量管理考核评价等,提高工程质量管理水平。
4.工程质量管理目标。
明确工程质量管理目标,包括质量控制目标、质量改进目标等,为工程质量管理工作提供明确的指导和标准。
5.工程质量管理保障。
确保工程质量管理的有效实施,包括质量管理监督、质量管理评估、质量管理改进等措施,提高工程质量管理的科学性和有效性。
四、实施计划。
制定工程质量管理实施计划,包括工程质量管理工作时间表、责任人分工、工作重点等内容,确保工程质量管理工作按计划有序进行。
五、评估与改进。
建立工程质量管理评估机制,定期对工程质量管理工作进行评估,及时发现问题并进行改进,确保工程质量管理工作持续改进。
六、总结。
工程质量策划书的制定,对于提高工程施工质量管理水平,确保工程建设项目的质量具有重要意义。
本策划书将严格执行,确保工程质量管理工作的有效实施,为工程建设项目的质量提供保障。
质量工程计划的编制英文回答:Quality Engineering Plan.1. Introduction.A Quality Engineering Plan (QEP) is a document that outlines the steps that will be taken to ensure that a product or service meets the desired quality standards. The QEP should be developed early in the product development process and should be updated as the product or service evolves.2. Purpose.The purpose of a QEP is to:Define the quality standards that the product or service must meet.Identify the risks to quality and develop mitigation strategies.Establish a process for monitoring and controlling the quality of the product or service.Provide a framework for continuous improvement of the quality management system.3. Elements of a QEP.A QEP should typically include the following elements:Introduction: This section should provide an overviewof the QEP and its purpose.Scope: This section should define the scope of the QEP, including the products or services that it covers.Quality Standards: This section should define the quality standards that the product or service must meet.These standards can be based on customer requirements, industry standards, or internal company standards.Risk Assessment: This section should identify therisks to quality and develop mitigation strategies. Therisk assessment should be based on a thorough understanding of the product or service and the manufacturing or service delivery process.Quality Control Process: This section should establish a process for monitoring and controlling the quality of the product or service. The quality control process should include procedures for inspection, testing, and data analysis.Continuous Improvement: This section should describe the process for continuous improvement of the quality management system. The continuous improvement process should involve regular review of the QEP and the implementation of changes to improve the quality of the product or service.4. Benefits of a QEP.A well-developed QEP can provide a number of benefits, including:Improved product or service quality.Reduced risk of product or service failures.Increased customer satisfaction.Improved efficiency and productivity.Reduced costs.5. Conclusion.A QEP is an essential tool for ensuring the quality of a product or service. By following the steps outlined in this article, you can develop a QEP that will help you to achieve your quality goals.中文回答:质量工程计划。
施工质量计划的内容和编制方法一、质量策划的概念在GB/T 19000-ISO 9000族标准中,质量策划有其特殊的含义:1.质量策划是质量管理的一部分质量管理是指导和控制与质量有关的活动,通常包括质量方针和质量目标的建立、质量策划、质量控制、质量保证和质量改进。
显然,质量策划属于“指导”与质量有关的活动,也就是“指导”质量控制、质量保证和质量改进的活动。
在质量管理中,质量策划的地位低于质量方针的建立,是设定质量目标的前提,高于质量控制、质量保证和质量改进。
质量控制、质量保证和质量改进只有经过质量策划,才可能有明确的对象和目标,才可能有切实的措施和方法。
因此,质量策划是质量管理诸多活动中不可或缺的中间环节,是连接质量方针(可能是“虚”的或“软”的质量管理活动)和具体的质量管理活动(常被看作是“实”的或“硬”的工作)之间的桥梁和纽带。
2.质量策划致力于设定质量目标质量方针是指导组织前进的方向,而质量目标是这种方向上的某一个点。
质量策划就是要根据质量方针的规定,并结合具体情况来确立这“某一个点”。
由于质量策划的内容不同、对象不同,因而这“某一个点”也有所不同,但质量策划的首要结果就是设定质量目标。
因此,它与我们平时所说的“计策、计谋和办法”是不同的。
3.质量策划要为实现质量目标规定必要的作业过程和相关资源质量目标设定后,如何实现呢?这就需要“干”。
所谓“干”,就是作业过程,包括“干”什么,怎样“干”,从哪儿“干”起,到哪儿“干”完,什么时候“干”,由谁去“干”,等等。
于是,又涉及相关资源。
“干”也好,作业过程也好,都需要人、机(设备)、料(材料、原料)、法(方法和程序)、环(环境条件)。
这一切就构成了“资源”。
质量策划除了设定质量目标,就是要规定这些作业过程和相关资源,才能使被策划的质量控制、质量保证和质量改进得到实施。
4.质量策划的结果应形成质量计划通过质量策划,将质量策划设定的质量目标及其规定的作业过程和相关资源用书面形式表示出来,就是质量计划。
施工工程计划的编制与实施施工工程计划的编制和实施是保证工程顺利进行的关键。
在一个复杂的施工工程中,计划的编制和实施不仅需要考虑工程的技术方面,还需要兼顾项目管理、资源调配和风险控制等多个方面。
本文将探讨施工工程计划的编制与实施过程中的重要考虑因素,并分享一些实践经验。
第一,明确项目目标与需求。
在施工工程计划的编制阶段,必须明确项目的目标与需求。
这些目标与需求通常包括工期、预算、质量、安全和环境等方面的要求。
通过明确项目目标与需求,可以确立施工工程计划的整体框架,从而有针对性地进行计划编制。
第二,合理规划工作流程。
在编制施工工程计划时,需要将整个工程过程进行分解,并合理规划各个工作流程。
这意味着需要确定每个工作流程的具体工作内容、工作顺序和时间要求等。
合理规划工作流程可以有效地提高工作效率,避免资源浪费和时间延误。
第三,合理分配资源。
资源分配是施工工程计划编制与实施过程中的关键一环。
施工工程涉及的资源包括人力、材料、设备和资金等。
合理分配这些资源,是保证施工工程顺利进行的基础。
例如,在工期紧迫的情况下,可以增加施工人员的数量,优化工作流程,以加快工程进度。
第四,制定合理的风险控制措施。
施工工程计划编制与实施过程中,风险是无法避免的。
例如,天气突变、人为疏忽和工程材料的质量问题等。
为了应对这些风险,应制定相应的风险控制措施,并纳入施工工程计划中。
这些措施可以包括监测仪器的安装、施工人员的培训和合理的备份计划等。
第五,建立有效的沟通机制。
在施工工程计划的编制与实施过程中,沟通是非常重要的。
各种利益相关方之间的有效沟通,可以避免误解和冲突,并确保工程进度的顺利推进。
因此,建立一个有效的沟通机制,以及明确沟通的对象和渠道,是施工工程计划编制与实施过程中的关键一环。
第六,监督和控制工程进度。
施工工程计划的实施过程中,必须对工程进度进行监督和控制。
通过监督和控制工程进度,可以及时发现问题和延误,并采取相应的措施进行调整。
工程质量计划的编制与实施
在工程施工过程中,工程质量的保障是非常关键的。
为了确保施工过程中的工程质量能够得到有效控制与管理,就需要进行工程质量计划的编制与实施。
本文将重点介绍工程质量计划的编制与实施流程,以及如何落实工程质量管理。
一、工程质量计划的编制
1.确定工程质量计划的目的和范围
在开始编制工程质量计划之前,需要明确工程质量计划的目的和范围。
这有助于明确计划的重点,为相关人员提供工作指导和执行依据。
2.编制工程质量目标和标准
针对项目的实际情况,制定具体的工程质量目标和标准。
其中,工程质量目标应具备可操作性,能够实现准确测量和监控;而工程质量标准则需要遵守国家法律、法规和相关标准,确保施工达到规定标准。
3.确定工程质量管理组织和职责
为了确保工程质量得以保证,需要在工程质量计划中明确工程质量管理组织和职责。
一般来说,工程质量管理组织需要包括总质量部和各分项质量部,职责包括工程质量监督、质量评定、不合格品分析和处理等。
4.制定质量管理程序和流程
质量管理程序和流程对于工程质量的保障有着至关重要的作用。
在制定程序和流程时,需要确保所有的工序、施工环节和工程质量要求都得到落实和执行。
5.制定工程质量检查标准和方法
为确保质量检查的科学有效性和规范性,需要制定工程质量检查标准和方法。
在制定时应考虑工程质量项目、工程质量标准和相关标准。
二、工程质量计划的实施
1.建立工程质量管理体系
工程质量计划的实施需要建立质量管理体系,包括建立质量管理文件、落实职责制和质量文明施工等。
2.实施工程质量监督和检查
在施工过程中,对于关键节点必须实施工程质量监督和检查,以确保施工质量符合要求,如地基开挖、混凝土浇注和工件安装等。
3.推行教育和培训
在工程质量计划的实施过程中,需要推行教育和培训。
通过培训能够提高所有工程人员的职业技能,加强施工现场的安全和管理能力。
4.严格执行质量奖惩制度
为确保工程质量得到有效保障,还需要在工程质量计划实施过程中严格执行质量奖惩制度,对于质量优秀的人员及项目
予以表彰;对于质量不符合要求的人员和项目予以批评和处罚,以确保工程质量是得到有效的保障。
总结:
工程质量管理是工程施工过程中的重中之重,对于工程建设的结果和质量有着重要的影响。
因此,在施工前需要进行工程质量计划的编制,确保质量标准得到明确、质量检查得以有效实现。
在施工过程中,还应建立质量管理体系,实施工程质量监督和检查以及推行培训、奖惩制度等措施,全面提高工程质量水平,确保工程质量的高标准得以落实。