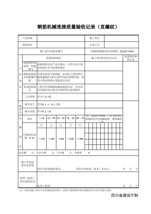
钢筋机械连接质量验收记录
- 格式:docx
- 大小:189.01 KB
- 文档页数:2
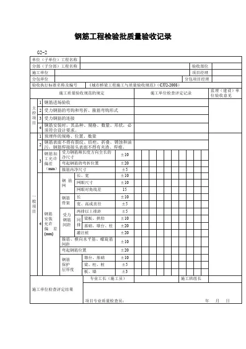
钢筋工程检验批质量验收记录G2-2钢筋工程检验批质量验收记录填写说明主控项目1、材料应符合下列规定:①、钢筋、焊条的品种、牌号、规格和技术性能必须符合设计和规范要求。
检查数量:全数检查。
检验方法:检查产品合格证、出厂检验报告。
②、钢筋进场时,必须按批抽取试件作力学性能(屈服强度、抗拉强度和伸长率)和工艺性能(冷弯)试验,其质量必须符合《钢筋混凝土用热轧光圆钢筋》(GB13013)和《钢筋混凝土用热轧带肋钢筋》(GB1499)等现行国家标准的规定和设计要求。
检验数量:以同牌号、同炉罐号、同规格、同交货状态的钢筋,每60t为一批,不足60t也按一批计,每批抽检1次。
监理单位100﹪见证取样检测,30﹪须见证取样送检。
检验方法:施工单位检查每批质量证明书和进行试验。
监理单位检查全部质量证明书和试验报告并进行见证取样检测。
③、当钢筋出现脆断、焊接性能不良或力学性能显著不正常等现象时,应对该批钢筋进行化学成分分析或其他专项检验。
检验数量:该批钢筋全数检查。
检验方法:检查专项检验报告。
2、受力钢筋弯制和末端弯钩均应符合设计要求。
当设计未提出要求时,应符合下列规定:①、HPB235级别钢筋的末端应作180°弯钩,其弯曲直径D不得小于钢筋直径的2.5倍,钩端应留有不小于钢筋直径3倍的直线段。
②、当设计要求钢筋末端需作135°弯钩时,HRB335级、HRB400级钢筋的弯曲直径D分别不得小于钢筋直径的4倍、5倍,钩端应留有不小于钢筋直径5倍的直线段。
③、采用90°弯钩时,HRB335级、HRB400级钢筋的弯曲直径D分别不得小于钢筋直径的4倍、5倍,钩端应留有不小于钢筋直径10倍的直线段。
④、各类钢筋做不大于90°的中间弯制时,弯曲直径D不得小于钢筋直径的20倍。
检验数量:每工作日同一类型钢筋抽查不少于3件。
检验方法:用钢尺量。
3、箍筋末端弯钩的形式应符合设计要求。
当设计未提出要求时,应符合下列规定:①、弯钩的弯曲直径应大于受力钢筋直径,且HPB235级钢筋不得小于箍筋直径的2.5倍,HRB335不得小于箍筋直径的4倍;②、箍筋弯钩的弯折角度:对一般结构,不应小于90°;对有抗震等要求的结构,应为135°;③、箍筋弯后平直部分长度:对一般结构,不宜小于箍筋直径的5倍;对有抗震等要求的结构,不得小于箍筋直径的10倍。
钢筋(连接、安装)工程检验批质量验收记录1.1.9钢筋(连接、安装)工程检验批质量验收记录1.1.9钢筋(连接、安装)工程检验批质量验收记录1.1.9钢筋(连接、安装)工程检验批质量验收记录1.1.9钢筋(连接、安装)工程检验批质量验收记录1.1.9钢筋(连接、安装)工程检验批质量验收记录1.1.9钢筋(连接、安装)工程检验批质量验收记录1.1.9钢筋(连接、安装)工程检验批质量验收记录1.1.9钢筋(连接、安装)工程检验批质量验收记录1.1.9钢筋(连接、安装)工程检验批质量验收记录1.1.9钢筋(连接、安装)工程检验批质量验收记录1.1.9钢筋(连接、安装)工程检验批质量验收记录1.1.9钢筋(连接、安装)工程检验批质量验收记钢筋(连接、安装)工程检验批质量验收记录1.1.9钢筋(连接、安装)工程检验批质量验收记钢筋(连接、安装)工程检验批质量验收记录钢筋(连接、安装)工程检验批质量验收记钢筋(连接、安装)工程检验批质量验收记录钢筋(连接、安装)工程检验批质量验收记钢筋(连接、安装)工程检验批质量验收记录钢筋(连接、安装)工程检验批质量验收记钢筋(连接、安装)工程检验批质量验收记录钢筋(连接、安装)工程检验批质量验收记钢筋(连接、安装)工程检验批质量验收记录钢筋(连接、安装)工程检验批质量验收记钢筋(连接、安装)工程检验批质量验收记录钢筋(连接、安装)工程检验批质量验收记钢筋(连接、安装)工程检验批质量验收记录钢筋(连接、安装)工程检验批质量验收记钢筋(连接、安装)工程检验批质量验收记录钢筋(连接、安装)工程检验批质量验收记钢筋(连接、安装)工程检验批质量验收记录钢筋(连接、安装)工程检验批质量验收记钢筋(连接、安装)工程检验批质量验收记录钢筋(连接、安装)工程检验批质量验收记。
钢筋连接检验批质量验收记录1. 概述本文档记录了钢筋连接检验批的质量验收记录,对钢筋连接工程进行质量检验,确保连接质量符合标准要求。
2. 项目信息•项目名称:•工程名称:•编制日期:3. 检验批信息•检验批编号:•检验日期:•检验人员:4. 检验内容和要求本次检验批的主要内容包括以下项目: - 焊接质量检验:检查焊接接头的焊缝质量,包括焊缝的密度、均匀性和焊缝表面的缺陷等。
- 螺纹连接检验:检查螺纹连接件的螺纹质量,确保螺纹连接的紧固性良好。
- 维护检验:检查钢筋连接的维护情况,包括防腐、除锈等维护工作的执行情况。
5. 检验结果根据对钢筋连接的检验,以下为本次检验批的质量验收结果:5.1 焊接质量检验结果•焊接接头1:合格•焊接接头2:合格•焊接接头3:合格•螺纹连接件1:合格•螺纹连接件2:合格•螺纹连接件3:合格5.3 维护检验结果•防腐处理:合格•除锈处理:合格6. 验收意见根据本次检验结果,对钢筋连接的质量进行验收意见如下:6.1 焊接质量验收意见根据焊接接头的质量检验结果,认为焊接质量符合标准要求,可以进行验收。
根据螺纹连接件的质量检验结果,认为螺纹连接质量符合标准要求,可以进行验收。
6.3 维护验收意见根据钢筋连接的维护检验结果,认为维护工作符合标准要求,可以进行验收。
7. 验收结论综上所述,经过本次钢筋连接检验批的质量验收,验证钢筋连接的质量符合标准要求,同意进行验收。
8. 验收人员•验收人员1:•验收人员2:•日期:9. 相关附件•附件1:焊接检验报告•附件2:螺纹连接检验报告•附件3:维护检验报告以上为钢筋连接检验批的质量验收记录,用于记录钢筋连接工程的质量验收情况。
钢筋(连接、安装)工程检验批质量验收记录1.1.9工程名称农十师司法业务用房综合楼验收部位施工单位 新疆北屯第一建筑安装工程有限责任公司 项目经理 许育发 项目专业质量检查员:年 月 日监理(建设) 单位验收结论施工执行标准 名称及编号 混凝土结构工程施工质量验收规范 GB50204-2002 专业工长 分包单位 施工班组长基础一台Z 、剪力墙钢筋生根 蒲李江 徐永超主控项目规范规定 (设计要求)施工单勺 立检查评定记录监理(建设)单位验收记录123 456789101 纵向受力钢筋的连接方式 第5.4.1条 符合设计要求及规范规定2 机械连接、焊接接头试件的力学 性能检验 第5.4.2条 无3 受力钢筋的品种、级别、规格和 数量第5.5.1条符合设计要求及规范规定 一般项目 规范规定施工单位检查评定记录123 45678 9 101 接头位置和数量第5.4.3条 经检查:接头位置和数量符合设计要求。
2 机械连接、焊接接头的外观质量 第5.4.4条 符合规范要求3 机械连接、焊接接头的面积百分 率 第5.4.5条 机械接头面积百分率符合要求4 绑扎搭接接头面积百分率和搭 接长度第5.4.6条 经检查:绑扎搭接接头面积百分率和搭接长度符合 设计要求。
5 搭接长度范围内的箍筋 第5.4.7条 经检查:搭接长度范围内的箍筋符合设计要求。
6 钢筋 安 装 位 置 的 偏 差 项 目绑扎 钢筋网 长、宽± 10 +6 -4 +8 +5-6 -7 +3 + 2 -9+5 网眼尺寸± 20 +9 +5 -3 -22-4 +6-5+9+4-8绑扎钢 筋骨架 长± 10 +4 -9 +7 +8 -8 -9宽、咼± 5 -3 -4 -3 +4 +5-1受 力 钢 筋 间距± 10 +5 +8 3 +7 (12) -8 +4 +3 -4 +2 排距 ± 5 -7 +4 +3 -6 +4 -9 +7 +2 5 -6 保护 层厚 度基础 ± 10 58210-9-78-234柱、梁± 5板、墙、壳± 3绑扎箍筋横向钢筋间距 ± 20-9+8+5-6+4-41116-9-13钢筋弯起点位置 20预埋件里 中心线位置 5水平高差+3,0分包项目经理 主控项目合格,一般项目满足规范规定。