施工单位
检查结果
项目专业质量检查员:年月日
监理(建设)单位验收结论
专业监理工程师:
(建设单位项目技术负责人)年月日
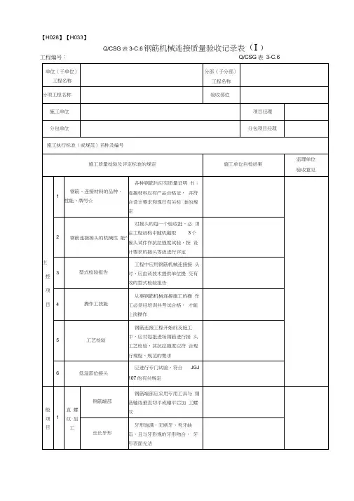
钢筋机械连接
工程名称
验收部位
施工单位
批号及批量
施工执行标准名称及编号
钢筋牌号及直径(mm)
项目经理
施工班组长
施工质量验收规范的规定
施工单位检查评定记录
监理(建设)单位验收记录
主
控
项
目
1
钢筋、连接材料的品种、性能、牌号
各种钢筋均应有质量证明书;连接材料应有产品合格证,并符合设计要求和现行有关标准的规定
2
钢筋连接接头的机械性能
对接头的每一个验收批,必须在工程结构中随机截取3个接头试件作抗拉强度试验,按设计要求的接头等级进行评定
3
型式检验报告
工程中应用钢筋机械连接接头时,应由该技术提供单位提交有效的型式检验报告
4
操作工技能
从事钢筋机械连接施工的操作工必须经培训并考试合格,才能上岗操作
5
工艺检验
钢筋连接工程开始前及施工中,应对每批进场钢筋进行接头工艺检验,其抗拉强度应符合现行规程、规范的要求
压痕处套筒外径
0.8 ~0.90倍原套筒长度
3
锥
螺
纹
接
头
外
观
接头外观
钢筋与连接套的规格一致,接头丝扣无完整丝扣外露
接
头
拧
紧
力
矩
钢
筋
直
径
mm
16
118N.m
18
145N.m
20
177N.m
22
216N.m
25~28