钢筋机械连接试验报告汇总表
- 格式:doc
- 大小:56.29 KB
- 文档页数:2
钢筋机械连接形式检验报告钢筋机械连接对型式检验的要求相关标签:机械连接接头钢筋机械连接滚轧直螺纹连接1 接头型式检验报告超过4年时必须重新取样做型式检验。
接头型式检验主要作用是对各类接头按性能分级。
2 经型式检验确定其等级后,工地现场只需进行现场检验;当接头质量有严重问题,其原因不明,对定型检验结论有重大怀疑时,上级主管部门或质检部门可以提出重新进行型式检验要求。
3 考虑到国产钢筋的延性较好,在达到强度要求后,接头试件通常已有较大延性;为简化检验验收规则,取消了原规程中接头试件强度与钢筋实际强度进行对比的要求。
4 对每种型式、级别、规格、材料、工艺的钢筋机械连接接头,型式检验试件不应少于9个:单向拉伸试件不应少于3个,高应力反复拉压试件不应少于3个,大变形反复拉压试件不应少于3个。
同时应另取3根钢筋试件作抗拉强度试验,全部试件均应在同一根钢筋上截取。
由于型式检验比较复杂和昂贵,对各类钢筋接头只要求对标准型接头进行型式检验;5 此外,相同类型的直螺纹接头或锥螺纹接头用于连接不同强度级别(HRB500、HRB400、HRB335)的钢筋时,可以选择其中较高强度级别(如HRB500)的钢筋进行接头试件的型式检验;在连接套筒的尺寸、材料,内螺纹以及现场丝头加工工艺均不变的情况下,HRB500级钢筋接头的型式检验报告可以兼作HRB400、HRB335级钢筋的同类型、同等级接头的型式检验报告使用,反之则不允许。
钢筋母材强度试验用来判别接头试件用钢筋的母材性能和钢筋牌号。
6 用于型式检验的直螺纹或锥螺纹接头试件应散件送达检验单位,由型式检验单位或在其监督下由接头技术提供单位按本规程表6.2 l或表6.2.2规定的拧紧扭矩进行装配,拧紧扭矩值应记录在检验报告中,型式检验试件必须采用未经过预拉的试件。
7 型式检验应由国家、省部级主管部门认可的检测机构进行,并应按本规程附录B的格式出具检验报告和评定结论。
-全文完-。
工程名称:
编号:
工程名称
编号:
编号:
单位审核人:审核结
审核结果:
日期:
年
工程名称:日期: 年 月
编号:
单位审核人:审核结
审核结果:
日期:
年
工程名称:日期: 年 月
编号:
单位审核人:审核结
审核结果:
日期:
年
工程名称日期: 年 月
编号:
单位审核人:审核结
审核结果:
日期:
年
工程名称:日期: 年 月
编号:
单位审核人:审核结
审核结果:
日期:
年
工程名称:日期: 年 月
编号:
单位审核人:审核结
审核结果:
日期:
年
工程名称:日期: 年 月
编号:
单位审核人:审核结
审核结果:
日期:
年
工程名称:日期: 年 月
编号:
单位审核人:审核结
审核结果:
日期:
年
工程名称:日期: 年 月。
钢筋的机械连接型式检验报告钢筋作为建筑中常用的材料之一,承载着重要的机械连接任务。
为了确保钢筋的机械连接质量,需要进行相应的检验。
本文将针对钢筋的机械连接型式检验进行详细介绍。
一、检验目的钢筋的机械连接型式检验是为了验证连接所采用的方式是否符合设计要求,并评估连接的性能,确保连接的可靠性和安全性。
通过检验,可以及时发现和解决连接存在的问题,提高建筑结构的整体质量。
二、检验内容1. 连接方式的选择:根据建筑设计要求和结构特点,选择适合的连接方式,包括焊接、螺栓连接、机械卡口连接等。
2. 连接件的选择:选用符合标准和规范的连接件,确保连接件的质量和性能满足要求。
3. 连接件的安装:按照设计要求和规范要求,正确安装连接件,保证连接的牢固和稳定。
4. 连接的强度和刚度检验:对连接进行静载试验或动力试验,评估连接的强度和刚度是否满足设计要求。
5. 连接的可靠性评估:通过可靠性分析,评估连接的可靠性和安全性,确定连接的损伤和寿命。
三、检验方法1. 视觉检查:通过目测和光学仪器检查连接件的表面质量和连接状态,检查是否存在裂纹、变形、松动等缺陷。
2. 物理性能测试:对连接件进行拉伸、剪切、扭转等物理性能测试,评估连接件的强度、刚度和耐久性。
3. 静载试验:在实际工况下施加静力荷载,检测连接的变形、应力分布和破坏形态,评估连接的承载能力和安全性。
4. 动力试验:通过振动台或冲击装置施加动力荷载,检测连接的响应和动力性能,评估连接的抗震性能和动态可靠性。
5. 可靠性分析:基于连接的失效模式和寿命分布,采用可靠性理论和统计方法,评估连接的可靠性,并提出改进建议。
四、检验结果与评定根据检验数据和分析结果,评定连接的合格性和可靠性。
如果连接符合设计要求并具有良好的性能,评定为合格;如果连接存在问题或性能不达标,评定为不合格,并提出相应的整改措施。
五、检验报告与记录根据检验结果,编制检验报告,详细记录检验过程、方法、数据和结论,供工程质量验收和后续维护使用。
钢筋机械连接接并头拉伸检验报告
有见证取样 样品编号
接头类型
公称直径 接头等级
代表数量
生产厂
实测横 载面积 (mm 2
)
母材屈服 强度标准 值
(MPa) 母材抗 拉
强度 标准值 (MPa)
母材抗拉 强
度实测 值(MPa)
接头试件 极限拉力 (KN)
拉头试件 抗
拉强度 实测
值
(MPa)
接头破 坏形态
结论
备注
1、 抗压强度实测值大于或等于抗拉强度标准值,并且大于或等于 0.95 X 钢筋母材抗拉强度实测值为
SA 级接头;
2、 抗拉强度实测值大于或等于抗拉强度标准值,并且大于或等于
0.9
X 钢筋母材抗拉强度实测值为
A 级接头;
3、 抗拉强度实测值大于或等于
1.35 X 屈服强度标准值为
B 级接头;
4、 破坏形态仅作记录备查,不作为评定依据。
注:未经本站书面批准,不得部分复制检验报告(完整复制除外) 。
批准:
审核:
校核:
邮政编码: 传真:
GD210200 7 □口
检验:
地址: 电话:
委托单位: 工程名称: 构件名称: 收样日期:。
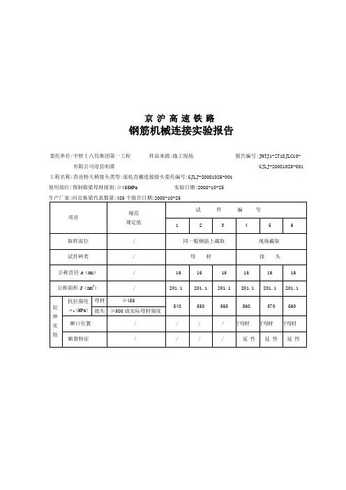
京沪高速铁路钢筋机械连接实验报告委托单位:中铁十八局集团第一工程样品来源:施工现场报告编号:JHTJ1-ZT18JLC10- 有限公司沧县制梁 GJLJ-20081025-001 工程名称:青沧特大桥接头类型:滚轧直螺连接接头委托编号:GJLJ-20081025-001使用部位:预制箱梁母材级别:≥455MPa 实验日期:2008-10-25实验:复核:技术负责人:单位(章京沪高速铁路钢筋机械连接实验报告委托单位:中铁十八局集团第一工程样品来源:施工现场报告编号:JHTJ1-ZT18JLC10- 有限公司沧县制梁 GJLJ-20081025-002 工程名称:青沧特大桥接头类型:滚轧直螺连接接头委托编号:GJLJ-20081025-002使用部位:预制箱梁母材级别:≥455MPa实验日期:2008-10-25生产厂家:河北栋梁代表数量:480个报告日期:2008-10-25实验:复核:技术负责人:单位(章)京沪高速铁路钢筋机械连接实验报告委托单位:中铁十八局集团第一工程样品来源:施工现场报告编号:JHTJ1-ZT18JLC10- 有限公司沧县制梁 GJLJ-20081025-003 工程名称:青沧特大桥接头类型:滚轧直螺连接接头委托编号:GJLJ-20081025-003使用部位:预制箱梁母材级别:≥455MPa实验日期:2008-10-25实验:复核:技术负责人:单位(章)京沪高速铁路钢筋机械连接实验报告委托单位:中铁十八局集团第一工程样品来源:施工现场报告编号:JHTJ1-ZT18JLC10- 有限公司沧县制梁 GJLJ-20081028-001 工程名称:青沧特大桥接头类型:滚轧直螺连接接头委托编号:GJLJ-20081028-001使用部位:预制箱梁母材级别:≥455MPa实验日期:2008-10-28实验:复核:技术负责人:单位(章)京沪高速铁路钢筋机械连接实验报告委托单位:中铁十八局集团第一工程样品来源:施工现场报告编号:JHTJ1-ZT18JLC10- 有限公司沧县制梁 GJLJ-20081028-002 工程名称:青沧特大桥接头类型:滚轧直螺连接接头委托编号:GJLJ-20081028-002使用部位:预制箱梁母材级别:≥455MPa实验日期:2008-10-28生产厂家:河北栋梁代表数量:475个报告日期:2008-10-28实验:复核:技术负责人:单位(章)京沪高速铁路钢筋机械连接实验报告委托单位:中铁十八局集团第一工程样品来源:施工现场报告编号:JHTJ1-ZT18JLC10- 有限公司沧县制梁 GJLJ-20081028-003 工程名称:青沧特大桥接头类型:滚轧直螺连接接头委托编号:GJLJ-20081028-003使用部位:预制箱梁母材级别:≥455MPa实验日期:2008-10-28实验:复核:技术负责人:单位(章)京沪高速铁路钢筋机械连接实验报告委托单位:中铁十八局集团第一工程样品来源:施工现场报告编号:JHTJ1-ZT18JLC10- 有限公司沧县制梁 GJLJ-20081031-001 工程名称:青沧特大桥接头类型:滚轧直螺连接接头委托编号:GJLJ-20081031-001使用部位:预制箱梁母材级别:≥455MPa实验日期:2008-10-31实验:复核:技术负责人:单位(章)京沪高速铁路钢筋机械连接实验报告委托单位:中铁十八局集团第一工程样品来源:施工现场报告编号:JHTJ1-ZT18JLC10- 有限公司沧县制梁 GJLJ-20081031-002 工程名称:青沧特大桥接头类型:滚轧直螺连接接头委托编号:GJLJ-20081031-002使用部位:预制箱梁母材级别:≥455MPa实验日期:2008-10-31实验:复核:技术负责人:单位(章)京沪高速铁路钢筋机械连接实验报告委托单位:中铁十八局集团第一工程样品来源:施工现场报告编号:JHTJ1-ZT18JLC10- 有限公司沧县制梁 GJLJ-20081031-003 工程名称:青沧特大桥接头类型:滚轧直螺连接接头委托编号:GJLJ-20081031-003使用部位:预制箱梁母材级别:≥455MPa实验日期:2008-10-31实验:复核:技术负责人:单位(章)京沪高速铁路钢筋机械连接实验报告委托单位:中铁十八局集团第一工程样品来源:施工现场报告编号:JHTJ1-ZT18JLC10- 有限公司沧县制梁 GJLJ-20081103-001 工程名称:青沧特大桥接头类型:滚轧直螺连接接头委托编号:GJLJ-20081103-001使用部位:预制箱梁母材级别:≥455MPa实验日期:2008-11-03实验:复核:技术负责人:单位(章)京沪高速铁路钢筋机械连接实验报告委托单位:中铁十八局集团第一工程样品来源:施工现场报告编号:JHTJ1-ZT18JLC10- 有限公司沧县制梁 GJLJ-20081103-002 工程名称:青沧特大桥接头类型:滚轧直螺连接接头委托编号:GJLJ-20081103-002使用部位:预制箱梁母材级别:≥455MPa实验日期:2008-11-03生产厂家:河北栋梁代表数量:495个报告日期:2008-11-03实验:复核:技术负责人:单位(章)京沪高速铁路钢筋机械连接实验报告委托单位:中铁十八局集团第一工程样品来源:施工现场报告编号:JHTJ1-ZT18JLC10- 有限公司沧县制梁 GJLJ-20081103-003 工程名称:青沧特大桥接头类型:滚轧直螺连接接头委托编号:GJLJ-20081103-003使用部位:预制箱梁母材级别:≥455MPa实验日期:2008-11-03生产厂家:河北栋梁代表数量:475个报告日期:2008-11-03实验:复核:技术负责人:位(章)京沪高速铁路钢筋机械连接实验报告委托单位:中铁十八局集团第一工程样品来源:施工现场报告编号:JHTJ1-ZT18JLC10- 有限公司沧县制梁 GJLJ-20081105-001 工程名称:青沧特大桥接头类型:滚轧直螺连接接头委托编号:GJLJ-20081105-001使用部位:预制箱梁母材级别:≥455MPa实验日期:2008-11-05实验:复核:技术负责人:单位(章)京沪高速铁路钢筋机械连接实验报告委托单位:中铁十八局集团第一工程样品来源:施工现场报告编号:JHTJ1-ZT18JLC10- 有限公司沧县制梁 GJLJ-20081105-002 工程名称:青沧特大桥接头类型:滚轧直螺连接接头委托编号:GJLJ-20081105-002使用部位:预制箱梁母材级别:≥455MPa实验日期:2008-11-05实验:复核:技术负责人:位(章)京沪高速铁路钢筋机械连接实验报告委托单位:中铁十八局集团第一工程样品来源:施工现场报告编号:JHTJ1-ZT18JLC10- 有限公司沧县制梁 GJLJ-20081105-003 工程名称:青沧特大桥接头类型:滚轧直螺连接接头委托编号:GJLJ-20081105-003使用部位:预制箱梁母材级别:≥455MPa实验日期:2008-11-05实验:复核:技术负责人:单位(章)京沪高速铁路钢筋机械连接实验报告委托单位:中铁十八局集团第一工程样品来源:施工现场报告编号:JHTJ1-ZT18JLC10- 有限公司沧县制梁 GJLJ-20081215-001 工程名称:青沧特大桥接头类型:滚轧直螺连接接头委托编号:GJLJ-20081215-001使用部位:预制箱梁母材级别:≥455MPa实验日期:2008-12-15实验:复核:技术负责人:单位(章)京沪高速铁路钢筋机械连接实验报告委托单位:中铁十八局集团第一工程样品来源:施工现场报告编号:JHTJ1-ZT18JLC10- 有限公司沧县制梁 GJLJ-20081215-002 工程名称:青沧特大桥接头类型:滚轧直螺连接接头委托编号:GJLJ-20081215-002使用部位:预制箱梁母材级别:≥455MPa实验日期:2008-12-15实验:复核:技术负责人:位(章)京沪高速铁路钢筋机械连接实验报告委托单位:中铁十八局集团第一工程样品来源:施工现场报告编号:JHTJ1-ZT18JLC10- 有限公司沧县制梁 GJLJ-20081215-003 工程名称:青沧特大桥接头类型:滚轧直螺连接接头委托编号:GJLJ-20081215-003使用部位:预制箱梁母材级别:≥455MPa实验日期:2008-12-15实验:复核:技术负责人:单位(章)京沪高速铁路钢筋机械连接实验报告委托单位:中铁十八局集团第一工程样品来源:施工现场报告编号:JHTJ1-ZT18JLC10- 有限公司沧县制梁 GJLJ-20081216-001 工程名称:青沧特大桥接头类型:滚轧直螺连接接头委托编号:GJLJ-20081216-001使用部位:预制箱梁母材级别:≥455MPa实验日期:2008-12-16实验:复核:技术负责人:单位(章)京沪高速铁路钢筋机械连接实验报告委托单位:中铁十八局集团第一工程样品来源:施工现场报告编号:JHTJ1-ZT18JLC10- 有限公司沧县制梁 GJLJ-20081216-002 工程名称:青沧特大桥接头类型:滚轧直螺连接接头委托编号:GJLJ-20081216-002使用部位:预制箱梁母材级别:≥455MPa实验日期:2008-12-16实验:复核:技术负责人:位(章)京沪高速铁路钢筋机械连接实验报告委托单位:中铁十八局集团第一工程样品来源:施工现场报告编号:JHTJ1-ZT18JLC10- 有限公司沧县制梁 GJLJ-20081216-003 工程名称:青沧特大桥接头类型:滚轧直螺连接接头委托编号:GJLJ-20081216-003使用部位:预制箱梁母材级别:≥455MPa实验日期:2008-12-16实验:复核:技术负责人:单位(章)京沪高速铁路钢筋机械连接实验报告委托单位:中铁十八局集团第一工程样品来源:施工现场报告编号:JHTJ1-ZT18JLC10- 有限公司沧县制梁 GJLJ-20081217-001 工程名称:青沧特大桥接头类型:滚轧直螺连接接头委托编号:GJLJ-20081217-001使用部位:预制箱梁母材级别:≥455MPa实验日期:2008-12-17实验:复核:技术负责人:单位(章)京沪高速铁路钢筋机械连接实验报告委托单位:中铁十八局集团第一工程样品来源:施工现场报告编号:JHTJ1-ZT18JLC10- 有限公司沧县制梁 GJLJ-20081217-002 工程名称:青沧特大桥接头类型:滚轧直螺连接接头委托编号:GJLJ-20081217-002使用部位:预制箱梁母材级别:≥455MPa实验日期:2008-12-17实验:复核:技术负责人:单位(章)京沪高速铁路钢筋机械连接实验报告委托单位:中铁十八局集团第一工程样品来源:施工现场报告编号:JHTJ1-ZT18JLC10- 有限公司沧县制梁 GJLJ-20081217-003 工程名称:青沧特大桥接头类型:滚轧直螺连接接头委托编号:GJLJ-20081217-003使用部位:预制箱梁母材级别:≥455MPa实验日期:2008-12-17实验:复核:技术负责人:单位(章)。
钢筋机械连接接头试验报告一、试验目的及背景二、试验材料、设备及方法1. 试验材料:使用直径为10mm的HRB400级别钢筋,机械连接接头及配套设备。
2.试验设备:万能试验机、切割机等。
3.试验方法:根据相关标准,采用拉伸试验方法对钢筋机械连接接头进行试验。
三、试验步骤及结果1.制备试样:根据实际需要,制备出满足试验要求的试样。
2.设置试验参数:根据标准要求,设置试验机的拉伸速度及加载力。
3.进行拉伸试验:将试样固定在试验机上,开始进行拉伸试验,记录试样的变形情况及加载力。
4.结果分析:根据试验结果,对钢筋机械连接接头的性能进行评估。
四、试验结果及分析通过对钢筋机械连接接头的试验,得到如下结果:1. 试验参数:拉伸速度为10mm/min,加载力逐渐增加。
2.试验曲线:试验过程中,加载力逐渐增加,试样发生变形,达到一定载荷后出现破坏。
试验曲线呈线性关系。
3.破坏模式:钢筋机械连接接头在试验过程中,出现拉断及错开断裂的现象。
4.结果分析:根据试验结果,钢筋机械连接接头的承载能力较高,能够满足实际工程中的使用要求。
五、试验结论通过对钢筋机械连接接头的试验,得出以下结论:1.钢筋机械连接接头具有较高的连接性能及可靠性,能够满足实际工程中的使用要求。
2.钢筋机械连接接头在试验过程中表现出良好的承载能力,破坏模式为拉断及错开断裂。
3.试验结果为实际工程中钢筋机械连接接头的设计和使用提供了参考依据。
六、试验总结本次试验对钢筋机械连接接头的连接性能及可靠性进行了验证,通过试验得出结论,钢筋机械连接接头具有良好的承载能力,并且能够满足实际工程中的使用要求。
然而,在实际工程中使用钢筋机械连接接头时,还需根据具体情况进行合理设计和施工,并且加强质量控制,确保其连接性能和可靠性的实现。
钢筋机械连接对型式检验的要求?相关标签:•机械连接接头•钢筋机械连接•滚轧直螺纹连接1 接头型式检验报告超过4年时必须重新取样做型式检验。
接头型式检验主要作用是对各类接头按性能分级。
2 经型式检验确定其等级后,工地现场只需进行现场检验;当接头质量有严重问题,其原因不明,对定型检验结论有重大怀疑时,上级主管部门或质检部门可以提出重新进行型式检验要求。
3 考虑到国产钢筋的延性较好,在达到强度要求后,接头试件通常已有较大延性;为简化检验验收规则,取消了原规程中接头试件强度与钢筋实际强度进行对比的要求。
4 对每种型式、级别、规格、材料、工艺的钢筋机械连接接头,型式检验试件不应少于9个:单向拉伸试件不应少于3个,高应力反复拉压试件不应少于3个,大变形反复拉压试件不应少于3个。
同时应另取3根钢筋试件作抗拉强度试验,全部试件均应在同一根钢筋上截取。
由于型式检验比较复杂和昂贵,对各类钢筋接头只要求对标准型接头进行型式检验;5 此外,相同类型的直螺纹接头或锥螺纹接头用于连接不同强度级别(HRB500、HRB400、HRB335)的钢筋时,可以选择其中较高强度级别(如HRB500)的钢筋进行接头试件的型式检验;在连接套筒的尺寸、材料,内螺纹以及现场丝头加工工艺均不变的情况下,HRB500级钢筋接头的型式检验报告可以兼作HRB400、HRB335级钢筋的同类型、同等级接头的型式检验报告使用,反之则不允许。
钢筋母材强度试验用来判别接头试件用钢筋的母材性能和钢筋牌号。
6 用于型式检验的直螺纹或锥螺纹接头试件应散件送达检验单位,由型式检验单位或在其监督下由接头技术提供单位按本规程表6.2 l或表6.2.2规定的拧紧扭矩进行装配,拧紧扭矩值应记录在检验报告中,型式检验试件必须采用未经过预拉的试件。
7 型式检验应由国家、省部级主管部门认可的检测机构进行,并应按本规程附录B的格式出具检验报告和评定结论。
(注:专业文档是经验性极强的领域,无法思考和涵盖全面,素材和资料部分来自网络,供参考。
第页共页
钢筋机械连接试验检测报告JB011002试验室名称:报告编号:工程名称工程部位/用途
施工单位监理单位
样品名称规格型号
生产厂家/产地代表数量
取样地点样品描述
报告日期试验日期
试验依据判定依据
主要仪器设备
及编号
套筒长度(mm)套筒直径(mm)
试验编号
公称
直径
(mm)
公称
面积
(mm²)
抗拉强度(MPa)断口
距套
筒距
离
(mm)
断裂
形式
试验
结果
ⅠⅡⅢ
技术
指标
检测
结果
技术
指标
检测
结果
技术
指标
检测
结果
检测结论:监理意见:
备注:
试验:审核:签发:日期:年月日(专用章)。
钢筋机械连接试验报告本文旨在详细阐述一份钢筋机械连接试验报告的结果和意义。
钢筋机械连接技术已经成为了现代建筑施工中的主要连接方式之一,其主要优势在于可靠性强、施工速度快、方便高效等。
然而,如何确保机械连接质量一直是钢筋连接行业亟需解决的问题。
本文通过分析一份机械连接试验报告,来探讨如何保证机械连接质量。
试验概述本次试验是由一家专业的钢筋机械连接企业进行的,试验用的钢筋为HRB500直径为25mm。
试验采用的是该企业的某一具体型号的机械连接器,在连接钢筋前需要对钢筋端面进行处理,并将连接器与钢筋用专用工具进行连接。
试验过程中,外部应力施加到连接钢筋的两端,直至试样断裂。
实验结果试验共分成三组,分别测试了三种不同的载荷下,机械连接器对钢筋的连接质量。
试验结果如下:1.首先测试了连接器承受180KN载荷下的性能,试验中钢筋在连接器处出现了轻微的倾斜和变形,然而连接强度达到了210KN,在不断加压过程中没有出现松动或其他不良反应。
最终因试样断裂而结束。
2.接下来是连接器承受240KN载荷时的试验。
在试验过程中,钢筋在连接器处变形增大,但并未出现松动或其他不良反应。
最终连接强度达到282KN,试样以钢筋断裂结束。
3.最后进行了连接器承受300KN载荷时的试验。
试验中钢筋在连接器处出现明显的变形,连接强度达到了333KN。
但在断裂前出现了松动和变形等不利反应,最终导致试样的断裂。
意义和启示通过本次试验的结果可以看出,机械连接器对钢筋的连接强度是非常高的,尤其是在承受较小压力时,连接质量表现得非常好。
更重要的是,在试验中没有出现松动或其他不良反应,这表明了该企业的连接技术能够较好地确保连接质量。
但在试验过程中,将钢筋承受的压力不断加大后,连接器对钢筋的变形和松动在不同程度上表现出来,这说明了在实际应用中,对机械连接技术应保持谨慎,不能过分依赖连接器的强度,应该合理掌握机械连接器的使用条件。
与此同时,在进行钢筋机械连接技术时,还应加强现场检查和监控,特别是在较复杂的地形和结构情况下,需要通过专业的检测和评估,确保连接质量符合设计和实际需要。
钢筋机械连接试验报告范例实验目的:通过钢筋机械连接试验,了解钢筋机械连接的强度和可靠程度,为钢筋机械连接的应用提供参考。
实验原理:实验仪器:实验步骤:1.预先准备好钢筋材料,确保其质量和尺寸符合规定标准。
2.使用螺纹刀具削制钢筋的螺纹。
3.将两根钢筋的螺纹相互套进螺母中。
4.使用试验机固定其中一根钢筋,使其保持静止状态。
5.逐渐施加力矩到另一根钢筋上,并记录施加的力矩值和相应的位移值。
6.继续增大力矩,直至钢筋连接断裂或达到设定的最大力矩。
7.记录断裂时的力矩值和位移值。
实验数据处理:1.根据实验中记录的力矩值和位移值,绘制力矩-位移曲线。
2.根据曲线的斜率和最大力矩值,计算钢筋机械连接的强度。
3.根据实验结果评估钢筋机械连接的可靠程度,比较不同连接方式的优劣。
实验结果与讨论:根据实验数据处理的结果,我们得到了钢筋机械连接的强度和可靠程度。
通过比较不同连接方式的实验结果,可以得出以下结论:1.螺纹连接方式相对于其他连接方式具有较高的强度和可靠性。
2.在一定的力矩范围内,螺纹连接的位移较小,表明连接的刚性较好。
3.钢筋机械连接的强度与连接时施加的力矩大小有关。
结论与建议:通过钢筋机械连接试验,我们得到了钢筋机械连接的强度和可靠程度,并比较了不同连接方式的优劣。
根据实验结果,我们可以得出以下结论:1.钢筋机械连接是一种可靠的连接方式,可以满足工程的要求。
2.在选择连接方式时,可以优先考虑螺纹连接方式,但要根据实际情况确定合适的力矩范围。
总结:通过本次钢筋机械连接试验,我们了解了钢筋机械连接的强度和可靠程度,并掌握了一种常用的螺纹连接方式。
在实际应用中,可以根据工程需要和材料情况选择合适的连接方式,并进行合理的设计和施工。