钻孔桩地质柱状图
- 格式:xls
- 大小:15.00 KB
- 文档页数:1
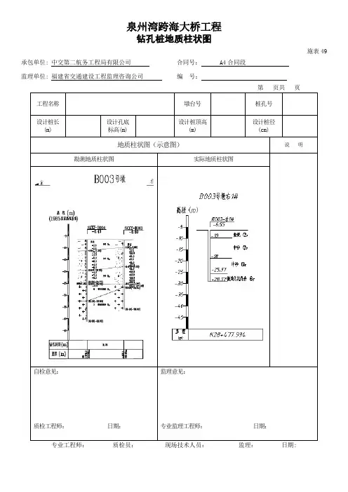
钻孔柱状图钻孔柱状图是地质学领域中常见的一种图表类型,用于展示地下岩层的垂向分布情况。
在钻孔过程中,钻机会向地下打孔,采集样本,并将样本验收回来进行化验和地质分析。
得到的数据除了用来研究岩层的类型、构造和性质等,还能通过绘制钻孔柱状图来描绘各层岩石的垂向分布情况,并对地质构造特征进行分析。
钻孔柱状图的制作制作钻孔柱状图需要首先获取钻孔资料。
钻孔资料中包括了钻孔的深度、各层的厚度、岩性、分布等信息。
对于新的钻孔资料,需要先对其进行初步处理,包括数据清洗、筛选、排序等,确保各项数据符合要求。
接着,需要确定钻孔的比例尺和坐标轴刻度。
根据钻孔的深度和岩层的厚度等因素,确定比例尺的大小,坐标轴的起始值和每个刻度的间隔大小。
在建立好坐标轴之后,根据钻孔资料中的数据,可以在坐标系上绘制钻孔柱状图的各层柱状物。
钻孔柱状图的每个柱状物代表了其所代表的岩层在钻孔中的垂向分布情况。
柱状物的高度通常代表了岩层的厚度,宽度则代表了钻孔的口径。
钻孔柱状图的应用钻孔柱状图常用于研究地质构造、区域地质图等方面。
其应用主要有以下几个方面:地质构造分析地质构造是指地球的形态、构造和变形变化等方面的特征和规律。
通过绘制钻孔柱状图,可以观测到各个不同层位的岩石类型及组成,从而揭示出地下地质构造的变化规律。
比如在斜坡地带中,如果某个岩层在底部断层下方出现,而在断层上方消失,就可以推测出这个地区出现过一次大规模的地壳活动。
区域地质图制作区域地质图主要是用于绘制大范围的地质构造图,而这张图往往由很多个钻孔柱状图组成。
通过钻孔柱状图所呈现的垂向分布情况,可以在不同的钻孔点上采集到同样的岩层结构,从而确定其在地质构造图上的分布范围。
评估地质工程工作在进行地质工程工作时,钻孔柱状图可以帮助工程师了解当地的地质状况,为设计和实施方案提供有力的地质依据,提高施工的安全性和可行性。
钻孔柱状图是一种重要的地质学领域中的分析工具,可以描绘各层岩石的垂向分布情况,并且能够应用于地质构造分析、区域地质图制作和地质工程工作的评估等方面。
承包单位:中交第二航务工程局有限公司合同号: A4合同段监理单位:福建省交通建设工程监理咨询公司编号:第页共页专业工程师:质检员:现场技术人员:监理:日期:承包单位:中交第二航务工程局有限公司合同号: A4合同段监理单位:福建省交通建设工程监理咨询公司编号:第页共页专业工程师:质检员:现场技术人员:监理:日期:承包单位:中交第二航务工程局有限公司合同号: A4合同段监理单位:福建省交通建设工程监理咨询公司编号:第页共页承包单位:中交第二航务工程局有限公司合同号: A4合同段监理单位:福建省交通建设工程监理咨询公司编号:第页共页承包单位:中交第二航务工程局有限公司合同号: A4合同段监理单位:福建省交通建设工程监理咨询公司编号:第页共页承包单位:中交第二航务工程局有限公司合同号: A4合同段监理单位:福建省交通建设工程监理咨询公司编号:第页共页承包单位:中交第二航务工程局有限公司合同号: A4合同段监理单位:福建省交通建设工程监理咨询公司编号:第页共页承包单位:中交第二航务工程局有限公司合同号: A4合同段监理单位:福建省交通建设工程监理咨询公司编号:第页共页承包单位:中交第二航务工程局有限公司合同号: A4合同段监理单位:福建省交通建设工程监理咨询公司编号:第页共页钻孔桩地质柱状图施表49 承包单位:中交第二航务工程局有限公司合同号: A4合同段监理单位:福建省交通建设工程监理咨询公司编号:第页共页专业工程师:质检员:现场技术人员:监理:日期:钻孔桩地质柱状图施表49 承包单位:中交第二航务工程局有限公司合同号: A4合同段监理单位:福建省交通建设工程监理咨询公司编号:第页共页专业工程师:质检员:现场技术人员:监理:日期:。