消毒产品微生物检测实验记录表
- 格式:doc
- 大小:84.50 KB
- 文档页数:5
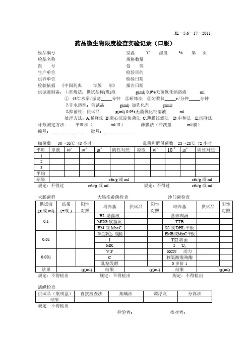
药品微生物限度检查实验记录(口服)检品编号_____________________________ 室温_____℃湿度_____% 第___页检品名称_____________________________ 规格数量____________________________ 批号_____________________________ 包装____________________________ 生产单位_____________________________ 检验目的____________________________ 供养单位_____________________________ 检验日期____________________________ 检验依据《中国药典年版部》报告日期____________________________ 供试液制备:⒈常规法:供试品称(吸)取_________g(ml) 0.9%无菌氯化钠溶液______ml①45℃水浴/振荡_____分钟②研钵法③匀浆仪_____r/分钟_____分钟⒉非水溶性:供试品_______g(ml) 加乳化剂______g(ml)⒊抑菌性:供试品_______g(ml) 0.9%无菌氯化钠溶液______ml处理方法:A.稀释法B.离心沉淀集菌法C.薄膜过滤法 D.中和法 E.沉降法计数测定方法:平皿法(________ml/皿)薄膜法(冲洗量_______ml/膜)编号:_______________ 批号:_____________大肠菌群大肠埃希菌检查沙门菌检查规定:不得检出规定:不得检出规定:不得检出规定:不得检出检验者:__________ 校对者:__________药品微生物限度检查实验记录(局部用药)检品编号_____________________________ 室温_____℃湿度_____% 第___页检品名称_____________________________ 规格数量____________________________ 批号_____________________________ 包装____________________________ 生产单位_____________________________ 检验目的____________________________ 供养单位_____________________________ 检验日期____________________________ 检验依据《中国药典年版部》报告日期____________________________ 供试液制备:⒈常规法:供试品称(吸)取_________g(ml) 0.9%无菌氯化钠溶液______ml②45℃水浴/振荡_____分钟②研钵法③匀浆仪_____r/分钟_____分钟⒉非水溶性:供试品_______g(ml) 加乳化剂______g(ml)⒊抑菌性:供试品_______g(ml) 0.9%无菌氯化钠溶液______ml处理方法:A.稀释法B.离心沉淀集菌法C.薄膜过滤法 D.中和法 E.沉降法规定:不得过__________cfu/g或ml 规定:不得过_________cfu/g或ml 金黄色葡萄球菌检查铜绿假单胞菌检查规定:不得检出规定:不得检出规定:不得检出规定:不得检出检验者:__________ 校对者:__________。
微生物检验原始记录
培养基配制:见培养基配制记录
样品制备:按GB/T 4789 的要求进行
□ 1.固体样品:无菌称取25g样品加225mL生理盐水,均质;稀释倍数:□1:10 □1:100 □1:1000 □ 2.液体样品:需稀释的,无菌称取25mL样品加225mL生理盐水,混匀;稀释倍数:□1:10 □1:100 □1:1000
□ 3.液体样品:不需要稀释的直接吸取样液检验
□菌落总数:检验依据:□GB 4789.2 -2010 □GB/T 5750.12-2006
检验时间:菌落总数:霉菌和酵母:
□大肠菌群:检验依据:GB/T4789.3-2003
注:“—”表示在选择性培养基上无可疑菌落生长检验时间:
检验时间:
□总大肠菌群:检验依据:GB/T 5750.12-2006
注:“—”表示在选择性培养基上无可疑菌落生长检验时间:
注:“—”表示在选择性培养基上无可疑菌落生长检验时间:
检验时间
□致病菌□沙门氏菌□志贺氏菌□金黄色葡萄球菌
□螨:检验依据 GB 317.4-.10-2006
检测人:复核人:
微生物限度检验记录(复合膜)
检验人:复核人:
微生物限度检验记录(辅料)
检验人:复核人:
微生物限度检验记录(铝箔、PVC硬片)
检验人:复核人:
微生物限度检验记录(半成品、成品)
检验人:复核人:
微生物限度检验记录(辅料)
检验人:复核人:。
消毒产品检验规定 HEN system office room 【HEN16H-HENS2AHENS8Q8-HENH1688】消毒产品检验规定1.消毒剂和消毒器械1.1消毒剂和消毒器械检验时限消毒剂和消毒器械检验时限见表11.2 灭菌医用包装材料检验时限灭菌医用包装材料检验时限见表2说明(1)表1、表2项目中所需时间只适用于单项检测。
(2)检验机构应有样品受理人与委托检验单位按照《规范》要求共同商定检验项目;检验时限为自受理样品之日起至出具检验报告之日,而且是指最长时限。
(3)检验机构受理样品时应出具检验受理通知单,并注明出具报告时间。
(4)表1、表2内所列检测时间在特殊情况下可另议,特殊情况是指中和剂筛选困难,实验动物来源不足,有效成分含量无标准测定方法,实验材料紧缺,特殊对象消毒等。
(5)根据产品性能所进行的理化、微生物与毒理试验检测时间应不超过5个月,单项检测时间较长者除外。
2 消毒剂和消毒器械检验所需样品数量及规格2.1消毒剂检验所需样品数量及规格消毒剂检验所需样品数量及规格见表32.所有样品按此表数量,同时另提供同一批号复检和留存样各一套2.2 消毒器械检验所需样品数量及规格(1)大型消毒器械1件,中、小型消毒器械3件。
(2)消毒指示物检验所需样品数量及规格见表42. 压力蒸汽灭菌化学指示卡全套检测需3个包装(每个包装不少于70个)3. 压力蒸汽灭菌化学指示胶带全套检测需10卷4. 压力蒸汽灭菌化学指示标签全套检测需3个包装(每个包装不少于50个)5. 紫外线照射强度化学指示卡全套检测需3个包装(每个包装不少于70个)6. 如包装中数量少于本表要求者,其总数不得少于总数规定。
2.3 灭菌医用包装材料检验所需样品数量及规格灭菌医用包装材料检验所需样品数量及规格见表52.所有样品按此表数量,同时另提供同一批号复检和留存样各一套3.消毒剂和消毒器械检验项目及要求3.1 消毒剂检验项目及要求消毒剂检验项目及要求见表注“+”为必须做项目;“空格”为不做项目;“*”为模拟现场试验与现场试验任选其一。
消毒产品检验规定1.消毒剂和消毒器械1.1消毒剂和消毒器械检验时限消毒剂和消毒器械检验时限见表1表1消毒剂和消毒器械检验时限1.2灭菌医用包装材料检验时限灭菌医用包装材料检验时限见表2表2灭菌医用包装材料检验时限说明1表1、表2项目中所需时间只适用于单项检测;2检验机构应有样品受理人与委托检验单位按照规范要求共同商定检验项目;检验时限为自受理样品之日起至出具检验报告之日,而且是指最长时限;3检验机构受理样品时应出具检验受理通知单,并注明出具报告时间;4表1、表2内所列检测时间在特殊情况下可另议,特殊情况是指中和剂筛选困难,实验动物来源不足,有效成分含量无标准测定方法,实验材料紧缺,特殊对象消毒等;5根据产品性能所进行的理化、微生物与毒理试验检测时间应不超过5个月,单项检测时间较长者除外;2消毒剂和消毒器械检验所需样品数量及规格2.1消毒剂检验所需样品数量及规格消毒剂检验所需样品数量及规格见表32.所有样品按此表数量,同时另提供同一批号复检和留存样各一套2.2消毒器械检验所需样品数量及规格1大型消毒器械1件,中、小型消毒器械3件;2消毒指示物检验所需样品数量及规格见表42.压力蒸汽灭菌化学指示卡全套检测需3个包装每个包装不少于70个3.压力蒸汽灭菌化学指示胶带全套检测需10卷4.压力蒸汽灭菌化学指示标签全套检测需3个包装每个包装不少于50个5.紫外线照射强度化学指示卡全套检测需3个包装每个包装不少于70个6.如包装中数量少于本表要求者,其总数不得少于总数规定;2.3灭菌医用包装材料检验所需样品数量及规格灭菌医用包装材料检验所需样品数量及规格见表5表5灭菌医用包装材料检验所需样品数量及规格2.所有样品按此表数量,同时另提供同一批号复检和留存样各一套3.消毒剂和消毒器械检验项目及要求3.1消毒剂检验项目及要求消毒剂检验项目及要求见表注“+”为必须做项目;“空格”为不做项目;“”为模拟现场试验与现场试验任选其一;“±”为选做项目,具体选项按下列原则确定:①说明书中未注明不得用于金属物品消毒的消毒剂,必须进行该项试验;②说明书中注明对真菌具有杀灭作用消毒剂,必须进行该项试验;③根据特定的消毒对象、使用说明书内容和其他资料确定相应的检测项目;④使用说明书中表明对消毒对象上的某一特定微生物具有杀灭作用的消毒剂,必须进行该微生物的杀灭试验;⑤消毒剂使用过程中接触皮肤的,做该项试验;⑥皮肤、手、足消毒接触创面的,做该项试验;⑦用于皮肤、手、足的消毒剂,依其成分有致敏倾向,做该项试验;⑧根据前一阶段毒理试验结果判定,如亚急性毒性试验不通过的,需做亚慢性毒性试验;消毒器械检验项目及要求消毒器械检验项目及要求,见表7;注:“+”为必须做项目;“空格”为不做项目;“”为模拟现场试验与现场试验任选其一;模拟现场试验所用指示微生物应选择所涉及使用范围按规范要求的指示微生物中抗力较强者;产生化学因子的消毒器械其毒理试验的检验项目参照表6进行;“±”为选做项目,具体选项按下列原则确定:①环氧乙烷灭菌消毒柜、等离子体、低温甲醛灭菌柜等可不测定,其他消毒器械均应进行该项试验;②需要添加化学物质生成消毒因子的消毒器械应进行该项试验;③说明书中未注明不得用于金属物品消毒的产生化学因子的消毒器械,必须进行该项试验;④根据特定的消毒对象、使用说明书内容和其他资料确定相应的检测项目;⑤使用说明书中表明对消毒对象上的某一特定微生物具有杀灭作用的消毒器械,必须进行该微生物的杀灭试验此外,紫外线灯按一般物体表面消毒要求进行选项,但不做模拟现场或现场试验;3.3指示物检验项目及要求1压力蒸汽灭菌生物指示物1生物指示物含菌量测定2存活时间和杀灭时间的测定3D值的测定4稳定性试验2压力蒸汽灭菌化学指示物1测定饱和蒸汽条件下的指示物颜色变化情况2测定饱和蒸汽条件下的嗜热脂肪杆菌芽孢存活情况3稳定性试验3紫外线灯辐射强度指示卡1紫外线强度比较测试2稳定性试验4消毒剂浓度试纸1消毒剂浓度比较测试2稳定性试验5消毒剂浓度试纸全套检测须10个最小包装3.4灭菌医用包装材料检验项目及要求灭菌医用包装材料检验项目及要求见表8注:“+”为必须做项目;“空格”为不做项目;“±”为根据包装材料特性、使用说明书内容和其它有关资料而确定的项目;4.卫生用品和一次性使用医疗用品检验规定卫生用品和一次性使用医疗用品检验时限、检验所需样品数量及规格卫生用品检验时限、检验所需样品数量及规格见表9表9卫生用品检验时限、检验所需样品数量及规格限为90d,毒理学试验需做致突变试验时,总检验时限为150d;2.特殊情况由检验机构与送检单位协商确定样品数量和检验时限,但检验机构应在受理样品之前告知送检单位;一次性使用医疗用品检验时限、检验所需样品数量及规格见表10表10一次性使用医疗用品检验时限、检验所需样品数量及规格说明:1.本表项目所需时间只适用于单项检测,全项目检测所需时间为45d;2.检测项目所需样品数均按此表数量并另外提供复检和留样各一套;3.特殊情况由检验机构与送检单位协商确定样品数量和检验时限,但检验机构应在受理样品之前告知送检单位;4.现场试验和稳定性试验仅限于对有杀菌、消毒作用医疗用品的检测;卫生用品和一次性使用医疗用品检验项目及要求1卫生用品检验项目及要求见表11表11卫生用品备案的检验项目一注:“+”为必须做项目;空格为不做项目;“+”按以下原则选择项目:①采用环氧乙烷消毒的,进行该项试验;②使用说明中标明对某一特定微生物有杀灭作用的,进行该项试验;③国家或行业标准中对该类产品有特殊规定的,应进行该项卫生学指标检测;表11卫生品备案的检验项目二–隐形眼镜护理用品注:“+”为必须做项目;空格为不做项目;“+”按以下原则选择项目:①多次量使用的产品进行该项试验;②含过氧化氢的产品进行该项试验;③使用说明中标明对某一特定微生物有杀灭作用的,进行该项试验;④国家或行业标准中对该类产品有特殊规定的,进行该项卫生学指标检测表11卫生用品备案的检验项目三–皮肤粘膜清洁卫生用品注:“+”为必须做项目;空格为不做项目;“+”按以下原则选择项目:①使用说明中标明对真菌有作用或用于外阴部的产品进行该项试验;②使用说明中标明对某一特定微生物有杀灭作用的,应进行该项试验;③国家或行业标准中对该类产品有特殊规定的,进行该项卫生学指标检测;表11卫生用品备案的检验项目四-其他一次性使用卫生用品注:“+”为必须做项目;空格为不做项目;“+”按以下原则选择项目:①采用环氧乙烷消毒的产品进行该试验;②使用说明中标明对真菌有作用或用于外阴部的产品进行该项试验;③使用说明中标明对某一特定微生物有杀灭作用的,应进行该项试验;④国家或行业标准中对该类产品有特殊规定的,进行该项卫生学指标检测;表11卫生用品备案的毒理学检验项目五注:“+”为必须做项目;空格为不做项目;“+”按以下原则选择项目:①根据产品用途选择项目;②根据产品的原材料情况选择项目;产品原料、材质、生产工艺相同,不同规格、品牌的产品,只需选择其中一种产品进行检测;2一次性使用医疗用品检验项目及要求见表12表12一次性使用医疗用品检验项目及要求注:“+”为必须做项目;空格为不做项目;“+”按以下原则选择项目:①使用的消毒药剂必须取得卫生部消毒剂卫生许可批件;②采用环氧乙烷消毒、灭菌的,进行该项目检测;③国家或行业标准中对该类产品有特殊规定的,进行该项卫生学指标检测;。
消毒产品查验制度1. 引言消毒是指通过物理或者化学方法杀灭或者去除细菌、病毒等有害微生物的过程。
消毒产品是指用于消毒的药剂、器械和设备等。
消毒产品查验制度是为了确保消毒产品的质量和效果,保障公众健康和安全而制定的一套检验和监管程序。
本文档旨在说明消毒产品查验制度的相关要求和流程。
2. 目的和范围本文档的目的是规范消毒产品查验的工作流程,确保消毒产品能够符合国家相关法律法规和标准的要求。
本文档适用于从事消毒产品生产、销售、使用和监管的单位和个人。
3. 消毒产品查验的要求3.1 质量标准消毒产品在生产过程中需要依据国家相关法律法规和标准的要求进行生产,确保产品质量的稳定性和安全性。
消毒产品应该具备基本要求:•符合国家标准的物理性能和化学成分要求;•具备良好的杀菌、灭菌效果;•产品包装完好,无泄漏、破损和变质现象;•标签上必须标注产品的生产日期、有效期限、生产厂家、产品批号等信息。
3.2 检验方法消毒产品的检验方法应该严格按照国家相关标准和规程进行执行。
常见的检验方法包括:•物理性能测试:如外观、溶解度、pH值等;•化学成分分析:通过化学分析仪器对产品的成分进行检测;•细菌和病毒灭活试验:通过实验室操作,模拟实际使用条件进行杀菌效果测试;•包装完整性测试:测试产品在运输和储存过程中包装的完好性和保护性。
3.3 检验频率消毒产品的检验频率应根据产品类型、用途和市场需求进行确定。
一般来说,对于常规使用的消毒产品,应该每批次进行抽样检验;对于特殊需求和高风险的消毒产品,应该加大检验频率,确保产品质量的稳定性。
4. 消毒产品查验的流程4.1 抽样消毒产品的抽样应该符合国家相关标准的规定。
抽样过程应该严格按照规程进行,确保抽样的公正性和可靠性。
抽样时应注意事项:•根据产品类型和批次确定抽样数量和方式;•抽样时应随机选择样品,避免产生偏差;•抽样时应注意保持样品的完整性和封存性。
4.2 检验消毒产品的检验应该由具备相应资质和能力的检验机构进行。
微生物检验原始记录
检测记录与结果
培养基配制:见培养基配制记录
样品制备:按GB/T 4789 的要求进行
□ 1.固体样品:无菌称取25g样品加225mL生理盐水,均质;稀释倍数:□1:10 □1:100 □1:1000 □ 2.液体样品:需稀释的,无菌称取25mL样品加225mL生理盐水,混匀;稀释倍数:□1:10 □1:100 □1:1000
□ 3.液体样品:不需要稀释的直接吸取样液检验
□菌落总数:检验依据:□GB 4789.2 -2010 □GB/T 5750.12-2006
检验时间:菌落总数:霉菌和酵母:
□大肠菌群:检验依据:GB/T4789.3-2003
注:“—”表示在选择性培养基上无可疑菌落生长检验时间:
检验时间:
□总大肠菌群:检验依据:GB/T 5750.12-2006
注:“—”表示在选择性培养基上无可疑菌落生长检验时间:
□耐热大肠菌群:检验依据:GB/T 5750.12-2006
注:“—”表示在选择性培养基上无可疑菌落生长检验时间:
□大肠埃希氏菌:检验依据:GB/T 5750.12-2006
检验时间:
□致病菌□沙门氏菌□志贺氏菌□金黄色葡萄球菌
检验依据 GB 317.4-.10-2006
检测人:复核人:
微生物限度检验记录(复合膜)
检验人:复核人:
微生物限度检验记录(辅料)
检验人:复核人:
微生物限度检验记录(铝箔、PVC硬片)
微生物限度检验记录(半成品、成品)
检验人:复核人:
微生物限度检验记录(辅料)
检验人:复核人:。
卫生质量检验指南:消毒产品1. 引言本指南旨在提供关于消毒产品的卫生质量检验方法和指导,以确保这些产品的有效性和安全性。
消毒产品用于杀灭或去除病原微生物,以防止疾病传播和维护公共卫生。
本指南将重点介绍消毒产品的质量标准和检验步骤。
2. 质量标准为了确保消毒产品的质量和效力,以下是一些常见的质量标准:- 成分含量:消毒产品应明确标注活性成分的含量,并符合相关法规要求。
- 杀灭率:消毒产品应具备足够的杀灭率,以确保对目标微生物的有效消灭。
- 安全性:消毒产品应符合国家和地区的安全标准,并不应对人体健康产生不良影响。
- 标签信息:消毒产品的标签应包含正确的使用说明、警示信息和储存条件,以确保用户正确使用产品。
3. 检验步骤以下是一些常见的消毒产品检验步骤:步骤一:成分含量检验使用合适的分析方法,检测消毒产品中活性成分的含量。
确保成分含量符合法规要求。
步骤二:杀灭率测试使用标准的微生物学方法,评估消毒产品对目标微生物的杀灭率。
确保消毒产品具备足够的杀灭能力。
步骤三:安全性评估进行安全性评估,包括对消毒产品的毒性和刺激性等方面的测试。
确保消毒产品对人体健康无不良影响。
步骤四:标签信息检查检查消毒产品的标签信息,确保标签中包含正确的使用说明、警示信息和储存条件。
4. 结论通过按照本指南提供的质量标准和检验步骤进行检验,可以确保消毒产品的质量和安全性。
这对于维护公共卫生、预防疾病传播至关重要。
建议相关机构和实验室按照本指南进行消毒产品的质量检验,并确保产品符合相关法规要求和标准。
微生物检验原始记录日期:20XX年X月X日实验人员:XXX实验目的:1.研究不同物质对微生物生长的影响;2.测定微生物在不同条件下的生长速率;3.探究微生物在不同温度下的生长变化。
实验材料:1.维生素B1溶液(10g/L);2.蔗糖溶液(10g/L);3.葡萄糖溶液(10g/L);4.酪蛋白溶液(10g/L);5.红藻提取物溶液(10g/L);6.无菌琼脂培养基;7.无菌平板;8.无菌试管。
实验步骤:1.制备无菌培养基1)加热琼脂培养基至溶解;2)将溶解的琼脂培养基加入试管内;3)用无菌胶头滴管将培养基均匀地分注于无菌平板上;4)将平板培养基放置于室温下,待其凝固。
2.将维生素B1溶液、蔗糖溶液、葡萄糖溶液、酪蛋白溶液和红藻提取物溶液分别加入无菌试管中,每种物质各占10个试管。
3.将每个试管中的液体用无菌胶头滴管均匀地分注于不同编号的无菌平板上。
4.打开消毒柜门,将作用于琼脂培养基的紫外灯打开并进行照射,确保平板完全消毒。
5.在实验室的洁净工作台上,用无菌移液器将各个试验组织的接触培养基的无菌操作。
6.将分配彼此间较远、避免相互干扰的生长时间的培养基标上编号,放入恒温箱中。
7.将标注为控制组的培养基放置于室温下,其余的培养基分别放置在不同温度的恒温箱(30℃、37℃、4℃)中,进行培养。
8.在培养基上观察微生物生长情况,并记录观察结果。
实验结果:在维生素B1溶液的培养基中,观察到微生物在两天后有较好的生长情况,在第四天生长速率达到最高峰。
在蔗糖溶液的培养基中,微生物在一天后开始生长,并在第二天迅速增加,但随后生长速率略有下降。
在葡萄糖溶液的培养基中,微生物在一天后开始生长,但生长速率较缓慢,在第三天达到峰值。
在酪蛋白溶液的培养基中,微生物在一天后开始生长,并在第二天显著增加,但在第三天数量趋于稳定。
在红藻提取物溶液的培养基中,微生物在两天后开始生长,生长速率相对较慢,但在第五天达到最高峰值。
在不同温度下的培养基中,观察到微生物在30℃的恒温箱中生长速率最快,37℃次之,而在4℃的恒温箱中微生物生长速率非常缓慢。
消毒产品检验技术规范
1. 消毒产品检验方法:包括对产品成分、理化性质、杀菌效果等方面进行检测的具体方法和步骤。
2. 消毒产品化学成分分析:通过分析消毒产品的化学成分,确定产品是否符合相关要求。
3. 消毒产品理化性质检验:包括对消毒产品的外观、pH值、溶解性、稳定性等方面进行检测。
4. 消毒产品杀菌效果评价:通过实验室测试,评估消毒产品对不同细菌、的杀灭能力。
5. 消毒产品毒性评价:通过实验评估消毒产品对人体的毒性和刺激性,确保产品对人体无害。
6. 消毒产品贮存稳定性评价:评估产品在贮存期间的性能变化和稳定性。
7. 消毒产品标签标识检验:检验产品的标签上是否包含正确的使用说明、成分信息等,并确保标签和包装符合相关法规要求。
8. 消毒产品包装检验:检验产品包装的完整性、防伪性能等。
9. 消毒产品微生物检验:通过培养和检测微生物,评价产品的无菌性和抗菌效果。
10. 消毒产品残留物检验:检验产品使用后是否有残留物,确保产品不会对环境和使用者产生不良影响。
通过进行上述检验,可以确保消毒产品的质量和安全性符合相关标准和法规要求,保护公众的健康安全。
消毒医疗器材微生物检验原始记录样品编号:检验开始时间:年月日样品名称:检验完成时间:年月日检测项目:□菌落总数□沙门氏菌检测依据:GB 15982-2012□β型溶血性链球菌□铜绿假单胞菌□金黄色葡萄球菌可整件放入无菌试管的,用洗脱液浸没后震荡30s以上,取洗脱液1.0ml接种平皿,将冷至40℃—45℃的熔化营养琼脂培养基每皿倾注15ml—20ml,36℃±1℃恒温箱培养48h,计数菌落数(CFU/件),必要时分离致病性微生物。
可用破坏性方法取样的,在100级超净工作台称取1g—10g样品,放入装有10ml采样液的试管内进行洗脱,取洗脱液1.0ml接种平皿,计数菌落数(CFU/件),必要时分离致病性微生物。
对不能用破坏性方法取样的医疗器材,在100级超净工作台,用浸有无菌生理盐水采样液的棉签在被检物体表面涂抹采样,被采表面<100cm²,取全部表面,被采表面≥100cm²,取100cm²,然后将除去手接触部分的棉签进行洗脱,取洗脱液 1.0ml接种平皿,将冷至40℃—45℃的熔化营养琼脂培养基每皿倾注15ml—20ml,36℃±1℃恒温箱培养48h,计数菌落数(CFU/cm²),必要时分离致病性微生物。
消毒后内镜:取清洗消毒后内镜,采用无菌注射器抽取50ml含相应中和剂的洗脱液,从活检口注入冲洗内镜管路,并全量收集(可使用蠕动泵)送检。
将洗脱液充分混匀,取洗脱液1.0ml接种平皿,将冷至0℃—45℃的熔化营养琼脂培养基每皿倾注15ml—20ml,36℃±1℃恒温箱培养48h,计数菌落数(CFU/件)。
将剩余洗脱液在无菌条件下采用滤膜(0.45μM)过滤浓缩,将滤膜接种于凝固的营养琼脂平板上(注意不要产生气泡),置36℃±1℃恒温箱培养48h,计数菌落数.当滤膜法不可计数时:菌落总数(CFU/件)=m(CFU/平板)×50式中:m—两平行平板的平均菌落数。
消毒产品检验技术规范Technical Standard for Testing Disinfection Products 1 消毒产品消毒效果检验技术规范1.1 消毒剂杀微生物试验1.1.1 适用范围主要适用于消毒剂鉴定和日常检测,用来评价各种用途的消毒剂对微生物的杀灭效果。
按此方法进行的试验,只是对消毒剂的杀菌能力的重要方面进行验证,侧重反映消毒剂的实用剂量与杀菌能力。
不能反映消毒剂的全面特性。
1.1.2 菌悬液与菌片的制备1.1.3 活菌培养计数技术1.1.4 残留消毒剂的去除方法1.1.5 中和剂鉴定试验1.1.6 物理法去除残留消毒剂试验1.1.7 细菌定量杀灭试验1.1.8 杀灭分枝杆菌试验1.1.9 真菌杀灭试验1.1.10 病毒灭活试验1.1.11 能量试验1.1.12 各种因素对消毒剂杀菌作用影响的测定1.2 消毒剂模拟现场和现场消毒鉴定试验1.2.1 消毒剂对食(饮)具消毒效果的模拟现场鉴定试验1.2.2 消毒剂对医疗器械的消毒模拟现场试验1.2.3消毒剂对医疗器械的模拟现场灭菌试验1.2.4 连续使用稳定性试验1.2.5消毒剂对手消毒的模拟现场试验1.2.6消毒剂对手消毒现场试验1.2.7 消毒剂对皮肤消毒的模拟现场试验1.2.8消毒剂对皮肤消毒现场试验1.2.9消毒剂对其他表面消毒模拟现场鉴定试验1.2.10消毒剂对其他表面消毒现场鉴定试验1.3 空气消毒效果鉴定试验1.3.1 目的检测消毒器械或消毒剂对空气中细菌的杀灭和清除作用,以验证其对空气的消毒效果。
其他方法对空气的消毒效果,亦可参照本试验的有关原则进行。
1.3.2 试验设备和器材1.3.3 试验阶段1.3.4 实验室试验与模拟现场试验操作程序1.3.5 现场试验1.4 水的消毒效果鉴定试验1.4.1生活饮用水消毒效果鉴定1.4.1.1 目的检测生活饮用水消毒剂与消毒器械的杀菌效果,以验证其对生活饮用水消毒能否达到卫生合格标准。