《铁路技术管理规程》(第十版)线路间距规定
- 格式:doc
- 大小:47.50 KB
- 文档页数:2
中华人民共和国铁路技术管理规程(第十版)总则文章来源:铁道部更新时间:2006-12-21 14:50:29总则铁路是国家重要的基础设施、国民经济的大动脉、交通运输体系的骨干,是运输能力大、节约资源、有利环保的交通运输方式,在全面建设小康社会的进程中肩负着重要的历史使命。
铁路要促进经济社会又快又好发展,适应保障国防建设的需要。
铁路运输具有高度集中、各工作环节紧密联系、协同配合。
为确保铁路安全正点、方便快捷、高速高效,必须加强铁路技术管理,制定统一、科学的《铁路技术管理规程》。
《铁路技术管理规程》规定了铁路在基本建设、产品制造、验收交接、使用管理及保养维修方面的基本要求和标准;规定了铁路各部门、各单位、各工种在从事运输生产时,必须遵循的基本原则、责任范围、工作方法、作业程序和相互关系;规定了信号的显示方式和执行要求;明确了铁路工作人员的主要职责和必须具备的基本条件。
《铁路技术管理规程》依据《中华人民共和国铁路法〉、《铁路路运输安全保护条例〉等有关法律法规规定,使铁路技术管理的基本规章。
除了其他规章和规范性文件以及各部门、各单位制定的技术管理文件等,都必须符合《铁路技术管理规程》的规定。
《铁路技术管理规程》是长期生产实践和科学研究的总结,它将随着运输生产和科学技术的不断发展,逐渐充实和完善。
在铁道部没有明令修改以前,任何部门、任何单位、任何人员都不得违反本规程的规定。
第一编技术设备第一章基本要求基建、制造及其验收交接第1条铁路的基本建设、产品制造应综合配套,保证质量,采用保证行车安全的技术设备,不断提高运输能力,以适应国民经济发展和市场竞争的需要。
应采用先进、成熟、经济、适用、可靠的技术,实现技术设备标准化、系列化、模块化、信息化,加快实现铁路现代化。
第2条铁路基本建设应严格按照国家规定的程序进行,必须符合国家和铁道部规定的技术标准。
设计工作必须由具有设计资质的单位承担,根据已批准的可行性研究报告进行,须考虑环境保护、水土保持、劳动安全、劳动卫生及消防的要求,并充分吸取施工、维修、使用部门的意见。
《铁路技术管理规程》(第十版)于2007年4月1日施行尧夕
【期刊名称】《铁道知识》
【年(卷),期】2007(000)002
【摘要】@@ 2006年10月25日,经铁道部第十四次部长办公会议通过,新版(第十版)《铁路技术管理规程》(以下简称《技规》)以铁道部令第29号公布并于2007年4月1日开始正式实行.作为铁路技术管理的基本规章,新《技规》首次明确了其依据《中华人民共和国铁路法》、《铁路运输安全保护条例》等法规制定,具备完善的法律基础.新《技规》共分6部分:总则及第一、二、三、四编和附则,计19章共395条.与现行《技规》19章371条相比,新《技规》与其结构基本一致,增加了行车安全监测设备、自轮运转特种设备和线路安全保护标志3节内容,修改了232条,维持原条款123条,删除钥匙路签和蒸汽机车等内容16条,另增加其他内容40条.
【总页数】1页(P25)
【作者】尧夕
【作者单位】无
【正文语种】中文
【相关文献】
1.《铁路技术管理规程》知识库管理系统研究
2.《铁路技术管理规程》修订研究
3.《铁路技术管理规程》定量分析研究
4.2007年4月25日国务院总理温家宝签署
第496号国务院令中华人民共和国水文条例自2007年6年1日起施行5.《铁路技术管理规程》(第十版)2007年4月1日施行
因版权原因,仅展示原文概要,查看原文内容请购买。
《铁路技术管理规程》(第十版)线路间距
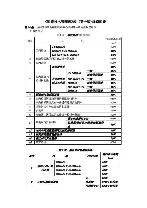
第14条区间及站内两相邻线路中心线间的标准距离规定如下: 1.直线部分
第2表客运专线铁路线间距
站内正线须保证能通过超限货物列车。
此外,在编组站、区段站及区段内选定的三至五个中间站上,单线铁路应另有一条线路,双线铁路上、下行各另有一条线路,须能通行超限货物列车。
2.曲线部分
区间及站内线路曲线部分中心线间的水平距离,线路中心线至建筑限界的水平距离,均按曲线半径大小,根据本规程附图一规定的曲线上建筑限界加宽公式计算确定。
铁路技术管理规程中的径路
规范:
1、轨距:轨距应符合铁路规范规定的尺寸,一般不小于1435mm。
2、轨道:轨道应符合铁路规范规定,如:轨节尺寸、不锈钢轨导轨等。
3、櫘度:每个铁路桥梁、隧道口高度和上述轨节尺寸要求应符合铁路
技术管理规程规定的尺寸。
4、宽度:轨节间宽度应符合铁路技术管理规程中规定的尺寸,一般应
不小于3.2m。
5、曲线:铁路曲线应符合铁路技术管理规程规定的尺寸,如:弧线半径、视觉角度等。
6、速度:铁路实行最高运行速度规范,最高设计速度应符合铁路技术
管理规程中的要求,设计速度一般不大于250km/h。
中国铁路总公司《铁路技术管理规程》(普速铁路部分)2014年7月·北京目录总则 (1)第一编技术设备 (2)第一章基本要求 (2)基建、制造及其验收交接 (2)限界、安全保护区 (3)养护维修及检查 (5)救援设备 (6)灾害防护 (6)行车安全监测设备 (7)第二章线路、桥梁及隧道 (9)一般要求 (9)铁路线路 (9)线路平面及纵断面 (10)路基 (10)桥隧建(构)筑物 (11)轨道 (12)道口、交叉及线路接轨 (14)安全线及避难线 (15)防护栅栏 (15)声屏障 (15)第三章信号、通信 (17)一般要求 (17)信号 (17)联锁 (20)闭塞 (21)列车调度指挥系统、调度集中系统 (21)机车信号、列车运行监控装置、轨道车运行控制设备 (22)CTCS-2级列控系统 (23)信号集中监测系统 (25)驼峰信号 (25)道口自动信号及自动通知 (25)通信 (26)承载网 (26)业务网 (26)支撑网 (28)信号、通信线路及其他 (28)第四章铁路信息系统 (30)第五章车站及枢纽 (32)站场设备 (32)货运设备 (33)第六章机车车辆 (35)机车设备 (35)机车 (35)车辆设备 (37)车辆 (38)动车组设备 (39)动车组 (39)自轮运转特种设备 (40)第七章供电、给水 (41)牵引供电 (41)电力、给水 (43)第八章房屋建筑 (45)第九章铁路用地 (46)第二编行车组织 (47)第十章基本要求 (47)行车组织原则 (47)行车指挥 (48)车站技术管理 (51)对行车有关人员的要求 (53)第十一章编组列车 (55)一般要求 (55)列车中车辆的编挂 (56)列尾装置的摘挂及运用 (56)列车中机车的编挂 (57)机车车辆重量及长度 (58)列车制动限速及其编组要求 (63)列车中车辆的连挂 (70)列车中的车辆检查及修理 (71)第十二章调车工作 (77)一般要求 (77)领导及指挥 (77)计划及准备 (78)调车作业 (79)在正线、到发线上的作业 (82)机车车辆的停留 (82)第十三章行车闭塞 (84)一般要求 (84)自动闭塞 (85)自动站间闭塞 (86)半自动闭塞 (87)电话闭塞 (87)第十四章列车运行 (90)一般要求 (90)接车与发车 (95)列车被迫停车后的处理 (99)救援列车的开行 (102)施工及路用列车的开行 (102)轻型车辆及小车的使用 (111)固定行车设备检修及故障处理 (112)第三编信号显示 (115)第十五章基本要求 (115)第十六章固定信号 (118)色灯信号机 (118)臂板信号机 (132)机车信号机 (135)第十七章移动信号及手信号 (140)移动信号 (140)响墩及火炬信号 (141)无线调车灯显信号 (142)手信号 (142)第十八章信号表示器及标志 (153)信号表示器 (153)线路标志及信号标志 (158)线路安全保护标志 (167)列车标志 (168)第十九章听觉信号 (171)附图1 客货共线铁路建筑限界 (174)1. v≤160 km/h客货共线铁路建筑限界 (174)2. v>160 km/h客货共线铁路建筑限界 (177)3. 双层集装箱运输装载限界及双层集装箱运输铁路建筑限界 (178)附图2 客货共线铁路机车车辆限界 (181)附件1 路票 (183)附件2 绿色许可证 (183)附件3 红色许可证 (184)附件4 调度命令 (184)附件5 出站/跟踪调车通知书 (185)附件6 轻型车辆使用书 (185)附件7 调度命令登记簿 (186)附件8 书面通知 (187)附件9 半自动闭塞发车进路通知书 (187)附件10 铁路车辆编组隔离表 (188)缩写词对照表 (189)计量单位符号 (190)总则铁路是国民经济大动脉、国家重要基础设施和大众化交通工具,是综合交通运输体系骨干、重要的民生工程和资源节约型、环境友好型运输方式,在我国经济社会发展中的地位至关重要。
铁路技术管理规程第十版线路间距规定
公司内部档案编码:[OPPTR-OPPT28-OPPTL98-OPPNN08]
《铁路技术管理规程》(第十版)线路间距
第14条区间及站内两相邻线路中心线间的标准距离规定如下: 1.直线部分
第2表客运专线铁路线间距
站内正线须保证能通过超限货物列车。
此外,在编组站、区段站及区段内选定的三至五个中间站上,单线铁路应另有一条线路,双线铁路上、下行各另有一条线路,须能通行超限货物列车。
2.曲线部分
区间及站内线路曲线部分中心线间的水平距离,线路中心线至建筑限界的水平距离,均按曲线半径大小,根据本规程附图一规定的曲线上建筑限界加宽公式计算确定。
铁路行业规章安全生产部门规章是国务院有关部门依照安全生产法律、行政法规的授权制定发布的,其法律地位和效力低于安全生产法律和安全生产行政法规,高于地方政府安全生产规章。
国家安监总局制定的部门规章主要有《生产经营单位安全培训规定》、《安全生产培训管理规定》等,本章仅介绍原铁道部制定的与劳动安全相关的部分规章和标准。
第一节规章一、铁路技术管理规程有关人身安全规定《铁路技术管理规程》(铁道部令第29号)是2006年9月27日铁道部第14次部长办公会议通过,自2007年4月1日起施行,是自1950年1月以来的第10个版本。
《铁路技术管理规程》(以下简称《技规》〕分为总则,技术设备,行车组织,信号显示,对铁路工作人员的要求和附则6篇共19章395条。
规定了铁路的基本建设、产品制造、验收交接、使用管理及保养维修方面的基本要和标准;规定了各部门、各单位、各工种在从事铁路运输生产时,必须遵循的从本原则、责任范围、工作方法、作业程序和相互关系;规定了信号的显示方式和执行要求;明确了铁路工作人员的主要职责和必须具备的基本条件。
《技规》是铁路技术管理的基本规章,铁路的其他规章和规范性文件以从各部门、各单位制定的技术管理文件等,都必须符合《技规》的规定。
《技规》要求铁路职工必须严格遵守和执行本规程的规定,在自己的职务范围内,以对国家和人民极端负责的态度,保证安全生产。
特别要求铁路行车有关人员,接班前须充分休息,严禁饮酒;在执行职务时,必须坚守岗位,穿着规定的服装,佩戴易于识别的证章或携带相应的证件,讲普通话。
二、铁路运输系统作业人员劳动安全关键点通用控制措施为适应铁路运输生产和技术条件不断发展变化的需要,落实“规范管理,强基达标”总体要求,强化作业安全关键环节的控制,减少职工伤害事故,原铁道部制定了《铁路运输系统作业人员劳动安全关键点控制措施》,分为通用控制措施和具体控制措施两大部分。
通用控制措施规定在铁路既有线从事作业的所有人员,必须认真落实下列劳动安全控制措施。
铁路技术管理规程 YUKI was compiled on the morning of December 16, 2020中华人民共和国铁路技术管理规程中华人民共和国铁路技术管理规程总则铁路是国家重要的基础设施、国民经济的大动脉、交通运输体系的骨干。
随着国民经济的发展和国防建设的需要,铁路在运输组织和技术设备方面有了长足的进步,同时,社会主义市场经济也对铁路运输提出更高的要求。
铁路运输具有高度集中、各工作环节紧密联系的特点。
为确保铁路安全正点、方便快捷、高速高效,必须制定统一、科学的《铁路技术管理规程》。
《铁路技术管理规程》明确了铁路在基本建设、产品制造、验收交接、使用管理及保养维修方面的基本要求和标准;规定了铁路各部门、各单位、各工种在从事运输生产时,必须遵循的基本原则、责任范围、工作方法、作业程序和相互关系;规定了信号的显示方式和执行要求;明确了铁路工作人员的主要职责和必须具备的基本条件。
《铁路技术管理规程》是铁路技术管理的基本法规。
铁路各部门、各单位制定的规程、规范、规则、细则、标准和办法等,都必须符合《铁路技术管理规程》的规定。
铁路职工对《铁路技术管理规程》必须认真学习,严格执行。
《铁路技术管理规程》是广大铁路职工长期生产实践和科学研究的总结,它将随着运输生产和科学技术的不断发展,逐渐充实和完善。
在铁道部没有明令修改以前,任何部门、任何单位、任何人员都不得违反本规程的规定。
第一编技术设备第一章基本要求基建、制造及其验收交接第1条铁路的基本建设、产品制造应综合配套,保证质量,采用保证行车安全的技术设备,不断提高运输能力,以适应国民经济发展和市场竞争的需要。
各种技术设备应采用先进技术,实现标准化、系列化和通用化,从我国的具体条件出发,逐步实现铁路现代化。
第2条铁路基本建设应严格按照国家规定的程序进行,必须符合国家和铁道部规定的技术标准。
设计工作必须由具有设计资质的单位承担,并根据已批准的可行性研究报告进行,须考虑环境保护、水土保持及劳动安全卫生的要求,充分吸取施工、维修、使用部门的意见。
新版《铁路技术管理规程》(第10版)主要修改内容(二)铁路简讯铁路简讯金翁在博新版《铁路技术管理规程》(第10版)主要修改内容(二)近期,因准备进行内燃专业的规章课程的教学任务,因此对新版技规也开始关心了,现从网上搜索了些关于第十版技规的有关修改内容,供大家参考。
(翁孟超,2008年4月6日晚,金翁在博转摘)接前述内容:(三)第二编“行车组织”修改了调度命令项、列车分类和运行等级、机车车辆重量及长度表、机车车辆闸瓦压力及制动限速、紧急制动距离、基本闭塞方式、行车凭证、列车区间被迫停车、运转车长设置、天气恶劣的行车、施工的防护距离、轻型车辆及小车的使用、养路机械安全管理制度等内容。
删除了混合列车、利用行车间隔施工的有关内容。
增加了单司机值乘和无运转车长值乘列车,密接式车钩车辆的摘挂作业及运行、回送,自动站间闭塞行车凭证,列车站内临时停车,列车火灾、爆炸和汛期行车以及车辆故障的应急处理办法,施工特定行车办法等内容。
具体修改内容:1.修改补充调度命令项目根据施工管理办法的变化,调度命令项目中“利用列车间隔施工”改为“利用天窗施工、维修”,增加了“利用施工特定行车办法行车”的内容。
2.修改了列车的分类和运行等级顺序现行《技规》对列车按运输性质的分类和运行等级顺序的规定是一样的,随着列车种类的增加,原规定已不适应。
将列车按运输性质的分类和运行等级顺序进行了分别规定:按运输性质分类:旅客列车,行邮、行包列车,军用列车,货物列车,路用列车。
列车运行等级顺序:特快旅客列车,特快行邮列车,快速旅客列车,普通旅客列车,快速行邮列车,行包列车,军用列车,货物列车,路用列车。
3.简化机车车辆换算闸瓦压力及列车制动限速表(1)机车车辆目前使用、试用的闸瓦种类繁多,对一类车型只考虑一种定型的主要闸瓦品种。
(2)160km/h及以上的旅客列车、120km/h及以上的货物列车、行邮及行包列车、总重10000t及以上的重载列车不计算闸瓦压力及制动效能,只规定最多允许关门的车辆数。
铁路线路直线轨距标准为多少?
答:铁路线路的轨距是指两条铁轨的中心之间的距离,通常用于度量铁路轨道的宽度。
世界上不同国家和地区的铁路轨距标准各不相同,主要分为标准轨距、宽轨和窄轨。
以下是一些常见的铁路轨距标准:
1. 标准轨距(Standard Gauge):
- 标准轨距是最常见的铁路轨距,也是国际上应用最广泛的标准之一。
标准轨距的中心间距为1,435毫米(4英尺8.5英寸)。
2. 宽轨(Broad Gauge):
- 宽轨的中心间距大于标准轨距。
它在一些国家和地区的铁路系统中被采用,为1,600毫米(5英尺3英寸)或更宽。
3. 窄轨(Narrow Gauge):
- 窄轨的中心间距小于标准轨距。
窄轨通常用于一些特殊场合,如山区、短程运输等。
窄轨的间距可以是1,067毫米(3英尺6英寸)、762毫米(2英尺6英寸)或其他尺寸。
4. 其他轨距:
- 除了上述常见的轨距标准外,一些特殊用途的铁路系统可能采用其他轨距,如高速铁路系统采用的轨距可能略有不同。
需要注意的是,轨距的选择通常由国家或地区的铁路管理部门和规
范决定。
标准轨距在国际上得到了广泛的应用,因为它有利于联接不同国家和地区的铁路系统。
第二章线路、桥梁及隧道一般要求第30条为了保证线路、桥隧、路基等设备质量,应设工务段等工务维修机构。
工务段管辖正线长度,应根据单线或双线、平原或山区等条件确定。
在工务段管辖范围内有枢纽或编组站时,应适当减少正线管辖长度。
铁路局根据需要和条件,设供铁路专用的采石场和林场。
第31条工务维修机构应有机具检修、配件修理、辅助加工等设施,动力、机修、起重、试验等设备,以及轨道车和汽车等运输工具;根据养护维修需要还应有大型养路机械、工务专用机械设备、移动检测设备,以及检修、焊轨基地等。
铁路线路第32条铁路线路分为正线、站线、段管线、岔线、安全线及避难线。
正线是指连接车站并贯穿或直股伸入车站的线路。
站线是指到发线、调车线、牵出线、货物线及站内指定用途的其他线路。
段管线是指机务、车辆、工务、电务、供电等段专用并由其管理的线路。
岔线是指在区间或站内接轨,通向路内外单位的专用线路。
安全线是为防止列车或机车车辆从一进路进入另一列车或机车车辆占用的进路而发生冲突的一种安全隔开设备。
避难线是在长大下坡道上能使失控列车安全进入的线路。
第33条Ⅰ、Ⅱ级铁路区间线路最小曲线半径及最大限制坡度规定见第2表和第3表。
车站必须设在坡道上时,其坡度不应大于1‰;在地形特别困难的条件下,会让站、越行站可设在不大于6‰的坡道上,且不应连续设置,并保证列车的起动。
车站必须设在曲线上时,到发线有效长范围内不得设在反向曲线上,其曲线半径不得小于该区段内的最小曲线半径,且不得小于第4表中规定的数值。
线路平面及纵断面第35条线路平面及纵断面应保持原有标准状态。
区间线路变动时,须经铁路局批准,但曲线半径不得小于该区间规定的最小曲线半径,坡度不得大于该区间规定的最大限制坡度。
线路平面及纵断面有变动时,必须及时通知有关单位。
凡变更线路平面及纵断面,竣工后由施工单位立即检查,并形成完整的竣工资料,移交负责维修和使用的单位。
在任何情况下,线路平面及纵断面的变动,必须满足限界要求。