101、104通信规约测试大纲
- 格式:doc
- 大小:228.50 KB
- 文档页数:7
检测规程、标准及验收标准
1)DL/T 814-2002 配电自动化功能规范
2)DL/T 721-2000 配电网自动化系统远方终端
3)GB/T13729-2002 远动终端设备
4)DL/T 634.5-101远动设备及系统标准传输协议子集第101部分
5)DL/T 634.5-104远动设备及系统标准传输协议子集第104部分
6)Q/GDW 370城市配电网技术导则
7)Q/GDW 382配电自动化技术导则
8)生配电[2009]196号《配电自动化试点建设与改造技术原则》
9)GB/T 14598.10-2007《电气继电器第22-4部分:量度继电器和保护装
置的电气骚扰试验-电快速瞬变/脉冲群抗扰度试验》
10)GB/T 14598.14-1998《量度继电器和保护装置的电气干扰试验第2部分:
静电放电试验》
11)GB/T 14598.18-2007《电气继电器第22-5部分:量度继电器和保护装
置的电气骚扰试验-浪涌抗扰度试验》
12)GB/T 7261-2008《继电保护和安全自动装置基本试验方法》
13)DL/T 478-2001《静态继电保护及安全自动装置通用技术条件》
14)GB/T 15145-2008《输电线路保护装置通用技术条件》
15)Q/701-205.000-2010《质量手册》
16)Q/701-205.002-2010《环境和职业健康安全管理手册》
传输规约检验
1 101规约连通性测试
测试结果符合规约要求则填“√”,测试结果不符合规约要求则填“×”。
2 104规约连通性测试
测试结果符合规约要求则填“√”,测试结果不符合规约要求则填“×”。
测试前准备1.直流24V工作电源一台,接FTU端子Vin+和Vss;2.使用以太网线连接电脑以太网口和FTU的NET1口;3.将配置好的程序下装进去;4.PMA测试软件。
遥控注意:1.测量遥控单元时需要将遥信端子第五路与24V+短接即实现远方控制;2.此FTU面板端子支持两路遥控,即遥控点位6001H和6002H。
但是软件程序开放六路遥控6001H——6006H,且均可以产生正确报文,但是,仅有6001H和6002H两路为工作要求的有效点位。
(6004H也可以使继电器动作估计为程序bug);3.单点遥控和双点遥控在装置中设置为同一种遥控,只是报文最后一帧81/82的区别。
单点遥控报文举例:遥控预置执行报文:主站发送68 0e 00 00 0a 00 2d 01 06 00 02 00 02 60 00 81起始字节=68 数据单元长度(APDU)=14 I格式帧发送序号(NS)=0 接收序号(NR)=5 TI= 45 VSQ=01 SQ=0 INFONUM=1 COT= 06 T=0 PN=0 CAUSE =6 COA =2 C_SC_NA_1单点遥控命令肯定认可激活 QU=0默认值选择点号=24578 合从站发送68 0e 0a 00 02 00 2d 01 07 00 02 00 02 60 00 81起始字节=68 数据单元长度(APDU)=14 I格式帧发送序号(NS)=5 接收序号(NR)=1 TI= 45 VSQ=01 SQ=0 INFONUM=1 COT= 07 T=0 PN=0 CAUSE =7 COA =2 C_SC_NA_1单点遥控命令肯定认可激活确认 QU=0默认值选择点号=24578 合主站发送68 0e 02 00 0e 00 2d 01 06 00 02 00 02 60 00 01起始字节=68 数据单元长度(APDU)=14 I格式帧发送序号(NS)=1 接收序号(NR)=7 TI= 45 VSQ=01 SQ=0 INFONUM=1 COT= 06 T=0 PN=0 CAUSE =6 COA =2 C_SC_NA_1单点遥控命令肯定认可激活 QU=0默认值执行点号=24578 合从站发送68 0e 0e 00 04 00 2d 01 07 00 02 00 02 60 00 01起始字节=68 数据单元长度(APDU)=14 I格式帧发送序号(NS)=7 接收序号(NR)=2 TI= 45 VSQ=01 SQ=0 INFONUM=1 COT= 07 T=0 PN=0 CAUSE =7 COA =2 C_SC_NA_1单点遥控命令肯定认可激活确认 QU=0默认值执行点号=24578 合从站发送68 0e 10 00 04 00 2d 01 0a 00 02 00 02 60 00 01起始字节=68 数据单元长度(APDU)=14 I格式帧发送序号(NS)=8 接收序号(NR)=2 TI= 45 VSQ=01 SQ=0 INFONUM=1 COT= 0a T=0 PN=0 CAUSE =10 COA =2 C_SC_NA_1单点遥控命令肯定认可激活结束 QU=0默认值执行点号=24578 合遥控预置撤销报文:主站发送68 0e 1c 00 64 01 2d 01 06 00 02 00 01 60 00 81起始字节=68 数据单元长度(APDU)=14 I格式帧发送序号(NS)=14 接收序号(NR)=178 TI= 45 VSQ=01 SQ=0 INFONUM=1 COT= 06 T=0 PN=0 CAUSE =6 COA =2 C_SC_NA_1单点遥控命令肯定认可激活 QU=0默认值选择点号=24577 合从站发送68 0e 64 01 1e 00 2d 01 07 00 02 00 01 60 00 81起始字节=68 数据单元长度(APDU)=14 I格式帧发送序号(NS)=178 接收序号(NR)=15 TI= 45 VSQ=01 SQ=0 INFONUM=1 COT= 07 T=0 PN=0 CAUSE =7 COA =2 C_SC_NA_1单点遥控命令肯定认可激活确认 QU=0默认值选择点号=24577 合主站发送68 0e 1e 00 68 01 2d 01 08 00 02 00 01 60 00 81起始字节=68 数据单元长度(APDU)=14 I格式帧发送序号(NS)=15 接收序号(NR)=180 TI= 45 VSQ=01 SQ=0 INFONUM=1 COT= 08 T=0 PN=0 CAUSE =8 COA =2 C_SC_NA_1单点遥控命令肯定认可停止激活 QU=0默认值选择点号=24577 合从站发送68 0e 68 01 20 00 2d 01 09 00 02 00 01 60 00 81起始字节=68 数据单元长度(APDU)=14 I格式帧发送序号(NS)=180 接收序号(NR)=16 TI= 45 VSQ=01 SQ=0 INFONUM=1 COT= 09 T=0 PN=0 CAUSE =9 COA =2 C_SC_NA_1单点遥控命令肯定认可停止激活确认 QU=0默认值选择点号=24577 合遥控返校超时报文:由于主站发送遥控报文的信息体地址不在FTU实际设置的遥控点表范围(6001H——6006H)内,导致返校超时;不理解下位机报文传送原因为什么是6f。
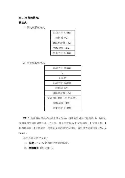
IEC101规约结构:帧格式:1.固定帧长帧格式2.可变帧长帧格式FT1.2的传输标准要求线路上低位先传;线路的空闲为二进制的1;两帧之间的线路空闲间隔需不小于33位;每个字符包括1位起始位、1位停止位、1位偶校验位、8位数据位,字符间无需线路空闲间隔;信息字节求和校验(Check Sum)。
其中各部分的含义如下1)长度L=C+A+链路用户数据的长度。
2)控制域C的定义如下:主站向子站传输时:DIR=0, PRM=1;子站向主站传输时:DIR=1, PRM=0。
主站向同一个子站传输新一轮的发送/确认和请求/响应传输服务时,将FCB 位取反;主站为每一个子站保留一个帧计数位的拷贝,若超时没有从子站收到所期望的报文,或接收出现差错,则主站不改变帧计数位的状态,重复传送原报文,重复次数为3次。
FCV若等于0,FCB的变化无效。
主站向子站传输的功能码如下表所列:子站向主站传输的功能码如下表所列:链路用户数据(可变长度)其中,各部分的解释如下:a.类型标识常用的有:子站-->主站过程信息1 ――不带时标的单点信息;2 ――带时标的单点信息;3 ――不带时标的双点信息;4 ――带时标的双点信息;9 ――测量值10――带时标的测量值(未用)21――不带品质描述的测量值22~24――为配套标准保留子站→主站在监视方向的系统信息70――初始化71~99――为配套标准保留主站→子站在控制方向的系统信息100――召唤命令101――电能脉冲召唤命令102――读数据命令(未用)103――时钟同步命令104――测试命令105――复位进程命令101~109――为配套标准保留b.可变结构限定词其结构如下:高位低位SQ=1:表明此帧中的信息体是按信息体地址顺序排列的。
SQ=0:表明此帧中的信息体不是按信息体地址顺序排列的。
信息体的个数小于128。
c.传送原因其字节的结构如下:高位低位P/N =0:肯定认可T =0:未试验=1:否定认可=1:试验传送原因=1:周期、循环=2:背景扫描=3:突发=4:初始化=5:请求或被请求=6:激活=7:激活确认=8:停止激活=9:停止激活确认=10:激活结束=13:文件传送(未用)=20:响应总召唤=21:响应第一组召唤…………=36:响应第十六组召唤=42~47:为配套标准保留=48~63:为特殊用途保留d.信息体地址信息体地址这一部分,不同调度系统厂家、不同区域、不同组织的定义会有所不同。
检测规程、标准及验收标准1)DL/T 814-2002 配电自动化功能规范2)DL/T 721-2000 配电网自动化系统远方终端3)GB/T13729-2002 远动终端设备4)DL/T 634.5-101远动设备及系统标准传输协议子集第101 部分5)DL/T 634.5-104远动设备及系统标准传输协议子集第104 部分6)Q/GDW 370城市配电网技术导则7)Q/GDW 382配电自动化技术导则8)生配电 [2009]196 号《配电自动化试点建设与改造技术原则》9)GB/T 14598.10-2007 《电气继电器第 22-4 部分:量度继电器和保护装置的电气骚扰试验 - 电快速瞬变 / 脉冲群抗扰度试验》10) GB/T 14598.14-1998《量度继电器和保护装置的电气干扰试验第2部分:静电放电试验》11)GB/T 14598.18-2007 《电气继电器第 22-5 部分:量度继电器和保护装置的电气骚扰试验 - 浪涌抗扰度试验》12)GB/T 7261-2008 《继电保护和安全自动装置基本试验方法》13)DL/T 478-2001 《静态继电保护及安全自动装置通用技术条件》14)GB/T 15145-2008 《输电线路保护装置通用技术条件》15)Q/701-205.000-2010 《质量手册》16)Q/701-205.002-2010 《环境和职业健康安全管理手册》传输规约检验1 101 规约连通性测试测试结果符合规约要求则填“√”,测试结果不符合规约要求则填“×”。
序测试总项号1链路状态2复位链路确认类型分项实测结果链路地址启动报文位链路功能码链路地址启动报文位链路功能码3 4 5 6 7 8链路地址发送用户数据确认启动报文位链路功能码链路地址启动报文位链路功能码站召唤可变结构限定词信息体地址召唤限定词激活确认激活终止链路地址启动报文位链路功能码组召唤可变结构限定词信息体地址召唤限定词激活确认激活终止链路地址启动报文位链路功能码对时可变结构限定词信息体地址对时时间激活确认链路地址启动报文位链路功能码可变结构限定词信息体地址命令限定词遥控激活确认停止激活确认激活终止链路地址启动报文位初始化结束链路功能码可变结构限定词信息体地址被初始化不带时标的单点信链路地址息启动报文位9 1 0 1 1 1 2 1 3链路功能码可变结构限定词信息体地址突发(自发 )响应站召唤响应组召唤链路地址启动报文位链路功能码不带时标的双点信可变结构限定词息信息体地址突发(自发 )响应站召唤响应组召唤链路地址启动报文位链路功能码规一化值可变结构限定词信息体地址突发(自发 )响应站召唤响应组召唤链路地址启动报文位链路功能码标度化值可变结构限定词信息体地址突发(自发 )响应站召唤响应组召唤单点信息链路地址单点信息启动报文位单点信息链路功能码带时标 CP56Time2a单点信息可变结的构限定词单点信息信息体地址单点信息突发(自发 )带时标 CP56Time2a双点信息链路地址的双点信息启动报文位双点信息链路功1 4能码双点信息可变结构限定词双点信息信息体地址双点信息突发(自发 )无效/有效1 5未溢出 / 溢出遥测品质描述无效/有效2 104 规约连通性测试测试结果符合规约要求则填“√”,测试结果不符合规约要求则填“×”。
101及104规约报文解析方法101、104规约报文解析方法一、电力系统数据通信协议体系IEC60870-5系列:远动通信协议体系IEC60870-6系列:计算机数据通信协议体系IEC61850-7系列:变电站数据通信协议体系IEC60870-5系列;IEC TC57 WG03(远动规约)配套标准IEC60870-5-101:基本远动任务IEC60870-5-102:电能累计量IEC60870-5-103:继电保护IEC60870-5-104: IEC60870-5-101的网络访问其他规约类型;CDT、DNP3.0、MODBUS等。
二、远动传输规约IEC60870-5-104的解析方法 1)程序启动后,首先发送链路连接请求帧,68 04 07 00 00 00起始字符:68H应用规约数据单元长度(APDU):04H(4个字节,即07 00 00 00)控制域第一个八位组:07H --> 0000 0111由前两位11可知是U格式帧;由第三四位01可知是链路连接请求帧 2)随后,接到模拟从站发送来的连接请求确认帧,68 04 0B 00 00 00起始字符:68H应用规约数据单元长度(APDU):04H(4个字节,即0B 00 00 00)控制域第一个八位组:0BH --> 0000 1011由前两位11可知是U格式帧;由第三四位10可知是链路连接确认帧 3)主站发送测试链路询问帧,68 04 43 00 00 00控制域第一个八位组:43H --> 0100 0011由前两位11可知是U格式帧;由第七八位01可知是链路测试请求帧 4)从站发送链路测试确认帧;68 04 83 00 00 00控制域第一个八位组:43H --> 0100 0011由前两位11可知是U格式帧;由第七八位11可知是链路测试确认帧5)主站发送总召唤激活请求命令;召唤全数据格式启动 68字节数 OE发序列发序列收序列收序列类型标识 64信息数 01原因 06原因 00公共地址 11公共地址 00信息地址 00信息地址 00信息地址 00召唤限定词 14例如;68 0E 00 00 00 00 64 01 06 00 01 00 00 00 00 14起始字符:68H应用规约数据单元长度(APDU):0EH(14个字节,即00 00 00 00 64 01 06 00 01 0000 00 00 14)控制域第一个八位组:00H --> 0000 0000由第一位0可知是I格式帧;控制域第二个八位组:00H --> 与第一个八位组的第2-8位组成0000 0000(高位) 0000 000(低位)所以,发送序号N(S)=0(注:I格式帧计数)控制域第三四八位组:00H 00H --> 0000 0000(第四个八位组,高位) 0000 000(第三个八位组的第2-8位,低位)类型标识:64H(CON<100>:=总召唤命令)可变结构限定词:01H(SQ=0,number=1)传送原因:06H 00H(Cause=6,激活)APDU地址:01H 00H(ADDR=1,即0001H,低位在前,高位在后)信息体地址:00H 00H 00H(低位在前,高位在后)信息体元素:14H(召唤限定词QOI=20,站召唤全局)7)从站站发送总召唤激活结束命令,68 0E 06 00 02 00 64 01 0A 00 01 00 00 00 00 14传送原因;0A(结束字符)遥信报文;6)从站发送单点遥信数据帧;68 1E 02 00 02 00 01 05 14 00 01 00 0A 00 00 00 0C 00 00 00 0E 00 00 00 1000 00 00 64 00 00 01控制域;02 00 02 00类型标识:01H(CON<1>:=单点信息)可变结构限定词:05H(SQ=0,number=5,由此可知有5个不连续的单点信息) 传送原因:14H 00H(Cause=20,响应站召唤)终端地址:01H 00H第一个信息体地址:0AH 00H 00H(点号:10)第一个信息体数据:00H(遥信状态;分)第二个信息体地址:0CH 00H 00H(点号;12)第二个信息体数据:00H(遥信状态;分)。
测试前准备1.直流24V工作电源一台,接FTU端子Vin+和Vss;2.使用以太网线连接电脑以太网口和FTU的NET1口;3.将配置好的程序下装进去;4.PMA测试软件。
遥控注意:1.测量遥控单元时需要将遥信端子第五路与24V+短接即实现远方控制;2.此FTU面板端子支持两路遥控,即遥控点位6001H和6002H。
但是软件程序开放六路遥控6001H——6006H,且均可以产生正确报文,但是,仅有6001H和6002H两路为工作要求的有效点位。
(6004H也可以使继电器动作估计为程序bug);3.单点遥控和双点遥控在装置中设置为同一种遥控,只是报文最后一帧81/82的区别。
单点遥控报文举例:遥控预置执行报文:主站发送68 0e 00 00 0a 00 2d 01 06 00 02 00 02 60 00 81起始字节=68 数据单元长度(APDU)=14 I格式帧发送序号(NS)=0 接收序号(NR)=5 TI= 45 VSQ=01 SQ=0 INFONUM=1 COT= 06 T=0 PN=0 CAUSE =6 COA =2 C_SC_NA_1单点遥控命令肯定认可激活 QU=0默认值选择点号=24578 合从站发送68 0e 0a 00 02 00 2d 01 07 00 02 00 02 60 00 81起始字节=68 数据单元长度(APDU)=14 I格式帧发送序号(NS)=5 接收序号(NR)=1 TI= 45 VSQ=01 SQ=0 INFONUM=1 COT= 07 T=0 PN=0 CAUSE =7 COA =2 C_SC_NA_1单点遥控命令肯定认可激活确认 QU=0默认值选择点号=24578 合主站发送68 0e 02 00 0e 00 2d 01 06 00 02 00 02 60 00 01起始字节=68 数据单元长度(APDU)=14 I格式帧发送序号(NS)=1 接收序号(NR)=7 TI= 45 VSQ=01 SQ=0 INFONUM=1 COT= 06 T=0 PN=0 CAUSE =6 COA =2 C_SC_NA_1单点遥控命令肯定认可激活 QU=0默认值执行点号=24578 合从站发送68 0e 0e 00 04 00 2d 01 07 00 02 00 02 60 00 01起始字节=68 数据单元长度(APDU)=14 I格式帧发送序号(NS)=7 接收序号(NR)=2 TI= 45 VSQ=01 SQ=0 INFONUM=1 COT= 07 T=0 PN=0 CAUSE =7 COA =2 C_SC_NA_1单点遥控命令肯定认可激活确认 QU=0默认值执行点号=24578 合从站发送68 0e 10 00 04 00 2d 01 0a 00 02 00 02 60 00 01起始字节=68 数据单元长度(APDU)=14 I格式帧发送序号(NS)=8 接收序号(NR)=2 TI= 45 VSQ=01 SQ=0 INFONUM=1 COT= 0a T=0 PN=0 CAUSE =10 COA =2 C_SC_NA_1单点遥控命令肯定认可激活结束 QU=0默认值执行点号=24578 合遥控预置撤销报文:主站发送68 0e 1c 00 64 01 2d 01 06 00 02 00 01 60 00 81起始字节=68 数据单元长度(APDU)=14 I格式帧发送序号(NS)=14 接收序号(NR)=178 TI= 45 VSQ=01 SQ=0 INFONUM=1 COT= 06 T=0 PN=0 CAUSE =6 COA =2 C_SC_NA_1单点遥控命令肯定认可激活 QU=0默认值选择点号=24577 合从站发送68 0e 64 01 1e 00 2d 01 07 00 02 00 01 60 00 81起始字节=68 数据单元长度(APDU)=14 I格式帧发送序号(NS)=178 接收序号(NR)=15 TI= 45 VSQ=01 SQ=0 INFONUM=1 COT= 07 T=0 PN=0 CAUSE =7 COA =2 C_SC_NA_1单点遥控命令肯定认可激活确认 QU=0默认值选择点号=24577 合主站发送68 0e 1e 00 68 01 2d 01 08 00 02 00 01 60 00 81起始字节=68 数据单元长度(APDU)=14 I格式帧发送序号(NS)=15 接收序号(NR)=180 TI= 45 VSQ=01 SQ=0 INFONUM=1 COT= 08 T=0 PN=0 CAUSE =8 COA =2 C_SC_NA_1单点遥控命令肯定认可停止激活 QU=0默认值选择点号=24577 合从站发送68 0e 68 01 20 00 2d 01 09 00 02 00 01 60 00 81起始字节=68 数据单元长度(APDU)=14 I格式帧发送序号(NS)=180 接收序号(NR)=16 TI= 45 VSQ=01 SQ=0 INFONUM=1 COT= 09 T=0 PN=0 CAUSE =9 COA =2 C_SC_NA_1单点遥控命令肯定认可停止激活确认 QU=0默认值选择点号=24577 合遥控返校超时报文:由于主站发送遥控报文的信息体地址不在FTU实际设置的遥控点表范围(6001H——6006H)内,导致返校超时;不理解下位机报文传送原因为什么是6f。
101规约和104规约介绍101.104子站端通讯规约101规约和104规约常用于调度中心和子站之间通讯。
101规约一般用于串口通讯,也可用UDP方式;104规约则用于网络通讯,采用TCP/IP方式。
目前公司在eComm和DCAP系统中只有101规约和104规约发送端(即子站端/从站端)软件,没有接收端(即主站端)软件;而PDS 系统中,有101规约和104规约接收端(即主站端)软件,以及104规约发送端(即子站端)软件。
步骤1确认信息(1)101串口UDP104 网口TCP/TIP 提供本机和对方IP 和端口(2)配置文件公共地址链路地址域长度单点遥还是双点遥信信息对象地址长度等主站-〉子站总召报文:68 09 09 68 73 1F 64 01 061F0000 14 30 16 链路地址传送原因公共地址信息对象地址(3) 点表数据对照表2新建通讯设备※DCAP 参数数据管理工具※ECOMM 新建通讯设备新建通讯设备类型为TCPSERVER查看安装盘中是否有101.104规约Config104.exe 必须和数据库ecomm.mdb 在同一个文件目录下3修改配置DCAP 在Comm101Rtu.ini 中修改其相关配置ECOMM 进入Config104XML.exe 新建配置,另存一个文件如104xml4生成数据对照表※DCAP 用CTMfor104.exe根据已给点表生成数据对照表ECOMM 在进入Config104XML.exe 新建配置,另存一个文件如104xml 后修改其配置5启动通讯程序DCAP 启动Comm101Rtu.exeECOMM 新建通道在Root (ecomm节点)上新建通道把已另存的104xml文件上传到通道启动Ecommserver=调试诊断。
101、104规约报文解析方法一、电力系统数据通信协议体系IEC60870-5系列:远动通信协议体系IEC60870-6系列:计算机数据通信协议体系IEC61850-7系列:变电站数据通信协议体系IEC60870-5系列;IEC TC57 WG03(远动规约)配套标准IEC60870-5-101:基本远动任务IEC60870-5-102:电能累计量IEC60870-5-103:继电保护IEC60870-5-104:IEC60870-5-101的网络访问其他规约类型;CDT、DNP3.0、MODBUS等。
二、远动传输规约IEC60870-5-104的解析方法1)程序启动后,首先发送链路连接请求帧,68 04 07 00 00 00起始字符:68H应用规约数据单元长度(APDU):04H(4个字节,即07 00 00 00)控制域第一个八位组:07H --> 0000 0111由前两位11可知是U格式帧;由第三四位01可知是链路连接请求帧2)随后,接到模拟从站发送来的连接请求确认帧,68 04 0B 00 00 00起始字符:68H应用规约数据单元长度(APDU):04H(4个字节,即0B 00 00 00)控制域第一个八位组:0BH --> 0000 1011由前两位11可知是U格式帧;由第三四位10可知是链路连接确认帧3)主站发送测试链路询问帧,68 04 43 00 00 00控制域第一个八位组:43H --> 0100 0011由前两位11可知是U格式帧;由第七八位01可知是链路测试请求帧4)从站发送链路测试确认帧;68 04 83 00 00 00控制域第一个八位组:43H --> 0100 0011由前两位11可知是U格式帧;由第七八位11可知是链路测试确认帧5)主站发送总召唤激活请求命令;召唤全数据格式启动68字节数OE发序列发序列收序列收序列类型标识64信息数01原因06原因00公共地址11公共地址00信息地址00信息地址00信息地址00召唤限定词14例如;68 0E 00 00 00 00 64 01 06 00 01 00 00 00 00 14起始字符:68H应用规约数据单元长度(APDU):0EH(14个字节,即00 00 00 00 64 01 06 00 01 00 00 00 00 14)控制域第一个八位组:00H --> 0000 0000由第一位0可知是I 格式帧;控制域第二个八位组:00H --> 与第一个八位组的第2-8位组成0000 0000(高位)0000 000(低位)所以,发送序号N(S)=0(注:I格式帧计数)控制域第三四八位组:00H 00H --> 0000 0000(第四个八位组,高位) 0000 000(第三个八位组的第2-8位,低位)类型标识:64H(CON<100>:=总召唤命令)可变结构限定词:01H(SQ=0,number=1)传送原因:06H 00H(Cause=6,激活)APDU地址:01H 00H(ADDR=1,即0001H,低位在前,高位在后)信息体地址:00H 00H 00H(低位在前,高位在后)信息体元素:14H(召唤限定词QOI=20,站召唤全局)7)从站站发送总召唤激活结束命令,68 0E 06 00 02 00 64 01 0A 00 01 00 00 00 00 14传送原因;0A(结束字符)遥信报文;6)从站发送单点遥信数据帧;68 1E 02 00 02 00 01 05 14 00 01 00 0A 00 00 00 0C 00 00 00 0E 00 00 00 10 00 00 00 64 00 00 01控制域;02 00 02 00类型标识:01H(CON<1>:=单点信息)可变结构限定词:05H(SQ=0,number=5,由此可知有5个不连续的单点信息)传送原因:14H 00H(Cause=20,响应站召唤)终端地址:01H 00H第一个信息体地址:0AH 00H 00H(点号:10)第一个信息体数据:00H(遥信状态;分)第二个信息体地址:0CH 00H 00H(点号;12)第二个信息体数据:00H(遥信状态;分)。
检测规程、标准及验收标准
1)DL/T 814-2002 配电自动化功能规范
2)DL/T 721-2000 配电网自动化系统远方终端
3)GB/T13729-2002 远动终端设备
4)DL/T 634.5-101远动设备及系统标准传输协议子集第101部分
5)DL/T 634.5-104远动设备及系统标准传输协议子集第104部分
6)Q/GDW 370城市配电网技术导则
7)Q/GDW 382配电自动化技术导则
8)生配电[2009]196号《配电自动化试点建设与改造技术原则》
9)GB/T 14598.10-2007《电气继电器第22-4部分:量度继电器和保护装
置的电气骚扰试验-电快速瞬变/脉冲群抗扰度试验》
10)GB/T 14598.14-1998《量度继电器和保护装置的电气干扰试验第2部分:
静电放电试验》
11)GB/T 14598.18-2007《电气继电器第22-5部分:量度继电器和保护装
置的电气骚扰试验-浪涌抗扰度试验》
12)GB/T 7261-2008《继电保护和安全自动装置基本试验方法》
13)DL/T 478-2001《静态继电保护及安全自动装置通用技术条件》
14)GB/T 15145-2008《输电线路保护装置通用技术条件》
15)Q/701-205.000-2010《质量手册》
16)Q/701-205.002-2010《环境和职业健康安全管理手册》
传输规约检验
1 101规约连通性测试
测试结果符合规约要求则填“√”,测试结果不符合规约要求则填“×”。
2 104规约连通性测试
测试结果符合规约要求则填“√”,测试结果不符合规约要求则填“×”。