101规约和104规约介绍
- 格式:doc
- 大小:212.50 KB
- 文档页数:9
Modbus、103、101、104、DLT645通讯规约的区别目前电力系统主要为有线通讯,其中包括串口,网口,光口。
分布式光伏有时还会用到无线通讯。
通讯的规约种类也是比较多,下面我将做一下简单的说明。
串口通讯目前经常使用串口通讯的还是比较多的,因为串口通讯还是比较稳定,屏蔽线有抗干扰作用。
而且在国内使用比较早,认可度比较高。
常用串口通讯的规约有CDT 规约、DISA规约(CDT规约升级版)、modbus规约串口、103规约、调度101规约、DL/T645等。
1)CDT规约是一种使用比较早的规约,报文类型是广播式的,及子站会通过通讯线向通讯管理机广播报文,再由通讯管理机将规约转换成后台上位机可以识别的报文,从而解析出来,显示在上位机上。
DISA规约是CDT规约衍生版,它的规约包含遥测点,遥信点的数量要比原有的CDT规约要多。
报文格式没有明显区别。
接线方式为RS-232。
即收、发、地三根线。
由于通讯距离较短,大概在10米左右。
在目前用的比较少了。
如今市场部分小电流接地选线设备,直流屏还保留着这种通讯方式。
2)Modbus通讯是一种常见的通讯,使用比较广泛。
使用的也是屏蔽双绞线,即RS-485。
这种通讯方式通讯距离比较长。
理论上可以达到1000多米,当然这也要根据厂家通讯管理机通讯接口的能力而定。
目前有的厂家保护也是保留着这种通讯方式。
如新能源使用的光伏箱变测控,风电箱变测控等。
这种通讯方式比较简单,属于问答式。
报文也是比较容易看懂。
便于调试过程中查找问题。
3)103串口通讯一般用于微机保护上,目前南京磐能,许继等厂家自己保护与站内上位机通讯用的是103规约。
这种规约可以将微机保护内点无误差的上送,包括总招和变位数据。
作为站内保护设备具备103通讯功能是基本前提。
4)101通讯作为调度通讯规约。
在现场的接线有时候为四线制,有时候为三线制。
这种规约目前用在地调上。
将数据通过数据网柜传到地调中心。
5)DL/T645规约通常用于电度表上,不做多余解释。
iec104规约中单点和双点遥控的区别【原创实用版】目录1.IEC101 和 IEC104 规约的概述2.单点和双点遥控的定义3.单点和双点遥控在 IEC101 和 IEC104 规约中的应用4.单点和双点遥控之间的区别5.总结正文IEC101 和 IEC104 规约是国际电工委员会(International Electrotechnical Commission,简称 IEC)制定的两个重要的通信协议。
其中,IEC101 规约主要应用于电力系统自动化领域的远动(远程控制)和遥信(远程信号)传输,而 IEC104 规约则是针对电力系统自动化领域的通讯网络协议。
在 IEC101 和 IEC104 规约中,遥控分为单点遥控和双点遥控两种类型。
单点遥控和双点遥控是两种不同的遥控方式。
单点遥控是指在通信过程中,只有一个站点发送遥控命令,而另一个站点接收并执行这些命令。
双点遥控则是指在通信过程中,两个站点都可以发送遥控命令,并且相互之间可以接收和执行这些命令。
在 IEC101 规约中,单点遥控和双点遥控都被广泛应用。
单点遥控主要用于远动传输,即一个主站发送遥控命令,多个从站接收并执行这些命令。
双点遥控则主要用于遥信传输,即两个站点之间相互发送遥信信息。
在 IEC104 规约中,单点遥控和双点遥控同样被广泛应用。
单点遥控主要用于通信网络中的主从通信,即一个主站发送遥控命令,一个或多个从站接收并执行这些命令。
双点遥控则主要用于通信网络中的多点通信,即多个站点之间相互发送遥控命令,并且相互之间可以接收和执行这些命令。
总的来说,单点和双点遥控在 IEC101 和 IEC104 规约中都有广泛的应用,但它们之间有一定的区别。
单点遥控主要用于远动传输和主从通信,而双点遥控主要用于遥信传输和多点通信。
101、104规约报文解析方法一、电力系统数据通信协议体系IEC60870-5系列:远动通信协议体系IEC60870-6系列:计算机数据通信协议体系IEC61850-7系列:变电站数据通信协议体系IEC60870-5系列;IEC TC57 WG03(远动规约)配套标准IEC60870-5-101:基本远动任务IEC60870-5-102:电能累计量IEC60870-5-103:继电保护IEC60870-5-104: IEC60870-5-101的网络访问其他规约类型;CDT、DNP3.0、MODBUS等。
二、远动传输规约IEC60870-5-104的解析方法1)程序启动后,首先发送链路连接请求帧,68 04 07 00 00 00起始字符:68H应用规约数据单元长度(APDU):04H(4个字节,即07 00 00 00)控制域第一个八位组:07H --> 0000 0111由前两位11可知是U格式帧;由第三四位01可知是链路连接请求帧2)随后,接到模拟从站发送来的连接请求确认帧,68 04 0B 00 00 00起始字符:68H应用规约数据单元长度(APDU):04H(4个字节,即0B 00 00 00)控制域第一个八位组:0BH --> 0000 1011由前两位11可知是U格式帧;由第三四位10可知是链路连接确认帧3)主站发送测试链路询问帧,68 04 43 00 00 00控制域第一个八位组:43H --> 0100 0011由前两位11可知是U格式帧;由第七八位01可知是链路测试请求帧4)从站发送链路测试确认帧;68 04 83 00 00 00控制域第一个八位组:43H --> 0100 0011由前两位11可知是U格式帧;由第七八位11可知是链路测试确认帧5)主站发送总召唤激活请求命令;召唤全数据格式启动68字节数OE发序列发序列收序列收序列类型标识64信息数01原因06原因00公共地址11公共地址00信息地址00信息地址00信息地址00召唤限定词14例如;68 0E 00 00 00 00 64 01 06 00 01 00 00 00 00 14起始字符:68H应用规约数据单元长度(APDU):0EH(14个字节,即00 00 00 00 64 01 06 00 01 00 00 00 00 14)控制域第一个八位组:00H --> 0000 0000由第一位0可知是I格式帧;控制域第二个八位组:00H --> 与第一个八位组的第2-8位组成0000 0000(高位) 0000 000(低位)所以,发送序号N(S)=0(注:I格式帧计数)控制域第三四八位组:00H 00H --> 0000 0000(第四个八位组,高位) 0000 000(第三个八位组的第2-8位,低位)类型标识:64H(CON<100>:=总召唤命令)可变结构限定词:01H(SQ=0,number=1)传送原因:06H 00H(Cause=6,激活)APDU地址:01H 00H(ADDR=1,即0001H,低位在前,高位在后)信息体地址:00H 00H 00H(低位在前,高位在后)信息体元素:14H(召唤限定词QOI=20,站召唤全局)7)从站站发送总召唤激活结束命令,68 0E 06 00 02 00 64 01 0A 00 01 00 00 00 00 14传送原因;0A(结束字符)遥信报文;6)从站发送单点遥信数据帧;68 1E 02 00 02 00 01 05 14 00 01 00 0A 00 00 00 0C 00 00 00 0E 00 00 00 10 00 00 00 64 00 00 01控制域;02 00 02 00类型标识:01H(CON<1>:=单点信息)可变结构限定词:05H(SQ=0,number=5,由此可知有5个不连续的单点信息)传送原因:14H 00H(Cause=20,响应站召唤)终端地址:01H 00H第一个信息体地址:0AH 00H 00H(点号:10)第一个信息体数据:00H(遥信状态;分)第二个信息体地址:0CH 00H 00H(点号;12)第二个信息体数据:00H(遥信状态;分)。
101、104、CDT规约区别
一般来说CDT,101,104属于调度类的规约,属于调度端与站内的通讯规约,CDT,101用于串口,104用于网络.
主要区别在于:CDT规约属于主动上送,不管调度发什么命令都会主动上送全站遥信遥测,每隔一段时间就会循环上送全站信号,遥信最大个数512,遥测256,信息类型是通过控制字来区分的,功能码来区分点号,101和104类似,除了报文头有区别,上送信息内容大体一致。
101与104是问答式,就是调度问什么回什么。
大致流程为:主站测试链路报文-子站回确认帧,调度总召,子站上送全遥测遥信,调度下发二级数据召唤报文,子站回变化遥测。
101与104通过类型标识区分信号类型,信息体地址判断信息点号。
三者遥信变位和SOE都是主动上送。
103主要用于站控层设备通讯,同样是问答式,通过ASDU号区分信息类型,FUN号,INF号区分点位。
另外CDT也能用于站内智能设备通讯。
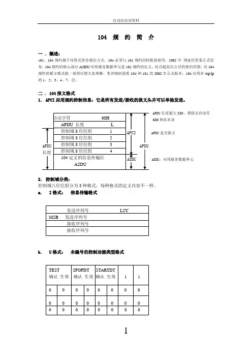
104 规约简介一. 概述:101、104规约属于问答式异步通信方式。
104必须与101规约同时配套使用。
2002年国家经贸委正式发布,104规约的核心部分ASDU应用服务数据单元是101规约的定义,结合超高压公司的使用范围,对104规约的报文格式做一说明以便大家理解。
更详细的请看104和101的2002年正式版本。
104应用在tcp/lp 的1、2、3、4、7、层。
二. 104报文格式1.APCI应用规约控制信息:它是所有发送/接收的报文头并可以单独发送。
APDU长度最大253,要除去启动符68H和其本身APDU是全报文ASDU:应用服务数据单元2.控制域分类:控制域八位位组分为3种格式,每种格式的定义内容不一样。
a. I格式:信息传输格式b.U格式:未编号的控制功能类型格式STARTDT 确认/生效只有一个是“1”之可能出03/13/23/43/83/07/0B 不可能出现其他码c. S 格式 带编号的监视功能例如: 发/收一组码: 68 04 01 00 96 77 这就S 格式,这是确认报文,在收报文经常出现。
刚开机时用于链路连接,收发两端都收到这个报文说明链路通了,可以发其它命令报文。
如果链路不通,主站会连发此报文2. ASDU 格式 应用服务数据单元 即信息区传输格式传送原因: 1字节/2字节 各系统自定义,我们系统定义2字节。
101定义1个字节。
公共地址: 1字节/2字 各系统自定义 我们系统定义2字节。
101定义1个字节 信息对象地址:1字/2字节/3字节 我们系统定义3个字节,可以转个信息,实际上2个字节就够65535。
101定义2个字节。
可变帧结构限定词: 7位定义长度,最大127个信息。
SQ=0 每个信息都带地址。
SQ=1 只有带一个有起始地址,其他信息不带地址,按顺序排列,全YX 、全YC 时SQ 都为1. 信息:最少一个字节,例如一个遥信,最多的可达9个字节,SOE8个字节。
101、104规约在配电网历史数据传输中的应用刘海龙;娄英俊;欧阳琪;田巍巍【摘要】据国际电工委员会制定IEC60870-5-101和IEC60870-5-104远动规约,及我国配套标准DL/T634.5101-2002和DL/634.5104-2002规约,结合目前配电网终端设备发展需求及实际应用.本文先介绍101、104规约基本架构,并详细说明101、104规约在配网终端设备中的实际应用,特别在历史数据传输应用中有新突破.经实际工程检验证明,101、104规约不仅很好满足配电网实时数据传输要求,更用于故障分析处理和负荷预测转移历史数据的传输要求,解决目前对于历史数据传输没有特定标准规约格式的现状,着眼于配电网未来发展,具有很高应用价值.【期刊名称】《电气技术》【年(卷),期】2011(000)003【总页数】5页(P21-24,28)【关键词】配电网;101规约;104规约;历史数据传输【作者】刘海龙;娄英俊;欧阳琪;田巍巍【作者单位】珠海许继电气有限公司,广东,珠海,519060;珠海许继电气有限公司,广东,珠海,519060;珠海许继电气有限公司,广东,珠海,519060;珠海许继电气有限公司,广东,珠海,519060【正文语种】中文1 引言配电自动化系统是一种利用现代通信和计算机技术,对配电网中在线运行设备进行远方监视和控制的网络系统[1]。
目前我国配网系统中,对于远动规约主要有101规约、104规约和DNP3.0规约。
101、104规约由IEC电力系统控制和通信技术委员会制定的基本远东配套标准:“IEC 60870-5-101-2003遥控设备和系统.第5部分:传输协议.第101节:基本遥控工作的副标准”,“IEC 60870-5-104-2006遥控设备和系统.第5-104部分:传输协议。
使用标准传输轮廓的 IEC 60870-5-101所列标准的网络存取”以及我国制定的电力行业标准:“DL/T 634.5101-2002远动设备及系统第5-101部分:传输规约基本远动任务配套标准”,“DL/T 634.5104-2002远动设备及系统第5104部分:传输规约采用标准传输协议子集的IEC608705101网络访问”。
101、103、104规约是在智能电能表通信规范标准中的三种不同的协议,它们之间有着一些区别。
本文将分别对这三种规约进行介绍和比较。
101规约101规约是由中国电力公司制定的一种通信规范,主要用于电力系统中的终端设备与上位机之间的通信。
它采用了二进制编码方式,数据传输效率较高。
101规约适用于较小规模或较简单的系统,具有较低的通信开销。
它提供了一些基本的功能,如实时数据测量、远程控制和数据传输等。
101规约的缺点是功能相对较为简单,无法满足大规模系统和复杂应用的需求。
因此,在一些大规模电力系统中,较少采用101规约。
103规约103规约是在101规约基础上发展而来的一种通信规约,也是中国电力公司提出的标准之一。
103规约在101规约的基础上增加了更多的功能和灵活性。
它采用了报文格式传输数据,支持多种通信方式,如串口、以太网和无线通信等。
103规约具有较强的稳定性和可靠性,适用于大规模电力系统和复杂应用场景。
相比于101规约,103规约的主要优势在于功能更加丰富,可以支持更多的数据传输和控制操作。
它提供了分组传输、数据压缩和加密等功能,以满足不同系统的需求。
104规约104规约是国际电工委员会(IEC)提出的一种电力自动化系统通信规约,主要用于电力系统的实时数据传输和通信控制。
104规约与101、103规约相比,更加开放和通用。
它可以支持多种通信介质和协议,如以太网、无线通信和TCP/IP 等。
104规约具有高效可靠的数据传输能力,支持主站对子站的远程监控和控制。
它还提供了完整的错误检测和恢复机制,保障了数据传输的稳定性和数据的完整性。
总结起来,101规约主要适用于较小规模或较简单的系统,功能相对较为简单;103规约在101规约的基础上增加了更多的功能和灵活性,适用于大规模电力系统和复杂应用场景;104规约是更为通用和开放的协议,具有高效可靠的数据传输能力,适用于电力自动化系统。
可以根据具体的系统需求和应用场景选择合适的规约,以满足系统通信的要求。
101协议与104协议协议名称:101协议与104协议一、背景介绍101协议和104协议是两种常见的通信协议,用于数据传输和通信设备之间的通信。
本协议旨在明确规定101协议和104协议的定义、特点、应用范围、通信方式等内容,以便确保通信设备之间的互操作性和数据传输的稳定性。
二、协议定义1. 101协议:101协议是一种用于远程监控和控制系统的通信协议,基于二进制编码,采用客户端/服务器模式进行通信。
该协议主要用于传输实时数据和控制命令。
2. 104协议:104协议是一种用于远程监控和控制系统的通信协议,基于TCP/IP网络协议,采用客户端/服务器模式进行通信。
该协议主要用于传输实时数据、控制命令和文件传输。
三、特点对比1. 101协议特点:- 采用二进制编码,传输效率高;- 通信速度较快,适用于实时数据传输;- 支持点对点和点对多点通信方式;- 通信协议较为简单,易于实现和维护。
2. 104协议特点:- 基于TCP/IP网络协议,稳定可靠;- 支持数据压缩和加密传输,保证数据安全性;- 支持多路复用和多线程通信,提高通信效率;- 支持文件传输功能,适用于大数据量传输。
四、应用范围1. 101协议应用范围:- 电力系统远程监控和控制;- 工业自动化系统;- 水利、交通等领域的监控系统。
2. 104协议应用范围:- 电力系统远程监控和控制;- 水利、交通等领域的监控系统;- 石油、化工等行业的远程监控系统。
五、通信方式1. 101协议通信方式:- 串行通信:采用RS485或RS232接口进行通信;- 网络通信:采用TCP/IP协议进行通信。
2. 104协议通信方式:- 网络通信:采用TCP/IP协议进行通信。
六、数据传输1. 101协议数据传输:- 数据格式:二进制编码;- 数据帧:包含起始字符、长度、功能码、数据体等字段;- 数据校验:采用循环冗余校验(CRC)进行校验。
2. 104协议数据传输:- 数据格式:基于TCP/IP协议的报文格式;- 数据帧:采用ASDU(应用服务数据单元)进行封装;- 数据校验:采用CRC校验进行校验。
104规约和101规约的应用场景以104规约和101规约的应用场景为标题引言:在计算机网络中,通信协议起着至关重要的作用,它定义了数据的传输规则和格式,保证了数据的可靠传输和正确解析。
而在互联网领域,104规约和101规约是两种常用的通信协议。
本文将分别介绍104规约和101规约的应用场景,并对比它们的特点,帮助读者更好地理解和应用这两种规约。
一、104规约的应用场景104规约,也称为IEC 60870-5-104规约,是一种在电力行业广泛应用的通信协议。
它主要用于电力系统的自动化控制和监测,保障电力系统的安全稳定运行。
1. 电力系统监控与控制104规约可以用于监控和控制电力系统中的各种设备,如发电机、变压器、开关等。
通过与设备进行通信,可以实时监测设备的运行状态、测量数据和告警信息,并进行相应的控制操作。
2. 电力调度与管理104规约还可以用于电力调度与管理系统,用于实现对电力系统的调度计划、负荷预测、供需平衡等功能。
通过与各个电力设备的通信,可以实时获取各个设备的运行状态和负荷情况,从而进行合理的调度和管理。
3. 电力设备维护与管理104规约还可以用于电力设备的维护与管理,包括设备的巡检、维修、保养等工作。
通过与设备进行通信,可以实时获取设备的运行状态和故障信息,及时进行维护与管理,保证设备的正常运行。
二、101规约的应用场景101规约,也称为IEC 60870-5-101规约,是一种在工业自动化领域广泛应用的通信协议。
它主要用于监控和控制工业过程中的各种设备,实现工业自动化的目标。
1. 工业过程监控与控制101规约可以用于监控和控制工业过程中的各种设备,如阀门、传感器、执行器等。
通过与设备进行通信,可以实时监测设备的运行状态、测量数据和告警信息,并进行相应的控制操作,实现工业过程的自动化控制。
2. 数据采集与传输101规约可以用于工业数据的采集与传输,包括采集现场设备的数据和将数据传输到上层监控系统。
101.104子站端通讯规约
101规约和104规约常用于调度中心和子站之间通讯。
101规约一般用于串口通讯,也可用UDP方式;
104规约则用于网络通讯,采用TCP/IP方式。
目前公司在eComm和DCAP系统中只有101规约和104规约发送端(即子站端/从站端)软件,没有接收端(即主站端)软件;而PDS 系统中,有101规约和104规约接收端(即主站端)软件,以及104规约发送端(即子站端)软件。
步骤
1确认信息
(1)101串口UDP
104 网口TCP/TIP 提供本机和对方IP 和端口
(2)配置文件公共地址链路地址域长度单点遥还是双点遥
信信息对象地址长度等
主站-〉子站总召报文:68 09 09 68 73 1F 64 01 061F0000 14 30 16 链路地址传送原因公共地址信息对象地址
(3) 点表数据对照表
2新建通讯设备
※DCAP 参数数据管理工具
※ECOMM 新建通讯设备
新建通讯设备类型为TCPSERVER
查看安装盘中是否有101.104规约
Config104.exe 必须和数据库ecomm.mdb 在同一个
文件目录下
3修改配置
DCAP 在Comm101Rtu.ini 中修改其相关配置
ECOMM 进入Config104XML.exe 新建配置,另存一个文件如
104xml
4生成数据对照表
※DCAP 用CTMfor104.exe根据已给点表生成数据对照表ECOMM 在进入Config104XML.exe 新建配置,另存一个文件如
104xml 后修改其配置
5启动通讯程序
DCAP 启动Comm101Rtu.exe
ECOMM 新建通道在Root (ecomm节点)上新建通道把已另存的104xml文件上传到通道启动Ecommserver
=调试诊断
首先确认信息,和对方协商通讯口配置和互操作性:
●对101规约而言,通讯双方必须约定采用串口还是UDP方式,以
及串口的设置(波特率,奇偶校验,数据位,停止位)或UDP的设置(双方IP和端口)
●对eComm系统的104发送软件而言,必须指定对方的IP地址,
如果端口不指定,可以设为0;对DCAP系统的104发送软件而言,如果指定对方的IP地址和端口,则分别设置到远方网址和远方端口,如果不指定,远方网址和远方端口必须清空(不能写0)如果不能确定对方IP和端口,不要随便填。
104规约的本地端口规定为2404。
注意,DCAP系统104发送软件只支持系统能找到的第一块网卡,端口固定为2404,不可设。
●链路地址,或称本地地址、站号、站地址。
通常链路地址的值和
公共地址的值相同。
●链路地址域长度配置,在配置文件中指定。
链路地址域只对101
起作用,如果没有特别说明,通常其长度设为1个字节。
●公共地址长度配置,在配置文件中指定。
公共地址长度101规约
中可以设为1个字节或2个字节,通常为1个字节;104规约中通常为2个字节。
●信息对象地址长度配置,在配置文件中指定。
信息对象地址长度
101规约中可以设为2个字节或3个字节,通常为2个字节;104规约中通常为3个字节。
●传送原因长度配置,在配置文件中指定。
传送原因长度101规约
中可以设为1个字节或2个字节,通常为1个字节;104规约中通常为2个字节。
●遥信类型配置,在配置文件中指定。
遥信有两种类型可供选择:
单点遥信和双点遥信
●遥测类型配置,在配置文件中指定。
遥测有三种类型可供选择:
标度化(功能码11)、归一化(功能码9)、短浮点数(功能码13)
●时标字节数配置,在配置文件中指定。
SOE有两种类型可供选择:
3字节时标CPTime24(分、毫秒)和7字节时标CPTime56(年月日时分、毫秒)。
3字节多见于早期101规约,现在尽可能用7字节时标
●遥控类型配置,在配置文件中指定。
遥控有两种类型可供选择:
单点遥控和双点遥控
●遥信信息体起始地址,在配置文件中指定。
通讯过程中根据遥信
信息体地址查找对应的遥信量,遥信信息体地址等于遥信信息体起始地址+序号(遥信数据对照表)。
例如,在配置文件中遥信信息体起始地址设为$1($表示十六进制),序号为5,则遥信信息体地址等于6。
遥信信息体起始地址通常为$1。
●遥测信息体起始地址,在配置文件中指定。
通讯过程中根据遥测
信息体地址查找对应的遥测量,遥测信息体地址等于遥测信息体起始地址+序号(遥测数据对照表)。
例如,在配置文件中遥测信息体起始地址设为$4001,序号为5,则遥测信息体地址等于4006。
遥测信息体起始地址通常为$4001,在1997版中是$701。
建议一开始就和对方确认遥测信息体起始地址,目前两种设置都可能遇到。
●遥控、遥脉、文件信息体起始地址与遥测信息体起始地址类似,
略。
其次,和对方协商发送的遥信、遥测、遥脉、遥控点表,用CTMFor104(DCAP)或Config104XML(eComm)设置数据对照表:
●遥信:公共地址(如果和链路地址相同,则不必再要求,下同),
序号,遥信量。
●遥测:公共地址,序号,遥测量,发送系数。
●遥脉:公共地址,序号,遥脉量,发送系数。
●遥控:公共地址,序号,遥控量
※要注意的问题
2新建通讯设备
※DCAP 参数数据管理工具
对101规约而言,通讯双方必须约定采用串口还是UDP方式,以及串口的设置(波特率,奇偶校验,数据位,停止位)或UDP的设置(双方IP和端口)
※ECOMM 新建通讯设备
对eComm系统的104发送软件而言,必须指定对方的IP地址,如果端口不指定,可以设为0;
4生成数据对照表
※DCAP 用CTMfor104.exe根据已给点表生成数据对照表
对DCAP系统的104发送软件而言,如果指定对方的IP地址和端口,则分别设置到远方网址和远方端口,如果不指定,远方网址和远方端口必须清空(不能写0)如果不能确定对方IP和端口,不要随便填。
104规约的本地端口规定为2404。
注意,DCAP系统104发送软件只支持系统能找到的第一块网卡,端口固定为2404,不可设。
子站端必须初始化成功后才开始发送数据,如果初始化失败,请检查通讯口配置和硬件连接。
如果有报文但没能通讯成功,通讯口配置和硬件和互操作性设置都有可能有错。
101子站端初始化过程
主站子站
请求链路状态
链路状态
复位远方链路
链路复位确认
发送总召唤命令,对时命令等
104子站端初始化过程
主站子站
测试命令
测试响应
复位命令
复位确认
发送总召唤命令,对时命令等。