车间 仓库防火间距
- 格式:docx
- 大小:19.49 KB
- 文档页数:14
简述厂房和库房的防火间距一、前言在现代工业生产中,厂房和库房是必不可少的建筑物。
然而,由于生产过程中使用的设备和物品都具有易燃性,因此这些建筑物必须考虑防火安全问题。
其中一个重要的防火安全措施就是设置防火间距。
本文将详细介绍厂房和库房的防火间距。
二、什么是防火间距防火间距指的是建筑物之间或同一建筑物内不同区域之间应保持的最小距离,以确保在发生火灾时能够有效地控制火势扩散。
根据国家标准《建筑设计防火规范》(GB 50016-2014),对于不同类型的建筑物和不同用途的区域,其要求的防火间距也有所不同。
三、厂房的防火间距1. 厂房与厂房之间对于相邻两个厂房之间的防火间距,国家标准规定为不小于20米。
如果两个相邻厂房之间有公共道路或广场,则可以适当缩小到15米。
2. 厂房内部对于厂房内部不同区域之间的防火间距,也需要根据具体情况进行设置。
一般来说,应根据生产工艺流程和物品存放情况确定不同区域之间的防火隔离要求。
例如,易燃液体储存区与其他区域之间的防火间距应不小于10米;易燃气体储存区与其他区域之间的防火间距应不小于15米。
3. 厂房与库房之间厂房与库房之间的防火间距也需要根据具体情况进行设置。
一般来说,如果库房内储存的物品易燃或有毒性,则其与厂房之间的防火隔离要求更高。
例如,如果库房内储存的是易燃液体,则其与厂房之间的防火隔离距离应不小于20米。
四、库房的防火间距1. 库房与库房之间对于相邻两个库房之间的防火间距,国家标准规定为不小于20米。
如果两个相邻库房之间有公共道路或广场,则可以适当缩小到15米。
2. 库房内部对于库房内部不同区域之间的防火间距,也需要根据具体情况进行设置。
一般来说,应根据物品存放情况和储存方式确定不同区域之间的防火隔离要求。
例如,易燃液体储存区与其他区域之间的防火间距应不小于10米;易燃气体储存区与其他区域之间的防火间距应不小于15米。
3. 库房与厂房之间库房与厂房之间的防火隔离要求与厂房与库房之间的要求类似。
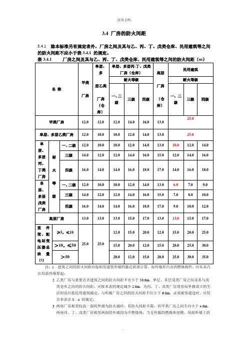
注:1 建筑之间的防火间距应按相邻建筑外墙的最近距离计算,如外墙有凸出的燃烧构件,应从其凸出部分外缘算起;2 乙类厂房与重要公共建筑之间的防火间距不宜小于50.0m。
单层、多层戊类厂房之间及其与戊类仓库之间的防火间距,可按本表的规定减少2.0m。
为丙、丁、戊类厂房服务而单独设立的生活用房应按民用建筑确定,与所属厂房之间的防火间距不应小于6.0m。
必须相邻建造时,应符合本表注3、4 的规定;3 两座厂房相邻较高一面的外墙为防火墙时,其防火间距不限,但甲类厂房之间不应小于4.0m。
两座丙、丁、戊类厂房相邻两面的外墙均为不燃烧体,当无外露的燃烧体屋檐,每面外墙上的门窗洞口面积之和各小于等于该外墙面积的5%,且门窗洞口不正对开设时,其防火间距可按本表的规定减少25%;4 两座一、二级耐火等级的厂房,当相邻较低一面外墙为防火墙且较低一座厂房的屋顶耐火极限不低于1.00h,或相邻较高一面外墙的门窗等开口部位设置甲级防火门窗或防火分隔水幕或按本规范第7.5.3 条的规定设置防火卷帘时,甲、乙类厂房之间的防火间距不应小于6.0m;丙、丁、戊类厂房之间的防火间距不应小于4.0m;5 变压器与建筑之间的防火间距应从距建筑最近的变压器外壁算起。
发电厂内的主变压器,其油量可按单台确定;6 耐火等级低于四级的原有厂房,其耐火等级应按四级确定。
3.4.2 甲类厂房与重要公共建筑之间的防火间距不应小于50.0m ,与明火或散发火花地点之间的防火间距不应小于30.0m,与架空电力线的最小水平距离应符合本规范第11.2.1 条的规定,与甲、乙、丙类液体储罐,可燃、助燃气体储罐,液化石油气储罐,可燃材料堆场的防火间距,应符合本规范第4 章的有关规定。
3.4.3 散发可燃气体、可燃蒸气的甲类厂房与铁路、道路等的防火间距不应小于表3.4.3 的规定,但甲类厂房所属厂内铁路装卸线当有安全措施时,其间距可不受表3.4.3 规定的限制。
表3.4.3 甲类厂房与铁路、道路等的防火间距(m)注:厂房与道路路边的防火间距按建筑距道路最近一侧路边的最小距离计算。
车间、仓库防火间距3.4 厂房的防火间距3.4.1 除本规范另有规定者外,厂房之间及其与乙、丙、丁、戊类仓库、民用建筑等之间的防火间距不应小于表3.4.1 的规定。
表3.4.1 厂房之间及其与乙、丙、丁、戊类仓库、民用建筑等之间的防火间距(m)道路等的防火间距(m)注:厂房与道路路边的防火间距按建筑距道路最近一侧路边的最小距离计算。
3.4.4 高层厂房与甲、乙、丙类液体储罐,可燃、助燃气体储罐,液化石油气储罐,可燃材料堆场(煤和焦炭场除外)的防火间距,应符合本规范第4 章的有关规定,且不应小于13.0m。
3.4.5 当丙、丁、戊类厂房与公共建筑的耐火等级均为一、二级时,其防火间距可按下列规定执行:1当较高一面外墙为不开设门窗洞口的防火墙,或比相邻较低一座建筑屋面高15.0m 及以下范围内的外墙为不开设门窗洞口的防火墙时,其防火间距可不限;2相邻较低一面外墙为防火墙,且屋顶不设天窗、屋顶耐火极限不低于1.00h,或相邻较高一面外墙为防火墙,且墙上开口部位采取了防火保护措施,其防火间距可适当减小,但不应小于4.0m。
3.4.6 厂房外附设有化学易燃物品的设备时,其室外设备外壁与相邻厂房室外附设设备外壁或相邻厂房外墙之间的距离,不应小于本规范第3.4.1 条的规定。
用不燃烧材料制作的室外设备,可按一、二级耐火等级建筑确定。
总储量小于等于15m3 的丙类液体储罐,当直埋于厂房外墙外,且面向储罐一面4.0m 范围内的外墙为防火墙时,其防火间距可不限。
3.4.7 同一座U 形或山形厂房中相邻两翼之间的防火间距,不宜小于本规范第3.4.1 条的规定,但当该厂房的占地面积小于本规范第3.3.1 条规定的每个防火分区的最大允许建筑面积时,其防火间距可为6.0m 。
3.4.8 除高层厂房和甲类厂房外,其它类别的数座厂房占地面积之和小于本规范第3.3.1 条规定的防火分区最大允许建筑面积(按其中较小者确定,但防火分区的最大允许建筑面积不限者,不应超过10000 m2)时,可成组布置。
3.4 厂房的防火间距3.4.1 除本规范另有规定者外,厂房之间及其与乙、丙、丁、戊类仓库、民用建筑等之间的防火间距不应小于表3.4.1 的规定。
表3.4.1 厂房之间及其与乙、丙、丁、戊类仓库、民用建筑等之间的防火间距(m)出部分外缘算起;2 乙类厂房与重要公共建筑之间的防火间距不宜小于50.0m。
单层、多层戊类厂房之间及其与戊类仓库之间的防火间距,可按本表的规定减少2.0m。
为丙、丁、戊类厂房服务而单独设立的生活用房应按民用建筑确定,与所属厂房之间的防火间距不应小于6.0m。
必须相邻建造时,应符合本表注3、4 的规定;3 两座厂房相邻较高一面的外墙为防火墙时,其防火间距不限,但甲类厂房之间不应小于4.0m。
两座丙、丁、戊类厂房相邻两面的外墙均为不燃烧体,当无外露的燃烧体屋檐,每面外墙上的门窗洞口面积之和各小于等于该外墙面积的5%,且门窗洞口不正对开设时,其防火间距可按本表的规定减少25%;4 两座一、二级耐火等级的厂房,当相邻较低一面外墙为防火墙且较低一座厂房的屋顶耐火极限不低于1.00h,或相邻较高一面外墙的门窗等开口部位设置甲级防火门窗或防火分隔水幕或按本规范第7.5.3 条的规定设置防火卷帘时,甲、乙类厂房之间的防火间距不应小于6.0m;丙、丁、戊类厂房之间的防火间距不应小于4.0m;5 变压器与建筑之间的防火间距应从距建筑最近的变压器外壁算起。
发电厂内的主变压器,其油量可按单台确定;6 耐火等级低于四级的原有厂房,其耐火等级应按四级确定。
3.4.2 甲类厂房与重要公共建筑之间的防火间距不应小于50.0m ,与明火或散发火花地点之间的防火间距不应小于30.0m,与架空电力线的最小水平距离应符合本规范第11.2.1 条的规定,与甲、乙、丙类液体储罐,可燃、助燃气体储罐,液化石油气储罐,可燃材料堆场的防火间距,应符合本规范第4 章的有关规定。
3.4.3 散发可燃气体、可燃蒸气的甲类厂房与铁路、道路等的防火间距不应小于表3.4.3 的规定,但甲类厂房所属厂内铁路装卸线当有安全措施时,其间距可不受表3.4.3 规定的限制。
3.4 厂房的防火间距3.4.1 除本规范另有规定者外,厂房之间及其与乙、丙、丁、戊类仓库、民用建筑等之间的防火间距不应小于表3.4.1 的规定。
表3.4.1 厂房之间及其与乙、丙、丁、戊类仓库、民用建筑等之间的防火间距(m)名称甲类厂房单层、多层乙类厂房(仓库)单层、多层丙-丁、戊类厂房(仓库)高层厂房(仓库)民用建筑耐火等级耐火等级一、二级三级四级一、二级三级四级甲类厂房12.0 12.0 12.0 14.0 16.0 13.025.0 单层、多层乙类厂房12.0 10.0 10.0 12.0 14.0 13.0 25.0 单层、多层丙、丁类厂房耐火等级一、二级12.0 10.0 10.0 12.0 14.0 13.0 10.0 12.0 14.0三级14.0 12.0 12.0 14.0 16.0 15.0 12.0 14.0 16.0 四级16.0 14.0 14.0 16.0 18.0 17.0 14.0 16.0 18.0单层、多层戊类厂房一、二级12.0 10.0 10.0 12.0 14.0 13.0 6.0 7.0 9.0三级14.0 12.0 12.0 14.0 16.0 15.0 7.0 8.0 10.0 四级16.0 14.0 14.0 16.0 18.0 17.0 9.0 10.0 12.0 高层厂房13.0 13.0 13.0 15.0 17.0 13.0 13.0 15.0 17.0室外变、配电站变压器总油量(t)≥5,≤1025.0 25.012.0 15.0 20.0 12.0 15.0 20.0 25.0 >10,≤5015.0 20.0 12.0 15.0 20.0 25.0 30.0 >5020.0 12.0 15.0 20.0 25.0 30.0 35.0注:1 建筑之间的防火间距应按相邻建筑外墙的最近距离计算,如外墙有凸出的燃烧构件,应从其凸出部分外缘算起;2 乙类厂房与重要公共建筑之间的防火间距不宜小于50.0m。
3.4 厂房的防火间距3.4.1 除本规另有规定者外,厂房之间及其与乙、丙、丁、戊类仓库、民用建筑等之间的防火间距不应小于表3.4.1 的规定。
表3.4.1 厂房之间及其与乙、丙、丁、戊类仓库、民用建筑等之间的防火间距(m)注:1 建筑之间的防火间距应按相邻建筑外墙的最近距离计算,如外墙有凸出的燃烧构件,应从其凸出部分外缘算起;2 乙类厂房与重要公共建筑之间的防火间距不宜小于50.0m。
单层、多层戊类厂房之间及其与戊类仓库之间的防火间距,可按本表的规定减少2.0m。
为丙、丁、戊类厂房服务而单独设立的生活用房应按民用建筑确定,与所属厂房之间的防火间距不应小于6.0m。
必须相邻建造时,应符合本表注3、4 的规定;3 两座厂房相邻较高一面的外墙为防火墙时,其防火间距不限,但甲类厂房之间不应小于4.0m。
两座丙、丁、戊类厂房相邻两面的外墙均为不燃烧体,当无外露的燃烧体屋檐,每面外墙上的门窗洞口面积之和各小于等于该外墙面积的5%,且门窗洞口不正对开设时,其防火间距可按本表的规定减少25%;4 两座一、二级耐火等级的厂房,当相邻较低一面外墙为防火墙且较低一座厂房的屋顶耐火极限不低于1.00h,或相邻较高一面外墙的门窗等开口部位设置甲级防火门窗或防火分隔水幕或按本规第7.5.3 条的规定设置防火卷帘时,甲、乙类厂房之间的防火间距不应小于6.0m;丙、丁、戊类厂房之间的防火间距不应小于4.0m;5 变压器与建筑之间的防火间距应从距建筑最近的变压器外壁算起。
发电厂的主变压器,其油量可按单台确定;6 耐火等级低于四级的原有厂房,其耐火等级应按四级确定。
3.4.2 甲类厂房与重要公共建筑之间的防火间距不应小于50.0m ,与明火或散发火花地点之间的防火间距不应小于30.0m,与架空电力线的最小水平距离应符合本规第11.2.1 条的规定,与甲、乙、丙类液体储罐,可燃、助燃气体储罐,液化石油气储罐,可燃材料堆场的防火间距,应符合本规第4 章的有关规定。
3.4厂房的防火间距341除本规范另有规定者外,厂房之间及其与乙、丙、丁、戊类仓库、民用建筑等之间的防火间距不应小于表 3.4.1的规定。
表3.4.1 厂房之间及其与乙、丙、丁、戊类仓库、民用建筑等之间的防火间距(m)注:建筑之间的防火间距应按相邻建筑外墙的最近距离计算,如外墙有凸岀的燃烧构件,应从其凸岀部分外缘算起;2乙类厂房与重要公共建筑之间的防火间距不宜小于50.0m。
单层、多层戊类厂房之间及其与戊类仓库之间的防火间距,可按本表的规定减少 2.0m。
为丙、丁、戊类厂房服务而单独设立的生活用房应按民用建筑确定,与所属厂房之间的防火间距不应小于 6.0m。
必须相邻建造时,应符合本表注3、4的规定;3两座厂房相邻较高一面的外墙为防火墙时,其防火间距不限,但甲类厂房之间不应小于 4.0m 两座丙、丁、戊类厂房相邻两面的外墙均为不燃烧体,当无外露的燃烧体屋檐,每面外墙上的门窗洞口面积之和各小于等于该外墙面积的5%,且门窗洞口不正对开设时,其防火间距可按本表的规定减少25% ;4两座一、二级耐火等级的厂房,当相邻较低一面外墙为防火墙且较低一座厂房的屋顶耐火极限不低于I.OOh,或相邻较高一面外墙的门窗等开口部位设置甲级防火门窗或防火分隔水幕或按本规范第7.5.3条的规定设置防火卷帘时,甲、乙类厂房之间的防火间距不应小于 6.0m ;丙、丁、戊类厂房之间的防火间距不应小于 4.0m;5变压器与建筑之间的防火间距应从距建筑最近的变压器外壁算起。
发电厂内的主变压器,其油量可按单台确定;6耐火等级低于四级的原有厂房,其耐火等级应按四级确定。
3.4.2甲类厂房与重要公共建筑之间的防火间距不应小于50.0m,与明火或散发火花地点之间的防火间距不应小于30.0m,与架空电力线的最小水平距离应符合本规范第11.2.1条的规定,与甲、乙、丙类液体储罐,可燃、助燃气体储罐,液化石油气储罐,可燃材料堆场的防火间距,应符合本规范第4章的有关规定。
3.4 厂房的防火间距3.4.1 除本标准另有规定者外,厂房之间及其与乙、丙、丁、戊类仓库、民用建筑等之间的防火间距不应小于表3.4.1 的规定。
表3.4.1 厂房之间及其与乙、丙、丁、戊类仓库、民用建筑等之间的防火间距〔m〕注:1 建筑之间的防火间距应按相邻建筑外墙的最近距离计算,如外墙有凸出的燃烧构件,应从其凸出局部外缘算起;2 乙类厂房与重要公共建筑之间的防火间距不宜小于50.0m。
单层、多层戊类厂房之间及其与戊类仓库之间的防火间距,可按本表的规定减少2.0m。
为丙、丁、戊类厂房效劳而单独设立的生活用房应按民用建筑确定,与所属厂房之间的防火间距不应小于6.0m。
必须相邻建造时,应符合本表注3、4 的规定;3 两座厂房相邻较高一面的外墙为防火墙时,其防火间距不限,但甲类厂房之间不应小于4.0m。
两座丙、丁、戊类厂房相邻两面的外墙均为不燃烧体,当无外露的燃烧体屋檐,每面外墙上的门窗洞口面积之和各小于等于该外墙面积的5%,且门窗洞口不正对开设时,其防火间距可按本表的规定减少25%;4 两座一、二级耐火等级的厂房,当相邻较低一面外墙为防火墙且较低一座厂房的屋顶耐火极限不低于1.00h,或相邻较高一面外墙的门窗等开口部位设置甲级防火门窗或防火分隔水幕或按本标准第7.5.3 条的规定设置防火卷帘时,甲、乙类厂房之间的防火间距不应小于6.0m;丙、丁、戊类厂房之间的防火间距不应小于4.0m;5 变压器与建筑之间的防火间距应从距建筑最近的变压器外壁算起。
发电厂内的主变压器,其油量可按单台确定;6 耐火等级低于四级的原有厂房,其耐火等级应按四级确定。
3.4.2 甲类厂房与重要公共建筑之间的防火间距不应小于50.0m ,与明火或散发火花地点之间的防火间距不应小于30.0m,与架空电力线的最小水平距离应符合本标准第11.2.1 条的规定,与甲、乙、丙类液体储罐,可燃、助燃气体储罐,液化石油气储罐,可燃材料堆场的防火间距,应符合本标准第4 章的有关规定。
车间和仓库五距要求及作用做好生产车间、仓库的设备、货物规划与摆放,预留出必要的消防通道,可以确保车间内的员工在发生紧急情况时快速逃生以及仓库发生突发情况时,救援人员能够快速、准确的到达起火点进行有效处置。
仓库“五距”是指:顶距、灯距、墙距、柱距、垛距。
(引用标准:《仓储场所消防安全管理通则》(XF1131-2014))1.顶距:堆垛上部与楼板、平屋顶之间的距离不小于0.3m(人字屋架从横梁算起)。
顶距:指堆货的顶面与仓库屋顶面之间的距离,一般为30厘米以上(人字形屋顶,堆货顶面以不超过横梁为准)。
“顶距”的作用:如发生火灾货物燃烧时,可防止大火直接燃烧至屋顶,导致房屋起火。
2.灯距:物品与照明灯之间的距离不小于0.5m;以防止照明灯过于接近商品(灯光产生热量)而发生火灾。
灯距:指仓库内固定的照明灯与货物之间的距离,通常大于50厘米。
“灯距”的作用:防止照明灯过于接近货物时灯具产生的热量将货物引燃。
3.墙距:物品与墙之间的距离不小于0.5m;以便通风散热和防火,一旦发生火灾,可供消防人员出入。
墙距:指墙壁与堆货之间的距离,一般为50厘米以上。
“墙距”的作用:便于通风散潮和防火,如发生火灾,可供消防救援人员出入。
4.柱距:物品堆垛与柱之间的距离不小于0.3m。
柱距的作用是防止柱散发的潮气使商品受潮,并保护柱脚,以免损坏建筑物。
柱距:指货堆与屋柱的距离,一般为30厘米。
“柱距”的作用:发生火灾导致货物起火后,如果货物紧挨着柱子,大火会对柱子直接灼烧,导致柱子的结构发生变化,逐渐尚失对房屋的承重,最后可能造成房屋整体垮塌。
5.堆距:堆垛与堆垛之间的距离不小于1m。
堆距的作用是使货堆与货堆之间,间隔清楚,防止混淆,也便于通风检查,一旦发生火灾,还便于抢救,疏散物资。
垛距:指货堆与货堆之间的距离,一般为100厘米。
“垛距”的作用:为了防止货物混淆,也便于通风检查,一旦发生火灾,便于抢救、疏散物资另,货物与地面的距离不应小于0.1m。
仓库防火安全距离是多少仓库防火安全距离是指在防火规定中,仓库与其他建筑物、设备、草木等的间距限制。
这些间距的限制是为了保证发生火灾时,不会对周围的建筑物、设备、和人员造成威胁。
相关法律法规在中国,关于仓库的防火安全距离,有《城市规划法》和《消防法》规定。
根据《城市规划法》,每个城市应该对建筑物进行规划,包括防火安全距离。
具体来说,防火安全距离是建筑物的间距,以及在建筑物与道路、河流等设施之间的距离。
《消防法》中规定,建筑物之间的防火间距一般应该按照以下标准进行规定:•独立的厂房,其间距应该为厂房高度的1/2或防火墙高度的1/3。
•非独立的厂房(即分隔墙高度小于完全封闭墙高度的墙体),其间距应该为厂房高度的1/2或者防火墙高度的1/6。
•分隔墙高度足够高的建筑,防火间距可为防火墙高度的1/2。
为什么要关注防火安全距离?防火安全距离的设定是为了防止火灾的蔓延,同时保护人们的生命和财产安全。
如果仓库的防火安全距离不符合标准,当周围发生火灾时,火势可能会蔓延到仓库内部,并且向周围建筑延伸,这样就会造成人员伤亡和财产损失。
此外,如果仓库的防火安全距离距离相邻建筑物过近,也可能会造成堵塞路面和消防车的无法通行,导致救援不及时。
如何保障仓库的防火安全距离?保障仓库的防火安全距离具体应当从以下几个方面着手:合理规划在设计建筑物之后,需要对其所在区域的规划进行设计和安排,要求设置良好的消防通道和安全距离。
根据不同的建筑类型和地理位置,合理安排建筑物之间的间距,以确保防火安全距离的效果。
安装火灾报警在仓库内设置多个火灾报警设备,以确保在发生火灾时能够及时触发报警,通知警报系统并启动灭火措施,保障安全距离。
定期检查对仓库的消防系统和报警设备定期进行检查和维护,保证其工作状态良好,保障防火安全距离。
结论仓库防火安全距离的设定非常重要,涉及到人员和物资的安全。
需要根据相关标准进行规划和实施,并定期检查和维护。
只有这样,才能够最大程度地保障人员和财产的安全,避免火灾的发生和蔓延。
3。
4 厂房的防火间距3。
4.1 除本规范另有规定者外,厂房之间及其与乙、丙、丁、戊类仓库、民用建筑等之间的防火间距不应小于表3.4。
1 的规定。
表3.4.1 厂房之间及其与乙、丙、丁、戊类仓库、民用建筑等之间的防火间距(m)注:1 建筑之间的防火间距应按相邻建筑外墙的最近距离计算,如外墙有凸出的燃烧构件,应从其凸出部分外缘算起;2 乙类厂房与重要公共建筑之间的防火间距不宜小于50。
0m.单层、多层戊类厂房之间及其与戊类仓库之间的防火间距,可按本表的规定减少2。
0m。
为丙、丁、戊类厂房服务而单独设立的生活用房应按民用建筑确定,与所属厂房之间的防火间距不应小于6。
0m。
必须相邻建造时,应符合本表注3、4 的规定;3 两座厂房相邻较高一面的外墙为防火墙时,其防火间距不限,但甲类厂房之间不应小于4.0m.两座丙、丁、戊类厂房相邻两面的外墙均为不燃烧体,当无外露的燃烧体屋檐,每面外墙上的门窗洞口面积之和各小于等于该外墙面积的5%,且门窗洞口不正对开设时,其防火间距可按本表的规定减少25%;4 两座一、二级耐火等级的厂房,当相邻较低一面外墙为防火墙且较低一座厂房的屋顶耐火极限不低于1。
00h,或相邻较高一面外墙的门窗等开口部位设置甲级防火门窗或防火分隔水幕或按本规范第7。
5.3 条的规定设置防火卷帘时,甲、乙类厂房之间的防火间距不应小于6。
0m; 丙、丁、戊类厂房之间的防火间距不应小于4。
0m;5 变压器与建筑之间的防火间距应从距建筑最近的变压器外壁算起。
发电厂内的主变压器,其油量可按单台确定;6 耐火等级低于四级的原有厂房,其耐火等级应按四级确定。
3.4。
2 甲类厂房与重要公共建筑之间的防火间距不应小于50。
0m ,与明火或散发火花地点之间的防火间距不应小于30.0m,与架空电力线的最小水平距离应符合本规范第11.2。
1 条的规定,与甲、乙、丙类液体储罐,可燃、助燃气体储罐,液化石油气储罐,可燃材料堆场的防火间距,应符合本规范第4 章的有关规定.3.4.3 散发可燃气体、可燃蒸气的甲类厂房与铁路、道路等的防火间距不应小于表3.4.3 的规定,但甲类厂房所属厂内铁路装卸线当有安全措施时,其间距可不受表3。
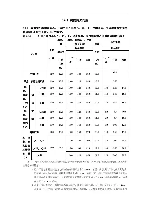
3.4 厂房的防火间距3.4.1 除本规范另有规定者外,厂房之间及其与乙、丙、丁、戊类仓库、民用建筑等之间的防火间距不应小于表3.4.1 的规定。
表3.4.1 厂房之间及其与乙、丙、丁、戊类仓库、民用建筑等之间的防火间距(m)名称甲类厂房单层、多层乙类厂房(仓库)单层、多层丙-丁、戊类厂房(仓库)高层厂房(仓库)民用建筑耐火等级耐火等级一、二级三级四级一、二级三级四级甲类厂房12.0 12.0 12.0 14.0 16.0 13.025.0 单层、多层乙类厂房12.0 10.0 10.0 12.0 14.0 13.0 25.0 单层、多层丙、丁类厂房耐火等级一、二级12.0 10.0 10.0 12.0 14.0 13.0 10.0 12.0 14.0三级14.0 12.0 12.0 14.0 16.0 15.0 12.0 14.0 16.0 四级16.0 14.0 14.0 16.0 18.0 17.0 14.0 16.0 18.0单层、多层戊类厂房一、二级12.0 10.0 10.0 12.0 14.0 13.0 6.0 7.0 9.0三级14.0 12.0 12.0 14.0 16.0 15.0 7.0 8.0 10.0 四级16.0 14.0 14.0 16.0 18.0 17.0 9.0 10.0 12.0 高层厂房13.0 13.0 13.0 15.0 17.0 13.0 13.0 15.0 17.0室外变、配电站变压器总油量(t)≥5,≤1025.0 25.012.0 15.0 20.0 12.0 15.0 20.0 25.0 >10,≤5015.0 20.0 12.0 15.0 20.0 25.0 30.0 >5020.0 12.0 15.0 20.0 25.0 30.0 35.0注:1 建筑之间的防火间距应按相邻建筑外墙的最近距离计算,如外墙有凸出的燃烧构件,应从其凸出部分外缘算起;2 乙类厂房与重要公共建筑之间的防火间距不宜小于50.0m。
车间、厂房、储罐安全间距(总2
页)
--本页仅作为文档封面,使用时请直接删除即可--
--内页可以根据需求调整合适字体及大小--
1、甲类车间之间的防火距离不应小于12米,甲类车间离主干道之间的防火距离不应小于10米,离次干道之间的防火距离不应小于5米
乙类车间之间之间的防火距离不应小于10米甲类与乙类车间之间之间的防火距离不应小于12米
2、厂区围墙与厂内建筑之间的间距不宜小于,且围墙两侧的建筑之间还应满足相应的防火间距要求
3、甲类厂房与重要公共建筑之间的防火间距不应小于,与明火或散发火花地点之间的防火间距不应小于,与甲、乙、丙类液体储罐,可燃、助燃气体储罐,液化石油气储罐,可燃材料堆场的防火间距,储罐防火堤外侧基脚线至建筑物的距离不应小于10;乙类仓库,与民用建筑之间的防火间距不宜小于,与重要公共建筑之间的防火间距不宜小于,
4、散发可燃气体、可燃蒸气的甲类厂房与道路等的防火间距不应小于表的规定,但甲类厂房所属厂内铁路装卸线当有安全措施时,其间距可不受表规定的限制。
表甲类厂房与铁路、道路等的防火间距(m)
注:厂房与道路路边的防火间距按建筑距道路最近一侧路边的最小距离计算。
5、高层厂房与甲、乙、丙类液体储罐,可燃、助燃气体储罐,液化石油气储罐,可燃材料堆场(煤和焦炭场除外)的防火间距不应小于。
6、两排卧式储罐之间的防火间距不应小于3米,防火堤内侧基脚线至立式储罐外壁的水平距离不应小于罐壁高度的一半,防火堤内侧基脚线至卧式储罐外壁的水平距离不应小于3米。
单单层、多层丙 -层、丁、戊类厂房(仓高民用建筑多库)层甲类层乙厂厂耐火等级房耐火等级名称类房厂房(一、三四仓一、三(仓二四级级级库)二级级库)级12.12.14.16.13.甲类厂房12.025.000000单层、多层乙类12.10.12.14.13.10.025.0厂房00000单一、二12.10.12.14.13.12.耐10.010.014.0层、级000000多火层14.12.14.16.15.14.等三级12.012.016.0丙、000000丁级类16.14.16.18.17.16.厂四级14.014.018.0 000000房单一、二12.10.12.14.13.10.0 6.07.09.0层、级00000多层14.12.14.16.15.三级12.07.08.010.0戊00000类厂16.14.16.18.17.10.12.0四级14.09.0房00000013.13.15.17.13.15.高层厂房13.013.017.0000000室外≥5,≤12.15.20.12.20.15.025.0变、100000025.配电25.0 0站变>10,≤15.20.12.15.25.20.030.0压器5000000总油量20.12.15.20.30.> 5025.035.0( t )00000注:1 建筑之间的防火间距应按相邻建筑外墙的最近距离计算,如外墙有凸出的燃烧构件,应从其凸出部分外缘算起;2 乙类厂房与重要公共建筑之间的防火间距不宜小于50.0m。
单层、多层戊类厂房之间及其与戊类仓库之间的防火间距,可按本表的规定减少 2.0m。
为丙、丁、戊类厂房服务而单独设立的生活用房应按民用建筑确定,与所属厂房之间的防火间距不应小于 6.0m。
必须相邻建造时,应符合本表注 3、 4 的规定;3两座厂房相邻较高一面的外墙为防火墙时,其防火间距不限,但甲类厂房之间不应小于 4.0m。
两座丙、丁、戊类厂房相邻两面的外墙均为不燃烧体,当无外露的燃烧体屋檐,每面外墙上的门窗洞口面积之和各小于等于该外墙面积的5%,且门窗洞口不正对开设时,其防火间距可按本表的规定减少25%;4两座一、二级耐火等级的厂房,当相邻较低一面外墙为防火墙且较低一座厂房的屋顶耐火极限不低于 1.00h ,或相邻较高一面外墙的门窗等开口部位设置甲级防火门窗或防火分隔水幕或按本规范第 7.5.3条的规定设置防火卷帘时,甲、乙类厂房之间的防火间距不应小于 6.0m;丙、丁、戊类厂房之间的防火间距不应小于 4.0m;5变压器与建筑之间的防火间距应从距建筑最近的变压器外壁算起。
精品文档
厂房防火间距的规定
1、乙类厂房与重要公共建筑之间的防火间距不宜小于50m ,与明火或散发火花地点不宜小于30m 。
2、单层或多层戊类厂房之间及其与戊类仓库之间的防火间距,可按本表的
规定减少2m 。
单层多层戊类厂房与民用建筑之间的防火间距可按本规范第5.2.2条的规定执行。
3、为丙、丁、戊类厂房服务而单独设立的生活用房应按民用建筑确定,与所属厂房之间的防火间距不应小于6m 。
必须相邻建造时,应符合本表注2、3 的规定。
4、两座厂房相邻较高一面的外墙为防火墙时,其防火间距不限,但甲类厂房之间不应小于4m 。
5、两座丙、丁、戊类厂房相邻两面的外墙均为不燃烧体,当无外露的燃烧体屋檐,每面外墙上的门窗洞口面积之和各不大于该外墙面积的5% ,且门窗洞口不正对开设时,其防火间距可按本表的规定减少25% 。
6、甲、乙类厂房(仓库)不应与本规范第 3.3.8 条规定外的其他建筑贴邻建造。
7、两座一、二级耐火等级的厂房,当相邻较低一面外墙为防火墙且较低一座厂房的屋顶耐火极限不低于 1.00h ,或相邻较高一面外墙的门窗等开口部位设置甲级防火门窗或防火分隔水幕或按本规范第 6.5.2 条的规定设置防火卷帘时,甲、乙类厂房之间的防火间距不应小于6m ;丙、丁、戊类厂房之间的防火间距不应小于4m 。
8、发电厂内的主变压器,其油量可按单台确定。
精品文档。
名称甲类厂房单层、多层乙类厂房(仓库)单层、多层丙-丁、戊类厂房(仓库)高层厂房(仓库)民用建筑耐火等级耐火等级一、二级三级四级一、二级三级四级甲类厂房12.012.012.14.16.13.25.0单层、多层乙类厂房12.10.010.12.14.13.25.0单层、多层丙、耐火等一、二级12.10.010.12.14.13.10.012.14.0三级14.12.012.14.16.15.12.014.16.0丁类厂房级四级16.14.014.16.18.17.14.016.18.0单层、多层戊类厂房一、二级12.10.010.12.14.13.6.07.09.0三级14.12.012.14.16.15.7.08.010.0四级16.14.014.16.18.17.9.010.12.0高层厂房13.013.013.15.17.13.13.015.17.0室外变、配电站变压器≥5,≤1025.25.012.15.20.12.15.020.25.0>10,≤5015.20.12.15.20.025.30.0总油量(t)>5020.12.15.20.25.030.35.0注:1 建筑之间的防火间距应按相邻建筑外墙的最近距离计算,如外墙有凸出的燃烧构件,应从其凸出部分外缘算起;2 乙类厂房与重要公共建筑之间的防火间距不宜小于50.0m。
单层、多层戊类厂房之间及其与戊类仓库之间的防火间距,可按本表的规定减少2.0m。
为丙、丁、戊类厂房服务而单独设立的生活用房应按民用建筑确定,与所属厂房之间的防火间距不应小于6.0m。
必须相邻建造时,应符合本表注3、4 的规定;3 两座厂房相邻较高一面的外墙为防火墙时,其防火间距不限,但甲类厂房之间不应小于4.0m。
两座丙、丁、戊类厂房相邻两面的外墙均为不燃烧体,当无外露的燃烧体屋檐,每面外墙上的门窗洞口面积之和各小于等于该外墙面积的5%,且门窗洞口不正对开设时,其防火间距可按本表的规定减少25%;4 两座一、二级耐火等级的厂房,当相邻较低一面外墙为防火墙且较低一座厂房的屋顶耐火极限不低于1.00h,或相邻较高一面外墙的门窗等开口部位设置甲级防火门窗或防火分隔水幕或按本规范第7.5.3 条的规定设置防火卷帘时,甲、乙类厂房之间的防火间距不应小于6.0m;丙、丁、戊类厂房之间的防火间距不应小于4.0m;5 变压器与建筑之间的防火间距应从距建筑最近的变压器外壁算起。
发电厂内的主变压器,其油量可按单台确定;6 耐火等级低于四级的原有厂房,其耐火等级应按四级确定。
3.4.2 甲类厂房与重要公共建筑之间的防火间距不应小于50.0m ,与明火或散发火花地点之间的防火间距不应小于30.0m,与架空电力线的最小水平距离应符合本规范第11.2.1 条的规定,与甲、乙、丙类液体储罐,可燃、助燃气体储罐,液化石油气储罐,可燃材料堆场的防火间距,应符合本规范第4 章的有关规定。
3.4.3 散发可燃气体、可燃蒸气的甲类厂房与铁路、道路等的防火间距不应小于表3.4.3 的规定,但甲类厂房所属厂内铁路装卸线当有安全措施时,其间距可不受表3.4.3 规定的限制。
表3.4.3 甲类厂房与铁路、道路等的防火间距(m)名称厂外铁路线中心线厂内铁路线中心线厂外道路路边厂内道路路边主要次要甲类厂房30.020.015.010.05.0注:厂房与道路路边的防火间距按建筑距道路最近一侧路边的最小距离计算。
3.4.4 高层厂房与甲、乙、丙类液体储罐,可燃、助燃气体储罐,液化石油气储罐,可燃材料堆场(煤和焦炭场除外)的防火间距,应符合本规范第4 章的有关规定,且不应小于13.0m。
3.4.5 当丙、丁、戊类厂房与公共建筑的耐火等级均为一、二级时,其防火间距可按下列规定执行:1当较高一面外墙为不开设门窗洞口的防火墙,或比相邻较低一座建筑屋面高15.0m 及以下范围内的外墙为不开设门窗洞口的防火墙时,其防火间距可不限;2相邻较低一面外墙为防火墙,且屋顶不设天窗、屋顶耐火极限不低于1.00h,或相邻较高一面外墙为防火墙,且墙上开口部位采取了防火保护措施,其防火间距可适当减小,但不应小于4.0m。
3.4.6 厂房外附设有化学易燃物品的设备时,其室外设备外壁与相邻厂房室外附设设备外壁或相邻厂房外墙之间的距离,不应小于本规范第3.4.1 条的规定。
用不燃烧材料制作的室外设备,可按一、二级耐火等级建筑确定。
总储量小于等于15m3 的丙类液体储罐,当直埋于厂房外墙外,且面向储罐一面4.0m 范围内的外墙为防火墙时,其防火间距可不限。
3.4.7 同一座U 形或山形厂房中相邻两翼之间的防火间距,不宜小于本规范第3.4.1 条的规定,但当该厂房的占地面积小于本规范第3.3.1 条规定的每个防火分区的最大允许建筑面积时,其防火间距可为6.0m 。
3.4.8 除高层厂房和甲类厂房外,其它类别的数座厂房占地面积之和小于本规范第3.3.1 条规定的防火分区最大允许建筑面积(按其中较小者确定,但防火分区的最大允许建筑面积不限者,不应超过10000 m2)时,可成组布置。
当厂房建筑高度小于等于7.0m 时,组内厂房之间的防火间距不应小于4.0m;当厂房建筑高度大于7.0m 时,组内厂房之间的防火间距不应小于6.0m 。
组与组或组与相邻建筑之间的防火间距,应根据相邻两座耐火等级较低的建筑,按本规范第3.4.1 条的规定确定。
3.4.9 一级汽车加油站、一级汽车液化石油气加气站和一级汽车加油加气合建站不应建在城市建成区内。
3.4.10 汽车加油、加气站和加油加气合建站的分级,汽车加油、加气站和加油加气合建站及其加油(气)机、储油(气)罐等与站外明火或散发火花地点、建筑、铁路、道路之间的防火间距,以及站内各建筑或设施之间的防火间距,应符合现行国家标准《汽车加油加气站设计与施工规范》 GB50156 的有关规定。
3.4.11电力系统电压为35~500kV 且每台变压器容量在10MVA 以上的室外变、配电站以及工业企业的变压器总油量大于5t 的室外降压变电站,与建筑之间的防火间距不应小于本规范第3.4.1 条和第3.5.1 条的规定。
3.4.12 厂区围墙与厂内建筑之间的间距不宜小于5.0m,且围墙两侧的建筑之间还应满足相应的防火间距要求。
3.5 仓库的防火间距3.5.1 甲类仓库之间及其与其它建筑、明火或散发火花地点、铁路、道路等的防火间距不应小于表 3.5.1 的规定,与架空电力线的最小水平距离应符合本规范第11.2.1 条的规定。
厂内铁路装卸线与设置装卸站台的甲类仓库的防火间距,可不受表3.5.1 规定的限制。
表3.5.1 甲类仓库之间及其与其它建筑、明火或散发火花地点、铁路等的防火间距(m)名称甲类仓库及其储量(t)甲类储存物品第3、4 项甲类储存物品第1、2、5、6 项≤5>5≤10>10重要公共建筑50.0甲类仓库20.0民用建筑、明火或散发火花地点30.0 40.025.030.0其它建筑一、二级耐火等级15.0 20.012.0 15.0三级耐火等级20.025.015.020.0四级耐火等级25.030.020.025.0电力系统电压为35~500kV且每台变压器容量在10MVA以上的室外变、配电站工业企业的变压器总油量大于5t 的室外降压变电站30.040.025.0 30.0厂外铁路线中心线40.0厂内铁路线中心线30.0厂外道路路边20.0厂内道路路边主要10.0次要 5.0注:甲类仓库之间的防火间距,当第3、4 项物品储量小于等于2t,第1 、2 、5 、6 项物品储量小于等于5t 时,不应小于12.0m,甲类仓库与高层仓库之间的防火间距不应小于13m 。
3.5.2 除本规范另有规定者外,乙、丙、丁、戊类仓库之间及其与民用建筑之间的防火间距,不应小于表3.5.2 的规定。
表3.5.2 乙、丙、丁、戊类仓库之间及其与民用建筑之间的防火间距(m)建筑类型单层、多层乙、丙、丁、戊类仓库高层仓库甲类厂房单层、多层乙、丙、丁类仓库单层、多层戊类仓库单层、多层乙、丙、丁、戊类仓库耐火等级一、二级三级四级一、二级三级四级一、二级一、二级一、二级10.0 12.014.10.012.14.13.12.0三级12.0 14.016.12.014.16.15.14.0四级14.016.018.14.016.18.17.16.0高层仓库一、二级13.015.017.13.015.17.13.13.0民用建筑一、二级10.012.014.6.07.09.013.25.0三级12.014.016.7.08.010.15.四级14.016.018.09.010.12.17.注:1 单层、多层戊类仓库之间的防火间距,可按本表减少2.0m;2 两座仓库相邻较高一面外墙为防火墙,且总占地面积小于等于本规范第3.3.2 条一座仓库的最大允许占地面积规定时,其防火间距不限;3 除乙类第 6 项物品外的乙类仓库,与民用建筑之间的防火间距不宜小于25.0m,与重要公共建筑之间的防火间距不宜小于30.0m,与铁路、道路等的防火间距不宜小于表3.5.1 中甲类仓库与铁路、道路等的防火间距。
3.5.3 当丁、戊类仓库与公共建筑的耐火等级均为一、二级时,其防火间距可按下列规定执行:1 当较高一面外墙为不开设门窗洞口的防火墙,或比相邻较低一座建筑屋面高15.0m 及以下范围内的外墙为不开设门窗洞口的防火墙时,其防火间距可不限;2 相邻较低一面外墙为防火墙,且屋顶不设天窗、屋顶耐火极限不低于1.00h,或相邻较高一面外墙为防火墙,且墙上开口部位采取了防火保护措施,其防火间距可适当减小,但不应小于4.0m。
3.5.4 粮食筒仓与其它建筑之间及粮食筒仓组与组之间的防火间距,不应小于表3.5.4 的规定。
表3.5.4 粮食筒仓与其它建筑之间及粮食筒仓组与组之间的防火间距(m)名称粮食总储量W(t)粮食立筒仓粮食浅圆仓建筑的耐火等级W≤4000040000<W≤50000W>50000W≤50000W>50000一、二级三级四级粮食立筒仓500<W≤1000015.020.025.020.25.10.15.20.0 10000<W≤4000015.20.25.0 40000<W≤5000020.020.25.30.W>5000025.025.030.-粮食浅圆仓W≤5000020.020.025.020.25.020.25.-W>5000025.025.30.-注: 1 当粮食立筒仓、粮食浅园仓与工作塔、接收塔、发放站为一个完整工艺单元的组群时,组内各建筑之间的防火间距不受本表限制;2 粮食浅圆仓组内每个独立仓的储量不应大于10000t。