仓库的防火间距
- 格式:doc
- 大小:55.50 KB
- 文档页数:3
仓库防火安全管理规则间距
1. 前言
为保障仓库防火安全,制定安全管理规定,其中涉及到仓库防火安全管理规则
间距的要求。
本文将介绍仓库防火安全管理规范中间距相关内容。
2. 仓库防火安全管理规范间距要求
为了保障仓库中的物资不受火灾侵害,应根据下列要求制定仓库管理规定。
2.1 仓库内道路、通道的间距
仓库内的道路、通道应保证良好的通行条件,符合以下要求:
•普通仓库内的道路宽度不小于2m、货架间距不小于1.5m、通道宽度不小于2m。
•重要物资库房或有危险物品的仓库内的道路宽度不小于4m、货架间距不小于2m、通道宽度不小于3m。
•高层仓库内的道路宽度不小于6m、货架间距不小于2.5m、通道宽度不小于3.5m。
2.2 仓库内消防系统的间距
仓库内消防系统的设置应合理布局,符合下列要求:
•在不影响其它用途的前提下,应尽可能增加消防用水管道的数量,要求管卡的间距不大于60m。
•消防用电线道的间距应不大于80m。
•各水源管道应互相连接,立杆式消防设备与水源的距离不大于80m,使用消防水枪应保证一根水枪能够覆盖到相邻的两列货架以及其吊装通道。
2.3 仓库内电气线路的间距
仓库内电气线路应安装在防火墙内,与热源、危险物品的水平距离不小于
0.2m,垂直距离不小于0.5m。
3. 总结
本文简要介绍了仓库防火安全管理规范中间距相关内容,主要包括仓库内道路、通道的间距、仓库内消防系统的间距和仓库内电气线路的间距等要求。
在仓库防火安全管理中,应高度重视以上要求,尽可能避免因规定不符合要求而造成不必要的损失。
仓库与仓库的防火间距
考点:仓库的防火间距
1.甲类仓库之间及其与其他建筑、明火或散发火花地点、铁路、道路等的防火间距
甲类仓库之间及其与其他建筑、氨气或散发出火花地点、铁路、道路等的防火间距不应当大于表中 1 的规定,设置装卸站台的甲类仓库与厂内铁路装运线的防火间距,可不受限制。
2.乙、丙、丁、戊类仓库之间及其与民用建筑之间的防火间距
厂外铁路中心线:40 厂内铁路中心线:30
厂外道路路边:20 厂内主要道路:10
厂内次要道路:5
乙类物质火灾危险性特征
①闪点≥28℃至\uc60℃的液体;
②爆炸下限≥10%的气体;
③不属于甲类的氧化剂;
④不属于甲类的易燃固体;
⑤助燃气体;
⑥常温下与空气接触能缓慢氧化,积热不散引起自燃的物品。
经典例题
防火间距的设置应根据火灾发生后对相邻建筑的影响,一般不考虑( )。
a、热辐射
b、飞火、风速
c、消防灭火的须要
d、节约土地资源
【恰当答案】 b
【答案解析】根据火灾发生后的辐射热对相邻建筑的影响,一般不考虑飞火、风速等因素。
仓库防火安全距离是多少仓库防火安全距离是指在防火规定中,仓库与其他建筑物、设备、草木等的间距限制。
这些间距的限制是为了保证发生火灾时,不会对周围的建筑物、设备、和人员造成威胁。
相关法律法规在中国,关于仓库的防火安全距离,有《城市规划法》和《消防法》规定。
根据《城市规划法》,每个城市应该对建筑物进行规划,包括防火安全距离。
具体来说,防火安全距离是建筑物的间距,以及在建筑物与道路、河流等设施之间的距离。
《消防法》中规定,建筑物之间的防火间距一般应该按照以下标准进行规定:•独立的厂房,其间距应该为厂房高度的1/2或防火墙高度的1/3。
•非独立的厂房(即分隔墙高度小于完全封闭墙高度的墙体),其间距应该为厂房高度的1/2或者防火墙高度的1/6。
•分隔墙高度足够高的建筑,防火间距可为防火墙高度的1/2。
为什么要关注防火安全距离?防火安全距离的设定是为了防止火灾的蔓延,同时保护人们的生命和财产安全。
如果仓库的防火安全距离不符合标准,当周围发生火灾时,火势可能会蔓延到仓库内部,并且向周围建筑延伸,这样就会造成人员伤亡和财产损失。
此外,如果仓库的防火安全距离距离相邻建筑物过近,也可能会造成堵塞路面和消防车的无法通行,导致救援不及时。
如何保障仓库的防火安全距离?保障仓库的防火安全距离具体应当从以下几个方面着手:合理规划在设计建筑物之后,需要对其所在区域的规划进行设计和安排,要求设置良好的消防通道和安全距离。
根据不同的建筑类型和地理位置,合理安排建筑物之间的间距,以确保防火安全距离的效果。
安装火灾报警在仓库内设置多个火灾报警设备,以确保在发生火灾时能够及时触发报警,通知警报系统并启动灭火措施,保障安全距离。
定期检查对仓库的消防系统和报警设备定期进行检查和维护,保证其工作状态良好,保障防火安全距离。
结论仓库防火安全距离的设定非常重要,涉及到人员和物资的安全。
需要根据相关标准进行规划和实施,并定期检查和维护。
只有这样,才能够最大程度地保障人员和财产的安全,避免火灾的发生和蔓延。
厂房、仓库、储罐、加油站安全间距1.厂房、仓库等建筑物的防火间距(表1 — 1)(GB50016-2006)表1 — 1 厂房、仓库等建筑物的防火间距2.液体储罐的防火间距(表1-2)(GB50016-2006)表1-2 液体储罐的防火间距(m)3.加油站内、外建筑(设施)之间的防火距离(表2 — 1、表2 — 2)(GB50156-2002 (2006 年版))表2—1 加油站内设施之间的防火距离表2-2 加油站与站外建筑物之间的防火距离一级加油站总容积大于120立方米,小于或等于180立方米,单罐容积小于或等于50立方米。
二级加油站总容积大于60立方米,小于或等于120立方米,单罐容积小于或等于50立方米。
三级加油站总容积小于或等于60立方米,单罐容积小于或等于30立方米。
柴油罐容积可折半计入油罐总容积。
, 建规(GB50016-2006)中常涉及的部分安全规定1.厂房、仓库1.建筑面积小于等于300m2的独立甲、乙类单层厂房,可采用三级耐火等级的建筑。
(3.3.5)2.厂房内设置甲、乙类中间仓库时,其储量不宜超过一昼夜的需要量。
(3.3.9)3.仓库内严禁设置员工宿舍。
(3.3.15)4.甲、乙类仓库内严禁设置办公室、休息室等,并不应贴邻建造。
(3.3.15)5.有爆炸危险的甲、乙类厂房宜独立设置,并宜采用敞开或半敞开式。
其承重结构宜采用钢筋混凝土或钢框架、排架结构。
(3.6.1)6.有爆炸危险的甲、乙类厂房的总控制室应独立设置。
(3.6.8)7.甲、乙、丙类液体仓库应设置防止液体流散的设施。
遇湿会发生燃烧爆炸的物品仓库应设置防止水浸渍的措施。
(3.6.11)2.安全出口8.厂房的安全出口应分散布置。
每个防火分区、一个防火分区的每个楼层,其相邻2个安全出口最近边缘之间的水平距离不应小于5.0m。
(3.7.1)9.厂房的每个防火分区其安全出口的数量应经计算确定,且不应少于2 个,当符合下列条件时,可设置1个安全出口:(3.7.2)1甲类厂房,每层建筑面积小于等于100m2,且同一时间的生产人数不超过5人;2乙类厂房,每层建筑面积小于等于150m2,且同一时间的生产人数不超过10人;3丙类厂房,每层建筑面积小于等于250m2,且同一时间的生产人数不超过20人10.每座仓库的安全出口不应少于2个,当一座仓库的占地面积小于等于300m2时,可设置1个安全出口。
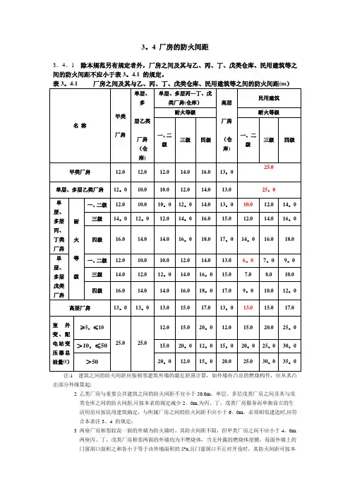
3.4 厂房的防火间距3.4.1 除本规范另有规定外,厂房之间及与乙、丙、丁、戊类仓库、民用建筑等的防火间距不应小于表3.4.1的规定,与甲类仓库的防火间距应符合本规范第3.5.1条的规定。
注:1 乙类厂房与重要公共建筑的防火间距不宜小于50m;与明火或散发火花地点,不宜小于30m。
单、多层戊类厂房之间及与戊类仓库的防火间距可按本表的规定减少2m。
为丙、丁、戊类厂房服务而单独设置的生活用房应按民用建筑确定,与所属厂房的防火间距不应小于6m。
确需相邻布置时,应符合本表注2、3的规定。
2 两座厂房相邻较高一面外墙为防火墙,或相邻两座高度相同的一、二级耐火等级建筑中相邻任一侧外墙为防火墙且屋顶的耐火极限不低于1.00h时,其防火间距不限,但甲类厂房之间不应小于4m。
两座丙、丁、戊类厂房相邻两面外墙均为不燃性墙体,当无外露的可燃性屋檐,每面外墙上的门、窗、洞口面积之和各不大于外墙面积的5%,且门、窗、洞口不正对开设时,其防火间距可按本表的规定减少25%。
甲、乙类厂房(仓库)不应与本规范第3.3.5条规定外的其他建筑贴邻。
3 两座一、二级耐火等级的厂房,当相邻较低一面外墙为防火墙且较低一座厂房的屋顶无天窗,屋顶的耐火极限不低于1.00h,或相邻较高一面外墙的门、窗等开口部位设置甲级防火门、窗或防火分隔水幕或按本规范第6.5.3条的规定设置防火卷帘时,甲、乙类厂房之间的防火间距不应小于6m;丙、丁、戊类厂房之间的防火间距不应小于4m。
4 发电厂内的主变压器,其油量可按单台确定。
5 耐火等级低于四级的既有厂房,其耐火等级可按四级确定。
6 当丙、丁、戊类厂房与丙、丁、戊类仓库相邻时,应符合本表注2、3的规定。
3.4.2 甲类厂房与重要公共建筑的防火间距不应小于50m,与明火或散发火花地点的防火间距不应小于30m。
3.4.3 散发可燃气体、可燃蒸气的甲类厂房与铁路、道路等的防火间距不应小于表3.4.3的规定,但甲类厂房所属厂内铁路装卸线当有安全措施时,防火间距不受表3.4.3规定的限制。
3。
4 厂房的防火间距3。
4。
1 除本规范另有规定者外,厂房之间及其与乙、丙、丁、戊类仓库、民用建筑等之间的防火间距不应小于表3。
4.1 的规定。
表3。
4.1 厂房之间及其与乙、丙、丁、戊类仓库、民用建筑等之间的防火间距(m)注:1 建筑之间的防火间距应按相邻建筑外墙的最近距离计算,如外墙有凸出的燃烧构件,应从其凸出部分外缘算起;2 乙类厂房与重要公共建筑之间的防火间距不宜小于50.0m。
单层、多层戊类厂房之间及其与戊类仓库之间的防火间距,可按本表的规定减少2。
0m.为丙、丁、戊类厂房服务而单独设立的生活用房应按民用建筑确定,与所属厂房之间的防火间距不应小于6。
0m。
必须相邻建造时,应符合本表注3、4 的规定;3 两座厂房相邻较高一面的外墙为防火墙时,其防火间距不限,但甲类厂房之间不应小于4。
0m.两座丙、丁、戊类厂房相邻两面的外墙均为不燃烧体,当无外露的燃烧体屋檐,每面外墙上的门窗洞口面积之和各小于等于该外墙面积的5%,且门窗洞口不正对开设时,其防火间距可按本表的规定减少25%;4 两座一、二级耐火等级的厂房,当相邻较低一面外墙为防火墙且较低一座厂房的屋顶耐火极限不低于1.00h,或相邻较高一面外墙的门窗等开口部位设置甲级防火门窗或防火分隔水幕或按本规范第7.5。
3 条的规定设置防火卷帘时,甲、乙类厂房之间的防火间距不应小于6.0m;丙、丁、戊类厂房之间的防火间距不应小于4。
0m;5 变压器与建筑之间的防火间距应从距建筑最近的变压器外壁算起。
发电厂内的主变压器,其油量可按单台确定;6 耐火等级低于四级的原有厂房,其耐火等级应按四级确定。
3.4.2 甲类厂房与重要公共建筑之间的防火间距不应小于50.0m ,与明火或散发火花地点之间的防火间距不应小于30。
0m,与架空电力线的最小水平距离应符合本规范第11。
2。
1 条的规定,与甲、乙、丙类液体储罐,可燃、助燃气体储罐,液化石油气储罐,可燃材料堆场的防火间距,应符合本规范第4 章的有关规定.3。
1.甲、乙类厂房与重要公共建筑的防火间距不应小于50m ,
2.为丙丁戊类厂房服务的而单独设置的生活用房,按民建确定,与明火或散发火花地点的防火间距不应小于30m 。
与所属厂房的防火间距,不应小于6m 。
3.单、多层戊类厂房之间及与戊类仓库的防火间距可减少2m 。
4.建筑高度大于100m的民用建筑与相邻建筑的防火间距,当符合允许减小的条件时,仍不应减小。
5.民用建筑与10kv及以下的预装式变电站的防火间距不应小于3m。
6.除高层民用建筑外,数座一、二级耐火等级的住宅建筑或办公建筑,当建筑物的占地面积总和不大于2500m2时,可成组布置,但组内建筑物的间距不宜小于4m,组与组或组与相邻建筑物的防火间距不应小于规范的规定。
乙类仓库安全防火间距仓库安全防火间距介绍仓库安全防火间距是指仓库中货物堆垛与墙体、地面、天花板之间必须遵循的一定距离。
该间距是为保证仓库内货物发生火灾时,能够充分发挥自动灭火系统的作用,从而有效降低火灾事故发生的风险。
乙类仓库安全防火间距规定根据《建筑设计防火规范》GB50016-2014的规定,乙类仓库的安全防火间距如下:•火灾危险性等级为一级的货物,与墙体、地面、天花板间的距离应不少于3m。
•火灾危险性等级为二级的货物,与墙体、地面、天花板间的距离应不少于6m。
•火灾危险性等级为三级的货物,与墙体、地面、天花板间的距离应不少于9m。
•对于非常规形状的货物,应用等效直径或最大外形尺寸计算防火间距。
安全防火间距计算方法计算安全防火间距时,需要考虑到货物的尺寸、形状、数量、所装卸的方式,以及周围的环境等因素。
根据《消防技术标准:仓库设计防火》GB 50189-2015,货物的尺寸、形状、数量对防火间距的计算有一定影响,具体计算方法如下:1.货物尺寸计算货物的尺寸计算是根据最大外形尺寸来计算的,即长、宽、高的最大值。
对于不规则形状的货物,可以采用等效直径计算。
2.防火间距计算防火间距的计算需要根据货物的等级、数量以及周围环境等因素进行计算。
具体的计算方法如下:•防火间距计算公式:L = K * Q^0.4 * D^0.6。
•其中,L表示应设置的安全防火间距(m);•Q为货物的重量(kg);•D为货物最大外形尺寸(m);•K为系数,其值根据货物种类、块数和堆码方式的不同而不同。
安全防火间距的注意事项在设置安全防火间距时,还需要注意以下几个方面:1.严格按照规范要求进行设置,并且需要在现场进行实际测量和验收;2.对货物及周围环境进行全面评估,确保防火间距的有效性;3.对于大规模的货物仓库,应当对仓库内各个区域进行划分,分区设置防火间距。
总之,在仓库设计时,合理设置防火间距非常重要,可以有效保障仓库内货物和人员的安全。
3.4厂房的防火间距3.4.1除本规另有规定者外,厂房之间及其与乙.丙、丁、戊类仓库、民用建筑等之间的防火间距不应小于表3.4.1的规定。
3・4・1 (m)出部分外缘算起:2乙类厂房与重要公共建筑之间的防火间距不宜小于50.0m o敢层、多层戊类厂房之间及其与戊类仓库之间的防火间距,可按木表的规定减少2.0mo为丙、丁、戊类厂房服务而单独设立的生活用房应按民用建筑确定.与所屈厂房之间的防火间距不应小于6.0m「必须相邻建造时•应符合木表注3、4的规定:3两座厂房相邻较商一面的外墙为防火墙时.其防火间距不限,但甲类厂房之间不应小于4.0nu 两座丙、丁、戊类厂房相邻两面的外墙均为不燃烧体.十无外露的燃烧体屋檐,每而外增上的门窗洞口ifii积之和齐小于等于该外墙ifii枳的5%,且门窗洞口不正对开设时.其防火间距可按木表的规定减少25%;4两座一、二级耐火等级的厂房,十相邻校低一而外墙为防火墙且较低一座厂房的屋顶耐火极限不低于l.OOh,或相邻较商一面外埔的门窗等开口部位设置甲级防火门窗或防火分隔水幕或按木规第7.5.3条的规定设置防火卷帘时,甲、乙类厂房之间的防火间距不应小于6.0m;丙、丁、戊类厂房之间的防火间距不应小于4.0m:5变压器与建筑之间的防火间距应从距建筑最近的变压器外壁算起。
发电厂的主变压器,其油量可按单台确定:6耐火等级低于四级的原有厂房,其耐火等级应按四级确定。
3.4.2甲类厂房与重要公共建筑之间的防火间距不应小于50.0111 ,与明火或散发火花地点之间的防火间距不应小于30.0m,与架空电力线的最小水平距离应符合本规第11.2.1条的规定,与甲、乙、丙类液体储罐,可燃、助燃气体储罐,液化石油气储罐,可燃材料堆场的防火间距,应符合本规第4章的有关规定。
3.4.3散发可燃气体、可燃蒸气的甲类厂房与铁路、道路等的防火间距不应小于表3.4.3的规定,但甲类厂房所属厂铁路装卸线当有安全措施时,其间距可不受表 3.4.3规定的限制。
注册消防工程师-仓库与民用建筑的防火间距姓名:__________指导:__________日期:__________2017-05-23 11:44首先,我们来看仓库的防火间距。
第一、甲类仓库之间及其与其他建筑、明火或散发火花地点、铁路、道路等的防火间距甲类仓库之间及与其他建筑、明火或散发火花地点、铁路、道路等的防火间距不应小于相关规定,设置装卸站台的甲类仓库与厂内铁路装卸线的防火间距,可不受限制。
注:甲类仓库之间的防火间距,当第3、4项物品储量≤2t,第1、2、5、6项物品储量≤5t时,不应<12m,甲类仓库与高层仓库的防火间距不应<13m。
第二、乙、丙、丁、戊类仓库之间及其与民用建筑之间的防火间距乙、丙、丁、戊类仓库之间及其与民用建筑之间的防火间距,不应小于相关规定。
表2-4-3 乙、丙、丁、戊类仓库之间及与民用建筑的防火间距(m)并应注意以下几点:(1)单层、多层戊类仓库之间的防火间距,可按规定减少2m。
(2)两座仓库的相邻外墙均为防火墙时,防火间距可以减小,但丙类,不应小于6m;丁、戊类,不应小于4m。
两座仓库相邻较高一面外墙为防火墙,或相邻两座高度相同的一二级耐火等级建筑中相邻任一侧外墙为防火墙,且屋顶耐火极限不小于 1.00h时,且总占地面积不大于《建筑设计防火规范》(GB50016-2014)第3.3.2条给出的一座仓库的最大允许占地面积规定时,其防火间距不限。
(3)除乙类第6项物品外的乙类仓库,与民用建筑之间的防火间距不宜小于25m,与重要公共建筑的防火间距不宜小于50m,与铁路、道路等的防火间距不宜小于甲类仓库与铁路、道路等的防火间距。
接下来,我们来看民用建筑的防火间距民用建筑之间的防火间距不应小于表中规定,与其他建筑的防火间距,除应符合本规定外,尚应符合规范的相关规定。
在执行规定时,应注意以下几点:1.相邻两座单、多层建筑,当相邻外墙为不燃性墙体且无外露的可燃性屋檐,每面外墙上无防火保护的门、窗、洞口不正对开设且面积之和不大于该外墙面积的5%时,其防火间距可按规定减少25%。
大型甲类仓库安全防火间距仓库防火安全介绍大型甲类仓库是一个极其重要的环节,其安全防火问题必须引起重视。
防火是一项综合性的工程,必须从危险源、防火措施、紧急处置等方面进行全面地预防、防范和控制。
其中,防火间距作为防火措施之一,是大型甲类仓库防火安全的重要保障。
仓库防火间距标准在国家标准中,对于大型甲类仓库的防火间距有明确规定,其中:1.对于仓库内非易燃物品储存区,要求防火间距不小于6m2.对于仓库内易燃液体储存区,要求防火间距不小于12m3.对于仓库内易燃固体储存区,要求防火间距不小于18m说明:甲类仓库是指储存易燃、易爆、有毒和其他危险化学品所用的建筑,分为甲一、甲二、甲三、甲四四个级别,各级别之间的防火间距也有明确规定。
仓库防火间距的重要性防火间距的设定,主要是为了控制火势的扩散和减小火灾事故的危害。
当火灾事故发生时,防火间距的存在可以使贮存单元与贮存单元之间距离较大,从而可以有效地避免相邻单元间的火灾传播。
另外,防火间距对于现场的施救也十分重要,紧急时刻的救援车辆可以更容易地进入消防通道,进行有效、快速的救援。
仓库防火间距的保障措施为保障仓库的防火间距,需要采取以下措施:1.配备独立的消防通道,保证紧急时刻的快速疏散和灭火2.采用防火隔板技术,将仓库分隔开来,避免火势蔓延,造成连锁反应3.配备消防设备,如灭火器、消防栓、哨兵箱等,形成一条防线,阻止火势蔓延综上所述,大型甲类仓库防火安全是保护国家财产、维护社会稳定的重要措施,而防火间距的设立和完善是其中重要的一环。
人们应该充分认识到防火间距保障的重要性,合理、规范的设置防火间距才能真正地保护人的生命和财产安全。
注:1 建筑之间的防火间距应按相邻建筑外墙的最近距离计算,如外墙有凸出的燃烧构件,应从其凸出部分外缘算起;2 乙类厂房与重要公共建筑之间的防火间距不宜小于。
单层、多层戊类厂房之间及其与戊类仓库之间的防火间距,可按本表的规定减少。
为丙、丁、戊类厂房服务而单独设立的生活用房应按民用建筑确定,与所属厂房之间的防火间距不应小于。
必须相邻建造时,应符合本表注3、4 的规定;3 两座厂房相邻较高一面的外墙为防火墙时,其防火间距不限,但甲类厂房之间不应小于。
两座丙、丁、戊类厂房相邻两面的外墙均为不燃烧体,当无外露的燃烧体屋檐,每面外墙上的门窗洞口面积之和各小于等于该外墙面积的5%,且门窗洞口不正对开设时,其防火间距可按本表的规定减少25%;4 两座一、二级耐火等级的厂房,当相邻较低一面外墙为防火墙且较低一座厂房的屋顶耐火极限不低于,或相邻较高一面外墙的门窗等开口部位设置甲级防火门窗或防火分隔水幕或按本规范第条的规定设置防火卷帘时,甲、乙类厂房之间的防火间距不应小于;丙、丁、戊类厂房之间的防火间距不应小于;5 变压器与建筑之间的防火间距应从距建筑最近的变压器外壁算起。
发电厂内的主变压器,其油量可按单台确定;6 耐火等级低于四级的原有厂房,其耐火等级应按四级确定。
甲类厂房与重要公共建筑之间的防火间距不应小于,与明火或散发火花地点之间的防火间距不应小于,与架空电力线的最小水平距离应符合本规范第条的规定,与甲、乙、丙类液体储罐,可燃、助燃气体储罐,液化石油气储罐,可燃材料堆场的防火间距,应符合本规范第4 章的有关规定。
散发可燃气体、可燃蒸气的甲类厂房与铁路、道路等的防火间距不应小于表的规定,但甲类厂房所属厂内铁路装卸线当有安全措施时,其间距可不受表规定的限制。
表甲类厂房与铁路、道路等的防火间距(m)注:厂房与道路路边的防火间距按建筑距道路最近一侧路边的最小距离计算。
高层厂房与甲、乙、丙类液体储罐,可燃、助燃气体储罐,液化石油气储罐,可燃材料堆场(煤和焦炭场除外)的防火间距,应符合本规范第4 章的有关规定,且不应小于。
消防工程师—仓库的防火间距参数记忆一、仓库的防火间距1.甲类仓库之间及与其他建筑、明火或散发火花地点、铁路、道路等的防火间距(m)【注】甲类仓库之间的防火间距,当第3、4项物品储量不大于2t,第1、2、5、6项物品储量不大于5t时,不应小于12m,甲类仓库与高层仓库的防火间距不应小于13m。
2.乙、丙、丁、戊类仓库之间及与民用建筑的防火间距(m):【注】(1)单层、多层戊类仓库之间的防火间距,可按本表减少2m。
(2)两座仓库的相邻外墙均为防火墙时,防火间距可以减小,但丙类,不应小于6m;丁、戊类,不应小于4m。
两座仓库相邻较高一面外墙为防火墙,或相邻两座高度相同的一、二级耐火等级建筑中相邻任一侧外墙为防火墙且屋顶的耐火极限不低于1.00h,且总占地面积不大于有关一座仓库的最大允许占地面积规定时,其防火间距不限。
(3)除乙类第6项物品外的乙类仓库,与民用建筑之间的防火间距不宜小于25m,与重要公共建筑的防火间距不应小于50m,与铁路、道路等的防火间距不宜小于表中甲类仓库与铁路、道路等的防火间距。
【巧思妙记】(1)民用建筑中的单多层、裙房与乙类仓库的防火间距为25m,高层民用建筑与乙类仓库防火间距为50m。
二、例题:1、两座耐火等级为二级的丙类仓库相邻外墙均为防火墙时,防火间距不应小于( )mA.4B.6C.12D.10解析:根据《建筑设计防火规范》GB 50016—2014(2018年版)3.5.2—2,两座仓库的相邻外墙均为防火墙时,防火间距可以减小,但丙类仓库,不应小于6m;丁、戊类仓库,不应小于4m。
本题答案为B。
2、某大型药厂在厂区内新建一座储存甲醇原料的仓库,在综合考虑总平面布局的情况下,与厂区内铁路中心线的防火间距不应小于( )mA.10B.20C.30D.40解析:根据《建筑设计防火规范》GB 50016—2014(2018年版)表3.5.1,甲类仓库之间及与其他建筑、明火或散发火花的地点、铁路、道路等的防火间距中,甲类第1项仓库与厂区内铁路中心线的防火间距不应小于30m。
乙、丙、丁、戊类仓库之间及其与民用建筑之间的防火间距乙、丙、丁、戊类仓库之间及其与民用建筑之间的防火间距,不应小于表2-4-3的规定。
表2-4-3 乙、丙、丁、戊类仓库之间及与民用建筑的防火间距(单位:m)
在执行表2-4-3时应注意以下几点:
(1)单层、多层戊类仓库之间的防火间距,可按表2-4-3减少2m。
(2)两座仓库的相邻外墙均为防火墙时,防火间距可以减小,但丙类仓库不应小于6m;丁、戊类不应小于4m。
两座仓库相邻较髙一面外墙为防火墙,或相邻两座高度相同的一、二级耐火等级建筑中相邻任一侧外墙为防火墙且屋顶的耐火极限不低于l.OOh,且总占地面积不大于《建筑设计防火规范》(GB 50016-2014,2018年版)(第3.3.2条)有关一座仓库的最大允许占地面积规定时,其防火间距不限。
(3)除乙类第6项物品外的乙类仓库,与民用建筑之间的防火间距不宜小于25m,与重要公共建筑的防火间距不应小于50m,与铁路、道路等的防火间距不宜小于表2-4-2中甲类仓库与铁路、道路等的防火间距。
厂房、仓库、储罐、加油站安全间距1.厂房、仓库等建筑物的防火间距(表1-1) (GB50016-2006)表1-1 厂房、仓库等建筑物的防火间距2.液体储罐的防火间距(表1-2)(GB50016-2006)表1-2 液体储罐的防火间距(m)3. 加油站内、外建筑(设施)之间的防火距离(表2-1、表2-2)(GB50156-2002(2006年版))表2-1 加油站内设施之间的防火距离表2-2 加油站与站外建筑物之间的防火距离等于50立方米。
二级加油站总容积大于60立方米,小于或等于120立方米,单罐容积小于或等于50立方米。
三级加油站总容积小于或等于60立方米,单罐容积小于或等于30立方米。
柴油罐容积可折半计入油罐总容积。
. 建规(GB50016-2006)中常涉及的部分安全规定1.厂房、仓库1. 建筑面积小于等于300m2的独立甲、乙类单层厂房,可采用三级耐火等级的建筑。
(3.3.5)2. 厂房内设置甲、乙类中间仓库时,其储量不宜超过一昼夜的需要量。
(3.3.9)3. 仓库内严禁设置员工宿舍。
(3.3.15)4. 甲、乙类仓库内严禁设置办公室、休息室等,并不应贴邻建造。
(3.3.15)5. 有爆炸危险的甲、乙类厂房宜独立设置,并宜采用敞开或半敞开式。
其承重结构宜采用钢筋混凝土或钢框架、排架结构。
(3.6.1)6. 有爆炸危险的甲、乙类厂房的总控制室应独立设置。
(3.6.8)7.甲、乙、丙类液体仓库应设置防止液体流散的设施。
遇湿会发生燃烧爆炸的物品仓库应设置防止水浸渍的措施。
(3.6.11)2.安全出口8. 厂房的安全出口应分散布置。
每个防火分区、一个防火分区的每个楼层,其相邻2个安全出口最近边缘之间的水平距离不应小于5.0m。
(3.7.1)9. 厂房的每个防火分区其安全出口的数量应经计算确定,且不应少于2个,当符合下列条件时,可设置1个安全出口:(3.7.2)1 甲类厂房,每层建筑面积小于等于100m2,且同一时间的生产人数不超过5人;2 乙类厂房,每层建筑面积小于等于150m2,且同一时间的生产人数不超过10 人;3 丙类厂房,每层建筑面积小于等于250m2,且同一时间的生产人数不超过20 人10. 每座仓库的安全出口不应少于2个,当一座仓库的占地面积小于等于300m2时,可设置1 个安全出口。
3。
4 厂房的防火间距3。
4.1 除本规范另有规定者外,厂房之间及其与乙、丙、丁、戊类仓库、民用建筑等之间的防火间距不应小于表3.4。
1 的规定。
表3.4.1 厂房之间及其与乙、丙、丁、戊类仓库、民用建筑等之间的防火间距(m)注:1 建筑之间的防火间距应按相邻建筑外墙的最近距离计算,如外墙有凸出的燃烧构件,应从其凸出部分外缘算起;2 乙类厂房与重要公共建筑之间的防火间距不宜小于50。
0m.单层、多层戊类厂房之间及其与戊类仓库之间的防火间距,可按本表的规定减少2。
0m。
为丙、丁、戊类厂房服务而单独设立的生活用房应按民用建筑确定,与所属厂房之间的防火间距不应小于6。
0m。
必须相邻建造时,应符合本表注3、4 的规定;3 两座厂房相邻较高一面的外墙为防火墙时,其防火间距不限,但甲类厂房之间不应小于4.0m.两座丙、丁、戊类厂房相邻两面的外墙均为不燃烧体,当无外露的燃烧体屋檐,每面外墙上的门窗洞口面积之和各小于等于该外墙面积的5%,且门窗洞口不正对开设时,其防火间距可按本表的规定减少25%;4 两座一、二级耐火等级的厂房,当相邻较低一面外墙为防火墙且较低一座厂房的屋顶耐火极限不低于1。
00h,或相邻较高一面外墙的门窗等开口部位设置甲级防火门窗或防火分隔水幕或按本规范第7。
5.3 条的规定设置防火卷帘时,甲、乙类厂房之间的防火间距不应小于6。
0m; 丙、丁、戊类厂房之间的防火间距不应小于4。
0m;5 变压器与建筑之间的防火间距应从距建筑最近的变压器外壁算起。
发电厂内的主变压器,其油量可按单台确定;6 耐火等级低于四级的原有厂房,其耐火等级应按四级确定。
3.4。
2 甲类厂房与重要公共建筑之间的防火间距不应小于50。
0m ,与明火或散发火花地点之间的防火间距不应小于30.0m,与架空电力线的最小水平距离应符合本规范第11.2。
1 条的规定,与甲、乙、丙类液体储罐,可燃、助燃气体储罐,液化石油气储罐,可燃材料堆场的防火间距,应符合本规范第4 章的有关规定.3.4.3 散发可燃气体、可燃蒸气的甲类厂房与铁路、道路等的防火间距不应小于表3.4.3 的规定,但甲类厂房所属厂内铁路装卸线当有安全措施时,其间距可不受表3。
3.5 仓库的防火间距
3.5.1 甲类仓库之间及其与其它建筑、明火或散发火花地点、铁路、道路等的防火间距不应小于表3.5.1的规定,与架空电力线的最小水平距离应符合本规范第11.2.1 条的规定。
厂内铁路装卸线与设置装卸站台的甲类仓库的防火间距,可不受表3.5.1 规定的限制。
表3.5.1 甲类仓库之间及其与其它建筑、明火
注:甲类仓库之间的防火间距,当第3、4项物品储量小于等于2t,第1、2、5、6项物品储量小于等于5t时,不应小于12m,甲类仓库与高层仓库之间的防火间距不应小于13m。
3.5.2 除本规范另有规定者外,乙、丙、丁、戊类仓库之间及其与民用建筑之间的防火间距,不应小于表3.5.2 的规定。
注:1 单层、多层戊类仓库之间的防火间距,可按本表减少2m;
2 两座仓库相邻较高一面外墙为防火墙,且总占地面积小于等于本规范第3.3.2条1
座仓库的最大允许占地面积规定时,其防火间距不限;
3 除乙类第6项物品外的乙类仓库,与民用建筑之间的防火间距不宜小于25m,与重要公共建筑之间的防火间距不宜小于30m,与铁路、道路等的防火间距不宜小于表3.5.1中甲类仓库与铁路、道路等的防火间距。
3.5.3 当丁、戊类仓库与公共建筑的耐火等级均为一、二级时,其防火间距可按下列规定执行:
1 当较高一面外墙为不开设门窗洞口的防火墙,或比相邻较低一座建筑屋面高15m及以下范围内的外墙为不开设门窗洞口的防火墙时,其防火间距可不限;
2 相邻较低一面外墙为防火墙,且屋顶不设天窗、屋顶耐火极限不低于1.00h,或相邻较高一面外墙为防火墙,且墙上开口部位采取了防火保护措施,其防火间距可适当减小,但不应小于4m。
3.5.4 粮食筒仓与其它建筑之间及粮食筒仓组与组之间的防火间距,不应小于表3.5.4 的规定。
注: 1 当粮食立筒仓、粮食浅园仓与工作塔、接收塔、发放站为一个完整工艺单元的组群时,组内各建筑之间的防火间距不受本表限制;
2 粮食浅圆仓组内每个独立仓的储量不应大于10000t。
3.5.5 库区围墙与库区内建筑之间的间距不宜小于5m ,且围墙两侧的建筑之间还应满足相应的防火间距要求。