电子产品装配与调试实训方案
- 格式:doc
- 大小:501.50 KB
- 文档页数:19
《电子产品装配与调试》实习教案课题二:晶体管收音机的组装与调试教学任务:1.介绍讲解晶体管收音机的组成及工作原理。
2.指导学生组装晶体管收音机。
3.讲解收音机的调试方法与步骤。
4.指导学生利用仪器调试晶体管收音机。
课时分配:1.晶体管收音机的组成及工作原理……………………2学时2.晶体管收音机的组装…………………………………4学时3.收音机的调试方法与步骤……………………………2学时4.晶体管收音机的调试…………………………………6学时实习目的与要求:1.理解晶体管收音机的工作原理。
2.提高焊接装配技能、训练识图能力,组装出正确的、符合工艺要求的收音机。
3.掌握晶体管收音机的调试方法与步骤。
4.学会故障分析方法,培养理论联系实际能力。
5.熟练掌握XB46型标准信号发生器和SR-071B型双踪示波器的使用方法。
6.培养学生正确的工作方法和严谨的态度。
重点与难点:重点:电路的调试难点:故障的分析与排除实验仪器与材料:数字万用表SR-071B型双踪示波器XB46型标准信号发生器DA-16型晶体管毫伏表六管晶体管收音机套件教学方法:画框图讲解晶体管收音机的组成及原理;对9018晶体管收音机电路进行原理分析(主要分析信号流程);在装配阶段,示范讲解特殊器件(如磁棒天线、双联电容、输入变压器、耳机插座等)的安装方法和技巧。
在调试过程中,示范讲解调试方法及步骤,启发学生结合理论分析和处理故障。
实习期间,教师应多巡视检查安全情况,多指导检测和调试方法。
三.收音机的调试方法与步骤在调试过程中,启发学生多结合模拟电子技术理论和收音机工作原理分析所遇到的问题或故障,同时,要求学生对调试中所遇故障及排除方法做好记录,培养他们的工作方法和态度。
(一)静态工作点调试1.认真阅读随机图纸和技术资料,弄请技术要求和参数。
(附:9018收音机图纸资料)2.断开电路板上天线线圈的a或b端(或将a、b端短接),使输入为零。
(针对印制电路板或印制电路图介绍)3.调试各级静态工作点(针对印制电路板或印制电路图讲解测试操作方法)这里要求同学们做好测试记录,以便对照分析各级工作点是否正常或不正常的原因。
电子产品装调实训小结报告一、实训内容本次实训是在电子产品装调课程中进行的,主要学习了电子产品的装配和调试技术。
实训内容包括电子产品的组装、焊接、电路调试,以及故障排除和维修等方面的知识和技能。
二、实训目标通过本次实训,我主要达到以下几个目标:1. 掌握电子产品的组装和焊接技术,能够熟练完成常见电子产品的组装工作;2. 掌握电路调试的基本方法和技巧,能够通过测量和分析找出电路故障;3. 学会使用常见的电子测试仪器,例如万用表、示波器等;4. 提高合作能力和团队意识,通过与同学合作完成实训项目。
三、实训过程在实训开始之前,我们首先学习了一些理论知识,包括电子产品的组装方法、焊接技术、电路调试和故障排除等内容。
之后,我们进行了一系列的实验和实操操作。
在实验过程中,我们按照教师的指导,逐步完成了以下任务:1. 组装了一个简单的电子产品,包括电路板、电子元件、电源和外壳等部分。
在组装过程中,我们需要仔细查看相关说明书,并按照要求安装电子元件,进行焊接和组装工作;2. 进行了电路调试和测试实验。
我们使用万用表和示波器等仪器来进行电路的测量和分析,找出电路中的故障,并通过调整电路参数解决问题;3. 学习了常见电子产品的故障排除和维修方法。
我们遇到了一些常见的故障,并通过逐步测试和排除,最终修复了这些故障;在整个实训过程中,我们还加强了团队协作和沟通能力。
我们互相帮助,共同解决遇到的问题,同时也和其他组进行交流和合作,取得了很好的效果。
四、实训感悟通过这次实训,我深刻认识到了电子产品装调的重要性和复杂性。
电子产品的组装和调试需要我们具备扎实的理论基础,熟练的操作技巧和耐心细致的态度。
同时,我们还需要具备良好的团队合作精神和沟通能力,因为在实际工作中,很少有一个人能够独立完成一个电子产品的装配和调试工作。
在以后的学习和工作中,我将更加注重实践能力的培养,提高自己的动手操作能力和故障排除能力。
同时,我也将更加重视团队协作和交流,通过和其他同学的交流学习,互相促进,共同提高。
电路板的焊接、组装与调试实习报告全文共5篇示例,供读者参考电路板的焊接、组装与调试实习报告篇1一、观看“电子产品制造技术”录像总结通过观看电子产品制造技术录像,我初步了解了pcb板的制作工艺以及表贴焊技术工艺流程:pcb版制作基本步骤:用软件化电路图,打印菲林纸,曝光电路板,显影,腐蚀,打孔,连接跳线。
制版布局要求整体美观均衡,疏密有序,走线合理,防止相互干扰,尽量减少过线孔,减少并行线条密度等。
表贴焊技术是目前最常用的焊接技术,其基本步骤:解冻、搅拌焊锡膏,焊膏印制,贴片,再流焊机焊接。
通过观看此次录像,我初步了解了pcb板的制作方法以及表贴焊技术工艺流程,为以后的实践操作打下了基础。
一、无线电四厂实习体会二、pcb制作工艺流程总结pcb制作工艺流程:1用软件画电路图2打印菲林纸3曝光电路板4显影5腐蚀6打孔7连接跳线在符合产品电气以及机械结构要求的基础上考虑整体美观,在一个pcb板上,元件的布局要求要均衡,疏密有序。
同时还要注意以下问题:1.走线要有合理的走向,不得相互交融,防止相互干扰。
最好的走向是按直线,避免环形走线。
2.线条要尽量宽,尽量减少过线孔,减少并行的线条密度。
三、手工焊接实习总结操作步骤:1、准备焊接:准备焊锡丝和烙铁。
2、加热焊件:烙铁接触焊接点,使焊件均匀受热。
3、熔化焊料:当焊件加热到能熔化焊料的温度后将焊丝至于焊点,焊料开始熔化并湿润焊点。
4、移开焊锡:当熔化一定量的焊锡后将焊锡丝移开。
5、移开烙铁:当焊锡完全湿润焊点后移开烙铁操作要点:1、焊件表面处理:手工烙铁焊接中遇到的焊件往往都需要进行表面清理工作,去除焊接面上的锈迹、油污、灰尘等影响焊接质量的杂质。
手工操作中常用机械刮磨和酒精、丙酮来擦洗等简单易行的方法。
2、预焊:将要锡焊的元件引线的焊接部位预先用焊锡湿润,是不可缺少的操作。
3、不要用过量的焊剂:合适的焊接剂应该是松香水仅能浸湿的将要形成的焊点,不要让松香水透过印刷版流到元件面或插孔里。
一、实训目的随着科技的飞速发展,电子产品在人们的生活中扮演着越来越重要的角色。
为了更好地掌握电子产品的装调技术,提高自己的实践操作能力,本次实训旨在通过学习电子产品的装调基本工艺和操作技能,熟悉电子元器件的识别与检测,掌握手工焊接技术,以及电子产品的装调方法,为今后的工作打下坚实的基础。
二、实训内容1. 电子元器件的识别与检测(1)电子元器件的分类:根据实训要求,我们学习了电阻、电容、电感、二极管、三极管、集成电路等电子元器件的分类。
(2)电子元器件的识别:通过观察元器件的外观、色环、标识等信息,识别不同类型的电子元器件。
(3)电子元器件的检测:使用万用表等工具,检测电子元器件的参数,如电阻、电容、电感、二极管的极性等。
2. 手工焊接技术(1)焊接工具:了解并熟悉电烙铁、焊锡、助焊剂、吸锡线等焊接工具的使用方法。
(2)焊接操作:掌握焊接的基本操作步骤,如预热、上锡、焊接、冷却等。
(3)焊接质量:注意焊接过程中焊点饱满、焊锡均匀、焊点无虚焊、无拉尖、无飞溅等要求。
3. 电子产品装调(1)装配工艺:学习电子产品的装配工艺,包括元件的布局、连接、固定等。
(2)调试方法:掌握电子产品的调试方法,如信号输入、输出、增益、频率等参数的调整。
(3)故障排除:了解电子产品常见故障的原因及解决方法。
三、实训过程1. 理论学习:通过查阅资料、听讲等方式,学习电子元器件的识别与检测、手工焊接技术、电子产品装调等方面的理论知识。
2. 实践操作:在老师的指导下,进行实际操作,如焊接电路板、组装电子产品等。
3. 总结经验:在实训过程中,不断总结经验,提高自己的操作技能。
四、实训成果1. 掌握了电子元器件的识别与检测方法,能够熟练地使用万用表等工具检测元器件的参数。
2. 熟练掌握了手工焊接技术,能够进行电路板的焊接操作,保证焊接质量。
3. 熟悉了电子产品的装调工艺,能够根据电路原理图进行电子产品的组装和调试。
4. 提高了动手能力、观察能力、分析问题和解决问题的能力。
电子产品装调实训室操作规程
1、操作前,必须认真学习实训指导书,明确实训目的,内容、方法,手段与操作程序。
并写好预习报告。
2、进入实训室后,要按指定桌位号就座,遵守学生实训守则,保持教室安静。
3、开始实训后,必须按规程进行操作。
严格遵守纪律,不得故意破坏实训设备及装配工具。
精心操作,注意安全。
4、操作中不准私自搬运仪器,不得随意下位。
发现装配工具及调试设备异常,及时报告实训指导老师,紧急情况下立即切断电源,严禁私自拆看和检查。
5、实训时要注意观察,认真分析,认真看装配图,准确无误地安装各种元器件,并与原理图进行比较,正确后方可焊接。
6、实训结束时,经指导教师同意,关闭实训仪器,并将仪器旋钮旋到应放位子处,将使用的工具放回原处。
对所用仪器设备进行整理,恢复到原始状态。
桌凳排放整齐,方可离开实训室。
7、任课教师做好清洁卫生和安全保卫工作,落实防火、防盗措施,离开时一定要关好门、窗、电。
8、本室仪器、物品、桌凳原则上均不能借出,特殊情况需借用的必须经分管校长同意,并履行借用手续,方可借出,使用完毕由当事人及时归还。
9、学生课后按要求撰写实训报告,及时交给任课老师批改。
电子信息工程系
20xx年3月15日。
电子产品装配与调试实训方案实训班级:一(8)班实训时间: 5.23 ~ 6.15指导老师:电子产品装配与调试实训方案一、实训目的1.学习并掌握超外差收音机的工作原理2.了解常用电子器件的类别、型号、规格、性能及其使用范围,能查阅有关的电子器件图书。
能够正确识别和选用常用的电子器件。
3.熟悉手工焊锡的常用工具的使用及其维护与修理,基本掌握手工电烙铁的焊接技术。
4.了解电子产品的焊接、调试与维修方法。
初步学习调试电子产品的方法,提高动手能力。
本方案旨在提高学生在专业知识应用中理论联系实际,观察问题,分析问题,以及解决问题的能力和方法,进一步提高其专业实践技能,为顺利完成专业学习打下良好的基础。
二、实验器材1.电烙铁、焊锡丝、支架2.螺丝刀、镊子、钳子等必备工具3.万用表4.中夏牌S66E型袖珍收音机实验套件、声控灯套件、贴片收音机套件、自动寻迹小车套件5.五号电池两节三、实训地点手机主板维修实训室四、实训方式本次实训采取老师示范,学生单独进行练习。
五、实训项目及时间安排考虑到专业课时比较多、全天制实训师生容易疲惫,本次实训时间全部为专业课时间,这样学生实训既不容易疲惫,又不影响素质课的整体进度!实训项目一:声控灯工作原理及装配工艺要求声光控延时开关原理与制作用声光控延时开关代替住宅小区的楼道上的开关,只有在天黑以后,当有人走过楼梯通道,发出脚步声或其它声音时,楼道灯会自动点亮,提供照明,当人们进入家门或走出公寓,楼道灯延时几分钟后会自动熄灭。
在白天,即使有声音,楼道灯也不会亮,可以达到节能的目的。
声光控延时开关不仅适用于住宅区的楼道,而且也适用于工厂、办公楼、教学楼等公共场所,它具有体积小、外形美观、制作容易、工作可靠等优点,适合广大电子爱好者自制。
一、电路的工作原理声光控延时开关的电路原理图见图1所示。
电路中的主要元器件是使用了数字集成电路CD4011,其内部含有4个独立的与非门D1~D4,使电路结构简单,工作可靠性高。
实训报告MF47型万用表的组装与调试班级:电气G111姓名:阚鼎鼎学号:111611121一、实训目的、任务、MF47型万用表技术指标1.实验目的a.熟悉手工焊锡的常用工具的使用及其维护与修理。
b.基本掌握手工电烙铁的焊接技术,能够独立的完成简单电子产品的安装与焊接。
熟悉电子产品的安装工艺的生产流程。
c.熟悉常用电子器件的类别、规格、性能及其使用范围,能查阅有关的电子器件。
d.能够正确识别和选用常用的电子器件,并且能够熟练使用普通万用表。
e.了解电子产品的焊接、调试与维修方法。
2. 实验任务零件焊接组装调试维修合格产品3.主要的技术性能a.仪表的测量范围即准确等级b.外型尺寸:165x112x49mm二、MF47型万用表的原理与设计1.直流电流档的原理图设计与计算注: 在测量电流时(50μA 除 外)开关闭合,在测量其它开 关时则打开。
Ω=⨯=600010A 500.3V 6-μ总RΩ=⨯=06.010500mA 0.3V 3-1RΩ=-=-⨯=54.006.06.010500mA 0.3V 13-2R RΩ=--=--⨯=4.554.006.061050mA 0.3V213-3R R R Ω=Ω---=---⨯=544.554.006.060105mA 0.3V 3213-4R R R RΩ=Ω----=----⨯=540544.554.006.0600100.5mA 0.3V43213-5R R R R RΩ=Ω--=--=31006002300600060023006总R R2.直流电压档的原理图设计与计算直流电源灵敏度:Ω=⨯-K A V 20105016μ0.25V ⨯20K Ω=5K Ω 1⨯20K Ω=20K Ω 2.5⨯20K Ω=50K Ω 10⨯20K Ω=200K Ω50⨯20K Ω=1000K Ω 250⨯20K Ω=5000K Ω 500⨯20K Ω=1000K Ω 1000⨯20K Ω=20000K Ω3 .交流电压档的原理图设计与计算直流电源灵敏度:Ω=K AV 25041μ250A μ⨯0.445=111.25mA 2.3K ∥1.88K+A D =12K 10⨯20K Ω=40K Ω 50⨯4K Ω=200K Ω 250⨯4K Ω=1000K Ω 500⨯4K Ω=2000K Ω 1000⨯4K Ω=4000K Ω4.欧姆档的原理图设计与计算x1、x10、x100、x1K 是由1.5V 电源供电, x10K 是由9V 电源 和1.5V 电源串联供电a. x1 表头1.5V+ 导电环2 20K 3.3K 12K 1.5V- 15Ωb. x10 表头1.5V+ 导电环2 20K 3.3K 12K 1.5V-165Ωc. x100 表头1.5V+ 导电环2 20K 3.3K 12K 1.5V-1.78KΩd.x10K 表头9V+ 3.3K 12K 1.5V- 1.5V+ 导电环1 160K 9V-三、MF47型万用表的组装与调试1 .万用表的组装a. 按照实验原理图将电阻器准确装人规定位置。
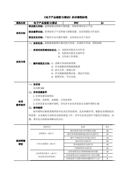
《电子产品装配与调试》实训课程标准附:《电子产品装配与调试》实训任务解析及具体操作流程任务一指针式万用表电路原理【任务目标】1.了解指针式万用表的结构。
2.掌握指针式万用表的电路原理。
1.1 指针式万用表的结构万用表是一种多功能、多量程的便携式电工仪表,一般的万用表可以测量直流电流、交直流电压和电阻,有些万用表还可测量电容、功率、晶体管共射极直流放大系数hFE等。
MF47型万用表是常用的指针式万用表,它具有26个基本量程,还有电平、电容、电感、晶体管直流参数等7个附加参考量程,是一种量限多、分档细、灵敏度高、体形轻巧、性能稳定、过载保护可靠、读数清晰、使用方便的新型万用表。
指针式万用表的型式很多,但基本结构是类似的。
万用表由机械部分、显示部分、与电器部分三大部分组成。
机械部分包括:外壳、档位开关旋钮及电刷等部分组成,显示部分是表头,电器部分由测量线路板、电位器、电阻、二极管、电容等部分组成。
表头是万用表的测量显示装置,一般将要安装的指针式万用表采用控制显示面板+表头一体化的结构;档位开关用来选择被测电量的种类和量程;测量线路板将不同性质和大小的被测电量转换为表头所能接受的直流电流。
万用表可以测量直流电流、直流电压、交流电压和电阻等多种电量。
当转换开关拨到直流电流档,可分别与5个接触点接通,用于测量500mA、50mA、5mA和500μA、50μA量程的直流电流。
同样,当转换开关拨到欧姆档,可分别测量×1Ω、×10Ω、×100Ω、×1kΩ、×10kΩ量程的电阻;当转换开关拨到直流电压档,可分别测量0.25V、1V、2.5V、10V、50V、250V、500V、1000V量程的直流电压;当转换开关拨到交流电压档,可分别测量10V、50V、250V、500V、1000V量程的交流电压。
1.2 指针式万用表的电路原理1.2.1 指针式万用表的基本工作原理指针式万用表最基本的工作原理如图1-44所示。
电子产品组装综合实训报告1. 引言电子产品的日益普及带动了电子产品组装行业的发展,对于电子产品组装工程技术人员的需求也越来越大。
为了提高学生的实践能力和满足市场对电子产品组装工程技术人员的需求,本次电子产品组装综合实训活动在学院的指导下顺利进行。
2. 实训目标本次实训的目标是培养学生的电子产品组装能力,包括硬件组装、连接器插拔、电路连接等方面的技能。
通过此次实训,学生将掌握电子产品组装的基本流程,并能根据实际需求调整和改进组装方案。
3. 实训内容3.1 硬件组装本次实训的主要任务是进行硬件组装,将已有的各种电子元件进行组合,形成一个完整的电子产品。
实训开始前,学生需要了解每个电子元件的功能和使用方法,熟悉组装过程中的注意事项。
在硬件组装过程中,学生需要按照实训指导书和老师的指导,有条不紊地进行组装。
首先,学生需要准备好所需的工具和材料,确保工作区域整洁和安全。
然后,学生按照指导书的要求,依次将电子元件组装在指定的位置。
在组装过程中,学生需要仔细观察每个电子元件的连接方式,并遵循正确的连接顺序和方法。
同时,学生还需要注意电子元件之间的接触情况,确保连接牢固。
3.2 连接器插拔连接器是电子产品组装中非常重要的一部分,连接器的插拔操作直接关系到电子产品的连接质量和稳定性。
在实训中,学生需要学习不同类型的连接器的插拔方法,并进行实际操作。
为了保证连接器的正常使用,学生需要学习正确的插拔姿势和角度,避免出现连接不紧或损坏的情况。
同时,学生还需要了解不同连接器的特点和应用场景,以便能够灵活运用不同类型的连接器。
3.3 电路连接电路连接是电子产品组装的关键环节之一,也是学生在实训中需要着重学习和掌握的内容。
学生需要了解电路连接的基本原理和方法,并在实际操作中进行实践。
在电路连接过程中,学生需要按照电路图和连接要求,正确地将各个电子元件进行连接。
学生需要注意电路连接的顺序和方式,确保电路连接的稳定性和可靠性。
同时,学生还需要学习如何进行电路的调试和排错,以及常见故障的解决方法。
《电子整机装配实训》课程标准课程代码: 0232002课程类别:专业综合技能课程属性:必修课学分/学时: 1学分/20学时制订人:审订人:适用专业:物联网应用技术电子工程系一、制订课程标准的依据本课程标准以《中华人民共和国高等教育法》和《中华人民共和国职业教育法》专科教育应当使学生掌握本专业必备的基础理论、专门知识,具有从事本专业实际工作的基本技能和初步能力、教高〔2000〕2号《关于加强高职高专教育人才培养工作的意见》精神为指导,依据物联网应用技术专业人才培养方案对课程的教学要求而制订。
二、课程的性质《电子产品装配实训》课程是物联网应用技术专业人才培养方案中技术平台课下的职业专业基础能力课程之一,是物联网应用技术专业的一门必修课。
三、本课程与其它课程的关系本课程与专业理论课、专业实践课等有着必然的联系,通过该课程的学习,有利于学生巩固所学专业知识以及为以后的相关的专业课程打下良好的基础。
四、课程的教育目标五、课程的教学内容与建议学时(20学时)六、课程教学设计指导框架七、教学基本条件1.对教师的基本要求团队规模:基于每届3个教学班的规模,专兼职教师3人左右,其中,专职教师2人,兼职教师1人,职称和年龄结构合理,互补性强。
教师专业背景与能力要求:主讲教师应为电子信息大类专业本科以上学历,熟悉电子产品整机装配\调试维修技能,具有较强的语言表达能力及职业教学方法的能力,掌握一定的教学方法与教学艺术。
课程负责人:熟悉应用技术专业相关技术和高职教育规律、实践经验丰富、教学效果好、在行业有一定影响、具有中级及以上职称的“双师”教师。
2.教学硬件环境基本要求3.教学资源基本要求MF47万用表电路图;万用表装配实训指导书;万用表装配实训报告册;多媒体课件;来自企业电子整机生产工艺流程等资源。
4.学生基础掌握前续课程所学基础知识和基本技能,具有较好的学习习惯和学习积极性。
已经实训过并掌握电子工艺专业基础技能,能够对电子元器件进行非在路和在路检测分析能力,具备焊接技能。
附录1电子产品装配与调试技能比赛规则一、比赛内容选手根据工作任务书、电子产品电路原理图、元器件清单、主要元器件及电路功能说明等文件,使用仪器、设备和工具,独立完成以下工作任务:1.选择单元电子电路模块及电子元器件。
根据工作任务书设定的电子产品和功能电路,从赛场提供的单元电子电路模块及电子元器件中识别、选择、检测电子元器件及功能部件。
2.搭建电子产品电路。
根据工作任务书要求,使用单元电子电路模块搭建电子产品,并画出该电子产品电路方框图。
从计算机提供的几种电子产品的程序中,选择适合该种电子产品的程序下载到指定的微处理器中。
3.电子产品装配及检测。
按照工作任务书中电子产品和功能电路原理图,在赛场提供的电路板(PCB板)上焊接及安装电子元器件及功能部件,完成电子产品装配(其中部分元器件的封装采用贴片焊接形式);使用设备完成电路检测、有关参数的调试、性能测试,编制装配工艺卡片。
4.测绘电子电路原理图。
采用中华人民共和国国家标准GB/74728-2005(2008)(IEC 60617data base)中规定的图形符号〔Protel DXP 2004提供的图形符号与GB/74728-2005(2008)(IEC 60617data base)不一致时,选手应自制符合国家标准的图形符号〕,根据电子电路的实物(提供一块已装配元器件并具有一定功能的单元电子电路模块外,还提供一块与单元电子电路模块相同的双面PCB裸板)绘制电子电路原理图及有关元件的PCB封装。
Protel DXP 2004软件环境采用中文版。
5.书面解答与上述实际操作相关的理论知识和工作过程知识。
二、比赛时间比赛时间为四个半小时。
三、赛场提供的设备和器材1.主要设备亚龙YL-135型电子工艺实训考核装置,主要配置有:(1)YL-238A函数信号发生器;(2)20MHz双踪示波器,型号:GOS-620;数字示波器,型号:YLDS1062D(选手可在上述两种示波器中选择一种使用,选择的型号请在报名表的备注栏中说明);(3)数字毫伏表,型号:DF1931;(4)数字频率计,型号:GFC-8010H;(5)计算机,安装Protel DXP 2004软件中文版;(6)YL-291单元电子电路模块(模块清单如下表)。
《电子产品装配与调试》实训指导书广西来宾职业教育中心学校电子电器应用与维修专业目录项目一电子产品装配实训总流程 (2)项目二电子产品装配插装元件工艺 (4)项目三电子产品焊接工艺 (9)项目四电子产品转配----插装工艺 (13)项目五电子产品工艺插装实例 (16)项目六电子产品调试与维修 (21)项目一电子产品装配实训总流程工艺流程图:项目二电子产品装配插装元件工艺一、元器件的安装:1.集成电路的安装集成电路在大多数应用场合都是直接焊接到PCB上的,但不少产品为了调整、升级、维护方便,常采用先焊接IC座再安装集成电路的安装方式。
对集成电路的安装还可以选择集成电路插座。
集成电路的安装要点如下:(1) 防静电(2)找方位(3)匀施力2.电位器的安装电位器的安装根据其使用的要求一般应注意两点:1)有锁紧装置时的安装这里指对电位器芯轴的锁紧。
芯轴位置是可变的,能影响电阻值。
在安装时由固定螺母将电位器固定在装置板上,用紧锁螺母将芯轴锁定。
图8-17为有锁紧装置的电位器的安装。
2) 有定位要求时的安装如图有定位要求的电位器安装中,应保证旋钮拧到左极端位置时标志点对准面板刻度的零位。
3. 散热器的安装功率半导体器件一般都安装在散热器上,图8-19所示为几种晶体管散热器安装结构,(a)为引线固定的中功率晶体管套管状散热器,它依靠弹性接触紧箍在管壳上。
(b)为用叉指型散热器组装集成电路稳压器,并安装在印制板上进行散热的结构。
(c)为大电流整流二极管用自身螺杆直接拧入散热器的螺纹孔里进行散热,这样接触面积大,散热效果更好些。
有锁紧装置的电位器安装转轴定位散热器安装二、元器件清单元器件清单序号器件类型器件参数数量备注1 NE555芯片 22 SN74LS04芯片 13 CD4511BE芯片 24 轻触开关6*6*4.3 55 IC座DIP14 16 电源座∮6 17 三端稳压器L7805CV 18 六角铜柱10mm+6mm 49 测试座40PIN 110 贴片电容0805 1511 贴片电阻0603 6012 散热片15*10*2013 2位共阴数码管 114 红色发光二极管915 绿色发光二极管816 拨动开关1317 电位器 118 安规电容 119 二极管4007 120 保险管 121 电解电容470uF/25V10uF/25V2三、仪器仪表明细表四、特殊元件--贴片介绍:项目三电子产品焊接工艺一、焊接知识:1、手工焊接技术:使用手工电烙铁进行焊接,掌握起来并不困难,但是要有一定的技术要领。
《电子产品装配与调试》课程标准一、课程定位(一)课程的性质电子信息类专业的教学与实训应该以产品为依托进行,用产品装配与调试作为项目任务进行竞赛也完全符合教学与实训的实际。
使用电子产品单元电路模块进行实训时,必须要注意解决以下的问题:如何使用单元电路模块搭建电子产品,在没有动手选择单元电路模块之前,必须要认真识读、分析电子产品电路,弄懂每部分单元电路的结构,信号输入、输出端口,工作过程和主要的功能作用等。
这些内容是选择单元电路模块的依据。
根据电子产品的功能,准确地输入对应程序并下载到微处理器里。
因为每一种电子产品的功能不尽相同,使用的微处理器也不相同,即使是相同的微处理器,但因不同的电子产品功能不同,程序也就不同了。
如果电子产品使用了微处理器,必须要编制正确的程序。
单元电路模块要根据实际电路的需要来选择,不要选择多余的模块。
选择了单元模块后,要按电路要求排列:一般来说模块的摆放顺序是以输入到输出的顺序放置,模块之间的距离不能太远,相互间尽量要靠近,以尽量减小外界的干扰;尽量把微处理器模块放在中央,显示模块放在右上角,操控的模块(如键盘电路模块)放在右下角,电源模块放在左上角,执行模块放在左下角。
这样便于用导线连接模块,便于对电路进行测量,出现故障时也便于查找维修。
对已完成的工作进行记录存档,自觉保持安全作业及5S的工作要求。
(二)课程的理念本课程的设计突破了传统的教学模式,打破了原来各学科体系的框架,将各学科的内容按“项目”进行整合。
本课程的“项目”以职业实践活动为主线,因而它是跨学科的,且理论与实践一体化。
强调学生个人适应劳动力市场变化的需要。
因而,本课程的设计兼顾了企业和个人两者的需求,着眼于人的全面发展,以培养全面素质为基础,以提高综合职业能力为核心。
《电子产品装配与调试》是电子技术应用专业的一门专业核心课程。
它的前修学习领域课程主要有《电子元器件识别与检测》、《电子技术基础与技能》等,后续的课程有《单片机产品的装配与调试》、《PLC应用》等,通过教学过程的组织实施,对学生职业素质养成起明显促进作用,它可将前修课程培养的能力进行运用和深化,为后续课程的综合能力培养奠定基础。
电子产品装配与调试实训方案实训班级:一(8)班实训时间: 5.23 ~ 6.15指导老师:电子产品装配与调试实训方案一、实训目的1.学习并掌握超外差收音机的工作原理2.了解常用电子器件的类别、型号、规格、性能及其使用范围,能查阅有关的电子器件图书。
能够正确识别和选用常用的电子器件。
3.熟悉手工焊锡的常用工具的使用及其维护与修理,基本掌握手工电烙铁的焊接技术。
4.了解电子产品的焊接、调试与维修方法。
初步学习调试电子产品的方法,提高动手能力。
本方案旨在提高学生在专业知识应用中理论联系实际,观察问题,分析问题,以及解决问题的能力和方法,进一步提高其专业实践技能,为顺利完成专业学习打下良好的基础。
二、实验器材1.电烙铁、焊锡丝、支架2.螺丝刀、镊子、钳子等必备工具3.万用表4.中夏牌S66E型袖珍收音机实验套件、声控灯套件、贴片收音机套件、自动寻迹小车套件5.五号电池两节三、实训地点手机主板维修实训室四、实训方式本次实训采取老师示范,学生单独进行练习。
五、实训项目及时间安排考虑到专业课时比较多、全天制实训师生容易疲惫,本次实训时间全部为专业课时间,这样学生实训既不容易疲惫,又不影响素质课的整体进度!实训项目一:声控灯工作原理及装配工艺要求声光控延时开关原理与制作用声光控延时开关代替住宅小区的楼道上的开关,只有在天黑以后,当有人走过楼梯通道,发出脚步声或其它声音时,楼道灯会自动点亮,提供照明,当人们进入家门或走出公寓,楼道灯延时几分钟后会自动熄灭。
在白天,即使有声音,楼道灯也不会亮,可以达到节能的目的。
声光控延时开关不仅适用于住宅区的楼道,而且也适用于工厂、办公楼、教学楼等公共场所,它具有体积小、外形美观、制作容易、工作可靠等优点,适合广大电子爱好者自制。
一、电路的工作原理声光控延时开关的电路原理图见图1所示。
电路中的主要元器件是使用了数字集成电路CD4011,其内部含有4个独立的与非门D1~D4,使电路结构简单,工作可靠性高。
顾名思义,声光控延时开关就是用声音来控制开关的“开启",若干分钟后延时开关“自动关闭"。
因此,整个电路的功能就是将声音信号处理后,变为电子开关的开动作。
明确了电路的信号流程方向后,即可依据主要元器件将电路划分为若干个单元,由此可画出图2所示的方框图。
结合图2来分析图1。
声音信号(脚步声、掌声等)由驻极体话筒BM接收并转换成电信号,经C1耦合到VT的基极进行电压放大,放大的信号送到与非门(D1)的2脚,R4、R7是VT偏置电阻,C2是电源滤波电容。
为了使声光控开关在白天开关断开,即灯不亮,由光敏电阻RG等元件组成光控电路,R5和RG组成串联分压电路,夜晚环境无光时,光敏电阻的阻值很大,RG两端的电压高,即为高电平间T=2πR8C3,改变R8或C3的值,可改变延时时间,满足不同目的。
D3和D4构成两级整形电路,将方波信号进行整形。
当C3充电到一定电平时,信号经与非门D3、D4后输出为高电平,使单向可控硅导通,电子开关闭合;C3充满电后只向R8放电,当放电到一定电平时,经与非门D3、D4输出为低电平,使单向可控硅截止,电子开关断开,完成一次完整的电子开关由开到关的过程。
二极管VD1~VD4将交流220V进行桥式整流,变成脉动直流电,又经R1降压,C2滤波后即为电路的直流电源,为BM、VT、IC等供电。
二、元器件的选择IC选用CMOS数字集成电路CD4011,其里面含有四个独立的与非门电路。
内部结构见图3,VSS是电源的负极,VDD是电源的正极。
可控硅T选用1A/400V的进口单向可控硅MCR100-6型,如负载电流大可选用3A、6A、10A等规格的单向可控硅,单向可控硅的外形如图4所示,它的测量方法是:用R×1档,将红表笔接可控硅的负极,黑表笔接正极(如印制板图所示),这时表针无读数,然后用黑表笔触一下控制极k,这时表针有读数,黑表笔马上离开控制极K这时表针仍有读数(注意触控制极时正负表笔是始终连接说明该可控硅是完好的。
驻极体选用的是一般收录机用的小话筒,它的测量方法是:用R×100档将红表笔接外壳的S、黑表笔接D,这时用口对着驻极体吹气,若表针有摆动说明该驻极体完好,摆动越大灵敏度越高;光敏电阻选用的是625A型,有光照射时电阻为20k以下,无光时电阻值大于100MA,说明该元件是完好的。
二极管采用普通的整流二极管1N4001~1N4007。
总之,元件的选择可灵活掌握,参数可在一定范围内选用。
其它元件按图1所示的标注即可。
三、安装制作准备好全套元件后,用万用表粗略地(因出厂前已测量过)测量一下各元件的质量,做到心中有数。
焊接时注意先焊接无极性的阻容元件,电阻采用卧装,电容采用直立装,紧贴电路板,焊接有极性的元件如电解电容、话筒、整流二极管、三极管、单向可控硅等元件时千万不要装反,注意极性的正确,否则电路不能正常工作甚至烧毁元器件。
印刷电路图如图5所示。
四、调试调试前,先将焊好的电路板对照印刷电路图认真核对一遍,不要有错焊、漏焊、短路、元件相碰等现象发生。
通电后,人体不允许接触电路板的任一部分,防止触电,注意安全。
如用万用表检测时,只用将万用表两表笔接触电路板相应处即可。
本电路调试时请先将光敏电阻的光挡住,将ab分别接在电灯的开关位上,用手轻拍驻极体,这时灯应亮,若用光照射光敏电阻,再用手重拍驻极体,这时灯不亮,说明光敏电阻完好,这时即告本套件制作成功。
若不成功请仔细检查有无虚假错焊和拖锡短路现象。
实训项目二:收音机工作原理及装配工艺要求一、实验原理1.收音机工作原理超外差收音机的工作原理过程将所要收听的电台在调谐电路里调好以后,经过电路本身的作用,就变成另外一个预先确定好的频率(在我国为465KHz),然后再进行放大和检波。
这个固定的频率,是由差频作用产生的。
如果我们在收音机内制造—个振荡电波(通常称为本机振荡),使它和外来高频调幅信号同时送到一个晶体管内混合,这种工作叫混频。
由于晶体管的非线性作用导致混频的结果就会产生一个新的频率,这就是外差作用。
采用了这种电路的收音机叫外差式收音机,混频和振荡的工作,合称变频。
外差作用产生出来的差频,习惯上我们采用易于控制的一种频率,它比高频较低,但比音频高,这就是常说的中间频率,简称中频。
任何电台的频率,由于都变成了中频,放大起来就能得到相同的放大量。
调谐回路的输出,进入混频级的是高频调制信号,即载波与其携带的音频信号。
经过混频,输出载波的波形变得很稀疏其频率降低了,但音频信号的形状没有变。
通常将这个过程(混频和本振的作用)叫做变频。
变频仅仅是载波频率变低了,并且无论输入信号频率如何变化最终都变为465KHz,而音频信号(包络线的形状)没变。
混频器输出的携音频包络的中频信号由中频放大电路进行一级、两级甚至三级中频放大,从而使得到达二极管检波器的中频信号振幅足够大。
二极管将中频信号振幅的包络检波出来,这个包络就是我们需要的音频信号。
音频信号最后交给低放级放大到我们需要的电平强度,然后推动扬声器发出足够的音量。
若要求超外差式收音机得到更高的灵敏度,在调谐回路与混频之间还可以加入高频放大级然后再去混频。
根据超外差收音机的原理,我们可以将附录所示的电路分成以下几个模块:调谐回路、变频回路(包括本振电路、混频电路和选频电路)、中频放大(中放)回路、检波及AGC回路、低放级回路、功放级回路。
其大致过程见下图:图1.调幅收音机原理框图2.元件说明及清单图2.元器件外形电阻本次课程设计中可以根据色差法对11个电阻进行分类。
棕红橙黄绿兰紫灰白黑金银分别对应12345678905%10%电解电容和瓷片电容在安装电解电容时要求电容的管脚长度要适中,要正确判断管脚的正,负极,否则不能完成实现收音功能。
并且电解电容要紧贴电路板立式安装焊接,太高就会影响后盖的安装。
瓷片电容和电解电容一样,要求其管脚的长度要合适。
在实物图所标的数字中,第一二位数字代表电容值,第三位数字代表“0”的个数。
在焊接瓷片电容时不必考虑它的正负极性。
三极管在这次课程设计所组装的S66E收音机有两种三极管。
VT5,VT6为9013属于中功率三极管,VT1-VT4为3DG201或9014属于高频小功率三极管,在安装时,VT1选用低值(绿点或黄点)的三极管,VT2和VT3选用中值(兰点或紫点)的三极管,VT4选用高值(紫点或灰点)的三极管,否则装出来的效果不好。
同时,要求电容和三极管管脚的长度要适中,不要剪的太短,也不要留的太长,使它们不要超过中周的高度。
三极管管脚排列图见图2所示。
中周及磁棒线圈中频变压器(简称中周)三只为一套。
T2为振荡线圈的中周型号为LF10-1(红色),T3为第一级中放用的中周型号为TF10-1(白色),T4为第二级中放的中周型号为TF10-1(黑色)。
这三只中周在出厂前均已调在规定的频率上,装好后只需微调甚至不调,不要乱调。
中周外壳除了起屏蔽作用外,还起导线的作用,所以中周外壳必须接地。
磁棒线圈的四根引线头可以直接用电烙铁配合松香焊锡丝来回摩擦几次即可自动镀上锡,四个线头的接在对应的印制板的焊盘上,即a、b、c、d点,线头的判断由附录可知。
焊接前要仔细辨别b、c引脚,切不可弄反。
双连拨盘由于调谐用的双连拨盘安装时离电路板很近,所以在它的圆周内的高出部分的元件引脚在焊接前先用剪刀剪去,以免安装或调谐时有障碍,影响拨盘调谐的元件有T2和T4的引脚以及接地焊片,双连的三个引出脚,电位器的开关脚和一个引脚。
耳机插座先将插座的靠尾部下面的一个焊片往下从根部弯曲90度插在电路板上,然后再用剪下来的一个引脚的一端插在靠尾部上端的孔内,另一端插在电路板对应的J孔内,焊接时的速度一定要快以免烫坏插座的塑料部分,影响电路的导通。
变压器T5为输入变压器,线圈骨架上有突点标记的为初级,印制版上也有圆点作为标记。
安装时不要装反(还可以配合万用表测量进行分辨)。
发光二极管和喇叭发光二极管主要用来进行收音机开关的指示,当开关打开时发光二极管亮,反之则不亮。
它的接法弯曲成型,然后直接插到电路板上焊接即可,安装时要注意二极管的正负极。
把喇叭放好后,如果挪动,可用电烙铁将其周围的三个塑料桩靠近喇叭的边缘烫下去,把喇叭压紧,以免其松动不稳。
电位器调节电压(含直流电压与信号电压)和电流的大小,电位器的电阻体有两个固定端,通过手动调节转轴或滑柄,改变动触点在电阻体上的位置,则改变了动触点与任一个固定端之间的电阻值,从而改变了电压与电流的大小。
元件清单:二、收音机的焊接组装焊接在装配工作中,焊接技术很重要,收音机元件的安装,主要利用锡焊,它不但能固定零件,而且能保证可靠的电流通路,焊接质量的好坏,将直接影响收音机质量。
1.烙铁的使用烙铁是焊接的主要工具之一,焊接收音机应选用30W-35W电烙铁。