《电子产品装配与调试》技能大赛试题DOC
- 格式:doc
- 大小:925.50 KB
- 文档页数:20
工位号:
电工电子技术项目电子产品装配与调试技能竞赛A组试题
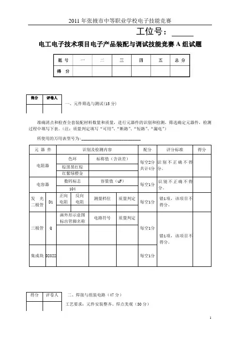
一、元件筛选与测试(15分)
准确清点和检查全套装配材料数量和质量,进行元器件的识别和检测,筛选确定元器件,检测过程中填写下表。
(注:质量判定填写“可用”、“断路”、“短路”、“漏电”)
所使用的万用表型号为:____________________________
二、焊接与组装电路(47分)
工艺要求:元件安装整齐、焊点美观(30分)
2.完成检测报告(9分)
(1)电路正常工作时,测量集成块各脚的电压1脚U1是__________,2脚U2是__________,3脚U3是__________,4脚U4是__________,8脚U8是__________(5分)
(2)电路中输入信号时整机电流的变化范围是________________,电路中流过二极管的电流是________________。
(4分)
3.电路原理和故障分析(9分)
(1)C8若是被击穿,会发生______ ______________故障。
(3分)(2)电路中若C1断开会发生_______ _______________故障。
(3分)(3)电路中若是R7断开会发生______ ________________故障。
(3分)。
考题名称:多用途密码锁系统完成时间:4小时一、功能简介电路说明部分二、电路所需器件介绍三、装配及调试说明一、元件筛选与测试(10分)考题目录考题答卷部分二、电路焊接与组装(35分)三、电路调试(40分)电路设计软件PROTEL应用部分(15分)学校:姓名:考号:工位号:电路相关说明部分一、功能简介多功能密码系统只有输入正确的密码后(即按要求按下按键),NE555电路才能正常工作,继电器吸合,发光二极管发光。
它的组成原理图如图1所示。
通过对电路的理解,同学们需要完成以下任务:1.完成电路板的装配和调试工作2.分析电路原理,找到正确密码,并完成试题部分3.完成绘制电路图和设计PCB板二、电路所需器件介绍1、十进制计数器/脉冲分配器CD4017CD4017 是5 位Johnson 计数器,具有10 个译码输出端,CP、CR、INH 输入端。
时钟输入端的斯密特触发器具有脉冲整形功能,对输入时钟脉冲上升和下降时间无限制。
INH 为低电平时,计数器在时钟上升沿计数;反之,计数功能无效。
CR 为高电平时,计数器清零。
Johnson 计数器,提供了快速操作、2 输入译码选通和无毛刺译码输出。
防锁选通,保证了正确的计数顺序。
译码输出一般为低电平,只有在对应时钟周期内保持高电平。
在每10 个时钟输入周期CO 信号完成一次进位,并用作多级计数链的下级脉动时钟。
CD4017提供了16引线多层陶瓷双列直插(D)、熔封陶瓷双列直插(J)、塑料双列直插(P)和陶瓷片状载体(C)4种封装形式。
其内部框图和引脚图如下。
图2 CD4017内部结构图CD4017各脚功能和真值表如下:12脚:CO进位脉冲输出14脚:CP时钟输入端15脚:CR清除端13脚:INH禁止端1~7、10脚、11脚:Q0-~Q9计数脉冲输出端16脚:VDD正电源8脚:VSS地2. 集成电路LM567LM567是一块锁相环音频译码器,工作频率<500KHZ。
其内部框图和引脚图如图3所示。
XX市第X届技能大赛<<电子产品安装与调试>>试题XX中职比赛题目:迎宾记录器装配与调试比赛时间:3个小时评分标准:一、电路板焊接(25分)1、直插元件焊点要求:在印制电路板上所焊接的元器件的焊点大小适中、光滑、圆润、干净,无毛刺;无漏、假、虚、连焊,引脚加工尺寸及成形符合工艺要求;(10分)焊点不符合工艺要求:少于5处扣1分;5-10处扣3分;10-20处扣5分;20处以上扣10分。
2、贴片元件焊接要求:片状元件焊接带呈现凹形或斜坡形,终端高度和宽度充分润滑。
贴片元件两端焊接光滑、明亮有光泽并呈现出良好的连续性,没有明显的针孔、气泡、堆砌或空隙。
(15 分)贴片焊点质量不符合工艺要求:少于5处扣1分;5-10处扣3分;10-20处扣5分;20处以上扣10分。
二、产品装配(10分)要求印制板插件位置正确,元器件极性正确,贴片元件端正无歪斜,接插件、紧固件安装可靠牢固。
印制板元件安装对位:无烫伤和划伤处,整机清洁无污物。
装配不符合工艺要求:少于5处扣1分;5-10处扣3分;10-20处扣5分;20处以上扣10分。
三、电路调试(50分)电路通电前应仔细检查所有元件焊接是否正确,若是一切正常方可根据下面的程序进行调试。
“电路板P1端接直流稳压电源输出为9伏电压”。
电路上电后:调节U1(LM358)的第5脚,使其电压为V;每空1 分调节U3(LM358)的第5脚,使其电压为V;每空1 分调节U2(LM358)的第6脚,使其电压为V;每空1 分调节U4(LM358)的第6脚,使其电压为V。
每空1 分功能调试任务:1、K10、K11“进出”模拟检测键,工作是否正常;(10分)2、K12、K13“显示切换键,工作是否正常;(10分)3、LS1无源蜂鸣器是否工作正常;(5分)4、LS2无源蜂鸣器是否工作正常;(5分)5、S1热释电红外传感器,当手指从S1前经过时,LED1是否闪烁一次为正常;(7 分)6、S2热释电红外传感器,当手指从S1前经过时,LED2是否闪烁一次为正常;(7分)7、LED4电源发光二极管是否正常发光;(2 分)四、职业与安全意识(考生的工作环境)( 5 分)1、每位选手必须尊重赛场工作人员,保持工位的环境卫生,在工作任务过程中,违反操作规程影响他人比赛的,由裁判员视情节扣分。
XXXXXXX职业中等技术学校首届电子技能竞赛题赛题名称:遥控赛车完成时间:4小时一.产品介绍产品说明二.装配说明三.所需器件介绍一.器件筛选与测试(15分)赛题目录二.焊接与组装(30分)赛题答卷三.电路调试与测试(40分)四.理论知识必答题(15分)参赛小组:小组成员:一.产品介绍主要参数:1. 本产生品由发射部分接收部分组成。
接收部分使用5号电池4节。
发射部分为成品,使用2节5号电池。
2. 赛车的发射部分工作电压为3V,工作电流为13mA。
赛车的接收部分工作电压为6V,应使用高能量的碱性电池比较好。
二、装配说明1. 焊接与安装(1)电路板的安装:本机应先将电路板焊起来,再将电路板安装在车架上,最后再试机。
具体安装步骤如下:(1)先检查、清点元器件,并认识机械部分的零部件,测量各元件质量,由于线路板元件都很紧凑,如果装起来有故障,则各元器件的装拆都比较麻烦,所以一定要一次装成功;(2)然后对一下印制板实物,将印制板图和印制板实物作比较,并确定各元件的安装位置。
本电路各元件布置得较紧凑,容易装错,必须细心;(3)各元件引脚成形处理,并上锡。
先将电阻的第一层色环端引脚弯曲,但不能从根部弯曲,应在距离部1mm左右弯曲。
主要是防止从根部弯曲时将引脚折断。
然后再半要焊接外用刀子刮削,刮除引脚上的氧化层,再将引脚上锡。
电容和三极管也采用直插的方式;(4)插装。
根据各元件的型号,仔细对照印制板图和印制板,不可插错。
另外本电路中元件插装时尽量插矮,防止插得过高而影响车身盖的安装;(5)焊接。
焊接时可采用焊几个元件就停下来检查一遍的方法。
各焊点加热时间应适当,用锡量要适当,对耐热性差的元件,应焊接时尽量快。
只要元器件在插装前都上过锡,一般不会出现虚焊的现象,应该先焊接电阻,再来焊接电解电容、三极管等;集成电路应配杆座安装不能直接将集成电路焊在电路板上;(6)焊后处理。
剪去多余的长脚,检查有无短路等缺陷。
2. 电路原理图见附图一3. PCB板装配图见附图二4. 电路的调试电路的调试较简单,即两节5号电池放入赛车的发射部分中,四节5号电池放入赛车的接收部分中。
选手证号码:单位:考生姓名:
2008年南京市职业技术学校电子电工技能竞赛
“电子产品装配与调试”项目技能竞赛试题(学生组)
一、说明
1、本竞赛试卷由南京市职业教育教学研究室竞赛办组织编写与实施。
2、本试卷主要适用于2008年南京市职业技术学校“电子产品装配与调试”项目学生组技能竞赛。
3、“电子产品装配与调试”项目技能竞赛试卷满分为100分,折算至总分中占80%。
4、全程竞赛时间为150分钟,在竞赛规定时间结束时应立即停止操作,不得以任何理由拖延竞赛时间。
二、竞赛项目
题目:阻断型声光报警器
(一)工作过程简述:
本报警器通电后,D2(红发光管)亮表示本机处于待机状态,当有物体插入槽型光耦的槽中时D2熄灭,D1(绿发光管)亮,同时YD(蜂鸣器)发声报警,拆除物体后,本机重新回到待机状态。
(二)装配技术要求:
1、所有零件在万能板上分布均匀。
2、CZ电源插座要求安装在万能板长度方向的边上。
3、所有零件脚不得当作连接线使用。
4、连接线必须横平竖直,且只允许与零件连接处有焊点,连接线需紧贴底板,不允许架空及中途加接线。
5、非焊接点的焊盘不允许沾锡。
6、不允许焊盘脱落。
7、零件面不允许跳线。
8、所有零件安装必须符合装接规范要求。
三、电路原理图
四、元器件清单
注:本电路供电电压为DC6V。
五、绘制电路装配图
六、评分标准
注:本次制作在工艺方面的特殊要求按照试卷规定执行;其它工艺质量要求按常规。
中职技能大赛《电子产品装配与调试》试题2013《电子产品装配与调试》比赛任务书(学生)评分参考考证号码:座号:说明:本技能竞赛项目书共有3大项,共100分;由选手在规定的时间内独立完成,完成的时间为240分钟。
安全文明生产要求;仪器、工具正确放置,按正确的操作规程进行操作,操作过程中爱护仪器、工具、工作台,防止出现触电事故。
一、电路板焊接(本大项共2小项,共10分)根据给出的附2-1图,并在给出的元器件中,正确选择所需的元器件,并把它们准确地焊接在所发的线路板上。
要求:在线路板上所焊接的元器件的焊点大小适中,无漏、假、虚、连焊,焊点光滑、圆润、干净,无毛刺;引脚加工尺寸及成形符合工艺要求;导线长度、剥头长度符合工艺要求,芯线完好,捻头镀锡。
1.SMT(贴片)焊接(4分)评分参考:SMT(贴片)焊接工艺按下面标准分级评分。
(1)A级:所焊接的元器件的焊点适中,无漏、假、虚、连焊,焊点光滑、圆润、干净,无毛刺,焊点基本一致,没有歪焊。
给4分。
(2)B级:所焊接的元器件的焊点适中,无漏、假、虚、连焊,但个别(1~2个)元器件下面现象:有毛刺,不光亮,或出现歪焊。
给3分。
(3)C级:3~5个元器件有漏、假、虚、连焊,或有毛刺,不光亮,歪焊。
给2分。
(4)不入级:有严重(超过6个元器件以上)漏、假、虚、连焊,或有毛刺,不光亮,歪焊。
给1分。
2.非SMT(贴片)焊接(6分)评分参考:非SMT(贴片)焊接工艺按下面标准分级评分。
(1)A级:所焊接的元器件的焊点适中,无漏、假、虚、连焊,焊点光滑、圆润、干净,无毛刺,焊点基本一致,引脚加工尺寸及成形符合工艺要求;导线长度、剥头长度符合工艺要求,芯线完好,捻头镀锡。
给6分。
(2)B级:所焊接的元器件的焊点适中,无漏、假、虚、连焊,但个别(1~2个)元器件下面现象:有毛刺,不光亮,或导线长度、剥头长度不符合工艺要求,捻头无镀锡。
给5 1分。
(3)C级:3~5个元器件有漏、假、虚、连焊,或有毛刺,不光亮,或导线长度、剥头长度不符合工艺要求,捻头无镀锡。
景泰职专第五届技能大赛电子产品装配与调试任务书2012年12月一、竞赛时间、地点:时间:2012年12月日地点:电工实训室、电子实训室二、参赛班级及参赛学生名单:参赛班级: 11单招班、11工业(2)班参赛学生名单:(见附表)三、竞赛规则:(一)、选手应完成的工作任务参赛选手在规定时间内,根据电路图以现场操作的方式焊接电路并测试通过,通电调试过程须由监考老师全程监控。
(二)、选手完成工作任务的时间完成试题规定的全部工作任务的时间为240min。
(三)、赛场提供的设备和器材电子电工实训台(工具包自带)、焊锡、硬导线,音乐门铃电路散件。
(四)、知识准备与技术要求电子技能操作竞赛范围以相关专业职业技能鉴定标准的中级工要求为准。
(五)、评分1、根据在规定的时间内,选手完成电路与调试的情况,按照相关专业职业技能鉴定标准并结合实际进行评分,总分100分(具体评分标准见附表)。
2.违规扣分选手有下列情形,需从总成绩中扣分:(1)违反安全文明生产及设备、工具量具的正确使用由裁判员按规定评定扣除0~10分,若出现变压器接反现象,直接取消比赛资格。
(2)不听从裁判指挥、安排、态度恶劣,发生重大事故者取消比赛资格。
(六)、比赛注意事项1、参赛选手提前20 分钟到达比赛现场检录,迟到超过15分钟的选手,不得入场进行比赛。
2、选手实际操作的出场顺序、比赛所用仪器设备、工位由抽签确定,不得擅自变更、调整。
3、所有完成的电路板由选手贴上自己的名字和工位号。
选手在制作电路时不得有任何暗示选手身份的记号或符号,否则取消成绩。
4、在比赛过程中,如遇设备故障、电路元器件缺件或非人为损坏等可向监考人员提出,经确认后由监考决定是否更换或加时。
5、参赛选手在制作电路过程中,只能使用大赛组委会规定的电路板,其他电路板或导线等不得使用,否则,按零分计算。
6、竞赛过程中,参赛选手不能更换电路板,相互借用工具量具。
各参赛选手间不可走动、交谈。
7、竞赛过程中,选手若需休息、饮水或去洗手间,一律计算在操作时间内。
平凉市中等职业学校第二届学生技能大赛电工电子技术项目电子产品装配与调试技能竞赛任务书二○一二年三月工位号: 交卷时间:安全文明生产要求:仪器、工具正确放置,按正确的操作规程进行操作,操作过程中爱护仪器、工具、工作台,防止出现触电事故。
任务一 数字温度仪电路安装调试此任务安装调试一数字温度仪,电路主要部件包括温度传感器(LM35)、A/D 转换器(TCL7135)和外围元件、译码、驱动、电源等电路。
仔细阅读安装说明和系统调试,即而完成电路的制作和数据测试。
一、元器件选择(10分)请参照数字温度仪元件清单表,在安装之前准确清点和检查全套装配材料数量和质量,进行元器件的识别与检测,筛选、确定元器件,此时补、换元件不扣分。
若在安装过程中出现补、换元件等现象,将扣分,由裁判现场记录,扣分记入总分,扣分总分最高不超过10分。
二、电路安装(20分)安装要求:要求电子产品的焊点大小适中,无漏、假、虚、连焊,焊点光滑、圆润、干净,无毛刺;引脚加工尺寸及成形符合工艺要求;导线长度、剥头长度、绝缘处理符合工艺要求,芯线完好,捻头镀锡。
疵点: 少于5处扣5分;5~10处扣10分;10~20处扣15分;20处以上扣20分。
安装说明:1、元件安装参照数字温度仪元件清单表。
2、所有的元件均安装在顶层,贴片类元件焊接在顶层,插件类元件焊接在底层。
3、所有插件类元件均采用卧式安装方式,须紧贴PCB 板。
4、双列直插式集成块,先焊接底座。
5、IC8温度传感器采用外接方法,在印制板上安装底座插件,注意方向及引脚绝缘。
6、PCB 板上Test1、Test2、Test3为测试点,方便测试信号用。
穿线孔现印制板上________________至________________存在开路故障,用导线将其连接后故障排除,进一步调节精密电位器Rp2,使其由555组成的振荡电路产生200kHz 频率的方波信号,调试正确后,数码管显示趋于稳定。
2、调节精密电位器Rp1,使用万用表测量Test2点电位,使其为1V ,此时数码管应该能准确地显示环境温度,然而实际数码管显示的温度数值并不和环境温度一致,而是环境温度的___倍,该处显示的故障原因是___________________,检查电路发现印制板上__________至__________存在开路故障,用导线将其连接后故障排除。
《电子产品装配与调试》试题题目:智能楼宇呼叫系统完成时间:4小时工位号:日期:______________________________智能楼宇呼叫系统第一部分电路说明部分一、电路功能概述为适应现代智能化社会,本系统详细的模拟了现代小区楼宇对讲智能化控制系统工作形式,让学生能更直观地了解到楼宇智能化工作流程及原理。
学习自动化控制技术功能。
本系统包含:驻极体拾音电路、LM386音频功放电路、电机正反转控制电路、音乐发生电路、红外对管电路、555振荡电路、LM358比较器电路、键盘控制电路、Nokia5110屏显示电路等,构建一个比较完整的系统。
模块功能介绍:嵌入式程序控制:系统选用STC公司的10系列单片机为主控芯片,用它强大的处理功能操控整个系统的运作流程。
驻极体拾音电路:系统选用驻极体话筒搭建经典拾音电路,将音频信号转为电信号。
LM386音频功放电路:本系统介绍LM386典型功放电路,在用户接通过程中音频放大实现对讲。
电机驱动电路:本系统选用分立元件搭建经典H桥电路,驱动门控电机的正(开门)、反转(开门)动作。
音乐发生电路:系统选用px088a音乐芯片发出24和弦音作为门铃,提示户主客人来访。
红外检测模块:门控电机在开门状态下,利用红外对管检测人已通过后,安全关门动作。
555振荡电路:系统选用NE555方波发生电路驱动发光二极管发光闪烁,提示当前系统工作模式。
LM358模拟硬件开锁电路:系统利用LM358集成运放芯片搭建比较器功能,调试系统工作于不同的模式。
让学生学会比较器的工作原理及其应用。
键盘控制电路:系统选用数字矩阵键盘为输入设备,输入密码或访问房号。
显示模块:系统选用Nokia5110显示屏实现人机通讯,显示当前工作状态。
二、电路原理图及PCB图(见附录)三、元件清单(见附录)四、主要元件功能介绍1.LM386功放:LM386是一种音频集成功放,具有自身功耗低、更新内链增益可调整、电源电压范围大、外接元件少和总谐波失真小等优点的功率放大器,广泛应用于录音机和收音机之中。
电子产品装配与调试答题卷题号 一 二 三 四 五 总分 满分 20 20 10 10 40 100 得分 阅卷人一、填空题(本大题共7 小题,每空格1分,共20分)1. 、2. 、 、 、 、 、3. 、 、 、4. 、5. 、6. 、7. 、 、二、单项选择题(本大题共10小题,每小题2分,共20分) 在每小题列出的四个备选答案中,只有一个是符合题目要求的。
1. 2. 3. 4. 5. 6. 7. 8. 9. 10.三、连线题:根据电路实物用线将器件名称和元器件符号一对一的连接起来。
(本大题共10小题,1线1分,共10分)元器件实物元器件名称 元器件符号扬声器蜂鸣器数码管继电器……………………………………密………………………………封………………………………………线………………………线…………………………………………学校_______________________专业___________________姓名_______________准考证号水银开关四、简答题(本大题共2小题,共10分)1.如何检测驻极体话筒的好坏?(6分)2.单向晶闸管工作条件和特点?(4分)五、综合题(本大题共5小题,共40分)根据电路原理图和PCB板图回答下列问题。
元件符号元器件名称规格安装要求注意主要事项安装形式元件底面距电路板高度(mm)R1 C3 VD1 VT K1 DS U13.调试前应检查哪些?(6分)4. 该电路可分为几个部分?电容C1 .C2.C3都起什么作用?(7分)6.该电路具有什么功能?(5分)。
一、元器件识别、筛选、检测(10分)准确清点和检查全套装配材料数量和质量,进行元器件的识别与检测,筛选确定元器件,检测过程中填写下表。
二、电路板焊接(25分)要求电子产品的焊点大小适中,无漏、假、虚、连焊,焊点光滑、圆润、干净,无毛刺;引脚加工尺寸及成形符合工艺要求;导线长度、剥头长度符合工艺要求,芯线完好,捻头镀锡。
疵点:少于5处扣1分;5~10处扣5分;10~15处扣10分;15~20处扣15分;20~25处扣20分;25处以上扣25分。
三、电子产品装配(10分)要求印制板插件位置正确,元器件极性正确,元器件、导线安装及字标方向均应符合工艺要求;接插件、紧固件安装可靠牢固,印制板安装对位;无烫伤和划伤处,整机清洁无污物。
装配不符合工艺要求:少于5处扣1分;5~10处扣3分;10~20处扣5分;20处以上扣10分。
四、电子电路的调试(40分)1.调试并实现模拟烘手机基本功能(20分)●电源及充电电路工作正常(4分)●单片机控制、键盘及显示电路工作正常(2分)●红外感应检测电路工作正常(5分)●热释检测电路工作正常(5分)●风扇及加热电路工作正常(4分)2.检测(10分)(1)检查电路无误后,接通电源,测量红外感应检测电路在下列情况下Q2的C、E间的电压。
①感应到红外发射信号时,Q2的C、E间的电压为;②未感应到红外发射信号时,Q2的C、E间的电压为。
(2)在风扇及加热电路中,DY1接实验台交流15V档,风扇FS1工作在风速档2时,且风扇回路中的电流约为170mA,此时,R21取(12K、470Ω、5K、8K),R23取(10Ω、50Ω、90Ω、300Ω);当灯泡(JRS1)亮,且灯泡回路中的电流约为120mA,此时,R22取(200Ω、10Ω、500Ω、1K)时,R24取(91Ω、120Ω、150Ω、750Ω)。
(3)在充电电路中,断开S2,若保持T9测试点的电压恒定,假设R2由10K变为51K,则T8测试点的电压变(大/小);若断开S1,接通S2,T8测试点的电压能否稳定?(能/否)。
电子产品装配与调试技能比赛试题(总18页)-CAL-FENGHAI.-(YICAI)-Company One1-CAL-本页仅作为文档封面,使用请直接删除2010年重庆市第三届中等职业学校电子技能竞赛考题(学生组)考号:工位号:一、电路说明部分1、1 原理简介 1、产品功能环境温度与我们生活息息相关,温度高了会感觉热,温度低了会感觉冷,那么我们怎样知道环境中的温度究竟是多少摄氏度呢?这里给大家介绍一个数字测温电路,电路通电后LED 显示实时温度测量值,温度计的温度测量范围为0~℃。
该电路不仅可以显示实时测量温度值,还可以通过按键选择温度计的报警值,当温度高于某个设定温度时(40℃/50℃/60℃),温度计告警指示灯点亮。
2、电路组成及原理分析数字温度计主要由:温度检测电路、信号放大电路、V/F 变换电路、频率测量电路、超温告警电路和电源电路所组成,电路组成方框见图1,电路原理图见图2,PCB 板图见图3,4图1温度检测电路:温度检测电路主要由并联式稳压器、电桥和差分放大器组成,由U4构成的并联式稳压电源,为电桥提供高精度的电压,电桥由R30/R31/R44和PT100组成,RP4用于电路调试,在电路调试过程中通过调节RP4来模拟PT100的温度变化,方便电路调试,电桥输出的差分电压V=*(R PT100/(R30+ R PT100)-R 44/(R31+R 44)),该信号通过R10和R11送入由U7B 组成的差分放大器进行前级放大。
信号放大电路:由U7A 、PR6、R12、R13和R45组成的同相比例运算放大器,主要有2个作用,其一是用于将上一级的信号进行同相放大,其二是调整因元件参数偏差引起的测量误差。
调节RP6可改变其放大倍数,RP6也可称为量程电位器,数字温度计设计最大测量温度为℃,根据表1可查出当温度为100℃时,PT100的内阻为欧姆,根据电桥失衡后的输出电压计数公式可知,当环境温度为100℃时,差分输出电压为70mV ,为了显示和控制方便这里我将信号调理为标准的10mV/℃。
工位号成绩装订线一、元器件的安装、焊接(50分)一)元器件的安装(25分)元器件的安装原则:在不损坏元器件的前提下,以牢固可靠、整齐美观为原则。
1、短接线、普通电阻、二极管的安装:短接线、普通电阻要求采用卧式贴板安装。
安装前引线要求成型,成型后的引线应平行,且成型后引线间的距离应和印刷版上相应插孔间的距离相等。
电阻安装时,在印刷版竖直方向或水平方向上,误差色环的位置应一致(如:误差环全部在右边或下边)。
短接线、电阻安装后两端必须等高。
2、电容的安装:电容要求采用直立式安装。
瓷片电容、涤纶电容安装时不能损坏引脚上的漆膜,若引脚间的距离与印刷版相应插孔间的距离相差较大时,要求引脚成型。
瓷片电容和涤纶电容安装后不能在其所在平面内歪斜,且要求同体型器件等高。
电解电容采用直立式安装。
安装时要求引脚成型、不能歪斜、极性不能错误。
3、晶体三极管的安装:晶体三极管要求直立式安装。
安装时要求两端引脚成型、不能贴板,安装后要求等高。
4、导线剥头长度应符合工艺要求,芯线完好,捻头应镀锡。
5、其它器件要求按器件外型要求安装到位。
二)焊接(25分)焊点要求大小适中,形状要求为正锥型,无漏、假、虚、连焊,焊点光滑、圆润、干净、无毛刺。
注: 1、为保证散热,大功率电阻、整流二极管和阻尼二极管安装时,器件体要求和印刷版保持5―10mm 的距离。
2、要求印刷板清洁,无松香、无多余的附着焊锡等;板上无划痕、无烫伤;紧固件必须紧固,以保证相关元器件的牢固可靠。
以上要求及安装焊接效果见附图安装焊接不合要求:5处以内扣1分;5处以上,每多两处扣0.5分。
二、整机参数测量(4×2.5=10分)测量要求:要求在裁判面前当面测量,并且万用表量程选择合理,读数准确,动作熟练。
一)稳压电源输出电压的测量(该电压要求为10V±0.5V);二)测量视放管集电极电压变化范围;三)测量场输出中点电压;四)测量整机输出电流。
三、电子电路的调试(40分)一)光栅的调试(10分)1、光栅中心位置满足要求(2分);2、光栅垂直幅度和线性满足要求(4分);3、光栅水平幅度和线性满足要求(4分);工位号成绩装订线二)图像调试(20分)1、图像亮度和对比度调节满足要求(10分);2、图像分辨率满足要求(5分);3、图像左右、上下不能颠倒(5分);三)伴音电路的调试(10分)要求有伴音,且声音宏亮、音量可调、无噪声。
中职技能大赛《电子产品装配与调试》试题2013《电子产品装配与调试》比赛任务书(学生)评分参考考证号码:座号:说明:本技能竞赛项目书共有3大项,共100分;由选手在规定的时间内独立完成,完成的时间为240分钟。
安全文明生产要求;仪器、工具正确放置,按正确的操作规程进行操作,操作过程中爱护仪器、工具、工作台,防止出现触电事故。
一、电路板焊接(本大项共2小项,共10分)根据给出的附2-1图,并在给出的元器件中,正确选择所需的元器件,并把它们准确地焊接在所发的线路板上。
要求:在线路板上所焊接的元器件的焊点大小适中,无漏、假、虚、连焊,焊点光滑、圆润、干净,无毛刺;引脚加工尺寸及成形符合工艺要求;导线长度、剥头长度符合工艺要求,芯线完好,捻头镀锡。
1.SMT(贴片)焊接(4分)评分参考:SMT(贴片)焊接工艺按下面标准分级评分。
(1)A级:所焊接的元器件的焊点适中,无漏、假、虚、连焊,焊点光滑、圆润、干净,无毛刺,焊点基本一致,没有歪焊。
给4分。
(2)B级:所焊接的元器件的焊点适中,无漏、假、虚、连焊,但个别(1~2个)元器件下面现象:有毛刺,不光亮,或出现歪焊。
给3分。
(3)C级:3~5个元器件有漏、假、虚、连焊,或有毛刺,不光亮,歪焊。
给2分。
(4)不入级:有严重(超过6个元器件以上)漏、假、虚、连焊,或有毛刺,不光亮,歪焊。
给1分。
2.非SMT(贴片)焊接(6分)评分参考:非SMT(贴片)焊接工艺按下面标准分级评分。
(1)A级:所焊接的元器件的焊点适中,无漏、假、虚、连焊,焊点光滑、圆润、干净,无毛刺,焊点基本一致,引脚加工尺寸及成形符合工艺要求;导线长度、剥头长度符合工艺要求,芯线完好,捻头镀锡。
给6分。
(2)B级:所焊接的元器件的焊点适中,无漏、假、虚、连焊,但个别(1~2个)元器件下面现象:有毛刺,不光亮,或导线长度、剥头长度不符合工艺要求,捻头无镀锡。
给5分。
(3)C级:3~5个元器件有漏、假、虚、连焊,或有毛刺,不光亮,或导线长度、剥头长度不符合工艺要求,捻头无镀锡。
电子产品装配与调试技能竞赛理论试题及答案一、选择题(共5题,每题1分)1、机械调零说法错误的是()A 机械调零能影响电阻调零B 电阻调零能影响机械调零C 一般机械调零在没受到剧烈震动下不需要反复调零D机械调零不需要用电池2、数字万用表中表示测量直流电压档位是( )A DCAB ACAC ACVD DCV3、电容在电路中用字母()表示。
A、TB、 CC、LD、H4、普通电阻器的代换原则是()最好保持一致A、阻值B、功率C、形状D、A和B5、色环电阻排序为橙色—橙色—红色—银色阻值为( )A 3.3KΩ±10℅B 330Ω±10℅C 3.3KΩ±20℅D 330Ω±20℅二、填空题(共5题,每题1分)1、电容器在电子线路中的作用一般概括为:通________ 阻_______。
2、万用表测电阻更换挡位后,必须重新________,以确保测读准确性。
3、用模拟万用表测电阻,指针在Ω刻度线上的读数为98量程选择R×10则电阻值为________。
4、二极管常用色环或色点标示正负极,其中标有色环的一端为_________极。
5、三极管对外引出的电极分别是极、极和极。
三、判断题(共5题每题1分)1、电容器120pF可以写为121。
()2、万用表测量交直流电流或电压不需要更换档位()3、A—V—Ω表示测量电流、电压及电阻()4、黑表笔接三极管的一个引脚,红表笔分别接另外两引脚测电阻时,如果测得电阻都接近无穷大,则黑表笔接的是三极管的基极。
()5、1MΩ为1000KΩ。
()四、简答题(共5题,每题1分)简要回答检测二极管极性的步骤?五、写出下列色环电阻的标称值及允许偏差(共5题,每题1分)(1)绿蓝棕金(2)银黑棕白(3)棕紫绿银金(4)金橙紫红(5)蓝、灰、黑、银、金六、写出下列电容器的标称值(共5题,每题1分)(1)6n8(2)103(3)479(4)335J(5)104K一、选择题1、D2、D3、B4、D5、A二、填空题1、交流、直流2、欧姆调零3、980Ω4、负5、基极(b)、集电极(c)、发射极(e)三、判断题1、对2、错3、对4、错5、对四、简答题第一步:选择R×1K档位第二步:欧姆调零第三步:红黑表笔任意接二极管两极,其中摆幅较大的一次为黑表笔接正极,红表笔接负极。
2011DGDZJS电子产品装配与调试任务书工位号:成绩:说明:本次比赛共有搭建、调整两室温度控制电路,装配及检测数字网线测试仪,绘制电调谐调频收音机电路图等工作任务。
完成这些工作任务的时间为270分钟。
按完成工作任务的情况和在完成工作任务过程中的职业与安全意识,评定成绩,满分为100分。
工作任务内容:一、搭建、调整两室温度控制电路(本大项分2项,第1项14分,第2项6分,共20分)1.搭建电路使用YL-291单元电子电路模块,根据给出《两室温度控制电路原理图》(附图1)和《两室温度控制功能与操作说明》,搭建两室温度控制电路。
(1)搭建电路要求:正确找出基本模块搭建电路;从计算机提供的几种电子产品的程序中,下载适合《两室温度控制电路原理图》功能程序到应用的微处理器中;调整低温工作室温度控制范围15°C~20°C,高温工作室温度控制范围55°C~65°C。
模块排列整齐、紧凑,地线、电源线、信号线颜色统一。
(2)电路正常工作要求:键盘与液晶显示器工作正常;温度设置电路工作正常,温度控制电路工作正常;提示音电路工作正常。
2.根据《两室温度控制电路原理图》(附图1),在下面空白处画出电路的方框原理图。
二、数字网线测试仪的装配与检测(本大项分五项,第(一)项20分,第(二)项16分,第(三)项7分,第(四)、(五)项各6分,共55分)(一)数字网线测试仪元器件检测、焊接与装配(本项分3项,第1项4分,第2项10分,第3项6分,共20分)1.根据给出的《数字网线测试仪》电路图(附图2)和数字网线测试仪元器件中的LED数码管实物,画出LED数码管的内部连接方式。
2.产品焊接(本项目分2小项,每小项5分,共10分)根据《数字网线测试仪》电路图(附图2)和《数字网线测试仪元器件清单》(附表1),从提供的元器件中选择元器件,准确地焊接在赛场提供的印刷电路板上。
要求:在印刷电路板上所焊接的元器件的焊点大小适中、光滑、圆润、干净,无毛刺;无漏、假、虚、连焊,引脚加工尺寸及成形符合工艺要求;导线长度、剥线头长度符合工艺要求,芯线完好,捻线头镀锡。
其中包括:(1)贴片焊接(本小项5分)(2)非贴片焊接(本小项5分)3.产品装配根据给出的《数字网线测试仪》(附图2)电路原理图,把选取的元器件及功能部件正确地装配在赛场提供的印刷电路板上。
要求:元器件焊接安装无错漏,元器件、导线安装及元器件上字符标示方向均应符合工艺要求;电路板上插件位置正确,接插件、紧固件安装可靠牢固;线路板和元器件无烫伤和划伤处,整机清洁无污物。
(二)数字网线测试仪检修(本项分2项,每项8分,共16分)要求:在您已经焊接好的《数字网线测试仪》线路板上,已经设置了两个故障。
请您根据《数字网线测试仪》电路原理和电路功能(电路功能看提供的《数字网线测试仪原理与功能》)加以排除,故障排除后电路才能正常工作。
并请完成以下的检修报告。
1.故障一检修报告2.故障二(三)数字网线测试仪电路工作正常(本项分3项,第1项3分,第2项2分,第3项2分,共7分)1.数字网线测试仪接入6V交流电,电源指示灯VL亮;IC1LM7805输出“3”脚输出电压V CC(+5V)正常;数码管LED1亮红色数字“1”,其余数码管不亮。
2.用芯线序号连接正确的网线(灰色)两端分别插入J3和J4插座(RJ45),此时数字网线测试仪LED1~8和LED9~15两排数码管均按顺序显示绿色1~8数字。
拨除网线后两排数码显示管只显示绿色单个相同数字,按复位键S后,回到数码管LED1亮红色数字“1”,其余数码管不亮。
3.用芯线错误连接的网线(蓝色)两端分别插入J3和J4插座(RJ45),此时数字网线测试仪两排LED1~8和LED9~15数码管显示为:数字1为绿色(1号芯线连接正确);数字2、3(或3、2)为红色(2、3号芯线序号错误);数字4为绿色(4号芯线连接正确);数字5、6红色横杠(5、6号芯线短路);数字7没有显示(7号芯线断路);数字8为绿色(8号芯线连接正确)。
(四)数据测量(本项共6分)要求:用示波器的量程范围500μs/div、2V/div,测量数字网线测试仪电路中IC2 STC89C58RD+的“41”、“42”脚数据,并把它记录在下面的表格中。
“41”脚波形:“42”脚波形:(五)装配工艺卡片编制(本项分2项,每项各3分,共6分)根据装配工艺卡片指定的数字网线测试仪元器件,完成下面装配工艺卡片的编制。
1.请把下表《装配工艺过程卡片》中的“序号(位号)”列出的各元器件,在“以上各元器件插装顺序是:”一栏中编制插装顺序(可归类处理)。
2.根据《装配工艺过程卡片》中“图样”,在“工艺要求”中一列其中的空格里填写工艺要求。
装配工艺过程卡片10kΩ470μF/10μF/12.000MHz DB9 LM7805图2 (c) 图2 (a)图2 (b)图2 (d)图2 (e)三、绘画电路图和绘制元器件PCB封装图(本大项分2项,第1项13分,第2项2分,共15分)说明:选手在E盘根目录下以工位号为名建立文件夹(××为选手工位号,只取后两位),选手竞赛画出的电路图命名为Sch××.schdoc,PCB元件封装库文件为splib ××.PcbLib,并存入该文件夹中。
选手如不按说明存盘,将不可能给予评价。
1.绘画电路图内容:使用Protel 2004 DXP软件,根据赛场提供的《电调谐调频收音机》实物电路和一块印刷电路板,准确地画出《电调谐调频收音机》的电路图,并在电路图中的元器件符号上标明它的标号和标称值或型号(在实物电路上部分元器件没有标称值,可根据下表给出的参数给予补充)。
2.绘制元器件PCB封装图请根据《电调谐调频收音机》实物电路,绘制J2耳机插座PCB封装图。
四、职业与安全意识(本大项10分)操作符合安全操作规程;工具摆放、包装物品、导线线头等的处理,符合职业岗位的要求;遵守赛场纪律,尊重赛场工作人员,爱惜赛场的设备和器材,保持工位的整洁。
1.工作过程安全2.仪器仪表操作规范安全3.工具使用安全、规范4.搭建模块安全摆放5.纪律、清洁附表1数字网线测试仪元器件清单注:在表格中“名称”旁边标有※符号的元器件,表示该元器件为贴片元器件。
附图1:两室温度控制电路图附图2:数字网线测试仪电路图《集成电路与器件介绍》一、IC1LM 7805引脚说明:1脚:Vi输入端;2脚:GND接地端;3脚:Vo输出端。
二、IC2STC89C58RD+引脚功能说明:30~37脚:P0 口,是一个8位漏极开路的双向I/O口;40~44脚,1~3脚:P1 口,是一个具有内部上拉电阻的8 位双向I/O 口;18~25脚:P2 口是一个具有内部上拉电阻的8 位双向I/O 口;5,7~13脚:P3 口:P3 口是一个具有内部上拉电阻的8 位双向I/O 口;4脚:RST复位;14~15脚:基准脉冲振荡;17,28,39,6脚:P4.0口;16脚:V SS接地;26脚:PSEN,程序储存允许(PSEN)输出是外部程序存储器的读选通信号;27脚:ALE/PROG,当访问外部程序存储器或数据存储器时,ALE(地址锁存允许)输出脉冲用于锁存地址的低8位字节;29脚:EA/VPP,外部访问允许;38脚:电源,V CC。
提示:该微处理器IC2STC89C58RD+应用在数字网线测试仪的程序,已存放在计算机上。
74HC595三、IC3~5、7、9、10引脚功能说明:15,1~7脚:Q0~7,8位数据并行输出端。
直接控制数码管的8个段。
8脚:GND,接地。
9脚:Q7’,级联输出端。
10脚:,低点平时将移位寄存器的数据清零。
11脚:SH-CP,上升沿时数据寄存器的数据移位。
下降沿移位寄存器数据不变。
12脚:ST-CP,上升沿时移位寄存器的数据进入数据存储寄存器,下降沿时存储寄存器数据不变。
当移位结束后,产生一个正脉冲,更新显示数据。
13脚:,高电平时禁止输出(高阻态)。
14脚:DS,串行数据输入端。
16脚:电源VCC。
ULN2803APG四、IC6,8,11,12引脚功能说明:1~8脚:信号输入脚;11~18脚:信号输出脚;9脚:GND ;10脚:保护二极管公共阴极。
五、IC13MAX232引脚功能说明:1、2、3、4、5、6脚:产生+12v和-12v两个电源7脚:T2OUT 8脚:R2IN9脚:R2OUT10脚:T2IN11脚:T1IN12脚:R1OUT13脚:R1IN14脚:T1OUT15脚:GND16脚:VCC(+5v)六、LED1双色数码管~16引脚说明:1脚:红色驱动;共阴极;2脚:数段e;3脚:数段d;4脚:数段c;5脚:绿色驱动;共阴极;6脚:数段b;7脚:数段a;8脚:小数点dp;9脚:数段f;10脚:数段g。
两室温度控制电路两室温度控制功能与操作说明1.开机所有线路连接好后,打开电源。
此时液晶并无显示。
按“F2”键开机,液晶显示屏上显示开机画面。
几秒钟后,液晶显示屏显示测温主界面,如下图:界面上显示“低温工作室”、“高温工作室”和“一般室温”的温度。
此时,如果“低温工作室”测得的温度高于设置上限温度时就开始制冷,低于设置下限时时就停止制冷。
如果“高温工作室”测得的温度低于设置的下限温度时就开始加热,高于设置的上限温度时就停止加热。
“一般室温”就是测得的当时的室内温度。
低温工作室的设置温度范围为10~20°C,高温工作室的设置温度范围为50~70°C,上、下限温度设置请参考下面说明。
2.设置(1)按下“SET”健后,主界面进入设置界面,如下图所示:此时按F1键选择设置低温工作室或高温工作室进行温度设置。
按向上键一次温度加1°C,按向下键一次温度减1°C,按OK键保存设置的温度。
(2)温度设置范围最大为:低温工作室:10~20°C;高温工作室:50~70°C。
(3)注意事项:电路图中符号是表示开关电源的地线与普通地线相连接。
3.警示每按一次按键,蜂鸣器发出提示声音一次。
数字网线测试仪原理与功能一、工作原理数字网线测试仪的信号检测是按网线一端芯线序号1~8顺序排列的8条线与微处理器P0口的8个I/O连接,网线另外一端芯线序号1~8顺序排列的8条线与微处理器P2口的8 个I/O口连接。
由P0口发送一组数据,经过网线到单片机P2口接收,当P2口接收到的数据与P0口发送的数据一样时说明网线中的芯线接线正确,然后微处理器P2口也发送一组和P1口一样的数据再验证结果是否正确,经过微处理器两组P口双向检测后,可以确定检测出来的结果是准确的。