金手指板设计规范
- 格式:doc
- 大小:1.28 MB
- 文档页数:4
PCB金手指检验规范
1.主旨:本公司PCB金手指检验规范。
2.适用范围:此为来料检验的指定标准,若无特殊说明,完全按此标准执行。
2.本规范参照IPC-A-600F和本公司公司实际状况订制,如有未尽事宜,以IPC-A-600F为主。
4.缺点判定标准,缺点判定可分为以下三种:
1 严重缺点(CR):严格确定系指产品的不良,造成产品无法使用,以及造成功能性的故
障。
2 主要缺点(MA):指严重缺点以外之缺点,其产品的不良或许会导致产品功能发生问题,
但目前尚未发生问题者,有潜在危害性者。
3 次要缺点(MI):次要缺点系指产品的不良,虽然与理想标准有所差距,但其产品使用
性,实质上不受影响者。
一般位于金手指3/5的关键位置,为重要的检验区域。
1/5
3/5 3/5长度内为重要检验区域
1/5
4 在此区域发生之缺点,依其现象可分为(CR)严重缺点、(MA)主要缺点及(MI)次
要缺点,定义如缺点判定表。
5 若非发生于重要检验区则所有CR缺点均视为MA缺点。
金手指缺点判定表。
金手指外观检验规范外观检验方式A. 对于主板类外观在正常照明条件下采用垂直40厘米目视PCB外观5至10秒每面。
察看PCB外观参考轻重缺陷分类做出判断。
B. 对于卡类外观在正常照明条件下采用垂直30厘米目视PCB外观3至5秒每面,金手指部分采用45度角20厘米斜视2至4秒。
观察PCB外观参考轻重缺陷分类做出判断。
1. 说明:金手指A区是从板边向内4/5金手指长度起到金手指最内的镀层边的区间,金手指B区是从板边向内1/5金手指长度起到4/5金手指长度之间的区间,金手指C区是从板边起到向内1/5金手指长度的区间。
2. 金手指A、B、C区不得有沾锡。
A区B区C区3. 有感刮伤定义→金手指表面目视明显凹陷或手指触摸可感觉者。
允收标准:不漏铜、镍、底材者,不超过3根在A、C区者允收。
4. 无感刮伤定义→目视可见、手指触摸不可感觉者。
允收标准:不漏铜、镍、底材者A、B、C区皆允收。
●外来夹杂物→不允收。
●氧化→以酒精或软性橡皮擦可擦拭清洁允收,无法则不允收。
●针孔→露铜、镍、底材不允收。
不露铜、镍、底材,在A、C区1 pcs双面不超过3点,面积<2*2 mil者允收,B区拒收。
●破洞→不允收。
●缺口→用x10倍放大镜可目视不允收。
●剥离→不允收。
●剥落→不允收。
●皱折→不允收。
●破损→不允收。
●瘤状突起→在A、C区1 pcs双面不超过3点,面积<2*2 mil者允收,B区不允收。
●污染→以酒精可擦拭清洁允收,无法擦拭清洁则不允收。
●补镀金颜色→补镀金有焦黑情况不允收。
●补镀金外观→露铜、露镍、露底材不允收。
●切角斜边→残留铜箔不允收。
(1)公差< 6 mil ==> 上限之孔径+ 2 mil镀铜厚.EX:0.039” + 0.003”/-002”0.042” + 0.002” = 0.044” = 1.1176mm(用1.1∮钻头).P.S.若为中间值,则取偏下限之钻头.(2)公差≧6 mil ==> 中间值孔径+ 2 mil公差+ 2 mil镀铜厚.EX:0.040” + 0.005”/- 002”0.0415” + 0.002” + 0.002” = 0.0455” = 1.1557mm(用1.15∮钻头).P.S.若为中间值,则取偏下限之钻头.C.NPTH钻孔孔径设计:(公差比±2 mil严格时,另议)(1)中间值+1MIL.(2)以选用可采用钻头直径之中心钻头为最佳.7.1.3.除了下列状况外,N PTH须采用后钻外,其余N PTH须前钻.C面或S面有锡边且内缘必须露铜者.工单注明”二钻时C面或S面朝上”7.1.4.SLOT之两端须加钻导屑孔.(1)CNC成型时为SLOT直径减6MILS.(2)PUNCH成型时为SLOT直径加2MILS.P.S.金手指板成型外之SLOT不加导屑孔.7.1.5.孔径>0.256"/6.5mm时(1)须加钻导孔(通常为0.125”/3.175mm)(2)如公差为>±0.005"时,以Routing制作(3)如公差<±0.005"时,尽可能要求客户放宽规格;如客户仍不同意放宽时,则以钻头扩孔制作or以Punch方式处理.7.1.6.成型PIN孔:(1) NPTH孔,直径0.080"/2mm以上;且表面不可有钖环.(2) 每PCS(或Spnl)三颗,位于三个角落,不可过度集中;且以不对称为原则以达防呆之作用.(3)如无NPTH孔时,必须与客户洽谈在板内增设PIN孔或在板外加折断边及PIN孔(0.125"/3.175mm).若客户不同意于板内或加折断边来增设PIN孔,则可选择1个贯孔做为辅助用定位PIN,PIN 钉SIZE须比钻孔孔径小6~8 mil.7.1.7.测试pin孔:(同成型pin孔)(1)NPTH,直径0.080"/2mm以上.(2)每PCS(或STEP)四颗位于四个角落,不可过度集中.7.1.8.最小钻孔孔径为10 mil/0.254mm,最大钻孔孔径为256 mil/6.5mm,;有超过者须反应主管.允许孔位公差为±3 mil7.1.9.孔边缘离成型边须大于10mil(含).7.1.10.目前厂内固定将靶位孔、pin孔之钻头放在T1(3.175mm).靶孔防呆点作法:(1)设于短靶处(如下图),起始靶距为4”.(样品固定为4”)(3)各层制作说明标于该层图标下面.COMP → PAD RING 單邊比1ST 單邊大8 mil CMASK → RING 單邊比外層PAD大3 mil.線寬依MI 裁板圖上標示製作.標示:孔位導通層別、料號、阻抗值及阻抗公差線寬依MI 裁板圖上標示製作.邊比鉆孔大12 mil .邊比鉆孔大12 mil .8.4 《板边工具孔及板框资料》8.5 《钻孔叠板参数表》8.6 《冲孔机底片设计规格》8.7 《内二课自动曝光机底片设计规格》。
TCL移动通信有限公司TCL MOBILE COMMUNICATION CO., LTD.可制造性工艺设计规范第二部分FPC工艺设计规范生产技术本部制造工程部编2004年8月拟制:审核:批准:FPC工艺设计规范一、FPC金手指工艺设计1、手工焊接FPC金手指部分的设计:FPC焊接方式应采用过孔加过桥焊接方式,过孔的直径为0.2mm以上,过桥焊接的桥接长度为0.5-0.8mm。
桥接部分应采用月牙形设计,在焊接时可增加锡的流动性。
金手指宽度可根据实际情况采用以下两种标准设计。
1.1 FPC金手指中心线间距为1.0mm,则金手指的宽度和金手指的间距为0.5mm,金手指的长度为2.2mm,过孔直径为0.2mm,月芽R为0.15mm。
相关尺寸如下所示:1.2 FPC金手指中心线间距为0.8mm ,则金手指宽度为0.45mm,金手指间隙为0.35mm,过孔直径为0.2mm,考虑到金手指较窄,为增强可靠性,避免金手指在焊接过程中断裂,过孔应错开设计。
相关尺寸如下图所示:1.3 为方便焊接夹具的定位,FPC焊接部位应设计两个定位孔,定位孔的直径统一设计为1.1 mm,且与PCB的定位孔同心同直径。
连接LCD的FPC上用于固定FPC与PCB的双面胶位置,距离金手指的最小距离为0.5mm,防止焊接时焊锡被粘在双面胶边缘,造成连锡。
1.4 FPC接地点焊接应采用过孔加过桥焊接,过孔直径应大于1.0mm以上,过桥焊接的桥接间距应大于0.5mm以上,过桥焊接部分应采用月芽形设计,接地点应采用双面铺实铜,且铺铜应延伸到边缘。
2.4 金手指覆盖膜开口位置设计:金手指处覆盖膜开口应尽量避免粗细线过渡的地方,为防止断裂,应尽量将金手指部分加长至覆盖膜开口处0.3mm处。
NG OK2.5 在组装工艺方面,FPC金手指部分不可直接用手指接触,避免手上的汗腐蚀金手指。
也不可用金属物件(金属镊子)直接接触金手指,避免划伤。
在插入金手指到连接器的过程中,要把金手指平行插入,插到底后检查丝印线是否和连接器边缘平行,然后锁上连接器扣位。
印制电路板金手指分类
印制电路板(PCB)金手指是指连接器或插槽上的金属接点,用
于与其他电子设备连接。
根据其用途和设计,金手指可以被分类为
以下几种类型:
1. 插孔金手指,这种金手指通常用于连接器或插槽的接口,以
便插入其他设备或电路板。
插孔金手指通常具有圆形或矩形的形状,其设计取决于连接器的类型和规格。
2. 表面贴装金手指,表面贴装金手指是直接焊接在PCB表面的
金手指,通常用于连接显示屏、存储设备或其他电子组件。
它们通
常具有薄而平整的设计,以适应表面贴装技术的要求。
3. 边缘接口金手指,这种类型的金手指位于PCB的边缘,用于
连接插槽或卡片式设备。
边缘接口金手指通常具有突出的设计,以
便在插入时确保可靠的连接。
4. 镀金金手指,金手指可以经过镀金处理,以提高其导电性能
和耐腐蚀性。
镀金金手指通常用于要求高可靠性和稳定性的应用,
如航空航天或医疗设备。
5. 弹簧式金手指,这种金手指采用弹簧设计,可以提供更好的接触力和抗震动性能,适用于需要频繁插拔的场合,如测试设备或工业控制系统。
总的来说,印制电路板金手指的分类取决于其用途、设计和制造工艺,不同类型的金手指适用于不同的应用场景,选择合适类型的金手指对于整体电路板的性能和可靠性至关重要。
PCB制造流程及说明(外观检查,防焊,金手指喷锡,表面处理等)更新日期: 2007-6-11 15:32:03 作者: 来源:464411.1前言一般pcb制作会在两个步骤完成后做全检的作业:一是线路完成(内层与外层)后二是成品,本章针对线路完成后的检查来介绍.11.2检查方式11.2.1电测11.2.2目检以放大镜附圆形灯管来检视线路品质以及对位准确度,若是外层尚须检视孔及镀层品质,通常会在备有10倍目镜做进一步确认,这是很传统的作业模式,所以人力的须求相当大.但目前高密度设计的板子几乎无法在用肉眼检查,所以下面所介绍的AOI 会被大量的使用.11.2.3 AOI-Automated optical Inspection 自动光学检验因线路密度逐渐的提高,要求规格也愈趋严苛,因此目视加上放大灯镜已不足以过滤所有的缺点,因而有AOI的应用。
11.2.3.1应用范围A. 板子型态-信号层,电源层,钻孔后(即内外层皆可).-底片,干膜,铜层.(工作片, 干膜显像后,线路完成后)B. 目前AOI的应用大部分还集中在内层线路完成后的检测,但更大的一个取代人力的制程是绿漆后已作焊垫表面加工(surface finish) 的板子.尤其如BGA,板尺寸小,线又细,数量大,单人力的须求就非常惊人.可是应用于这领域者仍有待技术上的突破.11.2.3.2 原理一般业界所使用的"自动光学检验CCD及Laser两种;前者主要是利用卤素灯通光线,针对板面未黑化的铜面,利用其反光效果,进行断、短路或碟陷的判读。
应用于黑化前的内层或线漆前的外层。
后者Laser AOI主要是针对板面的基材部份,利用对基材(成铜面)反射后产荧光(Fluorescences)在强弱上的不同,而加以判读。
早期的Laser AOI对"双功能"所产生的荧光不很强,常需加入少许"荧光剂"以增强其效果,减少错误警讯当基板薄于6mil时,雷射光常会穿透板材到达板子对另一面的铜线带来误判。
PCB金手指判定规范一、前言PCB板边接点(Edge Connector),俗称金手指,系以金手指表面与连接器弹片之间,进行插入接触而导电连通。
金适合用于金手指表面处理,主因为不会氧化生锈及低阻抗之故,且业界加工处理成熟,外观好看高贵。
电镀金与化学镍金(Immersion Gold)之主要区别在于前者适合用于金手指表面处理,后者适合用于焊接表面处理。
电镀金用于金手指表面处理,其微硬度在140 Knoop以上,以便卡紧连接器弹片于插拔时抗耐磨。
PCB底铜上预镀上金层前,需先镀上镍层。
镍层扮演打底及阻碍之功能,由于底铜与金层会彼此迁移(Migration)造成固体互溶,因此需有一定厚度以上(100 µin)。
且为减低金手指应力且保持光泽,使用半光泽镍。
金手指呈现高度光泽,需有细致之电镀镍颗粒排列,而后金层颗粒电镀其上亦呈现细致排列,才有高度光泽。
电镀金其微硬度够且抗耐磨,其中含有Co合金,故可称镀硬金。
金层厚度至少在5 µin以上,且金层厚度要求明列于采购规格上。
金手指不允许金层受损而露镍、露铜,甚至露底材,主要系镍及铜会生锈氧化,对导电连通不利且影响外观。
金其实不会生锈氧化,一般说金氧化变色,事实上只是金表面附着污染物(如水气、有机物、油脂、酸气等)。
金手指曝露于板边,不考虑PCB冗长制程影响;然于PCB制程中自动线之板边行进易造成之刮伤磨损,人为持取之磨擦碰撞等,测试异常压伤,容易有金手指刮伤、压伤之不良现象产生。
同样于组装业(Assembly)亦会有上述困扰。
基于品质为优先,并提升生产力,品质代表功能性良好,生产力代表外观允收。
IQC需清楚定义金手指判定规范供华硕厂内依循,同时此规范能适用OEM 客户,具有说服性。
检验项目ASUS缺点判定标准判定工具缺点定义备注11.金手指沾防焊漆/文字油墨不允收目视MA 金手指沾防焊漆,将影响电性连通性。
目视下,不允收此种缺点。
12.金手指沾残胶/异物不允收目视MA 金手指沾残胶/异物,将影响电性连通性。
金手指板设计规范一、相关的能力项目正常能力特殊能力超能力板厚度mm 0.8≤X≤3.0 0.6≤X<0.8、3.0<X≤3.5>3.5超出设备传送能力,传送困难,传送带容易断裂。
最小镍厚u" ≤160 160<X≤200 >200影响加工效率。
最小金厚u" ≤35 35<X≤70 >70影响加工效率,容易出现金剥离金指离板边距离inch ≤10无法电镀孔或焊盘离金手指边缘平行线距离mm ≥1 0.8≤X<1<0.8需半镀金、半喷锡热风整平(或需要半镀金、半沉金,但并会半镀金半沉金的焊垫会出现剥离露镍的问题,需要与客户沟通确认)孔或焊盘离金手指垂直方向最小距离mm ≥10 <10喷锡热风整平过程胶带易进锡脱落,造成金指上锡。
1.最小金手指距离:6mil;2.最大板尺寸:21.5" X 24.5",最小板尺寸:8" X 11";3.斜边角度公差:+/-5度,余厚公差:+/-5mil;二、询问时,检查的项目1.若不确定哪些区域需要斜边需问客2.有无定义斜边角度及余厚;3.注意检查斜边时是否会伤及非斜边区域;最小和最大的斜边刀具分别为3.0mm&6.35mm.如果斜边区域周围凹槽宽度小于3.00mm。
则建议允许伤及非斜边区域4.检查客户设计的外形排板图,斜边区域要朝外,两单元之间要在同一平面视图180度旋转放置。
以利于斜边。
5.内、外层斜边露铜时必须问客,当客户无特殊要求且金手指已延伸到板外,原则上按客户的资料做,金手指斜边允许露铜.除非客户有特殊要求。
6.注意短手指是否能镀上金,一般客户设计的短手指时都是通过孔与其他引线相连镀金,若短手指须加引线时必须问客;7.金手指边与VIA孔的小距离≥0.8mm,可以保证VIA孔不会镀上金,如果小于0.8mm时则应出Query给客确认是否允许VIA孔上金。
否则需要采用插架烘压或者蓝油丝印等特殊做法,需特别注明。
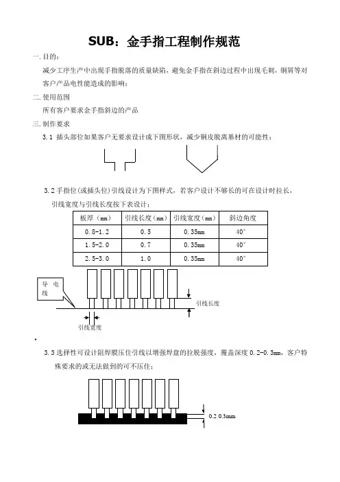
SUB:金手指工程制作规范
一.目的:
减少工序生产中出现手指脱落的质量缺陷,避免金手指在斜边过程中出现毛刺,铜屑等对客户产品电性能造成的影响;
二.使用范围
所有客户要求金手指斜边的产品
三.制作要求
3.1 插头部位如果客户无要求设计成下图形状,减少铜皮脱离基材的可能性;
3.2手指位(或插头位)引线设计为下图样式,若客户设计不够长的可在设计时拉长,
引线宽度与引线长度按下表设计;
·
3.3选择性可设计阻焊膜压住引线以增强焊盘的拉脱强度,覆盖深度0.2-0.3mm,客户特
殊要求的或无法做到的可不压住;。
PCB的金手指设计与加工制作是怎样的PCB(Printed Circuit Board)是电子产品中使用最广泛的一种电路板,其中的“金手指”是指连接电路板与其他组件或设备的接口连接部分。
在PCB设计和加工制作过程中,金手指的设计与加工制作非常重要。
下面将详细介绍PCB金手指设计与加工制作的流程和要点。
一、PCB金手指设计1.确定金手指的类型:根据实际需求,确定金手指的类型。
常见的金手指类型包括硬金手指、软金手指和继电器金手指等。
2.确定金手指的数量和排列方式:根据电路板的需求,确定金手指的数量和排列方式,一般情况下,金手指的数量和排列方式会根据电路板连接的设备或组件的数量和接口类型来确定。
3.设计金手指的形状和尺寸:根据电路板的需求和实际情况,设计金手指的形状和尺寸。
通常,金手指的形状可以是直角、圆角、斜角或其他特殊形状。
尺寸方面,要考虑金手指的宽度、长度和间距等因素。
4.确定金手指的材料:根据实际需求和成本控制,确定金手指的材料。
常见的金手指材料有金属(如金、镀金等)和合金(如镍、镍铬合金等)等。
5.添加金手指的焊盘和限位孔:设计金手指的焊盘和限位孔,确保金手指能够正确地连接到电路板上,并且与其他组件或设备的接口正确对齐。
6.确定金手指的排布位置:确保金手指的排布位置合理、有效,并且能够满足电路板整体布局的需求。
7.进行金手指形状的阻焊掩膜设计:为金手指设计阻焊掩膜,以防止电路板其他区域的焊接热量对金手指造成损害。
8.进行金手指的走线规划:对PCB布线进行合理规划,保证连接金手指的走线畅通无阻,没有任何干扰,以提高连接质量和可靠性。
二、PCB金手指加工制作1.材料准备:根据设计要求和需求,准备金手指所需的材料,包括金、合金、电镀液等。
2.清洁处理:在加工之前,对金手指所在的电路板进行清洁处理,确保其表面干净并且不受任何污染。
3.蚀刻处理:使用蚀刻机将金手指所在的电路板进行蚀刻处理,将不需要的金属材料蚀刻掉,使金手指形成。
金手指制作金手指介绍与制作要求:1:金手指具有优良的导电性。
2:耐磨性和抗腐蚀性优良。
3:金具有优良的延展性。
4:金手指拼版时,要背靠背,两两相对,手指朝向板外。
5:用ctrl+c复制物体时要注意在选中物体后按ctrl+c,还要点击选中要复制的物体才行。
6:导线50MIL-60MIL,且须与板边连接,導線盡可能的做到兩PCS的中間處.7:金手指引腳线宽度12-15MIL8:每一支金手指皆须通过引腳线与导线跟板边连接9:金手指两侧導線接頭處加假手指(大小與金手指一樣)10:镀全面金及化学镍金时不需另添加導線和引腳線(手指處金和板內金一樣厚度)11:金手指板須做斜邊防呆,如客戶特殊要求,依客戶要求作業.制作流程:1.EDIT内层负片要做内刮2.EDIT外层线路添加12ml引脚线和斜边V-cut防呆线3.阻焊金手指位置要开通窗4.SET制作板边V-CUT防呆点,并要COPY到阻焊加大6ml开窗。
(拼两片别忘了另一片也要做v-cut)5.PNL 外层线路制作60ml导金线。
并添加假手指,假手指还要COPY到阻焊开窗。
6.制作防呆点,V卡防呆。
V卡防呆测试点要开窗。
还有斜边防呆。
第一步:EDIT内层负片要做内刮靠手指处,将成型线与手指处填做内刮,并且打开钻孔,防止刮到钻孔成了隔离PAD。
作用防止金手指内层露铜。
用画铜工具添加。
原始图效果图第二步:EDIT外层线路添加12ml引脚线和斜边V-cut防呆线1外层线路添加12ml的引脚线,s+c打开中心,添加一个后,再用alt+c+S 命令复制多个物体命令。
(需要测量两引脚线的中心间距)添加完后检查,再把多余的删除,少的加上。
(做时把底层影响可以两层一起做)原始图效果图2:斜边测试線V-CUT防呆。
选择两个独立的金手指相连,大小5-6ML,离板边保持10ml的间距。
效果上图↑, 注意:金手指必需保证是不同网络的。
第三步:阻焊金手指位置要开通窗COPY外层线路一个金手指到阻焊开窗,加大3-4ml,然后按开好窗的金手指高度去开通窗,设置影响层,用画铜片的工具开通窗。
金手指PCB封装计划标准金手指PCB封装计划标准
金手指是指PCB板的顶部底部均有焊盘,经过这些焊盘能够与联接器直接相连。
在ALLEGRO中,金手指的PCB封装计划首要有以下两种办法:
一、选用through型焊盘,没有通孔。
这种办法TOP层焊盘与BOTTOM层焊盘引脚编号是一样的,即网络是一同的,且焊盘间的间隔一同。
只需TOP层网络与BOTTOM层网络一同,且与焊盘间隔一同才华够选用这种办法的PCB封装,不然会犯错。
二、TOP层焊盘与BOTTOM层焊盘分隔创立,即先建一个TOP 层焊盘,再建一个BOTTOM层焊盘,然后在画PCB封装时,顶部调到TOP层的焊盘,底部调用BOTTOM层的焊盘,焊盘的间隔能够独自设定。
一同TOP层的引脚可选用B1、B2Bn编号,而BOTTOM层可选用A1、A2An编号。
TOP层及BOTTOM层的焊盘创立办法如下:
1、TOP层焊盘只设置Begin层参数,而end层参数不设定;
2、BOTTOM层焊盘只设置end层参数,而begin层参数不设定。
用第二种办法创立的金手指封装更具广泛含义,因而主张选用
第二种办法创立金手指封装。
研发部模组FPC设计规范一、走线要求:1、走线要在弯折处0.5mm以上开始走线。
2、FPC金手指两边边缘为0.5mm左右,并且把多余的部分要剪掉。
最好是设计时在每边多加1个焊盘。
3、TCP,COF必须正反加保护胶带,若是COG的必须加黑色胶带。
4、在空间允许的情况下尽量把0402的封装换成0603的封装。
5、将Autocad的PCB冲模绘图档用DXF格式转换导入,把所有线及字符放到同一层,且用同一颜色,导入到PCB中要保留所有重要信息(Pin脚的顺序号、固定的元器件位置、背光定位柱、露铜的位置),去掉不需要的内容,并且把PCB冲模绘图定位到原点坐标点(0,0)。
6、在FPC需要弯折的区域最好不要有通孔和MARK点,以减少应力利于弯曲。
7、需要ACF的区域反面要平整,不要有高低不平的图形存在。
8、线路最好在通孔处加上泪滴盘,折角处有弧度拐弯会更好。
9、由于要SMT贴片,务必在线路上要有光学点,具体位置放置在需要帖片的区域对角位置,通常做直径0.8-1.0mm大小的焊盘。
10、为了保证FPC的柔软性,在地线铺铜的时候,最好把大铜皮做成0.2mm 以上的线宽线距的网络,同时也可以保证板子的平整性。
11、大铜皮和线路的间距最好保证在0.2mm以上,以防止制作过程中的残余铜皮蚀刻不净。
12、走线不要走锐角;不要走环形线。
13、在IC的Power/GND间放置0.1uF的去耦电容连接,走线尽量短。
14、将FPC上未使用的部分设置为接地面。
在板子的四周多打一些GND Via孔有利于接地屏蔽性能好。
15、一般情况下尽量少用Via孔并且(Pad)与Trace之间间隙一般最小为8mil。
16、走线方式:一般是走135º,不要走90º折线,减少高频噪声发射。
17、元器件走线不要太靠边,线与板边最小为10mil,元器件与板边最小为0.6mm,铜泊间隙最小为10mil。
18、Via孔直径最小为20mil,Hole最小为10mil,在空间允许的情况下可以尽量加大。
手机主板结构设计规范手机主板设计主要考虑:字键金手指的设计与排布,电池连接器、SIM卡座、RF连接器、天线铜皮、I/O 连接器、DC JACK、耳机插座、侧按键、屏蔽罩、FPC插座、霍尔器件、LED灯、MIC、震动马达等的选择与排布以及PCB的结构尺寸、电子元气件的限高、定位等,如图所示。
1、对于金手指的设计,是根据所选择的METAL DOME的大小,决定金手指的图形尺寸,METAL DOME的规格有φ3--φ13。
每个主板上最多用两中规格的METAL DOME,一般手机采用φ4或φ5金属薄片:φ4 金属薄片的金手指尺寸为:中心φ1.8--φ2,外环φ3Xφ5φ5 金属薄片的金手指尺寸为:中心φ1.8--φ2,外环φ4Xφ6金手指间的最小距离不小于0.5毫米2、电池连接器、SIM卡的选择:要考虑使用寿命、使用环境、接触特性以及操作的方便性排布的位置与PCB板的结构空间及方便操作有关,3、天线连接器靠近天线部位,离天线触点铜皮的距离不小于2毫米,与屏蔽罩的信号输入、输出口尽量近,与屏蔽罩的距离不小于1毫米。
4、在空间允许的条件下,FPC的插座尽量接近FPC在转轴处的出口。
5、霍尔器件在主板上的位置与翻盖上的磁铁位置有关,一般放置的位置是:霍尔器件磁力线感应方向的中心线与磁铁的中心线偏移0.5毫米。
6、LED夜光灯的位置:一般数字键部位排布6个灯的位置,如果PCB较小的话要考虑用4个灯,功能键部位排布2个灯,具体LED贴焊的数量,可根据样机的情况确定。
7、薄膜开关的接地铜皮位置以不影响字键手感为准,每边有两个接地铜皮为佳。
薄膜开关的定位孔在φ1.2--φ2之间,距薄膜边的最小距离为1mm,尽量让孔的位置在锅仔PAD的外面,以免灰尘通过定位孔进入按键中。
一般位置是天线附近一个,相对位置一个,其他根据需要增加。
8、侧按键可以选择薄膜开关和微动开关。
如果选择微动开关,带有定位柱的可以防止手感不一致问题。
9、由于加工方面的原因,PCB边沿的内角不能设计为直角,内、外圆角的最小半径为R0.5MM,PCB上的孔离PCB边沿不要小于0.5MM。
金手指板设计规范
一、相关的能力
项目正常能力特殊能力超能力
板厚度mm 0.8≤X≤3.0 0.6≤X<
0.8、3.0<X
≤3.5
>
3.5
超出设备传送能力,传送
困难,传送带容易断裂。
最小镍厚u" ≤160 160<X≤200 >
200
影响加工效率。
最小金厚u" ≤35 35<X≤70 >
70
影响加工效率,容易出现
金剥离
金指离板边距离inch ≤10
无法电镀
孔或焊盘
离金手指边缘平行线距离mm ≥1 0.8≤X<1
<
0.8
需半镀金、半喷锡热风整
平(或需要半镀金、半沉
金,但并会半镀金半沉金
的焊垫会出现剥离露镍
的问题,需要与客户沟通
确认)
孔或焊盘
离金手指垂直方向最小距离
mm ≥10 <10
喷锡热风整平过程胶带
易进锡脱落,造成金指上
锡。
1.最小金手指距离:6mil;
2.最大板尺寸:21.5" X 24.5",最小板尺寸:8" X 11";
3.斜边角度公差:+/-5度,余厚公差:+/-5mil;
二、询问时,检查的项目
1.若不确定哪些区域需要斜边需问客
2.有无定义斜边角度及余厚;
3.注意检查斜边时是否会伤及非斜边区域;最小和最大的斜边刀具分别为
3.0mm&6.35mm.如果斜边区域周围凹槽宽度小于3.00mm。
则建议允许伤及非斜边
区域
4.检查客户设计的外形排板图,斜边区域要朝外,两单元之间要在同一平面视图180
度旋转放置。
以利于斜边。
5.内、外层斜边露铜时必须问客,当客户无特殊要求且金手指已延伸到板外,原则上
按客户的资料做,金手指斜边允许露铜.除非客户有特殊要求。
6.注意短手指是否能镀上金,一般客户设计的短手指时都是通过孔与其他引线相连镀
金,若短手指须加引线时必须问客;
7.金手指边与VIA孔的小距离≥0.8mm,可以保证VIA孔不会镀上金,如果小于
0.8mm时则应出Query给客确认是否允许VIA孔上金。
否则需要采用插架烘压或
者蓝油丝印等特殊做法,需特别注明。
8.若贴胶纸区域有设计光学点时,建议客户改表面处理为沉金+金手指,或允许光学
点不做表面处理。
9.金手指间设计有绿油桥时建议客户取消;
10.若设计为重钻电镀引线检查重钻后是否伤及金手指。
三、MI时应注意的项目
1.注意金手指在生产panel拼图时能否镀上金,需要满足以下两个条件:
(1)目前公司能力为:有效镀槽深的高度为:10"(max.),也就是说处
在液面下最上排手指顶端距离下面板边≤9″范围内的金手指才
可以镀上金。
(2)夹板区高度为:10"(min.)。
处在液面下的最上排手指顶到上板边
的距离≥10"才可以镀上金。
金手指距生产板两边均大于10”时需留闸板位,但镀金车间没有闸板设备,要用V-CUT 分板,间隙最少预留0.2",并在镀金手指工序后加备注“需做V-CUT分板电镀金手指”。
2.为便于刷磨及更好控制金面颜色,拼版时金手指应垂直于缸底。
3.KEY SLOT宽度公差+/-2mil需钻出,如果表面处理为喷锡的板,由于SLOT 的长
度大于金手指的长度,包红胶时不能把SLOT全部包住,故当喷锡时就容易造成金手指上锡。
做板时, 要把此SLOT安排在喷锡后二钻;
4.钻断金手指镀金引线的非电镀孔。
需要在镀金手指后加二钻流程。
5.对于SimpleTech金指板件,由于非金指区宽度通常为27mm左右,而蓝胶带规格为
22.5mm及45mm,贴蓝胶带时,需用两条22.5mm规格的胶带去贴,导致贴胶带的效
率低,而且胶带重叠区域大较浪费外,也会产生结合力弱等问题,镀金时候容易由于胶带脱落导致焊盘镀金或者焊盘受到药水污染,因此要求在满足能力工作指示要求的同时,必须满足两排金指间距离≥ 47mm,方可采用贴胶带的生产方式,否则必须采用贴干膜的方式生产。
6.短手指不加引线时应该特别注明,
7.关于镀金导线及假手指(此条拼板人员自行添加,MI不需注明)
1)金手指导线中心距外形线1.27mm~1.78mm(0.05″~ 0.07″) , 每只须镀金
的手指各连接一条0.2mm~0.4mm导线与之相连外形线距离板外围铜箔
4.0mm~ 6.0mm(0.16″~ 0.24″) , 如果单元间金手指相向, 则可共用一条
金手指导线,导线宽度1.5mm±0.25mm(0.060″±0.010″)。
2)金手指旁边须加假手指, 假手指加在外形线以外1mm~2mm(0.04″~0.08″)
处, 与金手指平行,其宽度1.00mm±0.13mm( 0.040″± 0.005″),长度6.0~
8.9mm(0.24″~0.35″), 如果金手指没有凹入位置,•则在镀金导线相应的位
置开阻焊窗, 长度约10mm(0.4″)。
8.关于流程
1)如金手指板件的最终表面处理是Entek或裸铜出货(客户可能拿去作沉锡等),
必须在MI首页插脚镀金一栏注明“镀金后金手指不需要贴红胶带”字样。
2)如金手指板件的最终表面处理是沉镍金,则需要在MI首页插脚镀金一栏注明
“镀金后金手指需要贴红胶带”字样。