海尔线路板设计规范08.5.8
- 格式:pdf
- 大小:737.74 KB
- 文档页数:30
浅析电路板设计规范1. 引言电路板是电子设备中不可或缺的组成部分,它承载着电子元器件并通过电路连接这些元器件。
为了确保电路板的稳定性和可靠性,制定了一系列电路板设计规范。
本文将对电路板设计规范进行浅析,介绍其中的一些重要方面。
2. 尺寸和布局在电路板的设计中,尺寸和布局是至关重要的。
合理的布局可以提高电路板性能,减少电磁干扰和信号损失。
•尺寸:电路板的尺寸应根据实际应用进行规划,同时考虑到组件的大小和布局。
过小的电路板可能会导致布局拥挤,影响信号传输和热量分散。
过大的电路板则会浪费空间和材料。
•布局:电路板的布局需要考虑到信号传输路径的长度和阻抗匹配。
关键信号线的长度应尽可能相等,以避免信号失真。
同时,应通过合理的线宽和间距设计来匹配阻抗,提高信号完整性。
3. 线路走向和规则线路走向和规则是确保电路板正常工作的基础,包括信号线、电源线和地线等。
•信号线:信号线应尽可能直接和简短,避免环行和交叉。
对于高频信号,还需要考虑信号的阻抗匹配和最小径距要求。
•电源线和地线:电源线和地线应尽可能宽,以减小电阻和电压降。
同时,电源线和地线的路径应尽量平行,避免相互干扰。
•路径规则:不同类型的线路应按照一定规则进行布局,如模拟信号、数字信号和高频信号应分开布局,以避免相互干扰。
4. 焊盘和焊接焊盘和焊接是电路板连接电子元器件的重要环节,合理的设计可以提高焊接质量和可靠性。
•焊盘设计:焊盘的尺寸和形状应根据元器件的引脚进行规划。
焊盘的大小要能够容纳引脚,并且提供足够的焊接面积。
同时,焊盘的形状也需要考虑到焊接工艺,避免造成焊接难度和质量问题。
•焊接规则:合理的焊接规则可以确保焊接质量和可靠性。
例如,应避免焊盘之间的短路和焊盘与线路之间的断路。
对于表面贴装元件,还需要考虑到焊膏的使用和焊接温度控制。
5. EMI/EMC设计电磁干扰(EMI)和电磁兼容(EMC)是电路板设计中需要重点考虑的问题。
不合理的设计可能会导致电磁干扰和信号失真。
电气工程中的电路板设计规范要求与布局原则电气工程中,电路板设计是至关重要的一环,直接关系到电子设备的性能和稳定性。
良好的电路板设计可以提高信号传输的效率,降低功耗,提升系统的可靠性。
为了满足设计需求,下面将介绍电路板设计的规范要求与布局原则。
一、电路板设计规范要求1. 尺寸和形状:电路板的尺寸和形状应与设备外壳相匹配,确保电路板能够完美安装在设备中。
同时,需要预留足够的空间布局各个元器件和信号走线。
2. PCB层数:根据实际需要,选择适当的PCB层数。
一般情况下,双面布线已经满足大部分应用需求,如果有高密度信号和较复杂布线要求,可以考虑多层布线。
3. 线路宽度和间距:根据电流大小和信号传输速率,合理选择线路宽度和间距。
一般情况下,线路宽度越宽,电阻越小,信号传输越稳定。
而线路间距越大,避免了线间串扰的问题。
4. 禁止过小孔径:过小孔径会导致打孔困难,降低钻孔精度,容易引起掉铜、起焊等问题。
因此,电路板设计中需要遵守合理的孔径规范,以确保制造质量。
5. 接地和屏蔽:合理的接地和屏蔽设计能够有效降低电磁干扰和噪音。
将信号地、电源地和机壳地分离,避免共地和回路间相互干扰。
对敏感信号进行屏蔽处理,提高系统的可靠性。
二、电路板布局原则1. 元器件布局:按照电路流程和信号路径的顺序,合理布置元器件。
将频率较高、噪音敏感的元器件远离信号走线和电源线,减少相互之间的干扰。
同时,遵循最短路径原则,减少信号传输路径的长度,降低传输损耗和延迟。
2. 供电和地引线:合理安排供电和地引线的布局,减少电流的回流路径,降低功耗和电磁干扰。
将供电和地引线尽量贴近元器件,减少回路的面积,提高系统的稳定性。
3. 信号走线:信号走线的布局应遵循最佳布线原则,避免交叉和环行。
对于差分信号,要保持两个信号线的长度一致,减少差异传输引起的相位失真。
对于高速信号,要避免尖角和突变,采取较圆滑的走线方式,减少信号反射和串扰。
4. 散热和散布:合理的散热设计可以提高电子元器件的工作效率和寿命。
用PROTEL DXP电路板设计的一般原则2009-08-12 18:10设计焊盘时的注意事项如下:1)焊盘孔边缘到电路板边缘的距离要大于 1mm,这样可以避免加工时导致焊盘缺损。
2)焊盘补泪滴,当与焊盘连接的铜膜线较细时,要将焊盘与铜膜线之间的连接设计成泪滴状,这样可以使焊盘不容易被剥离,而铜膜线与焊盘之间的连线不易断开。
3)相邻的焊盘要避免有锐角。
大面积填充电路板上的大面积填充的目的有两个,一个是散热,另一个是用屏蔽减少干扰,为避免焊接时产生的热使电路板产生的气体无处排放而使铜膜脱落,应该在大面积填充上开窗,后者使填充为网格状。
使用敷铜也可以达到抗干扰的目的,而且敷铜可以自动绕过焊盘并可连接地线。
跨接线在单面电路板的设计中,当有些铜膜无法连接时,通常的做法是使用跨接线,跨接线的长度应该选择如下几种:6mm、8mm 和 10mm。
接地1.地线的共阻抗干扰电路图上的地线表示电路中的零电位,并用作电路中其它各点的公共参考点,在实际电路中由于地线(铜膜线)阻抗的存在,必然会带来共阻抗干扰,因此在布线时,不能将具有地线符号的点随便连接在一起,这可能引起有害的耦合而影响电路的正常工作。
2.如何连接地线通常在一个电子系统中,地线分为系统地、机壳地(屏蔽地)、数字地(逻辑地)和模拟地等几种,在连接地线时应该注意以下几点:1)正确选择单点接地与多点接地。
在低频电路中,信号频率小于 1MHz,布线和元件之间的电感可以忽略,而地线电路电阻上产生的压降对电路影响较大,所以应该采用单点接地法。
当信号的频率大于 10MHz 时,地线电感的影响较大,所以宜采用就近接地的多点接地法。
当信号频率在 1~10MHz 之间时,如果采用单点接地法,地线长度不应该超过波长的1/20,否则应该采用多点接地。
2)数字地和模拟地分开。
电路板上既有数字电路,又有模拟电路,应该使它们尽量分开,而且地线不能混接,应分别与电源的地线端连接(最好电源端也分别连接)。
印制电路板设计规范一、合用范畴该设计规范合用于惯用各种数字和模仿电路设计。
对于特殊规定,特别射频和特殊模仿电路设计需量行考虑。
应用设计软件为Protel99SE。
也合用于DXP Design软件或其她设计软件。
二、参照原则GB 4588.3—88 印制电路板设计和使用Q/DKBA—Y004—1999 华为公司内部印制电路板CAD工艺设计规范三、专业术语1.PCB(Print circuit Board):印制电路板2.原理图(SCH图):电路原理图,用来设计绘制,表达硬件电路之间各种器件之间连接关系图。
3.网络表(NetList表):由原理图自动生成,用来表达器件电气连接关系文献。
四、规范目1.规范规定了公司PCB设计流程和设计原则,为后续PCB设计提供了设计参照根据。
2.提高PCB设计质量和设计效率,减小调试中浮现各种问题,增长电路设计稳定性。
3.提高了PCB设计管理系统性,增长了设计可读性,以及后续维护便捷性。
4.公司正在整体系统设计变革中,后续需要自主研发大量电路板,合理PCB设计流程和规范对于后续工作开展具备十分重要意义。
五、SCH图设计5.1 命名工作命名工作按照下表进行统一命名,以以便后续设计文档构成和网络表生成。
有些特殊器件,没有归类,可以依照需求选取其英文首字母作为统一命名。
表1 元器件命名表对于元器件功能详细描述,可以在Lib Ref中进行描述。
例如:元器件为按键,命名为U100,在Lib Ref中描述为KEY。
这样使得整个原理图更加清晰,功能明确。
5.2 封装拟定元器件封装选取宗旨是1. 惯用性。
选取惯用封装类型,不要选取同一款不惯用封装类型,以便元器件购买,价格也较有优势。
2. 拟定性。
封装拟定应当依照原理图上所标示封装尺寸检查确认,最佳是购买实物后确认封装。
3. 需要性。
封装拟定是依照实际需要拟定。
总体来说,贴片器件占空间小,但是价格贵,制板相似面积成本高,某些场合下不合用。
PCB设计规范第一部分:线路板制作单的标准内容格式要求:制作要求:1.板层:□单面板□双面板□多层板□其它2.外形尺寸:长(mm)宽(mm) (公差: )3.板厚:□1.0mm □1.2mm □1.6mm □2mm □其它 (公差: )4.覆铜:□1.0盎司□0.5盎司□其它5丝印5.1元件面丝印(TOP OVERLAY)□白色□黑色□不印□其它5.2铜箔面丝印(BOTTOM OVERLAY)□白色□黑色□不印□其它6.板材:□全玻纤维(生益) □全玻纤维(建滔)□半玻纤料 KB料□半玻纤料 L料, □半(假)玻纤料 I(65M62)料□纸板(阻燃L料)□纸板(阻燃EC料)□其它7. 绿油:□感光绿油□普通绿油□UV油□其它8.电镀: □镀金□喷锡□松香□镀铜□镀碳油□其它9.线路:□腐蚀工艺□曝光工艺□其它10.焊盘开走锡槽以mechanical layer4表示,宽度按PCB文件所示。
11. 板边、定位孔大小以mechanical layer1表示,定位孔要求为非金属化孔。
12. 丝印不可落在焊盘上或孔心上, 若设计文件不慎造成,则须将其去除或移开。
13. 拼板见图:14. V卡深度:为板厚的 1/2 ~ 2/3。
第二部分:PCB设计规范1.丝印内容要求字符:字符的方向一般选择两个方向:向上和向左;不可以有三个方向的字符。
字符不应落在焊盘上(包括单面焊盘)。
产品标识的丝印要求:机型-板类别-VER版本号日期年-月-日机型:为立项时产品机型;板类别:按照以下描述:PC-电源控制板P-电源板;C-控制板D-显示板K-按键板RY-继电器板T-检测板.版本号:从0.1开始往上升级,0.1,0.2,等等2.板边形状、大小与厚度原则上,印制电路板可为任意形状,但从生产工艺角度考虑,形状应尽量简单,一般为长宽比例不太悬殊的长方形,对于板面较大,容易产生变形的PCB,须用加强筋或边框进行加固。
为了便于生产、降低成本,应避免PCB外形尺寸公差过严。
PCB电路板PCB设计规范PCB设计规范二O一O年八月目录一.PCB设计的布局规范---------------------------3■布局设计原则-----------------------------------3■对布局设计的工艺要求------------------------------4 二.PCB设计的布线规范--------------------------15■布线设计原则----------------------------------15■对布线设计的工艺要求-----------------------------16 三.PCB设计的后处理规范-------------------------25■测试点的添加----------------------------------25■PCB板的标注---------------------------------27■加工数据文件的生成------------------------------31四.名词解释----------------------------------33■金属孔、非金属孔、导通孔、异形孔、装配孔--------------33■定位孔和光学定位点------------------------------33■负片(Negative)和正片(Positive)------------------33■回流焊(ReflowSoldering)和波峰焊(WaveSolder)-------34■PCB和PBA-----------------------------------34一.PCB设计的布局规范(一)布局设计原则1.距板边距离应大于5mm。
2.先放置与结构关系密切的元件,如接插件、开关、电源插座等。
3.优先摆放电路功能块的核心元件及体积较大的元器件,再以核心元件为中心摆放周围电路元器件。
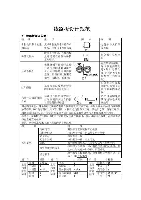
线路板设计规范●线路板合拼板原则1、拼板尽量以机型为单位,一套单面板拼成一大板,一套多层板也拼成一大板。
2、线路板四周(一般考虑波峰链爪夹持的两边即可)设计宽度为3mm的工艺夹持边,在工艺夹持边内不应有任何焊盘和器件,如若确实因板面尺寸受限制,不能满足以上要求,或采用的是组装方式,可采取四周加边框的制作方法,留出工艺夹持边,待焊接完成后,手工掰除边框。
合拼板要求不影响器件安装,拆板时不易拆断铜箔走线,合拼板尺寸最小不小于150Ⅹ80mm,最大不大于330Ⅹ250mm,根据自插机台的现状,合拼板最大的长度可适当放宽,不局限在330mm,但一旦合拼板过长,直接将导致线路板波峰变形;3、合拼后的线路板边缘有缺口,且需首先送入机插轨道,需要增加附加板,避免线路板送入轨道时卡断,附加板与线路板缺口边衔接方式用邮票孔。
●线路板定位孔考虑印板工艺边3mm和工艺孔8mm范围内区禁止排放器件(补焊件除外),印板工艺孔如下图要求所示。
注:AB两个孔孔径为Φ4,单位为mm。
●线路板焊盘及波峰考虑1、多层线路板安装孔建议只在正面加焊盘,不需要使用金属化孔,可避免波峰后安装孔锡封,单面板和多层板的安装孔焊盘形状建议为右图样式;2、在线路板增加波峰方向的箭头丝印,波峰方向与焊盘开槽方向的关系如图6。
同一板上或同一并板上的焊盘开槽方向要保持一致。
3、开槽焊盘有:接线位、荧光屏管脚、安装孔及一些因拼板后空间限制或凸出线路板边缘的器件;4、正面贴片元件引脚焊盘可以短一些;相反,背面焊盘长度可以适当长一些,或使用半圆型焊盘,以改善焊接质量;5、避免大面积连体裸露铜箔线路存在,如确需可用绿油进行间隔,避免拉尖焊点出现;6、加ICT(在线测试)点:各单面板、多层板,原则上在每一线路上都要加单独的测试点测试点焊盘>1.0mm,两测试点中心距>2.5mm。
7、另外为了提高补焊工作效率,建议在插座、接线位外增加一个吃锡焊盘,如下图8、贴片集成厚度较薄的,引脚向内弯曲的,尽量设计在线路板正面(仅限多层线路板),如设计在背面,波峰后引脚碰焊严重,不好补焊,且在插件过程,部分贴片集成会脱离胶点与线路板;同样,贴片排阻尽量不设计在线路板背面,以免虚焊或脱落。
电路板制造技术规范1. 引言电路板是电子产品中至关重要的组成部分之一,它承载并连接了各种电子元件,起着传导和控制信号的作用。
为了确保电路板的质量和可靠性,制定电路板制造技术规范是非常必要的。
本文将介绍一些常用的电路板制造技术规范,包括设计原则、材料选择、制造步骤等。
2. 设计原则在进行电路板制造之前,需要进行恰当的设计。
以下是一些常用的设计原则:2.1 追求简单性电路板设计应尽可能简化,减少线路的长度和复杂性。
过长的线路会增加信号传输的延迟和干扰的可能性,复杂的线路也会增加制造成本和故障概率。
因此,设计师应该尽量简化线路布局,避免交叉和环绕。
2.2 保证电路稳定性电路板设计应考虑到信号的稳定性和抗干扰能力。
在布线时,应将信号线与电源、地线和其他干扰源保持足够的距离,以减少干扰对信号的影响。
同时,也要注意阻碍信号传输的因素,如反射、串扰和纹波等。
2.3 考虑制造工艺电路板设计时,要考虑制造工艺的限制和要求。
例如,精细线路、小间距和高密度布局可能需要更高级的制造技术和设备,而某些特殊工艺则可能需要特殊材料(例如盲孔、埋孔等)。
3. 材料选择3.1 基板材料基板材料是电路板的主体,其性能和质量直接关系到整个电路板的可靠性。
常用的基板材料有:FR-4、CEM-1、CEM-3、金属基板等。
其中,FR-4是最常用的基板材料之一,具有较好的物理性能、电气性能和耐热性。
3.2 焊接材料焊接材料用于连接电子元件与电路板,常用的焊接材料有:焊锡丝、焊锡膏等。
焊锡丝适用于手工焊接,而焊锡膏则适用于自动化焊接。
焊锡材料的选择要根据焊接方式、工艺和要求来决定,以保证焊点的质量和可靠性。
3.3 覆盖材料覆盖材料主要用于保护电路板和焊点,以防止氧化、腐蚀以及外界湿气的影响。
常用的覆盖材料有:聚氨酯、聚氯乙烯、热固性树脂等。
覆盖材料的选择应考虑到制造工艺、环境要求和耐热性。
4. 制造步骤4.1 电路图设计首先,需要根据电路的功能要求进行电路图设计。
海尔家居施工工艺要求一、电器部分(一)常规做法:1、进户配电箱设漏电短路器为总开关,并分多路分控、照明、插座及大功率电器设备。
2、家用电器采用单相插座为电源插件的接电方式,最大接插功率:电感性负荷(电机类)0.25KW,电阻性负荷(热水器、微波炉等)2KW。
3、功率大的用电设备(1KW以上)宜单独回路配线,并选用15A单相三孔插座。
4、卫生间插座采用防溅式。
5、弱电系统配线可采用暗配和明配,但不得与强电同管敷设,选用的面板应与开关、插座同一系列。
6、漏电开关垂直安装。
按产品说明接线,按动试验按扭检查其性能。
7、电气装置应接线牢固,接触良好,有可靠接地。
(二)电气布线:1、电气布线应采用暗管敷设方式,走最近路线敷设。
2、穿线管内不允许有接头和扭结,接头应设在线盒内,接头应焊接,拐弯必须设弯头或冷弯。
3、混凝土天花、过梁等可用塑料护套线。
4、导线全部选用铜芯线,穿线管及线盒必须为阻燃型产品。
4、照明线截面不小于1.5mm2,插座线2.5mm2,大功率插座4mm2,总表走线为6mm2以上。
5、电气线路与热水管平行敷设时的距离:水管在下方时,不应小于30cm,水管在上方时不应小于20cm,交叉敷设不小于10cm。
7、火线经由开关控制。
8、开关位置为便于操作,边缘距地台高度1.3m。
落地插座应选用安全型,距地高度大于15cm,并列安装的面板间距应均匀一致,四周无空隙,紧贴墙面,线头甩出15cm。
9、插座接地不应与零线直接连接。
10、插座线零线、火线、地线三线必须同走一根线管,计算长度时按线管长度计算。
(三)灯具安装:1、灯具安装牢固可靠,固定用螺栓和吊杆不少于2个。
2、灯头火线接触点,零线接螺纹,带开关的灯头、开关手柄不应有裸露金属。
3、吊链灯具的灯线不应受力,吊灯重量大于3KG时,不得直接固定在龙骨吊顶上,软线吊灯大于1KG时增设吊链,灯具安装按说明要求安装。
4、照明灯具应分别控制,大型组合灯具可分组控制。
xxxxxxxxx有限公司企业技术规范PCB工艺设计规范目次前言 (12)1范围和简介 (13)1.1范围 (13)1.2简介 (13)1.3关键词 (13)2规范性引用文件 (13)3术语和定义 (13)4PCB叠层设计 (14)4.1叠层方式 (14)4.2PCB设计介质厚度要求 (15)5PCB尺寸设计总则 (15)5.1可加工的PCB尺寸范围 (15)5.2PCB外形要求 (17)6拼板及辅助边连接设计 (18)6.1V-CUT连接 (18)6.2邮票孔连接 (19)6.3拼板方式 (20)6.4辅助边与PCB的连接方法 (22)7基准点设计 (24)7.1分类 (24)7.2基准点结构 (24)7.2.1拼板基准点和单元基准点 (24)7.2.2局部基准点 (24)7.3基准点位置 (25)7.3.1拼板的基准点 (25)7.3.2单元板的基准点 (26)7.3.3局部基准点 (26)8器件布局要求 (26)8.1器件布局通用要求 (26)8.2回流焊 (28)8.2.1SMD器件的通用要求 (28)8.2.2SMD器件布局要求 (29)8.2.3通孔回流焊器件布局总体要求 (31)8.2.4通孔回流焊器件布局要求 (31)8.2.5通孔回流焊器件印锡区域要求 (31)8.3波峰焊 (32)8.3.1波峰焊SMD器件布局要求 (32)8.3.2THD器件布局通用要求 (34)8.3.3THD器件波峰焊通用要求 (35)8.3.4THD器件选择性波峰焊要求 (35)8.4压接 (39)8.4.1信号连接器和电源连接器的定位要求 (39)8.4.2压接器件、连接器禁布区要求 (40)9孔设计 (43)9.1过孔 (43)9.1.1孔间距 (43)9.1.2过孔禁布设计 (43)9.2安装定位孔 (43)9.2.1孔类型选择 (43)9.2.2禁布区要求 (44)9.3槽孔设计 (44)10走线设计 (45)10.1线宽/线距及走线安全性要求 (45)10.2出线方式 (46)10.3覆铜设计工艺要求 (48)11阻焊设计 (49)11.1导线的阻焊设计 (49)11.2孔的阻焊设计 (49)11.2.2测试孔 (49)11.2.3安装孔 (49)11.2.4定位孔 (50)11.2.5过孔塞孔设计 (50)11.3焊盘的阻焊设计 (51)11.4金手指的阻焊设计 (52)11.5板边阻焊设计 (52)12表面处理 (53)12.1热风整平 (53)12.1.1工艺要求 (53)12.1.2适用范围 (53)12.2化学镍金 (53)12.2.1工艺要求 (53)12.2.2适用范围 (53)12.3有机可焊性保护层 (53)12.4选择性电镀金 (53)13丝印设计 (53)13.1丝印设计通用要求 (53)13.2丝印内容 (54)14尺寸和公差标注 (56)14.1需要标注的内容 (56)14.2其它要求 (56)15输出文件的工艺要求 (56)15.1装配图要求 (56)15.2钢网图要求 (56)15.3钻孔图内容要求 (56)16背板部分 (56)16.1背板尺寸设计 (56)16.1.1可加工的尺寸范围 (56)16.1.3开窗和倒角处理 (57)16.2背板器件位置要求 (58)16.2.1基本要求 (58)16.2.2非连接器类器件 (58)16.2.3配线连接器 (58)16.2.4背板连接器和护套 (60)16.2.5防误导向器件、电源连接器 (61)16.3禁布区 (63)16.3.1装配禁布区 (63)16.3.2器件禁布区 (63)16.4丝印 (66)17附录 (67)17.1“PCBA 五种主流工艺路线” (67)17.2背板六种加工工艺 (68)17.3其它的特殊设计要求 (70)图1左右插板示意图 (14)图2PCB制作叠法示意图 (14)图3对称设计示意图 (15)图4PCB外形示意图 (16)图5PCB辅助边设计要求一 (16)图6PCB辅助边设计要求二 (17)图7PCB辅助边设计要求三 (17)图8PCB外形设计要求一 (17)图9PCB外形设计要求二 (18)图10V-CUT自动分板PCB禁布要求 (18)图11自动分板机刀片对PCB板边器件禁布要求 (19)图12V-CUT板厚设计要求 (19)图13V-CUT与PCB边缘线路/pad设计要求 (19)图14邮票孔设计参数 (20)图15铣板边示意图 (20)图16L形PCB优选拼板方式 (20)图17拼板数量示意图 (21)图18规则单元板拼板示意图 (21)图19不规则单元板拼板示意图 (21)图20拼板紧固辅助设计 (22)图21金手指PCB拼板推荐方式 (22)图22镜像对称拼板示意图 (22)图23辅助边的连接长度要求 (23)图24不规则外形PCB补齐示意图 (23)图25PCB外形空缺处理示意 (24)图26基准点分类 (24)图27单元MARK点结构 (24)图28局部MARK点结构 (25)图29正反面基准点位置基本一致 (25)图30辅助边上基准点的位置要求 (25)图31镜像对称拼板辅助边上MARK点位置要求 (26)图32局部MARK点相对于器件中心点中心对称 (26)图33热敏元件的放置 (27)图34插拔器件需要考虑操作空间 (27)图35大面积PCB预留印锡支撑PIN位置 (27)图36拉手条与器件高度匹配 (28)图37焊点目视检查要求示意图 (28)图38插框PCB进槽方向SMD器件禁布区示意图 (28)图39面阵列器件的禁布区要求 (29)图40两个SOP封装器件兼容的示意图 (29)图41片式器件兼容示意图 (29)图42贴片与插件器件兼容设计示意图 (29)图43贴片器件引脚与焊盘接触面积示意图 (30)图44器件布局的距离要求示意图 (30)图45BARCODE与各类器件的布局要求 (31)图46印锡区内禁布丝印 (32)图47偷锡焊盘位置要求 (32)图48SOT器件波峰焊布局要求 (32)图49相同类型器件布局图示 (33)图50不同类型器件布局图 (33)图51通孔、测试点与焊盘距离具体定义 (34)图52元件本体之间的距离 (34)图53烙铁操作空间 (35)图54最小焊盘边缘间距 (35)图55焊盘排列方向(相对于进板方向) (35)图56焊点和器件之间位置示意图 (36)图57焊点为中心、R=6mm的示意图 (36)图58间距大于1.27mm,焊盘大于1mm的多引脚插件焊点 (36)图59单点焊接推荐的布局 (37)图60对侧或三侧有器件的单点布局 (37)图61相邻两侧有器件的单点布局 (37)图62一侧有器件的单点布局 (38)图63器件两侧或两侧以上有器件的布局 (38)图64一侧有器件的布局 (38)图65多排多引脚器件禁布区 (39)图66欧式连接器、接地连接器定位要求 (39)图672mmFB连接器、电源插针定位要求 (39)图682mmHM、2.5mmHS3、2mmHM电源连接器定位要求 (40)图69弯公/母连接器正面和背面的禁布区 (40)图70连接器面的禁布要求 (41)图71连接器背面的禁布要求 (41)图72地插座的禁布要求 (41)图732mmFB电源插座的禁布要求 (42)图74压接型牛头插座的禁布要求 (42)图75D型连接器的禁布要求 (42)图76孔距离要求 (43)图77孔类型 (44)图78定位孔示意图 (44)图79槽孔在平面层的最小间隙要求 (45)图80走线到焊盘距离 (45)图81金属壳体器件表层走线过孔禁布区 (46)图82插槽区域的禁布区 (46)图83避免不对称走线 (47)图84焊盘中心出线 (47)图85焊盘中心出线 (47)图86焊盘出线要求一 (47)图87焊盘出线要求二 (48)图88走线与过孔的连接方式 (48)图89网格的设计 (49)图90过孔阻焊开窗示意图 (49)图91金属化安装孔的阻焊开窗示意图 (49)图92非金属化安装孔阻焊设计 (49)图93微带焊盘孔的阻焊开窗 (50)图94非金属化定位孔阻焊开窗示意图 (50)图95BGA测试焊盘示意图 (50)图96BGA下测试孔阻焊开窗示意图 (51)图97焊盘的阻焊设计 (51)图98焊盘阻焊开窗尺寸 (51)图99密间距的SMD阻焊开窗处理示意图 (52)图100金手指阻焊开窗示意图 52图101需要过波峰焊的PCB板边阻焊开窗设计示意图 53图102条形码的位置要求 54图103制成板条码框 55图104成品板条码框 55图105可加工的尺寸示意图 57图106背板倒角尺寸示意图 58图107牛头插座间距要求 59图108D型连接器间距要求 59图109压接型普通插座间距要求 59图110背板连接器右插板布局示意图 61图111minicoax和2mmHM连接器的位置要求 61图112接地连接器和欧式连接器的位置要求 62图1132mmFB连接器和单pin电源插针的位置要求 62图1142mmHM连接器和单pin电源插针的位置要求 62图1152mmHM-1*3pin电源连接器和2mmHM-C型连接器位置要求 63图1162mmHM-1*3pin电源连接器的位置要求 63图117欧式连接器禁布要求示意图 64图118波峰焊背板焊点布置要求示意图64图119D型连接器的禁布要求 65图120牛头插座禁布要求 65图121BNC插座的禁布要求 66图122单面贴装示意图 68图123单面混装示意图 68图124双面贴装示意图 68图125常规波峰焊双面混装示意图 68图126选择性波峰焊双面混装示意图 68图127背板主流工艺1示意图 68图128背板主流工艺2示意图 69图129背板主流工艺3示意图 69图130背板主流工艺4示意图 69图131背板主流工艺5示意图 70图132背板主流工艺6示意图 70图133同轴连接器选择性波峰焊布局设计要求 71表1缺省的层厚要求 (15)表2PCB尺寸要求 (16)表4条码与各种封装类型器件距离要求表 (31)表5相同类型器件布局要求数值表 (33)表6不同类型器件布局要求数值表 (33)表7安装定位孔优选类型 (43)表8禁布区要求 (44)表9推荐的线宽/线距 (45)表10走线到非金属化孔距离 (46)表11阻焊设计推荐尺寸 (51)表12可加工的尺寸 (57)表13元器件丝印要求表 (66)表14扩展卡PCB的厚度要求 (70)表15内存条PCB的厚度要求 (70)前言本规范的其他系列规范:《柔性PCB工艺设计规范》与对应的国际标准或其他文件的一致性程度:无规范代替或作废的全部或部分其他文件:《PCB工艺设计规范》本规范由单板工艺设计部门提出。
印制电路板设计规范——工艺性要求在印制电路板(PCB)设计中,工艺性要求起着至关重要的作用。
它们在确保设计的制造过程中的成功和质量方面起着重要的指导作用。
以下是一些重要的工艺性要求,以帮助确保设计的成功制造。
1.电路板尺寸:电路板的尺寸应考虑到制造过程中的材料和设备限制。
通常应避免设计过大或过小的电路板,以减少制造难度和成本。
2.线宽和间距:电路板上导线的线宽和间距是确定的工艺性要求。
规定的最小线宽和最小间隙取决于制造商的能力和工艺技术。
设计师应参考相关的工艺规范,确保选择适当的线宽和间隙。
3.接地和电源平面:对于复杂的电路板设计,接地和电源平面是至关重要的。
将适当的接地和电源平面引入设计中有助于提高信号完整性、降低噪音和提供电源稳定性。
4.焊盘大小和间距:焊盘的大小和间距的选择取决于使用的元器件和SMT制造的要求。
焊盘的尺寸和间距应足够大,以便制造商便于操作,同时也应考虑到元器件的尺寸和排布。
5.电镀要求:电路板上的电镀要求不仅决定了电路板的导电性,还决定了焊接过程中焊锡的质量。
设计师应确保制定适当的电镀规范,以避免电镀质量问题。
6.组件布局:电路板上组件的合理布局对于电路板设计的成功至关重要。
组件应按照功能分组,并考虑元器件之间的电磁干扰和热管理等因素。
7.制造层次:工艺性要求还包括针对制造过程的层次和顺序的安排。
设计师应确保将制造流程考虑在内,以确保制造商能够按照正确的顺序进行处理和装配。
8.易于维修和维护:电路板的设计还应该考虑到可能出现的维护和维修需求。
易于识别和更换的元器件,可操作的测试点和适当的标识有助于简化维修工作。
9.环保要求:在设计过程中,还应考虑到环境可持续性和环保要求。
设计师应选择符合环境法规的材料,并尽量减少废品和资源浪费。
总之,工艺性要求对于电路板设计的成功制造至关重要。
设计师应在设计过程中充分了解制造商的能力和要求,并参考相关的工艺规范,以确保设计的质量和可制造性。
电路板设计要求1.多功能环境监控电路板尺寸为:95mm×125mm,FPGA电路板尺寸为:82mm×105mm。
2.确定安装孔位置与大小(采用过孔、内外径一致,3mm或5mm)并予以Locked3.确定通讯接口、显示器件、指示灯、键盘等与结构密切相关的元器件的位置与方向并予以Locked4.放置电源焊盘,VCC:方型外径200、内径60,GND:八角型外径200、内径60,电源焊盘旁应有标识、电源焊盘尽量靠近电流中心5.设置规则:单片机电路板安全间距为10mil,FPGA为9mil。
过孔大小统一设置为焊盘40mil,过孔20mil,线宽设置,主干VCC不得小于60mil,GND最小不得小于20mil。
6.为VCC建立骨架结构,或连线、或规划,就是说要有概念、心中有线,VCC为树干结构,主干——次干——分支——树杈,它的走线简洁明快、穿孔少7.在连线时各个局部采用正交法则,尤其在很空旷的地方也是如此。
这样后面敷铜时地线才能直接连通、而不需要再重新改线(目的可以改善电路板的电磁兼容性)8.所有信号连线连完经DRC检验无误后,在T ools栏选择添加泪滴焊盘(T eardrops)(目的为了插件器件的引脚连接更牢靠)9.敷铜前将单片机电路板安全间距改为20mil或以上,FPGA电路板改为15mil或以上。
(目的为了防止因腐蚀不开而造成的短路)10.双面敷铜。
11.调整标号位置。
按照规范,PCB板上每个元器件必须有标号,而可以略去型号、阻值、容量等。
每个标号应该一目了然指向所对应的元器件而不能产生歧义,并且不能放在焊盘上。
对于过于稠密且功能相同的元件,可将所有标号隐藏而另加字符串标明。
(目的为了方便焊接)补充:画线步骤:优先规划电源线,期间不一定要布通,其次画总线。
整个画线过程中可以暂时不考虑地线。
最后用大面积覆铜的方式把地线连通。
电路板(PCB)设计规范1. 目的规范产品的PCB 设计,规定PCB 工艺设计的相关参数,使得PCB 的设计满足可生产性、可测试性、安规、EMC、EMI 等的技术规范要求,在产品设计过程中构建产品的工艺、技术、质量、成本优势。
2. 适用范围本规范适用于所有电了产品的PCB 设计,也可用PCB 投板工艺审查、单板工艺审查等活动。
3. PCB设计流程3.1 LAYOUT的事前准备事项3.1.1审查及理解原理图,仔细审读原理图,理解电路的工作条件。
如模拟电路的工作频率,数字电路的工作速度等与布线要求相关的要素。
理解电路的基本功能、在系统中的作用等相关问题。
了解相关的设计约束条件。
在与原理图设计者充分交流的基础上,确认板上的关键网络,如电源、时钟、高速总线等,了解布线要求。
理解板上的高速,高压器件及其布线要求。
对原理图进行制图审查。
对不符合原理图制图规范的地方,要明确指出,并积极协助原理图设计者进行修改。
得到关键元器件的封装图3.1.2同机构工程师沟通了解产品的外观,PCB尺寸图,及相关设计约束条件3.1.3同电装的工艺工程师及SMT工程师沟通了解相关的制造能力及工艺水准了解相关的设计约束条件3.1.4同相关的电路板制造厂的技术工程师沟通了解相关的制造能力及工艺水准了解相关的设计约束条件3. 2 确定所有约束条件及设计规格3.2.1确定电路板尺寸,根据机构图纸设定安装尺寸及禁止布线,摆放区域。
3.2.2确定电路板的基本参数:板层,板材,最小孔径,盲埋孔,最小线宽,最小线距3.2.3确定板子的加工工艺:波峰焊,回流焊,波峰+回流焊,双面回流焊3.2.4确定板子的插件形式:手插,机插,全机贴,机贴+手插3.2.5确定板子的拼板方案及工艺边3.2.6确定板子是否需ICT测试以上内容将直接关系到PCB设计。
3.3造元件库将所有设计标准元件库中没有的元件根据设计资料建立专属元件库3.4生成网络表创建网络表的过程中,应根据原理图设计工具的特性,积极协助原理图设计者排除错误。
超市促销宣传方案(经典版)编制人:__________________审核人:__________________审批人:__________________编制单位:__________________编制时间:____年____月____日序言下载提示:该文档是本店铺精心编制而成的,希望大家下载后,能够帮助大家解决实际问题。
文档下载后可定制修改,请根据实际需要进行调整和使用,谢谢!并且,本店铺为大家提供各种类型的经典范文,如工作报告、工作计划、方案大全、教学教案、随笔大全、总结范文、短美文、诗词歌赋、教学资料、其他范文等等,想了解不同范文格式和写法,敬请关注!Download tips: This document is carefully compiled by this editor. I hope that after you download it, it can help you solve practical problems. The document can be customized and modified after downloading, please adjust and use it according to actual needs, thank you!Moreover, our store provides various types of classic sample essays for everyone, such as work reports, work plans, comprehensive plans, teaching plans, essays, summary essays, short and beautiful essays, poetry and poetry, teaching materials, and other sample essays. If you want to learn about different formats and writing methods of sample essays, please stay tuned!超市促销宣传方案在做方案时,要充分沟通与协作,及时反馈和解决问题,确保项目顺利进行。
0目录1概述1.1 适用范围本《规范》适用于设计的所有印制电路板(简称PCB);规范之前的相关标准、规范的内容如与本规范的规定相抵触的,以本规范为准。
1.2 参考标准或资料下列标准包含的条文,通过在本标准中引用而构成本标准的条文。
在标准出版时,所示版本均为有效。
所有标准都会被修订,使用本标准的各方应探讨,使用下列标准最新版本的可能性: GB/4588.3—88 《印制电路板设计和使用》Q/DKBA-Y001-1999《印制电路板CAD工艺设计规范》《PCB工艺设计规范》IEC60194 <<印制板设计、制造与组装术语与定义>> (Printed Circuit Board design manufacture and assembly-terms and definitions)IPC—A—600F <<印制板的验收条件>> (Acceptably of printedboard)IEC60950 安规标准GB/T 4677.16-1988 印制板一般检验方法PCB铜箔与通过电流关系爬电距离对照表1.3 目的A.本规范规定了我司PCB设计的流程和设计原则,主要目的是为PCB 设计者提供必须遵循的规则和约定;B.统一规范产品的 PCB设计,规定PCB设计的相关工艺参数,提高PCB 设计质量和设计效率,使得PCB 的设计满足可生产性、可测试性、可靠性、安规、EMC、EMI 等技术规范的要求,在产品设计过程中构建产品的工艺、技术、质量、成本优势,提高竞争力。
2PCB设计任务的受理和计划2.1 PCB设计任务的受理当硬件项目人员需要进行PCB设计时,需提供以下资料:●经过评审的、完全正确的原理图,包括纸面文件和电子件;●正式的BOM表;●PCB结构图,应标明外形尺寸、安装孔大小及定位尺寸、接插件定位尺寸、禁止布线区等相关尺寸;●对于新器件,需要提供厂家产品规格书或封装资料;以上资料必须保证正确性,如有设计更改,设计师应及时通知PCB设计人员,并将相应的更改资料发放。