摩擦材料和制动器间的热传导试验方法 编制说明
- 格式:doc
- 大小:68.50 KB
- 文档页数:4
紧凑型轿车盘式制动器设计中的热传导与散热优化探究在紧凑型轿车盘式制动器设计中,热传导与散热是非常重要的因素。
盘式制动器是当车辆刹车时产生摩擦力,将动能转化为热能的设备,因此必须有效地传导和散热,以确保制动器的正常运行和长寿命。
热传导是将制动器中产生的热量从摩擦材料传导到制动器柱塞、转向盘和制动盘等部件的过程。
热传导的效率取决于材料的导热性能。
在盘式制动器设计中,通常选择具有良好导热性能的材料,例如铸铁、铜合金等。
这些材料具有较高的热导率,能够更好地传导热量,降低制动盘和制动器柱塞等零部件的温度。
此外,制动器的散热也是至关重要的。
良好的散热设计可以帮助将热量迅速散发到周围环境中,防止制动器过热,并提高制动性能的稳定性。
散热的优化与制动器的结构和材料有密切的关系。
一种常见的散热优化方式是通过设计制动盘的通风结构。
盘式制动器通常由制动盘和制动钳组成,其中制动盘上有许多装有盘翼的散热孔。
通过增加盘翼的数量和尺寸,可以增加制动盘与周围空气之间的接触面积,提高散热效果。
此外,还可以采用薄型散热盘,减少盘内的热滞留。
除了设计制动盘的通风结构,还可以使用散热散热片或散热罩等附件来增强散热效果。
散热片可以附加在制动器的散热孔处,增加散热面积,加快热量的辐射和对流散热。
而散热罩则可以将热量集中引导到一定区域,以便更好地散发热量。
此外,盘式制动器的制动片材料也对散热性能有一定的影响。
不同的制动片材料具有不同的热传导性能和耐热性能。
选择合适的制动片材料可以有效降低制动器的温升。
在紧凑型轿车盘式制动器设计中,热传导和散热的优化是非常重要的。
通过选择适用的材料、设计合理的通风结构和使用附件等方式,可以有效提高制动器的散热效果,减少制动器的温升和热衰退现象,保证其安全可靠地工作。
综上所述,在紧凑型轿车盘式制动器设计中,热传导与散热的优化是非常重要的。
合理选择材料、设计合理的通风结构和使用附件等方式可以有效提高制动器的散热效果,确保其正常工作并延长使用寿命。
制动器制动温度对制动性能的影响1概述制动性能是车辆最为重要的主动安全性能,其稳定性与行车安全密切相关。
摩擦材料对温度的敏感性是制动稳定性的主要影响因素之一。
在制动过程中,整车的运动动能通过摩擦材料与制动器间的摩擦转化为其他形式的能量,其中,约90%转化为热能,表现为制动器温度的升高。
随着温度的上升,摩擦材料的表面膜、机体表层发生复杂的物理和化学变化,从而导致摩擦系数发生明显变化。
摩擦材料的摩擦系数在较低的温度区间随着温度的升高而增加;但在温度持续升高时,摩擦材料发生热衰退,摩擦系数随着温度的升高而降低;而当温度降低到低温区间后,摩擦系数又会逐渐恢复。
摩擦材料的这一特性使制动器的制动性能不同温度下发生明显变化。
不同的摩擦材料对温度的敏感特性不同。
目前,汽车制动器所使用的摩擦材料主要有无石棉有机摩擦材料、粉末冶金摩擦材料、金属陶瓷摩擦材料、新型混杂纤维摩擦材料、新型陶瓷摩擦材料等。
其中,粉末冶金摩擦材料和金属陶瓷摩擦材料应用较为广泛。
粉末冶金摩擦材料是以金属及其合金为基体,添加摩擦组元和润滑组元,用粉末冶金技术烧结形成的复合材料,具有较好的高温强度、耐热性、热稳定性和经济性;金属陶瓷摩擦材料是由金属基体、润滑组元和陶瓷组分组成的复合材料,也是采用粉末冶金工艺制备而成,其具有较高的热容量、良好的热导性、耐高温、耐磨、摩擦系数高、寿命长等特点,在高温下仍能保持优良的性能。
本文选取了4种不同类型的汽车制动器,并通过制动器台架试验,对制动器制动性能随温度的变化规律开展研究。
2试验设备及方法2.1试验设备制动器惯性试验台能够利用制动器台架试验再现实车制动过程,并模拟实车制动的冷却条件,广泛应用于制动器总成性能测试。
试验台由计算机、液压系统、控制系统、主轴及主轴驱动系统、惯量系统等构成。
计算机控制试验台的启停并记录试验数据;液压系统为受试件提供制动压力;控制系统接收计算机控制指令并实施主轴驱动和制动控制;主轴由直流电机驱动,用于获得制动初速度;惯量系统由不同惯量的等比飞轮构成,可以模拟不同类型车辆的行驶惯量。
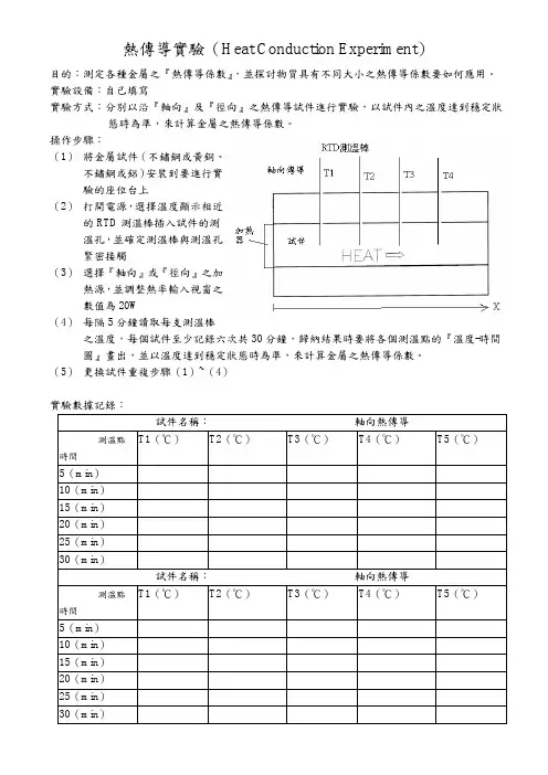
熱傳導實驗(Heat Conduction Experiment)目的:測定各種金屬之『熱傳導係數』,並探討物質具有不同大小之熱傳導係數要如何應用。
實驗設備:自己填寫實驗方式:分別以沿『軸向』及『徑向』之熱傳導試件進行實驗,以試件內之溫度達到穩定狀態時為準,來計算金屬之熱傳導係數。
操作步驟:(1)將金屬試件(不鏽鋼或黃銅、不鏽鋼或鋁)安裝到要進行實驗的座位台上(2)打開電源,選擇溫度顯示相近的RTD測溫棒插入試件的測溫孔,並確定測溫棒與測溫孔緊密接觸(3)選擇『軸向』或『徑向』之加熱源,並調整熱率輸入視窗之數值為20W(4)每隔5分鐘讀取每支測溫棒之溫度,每個試件至少記錄六次共30分鐘,歸納結果時要將各個測溫點的『溫度-時間圖』畫出,並以溫度達到穩定狀態時為準,來計算金屬之熱傳導係數。
(5)更換試件重複步驟(1)~(4)實驗數據記錄:試件名稱:軸向熱傳導T1(℃) T2(℃) T3(℃) T4(℃) T5(℃)測溫點時間5(min)10(min)15(min)20(min)25(min)30(min)試件名稱:軸向熱傳導T1(℃) T2(℃) T3(℃) T4(℃) T5(℃)測溫點時間5(min)10(min)15(min)20(min)25(min)30(min)試件名稱: 徑向熱傳導測溫點 時間 T1(℃) T2(℃) T3(℃) T4(℃) T5(℃) 5(min ) 10(min ) 15(min ) 20(min ) 25(min ) 30(min )試件名稱: 徑向熱傳導測溫點時間 T1(℃) T2(℃) T3(℃) T4(℃) T5(℃) 5(min ) 10(min ) 15(min ) 20(min ) 25(min ) 30(min )實驗數據圖示:(1) 用Excell 畫出各個測溫點的『溫度-時間』圖(2) 依據(1)之圖,估計各個測溫點達到穩定狀態時的溫度,依此溫度,畫出各試件在各個測溫點達到穩定狀態的『溫度-位置』圖(在『軸向』實驗中應有兩試件之線;在『徑向』實驗中也應有兩試件之線) 實驗數據計算:(1) 依據穩定狀態的『溫度-位置』圖,將各點連成擬合直線(不是折線),依據此直線之斜率(『軸向』為XTΔΔ)(『徑向』為)ln(io o i r r T T −)來計算『熱傳導係數K 』。
目录页码前言 3 1. /2. /3.范围、参考资料与相关文件 44.特征数据 55.产品与功能说明以及检验计划 66.质量检查7 6.1程序7 6.2产品质量预先计划与测试计划8 6.3活动矩阵96.4.专有技术保护的证明材料127.1完整衬垫的测试与要求12 7.2物理数据13 7.2.1/2/3密度、孔隙率以及pH指数13-14 7.3力学性能与热性能15 7.3.1剪力与粘结剂15 7.3.2热压缩系数以及冷压缩系数17 7.3.3导热性19 7.3.4衬垫膨胀20 7.3.5防腐蚀性-背板涂层21 7.4摩擦行为、系数与测试程序21 7.5证明材料27 7.6计算制动转矩的公式277.7附录:衬面数据表288.附录1:7.6所述之制动转矩339.附录2:AK Master的测力计测试50前言在汽车产业中,客户与供应商之间的关系在世界范围内快速地变化着。
在竞争日益激烈以及成本压力增加的情况下,汽车制造商将越来越多的责任推向供应商。
面对着汽车产业、国际汽车平台以及国际企业等全球化进程的快速发展,制定关于摩擦衬面开发、发展以及质量保证的国际测试规范是无可辩驳的,也是当务之急。
根据“AK标准”(参见欧洲规范1与2)(AK标准的成员代表摩擦衬面以及客车制动器的大多数欧洲制造商)、德国摩擦材料产业协会/欧洲摩擦材料制造商协会团队“AK-QS”以及最新的国际测试规范,已经详细制定了国际规范的草案初稿。
为了获得广泛的同意与支持,下列概念与详细资料被提交至国际与国家研究机构以及相关国际企业以及公司集团。
所述的测试程序可根据不同汽车概念、企业特性与市场等适当考虑的因素进行灵活调整。
客户专用路面/驾驶测试以及特别测试补充了产品交付的程序。
本介绍书的基本目的如下:-把握项目阶段发展并将结果转化为生产。
-增加产品可靠性,同时控制检查成本。
-根据过程稳定性标准确定检查频率。
-制造过程的稳定性比最终检验程序更重要。
摩擦材料导热率测试标准是一个重要的参数,它反映了摩擦材料在摩擦过程中热量的传递能力。
以下是对摩擦材料导热率测试标准的介绍:一、测试标准的重要性导热率是摩擦材料性能的关键指标之一,它影响着材料的摩擦性能、磨损性能和热稳定性。
通过对导热率的测试,可以更好地了解摩擦材料的性能,为其优化设计和应用提供依据。
二、测试方法摩擦材料导热率的测试方法主要有热线法、热膜法、激光法等。
其中,热线法是一种常用的测试方法,其原理是通过一根非常细的金属丝作为热线,通过测量热线上的温度变化来计算导热率。
热膜法则是通过测量两个平行的金属片之间的温度差来计算导热率。
激光法则是通过测量激光在摩擦材料表面上的反射率来计算导热率。
三、测试环境的影响在测试导热率时,环境因素对测试结果的影响也不容忽视。
例如,温度、湿度、空气流速等因素都会对摩擦材料的导热率产生影响。
因此,在测试时需要保证环境的恒温、恒湿和低空气流速,以确保测试结果的准确性。
四、测试误差的控制由于各种因素的影响,摩擦材料导热率的测试结果可能会存在一定的误差。
为了控制误差,需要采用高精度的测量仪器、正确的操作方法和重复测试等方法。
同时,还需要对测试结果进行误差分析,找出误差的原因并进行修正。
五、与其他性能指标的关系导热率与摩擦材料的耐磨性、耐热性、抗咬合性等性能指标密切相关。
通过对导热率的测试,可以更好地了解摩擦材料的综合性能,为其优化设计和应用提供更加全面的信息。
六、实际应用中的考虑因素除了理论上的考虑,在实际应用中,还需要考虑摩擦材料的其他因素,如摩擦表面的状态、载荷的大小、工作温度等。
这些因素都会对摩擦材料的导热率产生影响,因此在实际应用中需要进行充分的试验和评估。
综上所述,摩擦材料导热率的测试标准是一个重要的参数,需要严格按照标准进行测试,以确保测试结果的准确性和可靠性。
同时,在实际应用中还需要充分考虑其他因素,为摩擦材料的优化设计和应用提供更加全面的信息。
机械工程中汽车刹车系统的磨损与热传导特性汽车刹车系统是汽车重要的安全保障装置,而刹车片的磨损和热传导是刹车系统正常工作的关键特性。
本文将深入探讨机械工程中汽车刹车系统的磨损与热传导特性。
1. 刹车片的磨损刹车片是汽车刹车系统中用于产生摩擦力的关键组件。
在制动过程中,刹车片与刹车盘之间产生摩擦,从而达到减速和停车的目的。
刹车片的磨损性能直接影响到刹车性能和寿命。
刹车片的磨损主要分为两种类型:表面磨损和体积磨损。
表面磨损是指刹车片表面的金属摩擦层的磨损,通常由于刹车盘表面的凹凸度或颗粒污染引起。
而体积磨损是指刹车片整体的磨损,通常是由于长时间的使用造成的。
刹车片的磨损主要受到刹车盘质量、刹车压力和刹车片材料等因素的影响。
刹车盘的质量直接影响到刹车片与之摩擦时的磨损程度,而刹车压力则会增加刹车片与刹车盘之间的亲和力,从而增加磨损。
此外,刹车片的材料也起着至关重要的作用,不同的材料具有不同的磨损性能。
2. 刹车片的热传导特性刹车过程中会产生大量的摩擦热,而热传导特性是刹车系统能够快速散热的重要特性。
刹车片的热传导特性主要受到材料热导率、结构设计和制动方式等因素的影响。
刹车片的材料热导率决定了热量在刹车片内部和周围环境之间的传导速率。
一般来说,热导率越高,刹车片能够更快地将摩擦产生的热量传导到刹车盘和周围环境中,从而防止刹车过程中温度过高而导致刹车失效。
刹车片的结构设计也会影响其热传导特性。
例如,刹车片表面的散热鳍片可以增大表面积,提高热量的散发速度。
此外,刹车片的通风设计也可以改善热传导特性,通过增加通风孔的数量和尺寸,增加空气对刹车片的冷却作用。
制动方式对刹车片的热传导特性也有一定影响。
在常规制动过程中,刹车片与刹车盘之间的接触面积相对较小,导致摩擦所产生的热量集中在接触区域,热传导速度较快。
而在连续制动过程中,刹车片与刹车盘之间的接触面积较大,摩擦所产生的热量会更均匀地分布在刹车片上,热传导速度相对较慢。
环保舒适性摩擦制动片的研制一.简述摩擦材料广泛应用于各种车辆的制动和工程机械设备的制动。
尤其是在汽车行业,更是必不可缺少的安全部件。
汽车制动时依靠摩擦材料和其对偶的摩擦力将汽车的动能转换成热能和其它形式的化学能,从而达到车辆制动的目的。
此时摩擦材料本身的温度瞬时迅速提高,有时达300—500℃,甚至更高。
工作环境极其恶劣。
摩擦材料产品的性能和质量直接影响到汽车的行驶安全性能。
所以,摩擦材料行业必须生产高质量的产品。
目前国内市场的需求随着汽车保有量的增加而迅速增加,增加产品数量的同时必须提高产品质量。
目前国内状况是,由于摩擦制动片本身制造工艺简单这一特点,造成目前国内制造企业星罗棋布,规模不一,缺少科研开发人才和设施,产品的技术参数参差不齐,尤其是售后市场的产品质量悬殊很大。
配套产品的市场,几乎由国内的几家合资企业所垄断。
尤其是高档车型的摩擦制动片的配套。
《货车、客车制动器性能要求》[QC/T239-2005]和《乘用车制动器性能要求及台架试验方法》[QC/T564—2008]两个企业标准是国内车辆配套摩擦制动片必须进行的试验并达到的技术指标。
目的是保证车辆制动的可靠性和稳定性。
配套产品达到了,可是大量的售后市场的制动片,包括售后制动器厂家选用的制动片,能达到台架试验合格的产品,估计寥寥无几。
我认为,凡是行驶中的车辆,都需要可靠稳定的产品。
目前国外的一些摩擦材料行业的大亨纷纷在中国的国土上建厂,带来了他们的先进技术和先进产品,这是好事,但无疑也有对中国摩擦材料行业的巨大冲击。
中国的摩擦材料行业要想改变产品落后的状态而生存和不断的发展壮大,迫切的任务是技术创新,工艺创新,提高效率,降低能耗,产品质量赶上和达到国际先进水平。
这就必须加大科研投入,提高产品质量,不再相互进行低价位竞争。
另一方面,国内独资和合资的摩擦材料企业越来越多,无疑给我们借鉴先进工艺先进技术的机会越来越多。
借鉴,创新是我们提升摩擦材料产品的捷径和必由之路。
T/XXX 10XX-201X《道路车辆—制动衬片摩擦材料—摩擦性能缩比试验方法》团体标准编制说明《缩比试验方法》标准起草组二0一八年十月道路车辆—制动衬片摩擦材料—摩擦性能缩比试验方法Road vehicles — Brake lining friction materials—Friction behavior scale test procedure标准编制说明1项目背景1.1 项目的来源:在标准的“引言”中,对缩比试验标准产生的背景做了说明。
1.1.1在摩擦材料产品开发和生产过程中,如何评价材料的摩擦性能,始终是一个探讨和争论的议题。
A.目前广泛采用总成试验的方法,但它存在诸多的影响因素,而且试验周期长,成本高。
本标准旨在提供一种只针对摩擦材料,又能模拟汽车行驶的实际工况的试验方法。
B.本标准将缩比原理应用于摩擦材料性能测试。
其中最为关键的是,将总成试验的工况条件,按照缩比原则进行缩小,以相同的减速制动方式,进行性能测试和评价;实现与总成试验的可比性。
C.现行的恒速拖磨试验方法(和质量标准),存在诸多弊端。
由于与实际驾驶工况、制动系统特性或汽车动力学特性没有相互关系;所拖磨方式测出的摩擦系数的含义不同于模拟实验(减速制动);事实证明,用恒速拖磨的方式对摩擦性能进行评价是不准确的。
D.推出摩擦材料缩比试验方法的目的,是要提出一种缩比惯性测功机的试验程序,它能够在较大变化范围的行驶速度、制动温度、制动压力或制动减速度等条件下,模拟汽车的制动过程,对材料的摩擦性能进行评价。
1.1.2本标准推出的缩比试验方法具有以下特点:A.等同采用国内外广泛应用的制动器总成试验程序,便于与全尺寸总成试验台的数据进行比较;B.由于采用相同的缩比制动器和对偶,缩比试验的测试结果可用于摩擦材料之间的相互比较;C.本试验方法用于测试材料的摩擦性能,应用于原料筛选,产品早期开发,过程质量控制和样件测试;D.与全尺寸总成试验相比,缩比试验有更高的效率,较低的测试成本;1.1.3这个标准所推出的试验方法具有创新性,也有针对现行摩擦材料质量标准中存在的弊端的意图。
湖南科技大学金属材料专业综合实验题目材料专题设计与研究实验作者倪菊仙学院机电工程学院专业金属材料工程学号0903050228指导教师许剑光、徐红梅二〇一二年六月九日目录1、实验一材料热导率的测定‥ (3)1.1实验目的 (3)1.2实验材料 (3)1.3实验仪器 (3)1.4实验原理 (3)1.5实验步骤 (4)1.6实验数据记录与分析 (5)2、实验二材料热膨胀系数的测定 (5)2.1实验目的 (5)2.2实验材料 (5)2.3实验仪器 (5)2.4实验原理 (6)2.5实验步骤 (7)2.6实验数据记录与分析 (7)3、实验三材料的摩擦磨损实验 (12)3.1实验目的 (12)3.2实验材料 (13)3.3实验仪器 (13)3.4实验原理 (13)3.5实验步骤 (13)3.6实验数据记录与分析 (14)4、实验四 X射线衍射技术及物相定性分析 (15)4.1实验目的 (15)4.2实验材料 (15)4.3实验仪器 (15)4.4实验原理 (15)4.5实验步骤 (16)4.6实验数据记录与分析 (17)5、心得体会 (18)实验一材料热导率的测定一:实验目的导热系数(热导率)是反映材料导热性能的物理量。
在科学实验和工程技术中对材料的热导率常用实验的方法测定。
大体上分为稳态法和动态法。
本实验采用稳态法测量材料热导率。
通过实验可以加深对热传导规律的理解,体会使用参量转换法的设计思想,掌握用温度传感器测量的方法。
二:实验材料环氧树脂三:实验仪器DRL-Ⅱ导热系数测试仪本仪器主要测试薄的热导体、固体电绝缘材料、导热树脂、氧化铍瓷、氧化铝瓷等陶瓷导热系数测定。
主要参数:1)试样大小:Φ30mm2)试样厚度:0.02−10mm3)热极控制范围:室温—500.0℃4)冷极控制范围:室温—99.0℃5)测试范围:0.015~45W/mk6)测试精度:优于1﹪7)电源:220V/50Hz8)连接上位机实际计算机自动测试,并实现数据打印输出四:实验原理热传导定律:如果热量沿着x方向传导,那么在x轴任意位置Xo处取一个垂直截面△S(如图),以表示在x处的温度梯度,以表示在该处传热率(单位时间通过截面△S 的热量)那么热传导定律可以表示成 式中负号表示热量从高温区向低稳区传导(即传导的方向与温度梯度的方向相反)。
目录页码前言 3 1. /2. /3.范围、参考资料与相关文件 44.特征数据 55.产品与功能说明以及检验计划 66.质量检查7 6.1程序7 6.2产品质量预先计划与测试计划8 6.3活动矩阵96.4.专有技术保护的证明材料127.1完整衬垫的测试与要求12 7.2物理数据13 7.2.1/2/3密度、孔隙率以及pH指数13-14 7.3力学性能与热性能15 7.3.1剪力与粘结剂15 7.3.2热压缩系数以及冷压缩系数17 7.3.3导热性19 7.3.4衬垫膨胀20 7.3.5防腐蚀性-背板涂层21 7.4摩擦行为、系数与测试程序21 7.5证明材料27 7.6计算制动转矩的公式277.7附录:衬面数据表288.附录1:7.6所述之制动转矩339.附录2:AK Master的测力计测试50前言在汽车产业中,客户与供应商之间的关系在世界范围内快速地变化着。
在竞争日益激烈以及成本压力增加的情况下,汽车制造商将越来越多的责任推向供应商。
面对着汽车产业、国际汽车平台以及国际企业等全球化进程的快速发展,制定关于摩擦衬面开发、发展以及质量保证的国际测试规范是无可辩驳的,也是当务之急。
根据“AK标准”(参见欧洲规范1与2)(AK标准的成员代表摩擦衬面以及客车制动器的大多数欧洲制造商)、德国摩擦材料产业协会/欧洲摩擦材料制造商协会团队“AK-QS”以及最新的国际测试规范,已经详细制定了国际规范的草案初稿。
为了获得广泛的同意与支持,下列概念与详细资料被提交至国际与国家研究机构以及相关国际企业以及公司集团。
所述的测试程序可根据不同汽车概念、企业特性与市场等适当考虑的因素进行灵活调整。
客户专用路面/驾驶测试以及特别测试补充了产品交付的程序。
本介绍书的基本目的如下:-把握项目阶段发展并将结果转化为生产。
-增加产品可靠性,同时控制检查成本。
-根据过程稳定性标准确定检查频率。
-制造过程的稳定性比最终检验程序更重要。
摩擦副的几何尺寸是指摩擦材料试样和制动盘的外形尺寸。
缩比试验模型设计时,根据摩擦材料工作特点应重点考虑的几何量参数有:摩擦材料试样的摩擦面积、制动摩擦半径、制动盘承受热负荷的体积。
此外,摩擦材料试样的个数也是必须考虑的因素。
因此确定的缩比试验模型几何缩比系数(因几何量相似常数往往是缩小的,有时也称为几何缩比系数)有:(1)摩擦面积缩比C S-试样摩擦面积与实际摩擦片摩擦面积之比;(2)摩擦面个数缩比C g-试样摩擦面数与实际摩擦片摩擦面数之比;(3)摩擦半径缩比C R-缩比制动盘摩擦半径与实际制动盘摩擦半径之比;(4)制动盘承受热负荷的体积缩比C V-缩比制动盘有效受热部分体积与实际制动盘有效受热部分体积之比。
对于几何缩比系数的选择,并无固定的说法,不同的技术领域和门类有着自己不同的要求,而其选择的依据,又都在于试验的具体情况。
如汽车模型的风洞试验,其汽车模型缩比比例为1/4~/5;水利试验时,水利拱坝模型的缩比比例为1/150~1/250等。
一般讲缩比比例越小,模型越小,测试仪器设备体积可相应减小,但非主要因素的作用可能相对增大,试验结果误差越大,可比性越差。
增大缩比虽然可提高测试精度,但不能过大,否则就失去了缩比试验的意义。
因此,在许可的预测精度范围内,同时不致造成观察上的困难和仪器设备的超负荷现象,尽可能增大几何缩比,这是缩比比例选取的基本原则。
在摩擦学领域,据相关文献[83]介绍,缩比试验的摩擦面积缩比为1/4~1/10比较合适。
我国的火车粉末冶金合成闸瓦1/4缩比惯性试验台的摩擦面积缩比就是1/4。
对汽车摩擦材料缩比试验而言,缩比比例小,则台架试验设备小,试验成本就会越低。
在保证摩擦线速度与1:1试验相同的条件下,摩擦半径越小,则摩擦盘转速越高,而系统动能与转速的平方成正比,故惯量就越小。
这些关系为缩比比例的确定及缩比台架设计提供了较宽的选择余地。
对于轿车盘式制动器,摩擦片的摩擦面积一般为30~60cm2,参考现有的定速试验机试样尺寸(25×25 mm)和Chase试验机试样摩擦面积(约6.45 cm2),取面积缩比C S=1/5比较合适。
一、实验目的1. 了解摩擦生热的原理;2. 掌握摩擦生热实验的操作方法;3. 通过实验观察摩擦生热现象,验证摩擦生热的存在;4. 分析摩擦生热的影响因素。
二、实验原理摩擦生热是指两个物体相互摩擦时,由于物体表面的分子相互作用,使物体表面温度升高的现象。
根据能量守恒定律,摩擦过程中,机械能转化为内能,导致物体温度升高。
三、实验仪器与材料1. 实验仪器:电子温度计、摩擦棒、砝码、秒表、平板、支架;2. 实验材料:酒精、蒸馏水、甘油、石蜡、石墨、滑石粉等。
四、实验步骤1. 将平板放置在支架上,确保其水平;2. 在平板上均匀涂上一层酒精,作为实验的介质;3. 将摩擦棒一端放在平板上,另一端悬挂砝码;4. 开始计时,用秒表记录摩擦时间;5. 在摩擦过程中,用电子温度计测量摩擦棒的温度变化;6. 改变摩擦棒的重量,重复步骤4-5,观察温度变化;7. 将摩擦棒涂上不同介质,重复步骤4-5,观察温度变化;8. 记录实验数据。
五、实验结果与分析1. 实验结果表明,摩擦生热现象确实存在,摩擦棒的温度随摩擦时间的增加而升高;2. 在相同摩擦时间下,摩擦棒的重量越大,温度升高越明显;3. 在相同摩擦时间下,涂上不同介质的摩擦棒,其温度升高程度不同,其中酒精的摩擦生热效果最好,其次是甘油、蒸馏水,石蜡、石墨、滑石粉的摩擦生热效果较差;4. 分析原因:摩擦生热与摩擦力、摩擦面积、摩擦介质的性质等因素有关。
摩擦力越大,摩擦面积越大,摩擦介质的导热性能越好,摩擦生热效果越明显。
六、实验结论1. 摩擦生热现象确实存在,摩擦棒的温度随摩擦时间的增加而升高;2. 摩擦生热的影响因素包括摩擦力、摩擦面积、摩擦介质的性质等;3. 在实际应用中,可以通过调整摩擦条件,实现摩擦生热的优化。
七、实验心得通过本次实验,我对摩擦生热现象有了更深入的了解,掌握了摩擦生热实验的操作方法。
在实验过程中,我学会了如何观察实验现象、记录实验数据、分析实验结果。
刹车片、制动器摩擦材料及羰基纳米材料项目建议书-写作模板 (一)项目名称:刹车片、制动器摩擦材料及羰基纳米材料项目建议书一、背景随着汽车工业的不断发展和人们对行车安全的要求越来越高,刹车片、制动器摩擦材料逐渐成为关注的焦点。
传统的制动材料存在使用寿命短、制动力不稳定、持续高温容易老化等问题。
为了解决这些问题,我们需要先进的制动材料。
二、项目建议为了满足市场需求,建议研发出一种全新的刹车片和制动器摩擦材料。
该材料应该具有以下特点:1. 使用寿命长2. 制动力稳定性高,制动响应快3. 具有良好的热稳定性和耐磨性4. 无噪音,在高速行驶下也不易产生噪音5. 具有环境友好性为了实现以上要求,建议使用羰基纳米材料作为制动材料的基础材料。
羰基纳米材料是一种新型材料,具有非常优秀的热导率、电导率、热稳定性和机械性能。
三、实施方案1. 研发羰基纳米材料首先,我们需要研发出羰基纳米材料。
羰基纳米材料的制备方法有很多种,目前比较常用的方法是溶液浸渍法和化学还原法。
我们需要根据制动材料的要求,选择合适的合成方法,并对合成过程进行改进,使其更适合用于制备刹车片和制动器摩擦材料。
2. 制备刹车片和制动器摩擦材料有了羰基纳米材料之后,我们需要将其制备成刹车片和制动器摩擦材料。
我们将对制备过程进行微调和改进,以达到最好的性能。
3. 对制动材料进行测试在制作出刹车片和制动器摩擦材料之后,我们需要对其进行各种性能测试,以保证其能够满足市场需求。
测试项目包括但不限于以下:1. 磨损测试2. 制动力测试3. 热稳定性测试4. 声学测试5. 环保测试根据测试结果,我们将对制动材料进行微调和改进,以继续提高其性能。
四、预期效果通过这项项目的研发,我们将能够生产出使用寿命长、制动力稳定性高、热稳定性良好、耐磨性好、无噪音的制动材料,从而有效提高行车安全性能。
同时,通过使用羰基纳米材料,我们还将能够提高环保性能,为可持续发展做出贡献。
五、总结本项目建议利用羰基纳米材料研发新型刹车片和制动器摩擦材料,以满足市场对行车安全性能要求的提高。
《摩擦材料和制动器间的热传导试验方法》
编制说明
一、工作简况
1.任务来源
本标准根据国家标准化管理委员会《关于下达第一批推荐性国家标准计划的通知》(国标委发【2019】11号)制定,计划号为:20190750-T-609。
本标准由中国建筑材料联合会提出,由全国非金属矿产品及制品标准化技术委员会(SAC/TC406)归口。
2.主要工作过程
随着汽车产业在全球范围内的高速发展,对摩擦材料的性能要求越来越高,欧美工业化发达国家环保意识的普遍提高,对其使用条件也越来越苛刻。
汽车摩擦材料是汽车制动器、离合器和摩擦传动装置的关键材料,材料性能的好坏关系着制动系统运行的可靠性和稳定性。
制动器衬片在与制动盘制动摩擦时,造成刹车片磨损的因素主要是机械摩擦和热力作用,热力作用产生的较高温度容易使刹车片的基体材料-树脂软化分解,从而加剧机械磨损,因此研究摩擦材料的热传导性能和温度分布有着非常深远的现实意义,一方面适应了汽车产业的进一步发展,另一方面将克服摩擦材料在使用过程中温度分布难以实测的矛盾,尽可能全面地对汽车刹车片使用安全进行评价。
接到制定订任务后,迅速成立标准起草小组。
预期在2020年完成标准报批等工作。
在标准的前期调研阶段,由于国内没有相关的摩擦材料热传导试验标准,因此一方面和业内主要技术专家进行了初步的联络和探讨,另一方面查阅相关技术文件、借鉴国外技术资料,并结合国内摩擦材料发展现状和特点,制定适合国情、适合现阶段发展的摩擦材料热传导试验标准。
2019年12月16日〜20日在江苏省无锡市锡州花园酒店召开了全国非金属矿制品标准化技术委员会标准审议会和研讨会,邀请业内专家和邀请河北、浙江、山东、湖北、广东、福建等地区的领军企业技术骨干,对该标准草案进行研讨,经过小组讨论和分析,依据业内专家提出的意见和建议,形成了征求意见稿。
二、标准编制原则和主要内容确定依据
1.标准编写原则
标准修订遵循“统一性、协调性、适用性、一致性、规范性”的原则,注重标准的可操作性,本标准严格按照《GB/T 1.1-2020标准化工作导则第1部分:标准的结构和编写规则》的规定进行表述。
2.主要内容
本标准参考SAE J2581-2017标准,结合国内发展现状和技术水平状况进行增删补充。
规定了热传导试验标准中-热扩散系数、导热系数、比热容和热膨胀系数的4类检测项目的试验方法,全面分析汽车刹车片热力处理的性能,为摩擦材料的研究开发提供方向。
标准文本格式按照GB/T 1.1-2020全面修改。
本标准与SAE J2581-2017相比,主要做了以下修改:
(1)依据GB/T 1.1-2020,对范围进行了简明描述。
(2)GB/T 22588代替ASTM E1461。
(3)GB/T 32064代替ASTM C1114。
(4)GB/T 10295代替ASTM E1225。
(5)GB/T 19466.4代替ASTM E1269。
(6)GB/T 4339代替ASTM E228。
(7)术语和定义采用文字叙述,将4、5、6、7章节划入术语和定义中;
(8)将3.2放在了第4章节-方法概述;
(9)增加了引言,将第8章节划入引言中;
(10)为了便于本标准的使用和理解,将实验方法在本标准中进行了描述;三、主要试验情况分析
验证试验是根据先进科学、合理可行的原则,通过对试验数据的分析、处理和试验过程的观察等,制定标准的试验条件及试验方法,保证本标准所列的各项试验方法建立在科学、可行的基础上,使技术指标具有一定的代表性,尽可能在现有条件下,使标准完善。
标准工作组对本标准中的试验方法进行了验证,工作组使用5个不同公司的实验样品进行了验证。
表1 5家企业试验数据
四、标准中涉及专利情况
本标准经起草小组认真调研和核查,未发现涉及到相关企业、单位和个人的专利。
五、产业化情况、推广应用论证和预期达到的经济效果等情况
目前我国汽车产业进入由数量扩张向质量提升的转型时期,但产业长期稳定向好的发展态势没有改变,未来市场空间依然非常广阔。
我国全国汽车保有量大约在2.6亿辆左右,千人汽车保有量从原来不到10辆快速增长到180多辆。
我国未来随着居民收入不断提高,消费不断升级,城市化逐步推进,我国千人汽车保有量仍然还有较大的增长空间。
一方面,随着保有量的不断增加,每年更新消费量就有可能从现在的900万辆左右逐步增加到2000万辆以上。
这样的增长速度必将带动刹车片生产企业的同步发展,是行业发展的新契机,目前全国每年大约需要3亿套的刹车片才能维持正常供给水平,并且呈现逐年递增态势,2020年我国刹车片市场规模在200亿元左右,这就对汽车摩擦材料的生产有着相当高的要求,既要质量过硬又要环保安全。
汽车摩擦材料是生产汽车刹车片的原材料,属于消耗品,尤其在汽车长时间高速行驶时,不间断的制动会使刹车片迅速升温,加剧刹车片的损耗,从而造成刹车距离不断变长,产生潜在的安全风险。
因此对刹车片的热传导性能研究非常必要,可以清楚地了解刹车片在制动过程中热处理能力和温度分布,从而准确分析刹车片的使用寿命和潜在风险,保护人身安全,降低道路事故发生率。
所以,制定热传导的标准可以更好地规范行业的发展,为国家汽车产业的发展保驾护航。
国内目前没有一个系统完整的摩擦材料热传导试验标准,制定该标准将填
补我国在摩擦材料尤其是汽车用制动器衬片技术领域的空白,是追赶超越国外摩擦材料发展领域的一个关键节点,可以助力新型汽车摩擦材料的研究开发和应用,全面提升汽车摩擦材料的性能,支持汽车产业长足发展,推广中国技术和中国方案,产生良好经济效益,使得国内汽车产业的生产与销售稳中有进,良性循环。
六、采用国际标准和国外先进标准情况
参考美国机动车工程师学会SAE J2581-2017《道路车辆-制动衬片-摩擦材料和制动器间热传导试验方法》,结合国内实际,采用了相对应的国家标准。
七、与现行相关法律、法规、规章及相关标准,特别是强制性标准的协调性
与现行相关法律、法规、规章无抵触之处,与相关标准特别是强制性标准完全协调。
八、重大分歧意见的处理经过和依据
本标准在制订的过程中,没有出现重大分歧意见。
九、标准性质的建议说明
本标准建议为国家推荐性标准。
十、贯彻标准的要求和措施建议
为了推广贯彻本标准,我们建议:
1.标准发布后,由全国非金属产品及制品标准化技术委员会摩擦材料分技术委员会举办《摩擦材料和制动器间的热传导试验方法》标准宣贯会。
2.标准发布后,为摩擦材料生产企业与应用企业提供了必要的技术支撑,有利于科学合理地评估判断摩擦材料热传导和温度分布,从而推动整个行业提升、改善摩擦材料的性能。
十一、废止现行相关标准的建议
无其它应予说明的问题。
十二、其它应予说明的事项
无其它应予说明的问题。