295柴油机连杆加工说明书
- 格式:doc
- 大小:176.15 KB
- 文档页数:15
1.前言1.1 本课题的意义S295柴油机以其设计紧凑,启动轻便,维修简便,技术经济指标先进,能为手扶拖拉机、水泵、电站、运输与多种农副业加工机械和设备作配套动力,在工农业生产中得到广泛的应用。
机体是柴油机的一个重要零件, 首先要对柴油机气缸体进行工艺设计。
要对柴油机气缸体零件进行工艺性审查,确定零件的结构特点,加工材料,加工表面与其要求等。
本设计的柴油机气缸体主要包括两个部分:工艺设计部分和工装设计部分。
工艺设计主要是对柴油机气缸体的加工工艺路线进行设计,工装设计部分则是对钻夹具进行设计。
随着现代工业生产水平的飞速提高,设计新产品、新加工工艺路线,实现现代化,提高生产率,是当前生产中的迫在眉捷的任务。
在设计工作开始之前,老师带领我们参观了机床厂生产流水线,让我首先对生产柴油机气缸体有了感性认识。
在参观的过程中,老师认真地给我讲解了其加工过程和生产方式,分析了各部件的功能特性,避免了我在以后的毕业设计过程中的盲目性。
1.2 国(外)发展概况与现状柴油机的开发焦点已由传统的优先考虑经济性、可靠性和耐久性逐步转为目前的优先考虑环保的要求,即以优先保护好人类赖以生存的地球环境为出发点去考虑采用何种技术,去评价其先进性。
优先考虑柴油机排放、噪声对环境的影响问题,与过去相比也有不同,就是在满足目前对排气污染物、颗粒排放与噪声的限制要求时,不再以牺牲经济性、动力性和比质量等为代价,而是在达到上述目标的同时使产品具有可竞争的商业价格。
欧洲一些公司近年或稍后将继续推出能满足环境要求的百公里油耗为3L的柴油机。
当前和将来一个时期车用柴油机技术的发展趋势突出表现在如下几个方面:A.进一步优化燃烧系统,特别重视开发和选择喷射系统Perkins公司的Ouadram 燃烧室、日野公司的HMMS燃烧室,小松公司的MTEC燃烧室与五十铃公司的四角形燃烧室等,都在试验开发阶段,其基本特点是由一个中央涡流与四周的微涡流使空气燃料快速而充分地混合,并配合以合适的燃油喷射系统。
目录第一章柴油机连杆的加工工艺 (2)1.1 柴油机连杆的用途及其特点 (2)1.2 连杆的的材料及毛坯制造 (2)1.3 连杆的加工工艺过程 (3)1.4 连杆的加工工艺过程分析 (4)1.4.1 定位基准的选择 (4)1.4.2 加工阶段的划分和加工顺序的安排 (5)1.4.3 确定合理的夹紧方法 (5)1.4.4 连杆主要面的加工方法 (6)1.4.5 连杆主要孔的加工方法 (6)1.4.6 连杆体与连杆盖的铣开工序 (7)1.5夹具使用 (7)1.6 确定各工序的加工余量、计算工序尺寸及公差. 71.6.1 确定加工余量 (7)1.6.2确定工序尺寸及其公差 (8)1.7 各项加工数据的计算 (8)1.8 连杆的检验 (12)1.8.1 观察外表缺陷及目测表面粗糙度 (13)1.8.2 检查主要表面的尺寸精度 (13)1.8.3检验主要表面的位置精度 (13)1.8.4 连杆螺钉孔与结合面垂直度的检验 (13)第二章工装设计 (14)2.1 铣削分面夹具设计 (14)2.1.1夹具的问题注意 (14)2.1.2 夹具设计 (14)2.2 扩大头孔夹具 (16)2.2.1 夹具的注意问题 (16)2.2.2 夹具设计................................................ 16参考文献: ............................................................ 20致谢. (21)第一章柴油机连杆的加工工艺1.1 柴油机连杆的用途及其特点连杆是发动机中的主要传动部件之一,它在柴油机中,把作用于活塞顶面的膨胀的压力传递给曲轴,又受曲轴的驱动而带动活塞压缩气缸中的气体。
连杆在工作中承受着急剧变化的动载荷。
连杆由连杆体及连杆盖两部分组成。
连杆体及连杆盖上的大头孔用螺栓和螺母与曲轴装在一起。
为了减少磨损和便于维修,连杆的大头孔内装有薄壁金属轴瓦。
工序内容:粗铣两端面工步
吃刀量
经
12.5um
工序内容:精铣两端面
工步
背吃刀量
-
3.2um
工序内容:磨两端面工步
背吃刀量
表面粗糙度
工序内容:钻、扩,铰小头孔,孔口倒角
工步
经济精度
工步
mm
6.3.
工步
经济精度
工步
号
工序内容:
工步
2mm
工步
0.6mm
寸
工序内容:粗精铣结合面工步
-
量
工步
-
量
工序内容:磨结合面工步
-
-
粗糙度
工序内容:钻,扩螺栓孔,铰定
位孔,孔口倒角
工步
深
工步
精度等级
5mm
工步
精度等级
工步
`
工序内容:工步
表面粗
0.05mm
工序内容:
孔孔口倒角
工步
IT12
工步
、、
工序内容:工步
度
工序内容:工步
0.4mm
+
孔工序尺寸糙度
210
工序内容:珩磨大头孔工步
公差等级
表面粗糙度
工序内容:铣大头孔轴瓦槽工步
槽宽
工序内容:钻小头油孔工步
糙度
工序内容:铣小头两端面工步
4mm
头端面工序尺寸
工步
工序内容:精镗小头衬套孔工步
量
工序尺寸。
课程设计说明书设计题目:柴油机的曲柄连杆机构设计班级:J动力(机械)1201学号:**********姓名:***指导老师:***日期:2015年1月12日目录1 任务要求 (1)2 柴油机曲柄连杆机构动力计算 (2)2.1 原始参数 (2)2.2 动力计算 (3)结论 (12)致谢 (12)参考文献 (13)1任务要求(1).柴油机的曲柄连杆机构设计(2).计算活塞运动规律及曲柄连杆机构受力分析(位移,速度,加速度,气体力,往复惯性力,连杆力,切向力,径向力,侧压力,单缸输出转矩,总转矩)(3).编写课程设计说明书内容包括:封面,目录,原始资料及数据,设计计算及说明。
参考资料及文献等,计算机打印,装订成册。
2 柴油机曲柄连杆机构的动力学计算2.1 原始参数原始参数及已知条件 1) 柴油机型号:495 2) 燃烧室形式:涡流室 3) 气缸直径D :95mm 4) 活塞行程S :115mm 5) 活塞平均速度(m/s):7.67 6) 总排量:0.817L 7) 标定转速(r/min):2000 8) 压缩比ε:18~20 9)连杆长:210mm10) 质量:活塞810g连杆大头1382g ,小头505g 11) 曲柄半径R :57.5mm ;12) 连杆比2738.0==l Rλ;13) 活塞面积2265.784cm D F p ==π;14) 标定功率e N :8.8kw (12PS ); 15) 曲轴旋转角速度s rad n/21030==πω 222/44100s rad =ω;16) 曲轴销中心的切向速度s m R /075.12=ω; 17) 曲柄销中心的切向加速度22/75.2535s m R =ω;2.2 动力计算1)运动分析及动力计算 (1)运动参数的计算 活塞运动规律计算公式: 活塞位移:)]sin 11(1cos 1[22ϕλλϕ--+-=r x活塞速度:)2sin 2(sin ϕλϕω+==r xv活塞加速度:2)2cos (cos ωϕλϕr x a +==连杆摆角:)sin arcsin(αλβ=以上个参数具体位置见 图2-1 曲柄连杆机构简图所示。
编号: 495柴油机连杆加工工艺规程编制人完成时间金肯职业技术学院495柴油机连杆加工工艺规程1.连杆的结构特征与技术要求1.1连杆结构特征连杆是汽车发动机中的重要零部件,它连接活塞和曲轴,将活塞的往复运动变为曲轴的旋转运动,并把作用在活塞上的力传给曲轴后输往驱动轮。
495柴油发动机连杆成品图样:其结构特征如下:连杆有连杆小头、连杆杆身和连杆大头等部分组成。
连杆小头与活塞销相连。
对全浮式活塞销,由于工作时小头孔与活塞销之间有相对运动,所以在连杆小头中压入衬套。
小端:发动机连杆是并列式连杆,小端采用薄壁圆环结构,这是因为它形状简单,制造方便,重量轻,受力之后小段中的应力分布比较均匀;小头采用斜面,与斜面底座相配合,可增加活塞销座和连杆小头的支撑面积,用于加强发动机。
两侧顶部加厚,以提高抗弯能力,减小变形,保证润滑间隙,提高工作可靠性,但加工较复杂。
大端:连杆大头与曲轴的连杆轴颈相连,大头有整体式和分开式是两种。
一般采用分开式,分开式又分为平分和斜分两种。
连杆大头采用平切口,是因为它易于加工,刚性好,而且连杆螺栓不受剪切力作用。
把连杆大头分开可取下的部分叫连杆盖,连杆体与连杆盖配合加工不能互换,因此必须在同一侧打上装配标记。
杆身:连杆杆身为较细长的变截面非圆形杆件,其截面从大头到小头逐步变小,以能更好地适应在工作中承受的急剧变化的动载荷。
为减小惯性力,还应尽量减轻杆身重量。
连杆的长短直接影响到发动机的高度和侧压力的大小,较长的连杆能使惯性力增加,而同时在侧压力方面的改善却不明显。
因此在发动机设计时,当运动件不与有关零部件相碰时,都力求缩短连杆长度。
连杆杆身通常做成“工”字形断面,上小下大。
采用压力法润滑的连杆,杆身中部制造有连通大小头的油道。
连杆杆身的截面十分重要,它应能保证强度的前提下有尽量较轻的重量,此外,还要有利于该截面的形状由大端向小端的过度,因此发动机连杆本身采用工字型截面。
过渡区:较大的过渡半径:连杆小端工作时,下半部主要承受燃气爆发力,而上半部则承受着活塞组的往复惯性力,所以连杆小端到杆身的过渡结构对小段的强度有很大影响,切点处常常是应力高峰值所在处,因此小端和大端与杆身连接处采用大圆弧过渡,一方面提高小端与大端的刚度,另一方面也减小了这些地方的应力集中。
机电及自动化学院《机械制造工艺学》课程设计说明书设计题目:柴油发动机连杆工艺规程设计姓名:学号:0811114019班级:机电(1)班届别:2008指导教师:2011 年7月摘要连杆是柴油机的主要传动件之一,本文主要论述了连杆的加工工艺及其夹具设计。
连杆的尺寸精度、形状精度以及位置精度的要求都很高,而连杆的刚性比较差,容易产生变形,因此在安排工艺过程时,就需要把各主要表面的粗精加工工序分开。
逐步减少加工余量、切削力及内应力的作用,并修正加工后的变形,就能最后达到零件的技术要求。
机械加工工艺是企业上品种、上质量、上水平,加速产品更新,提高经济效益的技术保障。
然而夹具又是制造系统的重要部分,工艺对夹具的要求也会提高,专用夹具、成组夹具、组合夹具和随行夹具都朝着柔性化、自动化、标准化、通用化和高效化方向发展以满足加工要求。
所以对机械的加工工艺及夹具设计具有十分重要的意义。
目录摘要 (I)绪论 (4)第一章机械加工工艺规程的制定 (7)1.1零件的工艺性分析 (7)1.1.1产品结构和工艺分析 (7)1.1.2 平面加工 (7)1.1.3 孔加工 (8)1.1.4 技术要求分析 (8)1.2毛坯的确定 (9)1.2.1 有关设计条件的说明 (9)1.2.2. 毛坯的材料 (10)1.2.3 制坯方法的确定 (10)1.3连杆工件的定位基准和定位方案分析 (12)1.4加工经济精度与加工工序安排 (13)1.4.1加工经济精度 (13)1.4.2连杆加工主要加工表面的工序安排 (13)1.5典型表面的加工方法 (14)1.6连杆加工工艺过程的确定 (15)1.6.1定位基准的选择 (15)1.6.2工艺路线的拟定 (15)1.7加工设备与工艺装备的选择 (18)第二章机械加工工艺卡片的设计 (20)2.1确定加工工艺过程 (20)2.2机械加工余量的确定 (20)2.3各项加工数据的计算 (21)致谢 (28)参考文献 (30)绪论一、连杆的结构特点连杆是发动机的主要零件之一,它连接活塞和曲轴,把作用于活塞顶面的膨胀气体的压力传给曲轴;将活塞的往复运动变为曲柄的旋转运动,又受到曲轴的驱动而带动活塞压缩缩气缸中的气体。
连杆是汽车发动机主要的传动机构之一,它将活塞与曲轴连接起来,把作用于活塞顶部的膨胀气体压力传给曲轴,使活塞的往复直线运动可逆的转化为曲轴的回转运动,以输出功率。
是为发动机提供安全可靠、经久耐用、节省能源、满足功用的一个重要零件,它对开发轻型、高速、大功率的柴油机有着密切的关系。
因此,连杆的合理结构设计、加工工艺性设计,保证连杆的加工质量,提高生产效率有这重要意义,它是保证柴油机产品质量的关键所在。
此说明书,对连杆零件进行了详细的分析。
设计出了零件加工的工艺规程。
在工艺规程中涉及到了连杆加工的加工工艺,加工设备的选择,加工余量的确定,毛坯的确定,机床、刀具的确定,夹具的设计一系列与连杆加工有紧密联系的因素。
通过对此次设计,学会对中等难度零件的工艺编制,及其特定工序的夹具设计。
关键词:工艺;毛坯;夹具。
ABSTRACTThe connecting rod module is in the diesel engine essential movement power transmission component. It is affects the gas physical strengthand so on each kind of strength transmits on the piston gives the crank, also transforms the crank rotary motion into the piston reciprocal motion part. Is safely provides reliable, durable, the economical energy, satisfied function important components for the engine, it to develops lightly, is high speed, the high efficiency diesel engine has close relationship. Therefore, the connecting rod reasonable structural design, the processing technology capability design, guaranteed the connecting rod the processing quality, enhances the production efficiency to have this vital significance, it is guaranteed the diesel engine product quality the key is at. This instruction book let, has carried on the detailed analysis to the connecting rod components.Designed the components processing technological process. A series of involved the processing craft in the technological process which the connecting rod processed, the processing equipment choice, the processing remainder determination,the semifinished materials determination, the engine bed, the cutting tool determination, the jig design with the connecting rod processing had the close relation the factor.By the endtime of the densign,learn the technics weave of medium difficultry part,and the holding design of the especially working procedure.Key words:roughcast; craft; jig目录目录绪论 (1)1. 零件的工艺分析 (2)1.1 连杆的工作情况 (2)1.2 连杆的结构特点 (2)1.3 连杆机械加工的主要技术要求 (3)2. 毛坯的确定 (4)2.1生产类型的确定 (4)2.2 材料的选择 (4)2.3 毛坯种类与方法的确定 (4)2.4 确定毛坯尺寸公差和加工余量 (4)2.5 毛坯主要加工表面的尺寸及公差的确定 (6)3. 连杆工艺规程的编制 (7)3.1 定位基准的选择 (7)3.2 拟订工艺路线 (7)3.2.1选择表面加工方法 (7)3.2.2加工阶段的划分 (8)3.2.3加工工序的顺序安排 (8)3.2.4机械加工余量、工序尺寸及其公差的确定 (11)3.2.5加工设备与工艺装备的选择 (22)4. 夹具设计 (26)4.1 夹具体材料及制造方法 (26)4.2 夹具体结构设计 (26)4.3 定位分析与定位误差计算 (26)4.4 导向元件的设计 (26)4.5 螺栓、垫圈选择 (27)4.6 夹具的工作原理 (27)结论 (28)致谢 (29)参考文献 (30)文献综述绪论绪论本课题研究的主要內容是连杆加工工艺过程的编制以及在加工中用到的一些典型夹具的设计。
大学《汽车制造工艺学》课程设计说明书设计题目:编制连杆工艺规程及铣连杆大头平面夹具班级:设计者:指导教师:评定成绩:设计日期:年月目录序言课程设计任务书一、生产纲领及零件说明二、连杆的材料和毛坯三、连杆的技术要求四、连杆的机械加工工艺过程五、切削用量的选择原则六、工时定额的计算七、专用夹具设计课程设计总结参考文献汽车制造工艺学课程设计任务书一.原始资料:1. 连杆零件图2. 生产纲领:3000—10000件3. 生产类型:批量生产4. 质量标准:严格执行零件设计图提出的要求5. 车间:机加工机床(X62铣床)二.工艺规程步骤:1. 画连杆零件图,体、盖各一张2. 编制连杆工艺规程(1).分析零件图,对零件进行工艺分析(2).拟定工艺路线,其主要工作是:A. 选择定位基准B. 确定各表面的加工方法C. 安排加工顺序D. 安排检验等辅助工序(3).确定各工序的加工余量,计算工序尺寸及公差(4).确定工艺所使用的设备及刀、夹、量具和辅助工具(5).确定切削用量及时间定额(6).确定各工序的技术要求及检验方法(7).填写工艺卡片A. 机械加工工艺过程卡片B. 机械加工工序卡片三.夹具设计步骤:1. 设计的准备(在进行夹具设计之前,应该收集和掌握下列必要的的资料)(1).生产纲领(2).零件图与工序图(3).工序内容(夹具所在工序的内容)2. 方案设计(1).定位基准的分析(分析限制工件的自由度)(2).定位方案的确定(计算定位误差)(3).夹紧方案的确定(进行夹紧力的计算)3. 审核4. 总体设计5. 尺寸和夹具技术要求的标注(在夹具总图上标注必要的尺寸和夹具技术)6. 夹具零件图的绘制四.具体要求:1. 产品零件图各一张2. 机械加工工艺过程卡片一套3. 机械加工工序卡片一套4. 夹具总装配图2#图纸一张5. 夹具主要零件图(3#)一张6. 课程设计说明书(4000—6000字)一份(1).封面(2).目录(3).设计任务书(4).课程设计说明书正文(包括工艺规程设计和夹具设计的全部内容)五.参考资料1. 《切削用量简明手册》2. 《机械加工工艺手册》3. 《机械零件设计手册》4. 《机械制造工艺与机床夹具课程设计指导》汽车工程系2012年6月序言《汽车制造工艺学课程设计》是我们学习完大学阶段的汽车类基础和技术基础课以及专业课程之后的一个综合的课程设计,它是将设计和制造知识有机的结合,并融合现阶段汽车制造业的实际生产情况和较先进成熟的制造技术的应用,而进行的一次理论联系实际的训练,通过本课程的训练,将有助于我们对所学知识的理解,并为后续的课程学习以及今后的工作打下一定的基础。
0前言组合机床是根据加工需要,以大量通用部件为基础,配以少量专用部件组成的一种高效专用机床。
组合机床主要用于平面加工和孔加工。
平面加工包括铣平面、车端面、刮平面;孔加工包括钻、扩、铰、镗孔以及倒角、切槽、攻螺纹等。
组合机床最适宜于加工各种大中型箱体类零件,如气缸体、气缸盖、变速箱体等零件。
目前,组合机床在汽车、拖拉机、仪器仪表、军工及缝纫机、柴油机、纺织、航空等部门,应用越来越普遍。
组合机床主要适用于棱体类零件和杂体的孔面加工,生产效率高,研制周期短,便于设计、制造和使用维修,配置灵活,且自动化程度高,劳动强度低。
在将来,组合机床将向五个方面发展:高速化、高精度化、复合化、高科技含量化以及环保化。
同时,在自动化方面,将会进一步提高。
众所周知,多少年来机械产品加工中广泛的采用万能机床。
但随着生产的发展,很多企业的产品产量越来越大,精度也越来越高,如汽车、拖拉机行业的气缸体、气缸盖、变速箱等零件,采用万能机床虽能加工出如上产品,但在精度方面就不能很好的满足要求。
因为在一台机床上总是加工一种工件,使万能机床的很多部件和机构变得作用不大,工人整天忙于装夹工作、启动机床、进刀退刀等繁琐事务,不仅劳动强度很大,而且生产效率也不高,不利于保证产品加工精度。
正是基于以上情况,促使了组合机床的发展。
我国组合机床近几年取得了长足的进步,但是与发达国家相比,在产业结构、产品水平、开发能力、产业规模、制造技术水平、劳动生产率、国内外市场占有率等诸多方面尚存在不少差距。
在组合机床方面,总体水平不高,国际竞争力不强,不能充分满足国内建设需要,关键技术过分依赖国外,自主发展能力薄弱,高技能人才的比较优势有弱化的危险,同时产品结构类同,产品质量不稳定,用户服务水平差距较大。
我国组合机床近几年取得了长足的进步,但是与发达国家相比,在产业结构、产品水平、开发能力、产业规模、制造技术水平、劳动生产率、国内外市场占有率等诸多方面尚存在不少差距。
机电及自动化学院《机械制造工艺学》课程设计说明书设计题目:柴油发动机连杆工艺规程设计姓名:黄超群学号:1311113011班级:机电(1)班届别:2013指导教师:林碧2016 年7月目录第一章工艺规程设计1.1 连杆功用和受力分析 (3)1.2连杆主要技术要求 (4)1.3 选择毛坯制造方法 (6)1.4拟定零件加工的工艺路线 (7)1.4.1 拟定工艺方案原则 (7)1.4.2 加工方法的选择 (8)1.4.3加工顺序的安排 (8)1.4.4 定位基准的选择 (9)第二章机械加工工艺卡片的设计2. 1 工艺方案的拟定 (11)2. 2 机械加工余量的确定 (11)2. 3 确定时间定额 (12)总结 (14)参考文献 (15)第一章工艺规程设计1.1 连杆功用,受力分析,工艺特点。
连杆是发动机的主要零件之一。
连杆的功用是将活塞承受的力传给曲轴,从而使得活塞的往复运动变为曲轴的旋转运动。
连杆承受活塞销穿来的气体作用力及其本身摆动和活塞组成往复运动是的惯性力,这些力的大小和方向都是周期性变化的。
因此,连杆受到的是压缩,拉伸和弯曲等交变载荷。
这就要求连杆在质量尽可能小的情况下,有足够的强度和刚度。
如果连杆的刚度不够,则可能产生的后果是:其大头孔失圆,导致连杆大头轴瓦因油膜破坏而烧损;连杆杆身弯曲,造成活塞与气缸偏磨。
活塞环漏气和窜油等。
连杆一般用中碳钢或合金钢经模锻或锟锻而成,然后经过机械加工和热处理。
本次设计的为295柴油机的连杆,它是有连杆体、连杆盖、定位套、活塞销轴承和螺钉等组成。
它的大头孔与曲轴的曲轴颈配合,小头孔与活塞销配合。
在小头孔的顶端有一个油孔,依靠飞溅润滑把润滑油注入小头孔内。
工作时,连杆小头与销之间有相对转动,因此小头孔中一般压入减摩的青铜衬套。
有的连杆在连杆体内钻通一个连接大小头孔的深油孔,把由曲轴颈来的润滑油强制通过深油孔注入小头孔内,但这种深油孔加工较困难,因此不被采用。
为了减少惯性力的影响,在保证连杆具有足够的强度的前提下,要尽可能减轻其重量,所以连杆采用了从大头孔到小头孔逐步变小的“工”字型截面形状。
连杆大头按剖分面的方向可分为平切口和斜切口两种。
平切口连杆的剖分面垂直与连杆轴线。
一般汽油机连杆大头尺寸都小于气缸直径。
可以采用平切口。
柴油机的连杆,由于受力比较大,其打头的尺寸往往超过气缸直径,为使大头能通过气缸。
便于拆卸,一般采用斜切口连杆,斜切口连杆的大头剖分面与连杆轴线成30˚~60˚夹角。
斜切口连杆在工作中受惯性力的拉伸,在切口方向有一个较大的横向分力。
因此在斜切口连杆上必须采用可靠的定位措施。
斜切口连杆常用的定位方法有:1)止口定位,2)套筒定位,3)锯齿定位。
在295柴油机连杆采用的是套筒定位。
他是在连杆盖的每一个螺栓孔中压配一个刚度大,而且剪切强度高的短套筒。
他与连杆大头有精度很高的配合间隙,故装拆连杆也很方便。
他的缺点是定位套筒的工艺要求高,若孔距不够准确,则可能因为过定位而造成大头孔严重失圆,此外,连杆大头的横向尺寸也必然因此而加大。
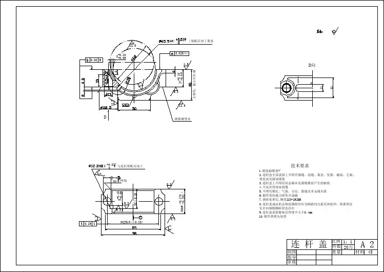
1.2连杆主要技术要求连杆机械加工的主要表面有大、小头孔及端面,结合面,工艺凸台面,螺栓孔等。
连杆主要精度的技术要求:1.大小头孔的精度为了使大头孔与轴瓦及曲轴、小头孔与活塞销能紧密的配合,减少冲击的不良影响、便于传热,大头孔的尺寸为φ70H6(+0.018/0)mm ,小头孔的尺寸为φ39H7(+0 .027/0)mm,大头孔表面粗糙为Ra=1.6um,小头孔表面粗糙为Ra=1.6um,大头端面的圆柱度公差为0.08mm,小头端面的圆柱度公差为0.06mm。
2.大小头孔轴心线在两个互相垂直方向的平行度两孔轴心线在连杆轴线方向的平行度误差,将使活塞在气缸中倾斜,增加活塞与气缸的摩擦力,加剧气缸壁的磨损,缩短柴油机的使用寿命,同时也会造成曲轴的曲轴颈边缘的磨损。
在垂直连杆轴线方向上的平行度为100:0.01 5 mm。
3.大小头孔的中心距由于大小头孔的中心距影响到气缸的压缩比,即影响到发动机的效率,因此,规定了比较高的要求:210±0.05 mm。
4.大头两端面对大头孔轴心线的垂直度大头孔两端面对其轴线垂直度误差也会使曲轴的曲颈产生边缘磨损,所以对它也提出了一定的要求:大头孔端面对大头孔单位轴心线的垂直度为100:0.08 mm,小头孔端面对小头孔单位轴心线的垂直度为100:0.06mm。
5.两螺栓孔(定位孔)在两个互相垂直方向上的平行度及对结合面的垂直度连杆在工作中受到急剧变化的动载荷作用,这一动载荷又传递到螺栓(螺钉)上,因此除了对螺钉提出高的技术要求外,对螺栓孔(定位孔)也提出了一定的要求。
上述平行度和垂直度误差会使连杆体和盖的结合面结合不良,影响螺栓的承载能力,并引起大头孔轴瓦与曲轴的轴颈配合不良,而产生不均匀磨损。
6.连杆的重量为了保证柴油机的运转平稳,连杆的重量差别不能超过一定的范围。
7.连杆螺栓的预紧力的要求连杆螺栓装配时的预紧力很重要,如预紧力过小,螺栓一旦在工作时松开,则变载荷迅速地使螺栓断裂,因此要求连杆螺母有一定的扭紧力矩。
8.其它技术要求:a)连杆应经调质处理,硬度为HB223~280同一付连杆上的硬度差不大于40单位,在H处检验。
b)纵剖面金属宏观组织其纤维方向应沿着连杆中心线并与连杆外形相符,不得有环曲及断裂,不允许有裂纹缩松气泡分层及夹渣。
c).显微组织应为均匀的细晶粒结构,铁素体只允许呈细小夹杂物状存在d)未注锻造拔模斜度不大于7°,未标注圆角半径R≤3毫米e)锻件毛坯经喷砂处理不加工表面应光洁,不允许有裂缝,折痕结疤,发裂,氧化度等缺陷,不允许用补焊的方法来修补缺陷。
f)螺纹应有完满的形状,不得有裂纹。
g)每付连杆重量对名义重量之偏差不大于10克重,在所指QS处调整大小头重量。
h)去尖角毛刺。
i)连杆应经磁力探伤检验,探伤后作退磁处理。
j)在N处打厂标,7号字体GB126-74在M处打成对标记3.5号字体GB126-74。
k)连杆衬套两端与小头两端面切平,内孔两端倒角0.5×45°,光洁度12.5um。
1.3 选择毛坯制造方法连杆材料一般采用45钢或40Cr钢,近内来也有采用球墨铸铁。
此次材料采用45钢。
因为连杆的生产类型为大批生产。
故采用模锻锻造毛坯模锻是由毛坯经加热后在锻模中锻制而成的。
因而其轮廓尺寸接近零件的尺寸,加工余量及材料消耗均大大减少。
由于模锻件的尺寸比较精确,模锻件有可能免去以后的机械加工。
又由于模锻件的成本较自由锻件为低,模锻件制造过程远较自由锻造的过程为短,所要求的工人熟练程度也较低。
所以采用模锻锻造连杆毛坯.连杆毛坯的锻造工艺有两种方案:将连杆体和盖分开锻造或整体锻造。
采用整体锻造或分开锻造还决定于锻造设备的能力,显然整体锻造需要有大的锻造设备。
从锻造后的材料组织来看,分开锻造的连杆盖金属纤维是连续的,因此具有较高的强度,而整体锻造的连杆,经切开后,连杆盖的金属纤维是断裂的,因而削弱了强度。
当然整体锻造要增加切开连杆的工序。
但是,整体锻造可以提高材料的利用率,减少结合面的加工余量。
机械加工的装夹比较方便,而且只需要一套模锻,一次便可锻成,毛坯也只有一只,便于组织和管理生产。
所以一般只要不受连杆盖形状和锻造设备的限制,尽可能采用连杆的整体锻造工艺。
但是本次加工的零件连杆的连杆盖中间有凹坑,这样就不能采用整体锻造工艺。
因为整体锻造时总以杆身的对称面为分模面,此时连杆盖两端的筋就无法锻出,所以必须分开锻造。
锻造包括自由锻造、模锻和顶锻,使用于不同的生产批量和毛坯形状尺寸的要求。
而不同的锻造方法对零件的结构形状的要求也不同。
一般来说应考虑下述各项原则;(1)锻造毛坯形状应简单、对称,避免在柱体部分交贯和主要表面上有不规则的徒台。
毛坯形状应允许有水平分模面,最大尺寸在分模面上,以简化锻模的结构。
(2)模锻毛坯应有拔模斜度和圆角,槽和凹口只允许模具运动方向分布,以便于毛坯从模具中取出,防止锻造缺陷并延长模具的使用寿命。
(3)毛坯的形状不应引起模具的侧向优点,使得上下错位。
(4)零件的壁厚不能太大,因为薄壁冷却较快,会阻止金属的流动,降低模具的寿命。
为了保证连杆具有足够的疲劳强度及结构刚度,毛坯需经过模锻、机械加工、调质处理、喷丸强化等;硬度为HB223~280 ,同一付连杆上的硬度差不大于40单位毛坯不允许有裂纹、疏松、气泡、分层、气孔等缺陷,连杆的金相显微组织应为均匀的细晶粒结构;不允许有片状的铁素体。
且为了保证连杆足够的强度和避免缺陷,要求连杆毛坯100%的的测量硬度和磁性探伤。
1.4拟定零件加工的工艺路线1.4.1 拟定工艺方案原则设计机械加工工艺规程应遵循如下原则:a)必须可靠地保证零件图纸上所有技术要求的实现。
在设计机械加工工艺规程时,如果发现某一技术要求规定得不适当,只能向有关部门提出建议,不得擅自修改图纸或不按图纸要求去做。
b)在规定的生产纲领和生产批量下,一般要求工艺成本最低。
c)要充分利用现有生产条件,少花钱,多办事。
d)尽量减轻工人的劳动强度,保证生产安全,创造良好,文明的劳动条件。
设计机械加工工艺规程的步骤和内容;a)阅读装配图和零件图了解产品的用途,性能和工作条件,熟悉零件在产品中的地位和作用。
b)工艺审查审查图纸上的尺寸,视图和技术条件是否完整,正确,统一;找出主要技术要求和分析关键的技术问题,审查零件的结构工艺性。
所谓零件的结构工艺性时指在满足使用要求的前提下,制造盖零件的可行性和经济性。
功能相同的零件,其结构工艺性可以有很大的差异。
所谓结果工艺性好,时指在现有工艺条件下既能方便制造,又有较低的制造成本。
c)熟悉毛坯确定毛坯的主要依据时零件在产品中的作用和生产纲领以及零件本身的结构。
工艺人员在设计机械加工工艺规程之前,首先要熟悉毛坯的特点。
d)拟定机械加工工艺路线这是制定机械加工工艺规程的核心。
其主要内容有:选择定位基准,确定加工方法,安排加工顺序,以及安排热处理、检验和其它工序等。
机械加工工艺路线的最终确定,一般要通过一定范围的论证,即通过对几条工艺路线的分析与比较,从中选出一条确保加工质量,高效&低成本的最佳工艺路线e)确定满足各工序要求的工艺装备(包括机床,夹具,刀具和量具等等f)确定各主要工序的技术要求和检验方法。
g)确定各工序的加工余量,计算工序尺寸和公差。
h)确定切削用量,目前,在单件小批量生产中,切削用量多由操作者自行决定,机械加工工艺过程卡中一般不做明确规定,在中批,特别是在大批大量生产中,为了保证生产的合理性和节奏均衡,则要求必需规定切削用量,并不得随意改动。
i) 确定时间定额。
j) 填写工艺文件。
1.4.2 加工方法的选择一般情况下,根据零件的精度(包括尺寸精度,形状精度和位置精度以及表面粗糙度)要求,考虑本车间现有工艺条件,考虑教你跟经济精度的因素选择加工方法,在选择加工方法时应考虑的主要问题有:a)所选择的加工方法能否达到零件精度的要求;b)零件材料的可加工性能如何。