大连帝国屏蔽泵型号说明
- 格式:pdf
- 大小:959.42 KB
- 文档页数:2
屏蔽泵维护检修规程1.总则1.1 适用范围本规程适用于大连帝国泵F/FA型、F-V/FA-V、R/RA型、B/BA型、K型、G 型、D型及日机装相应型式屏蔽电泵的维护及检修。
其他屏蔽电泵可作为参考。
1.2 结构简述屏蔽电泵主要由泵体、叶轮、转子、定子、石墨轴承、轴套、推力盘、端盖、轴承监测器、接线盒、底座等部件组成。
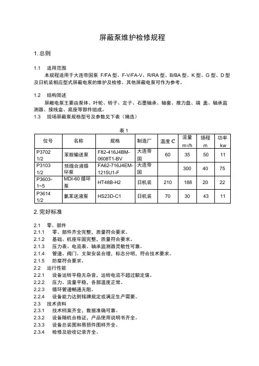
1.3 现场屏蔽泵规格型号及参数见下表(摘选)2.完好标准2.1 零、部件2.1.1 零、部件齐全完整,质量符合要求。
2.1.2 基础、机座牢固完整,质量符合要求。
2.1.3 压力表、电流表、轴承监测器灵敏性可靠。
2.1.4 管道、阀门、支架安装合理,标志分明,符合技术要求。
2.1.5 防腐符合要求。
2.2 运行性能2.2.1 设备运转平稳无杂音,运转电流不超过额定值。
2.2.2 压力、流量平稳,各部温度正常。
2.2.3 循环管道畅通无阻。
2.2.4 设备能力达到铭牌规定或满足生产需要。
2.3 技术资料2.3.1 技术档案齐全,数据准确可靠。
2.3.2 设备随机合格证,产品使用说明书齐全。
2.3.3 设备总装图和易损件图样齐全。
2.3.4 检修及验收记录齐全。
2.3.5 设备维护检修规程、操作规程齐全。
2.4 设备及环境2.4.1 设备清洁,表面及周围无灰尘、油垢和杂物。
2.4.2 设备及附属管道无跑、冒、滴、漏。
3.设备的维护3.1 日常维护3.1.1 检查设备有无异常振动或声响。
3.1.2 检查轴承监测器的指示是否在允许范围。
3.1.3 检查液体循环管及冷却系统管道是否畅通。
3.1.4 按时检查压力、流量和各部温度是否正常,并做好记录。
3.1.5 经常检查各部连接螺栓有无松动现象或因松动而产生的振动。
3.1.6 检查各部密封点有无跑、冒、滴、漏现象。
3.1.7 每班做好设备的整洁工作。
3.3 常见故障处理方法常见故障处理方法见表2。
遇有以下情况之一者应立即停车:a.当轴承监视器指向红区时;b.当屏蔽泵有异常响声时;c.当屏蔽泵冷却水套温度过高或突然断水时;d.当屏蔽泵入口断液时。
屏蔽泵维护检修规程1.总则1.1 适用范围本规程适用于大连帝国泵F/FA型、F-V/FA-V、R/RA型、B/BA型、K型、G 型、D型及日机装相应型式屏蔽电泵的维护及检修。
其他屏蔽电泵可作为参考。
1.2 结构简述屏蔽电泵主要由泵体、叶轮、转子、定子、石墨轴承、轴套、推力盘、端盖、轴承监测器、接线盒、底座等部件组成。
1.3 现场屏蔽泵规格型号及参数见下表(摘选)表1位号名称规格制造厂温度℃流量m3/h扬程m功率kwP3702-1/ 2 苯胺输送泵F82-416J4BM-0608T1-BV大连帝国60 35 50 11P3103-1/ 2 预缩合液循环泵FA62-716J4EM-1215U1-F大连帝国300 40 75P3603-1~ 5 MDI-60循环泵HT48B-H2 日机装210 188 20 22P3614-1/2氯苯送液泵HS23D-C1 日机装70 30 43 11 2.完好标准2.1 零、部件2.1.1 零、部件齐全完整,质量符合要求。
2.1.2 基础、机座牢固完整,质量符合要求。
2.1.3 压力表、电流表、轴承监测器灵敏性可靠。
2.1.4 管道、阀门、支架安装合理,标志分明,符合技术要求。
2.1.5 防腐符合要求。
2.2 运行性能2.2.1 设备运转平稳无杂音,运转电流不超过额定值。
2.2.2 压力、流量平稳,各部温度正常。
2.2.3 循环管道畅通无阻。
2.2.4 设备能力达到铭牌规定或满足生产需要。
2.3 技术资料2.3.1 技术档案齐全,数据准确可靠。
2.3.2 设备随机合格证,产品使用说明书齐全。
2.3.3 设备总装图和易损件图样齐全。
2.3.4 检修及验收记录齐全。
2.3.5 设备维护检修规程、操作规程齐全。
2.4 设备及环境2.4.1 设备清洁,表面及周围无灰尘、油垢和杂物。
2.4.2 设备及附属管道无跑、冒、滴、漏。
3.设备的维护3.1 日常维护3.1.1 检查设备有无异常振动或声响。
大连帝国屏蔽泵操作规程屏蔽泵安全操作规程1.内容与使用范围1.1 本标准规定了屏蔽电泵在使用过程中应遵循的工作程序和技术要求。
1.2 本标准适用于屏蔽电泵的普通型(F型)、逆向循环型(R型)、高温型(BA型)等的一般操作。
2.启动、运行与停车2.1 启动前的准备工作2.1.1 确认储罐内有一定的液位。
2.1.2加装过滤器的屏蔽电泵,要确认过滤器已清洁干净。
2.1.3 如有冷却管线,全开冷却管线阀门,保持冷却水处于接通状态。
2.1.4 充液和排气a)关闭排出侧的阀门和逆向循环管路阀门(R和RA型)b)打开吸入侧阀门c)打开排出侧的阀门和逆向循环管路阀门(R和RA型),排除泵和管路内气体,停一会,再次只把排出侧阀门关闭(R型排气结束后,逆向循环管线排气阀始终保持全开状态。
F,BA型打开排气阀,灌泵,排气.。
排气结束后,关闭排气阀。
)2.2启动操作2.2.1 停止灌泵。
2.2.2 按启动按钮,启动该泵。
2.2.3 确认泵的出口压力,是否正常,缓慢打开出口阀门,泵进入正常运行。
2.2.4出口压力示数=入口压力+(介质比重X额定扬程)/1022.3运行中的检查和监测2.3.1 检查电流是否超过额定值,如超出适当关闭出口阀进行调节。
2.3.2 检查压力表的读数是否在规定值。
如发现压力表示数明显低于额定压力,说明泵有可能反转,调整电源相序即可解决。
2.3.3TRG仪表的指示是否正常。
正常情况下,表针指示绿区,随着备件的逐渐磨损,表针会往黄区红区偏移,当到黄区时提示用户更换备件,到达红区时说明备件磨损特别严重,随时都会烧坏电机。
见表2说明。
2.3.4如开机时发现,a)TRG表指示红区,压力低于额定压力,说明电机反转调整电源相序即可解决。
b)TRG表指示红区,压力示数正常,说明用户接线时有可能更改TRG表接线,造成TRG表指示错误。
正确接线即可解决。
2.3.5运转过程中的声音、振动有无异常,如果超过5分钟仍然没有完成自吸作用,应立即停车。
屏蔽泵的故障分析和对策1 引言某公司丁苯橡胶装置建成投产,其单体贮存与配制单元中V-101贮罐中的介质为苯乙烯,由于苯乙烯蒸气与空气可形成爆炸性混合物,遇明火、高热或与氧化剂接触,有引起燃烧爆炸的危险,且苯乙烯蒸气有毒、易燃,因此为了减少苯乙烯的泄漏,在装置的设计中,特将苯乙烯进料泵都选用屏蔽泵。
其工艺流程见简图1,其中A1、A2为A线两台进料泵,B1、B2为B线两台进料泵,A2和B2分别为A、B线的备用泵。
图1工艺流程苯乙烯进料泵P-101B1/B2为大连帝国屏蔽泵厂生产,型号为F42-416H4BM-0406U1B1Z-K,全扬程115m,设计流量m3/h,进口压力0.085MPa,出口压力1.094MPa,泵的入口法兰IF-65 RF,出口法兰IF-40 RF,电机输出功率11kw,额定电流24A,其转子、定子屏蔽套都选用SUS316L加工而成,轴承采用石墨材料制成,轴套和推力盘选用SUS304+司太立合金。
然而前系统B线刚开车,B线这两台进料泵就同时出现以下两种情况故障:(1)、轴承、轴套磨损坏其中一个轴承中部出现一个环形裂纹,使轴承一分为两;另一个轴承一边缘局部磨碎(如图2)。
轴套局部磨损过度,已经出现发黑。
图2 失效轴承(2)、泵体温度过高P-101B1/B2两台泵的泵体、叶轮处、循环管出现了比其它几台温度过高的现象。
温度对比见下表1表1 泵体、叶轮处、循环管温度表位号泵体叶轮处循环管P-101B1 88 43 42P-101B2 90 45 43P-101A2 65 28 282 故障原因分析2.1 轴承磨损分析:(1)、P101B1/B2基本型屏蔽泵为了对电机和轴承进行冷却与润滑,将一小部分苯乙烯由泵出口经过滤网、循环管从电机后端进入定子、转子屏蔽套之间的间隙和轴承,再回到泵腔内,形成冷却液的循环(见图3)。
循环液对轴承的润滑冷却以及电机的冷却都起着非常重要的作用,因此,在循环液中如果有杂质或流量不足时,就会导致轴承与轴套、轴承与推力盘之间的流动液膜遭到破坏,轴承产生的热量带不走,加快了轴承的磨损。
屏蔽泵维护检修规程1.总则适用范围本规程适用于大连帝国泵F/FA型、F-V/FA-V、R/RA型、B/BA型、K型、G 型、D型及日机装相应型式屏蔽电泵的维护及检修。
其他屏蔽电泵可作为参考。
结构简述屏蔽电泵主要由泵体、叶轮、转子、定子、石墨轴承、轴套、推力盘、端盖、轴承监测器、接线盒、底座等部件组成。
现场屏蔽泵规格型号及参数见下表(摘选)表12.完好标准零、部件零、部件齐全完整,质量符合要求。
基础、机座牢固完整,质量符合要求。
压力表、电流表、轴承监测器灵敏性可靠。
管道、阀门、支架安装合理,标志分明,符合技术要求。
防腐符合要求。
运行性能设备运转平稳无杂音,运转电流不超过额定值。
压力、流量平稳,各部温度正常。
循环管道畅通无阻。
设备能力达到铭牌规定或满足生产需要。
技术资料技术档案齐全,数据准确可靠。
设备随机合格证,产品使用说明书齐全。
设备总装图和易损件图样齐全。
检修及验收记录齐全。
设备维护检修规程、操作规程齐全。
设备及环境设备清洁,表面及周围无灰尘、油垢和杂物。
设备及附属管道无跑、冒、滴、漏。
3.设备的维护日常维护检查设备有无异常振动或声响。
检查轴承监测器的指示是否在允许范围。
检查液体循环管及冷却系统管道是否畅通。
按时检查压力、流量和各部温度是否正常,并做好记录。
经常检查各部连接螺栓有无松动现象或因松动而产生的振动。
检查各部密封点有无跑、冒、滴、漏现象。
每班做好设备的整洁工作。
常见故障处理方法常见故障处理方法见表2。
表2紧急情况停车遇有以下情况之一者应立即停车:a.当轴承监视器指向红区时;b.当屏蔽泵有异常响声时;c.当屏蔽泵冷却水套温度过高或突然断水时;d.当屏蔽泵入口断液时。
4.检修周期和检修内容检修周期检修周期见表3。
表3检修内容小修检查紧固各部螺栓。
清洗过滤器、过滤网。
检查清洗液体循环管及冷却系统管道的水垢。
中修包括小修内容解体检查各零、部件的磨损、腐蚀程度,予以修复或更换。
检查调整各部间隙。
屏蔽泵维护检修规程1. 总则1.1 适用范围本规程适用于大连帝国泵F/FA型、F-V/FA-V、R/RA型、B/BA型、K型、G 型、D型及日机装相应型式屏蔽电泵的维护及检修。
其他屏蔽电泵可作为参考。
1.2 结构简述屏敝电泵王要由泵体、叶轮、转子、定子、石墨轴承、轴套、推力盘、端盖、轴承监测器、接线盒、底座等部件组成。
1.3 现场屏蔽泵规格型号及参数见下表(摘选)表12. 完好标准2.1 零、部件2.1.1 零、部件齐全完整,质量符合要求。
2.1.2 基础、机座牢固完整,质量符合要求。
2.1.3 压力表、电流表、轴承监测器灵敏性可靠。
2.1.4 管道、阀门、支架安装合理,标志分明,符合技术要求。
2.1.5 防腐符合要求。
2.2 运行性能2.2.1 设备运转平稳无杂音,运转电流不超过额定值。
2.2.2 压力、流量平稳,各部温度正常。
2.2.3 循环管道畅通无阻。
2.2.4 设备能力达到铭牌规定或满足生产需要。
2.3 技术资料2.3.1 技术档案齐全,数据准确可靠。
2.3.2 设备随机合格证,产品使用说明书齐全。
2.3.3 设备总装图和易损件图样齐全。
2.3.4 检修及验收记录齐全。
2.3.5 设备维护检修规程、操作规程齐全。
2.4 设备及环境241 设备清洁,表面及周围无灰尘、油垢和杂物。
2.4.2 设备及附属管道无跑、冒、滴、漏。
3. 设备的维护3.1 日常维护3.1.1 检查设备有无异常振动或声响。
3.1.2 检查轴承监测器的指示是否在允许范围。
3.1.3 检查液体循环管及冷却系统管道是否畅通。
3.1.4 按时检查压力、流量和各部温度是否正常,并做好记录。
3.1.5 经常检查各部连接螺栓有无松动现象或因松动而产生的振动3.1.6 检查各部密封点有无跑、冒、滴、漏现象。
3.1.7 每班做好设备的整洁工作。
3.3 常见故障处理方法常见故障处理方法见表2。
表23.4紧急情况停车遇有以下情况之一者应立即停车:a. 当轴承监视器指向红区时;b. 当屏蔽泵有异常响声时;c. 当屏蔽泵冷却水套温度过高或突然断水时;d. 当屏蔽泵入口断液时。
一、屏蔽泵的原理和结构特点普通离心泵的驱动是通过联轴器将泵的叶轮轴与电动轴相连接,使叶轮与电动机一起旋转而工作,而屏蔽泵是一种无密封泵,泵和驱动机电都被密封在一个被泵送介质充满的[wiki]压力容器[/wiki] 内,此压力容器惟独静密封,并由一个电线组来提供旋转磁场并驱动转子。
这种结构取销了传统离心泵具有的旋转轴密封装置,故能做到彻底无泄漏。
屏蔽泵把泵和机电连在一起,电动机的转子和泵的叶轮固定在同一根轴上,利用屏蔽套将机电的转子和定子隔开,转子在被输送的介质中运转,其动力通过定子磁场传给转子。
此外,屏蔽泵的创造并不复杂,其液力端可以按照离心泵通常采用的结构型式和有关的标准规范来设计、创造。
1 屏蔽泵的优缺点1.1 屏蔽泵的优点(1)全封闭。
结构上没有动密封,惟独在泵的外壳处有静密封,因此可以做到彻底无泄漏,特殊适合输送易燃、易爆、贵重液体和有毒、[wiki]腐蚀[/wiki]性及放射性液体。
(2)安全性高。
转子和定子各有一个屏蔽套使机电转子和定子不与物料接触,即使屏蔽套破裂,也不会产生外泄漏的危(wei)险。
(3)结构紧凑占地少。
泵与机电系一整体,拆装不需找正中心。
对底座和基础要求低,且日常维修工作量少,维修费用低。
(4)运转平稳,噪声低,不需加润滑油。
由于无滚动轴承和电动机风扇,故不需加润滑油,且噪声低。
(5)使用范围广。
对高温、高压、低温、高熔点等各种工况均能满足要求。
1.2 屏蔽泵的缺点(1)由于屏蔽泵采用滑动轴承,且用被输送的介质来润滑,故润滑性差的介质不宜采用屏蔽泵输送。
普通地适合于屏蔽泵介质的粘度为0.1~20mPa.s。
(2)屏蔽泵的效率通常低于单端面[wiki]机械[/wiki]密封离心泵,而与双端面机械密封离心泵大致相当。
(3)长期在小流量情况下运转,屏蔽泵效率较低,会导致发热、使液体蒸发,而造成泵干转,从而损坏滑动轴承。
2 屏蔽泵的型式及合用范围根据输送液体的温度、压力、粘度和有无颗粒等情况,屏蔽泵可分为以下几种:(1)基本型输送介质温度不超过120℃,扬程不超过150m。
屏蔽泵操作规程本规程适用于**装置内所有的屏蔽泵。
1.屏蔽泵的正常操作1.1.启动前的准备工作确认辅助配管、电气、仪表等已符合运转要求。
对下列项目进行确认确认电动机的旋转方向(从泵侧看为逆时针);确认轴承监视器的指针未进入红色区;检查泵的各部件并对电机作绝缘检查;全部关闭泵的出口阀和进口阀;如有辅助系统,则打开其阀门;全开进口阀,使液体充满泵内部、进口配管系统。
屏蔽泵电动机的转子室内也流入液体。
泵使用温度低于0℃时,,泵充满液体要放置20分钟以上,使泵充分冷却。
微开出口阀,打开排气阀,充分排气。
1.2.屏蔽泵的启动打开进口阀;确认泵已充分排气:进行10~20秒钟运转后,关闭出口阀,停泵。
再次进行点动运转,充分排出泵内部的气体;启动泵,检查泵出口压力表是否在规定的压力上,并慢慢打开出口阀,使排出量达到工作点流量为止;注意入口过滤器(60~80目)的前后压差。
压力差增加时,表示过滤器有堵塞;屏蔽泵运转平稳后检查泵的流量、压力、电流、轴承监测器、冷却水、噪声、振动、汽蚀等情况;打开泵的出口阀门,当流量达到一定量,突然发出响声和振动,这时继续开大阀门,流量仍不增加,说明有汽蚀(此操作应尽可能避免进行,如需进行,只能操作一次),屏蔽泵在汽蚀状态下绝对不能继续运转;在过大的流量下运转时,泵输出部会有振动声,但泵主体无异常,此时要关小出口阀门,减小流量;泵发生异常时,要立即停止运转。
1.3.屏蔽泵的停车1.3.1.正常停车关小出口阀至最小流量;停泵;全关进、出口阀;在电动机充分冷却后,停辅助系统;需要检修的泵,还要排除泵体内的工艺介质,并吹扫干净,以备检修;泵长时间停止,要排出泵内的输送介质及冷却系统等辅助配管内的液体。
1.3.2.紧急停止在热继电器电路与电磁开关相连接的情况下,若电动机线圈的温度在规定数值之上,泵便会自动停止。
通常热继电器在下列情况下将动作:工作液的温度或冷却系统的异常引起的过热。
线圈的电流过载,电动机也会因过载而引起电流继电器的跳闸。
屏蔽电泵安装使用维护说明书●基本型(B型、BA型)●逆循环型(N型、NA型)●高温分离型(G型)●自吸型(Z型)●泥浆密封型(V型)大连环友屏蔽泵有限公司(原大连屏蔽泵厂)目次公司简介1 用途和形式 (6)2 范围 (6)3 使用要求 (6)4结构 (7)4.1 基本型(B及BA型) (7)公司简介1 用途和形式屏蔽泵电泵是屏蔽电机和泵组合的密封整体,具有无泄漏的独特优点。
用来输送易燃、易爆、腐蚀性、剧毒、易挥发和贵重等液体。
基本型是屏蔽电泵中最基本的形式,用途最广。
在基本型B型的基础上,根据输送液体的物化性质和使用条件不同,设计制造了逆向循环型N型、高分离G型、自吸型Z型和泥浆密封型V型等。
2 范围本说明书中详细介绍了设计压力 1.0MPa、2.0MPa、3.0MPa、4.0MPa、6.3MPa,输送介质温度不超过350℃,不含颗粒的B型,N 型、G型、Z型及含有少量颗粒的V型屏蔽电泵的使用要求、结构、安装及维护检查等内容。
3 使用要求3.1 严禁空载运转。
3.2 轴承监测器指示黄色区域时,应分解电泵检查轴承,指示红色区域必须停车更换轴承。
3.3 在保护装置动作的情况下,没有查清动作原因并彻底排查故障前,不允许继续运转。
此时应检查三相电阻的不平衡和绝缘电阻。
3.4 彻底清除装置内的铁锈及固体异物。
并确保清洁的介质进入泵内,建议在泵入口处安装过滤器。
3.5 试运转应在泵内完全充满工作液后进行。
3.6 带冷却水的电泵,必须按规定的冷却水流量接通冷却水,然后开车运转。
3.7 运转中,如果发生异常声音或振动等,必须立即停车,查清原因,排除故障。
3.8 不得逆向持续运转。
3.9 断流运转不应超过30秒。
3.11 电泵的正常工作状态,必须是铭牌规定的性能参数范围,否则影响电泵的轴相推力,3.12 在分解检查泵时,也应检查循环管路有无异常情况。
3.13 规格型号不符,不得使用。
3.14 运转前应充分排气。
3.15 小于最小流量时,应增设旁通管线,否则不应运转。
屏蔽泵技术规格书一、用途安装在介质管路上,用来给介质流动提供动力源。
二、操作环境1、环境温度:-32℃~40℃2、相对湿度:48%3、基本风压:0.6KN/m4、地震烈度:8度三、设备制造及检验标准1、离心式水泵执行GB/T 5656-1994离心泵技术条件(Ⅱ类)GB/T 16907-1997离心泵技术条件(Ⅰ类)GB/T 3215-1982化工及石油化工流程用离心泵通用技术条件GB/T 13006-1991离心泵、混流泵、轴流泵汽蚀余量GB/T 13007-1991离心泵效率GB3836.1爆炸性环境用防爆电机设备—通用要求GB3836.2爆炸性环境用防爆电机设备—隔爆型电气设备”d”; GB/T4942.1电机外壳防护等级GB775-87电机基本技术要求GB/T12230-2005不锈钢铸件技术条件2、卖方应对各部件进行检验,其检验标准应符合JB/T 6881-1993泵可靠性测定试验JB/T 6882-1993泵可靠性验证试验JB/T 6912-1993泵产品零件无损检测磁粉探伤2JB/T 8543.2-1997泵产品零件无损检测渗透检测3、卖方应对每台泵类设备进行试压检验,其检验标准应符合GB1032-85三相异步电动机试验方法GB/T 18149-2000离心泵、混流泵和轴流泵水力性能试验规范GB/T 3216-1989离心泵、混流泵、轴流泵和旋涡泵的试验方法4、设备必须具备全封闭无泄漏性能,而且电机与泵同轴一体设计。
采用自润滑系统,避免污染输送液。
5、屏蔽电泵采用轴向推力自动平衡装置,对轴推力变化起到自动调整作用。
6、屏蔽电泵整体结构为全封闭形式,要求安装轴承磨损监测表,即TRG仪表,将内部磨损情况通过电子仪表监测形式体现在外部,以便操作上方便操作人员的观察和对设备损害起到预警的功能。
同时对试车中由于三相电缺相,反相引起的泵反转情况进行监测。
7、屏蔽电泵根据介质情况与设计要求,所有过液件为不锈钢材质,即1Cr18Ni9系,屏蔽套为哈C或316L材质。