设备基础二次灌浆质量标准及检验方法
- 格式:docx
- 大小:15.54 KB
- 文档页数:1
设备基础二次灌浆高度摘要:一、设备基础二次灌浆的定义和作用二、设备基础二次灌浆的高度要求三、影响设备基础二次灌浆高度的因素四、设备基础二次灌浆高度不足的后果及解决方法五、结论正文:设备基础二次灌浆是在设备安装就位后,对设备基础进行再次灌浆,以提高设备基础的承载能力和稳定性。
这一过程对于保证设备的正常运行和延长设备使用寿命具有重要意义。
一、设备基础二次灌浆的定义和作用设备基础二次灌浆,顾名思义,是在设备基础灌浆的基础上进行的第二次灌浆。
设备基础灌浆是为了提高设备基础的承载能力和稳定性,而设备基础二次灌浆则是在设备安装就位后,对设备基础进行再次灌浆,以确保设备在运行过程中能够稳定可靠。
此外,设备基础二次灌浆还能消除基础表面的微小不平,使设备安装更加平稳。
二、设备基础二次灌浆的高度要求设备基础二次灌浆的高度应根据设备的类型、尺寸和重量等因素来确定。
通常情况下,二次灌浆的高度应略高于设备底座的上表面,以确保灌浆充满设备底座与基础之间的空隙。
具体高度要求可参考相关设计规范和施工标准。
三、影响设备基础二次灌浆高度的因素影响设备基础二次灌浆高度的因素主要有设备类型、尺寸、重量、安装位置等。
此外,基础材料的性能、施工工艺和环境条件等也会对二次灌浆高度产生影响。
四、设备基础二次灌浆高度不足的后果及解决方法如果设备基础二次灌浆高度不足,可能会导致设备运行时产生不稳定现象,影响设备的正常运行和寿命。
对于已安装的设备,如果发现二次灌浆高度不足,可以采取补浆的方法进行处理。
具体操作是先将设备底座与基础之间的空隙清理干净,然后重新进行灌浆。
如果灌浆材料性能允许,还可以采用加高基础的方法来解决二次灌浆高度不足的问题。
五、结论设备基础二次灌浆高度是保证设备正常运行和延长设备使用寿命的关键因素之一。
因此,在进行设备基础二次灌浆时,应根据设备类型、尺寸、重量等因素确定合适的灌浆高度,并确保灌浆充满设备底座与基础之间的空隙。
第一章总则第1条为了正确使用CGM高强无收缩灌浆料,确保工程质量,提高工效和加快进度,特制定本施工技术方法。
第2条 CGM高强无收缩灌浆料的施工不仅应符合本施工技术方法的规定,尚应符合现行《混凝土结构工程施工及验收规范》(GB50204)、《混凝土结构设计规范》(GBJ10)、《混凝土结构加固技术规范》(CECS25)及《水泥基灌浆材料施工技术规程》(YB/T9261-98)中的有关规定。
第二章名词、术语第3条 CGM高强无收缩灌浆料,是以高强度材料作为骨料,以水泥作为结合剂,辅以高流态、微膨胀、防离析等物质配制而成。
在施工现场加入一定量的水,搅拌均匀后即可使用。
以下简称CGM灌浆料第4条自重法,是在CGM灌浆料施工中,利用该材料流动性好的特点,在灌浆范围内自由流动,满足灌浆要求的方法。
第5条高位漏斗法,是在CGM灌浆料施工中,仅靠其流动性不能满足要求时,利用提高灌浆的位能差,满足灌浆要求的方法。
第6条压力灌浆法,是在CGM灌浆料施工中,采用灌浆增压设备,满足灌浆要求的方法。
第三章 CGM灌浆料的适用范围第7条 CGM灌浆料适用范围(见表1)型号适用范围最低施工温度(℃)CGM-1(普通型)地脚螺栓锚固、栽埋钢筋,灌浆层厚度30mm<?<150mm的设备基础二次灌浆。
有抗油要求的设备基础二次灌浆。
-10CGM-1(加固型)灌浆层厚度≥150mm的设备基础二次灌浆。
建筑物的梁、板、柱、基础和地坪的补强加固(修补厚度≥40mm)。
有抗油要求的设备基础二次灌浆。
-10CGM-2(普通型)灌浆层厚度30mm<?<150mm的设备基础二次灌浆。
/td> 5CGM-2(加固型)灌浆层厚度≥150mm的设备基础二次灌浆。
建筑物的梁、板、柱、基础和地坪的补强加固(修补厚度≥40mm)。
5CGM-4(超流态)灌浆层厚度在2mm<?<30mm的设备基础及钢结构柱脚板二次灌浆;混凝土梁柱加固角钢与混凝土之间缝隙灌浆。
二次灌浆施工标准化施工要点
一.质量工艺要点
1.设备基础经过验收,将混凝土表面凿毛,清除松动的混凝土、砂浆,清理灌浆区域,去除灌浆区混凝土表面的油脂及杂物。
2.灌浆前24小时,设备基础表面充分湿润。
灌浆前1小时,应吸干表面积水。
3.选用与基础施工一致的模板,支模应牢固、美观、可靠、不漏浆,并留有排气孔。
模板与设备底座四周的水平距离应大于200mm,顶部标高应高出设备底座上表面50πrnio
4.施工单位应制定防止二次灌浆层和基础混凝土层之间产生色差和微裂缝的措施。
5.施工单位应根据二次灌浆施工工艺特点选取合适的灌浆工艺,确保设备台板下浇筑密实。
6.灌浆料符合设计要求,应具备自流行好、快捷、早强、无收缩、微膨胀、自密性好、防锈的特点。
7.如条件允许,大型设备基础,可采取分块灌浆的方法,较长设备的灌浆应采用分段施工。
8.灌浆开始后必需连续进行,尽可能缩短灌浆时间。
9.不得在辅机设备运行时进行二次灌浆,二次灌浆时应停机24-96小时,以避免损坏未结硬的灌浆层。
10.灌浆料终凝后根据环境温度进行洒水或保温养护,养护期不少于7天。
二、质量工艺示范图例
设备基础棱角分明、工艺美观。
基础二次灌浆施工检查记录一、灌浆材料检查1.检查灌浆材料的生产日期、品牌、批号等信息,确保符合施工要求。
2.检查灌浆材料的保存情况,防止受潮、结块等情况出现。
3.检查灌浆材料的质量合格证明,确保材料符合相关标准。
二、管道清洗检查1.检查管道清洗工具的使用情况,包括管道清洗机、水泵等设备,确保设备正常运行。
2.检查管道清洗过程中是否进行了充分清洗,确保管道内部清洁无污物残留。
3.检查清洗过程是否按照规定的流程和要求进行,包括清洗液的浓度、清洗时间、冲洗次数等。
三、灌浆施工检查1.检查施工现场是否设立了灌浆工区,确保施工区域清晰明确。
2.检查灌浆设备的安装情况,包括灌浆泵、搅拌机等设备,确保设备安装正确。
3.检查灌浆管道连接的紧密度和密封性,防止漏浆情况发生。
4.检查灌浆施工操作人员的技术资质和工作证件,确保操作人员合格。
5.检查灌浆浆液的配制情况,包括水泥、砂浆等材料的配比比例和搅拌时间,确保浆液质量符合要求。
6.检查灌浆施工过程中的加压情况,包括加压速率、加压持续时间等,确保施工质量符合要求。
7.检查灌浆浆液的流动性和粘度,确保浆液能够顺利流入管道内部并填充空隙。
8.检查灌浆浆液充实情况,确保浆液充实到位,没有空洞现象。
四、检测及验收1.检测灌浆后的管道内部情况,包括管道的密实情况、无空洞情况、无渗漏情况等。
2.检测灌浆后的承重能力,包括管道的抗压能力、抗水压能力等,确保施工质量达到设计要求。
3.验收灌浆效果,包括灌浆厚度、灌浆均匀度、灌浆质量等,确保灌浆施工质量合格。
五、施工记录1.记录施工现场的情况,包括施工日期、天气状况、温度等环境因素。
2.记录材料的使用情况,包括灌浆材料的使用量、使用效果等。
3.记录施工过程中出现的问题和解决方法,确保施工过程的记录完整可查。
4.记录验收结果,包括检测数据、验收结论等。
六、其他1.检查施工现场的安全措施,包括施工区域的划定、警示标志的设置等,确保施工安全。
设备基础二次灌浆施工方案设备基础二次灌浆是指在设备基础周围和底部添加一层二次灌浆层,以提高基础的强度和稳定性。
二次灌浆施工方案需要考虑多个因素,包括施工材料选择、施工工艺、施工步骤和质量控制等。
以下是一个设备基础二次灌浆施工方案的详细描述。
1.材料选择(1)灌浆材料:根据基础的设计要求,选择适合的二次灌浆材料,常用的灌浆材料包括高强度水泥、石英砂和高性能添加剂等。
(2)基础清洁剂:在施工前,对设备基础必须进行彻底清洁,以确保灌浆材料能与基础充分接触。
清洁剂可以选择酸洗剂或碱洗剂等。
2.施工工艺(1)基础处理:在施工前,必须对设备基础进行处理,除去表面的杂质和损坏层。
对于有裂缝的基础,应先进行修复,以确保基础的整体性。
(2)灌浆孔安装:根据设计要求,在基础周围和底部布置适量的灌浆孔。
孔的直径和间距应符合设计要求,并保持孔洞的纵横均匀分布。
(3)施工工具准备:准备好灌浆设备和工具,包括灌浆泵、搅拌器、刮板等。
确保这些设备和工具运行正常,并按照要求进行安装和调试。
(4)灌浆施工:将灌浆材料按照一定比例进行混合,并通过灌浆泵注入灌浆孔中。
通过搅拌器和刮板,确保灌浆材料均匀分布,充实基础空间。
3.施工步骤(1)灌浆孔预处理:在进行灌浆前,用清洁剂对灌浆孔进行清洗,除去杂质和灰尘。
(2)灌浆材料混合:按照规定的比例将灌浆材料放入搅拌器中,用刮板搅拌均匀。
确保灌浆材料质量稳定且无团块。
(3)灌浆施工:将灌浆材料倒入灌浆泵中,通过泵送装置将灌浆材料注入灌浆孔中。
在注浆的过程中,要注意保持一定的泵送压力和速度,以确保灌浆材料能充分填充灌浆孔。
(4)灌浆孔封堵:在注浆完成后,用水泥浆或密封胶对灌浆孔进行封堵,防止灌浆材料流失。
4.质量控制(1)施工现场管理:在施工过程中,要确保施工现场干净整洁,避免杂质进入灌浆孔中。
(2)施工记录:对施工过程进行记录,包括施工时间、灌浆材料使用量、灌浆孔布置情况等。
及时记录问题和处理结果,为后续质量验收提供依据。
设备基础二次灌浆高度一、引言设备基础二次灌浆高度在设备安装与运行中起着至关重要的作用。
良好的二次灌浆可以提高设备的稳定性和抗振性能,确保设备安装精度,延长设备使用寿命。
本文将对设备基础二次灌浆的必要性、材料选择、施工要点、常见问题及解决方案进行详细阐述,以期为从业者提供实用的指导。
二、设备基础二次灌浆的必要性1.提高设备基础的稳定性:二次灌浆能填充设备基础与混凝土基础之间的空隙,使设备基础更加稳固,承受设备运行过程中的各种载荷。
2.确保设备安装精度:二次灌浆可使设备与基础紧密连接,降低设备安装过程中的误差,保证设备运行的平稳性。
3.增强设备抗振性能:二次灌浆能提高设备基础的的整体性,降低设备振动对基础的影响,延长设备使用寿命。
4.延长设备使用寿命:良好的二次灌浆可以减小设备运行过程中的磨损,降低设备故障率,延长设备使用寿命。
三、二次灌浆的材料选择1.水泥浆:具有良好的强度、抗渗性和耐久性,适用于一般设备基础的二次灌浆。
2.环氧砂浆:具有高强度、抗渗、抗腐蚀性能,适用于对强度和耐久性要求较高的设备基础。
3.聚合物水泥浆:具有良好的流动性和自流平性能,适用于大体积设备基础的二次灌浆。
四、二次灌浆施工要点1.施工前准备:1.1 设备基础清理:清除基础表面的油污、灰尘等杂物,确保基础表面干净。
1.2 模板制作与安装:根据设备基础尺寸和灌浆厚度制作模板,保证模板的平整度和严密性。
1.3 灌浆材料准备:按设计要求准备合适的灌浆材料,注意材料的保质期和储存条件。
2.施工过程中注意事项:2.1 浆体配比:根据设计要求,合理配置灌浆材料的比重和成分。
2.2 灌浆压力与速度:控制灌浆过程中的压力和速度,避免浆体泄漏或破裂。
2.3 温度控制:确保灌浆过程中的温度适宜,避免浆体凝固不均匀。
2.4 填充程度与捣实:观察浆体填充情况,适时调整灌浆速度,确保灌浆充实且捣实。
3.施工后养护与检测:3.1 养护措施:根据灌浆材料的要求,采取适当的养护措施,如湿养护、温度控制等。
二次灌浆规范二次灌浆是指在原有混凝土结构物的基础上进行补强加固,以提高结构的承载能力和使用性能。
为了确保二次灌浆工程质量,需要制定相应的规范,以下是一个二次灌浆规范的内容,总计1000字。
一、灌浆材料的选用1. 灌浆材料应符合国家标准和相关技术规范的要求,并且经过合格的材料检测。
2. 灌浆材料应具有良好的流动性和可固化性,能够与原有混凝土结构充分融合。
二、灌浆工艺1. 灌浆前应进行充分的准备工作,包括对原有结构的清洗、修补、防水处理等。
2. 灌浆过程中,应采用适当的灌浆工艺和设备,确保灌浆材料均匀浸润到混凝土结构的内部。
3. 灌浆过程中应注意施工速度和灌浆压力的控制,避免过快或过慢造成质量问题。
三、灌浆浆液的配制1. 灌浆浆液的配制应根据工程需求和材料特性进行合理配比。
2. 灌浆浆液的配制过程中,应注意搅拌的时间和速度,确保浆液的均匀性。
3. 灌浆浆液的质量应进行严格的检测,确保达到设计要求。
四、灌浆施工的要求1. 在进行灌浆前,应对结构表面进行处理,保证表面干净、平整、无附着物。
2. 灌浆材料应从底部向上逐层充满灌浆孔,确保灌浆材料充分浸润、排泄空气。
3. 垂直灌浆时,应从下向上连续灌浆,避免滞留和死角。
4. 水平灌浆时,应逐段进行,确保每段灌浆材料充实均匀。
五、灌浆质量的检测1. 灌浆工程完成后,应进行灌浆质量的检测,包括灌浆层厚度、密实度、抗压强度等。
2. 灌浆质量检测应由专业检测机构进行,确保检测结果准确可靠。
3. 如发现灌浆质量存在问题,应及时进行整改和修复,并重新进行质量检测。
六、施工安全及环境保护1. 灌浆施工过程中,应加强安全防护措施,确保施工人员的人身安全。
2. 灌浆材料的运输、储存和使用过程中,应注意环境保护,确保不对周围环境造成污染。
3. 灌浆施工结束后,应及时清理现场,并做好环境整治工作。
七、施工记录和档案管理1. 灌浆施工过程中应编制详细的施工记录,包括施工日期、施工人员、使用的材料和设备等。
武钢烧结厂五烧车间烟气脱硫工程设备基础二次灌浆层浇筑砼施工方案武汉钢铁集团宏信置业发展有限公司2013年12月20日武钢烧结厂五烧车间烟气脱硫工程设备基础二次灌浆层浇筑砼施工方案一、工程概况:武汉钢铁(集团)拟在武钢烧结厂五烧车间兴建烟气脱硫环保工程,本工程建筑物包括脱硫塔、浓缩塔、硫铵车间、硫铵溶液罐等。
脱硫塔土建基础直径16米,高2.0米,浓缩塔土建基础直径为12.5米,高1.75米。
现脱硫塔、浓缩塔设备底板支架现已安装完毕,根据设计图纸的要求,现需对设备基础进行二次浇筑。
二、施工准备1、设备依据施工图纸已坐标定位。
2、各项安装要求已达到规范要求。
3、预留地脚孔或设备底座与基础之间的灌浆,应符合国家标准的规定。
4、预留孔灌浆前,地脚孔内已清理、无杂物。
5、基础表面清理干净,应先用稀灰浆洒地脚孔。
三、施工技术要求:1、设备基础二次浇筑的混凝土采用商品砼。
2、设备基础二次浇筑混凝土标号为C30细石混凝土。
3、灌浆开始后,必须连续进行,不能间断,并尽可能缩短灌浆时间。
4、浇筑砼必须要用振动器进行振捣密实,确保二次浇筑的混凝土与设备部件紧密咬合。
并用抹子抹平并收光,确保砼表面光滑平整,并用抹子抹平,混凝土浇筑完毕后必须养护28天后方可使用。
四、施工程序设备基础二次灌浆步骤:设备底板支架安装→清除螺栓表面油污及铁锈→螺栓孔内表面、基础表面浇水湿润→灌浆→养护。
1、进行浇筑时,用水管清洗浇筑部位的灰尘、泥污,然后用风管吹干,随后进行洒水浇筑。
2、使用高频砼振动器振捣严实。
严禁出现蜂窝状现象。
五、二次灌浆施工1、二次灌浆前应检查垫铁是否点焊定位。
2、当设备底座下,不需全部灌浆时,应敷设内模板。
3、外模板至设备底座面外缘距离不宜小于60mm,模板拆除后,表面应进行抹面处理。
4、二次灌浆层的用料,采用细石混凝土。
5、二次灌浆时,必须连续进行浇灌,设备底部与二次灌浆层相结合的表面,必须充满并捣实。
6、灌浆结束,清理现场及设备表面,做到工完料净场地清。
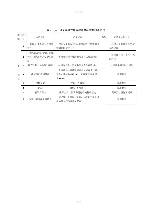
二次灌浆规范篇一:设备基础二次灌浆质量标准与检验方法表6.11.8 设备基础二次灌浆质量标准与检验方法篇二:设备基础二次灌浆的施工方法设备基础二次灌浆的施工方法1、灌浆准备需要灌浆的部位主要有汽机基座、锅炉基础、各类风机及一般设备基础。
灌浆前必须由安装单位、业主、监理工程师共同签发的设备基础灌浆通知单,才能准备灌浆。
2、现场准备清理干净所需灌浆的区域,对较深的预埋螺栓孔应用空压机吹扫,然后用清水冲洗,去除灌浆区砼表面的油脂,将砼表面凿毛。
支模要牢固、美观、可靠、不漏浆,并留有排气孔。
灌浆前24小时清水浸泡,达到灌时不再吸水的要求。
在灌浆开始前,把浮水清除干净,使砼表面成湿饱和状态。
工具准备:压力灌浆泵、搅拌、运输工具,浇筑、捣实工具;量具。
材料准备(按照设计要求准备):对于细石砼灌浆的部位,砂石、水泥必须符合设计及规范要求。
3、技术准备熟悉图纸和《作业指导书》,明确灌浆材料的种类和技术要求,由试验室对材料进行分析和试验,选定符合要求的配合比,成立专职灌浆小组,由工程技术人员进行技术培训,专门从事本工程的灌浆操作。
4、灌浆操作对一个独立的灌浆部位作业应连续进行,材料、工具、人力准备充分,技术员、质检员、试验员必须坚守岗位指导作业。
灌浆材料配合比按重量比配制,搅拌机搅拌,开始灌浆后应连续作业直至灌完。
灌浆时对于平面部位应始终由一边灌注,直到另一边溢出,灌螺栓孔时应用专用的锥形筒另一端用胶管连接,直接送至螺栓孔底部,对于各类设备台板底部灌满后应用锤去检验是否有孔洞或漏浆部位。
灌浆振捣用小直经振动棒。
灌浆完成后,应将表面压平压光,并用湿草袋覆盖,洒水养护7天。
5、试验和检验灌浆材料的配合比,应由试验室根据所需材料做好试配,确定最佳配合比,对于加水直接拌合的灌浆材料其加水量应根据设计强度和施工流动性由试验室确定。
流动性试验合格后取样做100mm立方体试块3组,一组用于7天强度,一组用于28天试压,另一组备用,均须达到设计强度的要求。
设备基础冬季二次灌浆一、设备基础冬季二次灌浆的目的设备基础冬季二次灌浆是在冬季对设备基础进行加固处理的一种施工方法。
由于冬季气温较低,设备基础可能会出现收缩、沉降等现象,导致设备安装精度下降,甚至影响设备的正常运行。
为了解决这些问题,采用二次灌浆的方法对设备基础进行加固和调整,以确保设备的稳定运行和精度要求。
二、设备基础冬季二次灌浆的施工要点1.灌浆前准备在灌浆前,需要将基础表面清理干净,并按照设计要求设置模板。
对于灌浆料的选择也是十分重要的,必须符合工程要求,同时也要保证其具有足够的流动性和较小的收缩率。
在搅拌灌浆料时,应按照规定的配合比进行配料,并保证搅拌均匀。
2.灌浆施工在灌浆施工过程中,应按照自下而上的顺序进行灌浆,以避免设备基础产生过大的侧向压力。
同时,应确保灌浆料的填充密实,避免出现空洞和气泡。
在灌浆过程中应及时清理溢出的灌浆料,保证施工面的清洁。
3.养护与检测在灌浆完成后,应按照相关规定进行养护处理,以保证灌浆料达到设计强度。
同时,需要对灌浆层进行检测,确保其承载力和稳定性符合要求。
在养护和检测过程中发现问题时应及时采取补救措施。
三、设备基础冬季二次灌浆的注意事项1.温度控制由于冬季气温较低,应注意对灌浆料的温度进行控制,避免因温度过低导致灌浆料受冻或硬化速度过快。
在施工过程中,应采取保温措施,如使用热水搅拌等,以保证灌浆料的温度在适宜范围内。
2.防止收缩在灌浆料硬化过程中,应注意防止其收缩过大导致灌浆层出现裂缝。
为减小收缩率,可以采取在灌浆料中添加膨胀剂等措施。
3.确保均匀性在搅拌灌浆料时,应注意确保其均匀性,避免出现离析现象。
同时,在灌浆过程中应确保填充密实,避免出现空洞和气泡。
4.控制压力在灌浆过程中,应注意控制灌浆压力,避免因压力过大导致设备基础受到过大的侧向压力而产生变形或损坏。
5.养护与检测在灌浆完成后,应按照相关规定进行养护处理,并按照要求进行承载力和稳定性检测。
发现问题时应及时采取补救措施。
引风机房基础浇灌质量监督要求一)拆除:按生产要求先将设备基础二次现浇层拆除,新旧砼结合面应打毛在80%以上,表面不得有浮渣、灰尘、油污等。
现浇砼前应清洗干净,充分湿润。
二)模板:模板及其支架必须有足够的强度、刚度和稳定性;模板接缝处接缝的最大宽度不应大于1.5mm;模板与砼的接触面应清理干净。
三)砼现浇材料:(1)水泥采用32.5MPa以上普通硅酸盐水泥,并有水泥出厂合格证。
(2)水为引用自来水。
(3)砂、石子中不得有杂物,泥砂含量不得超过0.2%(简要检测方法:用手抓一下以手上不应粘有泥土)。
(4)砂、石级配按配合比进行施工,石子的最大粒径不得超过现浇砼厚度的1/3。
四)砼要求现场拌制人工拌合:先把水泥和砂子先干拌三次拌匀后,与石子、水湿拌拌匀。
采用插入式振捣器应快插慢拔,插点应均匀排列,逐点移动,顺序进行,不得遗漏,做到振捣密实。
五)浇筑砼时,应经常注意观察模板有无走动,当发现有变形或位移时,应立即停止浇筑,并及时修整和加固模板,完全处理好后,再继续浇筑砼。
六)拆模后,应将需贴瓷砖的砼表面用钢刷满刷刷毛。
七)砼的养护:砼浇筑搓平后,应在12h左右加覆盖和洒水,浇水的次数应能保持砼有足够的润湿状态。
养护期为7昼夜。
八)质量要求:(1)砼应振捣密实。
蜂窝面积一处不大于200cm2,累计不大于800cm2。
(2)砼表面不得有裂纹。
(3)砼表面平整度偏差为“±5”(单位mm)。
外形尺寸偏差为“+0、-20”(单位mm)。
(4)要求施工单位现浇砼时现场取样,现场取样,做一组试块。
竣工资料中应附有28天龄期的试压报告单。
九)表面贴瓷砖工艺要求:(1)水泥采用#325以上普通硅酸盐水泥。
砂子采用粗砂或中砂,用前过筛,含泥量要求同前面。
(2)瓷砖:应表面平整,颜色、规格一致,尺寸正确,边棱整齐。
(3)浇水湿润后按要求贴瓷砖。
瓷砖必须牢固,表面平整、洁净,颜色协调一致,接缝填嵌密实、平直,宽窄一致,阴阳角处的砖压向正确,非整砖的使用部位适宜。
设备基础二次灌浆高度(最新版)目录一、设备基础二次灌浆的必要性二、高强无收缩灌浆料的特点三、高强无收缩灌浆料的应用方法四、高强无收缩灌浆料的效果评价五、设备基础二次灌浆高度的要求正文一、设备基础二次灌浆的必要性设备基础二次灌浆的目的是确保设备基础与设备底座之间形成紧密的粘结,从而保证设备的稳定性和安全性。
二次灌浆材料需要满足以下要求:无收缩,防止灌浆料在固化过程中产生收缩,导致设备基础与设备底座之间产生缝隙;高流动性,使灌浆料能够充分填充设备基础与设备底座之间的缝隙,形成均匀的界面;耐久性,确保设备基础在长期使用过程中具有稳定的性能,不受环境因素和化学腐蚀的影响。
二、高强无收缩灌浆料的特点高强无收缩灌浆料是一种高强度、无收缩的混凝土材料。
它由特殊可锻性骨料、高强度胶凝材料和外加剂等组成,具有高强度、高流动性和无收缩等优秀特性。
在实际应用中,高强无收缩灌浆料表现出卓越的耐久性、抗磨损和抗冲击性能,为设备基础提供可靠的保障。
三、高强无收缩灌浆料的应用方法首先,需要准备设备基础表面,清理表面杂物、油渍等,确保表面干净。
接着,将灌浆料均匀地浇注在设备基础表面,确保充分填充所有缝隙。
然后用振动器将灌浆料振捣密实,确保灌浆料与设备基础表面充分粘结。
最后,在灌浆料固化期间,保持设备基础表面湿润,避免阳光直射。
四、高强无收缩灌浆料的效果评价在实际应用中,高强无收缩灌浆料为设备基础建设提供了以下优势:无收缩,高强无收缩灌浆料在固化过程中几乎不产生收缩,保证了设备基础与设备底座之间的紧密粘结;高流动性,高强无收缩灌浆料具有优异的流动性,能够充分填充设备基础与设备底座之间的缝隙,形成均匀的界面;耐久性,高强无收缩灌浆料具有优良的耐久性,能够在严酷的环境和化学腐蚀条件下保持稳定的性能。
五、设备基础二次灌浆高度的要求设备基础二次灌浆高度没有具体要求,但高度一般在 100mm 以内,目的是便于设备的安装校正。
水泵基础二次灌浆做法水泵基础二次灌浆是指在水泵基础施工完成后,为了加固和加固基础的稳定性,进行的一种灌浆加固工艺。
下面我会从多个角度来介绍水泵基础二次灌浆的做法。
首先,水泵基础二次灌浆的做法包括以下几个步骤:1. 准备工作,清理基础表面的杂物和污垢,确保基础表面干净。
2. 灌浆材料准备,选择适合的灌浆材料,一般使用水泥浆或者特殊的灌浆材料。
3. 灌浆孔的设置,在水泵基础周围开孔,一般孔的直径和间距需要根据具体的工程要求来确定。
4. 灌浆施工,将灌浆材料按照一定比例调配好,然后通过泵送或者注浆的方式将灌浆材料注入到预设的孔洞中,直到填满孔洞并且达到设计要求的浇筰密实度。
5. 检查验收,灌浆完成后需要对灌浆的效果进行检查,确保灌浆材料填充均匀、密实,并且符合设计要求。
其次,水泵基础二次灌浆的做法需要注意以下几个关键点:1. 灌浆材料的选择,根据基础的具体情况和工程要求选择合适的灌浆材料,确保其具有良好的流动性和充填性。
2. 灌浆孔的设置,灌浆孔的设置需要均匀分布在基础周围,并且要考虑到孔洞的深度和密度,以及与基础的结合情况。
3. 施工工艺,在灌浆施工过程中需要控制好灌浆材料的流动速度和压力,确保灌浆材料能够充分填充孔洞并且达到设计要求的密实度。
4. 质量验收,灌浆完成后需要进行质量验收,包括对灌浆效果的检查和测试,确保灌浆质量符合设计要求。
最后,水泵基础二次灌浆的做法对于基础的加固和稳定起着至关重要的作用。
通过合理的施工工艺和严格的质量控制,可以确保灌浆效果达到设计要求,提高基础的承载能力和稳定性,从而保障水泵设备的正常运行和安全使用。
总的来说,水泵基础二次灌浆的做法需要在施工前做好准备工作,选择合适的灌浆材料,严格控制施工工艺,并且进行质量验收,以确保灌浆效果符合设计要求,从而达到加固和稳定基础的目的。
二次灌浆专项施工方案一、前期准备工作在进行二次灌浆施工前,需进行以下前期准备工作:1.安全防护:在施工区域内设置明显的警示标志,并保证施工人员配备相关安全装备。
2.施工材料准备:准备所需的灌浆材料,如水泥、砂浆、水等,并按照配比要求进行搅拌。
3.设备检查:检查灌浆设备的工作状态,确保设备正常运转。
4.施工区域准备:清理施工区域,确保工作面整洁并清除障碍物。
二、施工步骤1. 检查基础情况在进行灌浆前,需对基础进行检查,确保基础表面干净、结实,并修补破损部分。
2. 预处理在基础表面喷涂底涂材料,提高灌浆材料的附着力,确保灌浆效果。
3. 灌浆施工根据设计要求,进行灌浆施工,注意以下几点:•材料配比:按照设计要求进行水泥、砂浆等材料的配比,确保灌浆材料质量稳定。
•施工方法:采用均匀分层灌浆法,避免空鼓和漏浆现象。
•施工质量:保证灌浆材料充实、紧密,确保基础和墙体结构的牢固性。
4. 治理灌浆面待灌浆完成后,及时清理灌浆面上的浮浆,并做好表面修整,确保灌浆面平整光滑。
三、质量验收完成施工后需进行质量验收,包括以下几个方面:1.灌浆强度:进行抽芯检测,确保灌浆强度符合要求。
2.灌浆质量:检查灌浆表面是否平整、无裂缝、无空鼓等质量问题。
3.工程外观:检查施工面的外观质量,确保符合设计要求。
四、注意事项1.施工过程中需严格按照设计要求进行,确保施工质量。
2.遇到特殊情况需及时处理,确保灌浆施工顺利进行。
3.施工结束后及时清理施工区域,保持整洁。
结语二次灌浆专项施工方案的实施对保障建筑结构的安全稳固起着重要作用,只有严格按照要求进行施工,确保质量、安全,才能取得良好的效果。
基础二次灌浆施工方案一、概述基础二次灌浆是指在混凝土结构基础灌浆后,再次对基础进行灌浆加固的施工工艺。
这一工艺旨在提高基础的承载能力和抗渗性能,确保建筑结构的安全稳定。
本文将详细介绍基础二次灌浆的施工方案。
二、施工前准备1.初步清洁基础表面,去除附着的杂物和松散物。
2.对基础进行全面检测,确认有无裂缝、孔洞等缺陷。
3.确定二次灌浆材料的种类、用量和施工方法。
4.准备好必要的施工设备和工具,确保施工顺利进行。
三、施工步骤1. 打孔•根据设计要求和灌浆方案,在基础表面定位并打孔。
•孔距、孔径要符合要求,避免损坏基础结构。
2. 清洗•对打好的孔进行清洗,确保孔内无杂物和水渍,保证灌浆材料的充分渗透。
3. 灌浆•选用符合要求的灌浆材料,按比例配制混合物。
•采用高压注浆技术,将混合物注入孔内,直至完全填满。
4. 养护•灌浆完成后,对基础进行养护,确保灌浆材料的正常凝固和固化。
•养护时间一般为3-7天,根据环境温度和湿度进行调整。
四、验收标准1.灌浆后基础表面应无渗漏现象。
2.灌浆孔内填充均匀,无空隙和杂物。
3.灌浆层表面平整、无裂缝和起泡现象。
五、注意事项1.施工现场必须保持清洁,并做好防水措施。
2.灌浆材料的配比和搅拌要符合要求,严禁私自调整。
3.在施工过程中严格按照操作规程进行操作,确保施工质量。
六、总结基础二次灌浆作为一项重要的基础处理工艺,对建筑结构的安全性起着至关重要的作用。
通过本文介绍的施工方案和注意事项,可以有效提高施工质量,确保基础结构的稳定和安全。
施工单位在进行基础二次灌浆施工时应认真执行相关规定,确保施工质量和安全。