变送器校验记录
- 格式:docx
- 大小:26.85 KB
- 文档页数:2
变送器校验步骤及注意事项一、引言变送器是工业过程控制中常用的设备,负责将被测量的物理量转换为电信号,并将其传输到控制室或监控系统。
为了确保变送器的准确性和可靠性,需要对其进行校验。
本文将介绍变送器校验的步骤及注意事项。
二、变送器校验步骤1. 准备工作在进行变送器校验之前,需要准备以下工作:- 确定校验的物理量类型,如压力、温度、流量等;- 准备校验仪器,包括校验装置、标准仪表和校验介质;- 确定校验点的位置和数量;- 检查变送器的外观和连接线路是否正常;- 将变送器与控制系统断开连接,避免干扰。
2. 校验量程范围校验量程范围是指变送器能够正常工作的上下限范围。
校验时,需要根据变送器的技术规格和使用要求,选择适当的校验范围。
一般情况下,校验范围应包括变送器的满量程和零位。
3. 校验零位校验零位是为了确保变送器在无输入信号时输出为零。
校验零位时,将校验装置的输出信号调整为零,并观察变送器的输出信号是否为零。
如果不为零,需要进行零位调整,直到输出信号为零为止。
4. 校验满量程校验满量程是为了确定变送器在满量程输入信号时的输出是否正确。
校验满量程时,将校验装置的输出信号调整到变送器的满量程值,并观察变送器的输出信号是否与期望值相符。
如果不相符,需要进行满量程调整,直到输出信号与期望值相符为止。
5. 校验中间量程除了校验零位和满量程外,有时还需要对变送器的中间量程进行校验。
校验中间量程时,根据需要选择适当的校验点,并将校验装置的输出信号调整到相应的数值,观察变送器的输出信号是否与期望值相符。
6. 记录和评估结果在校验过程中,需要记录校验点的输入和输出数值,并计算误差值。
根据误差值的大小,评估变送器的准确性和可靠性。
如果误差值过大,可能需要进行调整或更换变送器。
三、变送器校验注意事项1. 校验装置的准确性和稳定性对校验结果影响重大,因此需要定期检查和校准校验装置。
2. 在校验过程中,应避免变送器受到外界干扰,如电磁场、振动等。
差压变送器校验步骤以差压变送器校验步骤为标题,写一篇文章:差压变送器是一种常用的工业测量仪器,用于测量流体的压力差。
为了确保差压变送器的准确性和可靠性,需要进行校验。
下面将介绍差压变送器校验的具体步骤。
1. 校验前的准备工作在进行差压变送器校验之前,需要准备好校验设备和材料,包括校验器、压力表、气源、连接管道等。
同时,还要对校验器和压力表进行检查,确保其正常工作。
2. 连接差压变送器和校验器将差压变送器和校验器的进口和出口管道与连接管道连接起来。
确保连接牢固,并使用密封胶等材料进行密封,以防漏气。
3. 设定校验点根据需要校验的差压范围,设定校验点的压力值。
可以根据实际情况选择多个校验点进行校验,以确保差压变送器在不同压力下的准确性。
4. 施加压力通过调节气源,将气体压力逐渐增加,直到达到设定的校验点压力。
在施加压力的过程中,需要注意控制压力的稳定性,以保证校验结果的准确性。
5. 记录校验结果在每个校验点压力下,记录差压变送器和校验器的读数。
差压变送器的读数可以通过数字显示屏或模拟信号输出进行获取。
校验器的读数可以通过压力表进行获取。
6. 比较和分析结果将差压变送器和校验器的读数进行比较,计算它们之间的差值。
如果差值在允许误差范围内,说明差压变送器的准确性良好;如果差值超出允许误差范围,说明差压变送器存在偏差,需要进行调整或更换。
7. 调整和修正如果差压变送器的校验结果不符合要求,需要进行调整和修正。
可以通过调节差压变送器的零点和量程等参数来达到校验要求。
调整时要小心谨慎,避免对差压变送器造成损坏。
8. 重复校验在进行差压变送器校验后,建议重复进行校验,以确保校验结果的准确性和可靠性。
可以选择不同的校验点和不同的校验器进行校验,以验证差压变送器的性能。
总结:差压变送器校验是确保其准确性和可靠性的重要步骤。
校验前的准备工作、连接差压变送器和校验器、设定校验点、施加压力、记录校验结果、比较和分析结果、调整和修正、重复校验等步骤都是不可缺少的。
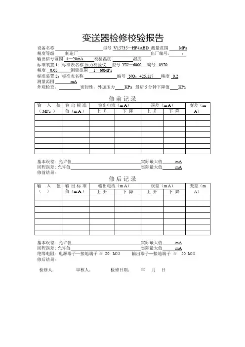
变送器检修校验报告设备名称型号 V15735—HF4ABD 测量范围 MPa 精度等级制造厂出厂编号: ;输出信号范围 4—20mA校验温度湿度标准装置1:标准表名称压力校验仪型号 YU—6000 编号 0370精度 0.05 测量范围 1—60MPa标准装置2:标准表名称编号 NO:425.117 精度 0.2测量范围 mA外观检查:密封性:外加压力 KPa 最后5分钟下降值 KPa修前记录基本误差:允许值实际最大值 mA回程误差:允许值实际最大值 mA修前结果:修后记录基本误差:允许值实际最大值 mA回程误差:允许值实际最大值 mA绝缘电阻:电源端子—接地端子≥ 20 MΩ输出端子—接地端子≥ 20 MΩ修后结果:检修人:审核人:检修日期:年月日变送器检修校验报告设备名称 #2热网循环泵出口压力型号 V15735—HF4ABD 测量范围 0—1MPa 精度等级 0.2 制造厂上海威尔泰工业自动化股份有限公司出厂编号 C508540 输出信号范围 4—20mA校验温度 26℃湿度28%标准装置1:标准表名称压力校验仪型号 YU—6000 编号 0370精度 0.05 测量范围 1—60MPa标准装置2:标准表名称 C41—mA编号 NO:425.117 精度 0.2测量范围 4—20mA外观检查:良好密封性:外加压力 KPa 最后5分钟下降值 KPa修前记录基本误差:允许值 16×(±0.2%)=± 0.032mA实际最大值 0.01mA回程误差:允许值16×(±0.2%)=± 0.032mA实际最大值 0.01mA修前结果:合格修后记录基本误差:允许值 16×(±0.2%)=± 0.032mA实际最大值 0.01mA回程误差:允许值16×(±0.2%)=± 0.032mA实际最大值 0.01mA绝缘电阻:电源端子—接地端子≥ 20 MΩ输出端子—接地端子≥ 20 MΩ修后结果:合格检修人:审核人:检修日期: 2008 年6 月12 日变送器检修校验报告设备名称 #3热网循环泵出口压力型号 V15735—HF4ABD 测量范围 0—1MPa 精度等级 0.2 制造厂上海威尔泰工业自动化股份有限公司出厂编号 C508517 输出信号范围 4—20mA校验温度 26℃湿度28%标准装置1:标准表名称压力校验仪型号 YU—6000 编号 0370精度 0.05 测量范围 1—60MPa标准装置2:标准表名称 C41—mA编号 NO:425.117 精度 0.2测量范围 4—20mA外观检查:良好密封性:外加压力 KPa 最后5分钟下降值 KPa修前记录基本误差:允许值 16×(±0.2%)=± 0.032mA实际最大值 0.02mA回程误差:允许值16×(±0.2%)=± 0.032mA实际最大值 0.02mA修前结果:合格修后记录基本误差:允许值 16×(±0.2%)=± 0.032mA实际最大值 0.02mA回程误差:允许值16×(±0.2%)=± 0.032mA实际最大值 0.02mA绝缘电阻:电源端子—接地端子≥ 20 MΩ输出端子—接地端子≥ 20 MΩ修后结果:合格检修人:审核人:检修日期: 2008 年6 月12 日变送器检修校验报告设备名称 #4热网循环泵出口压力型号 V15735—HF4ABD 测量范围 0—1MPa 精度等级 0.2 制造厂上海威尔泰工业自动化股份有限公司出厂编号 C513712 输出信号范围 4—20mA校验温度 26℃湿度28%标准装置1:标准表名称压力校验仪型号 YU—6000 编号 0370精度 0.05 测量范围 1—60MPa标准装置2:标准表名称 C41—mA编号 NO:425.117 精度 0.2测量范围 4—20mA外观检查:良好密封性:外加压力 KPa 最后5分钟下降值 KPa基本误差:允许值 16×(±0.2%)=± 0.032mA实际最大值 0.01mA回程误差:允许值16×(±0.2%)=± 0.032mA实际最大值 0.01mA修前结果:合格修后记录基本误差:允许值 16×(±0.2%)=± 0.032mA实际最大值 0.01mA回程误差:允许值16×(±0.2%)=± 0.032mA实际最大值 0.01mA绝缘电阻:电源端子—接地端子≥ 20 MΩ输出端子—接地端子≥ 20 MΩ修后结果:合格检修人:审核人:检修日期: 2008 年6 月12 日变送器检修校验报告设备名称 #2机热网加热器蒸汽压力型号 15735 测量范围 0—0.4MPa精度等级 0.2 制造厂上海威尔泰工业自动化股份有限公司出厂编号 420783 输出信号范围 4—20mA校验温度 26℃湿度28%标准装置1:标准表名称压力校验仪型号 YU—6000 编号 0370精度 0.05 测量范围 1—60MPa标准装置2:标准表名称 C41—mA编号 NO:425.117 精度 0.2测量范围 4—20mA外观检查:良好密封性:外加压力 KPa 最后5分钟下降值 KPa修前记录基本误差:允许值 16×(±0.2%)=± 0.032mA实际最大值 0.02mA回程误差:允许值16×(±0.2%)=± 0.032mA实际最大值 0.02mA修前结果:合格修后记录基本误差:允许值 16×(±0.2%)=± 0.032mA实际最大值 0.02mA回程误差:允许值16×(±0.2%)=± 0.032mA实际最大值 0.02mA绝缘电阻:电源端子—接地端子≥ 20 MΩ输出端子—接地端子≥ 20 MΩ修后结果:合格检修人:审核人:检修日期: 2008 年6 月12 日变送器检修校验报告设备名称 #1热网来加热器蒸汽压力型号 15735 测量范围 0—0.4MPa 精度等级 0.2 制造厂上海威尔泰工业自动化股份有限公司出厂编号 420779 输出信号范围 4—20mA校验温度 26℃湿度28%标准装置1:标准表名称压力校验仪型号 YU—6000 编号 0370精度 0.05 测量范围 1—60MPa标准装置2:标准表名称 C41—mA编号 NO:425.117 精度 0.2测量范围 4—20mA外观检查:良好密封性:外加压力 KPa 最后5分钟下降值 KPa基本误差:允许值 16×(±0.2%)=± 0.032mA实际最大值 0.02mA回程误差:允许值16×(±0.2%)=± 0.032mA实际最大值 0.02mA修前结果:合格修后记录基本误差:允许值 16×(±0.2%)=± 0.032mA实际最大值 0.02mA回程误差:允许值16×(±0.2%)=± 0.032mA实际最大值 0.02mA绝缘电阻:电源端子—接地端子≥ 20 MΩ输出端子—接地端子≥ 20 MΩ修后结果:合格检修人:审核人:检修日期: 2008 年6 月12 日变送器检修校验报告设备名称供水压力型号 15735 测量范围 0—1.6MPa精度等级 0.2 制造厂上海威尔泰工业自动化股份有限公司出厂编号 420863 输出信号范围 4—20mA校验温度 26℃湿度28%标准装置1:标准表名称压力校验仪型号 YU—6000 编号 0370精度 0.05 测量范围 1—60MPa标准装置2:标准表名称 C41—mA编号 NO:425.117 精度 0.2测量范围 4—20mA外观检查:良好密封性:外加压力 KPa 最后5分钟下降值 KPa修前记录基本误差:允许值 16×(±0.2%)=± 0.032mA实际最大值 0.02mA回程误差:允许值16×(±0.2%)=± 0.032mA实际最大值 0.02mA修前结果:合格修后记录基本误差:允许值 16×(±0.2%)=± 0.032mA实际最大值 0.02mA回程误差:允许值16×(±0.2%)=± 0.032mA实际最大值 0.02mA绝缘电阻:电源端子—接地端子≥ 20 MΩ输出端子—接地端子≥ 20 MΩ修后结果:合格检修人:审核人:检修日期: 2008 年6 月12 日变送器检修校验报告设备名称 #2机疏水压力型号 15735 测量范围 0—2.5MPa精度等级 0.2 制造厂上海威尔泰工业自动化股份有限公司出厂编号 420895 输出信号范围 4—20mA校验温度 26℃湿度28%标准装置1:标准表名称压力校验仪型号 YU—6000 编号 0370精度 0.05 测量范围 1—60MPa标准装置2:标准表名称 C41—mA编号 NO:425.117 精度 0.2测量范围 4—20mA外观检查:良好密封性:外加压力 KPa 最后5分钟下降值 KPa修前记录基本误差:允许值 16×(±0.2%)=± 0.032mA实际最大值 0.02mA回程误差:允许值16×(±0.2%)=± 0.032mA实际最大值 0.02mA修前结果:合格修后记录基本误差:允许值 16×(±0.2%)=± 0.032mA实际最大值 0.02mA回程误差:允许值16×(±0.2%)=± 0.032mA实际最大值 0.02mA绝缘电阻:电源端子—接地端子≥ 20 MΩ输出端子—接地端子≥ 20 MΩ修后结果:合格检修人:审核人:检修日期: 2008 年6 月12 日变送器检修校验报告设备名称回水压力型号 15735 测量范围 0—1.6MPa精度等级 0.2 制造厂上海威尔泰工业自动化股份有限公司出厂编号 420862输出信号范围 4—20mA校验温度 26℃湿度28%标准装置1:标准表名称压力校验仪型号 YU—6000 编号 0370精度 0.05 测量范围 1—60MPa标准装置2:标准表名称 C41—mA编号 NO:425.117 精度 0.2测量范围 4—20mA外观检查:良好密封性:外加压力 KPa 最后5分钟下降值 KPa基本误差:允许值 16×(±0.2%)=± 0.032mA实际最大值 0.02mA回程误差:允许值16×(±0.2%)=± 0.032mA实际最大值 0.02mA修前结果:合格基本误差:允许值 16×(±0.2%)=± 0.032mA实际最大值 0.02mA回程误差:允许值16×(±0.2%)=± 0.032mA实际最大值 0.02mA绝缘电阻:电源端子—接地端子≥ 20 MΩ输出端子—接地端子≥ 20 MΩ修后结果:合格检修人:审核人:检修日期: 2008 年6 月12 日变送器检修校验报告设备名称 #1热网循环泵出口压力型号 V15735—HF4ABD 测量范围 0—1MP 精度等级 0.2 制造厂上海威尔泰工业自动化股份有限公司出厂编号 C508539 输出信号范围 4—20mA校验温度 26℃湿度28%标准装置1:标准表名称压力校验仪型号 YU—6000 编号 0370精度 0.05 测量范围 1—60MPa标准装置2:标准表名称 C41—mA编号 NO:425.117 精度 0.2测量范围 4—20mA外观检查:良好密封性:外加压力 KPa 最后5分钟下降值 KPa修前记录基本误差:允许值 16×(±0.2%)=± 0.032mA实际最大值 0.02mA回程误差:允许值16×(±0.2%)=± 0.032mA实际最大值 0.02mA修前结果:合格修后记录基本误差:允许值 16×(±0.2%)=± 0.032mA实际最大值 0.02mA回程误差:允许值16×(±0.2%)=± 0.032mA实际最大值 0.02mA绝缘电阻:电源端子—接地端子≥ 20 MΩ输出端子—接地端子≥ 20 MΩ修后结果:合格检修人:审核人:检修日期: 2008 年6 月12 日变送器检修校验报告设备名称 #1热网循环泵出口压力型号 V15735—HF4ABD 测量范围 0—1MP 精度等级 0.2 制造厂上海威尔泰工业自动化股份有限公司出厂编号 C508539 输出信号范围 4—20mA校验温度 26℃湿度28%标准装置1:标准表名称压力校验仪型号 YU—6000 编号 0370精度 0.05 测量范围 1—60MPa标准装置2:标准表名称 C41—mA编号 NO:425.117 精度 0.2测量范围 4—20mA外观检查:良好密封性:外加压力 KPa 最后5分钟下降值 KPa基本误差:允许值 16×(±0.2%)=± 0.032mA实际最大值 0.02mA回程误差:允许值16×(±0.2%)=± 0.032mA实际最大值 0.02mA修前结果:合格修后记录基本误差:允许值 16×(±0.2%)=± 0.032mA实际最大值 0.02mA回程误差:允许值16×(±0.2%)=± 0.032mA实际最大值 0.02mA绝缘电阻:电源端子—接地端子≥ 20 MΩ输出端子—接地端子≥ 20 MΩ修后结果:合格检修人:审核人:检修日期: 2008 年6 月12 日变送器检修校验报告设备名称 #1热网循环泵出口压力型号 V15735—HF4ABD 测量范围 0—1MP 精度等级 0.2 制造厂上海威尔泰工业自动化股份有限公司出厂编号 C508539 输出信号范围 4—20mA校验温度 26℃湿度28%标准装置1:标准表名称压力校验仪型号 YU—6000 编号 0370精度 0.05 测量范围 1—60MPa标准装置2:标准表名称 C41—mA编号 NO:425.117 精度 0.2测量范围 4—20mA外观检查:良好密封性:外加压力 KPa 最后5分钟下降值 KPa修前记录基本误差:允许值 16×(±0.2%)=± 0.032mA实际最大值 0.02mA回程误差:允许值16×(±0.2%)=± 0.032mA实际最大值 0.02mA修前结果:合格修后记录基本误差:允许值 16×(±0.2%)=± 0.032mA实际最大值 0.02mA回程误差:允许值16×(±0.2%)=± 0.032mA实际最大值 0.02mA绝缘电阻:电源端子—接地端子≥ 20 MΩ输出端子—接地端子≥ 20 MΩ修后结果:合格检修人:审核人:检修日期: 2008 年6 月12 日变送器检修校验报告设备名称 #1热网循环泵出口压力型号 V15735—HF4ABD 测量范围 0—1MP 精度等级 0.2 制造厂上海威尔泰工业自动化股份有限公司出厂编号 C508539 输出信号范围 4—20mA校验温度 26℃湿度28%标准装置1:标准表名称压力校验仪型号 YU—6000 编号 0370精度 0.05 测量范围 1—60MPa标准装置2:标准表名称 C41—mA编号 NO:425.117 精度 0.2测量范围 4—20mA外观检查:良好密封性:外加压力 KPa 最后5分钟下降值 KPa修前记录基本误差:允许值 16×(±0.2%)=± 0.032mA实际最大值 0.02mA回程误差:允许值16×(±0.2%)=± 0.032mA实际最大值 0.02mA修前结果:合格修后记录基本误差:允许值 16×(±0.2%)=± 0.032mA实际最大值 0.02mA回程误差:允许值16×(±0.2%)=± 0.032mA实际最大值 0.02mA绝缘电阻:电源端子—接地端子≥ 20 MΩ输出端子—接地端子≥ 20 MΩ修后结果:合格检修人:审核人:检修日期: 2008 年6 月12 日变送器检修校验报告设备名称 #1热网循环泵出口压力型号 V15735—HF4ABD 测量范围 0—1MP 精度等级 0.2 制造厂上海威尔泰工业自动化股份有限公司出厂编号 C508539 输出信号范围 4—20mA校验温度 26℃湿度28%标准装置1:标准表名称压力校验仪型号 YU—6000 编号 0370精度 0.05 测量范围 1—60MPa标准装置2:标准表名称 C41—mA编号 NO:425.117 精度 0.2测量范围 4—20mA外观检查:良好密封性:外加压力 KPa 最后5分钟下降值 KPa修前记录基本误差:允许值 16×(±0.2%)=± 0.032mA实际最大值 0.02mA回程误差:允许值16×(±0.2%)=± 0.032mA实际最大值 0.02mA修前结果:合格修后记录基本误差:允许值 16×(±0.2%)=± 0.032mA实际最大值 0.02mA回程误差:允许值16×(±0.2%)=± 0.032mA实际最大值 0.02mA绝缘电阻:电源端子—接地端子≥ 20 MΩ输出端子—接地端子≥ 20 MΩ修后结果:合格检修人:审核人:检修日期: 2008 年6 月12 日变送器检修校验报告设备名称 #1热网循环泵出口压力型号 V15735—HF4ABD 测量范围 0—1MP 精度等级 0.2 制造厂上海威尔泰工业自动化股份有限公司出厂编号 C508539 输出信号范围 4—20mA校验温度 26℃湿度28%标准装置1:标准表名称压力校验仪型号 YU—6000 编号 0370精度 0.05 测量范围 1—60MPa标准装置2:标准表名称 C41—mA编号 NO:425.117 精度 0.2测量范围 4—20mA外观检查:良好密封性:外加压力 KPa 最后5分钟下降值 KPa修前记录基本误差:允许值 16×(±0.2%)=± 0.032mA实际最大值 0.02mA回程误差:允许值16×(±0.2%)=± 0.032mA实际最大值 0.02mA修前结果:合格修后记录基本误差:允许值 16×(±0.2%)=± 0.032mA实际最大值 0.02mA回程误差:允许值16×(±0.2%)=± 0.032mA实际最大值 0.02mA绝缘电阻:电源端子—接地端子≥ 20 MΩ输出端子—接地端子≥ 20 MΩ修后结果:合格检修人:审核人:检修日期: 2008 年6 月12 日。
温度变送器校验规程1.0目的规范差温度变送器的校准操作,确保温度变送器的有效性和准确性。
2.0范围对新购或年检的温度变送器进行校验。
3.0校验时所需标准仪器及设备1)精密电阻箱;2)标准电流表。
4.0校验接线方法~220伏5.1外观检查变送器的名牌应完整、清晰,应注明规格、型号、测量范围、制造厂、出厂日期、出厂编号。
5.2基本误差校验(±0.2% )校验不少于5个有效点。
增加输入信号,使输入信号依次缓慢地停在各个有效点上(不得超过有效点值再返回),读取标准表的数值并记录被检表的数值。
然后,减小输入信号,用同样的方法对仪表进行反向校验。
若误差超过允许值,则调整基准电压电位器,调好基准电压电位器后,再重新进行差压、温度、压力各参数的校验,直到满足精度要求为止。
5.3回程误差校验(0.2% )回程误差校验与示值基本误差校验同时进行。
即正向与反向校验时,同一被校分度线上的示值之差,取其中最大值,如误差超过允许值,应重新进行基本误差校验,直到满足精度要求为止。
5.4校验结果的处理经校验合格的温度变送器填写仪表校验记录,做合格标识方可投入使用,不合格的温度变送器填写仪表维修记录并详细记录不合格项目,经维修仍达不到标准要求的填写仪表报废申请表。
5.5校验周期为12个月。
6.0参考文件JJF1071国家计量校准规范编写规则JJF1001通用计量术语及定义GBT/T8170数值修约规则与极限数值的表示和判定7.0记录表格温度变送器检定记录表温度变送器检定记录表证书编号:送检单位:仪表名称:制造单位:型号规格:出厂编号:测量范围:准确度等级:室温:湿度:检定用标准器名称及型号:1、编号:2、编号:结论:检定员:核验员:检定日期:。
压力变送器的校验
压力变送器校验前的检查:
打开变送器一侧的盖子,观察橡胶垫圈,如有损坏或严重老化应更换,核级变送器的垫圈每次校验时应更换。
完成手操泵和压力模块与变送器的连接。
用手操泵将变送器的正负腔的液体吹扫干净以提高校验精度。
按校验单的量程百分比进行校验。
将初始测量数据记录在校验表上。
如果误差在容许范围内,则结束工作,转到工序8恢复现场.如果测量值超差,则进行零点,量程,线性度,量程改变,迁移,响应时间的调整(量程改变,迁移和响应时间的调整在首次安装后调试过,如没有特别要求此项不做),如果始终无法纠正,则应考虑变送器的更换(新使用的变送器必须对零点,量程,线性度,量程改变,迁移,响应时间重新调整)。
压力变送器“ZERO”零点和“SPAN”量程调节拧开变送器本体上的铭牌,注意在现场不要掉了螺丝。
上方为调零螺钉,标记为Z,下方为调量程螺钉,标记为R。
顺时针方向调整,输出增加。
(见附图)向变送器施加“零点”压力。
用螺丝刀顺时针或逆时针转动调零螺钉,直到输出读数为4mA(调整数据精度应根据变送器的使用精度确定,以下同)止。
向变送器施加“满量程”压力。
用螺丝刀顺时针或逆时针转动调满螺钉,直到输出读数为20mA止。
重复步骤7.3.2~7.3.5直到零点和量程满足要求为止.并将最后结果记录在校验单上。
1/ 1。
压力(差压)变送器检修校验指导书1范围本标准规定了压力(差压)变送器的检修、校验方法。
本标准适用于XX生态工程有限公司压力(差压)变送器的检修、校验。
2工作原理压力(差压)变送器是将压力信号转换为标准电流或电压信号的仪表,其原理是被测压力作用到测量元件上,随着被测压力的变化,产生与被测压力成比例的微小位移,这个位移通过相应的转换机构,转换成标准电流或电压信号,通过传送部件的运算放大后,输出与被测压力成线性关系的标准电流或电压信号。
压力(差压)变送器可用于测量表压,绝压,真空度等。
3维护检修3.1作业初始状态条件确认3.1.1确认智能压力(差压)变送器位号及现场位置。
3.1.2对工艺介质的温度、压力、是否有毒有害及是否需要排空进行确认。
3.2作业准备和危害识别3. 2.1作业前应办理《检修工作单》(见附件1),对作业单所涉及内容逐条落实后由相应装置的工艺人员和仪表班长确认后由仪表维修施工人员随身携带。
4. 2.2观察DCS报警器画面确认好现场已经无报警。
5. 2.3作业人员应带齐工器具有:--- 手持终端;一个人工具(一字螺丝刀、十字螺丝刀、8寸活动扳手、6寸活动扳手、斜口钳、尖嘴钳、钢丝钳等)、10寸管钳、万用表):一拆卸三阀组时,应备10寸扳手、14寸梅花扳手、一块干净抹布或塑料薄膜。
6. 2.4劳保要求:—穿好工作服,戴好安全帽、护目眼镜和劳保手套(或防酸碱手套);一一有毒有害气体时应佩戴氧气呼吸器;一一高处作业时应佩戴安全带;一一拆卸时,应佩戴防护面罩。
3.2.5作业时应有监护人。
3.2.6应站在仪表上风处,对现场周围环境观察3min。
3.2.7作业前,作业人员首先检查仪表及管线外观,无安全隐患问题存在才能进行作业。
3.2.8校验和调整零位,进行正负迁移的场合,应在测量初始压力下进行。
3.3.1变送器外观检查、卫生清扫:一检查变送器外观(包括铭牌、标志、外壳等):外观应整洁,零件完整无缺,铭牌与标志齐全清楚,外壳旋紧盖好;一检查变送器内部(包括电路板、接线端子、表内接线、线号、引出线等):内部应清洁,电路板及端子固定螺丝齐全牢固,表内接线正确,编号齐全清楚,引出线无破损或划痕;一检查仪表二次阀门、平衡阀门:二次阀门、平衡阀门完好严密,手轮齐全,标志正确清楚,操作灵活;一检查变送器接头螺纹:变送器接头螺纹应无滑扣、错扣现象,紧固螺母应无滑丝现象。
某集团氧化铝热电厂1#锅炉热控仪表校验纪录报告1.变送器调整,校验纪录报告···············2.料位仪表调整校验纪录报告··············3.执行器校定校验纪录报告···············4.执行机构系统调试纪录报告·············5.压力表调整校验纪录报告···············6.压力开关调整校纪录报告···············7.热电偶(热电阻)检验报告···············8.系统模拟试验纪录报告·················位 号 PT101 工程名称 阳煤集团氧化热电厂1#炉热控系统 仪表名称 压力变送器型 号 EJA110A 量 程 25kpa 精 度 0.1 制造厂家 重庆横河川仪有限公司出厂编号 6432 出厂日期 06.7 输 出 4~20mA 校验日期 07年3月10日室 温 18 标准仪表 名 称台式精密压力表 出 厂 编 号9745 精 度 等 级0.1 多功能校验仪061001 0.05标 准 值 实 际 输 出 值误 差变 差 (mA ) 表头指示 (Kpa ) 刻度值 (Kpa )输出值 (mA )上 升 (mA ) 下 降 (mA ) 上 升 (mA ) 下 降 (mA ) 0 4 4 4 0 0 0 0 5 7.2 7.2 7.2 0 0 0 5 10 10.4 10.4 10.4 0 0 0 10 13.6 13.6 13.6 0 0 0 15 20 16.8 16.8 16.8 0 0 0 20 25 20 20 20 0 0 0 25备 注 最大允许误差:1 % 绝对误差=M-u 相对误差=(M-u)/uX100% 误差0,变差0 指示值- M, 被测真值-u 结 论: 合格会签栏监理(建设)单位 施工单位年 月 日专业技术负责质检员 专业工长测试人年 月 日位 号 PT 102 工程名称 阳煤集团氧化热电厂1#炉热控系统 仪表名称 压力变送器型 号 EJA110A 量 程 25kpa 精 度 0.1 制造厂家 重庆横河川仪有限公司出厂编号 4683 出厂日期 06.7 输 出 4~20mA 校验日期 07年3月10日室 温 18 标准仪表 名 称台式精密压力表 出 厂 编 号9745 精 度 等 级0.1 多功能校验仪061001 0.05标 准 值 实 际 输 出 值误 差变 差 (mA ) 表头指示 (Kpa ) 刻度值 (Kpa )输出值 (mA )上 升 (mA ) 下 降 (mA ) 上 升 (mA ) 下 降 (mA ) 0 4 4 4 0 0 0 0 5 7.2 7.2 7.2 0 0 0 5 10 10.4 10.4 10.4 0 0 0 10 15 13.6 13.6 13.6 0 0 0 15 20 16.8 16.8 16.8 0 0 0 20 25 20 20 20 0 0 0 25备 注 最大允许误差:1 % 绝对误差=M-u 相对误差=(M-u)/uX100% 误差0,变差0 指示值- M, 被测真值-u 结 论:合格会签栏监理(建设)单位 施工单位年 月 日专业技术负责 质检员 专业工长测试人年 月 日YT-04-() 位 号 PT 103 工程名称 阳煤集团氧化热电厂1#炉热控系统仪表名称 压力变送器型 号 EJA110A 量 程 25kpa 精 度 0.1 制造厂家 重庆横河川仪有限公司出厂编号 4686 出厂日期 06.7 输 出 4~20mA 校验日期 07年3月4日室 温 18 标准仪表 名 称台式精密压力表 出 厂 编 号9745 精 度 等 级0.1 多功能校验仪061001 0.05标 准 值 实 际 输 出 值误 差变 差 (mA ) 表头指示 (Kpa ) 刻度值 (Kpa )输出值 (mA )上 升 (mA ) 下 降 (mA ) 上 升 (mA ) 下 降 (mA ) 0 4 4 4 0 0 0 0 5 7.2 7.2 7.2 0 0 0 5 10 10.4 10.4 10.4 0 0 0 10 15 13.6 13.6 13.6 0 0 0 15 20 16.8 16.8 16.8 0 0 0 20 25 20 20 20 0 0 0 25备 注 最大允许误差:1 % 绝对误差=M-u 相对误差=(M-u)/uX100%误差0,变差0 指示值- M, 被测真值-u结 论:合格会签栏监理(建设)单位 施工单位年 月 日专业技术负责质检员 专业工长测试人年 月 日YT-04-() 位 号 PT 104A 工程名称 阳煤集团氧化热电厂1#炉热控系统仪表名称 压力变送器型 号 EJA110A 量 程 25kpa 精 度 0.1 制造厂家 重庆横河川仪有限公司出厂编号 4689 出厂日期 06.7 输 出 4~20mA 校验日期 07年3月6日室 温 18 标准仪表 名 称台式精密压力表 出 厂 编 号9745 精 度 等 级0.1 多功能校验仪061001 0.05标 准 值 实 际 输 出 值误 差变 差 (mA ) 表头指示 (Kpa ) 刻度值 (Kpa )输出值 (mA )上 升 (mA ) 下 降 (mA ) 上 升 (mA ) 下 降 (mA ) 0 4 4 4 0 0 0 0 5 7.2 7.2 7.2 0 0 0 5 10 10.4 10.4 10.4 0 0 0 10 15 13.6 13.6 13.6 0 0 0 15 20 16.8 16.8 16.8 0 0 0 20 25 20 20 20 0 0 0 25备 注 最大允许误差:1 % 绝对误差=M-u 相对误差=(M-u)/uX100误差0,变差0 指示值- M, 被测真值-u结 论:合格会签栏监理(建设)单位 施工单位年 月 日专业技术负责质检员 专业工长测试人年 月 日位 号 PT 104B 工程名称 阳煤集团氧化热电厂1#炉热控系统仪表名称 压力变送器型 号 EJA110A 量 程 25kpa 精 度 0.1 制造厂家 重庆横河川仪有限公司出厂编号 4962 出厂日期 06.7 输 出 4~20mA 校验日期 07年3月6日室 温 18 标准仪表 名 称台式精密压力表 出 厂 编 号9745 精 度 等 级0.1 多功能校验仪061001 0.05标 准 值 实 际 输 出 值误 差变 差 (mA ) 表头指示 (Kpa ) 刻度值 (Kpa )输出值 (mA )上 升 (mA ) 下 降 (mA ) 上 升 (mA ) 下 降 (mA ) 0 4 4 4 0 0 0 0 5 7.2 7.2 7.2 0 0 0 5 10 10.4 10.4 10.4 0 0 0 10 15 13.6 13.6 13.6 0 0 0 15 20 16.8 16.8 16.8 0 0 0 20 25 20 20 20 0 0 0 25备 注 最大允许误差:1 % 绝对误差=M-u 相对误差=(M-u)/uX100%误差0,变差0 指示值- M, 被测真值-u结 论: 合格会签栏监理(建设)单位 施工单位年 月 日专业技术负责质检员 专业工长测试人年 月 日位 号 PT 105 工程名称 阳煤集团氧化热电厂1#炉热控系统仪表名称 压力变送器型 号 EJA110A 量 程 25kpa 精 度 0.1 制造厂家 重庆横河川仪有限公司出厂编号 6447 出厂日期 06.7 输 出 4~20mA 校验日期 07年3月10日室 温 18 标准仪表 名 称台式精密压力表 出 厂 编 号9745 精 度 等 级0.1 多功能校验仪061001 0.05标 准 值 实 际 输 出 值误 差变 差 (mA ) 表头指示 (Kpa ) 刻度值 (Kpa )输出值 (mA )上 升 (mA ) 下 降 (mA ) 上 升 (mA ) 下 降 (mA ) 0 4 4 4 0 0 0 0 5 7.2 7.2 7.2 0 0 0 5 10 10.4 10.4 10.4 0 0 0 10 15 13.6 13.6 13.6 0 0 0 15 20 16.8 16.8 16.8 0 0 0 20 25 20 20 20 0 0 0 25备 注 最大允许误差:1 % 绝对误差=M-u 相对误差=(M-u)/uX100%误差0,变差0 指示值- M, 被测真值-u结 论: 合格会签栏监理(建设)单位 施工单位年 月 日专业技术负责质检员 专业工长测试人年 月 日位 号 PT 106 工程名称 阳煤集团氧化热电厂1#炉热控系统仪表名称 压力变送器型 号 EJA430A 量 程 0~50kpa 精 度 0.1 制造厂家 重庆横河川仪有限公司出厂编号 6450 出厂日期 06.7 输 出 4~20mA 校验日期 07年3月6日室 温 18 标准仪表 名 称台式精密压力表 出 厂 编 号9745 精 度 等 级0.1 多功能校验仪061001 0.05标 准 值 实 际 输 出 值误 差变 差 (mA ) 表头指示 (Kpa ) 刻度值 (Kpa )输出值 (mA )上 升 (mA ) 下 降 (mA ) 上 升 (mA ) 下 降 (mA ) 0 4 4 4 0 0 0 0 10 7.21 7.21 7.21 0.01 0.01 0 10 20 10.41 10.41 10.41 0.01 0.01 0 20 30 13.61 13.61 13.61 0.01 0.01 0 30 40 16.81 16.81 16.81 0.01 0.01 0 40 50 20.01 20.01 20.01 0.01 0.01 0 50备 注 最大允许误差:1 % 绝对误差=M-u 相对误差=(M-u)/uX100%误差0,变差0 指示值- M, 被测真值-u结 论: 合格会签栏监理(建设)单位 施工单位年 月 日专业技术负责质检员 专业工长测试人年 月 日YT-04-()位 号 PT 107A 工程名称 阳煤集团氧化热电厂1#炉热控系统仪表名称 压力变送器型 号 EJA430A 量 程 0~100kpa 精 度 0.1 制造厂家 重庆横河川仪有限公司出厂编号 4701 出厂日期 06.7 输 出 4~20mA 校验日期 07年3月6日室 温 18 标准仪表 名 称台式精密压力表 出 厂 编 号9745 精 度 等 级0.1 多功能校验仪061001 0.05标 准 值 实 际 输 出 值误 差变 差 (mA ) 表头指示 (Kpa ) 刻度值 (Kpa )输出值 (mA )上 升 (mA ) 下 降 (mA ) 上 升 (mA ) 下 降 (mA ) 0 4 4 4 0 0 0 0 20 7.21 7.21 7.21 0.010.010 20 40 10.41 10.41 10.41 0 0 0 40 60 13.61 13.61 13.61 0 0 0 60 8016.81 16.81 16.81 0 0 0 8010020 20 20 00 100备 注 最大允许误差:1 %绝对误差=M-u 相对误差=(M-u)/uX100%误差-1 变差0 指示值- M, 被测真值-u结 论: 合格会签栏监理(建设)单位 施工单位年 月 日专业技术负责质检员 专业工长测试人年 月 日YT-04-() 位 号 PT 107B 工程名称 阳煤集团氧化热电厂1#炉热控系统仪表名称 压力变送器型 号 EJA430A 量 程 0~100kpa 精 度 0.1 制造厂家 重庆横河川仪有限公司出厂编号 4704 出厂日期 06.7 输 出 4~20mA 校验日期 07年3月6日室 温 18 标准仪表 名 称台式精密压力表 出 厂 编 号9745 精 度 等 级0.1 多功能校验仪061001 0.05标 准 值 实 际 输 出 值误 差变 差 (mA ) 表头指示 (Kpa ) 刻度值 (Kpa )输出值 (mA )上 升 (mA ) 下 降 (mA ) 上 升 (mA ) 下 降 (mA ) 0 4 4 4 0 0 0 0 20 7.21 7.21 7.21 0.01 0.01 0 20 40 10.41 10.41 10.41 0.01 0.01 0 40 60 13.61 13.61 13.61 0.01 0.01 0 60 8016.81 16.81 16.81 0.01 0.01 0 8010020 20 20 0 0 0 100备 注 最大允许误差:1 %绝对误差=M-u 相对误差=M-u/uX100%误差0。