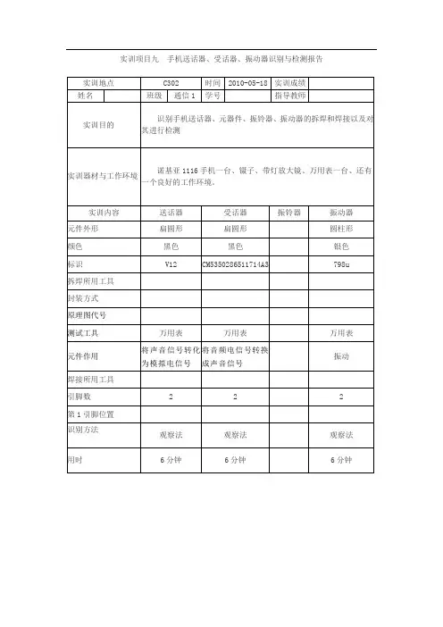
实训项目九
- 格式:ppt
- 大小:934.50 KB
- 文档页数:24
课程实训报告1【背景描述】某公司有销售部,财务部,售后服务部,经理办公室4个部门,现在要求建立公司网络拓扑实验图,并满足以下需要:1、财务部计算机不能浏览互联网的Web网页,不能访问访问FTP服务器,可以收发电子邮件2、普通员工不能访问经理办公室的计算机,只能和经理办公室计算机进行Email通信3、普通员工不能访问财务部的计算机4、经理办公室电脑可以访问普通员工计算机可以理解为:PC1、PC3不能访问PC2,PC1、PC3不可以远程登录PC4;PC2不能访问WWW和FTP访问Internet服务器,实训IP地址分配表序号设备名称IP地址网关子网掩码1 销售部主机PC1 172.30.10.1 172.30.10.100 255.255.255.02 财务部主机PC2 172.30.20.1 172.30.20.100 255.255.255.03 售后部主机PC3 172.30.30.1 172.30.30.100 255.255.255.04 经理部主机PC4 172.30.40.1 172.30.40.100 255.255.255.05 SW5-VlAN10 172.30.10.100 / 255.255.255.06 SW5-VlAN20172.30.20.100 / 255.255.255.07 SW5-VlAN30172.30.30.100 / 255.255.255.08 SW5-VlAN40172.30.40.100 / 255.255.255.09 SW8-VLAN10 172.30.10.200 / 255.255.255.010 SW8-VLAN20172.30.20.200 / 255.255.255.011 SW8-VLAN30172.30.30.200 / 255.255.255.012 SW8-VLAN40172.30.40.200 / 255.255.255.013 SW8 Fa0/4 10.1.10.1 / 255.255.255.014 路由器R1 Fa0/0 10.1.10.2 / 255.255.255.02步骤三:配置二层交换机的名称,划分VLAN,配置接口,将SW2配置命令粘贴在下面,交换机和路由器全部命名为自己的学号步骤四:配置汇聚层交换机,将配置命令粘贴在下面,交换机命名为自己的学号(无论是OSPF 还是静态路由,连通就行)步骤五:配置核心层交换机,将配置命令粘贴在下面,交换机命名为自己的学号核心层交换机OSPF配置命令,基本命令参照步骤四配置4步骤六:配置公司内部路由器,建立默认路由和OSPF路由,并配置动态NA T转换,路由器命名为自己的学号,利用show ip ospf nei命令查看OSPF路由情况并截图粘贴在下面步骤七:配置外部路由器,建立默认路由,将配置命令粘贴在下面步骤八:在内部路由器上使用show ip route 查看路由表,将路由表截图粘贴在下面步骤九:使用Ping命令测试四台PC机之间是否能够相互通信,PC机能否访问Internet服务器,将PC1 ping PC3,PC4 ping PC2,PC2 ping Internet服务器的结果粘贴在下面(三张截图)步骤十:在SW5上配置标准访问控制列表,实现普通员工不能访问财务部的计算机,经理办公室5电脑可以访问普通员工计算机。
实训项目九付款赎单一、实训目的通过本次实训,使学生掌握进口商付款赎单的基本步骤,明确付款赎单的重要性;掌握各种不同支付方式下的付款赎单方式、以及进口商报检、报关、提货、销货的基本步骤,并能正确使用中英文进行单据的填制。
二、实训要求1、掌握不同支付方式下的付款赎单步骤;2、掌握进口报检的程序及单据制作;3、掌握进口报关的程序及单据制作;4、掌握进口提货、销货的方法;三、实训步骤(一)赎单付款T/T方式下,出口商直接寄单给进口商;其他方式下,须在进口地银行付款赎单。
故不同的方式操作也有差别。
下面分述之。
** T/T方式下的审单付款:操作步骤:1.进入“单证中心”,选择对应的合同号。
2.一一点击打开该合同项下的议付单证,审核是否有误。
3.单据审核无误,进入“业务中心”,点标志“银行”的建筑物。
4.点画面下方的“T/T,D/A方式付款”,选择合同号,输入出口商编号、标题、说明内容后,点“下一步”,合同款汇出。
5.到“财务状况”中查看合同款支出状况。
** L/C、DIP、DIA方式下的赎单、付款:操作步骤:1.收入银行发来的赎单通知邮件后,进入“业务中心”,点标志“银行”的建筑物。
2.点画面下方的“赎单”项,选择合同号,输入进口地银行编号后,点“下一步”按钮。
3.进入“单证中心”,选择对应的合同号,可查看该合同项下的议付单据。
4.L/C方式下,进口地银行在通知进口商赎单时,银行自动扣除进口商账户上的货款;D/P方式下,在进口商赎单时付款。
D/A方式下,进口商在赎单时办理承兑手续,汇票到期时,要到银行办理付款手续。
具体操作为:进入“业务中心”,点标志“银行”的建筑物:再点画面下方的“T/T,D/A方式付款”,选择合同号,输入出口商编号、标题、说明内容后,点“下一步”,合同款汇出。
5.到“财务状况”中查看合同款支出状况。
(二)进口报检SimTrade所列的交易商品均属法定检验的范围,因此进口商必须做报检。
在实际业务中,非法检或合同未订需检验的商品不需报检。
实训项目九 RC串联电路中电压、电流的测试与波形观察实训目的●学会使用万用表测量交流电压和电流。
●学会使用示波器观察两个同频率正弦交流电压波形的相位关系。
任务一认识并搭接电路1.电路组成RC串联电路如图7-3-12所示,电路由交流电、开关、电容和电阻串联组成。
2.元器件识别与检测3.本实训项目所需元器件并不多,实训前读者可对应表7-3-1逐一进行识别。
3.搭接电路按图7-3-12所示RC串联电路原理图在面包板上搭接好电路,RC串联电路实物图如图7-3-13所示(也可在电工实验、实训台上搭接)。
任务二万用表测电路总电压和各分电压1.加“lkHz、3V”交流信号操作步骤:①将“1kHz、3V”交流信号加到RC串联电路两端,电路正常工作。
②选择万用表的挡位与量程,拔到交流10 V挡。
③用万用表分别测电阻两端电压UR 、电容两端电压Uc和电路两端总电压U,并把测量结果填入表7-3-2中。
④用万用表的交流电流挡测电路中的电流,并把测量结果填入表7-3-2中。
2.加“1 kHz、5V”交流信号操作步骤:①将“1 kHz、5V"交流信号加到RC串联电路两端,电路正常工作。
②、③、④的操作步骤同上,并把测量结果填入表7-3-2中。
任务三用双踪示波器观察UR与u的波形操作步骤:①校正好示波器。
②在面包板上搭接好电路,加“1 kHz、3V"交流信号。
和电路两端③将示波器CH1、CH2通道的探头分别接电阻R两端电压UR的总电压u,如图7-3-14所示。
小提示:两个探头的接地端应接在同一电位端,即电阻R与电源相连的一端。
与u的波形图,并分别计算④在同一坐标中(如图、7-3-15所示)画出UR其幅值和周期。
与u的相位关系。
并说明电路中电流i与电压u的相位关系如⑤试分析UR何?任务四实训小结(1)将“RC串联电路中电压、电流的测试与波形观察”的操作方法与步骤、收获与体会及实训评价填入“实训小结表”(参考附录2所示)。
实验实训九鞘翅目及其特征观察引言鞘翅目昆虫是一种昆虫目,主要特点是前翅硬化形成硬壳,后翅薄弱折叠在下方。
它们在全世界范围内广泛分布,有很多种类。
本次实验目的是通过观察鞘翅目昆虫的特征,了解它们的生态特征。
材料与方法1.鞘翅目昆虫标本;2.放大镜;3.显微镜;4.需要的实验器材和试剂。
结果通过观察鞘翅目昆虫的标本,我们发现了许多特征。
外部特征:鞘翅目昆虫通常具有下列外部特征:1.头部:头部比较狭长,具有一对复眼和一对触角。
复眼是由许多个小单眼组成的,可以进行广角视觉。
触角具有感知周围环境的功能。
2.口器:鞘翅目昆虫的口器呈咀嚼式,由颚、颚齿、颚肢等组成。
它们的颚齿呈锐利形状,用于咬碎食物。
3.胸部:胸部被一对触角遮挡,下面有三对足。
每只足有五个节,末端有爪状结构,使昆虫能够在地面上行走。
4.翅膀:鞘翅目昆虫的前翅比较坚硬,由两个板状的翅室组成,能够保护背部和身体。
后翅较为柔软,用于飞行。
内部特征:1.气管系统:鞘翅目昆虫具有气管系统,它通过气管将空气输送到身体各个部分。
这使得昆虫能够进行有效的气体交换。
2.循环系统:鞘翅目昆虫的循环系统是开放型的,也就是说血液流动在血管和腔隙之间。
它们的血液不仅运输氧气和营养物质,还扮演着免疫和体温调节的角色。
3.消化系统:鞘翅目昆虫的消化系统包括食道、胃和肠道等器官。
它们使用咀嚼式的口器将食物咬碎,然后经过一系列的消化和吸收过程,将营养物质吸收到体内。
4.生殖系统:鞘翅目昆虫的生殖系统由雌性和雄性器官组成。
雌性昆虫的生殖器官包括卵巢、输卵管和生殖道等,雄性昆虫的生殖器官包括睾丸和附睾等。
讨论与结论总而言之,通过本次实验,我们对鞘翅目昆虫的特征和生态特征有了更深入的了解。
这对我们研究昆虫的生态学和进化学具有重要意义。
希望通过更多的研究,能够进一步揭示鞘翅目昆虫的适应策略和生存机制,为生物多样性的保护和昆虫的生物控制提供更有力的支持。
实训九装配流水线控制
一、实训目的
1.掌握位左移位指令的使用及编程
2.掌握装配流水线控制系统的接线、调试、操作
二、面板图
三、控制要求
1.总体控制要求:如面板图所示,系统中的操作工位A、B、C,运料工位D、E、F、G 及仓库操作工位H能对工件进行循环处理。
2.闭合“启动”开关,工件经过传送工位D送至操作工位A,在此工位完成加工后再由传送工位E送至操作工位B……,依次传送及加工,直至工件被送至仓库操作工位H,由该工位完成对工件的入库操作,循环处理。
3.断开“启动”开关,系统加工完最后一个工件入库后,自动停止工作。
4.按“复位”键,无论此时工件位于任何工位,系统均能复位至起始状态,即工件又重新开始从传送工位D处开始运送并加工。
5.按“移位”键,无论此时工件位于任何工位,系统均能进入单步移位状态,即每按一次“移位”键,工件前进一个工位。
四、功能指令使用及程序流程图
1.位左移位指令使用
指令解读:对于n1(移位寄存器的长度)的位元件进行n2位的左移动的指令;当采用脉冲执行型指令时,驱动输入每一次由OFF→ON变化时,执行n2位移位。
五、端口分配及接线图
2.PLC外部接线图
六、程序设计。
《餐饮服务技能实训项目九撤换餐具》xx年xx月xx日•实训目标•实训内容•实训方法目录•实训材料•实训评估•实训反馈与改进01实训目标掌握正确的换餐具技巧学会识别需要更换的餐具餐具的清洁度和完好性是判断是否需要更换的标准,如发现餐具破损或不洁净,主动进行更换。
掌握更换餐具的正确姿势更换餐具时,应轻拿轻放,避免发出声响,同时注意保持餐具的整洁和卫生。
熟悉更换餐具的流程正确选择合适的餐具,遵循先换大盘、后换小盘,先换干净、后换脏的顺序,及时将脏餐具送回洗碗间。
了解换餐具时的礼仪规范注意礼貌用语在更换餐具时,应使用礼貌用语,如“请”、“谢谢”、“对不起”等,以示尊重。
要点一要点二避免影响顾客食欲更换餐具时应注意时机,避免在顾客进餐时更换,以免影响顾客的食欲。
遵循左撤右上的原则撤换餐具时应遵循左撤右上的原则,即从左边撤下脏餐具,从右边换上干净的餐具。
要点三通常情况下,在顾客进餐一半时开始更换餐具,这样可以避免浪费食物和增加顾客的不便。
掌握更换餐具的时间更换餐具的时机应该是顾客没有在使用餐具时,这样可以避免打扰顾客进餐。
掌握更换餐具的时机掌握换餐具的时间和时机02实训内容换餐具的顺序更换餐具时应按照使用顺序逐一更换,首先更换汤碗,然后是餐盘和筷子,最后是更换水杯或饮料杯。
换餐具的规范更换餐具时应注意卫生,使用干净整洁的餐具,同时注意将餐具上的水渍或油渍擦干净,以免影响顾客用餐体验。
换餐具的顺序和规范在更换餐具前,服务员应以礼貌的方式向顾客问候,询问顾客是否需要更换餐具。
换餐具时的语言沟通技巧礼貌问候在更换餐具时,服务员应清晰地表达出更换餐具的意图,并询问顾客是否有其他需要。
清晰表达当顾客对服务员的更换餐具表示感谢时,服务员应礼貌回应,并表示愿意为顾客提供更好的服务。
感谢与回应避免烫伤更换热水杯时,服务员应注意避免烫伤,最好使用防烫手套或其他防护措施。
防滑在更换餐具时,服务员应注意防滑,避免因地面湿滑而摔倒或发生其他意外。
珠海市第一中等职业学校实训指导书专业:电子商务班级:学号:姓名:课程名称:网店经营项目九、网店客服合作者:实训时间:第周地点:工位号学习目标:了解网店客服工作流程,掌握通过旺旺、电话,解答买家问题的客服技巧;能应用帮助买家更好地挑选商品的方法等,提升网店综合管理水平。
项目实训目标1:充分运用沟通工具——阿里旺旺项目实训目标2:及时回复买家留言项目实训目标3:选择适合的宝贝配送方式项目实训目标4:售后服务不可忽视项目实训目标5:沟通的技巧项目实训目标6:网店客服综合训练--制定一份《网店客服手册》客户服务就是一个公司与自己的客户群体的最直接的,最前沿的接口。
客户服务可以将客户的意见、建议、想法、需求直接向公司进行反应,使得公司可以尽快地对客户的这些想法进行反馈;另外一个方面,公司有些什么产品、信息、新的服务等等也客户迅速让您的客户知道;所以客户代表了两个方面的利益和诉求,是一个桥梁和窗口,这个功能完成得好就可以稳定现在已经有的客户,在市场上面获得良好的声誉,同时获得更多的客户;如果这个方面完成得不好或者根本没有则您的公司就会离开您的客户一段距离,不容易和客户达成默契,甚至于在发生某种危机的时候,无法进行有效的危机公关。
教学设备准备:多媒体网络计算机教室或电子商务实训室。
教学组织形式:将学生分成2~6人小组,以小组学习为主。
●项目课时安排:共12课时项目实训1: 2课时项目实训2:1课时项目实训3: 2课时项目实训4: 2课时项目实训5: 1课时综合练习: 1课时醒、快捷通道、最新商讯等功能,是网上交易必备的工具。
实训步骤步骤一: 打开“我的淘宝”页面右则,单击“阿里旺旺”,如图9-1所示。
图9-1 打开阿里旺旺步骤二:下载“阿里旺旺”(E 客服专用)免费软件,如图9-2所示。
图9-2 下载“阿里旺旺”(E 客服专用)免费软件步骤三:运行“阿里旺旺”如图9-3所示:图9-3 “阿里旺旺”页面步骤四:创建联系人列表多级分组,管理好买卖、朋友、亲人、同事和同学,如图9-4所示,创建“同事”多级分组列表。
项目(实训)九:牛仔裤结构制图一、实训目的1.了解牛仔裤的测量要点与放松量2.掌握牛仔裤的制图要领与说明3.熟悉腰围分配方法二、实训设备、工具、材料多媒体投影仪、制图工作台、放码尺、三角尺、软尺、大弯尺、铅笔、橡皮、牛皮纸、胶带、剪刀等。
三、实训资源(实训原理)(一)参考规格设置(二)制图要领与说明腰围分配与适身型西裤有所不同的原因:适身型西裤的腰围分配为前裤片1/4腰围-1cm;后裤片1/4腰围+1cm。
紧身型西裤的腰围分配为前裤片1/4腰围+(0-1cm)左右;后裤片1/4腰围-(0-1cm)左右。
原因是适身型西裤腰口设裥、省,如按适身型腰围分配法则会出现前片腰口劈势过大,所以与后片腰围互借,以使紧身型西裤腰口的劈势得以控制在适量的范围内。
(三)尺寸测量要点(1)裤长的测定:从腰侧髋骨处向上1cm,主垂直量至外踝骨下3cm左右或离地面4cm左右。
(2)裤腰围的测量:从髋骨处向上1cm,贴腰围量一周。
(3)裤臀围的放松量:因此款属紧身型,放松量不宜过大,一般在4cm左右。
上裆长度应比适身型稍短。
(4)上裆长的测定:上裆长度应比适身型稍短。
(四)制图参考四、实训内容及步骤1.款式分析,规格确认2.前后裤片框架绘制3.前后裤片结构造型4.后裤片省位合并5.样板制作(放缝、标记、样板信息标注)五、实训数据(实训现象或实训结论)将收集尺寸与放松量填入下表号型部位腰围臀围上裆中档脚口170/84A 规格净尺寸放松量六、思考与练习1.腰围分配与适身型西裤有所不同的原因?2.中档位置如何确定?七、评分标准实训报告(实训任务工作单)。