富士达电梯工程模式详解(这份资料请勿外传)
- 格式:doc
- 大小:445.50 KB
- 文档页数:7
最近楼层服务运转(安全停靠)当电梯在层与层之间发生故障而未能自动排除,电梯自动检出并判明不影响运行安全时,电梯会以低速自动行至最近楼层停靠开门,让乘客离开轿厢。
不能开门时救出运转(安全停靠)当电梯平层时,因为厅门地坎夹有小石头等异物门不能打开时,按"开门按钮"、"关门按钮"、"选层按钮"或者安全触板动作时,电梯将运行到邻接的楼层,将乘客救出。
故障电梯自动分离(联控、群控)当联控或群控系统中的一台电梯发生故障时,会自动脱离系统以保证其他电梯的正常运行。
基准层返回(联控、群控)当下列条件满足时,轿厢会自动返回基准层,开门待机:a )应答最后呼叫后在设定的时间内没有其他呼叫。
b )其他轿厢没有进入基准层返回运行状态。
c )在基准层上没有其他轿厢停靠。
司机操作a )轿厢可应答轿厢内与候梯厅的呼叫。
b )当轿厢在停止状态时,可使用轿厢操作盘内的"上行"或"下行"按钮设定运行方向,可连续按压"上行"或"下行"按钮,亦可使门关闭。
c )如操作"通过"按钮时,轿厢即超越候梯厅呼叫,直达轿厢呼叫的最近楼层。
专用运转轿厢操作盘上设有专用运转开关,打开此开关后电梯只应答轿厢内选层,不应答候梯厅的呼叫,此钥匙只能在退出专用运转状态后方能拔出。
开门报警电梯运行中或停止于平层区以外时,如果有人在轿厢里强行扒门,则蜂鸣器发出连续的报警声以示警告。
如果电梯运行中警告声已经响起,乘客却继续扒门,导致门被打开,则电梯将保护性停车,直到确认门关上后再启动。
超载报警超过电梯载重量110%时,轿厢蜂鸣器发出断续的警告声,并且轿厢操作盘显示"超载",同时阻止轿厢的关门动作。
防捣乱功能如同时按下三个按钮或在短时间内按下四个以上按钮,或者即使轿厢内载重在100公斤以下,有4个以上的轿厢被呼叫时,则会取消所有轿厢呼叫。
富士达电梯调试与维修手册华升富士达电梯调试与维修手册NEW CSVF型电梯结构原理及调整和使用管理机房操作功能表:11、状态检测 SEL 0 1 3 8 F 数据号码 0 平常表示方向,楼层 2IR输入负载感应器电压 1 编码器旋转方向 LS输入 %负载故障码 2 Kg负载 3 门输入对上表内所列出状态,可用以下操作步骤进行检测:① 将SEL调到所要检测的项目后,按住下按钮,SEL的位置则在LED上显示。
② 按住上按钮,确认LED的灯全部熄灭。
(若有任何灯亮,则长按上按钮4秒种消灯)③ 放开上按钮,2秒种后LED的灯一瞬全部点亮,LED上显示出所要检查的状态,如下:方向,楼层(1,0)编码器(1,1) Bit7 Bit6 Bit5 Bit4 Bit3 Bit2 Bit1 Bit0 方向楼层位置 Up运行亮灯 Down运行亮灯以2进制数显示轿厢位置Bit7 Bit6 Bit5 Bit4 Bit3 Bit2 Bit1 Bit0 Up Dn 停止 Bit3,Bit7 ● ○ ○ Bit3,Bit7 ● ○ ○ Bit3,Bit7 ○ ● ○ Bit3,Bit7 ○ ● ○ 马达 2IR输入(3,0) Bit7 Bit6 Bit5 Bit4 Bit3 Bit2 Bit1 Bit0 2IR-1D 2IR-3D 2IR-3U 2IR-1U 亮灯:输入接点ON 灭灯:输入接点OFFLS输入(3,1) Bit7 Bit6 Bit5 Bit4 Bit3 Bit2 Bit1 Bit0 LS101 LS102 LS103 LS203 LS202 LS201 亮灯:输入接点ON 灭灯:输入接点OFF门输入(3,3)负载感应器电压(8,0)2Bit7 Bit6 Bit5 Bit4 Bit3 Bit2 Bit1 Bit0 OTL CTL DBD 安全钳光电管开门按钮关门按钮亮灯:输入接点ON 灭灯:输入接点OFFBit7 Bit6 Bit5 Bit4 Bit3 Bit2 Bit1 Bit0 +/― 1V位灭灯:+;亮灯:― 2进制数显示 0.1V位 2进制数显示 %负载(8,1) Bit7 Bit6 Bit5 Bit4 Bit3 Bit2 Bit1 Bit0 10%位 0~F的2进制数显示Kg负载(8,2) Bit7 Bit6 Bit5 Bit4 Bit3 Bit2 Bit1 Bit0 100Kg位 0~F的2进制数显示 1%位 0~9的2进制数显示 10Kg位 0~9的2进制数显示用LED确认安全回路的操作方法:① 将SEL调到“4”,② 按4次上按钮,③ 2秒种后LED的灯一瞬全部点亮,④ LED上显示出安全回路检测点状态如下:步骤② 步骤③ ④停止时④运行时异常平常BIT7 ○ ○ ○ ○ ● ○ ○ ● (*K)BIT6 ○ ○ ○ ○ ● ● ● ● (*I)BIT5 ○ ○ ○ ○ ● ● ● ● (*H)BIT4 ○→○→○→ ○→ ● → ● ○ ○ (*D)BIT3 ○ ○ ○ ○ ● ● ○ ○ (*E)BIT2 ○ ○ ○ ○ ● ○ ● ● (*C)BIT1 ○ ○ ● ● ● ● ● ● (*B)BIT0 ○ ● ○ ● ● ● ● ● (*A)2、运转方式的设定: SEL 0 2 3 4 5 D F 运转方式通常方式 FD运转空载AJ 满载AJ 中间载AJ 专用运转临时运转通常都置于此方式切断候梯厅呼叫无自动关门,切断候梯厅呼叫,4WC无效备注 3对上表内所列出的运行方式,可用以下操作步骤进行设定:① 按住中间按钮,同时将SEL调到所要设定的项目后,放开中间按钮。
【目录】一、富士达集团简介二、华升富士达电梯简介三、电梯电气原理、线路说明及调整四、机房、轿厢各种操作功能说明五、电梯调试方法六、电梯维保规范七、故障的分析及对策八、电梯的使用及日常管理华升富士达电梯有限公司分公司一、富士达集团介绍:详见公司样本及“客户培训手册”中介绍二、华升富士达电梯简介(一)华升富士达电梯的机种分类华升富士达电梯机种有:EXCEL-VF;DXVF;SDVF;CSVF;分别按以下配置分类:1) 按驱动方式(曳引方式):曳引机:EXDNii——智慧型蜗轮蜗杆变频调速电梯ECEED——智慧型无机房交流变频调速电梯ACGL——智慧型交流无齿变频调速电梯2) 按电机驱动控制方式SLI型——采用由富士达开发富士电机公司制造的逆变换器,无顺变换器,此类控制方式适用于EXDNii驱动。
有SLI-360;SLI-900G11S型——采用富士电机公司制造的电梯专用变频器。
3)按电脑控制方式DIM型——MR-MIC微机装置包含MMIC、VMIC两种微机,通过各回路板用串行通讯的方式相互进行情报交流,完成各种功能。
CP28X型——将MMIC、VMIC及各种通信功能集成在主机板(CP28)和接口板,各部分用串行通讯的方式相互进行情报交流,完成各种功能。
*本项目主要规格配置见附页(二)富士达电梯的主要组成部件如下:(本资料所介绍以项目配置为主)1)曳引机(蜗轮蜗杆减速机):本项目曳引机有RA和TM两种,由电动机、减速机、曳引轮、导向轮、制动器、速度检测装置,并具备手动松闸、盘车装置,及各类警示标记、上下箭头、转动部位有黄漆。
华升富士达电梯有限公司分公司2)曳引钢丝绳:本项目曳引钢丝绳为Ф12mm×6根维保注意点:1.要确认轿厢及配重的钢丝绳绳头开口销是否脱落,并紧螺母是否松动以及钢丝绳张力。
①当钢丝绳绳头的弹簧长度参差不齐程度达3mm以上时,要调整钢丝绳张力。
②在未安装钢丝绳绳头止转装置时,要调整钢丝绳张力,而后安装止转装置。
华升富士达电梯调试手册2016-07-13 摘自阅1009 转4分享:华升富士达电梯调试NEW CSVF型第一章慢车调试一、绝缘及电压测量1.低压绝缘电阻测试1)断开与控制变压器相连接的L30线路的接地线(黄绿线)。
2)测量除动力电源、照明电源、开关盒的输出端以外的所有电流断路器,电路保护器的两端与地表间的电阻值。
3)测量通向盘外的所有配线(终端及插件)4)用低压绝缘电阻计(外加电压在5V以下)测量,测量值在5MΩ以上。
2.电源测量1)合上CB3开关变压器1、2号桩AC380V11、12号桩(L30、L40)AC100V13、15号桩AC19VVS20X电源板JB插座A侧B侧间电压均为DC24V。
MC15X继电器断相检测器PW灯亮。
2)合上1SWA开关MC15X继电器板B2、B3(L41、L30)AC100V二、机房独立运行的测试(检测控制屏是否有故障)1.接线确认1)至电机三相动力线U、V、W及接地线E接线正确无误。
2)至旋转编码器的接线及屏蔽接地正确无误。
3)至制动器B10、B20接线正确无误。
4)至限速器P1、P2接线正确无误。
2.短接线路1)MC15X继电器板l TA1-5(P2)?T2-3(P8)?T2-5(P8A)井道安全回路l C1-B6(P8C)?T2-7(P10)轿厢安全回路l T1-3(C1-A4)?T2-6 (C1-B1)轿门锁l T2-4(P1 5)?T2-2(P1)厅门联锁l T1-2(P23)?T1-1(P24)轿顶优先开关2)IF118板l H31-A6(P17)?H31-B6(C-1)井道上终端限位(LS11)l H32-A6(P18)?H32-B6(C-2)井道下终端限位(LS21)3.控制慢车运转1)送电后,MC15X继电器板A、B、C、E、F、G二极管亮。
#1E吸合,#6吸合。
2)按住下按钮BTN3,同时打开EQDO开关,然后松开下按钮。
(完成这个操作后,按下中按钮,如果LED的BIT6灯亮的话,说明没有进入“安装运行),此时,关闭EQSO开关,再重新进行一次操作)3)一直按住上按钮,轿厢慢车上行。
【目录】一、富士达集团简介二、华升富士达电梯简介三、电梯电气原理、线路说明及调整四、机房、轿厢各种操作功能说明五、电梯调试方法六、电梯维保规范七、故障的分析及对策八、电梯的使用及日常管理华升富士达电梯有限公司分公司一、富士达集团介绍:详见公司样本及“客户培训手册”中介绍二、华升富士达电梯简介(一)华升富士达电梯的机种分类华升富士达电梯机种有:EXCEL-VF;DXVF;SDVF;CSVF;分别按以下配置分类:1) 按驱动方式(曳引方式):曳引机:EXDNii——智慧型蜗轮蜗杆变频调速电梯ECEED——智慧型无机房交流变频调速电梯ACGL——智慧型交流无齿变频调速电梯2) 按电机驱动控制方式SLI型——采用由富士达开发富士电机公司制造的逆变换器,无顺变换器,此类控制方式适用于EXDNii驱动。
有SLI-360;SLI-900G11S型——采用富士电机公司制造的电梯专用变频器。
3)按电脑控制方式DIM型——MR-MIC微机装置包含MMIC、VMIC两种微机,通过各回路板用串行通讯的方式相互进行情报交流,完成各种功能。
CP28X型——将MMIC、VMIC及各种通信功能集成在主机板(CP28)和接口板,各部分用串行通讯的方式相互进行情报交流,完成各种功能。
*本项目主要规格配置见附页(二)富士达电梯的主要组成部件如下:(本资料所介绍以项目配置为主)1)曳引机(蜗轮蜗杆减速机):本项目曳引机有RA和TM两种,由电动机、减速机、曳引轮、导向轮、制动器、速度检测装置,并具备手动松闸、盘车装置,及各类警示标记、上下箭头、转动部位有黄漆。
2)曳引钢丝绳:本项目曳引钢丝绳为Ф12mm×6根维保注意点:1.要确认轿厢及配重的钢丝绳绳头开口销是否脱落,并紧螺母是否松动以及钢丝绳张力。
①当钢丝绳绳头的弹簧长度参差不齐程度达3mm以上时,要调整钢丝绳张力。
②在未安装钢丝绳绳头止转装置时,要调整钢丝绳张力,而后安装止转装置。
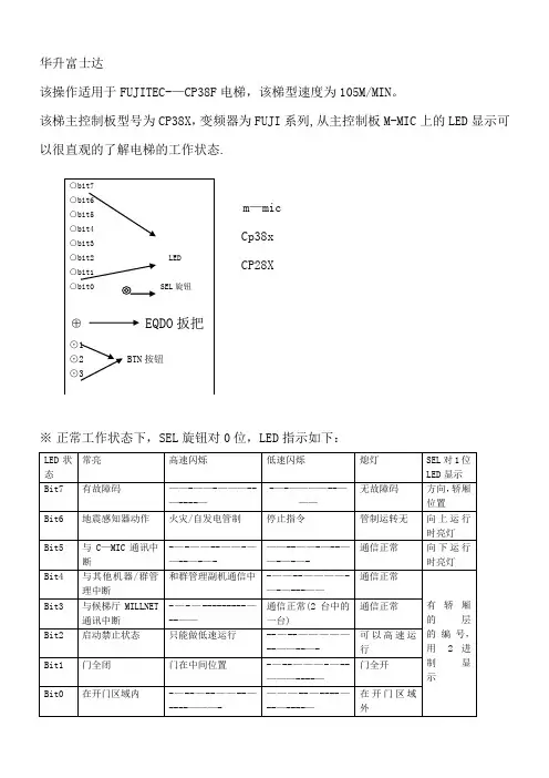
华升富士达该操作适用于FUJITEC-—CP38F电梯,该梯型速度为105M/MIN。
该梯主控制板型号为CP38X,变频器为FUJI系列,从主控制板M-MIC上的LED显示可以很直观的了解电梯的工作状态.Cp38xCP28X※正常工作状态下,SEL旋钮对0位,LED指示如下:※十六位SEL旋钮对应位置及功能:※SEL旋钮对F位,LED显示故障代码:该故障码为十六进制,采用的是BCD码,具体如下:例,显示bit7与bit1,读作82显示bit7,bit6与bit3,读作C8注:清除故障码的方法将SEL旋钮对F位,按住BTN3持续4秒以上,显示bit0—--—bit7闪烁即可。
※当SEL旋钮对F位,按BTN1显示故障码,每按一次显示一个故障代码,当按住BTN1时,则显示楼层数,此楼层数代表故障发生时电梯所在的楼层。
※机房之检修运行方法:1、在按住BTN3(下)的同时,将EQDO的扳把向上,放松开BTN(下)。
2、按住BTN1(上)时,电梯上升。
按住BTN3(下)时,电梯下降.3、放下EQDO的扳把,完成操作LED显示:与SEL位置相对应的显示.※机房之呼叫登录(快车运行)方法:1、在按住BTN2(中)的同时,将EQDO的扳把向上,放松开BTN2(中)。
2、登录层之设定:按BTN1(上),则选定目前位置之上面一层,(连续按2秒,则选定最上层).按BTN3(下),则选定目前位置之下面一层,(连续按2秒,则选定最下层)。
3、登录:按住BTN2(中)。
4、放下EQDO的扳把,完成操作。
LED显示登录层.※FD运行方法(FD自学习模式):1、在按住BTN2(中)的同时,将SEL旋钮放成(2)后,松开BTN2(中),LED闪烁期间再次按BTN2(中)。
2、在按住BTN3(下)或BTN1(上),使门关闭时如果轿厢在高出平层的位置,则开始下降。
其它位置的话,向上运行.3、将BTN2按住持续4秒以上,完成操作.LED显示:FD专用显示。
华升富士达电梯调试与维修手册NEW CSVF型电梯结构原理及调整和使用管理机房操作功能表:1、状态检测SEL数据号码01230平常表示1方向,楼层编码器旋转方向32IR输入LS输入门输入8负载感应器电压%负载Kg负载F故障码对上表内所列出状态,可用以下操作步骤进行检测:1将SEL调到所要检测的项目后,按住下按钮,SEL的位置则在LED上显示。
2按住上按钮,确认LED的灯全部熄灭。
(若有任何灯亮,则长按上按钮4秒种消灯)3放开上按钮,2秒种后LED的灯一瞬全部点亮,LED上显示出所要检查的状态,如下:方向,楼层(1,0)编码器(1,1)Bit7方向Up运行亮灯Bit7Up Dn停止Bit3,Bit7●○○Bit3,Bit7●○○Bit3,Bit7○●○Bit3,Bit7○●○Bit6Down运行亮灯Bit6Bit5楼层位置以2进制数显示轿厢位置Bit5Bit4Bit4Bit3Bit3马达Bit2Bit2Bit1Bit1Bit0Bit02IR输入(3,0)LS输入(3,1)Bit7亮灯:输入接点ON灭灯:输入接点OFF Bit7LS101亮灯:输入接点ON灭灯:输入接点OFFBit6Bit6LS102 Bit5Bit5LS103 Bit4Bit4Bit32IR-1D Bit3Bit22IR-3D Bit2LS203 Bit12IR-3U Bit1LS202 Bit02IR-1U Bit0LS201门输入(3,3)负载感应器电压(8,0)Bit7OTL亮灯:输入接点ON灭灯:输入接点OFF Bit7+/—灭灯:+;亮灯:—Bit6CTL Bit61V位2进制数显示Bit5DBD Bit5Bit4Bit4Bit3安全钳Bit30.1V位2进制数显示Bit2光电管Bit2Bit1开门按钮Bit1Bit0关门按钮Bit0%负载(8,1)Kg负载(8,2)Bit710%位0~F的2进制数显示Bit7100Kg位0~F的2进制数显示Bit6Bit6Bit5Bit5Bit4Bit4Bit31%位0~9的2进制数显示Bit310Kg位0~9的2进制数显示Bit2Bit2Bit1Bit1Bit0Bit0用LED确认安全回路的操作方法:1将SEL调到“4”,2按4次上按钮,32秒种后LED的灯一瞬全部点亮,4LED上显示出安全回路检测点状态如下:步骤②步骤③④停止时④运行时异常平常BIT7○○○○●○○●(*K)BIT6○○○○●●●●(*I)BIT5○○○○●●●●(*H)BIT4○→○→○→○→●→●○○(*D)BIT3○○○○●●○○(*E)BIT2○○○○●○●●(*C)BIT1○○●●●●●●(*B)BIT0○●○●●●●●(*A)2、运转方式的设定:SEL运转方式备注0通常方式通常都置于此方式2FD运转3空载AJ4满载AJ5中间载AJD专用运转切断候梯厅呼叫F临时运转无自动关门,切断候梯厅呼叫,4WC无效对上表内所列出的运行方式,可用以下操作步骤进行设定:1按住中间按钮,同时将SEL调到所要设定的项目后,放开中间按钮。
华升富士达电梯调试与维修手册NEW CSVF型电梯结构原理及调整和使用管理机房操作功能表:对上表内所列出状态,可用以下操作步骤进行检测:①将SEL调到所要检测的项目后,按住下按钮,SEL的位置则在LED上显示。
②按住上按钮,确认LED的灯全部熄灭。
(若有任何灯亮,则长按上按钮4秒种消灯)③放开上按钮,2秒种后LED的灯一瞬全部点亮,LED上显示出所要检查的状态,如下:门输入(3,3)负载感应器电压(8,0)用LED 确认安全回路的操作方法: ① 将SEL 调到“4”, ② 按4次上按钮,③ 2秒种后LED 的灯一瞬全部点亮,④ LED 上显示出安全回路检测点状态如下:步骤② 步骤③ ④停止时 ④运行时 异常 平常BIT7 ○ ○ ○ ○ ● ○ ○ ● (*K ) BIT6 ○ ○ ○ ○ ● ● ● ● (*I ) BIT5 ○ ○ ○ ○ ● ● ● ● (*H ) BIT4 ○→○→○→ ○→ ● → ● ○ ○ (*D ) BIT3 ○ ○○ ○ ● ● ○ ○ (*E ) BIT2 ○ ○ ○ ○ ● ○ ● ● (*C ) BIT1 ○ ○ ● ● ● ● ● ● (*B ) BIT0 ○ ● ○ ● ● ● ● ● (*A )对上表内所列出的运行方式,可用以下操作步骤进行设定:①按住中间按钮,同时将SEL调到所要设定的项目后,放开中间按钮。
②在LED的灯闪烁时(4秒种内),再按一次中间按钮并放开。
这样,就成了SEL所显示的运转方式。
这以后直到进行第③步为止,再调节SEL或重新启动电源,运转方式都不会改变。
③持续按住中间按钮4秒钟以上,运转方式变为通常运转。
LED的灯全亮,手可放开按钮。
华升富士达电梯调试与维修手册NEW CSVF型第一章慢车调试一、绝缘及电压测量1.低压绝缘电阻测试1)断开与控制变压器相连接的L30线路的接地线(黄绿线)。
2)测量除动力电源、照明电源、开关盒的输出端以外的所有电流断路器,电路保护器的两端与地表间的电阻值。
华升富士达电梯调试与维修手册NEW CSVF型电梯结构原理及调整和使用管理机房操作功能表:对上表内所列出状态,可用以下操作步骤进行检测:①将SEL调到所要检测的项目后,按住下按钮,SEL的位置则在LED上显示。
②按住上按钮,确认LED的灯全部熄灭。
(若有任何灯亮,则长按上按钮4秒种消灯)③放开上按钮,2秒种后LED的灯一瞬全部点亮,LED上显示出所要检查的状态,如下:门输入(3,3)负载感应器电压(8,0)用LED 确认安全回路的操作方法: ① 将SEL 调到“4”, ② 按4次上按钮,③ 2秒种后LED 的灯一瞬全部点亮,④ LED 上显示出安全回路检测点状态如下:步骤② 步骤③ ④停止时 ④运行时 异常 平常BIT7 ○ ○ ○ ○ ● ○ ○ ● (*K ) BIT6 ○ ○ ○ ○ ● ● ● ● (*I ) BIT5 ○ ○ ○ ○ ● ● ● ● (*H ) BIT4 ○→○→○→ ○→ ● → ● ○ ○ (*D ) BIT3 ○ ○○ ○ ● ● ○ ○ (*E ) BIT2 ○ ○ ○ ○ ● ○ ● ● (*C ) BIT1 ○ ○ ● ● ● ● ● ● (*B ) BIT0 ○ ● ○ ● ● ● ● ● (*A )对上表内所列出的运行方式,可用以下操作步骤进行设定:①按住中间按钮,同时将SEL调到所要设定的项目后,放开中间按钮。
②在LED的灯闪烁时(4秒种内),再按一次中间按钮并放开。
这样,就成了SEL所显示的运转方式。
这以后直到进行第③步为止,再调节SEL或重新启动电源,运转方式都不会改变。
③持续按住中间按钮4秒钟以上,运转方式变为通常运转。
LED的灯全亮,手可放开按钮。
华升富士达电梯调试与维修手册NEW CSVF型第一章慢车调试一、绝缘及电压测量1.低压绝缘电阻测试1)断开与控制变压器相连接的L30线路的接地线(黄绿线)。
2)测量除动力电源、照明电源、开关盒的输出端以外的所有电流断路器,电路保护器的两端与地表间的电阻值。
华升富士达电梯调试与维修手册NEW CSVF型电梯结构原理及调整和使用管理机房操作功能表:1、状态检测SEL数据号码01230平常表示1方向,楼层编码器旋转方向32IR输入LS输入门输入8负载感应器电压%负载Kg负载F故障码对上表内所列出状态,可用以下操作步骤进行检测:1将SEL调到所要检测的项目后,按住下按钮,SEL的位置则在LED上显示。
2按住上按钮,确认LED的灯全部熄灭。
(若有任何灯亮,则长按上按钮4秒种消灯)3放开上按钮,2秒种后LED的灯一瞬全部点亮,LED上显示出所要检查的状态,如下:方向,楼层(1,0)编码器(1,1)Bit7方向Up运行亮灯Bit7Up Dn停止Bit3,Bit7●○○Bit3,Bit7●○○Bit3,Bit7○●○Bit3,Bit7○●○Bit6Down运行亮灯Bit6Bit5楼层位置以2进制数显示轿厢位置Bit5Bit4Bit4Bit3Bit3马达Bit2Bit2Bit1Bit1Bit0Bit02IR输入(3,0)LS输入(3,1)Bit7亮灯:输入接点ON灭灯:输入接点OFF Bit7LS101亮灯:输入接点ON灭灯:输入接点OFFBit6Bit6LS102 Bit5Bit5LS103 Bit4Bit4Bit32IR-1D Bit3Bit22IR-3D Bit2LS203 Bit12IR-3U Bit1LS202 Bit02IR-1U Bit0LS201门输入(3,3)负载感应器电压(8,0)Bit7OTL亮灯:输入接点ON灭灯:输入接点OFF Bit7+/—灭灯:+;亮灯:—Bit6CTL Bit61V位2进制数显示Bit5DBD Bit5Bit4Bit4Bit3安全钳Bit30.1V位2进制数显示Bit2光电管Bit2Bit1开门按钮Bit1Bit0关门按钮Bit0%负载(8,1)Kg负载(8,2)Bit710%位0~F的2进制数显示Bit7100Kg位0~F的2进制数显示Bit6Bit6Bit5Bit5Bit4Bit4Bit31%位0~9的2进制数显示Bit310Kg位0~9的2进制数显示Bit2Bit2Bit1Bit1Bit0Bit0用LED确认安全回路的操作方法:1将SEL调到“4”,2按4次上按钮,32秒种后LED的灯一瞬全部点亮,4LED上显示出安全回路检测点状态如下:步骤②步骤③④停止时④运行时异常平常BIT7○○○○●○○●(*K)BIT6○○○○●●●●(*I)BIT5○○○○●●●●(*H)BIT4○→○→○→○→●→●○○(*D)BIT3○○○○●●○○(*E)BIT2○○○○●○●●(*C)BIT1○○●●●●●●(*B)BIT0○●○●●●●●(*A)2、运转方式的设定:SEL运转方式备注0通常方式通常都置于此方式2FD运转3空载AJ4满载AJ5中间载AJD专用运转切断候梯厅呼叫F临时运转无自动关门,切断候梯厅呼叫,4WC无效对上表内所列出的运行方式,可用以下操作步骤进行设定:1按住中间按钮,同时将SEL调到所要设定的项目后,放开中间按钮。
华升富士达电梯调试手册2016-07-13 摘自阅1009 转4分享:华升富士达电梯调试NEW CSVF型第一章慢车调试一、绝缘及电压测量1.低压绝缘电阻测试1)断开与控制变压器相连接的L30线路的接地线(黄绿线)。
2)测量除动力电源、照明电源、开关盒的输出端以外的所有电流断路器,电路保护器的两端与地表间的电阻值。
3)测量通向盘外的所有配线(终端及插件)4)用低压绝缘电阻计(外加电压在5V以下)测量,测量值在5MΩ以上。
2.电源测量1)合上CB3开关变压器1、2号桩AC380V11、12号桩(L30、L40)AC100V13、15号桩AC19VVS20X电源板JB插座A侧B侧间电压均为DC24V。
MC15X继电器断相检测器PW灯亮。
2)合上1SWA开关MC15X继电器板B2、B3(L41、L30)AC100V二、机房独立运行的测试(检测控制屏是否有故障)1.接线确认1)至电机三相动力线U、V、W及接地线E接线正确无误。
2)至旋转编码器的接线及屏蔽接地正确无误。
3)至制动器B10、B20接线正确无误。
4)至限速器P1、P2接线正确无误。
2.短接线路1)MC15X继电器板l TA1-5(P2)?T2-3(P8)?T2-5(P8A)井道安全回路l C1-B6(P8C)?T2-7(P10)轿厢安全回路l T1-3(C1-A4)?T2-6 (C1-B1)轿门锁l T2-4(P1 5)?T2-2(P1)厅门联锁l T1-2(P23)?T1-1(P24)轿顶优先开关2)IF118板l H31-A6(P17)?H31-B6(C-1)井道上终端限位(LS11)l H32-A6(P18)?H32-B6(C-2)井道下终端限位(LS21)3.控制慢车运转1)送电后,MC15X继电器板A、B、C、E、F、G二极管亮。
#1E吸合,#6吸合。
2)按住下按钮BTN3,同时打开EQDO开关,然后松开下按钮。
(完成这个操作后,按下中按钮,如果LED的BIT6灯亮的话,说明没有进入“安装运行),此时,关闭EQSO开关,再重新进行一次操作)3)一直按住上按钮,轿厢慢车上行。
华升富士达电梯调试手册2016-07-13 摘自阅1009 转4分享:华升富士达电梯调试NEW CSVF型第一章慢车调试一、绝缘及电压测量1.低压绝缘电阻测试1)断开与控制变压器相连接的L30线路的接地线(黄绿线)。
2)测量除动力电源、照明电源、开关盒的输出端以外的所有电流断路器,电路保护器的两端与地表间的电阻值。
3)测量通向盘外的所有配线(终端及插件)4)用低压绝缘电阻计(外加电压在5V以下)测量,测量值在5MΩ以上。
2.电源测量1)合上CB3开关变压器1、2号桩AC380V11、12号桩(L30、L40)AC100V13、15号桩AC19VVS20X电源板JB插座A侧B侧间电压均为DC24V。
MC15X继电器断相检测器PW灯亮。
2)合上1SWA开关MC15X继电器板B2、B3(L41、L30)AC100V二、机房独立运行的测试(检测控制屏是否有故障)1.接线确认1)至电机三相动力线U、V、W及接地线E接线正确无误。
2)至旋转编码器的接线及屏蔽接地正确无误。
3)至制动器B10、B20接线正确无误。
4)至限速器P1、P2接线正确无误。
2.短接线路1)MC15X继电器板l TA1-5(P2)?T2-3(P8)?T2-5(P8A)井道安全回路l C1-B6(P8C)?T2-7(P10)轿厢安全回路l T1-3(C1-A4)?T2-6 (C1-B1)轿门锁l T2-4(P1 5)?T2-2(P1)厅门联锁l T1-2(P23)?T1-1(P24)轿顶优先开关2)IF118板l H31-A6(P17)?H31-B6(C-1)井道上终端限位(LS11)l H32-A6(P18)?H32-B6(C-2)井道下终端限位(LS21)3.控制慢车运转1)送电后,MC15X继电器板A、B、C、E、F、G二极管亮。
#1E吸合,#6吸合。
2)按住下按钮BTN3,同时打开EQDO开关,然后松开下按钮。
(完成这个操作后,按下中按钮,如果LED的BIT6灯亮的话,说明没有进入“安装运行),此时,关闭EQSO开关,再重新进行一次操作)3)一直按住上按钮,轿厢慢车上行。
富士达电梯工程模式详解这份请勿外传文档编制序号:[KK8UY-LL9IO69-TTO6M3-MTOL89-FTT688]华升富士达该操作适用于FUJITEC--CP38F电梯,该梯型速度为105M/MIN。
该梯主控制板型号为CP38X,变频器为FUJI系列,从主控制板M-MIC上的LED显示可以很直观的了解电梯的工作状态。
Cp38xCP28X※正常工作状态下,SEL旋钮对0位,LED指示如下:※十六位SEL旋钮对应位置及功能:※SEL旋钮对F位,LED显示故障代码:该故障码为十六进制,采用的是BCD码,具体如下:例,显示bit7与bit1,读作82显示bit7,bit6与bit3,读作C8注:清除故障码的方法将SEL旋钮对F位,按住BTN3持续4秒以上,显示bit0----bit7闪烁即可。
※当SEL旋钮对F位,按BTN1显示故障码,每按一次显示一个故障代码,当按住BTN1时,则显示楼层数,此楼层数代表故障发生时电梯所在的楼层。
※机房之检修运行方法:1、在按住BTN3(下)的同时,将EQDO的扳把向上,放松开BTN(下)。
2、按住BTN1(上)时,电梯上升。
按住BTN3(下)时,电梯下降。
3、放下EQDO的扳把,完成操作LED显示:与SEL位置相对应的显示。
※机房之呼叫登录(快车运行)方法:1、在按住BTN2(中)的同时,将EQDO的扳把向上,放松开BTN2(中)。
2、登录层之设定:按BTN1(上),则选定目前位置之上面一层,(连续按2秒,则选定最上层)。
按BTN3(下),则选定目前位置之下面一层,(连续按2秒,则选定最下层)。
3、登录:按住BTN2(中)。
4、放下EQDO的扳把,完成操作。
LED显示登录层。
※FD运行方法(FD自学习模式):1、在按住BTN2(中)的同时,将SEL旋钮放成(2)后,松开BTN2(中),LED闪烁期间再次按BTN2(中)。
2、在按住BTN3(下)或BTN1(上),使门关闭时如果轿厢在高出平层的位置,则开始下降。
新版中文PMC使用须知和注意事项
新版中文PMC较老版本PMC有一些变化,为方便工程部各工务人员使用,特有如下须知:
1.开机:将电源线及数据线正确连接后,按左上部
即可开机,并进入以下画面。
2.画面以及操作:
3
正方形的按钮,逐步退回,当此DE
正方形按钮消失后,可以点击屏幕左中部的“”完全关闭系统。
注意事项:
1.电池一般为三个月更换一次(两节七号高性能碱性电池,不得使用其他普通电池!)。
更换电池后,先要检查日期时间是否正确,有误差时要及时设定修改输入正确日期、时刻,点“设定”,后打开“FOSTER”。
2.注意密码的有效期,应在密码到期前半个月返回上海工程部进行设定。
3.进行“设定地址”操作时,要先点“BYTE”或“INTER”然后再设定数据地址。
4.PMC主要使用“FOSTER”选项,其他的为辅助选项,非必须请勿擅自修改,以免影响工程的正常使用。
5.各PMC的负责人要定期检查PMC状态,发现问题及时报告上海工程部,并说明实际情况及时修复。
6.特别提醒:☆请各位不要随意玩其他功能,会误删除以上使用功能,“禁。
华升富士达
该操作适用于FUJITEC--CP38F电梯,该梯型速度为105M/MIN。
该梯主控制板型号为CP38X,变频器为FUJI系列,从主控制板M-MIC上的LED显示可以很直观的了解电梯的工作状态。
Cp38x
CP28X
※正常工作状态下,SEL旋钮对0位,LED指示如下:
※十六位SEL旋钮对应位置及功能:
※SEL旋钮对F位,LED显示故障代码:
该故障码为十六进制,采用的是BCD码,具体如下:
例,显示bit7与bit1,读作82
显示bit7,bit6与bit3,读作C8
注:清除故障码的方法
将SEL旋钮对F位,按住BTN3持续4秒以上,显示bit0----bit7闪烁即可。
※当SEL旋钮对F位,按BTN1显示故障码,每按一次显示一个故障代码,当按住BTN1时,则显示楼层数,此楼层数代表故障发生时电梯所在的楼层。
※机房之检修运行方法:
1、在按住BTN3(下)的同时,将EQDO的扳把向上,放松开BTN(下)。
2、按住BTN1(上)时,电梯上升。
按住BTN3(下)时,电梯下降。
3、放下EQDO的扳把,完成操作
LED显示:与SEL位置相对应的显示。
※机房之呼叫登录(快车运行)方法:
1、在按住BTN2(中)的同时,将EQDO的扳把向上,放松开BTN2(中)。
2、登录层之设定:
按BTN1(上),则选定目前位置之上面一层,(连续按2秒,则选定最上层)。
按BTN3(下),则选定目前位置之下面一层,(连续按2秒,则选定最下层)。
3、登录:
按住BTN2(中)。
4、放下EQDO的扳把,完成操作。
LED显示登录层。
※FD运行方法(FD自学习模式):
1、在按住BTN2(中)的同时,将SEL旋钮放成(2)后,松开BTN2(中),LED
闪烁期间再次按BTN2(中)。
2、在按住BTN3(下)或BTN1(上),使门关闭时如果轿厢在高出平层的位置,则
开始下降。
其它位置的话,向上运行。
3、将BTN2按住持续4秒以上,完成操作。
LED显示:FD专用显示。
※专用运行之方法:
1、在按住BTN2(中)的同时,将SEL旋钮放成(D)后,松开BTN2(中),LED闪烁期间再次按BTN2(中)。
2、候梯厅按钮无效。
在停止层门打开,用轿厢目的层按钮登录呼叫,按住关门按钮,安全关上门后开始运行。
3、将BTN2按住持续4秒以上,完成操作。
LED显示:与SEL位置相对应的显示。
※临时运行之方法:
1、在按住BTN2(中)的同时,将SEL旋钮放成(F)后,松开BTN2(中),LED闪烁期间再次按BTN2(中)。
2、候梯厅按钮无效。
在停止层门打开,用轿厢目的层按钮登录呼叫,按住关门按钮,安全关上门后开始运行。
3、将BTN2按住持续4秒以上,完成操作。
LED显示:与SEL位置相对应的显示。
※AJ运转之方法(AJ称重):
空载:
1、在按住BTN2(中)的同时,将SEL旋钮放成(3)后,松开BTN2(中),LED闪烁期间再次按BTN2(中)。
2、在按住BTN1(上)或BTN3(下),则自动运行开始。
满载:
1、在按住BTN2(中)的同时,将SEL旋钮放成(4)后,松开BTN2(中),LED闪烁期间再次按BTN2(中)。
2、在按住BTN1(上)或BTN3(下),则自动运行开始。
中间负载:
1、在按住BTN2(中)的同时,将SEL旋钮放成(5)后,松开BTN2(中),LED闪烁期间再次按BTN2(中)。
2、在按住BTN1(上)或BTN3(下),则自动运行开始。
完成测试操作:将BTN2按住持续4秒以上。
LED显示为AJ专用显示。
FUJITEC工程模式
该工程模式适用于FUJITEC电梯。
该模式不适用于型号为CP16X主板,CPC1主板(即新时达电气代工)。
针对以下型号主板CP28X,CP38X。
操作方式:
将轿内检修窗打开,由自动模式转为检修(手动)模式,按住开门按钮,然后按第二个数字钮,(由负至正数字钮第二个),按此数字钮,每按一次显示变化一次,(数字列显示完后则显示字母),当显示至4时松开显EQ,连续按第二个数字钮,显示变换为RS时停下,松开所以按钮,此时有数字钮闪烁,按住此闪烁钮确认即可完成操作。
以上模式为REST模式,即复位操作,可以断主板电源,针对死梯,乱程序,休止,有效。
连续按第二个数字钮,显示变换为FD时,松开所有按钮,即可进入FD专用模式。
除了以上两种模式外,还可以检查显示字符的完整性,以及AG模式,风扇运转
模式等。
第二个数字钮指的是操纵盘上由小至大的第二个按钮。
例:有一梯,共26层,地下两层,地上24层,则第二个数字键为-1。
又例:有一梯15层,无地下层,则第二个数字钮为2。
注意:在操作过程中,连续按第二个数字钮有可能会错过所要选择的模式,这时可以按第一个数字钮进行递减,即在选择过程中,第二个数字钮充当加的作用,第一个数字钮充当减的作用,可以在所有模式中循环选择。
将轿内自动转为手动(检修)模式,按住开门按钮,同时按第一或第二个数字钮,点动按此数字钮,则显示开始变化,当数字变为4时,松开所有按钮,显示由数字变为字母,EQ或其他FD,AN,AF,AM,SA,AG,LC,FO,RS等。
此时显示的字母开始闪烁。
开门钮,以及第一,第二数字钮也同步闪烁。
点按第一,或第二数字钮选择所想要的字母类型RS或其他,当显示此字母时,松开所有按钮,按住开门钮,约4秒松开,第一或第二数字钮开始闪烁,显示器显示想选择的功能字母,并停止闪烁。
此时按住闪烁的数字钮确认即可,按住时长4秒或更多,REST完成。
FD模式,选择FD,按住开门钮确认,4秒松开,开门钮亮,显示器显示FD,无闪烁,也无按钮闪烁,将手动转为自动,按关门至门完全关上即自动行车,进入FD 模式,行完全程或想完成时,将自动转为手动即可完成。