2013年全国大学生电子设计竞赛综合测评题
- 格式:pdf
- 大小:108.61 KB
- 文档页数:2
2013年全国大学生电子设计竞赛试题参赛注意事项(1)9 月4 日8:00 竞赛正式开始。
本科组参赛队只能在【本科组】题目中任选一题;高职高专组参赛队在【高职高专组】题目中任选一题,也可以选择【本科组】题目。
(2)参赛队认真填写《登记表》内容,填写好的《登记表》交赛场巡视员暂时保存。
(3)参赛者必须是有正式学籍的全日制在校本、专科学生,应出示能够证明参赛者学生身份的有效证件(如学生证)随时备查。
(4)每队严格限制3 人,开赛后不得中途更换队员。
(5)竞赛期间,可使用各种图书资料和网络资源,但不得在学校指定竞赛场地外进行设计制作,不得以任何方式与他人交流,包括教师在内的非参赛队员必须迴避,对违纪参赛队取消评审资格。
(6)9 月7 日20:00 竞赛结束,上交设计报告、制作实物及《登记表》,由专人封存。
简易频率特性测试仪(E 题)【本科组】一、任务根据零中频正交解调原理,设计并制作一个双端口网络频率特性测试仪,包 括幅频特性和相频特性,其示意图如图1 所示。
图1 频率特性测试仪示意图二、要求 1.基本要求制作一个正交扫频信号源。
(1)频率范围为1MHz~40MHz ,频率稳定度≤10-4;频率可设置,最小设置单位100kHz 。
(2)正交信号相位差误差的绝对值≤5º,幅度平衡误差的绝对值≤5%。
(3)信号电压的峰峰值≥1V,幅度平坦度≤5%。
(4)可扫频输出,扫频范围及频率步进值可设置,最小步进100kHz;要求连续扫频输出,一次扫频时间≤2s。
2.发挥部分(1)使用基本要求中完成的正交扫频信号源,制作频率特性测试仪。
a.输入阻抗为50Ω,输出阻抗为50Ω;b.可进行点频测量;幅频测量误差的绝对值≤0.5dB,相频测量误差的绝对值≤5º;数据显示的分辨率:电压增益0.1dB,相移0.1º。
(2)制作一个RLC 串联谐振电路作为被测网络,如图2 所示,其中R i 和R o 分别为频率特性测试仪的输入阻抗和输出阻抗;制作的频率特性测试仪可对其进行线性扫频测量。
第六届(2003年)全国大学生电子设计竞赛题目电压控制LC振荡器(A题)一、任务设计并制作一个电压控制LC振荡器。
二、要求1、基本要求(1)振荡器输出为正弦波,波形无明显失真。
(2)输出频率范围:15MHz~35MHz。
(3)输出频率稳定度:优于10-3。
(4)输出电压峰-峰值:V p-p=1V±0.1V。
(5)实时测量并显示振荡器输出电压峰-峰值,精度优于10%。
(6)可实现输出频率步进,步进间隔为1MHz 100kHz。
2、发挥部分(1)进一步扩大输出频率范围。
(2)采用锁相环进一步提高输出频率稳定度,输出频率步进间隔为100kHz。
(3)实时测量并显示振荡器的输出频率。
(4)制作一个功率放大器,放大LC振荡器输出的30MHz正弦信号,限定使用E=12V的单直流电源为功率放大器供电,要求在50Ω纯电阻负载上的输出功率≥20mW,尽可能提高功率放大器的效率。
(5)功率放大器负载改为50Ω电阻与20pF电容串联,在此条件下50Ω电阻上的输出功率≥20mW,尽可能提高放大器效率。
(6)其它。
三、评分标准四、说明1、需留出末级功率放大器电源电流I C0(或I D 0)的测量端,用于测试功率放大器的效率。
宽带放大器(B 题)一、任务设计并制作一个宽带放大器。
二、要求 1、基本要求(1)输入阻抗≥1k Ω;单端输入,单端输出;放大器负载电阻。
(2)3dB 通频带10kHz ~6MHz ,在20kHz ~5MHz 频带内增益起伏≤1dB 。
(3)最大增益≥40dB ,增益调节范围10dB ~40dB (增益值6级可调,步进间隔6dB ,增益预置值与实测值误差的绝对值≤2dB ),需显示预置增益值。
(4)最大输出电压有效值≥3V ,数字显示输出正弦电压有效值。
(5)自制放大器所需的稳压电源。
2、发挥部分(1)最大输出电压有效值≥6V 。
(2)最大增益≥58dB (3dB 通频带10kHz ~6MHz ,在20kHz ~5MHz 频带内增益起伏≤1dB),增益调节范围10dB ~58dB (增益值9级可调,步进间隔6dB,增益预置值与实测值误差的绝对值≤2dB),需显示预置增益值。
2013年全国大学生电子设计大赛(L题)杨摘要本设计为直流稳压电源及漏电保护装置,系统主要由MSP430-149单片机、升压电路、直流稳压电路、LCD显示电路及漏电保护装置四部分组成。
电路系统设计中以硬件电路为主体,实现了整机系统设计,达到设计任务书要求。
在电路中以电感升压后提供给稳压电路,使输出电压稳定为5V、电流恒定为1A;通过取样电阻对输出电压、电流采样后送入单片机进行A/D转换与计算,将输出功率在1062液晶进行实时显示输出功率;通过取样电阻的来比较电压,使关断元件继电器动作,从而达到漏电保护的目的。
本直流稳压电源及漏电保护装置具有电路结构简单、稳定度好、指标精度高等优点。
关键词:升压;稳压;MSP430单片机;继电器目录1系统方案 (1)1.1直流稳压电源方案论证与选择 (1)1.2升压电路方案论证与选择 (2)1.3电流取样及放大电路方案论证与选择 (4)1.4显示模块方案论证与选择 (5)1.5漏电保护装置实现方案论证与选择 (5)1.6 单片机系统方案论证与选择 (6)2系统理论分析与计算 (6)2.1直流稳压电源电路分析及设计 (6)2.2 漏电保护装置电路分析及设计 (8)2.3电路与程序设计 (9)3程序的设计 (13)3.1程序功能描述与设计思路 (13)3.2程序流程图 (13)4测试方案与测试结果 (14)4.1测试方案 (14)4.2 测试条件与仪器 (14)4.3 测试方法及结论 (15)总结 (16)附录:总电路原理图 (18)1系统方案设计并制作一台线性直流稳压电源和一个漏电保护装置,电路连接如图所示。
图中RL为负载电阻、R为漏电电流调整电阻、A为漏电流显示电流表、S为转换开关、K 为漏电保护电路复位按钮图1 直流稳压电源及漏电保护装置根据设计任务的要求,按图1所示系统结构,直流稳压电源及漏电保护装置主要由直流稳压电源、漏电保护装置、单片机系统控制及显示电路等几部分组成,为突出设计思路,这里分模块、分单元进行方案设计论述。
此处贴密封纸,然后掀起并折向报告背面,最后用胶水在后面粘牢。
2013年全国大学生电子设计竞赛直流稳压电源及漏电保护装置(L题)中山市技师学院参赛队员:林家俊叶伟智郭建华2013年9月7日摘要摘要:这个直流稳压电源以一个通用的MOS三极管为核心,一个资源丰富、低功耗的16位瑞萨MCU(微控制器)是系统的主控制芯片。
电压调节电路由一个基准电压芯片TL1431和一个可调电阻构成。
当装置工作时,MCU通过自带的AD转换器对本装置的电压、电流和功率进行监控、测试和采样。
如果漏电它还启动漏电保护装置,保护操作者和仪器本身。
瑞萨MCU的输入输出功能都很强大、应用灵活,编程界面友好。
经测试,这个装置能达到题目指定的所有的基本的和扩展的要求。
关键词:稳压电源、MOS管、瑞萨16位MCU、漏电保护Abstract:This constant voltage power supply uses a general MOS transistor as the core, and a 16-bit Renesas MCU(Micro Control Unit), which is rich in resources and low in power consumption, works as the main control chip in the system. The voltage regulating circuit is composed by a voltage reference chip, TL1431, and a variable resistor. When the device works, the MCU monitors, tests and samples the voltage, current and power of the device, using its internal AD convertor. In the case of leakage it would set the leakage protection device, which can protect the operator and the device itself. The 16-bit Renesas MCU has powerful functions in both input and output. Its application is very flexible and the programming interface is friendly. After testing, this device can achieve all the basic requirements and the expansion requirements which assigned by the topic.Keyword: voltage power 、Mos、 16-Bit Renesas MCU、 leakage Protection目录绪论 (1)1系统方案 (1)1.1DC/DC的论证与选择 (2)1.2 漏电流保护装置的论证与选择 (4)1.3 电流采样电路芯片的论证与选择 (5)1.4 MOS管辅助电源电路的论证与选择 (7)1.5 控制系统的论证与选择 (9)2系统理论分析与计算 (10)2.1 直流稳压电源的分析 (10) (10)2.2 稳压电源的计算 (11) (11)2.3 直流漏电流传感器的计算 (12) (12)3电路与程序设计 (12)3.1电路的设计 (12)3.1.1系统总体框图 (12)3.1.2 控制器子系统框图与电路原理图 (13)3.1.3 直流稳压电源子系统框图与电路原理图 (13)3.1.4 漏电流保护装置子系统框图与电路原理图 (14)3.2程序的设计 (15)3.2.1程序功能描述与设计思路 (15)3.2.2程序流程图 (16)4测试方案与测试结果 (17)4.1测试方案 (17)4.2 测试条件与仪器 (18)4.2.1测试环境 (18)4.2.2测试仪器 (18)4.3 测试结果及分析 (18)4.3.1测试结果(数据) (18)4.3.2测试分析与结论 (19)附录1:电路原理图 (20)附录2:源程序 (23)直流稳压电源及漏电保护装置(L题)【高职组】绪论问题的提出随着功率电子技术的发展,电源在各个领域得到了广泛的应用。
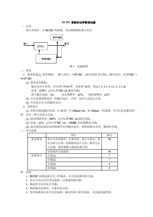
DC/DC变换和功率管理电路一、任务设计并制作一个DC/DC变换器,其结构框图如图1所示图1 电路框图二、要求1、基本要求(1) 基本规格:输入电压:+10V/DC (波动范围8~12V);输出电压:+2.5V/DC ~ +6.0V/DC(2) 基本技术指标:输出电压分8档,从+2.5V到+6.5V,每0.5V递增。
即(2.5, 3, 3.5, 4, 4.5, 5. 5.5, 6)效率:≥70% (以+2.5V/DC,1A测试为准)最大输出电流:2A;电压调整率:≤2%;电流调整率:≤2%(3) 可任意调到要求的一档输出电压,并用一定的方式显示出来。
(4) 可任意打开/关闭输出电压。
2、发挥部分(1) 控制并限制输出电流,分16档,从200mA~3A,每200mA一档递增。
可以任意设置到某一档,并以一种方式显示出来。
(2) 提高电路效率:≥80% (以+2.5V/DC, 2A测试为准)(3) 纹波:≤1% (以+2.5V/DC, 2A,20MHz示波器测试为准)(4) 按从低到高或从高到低顺序改变输出电压,每档间隔2~3秒,测试时空载。
三、评分标准1、DC/DC电路选择开关工作模式,可灵活选择具体方案;2、显示方式也可以灵活选择,以清楚明确为准;3、测试时可以用电子负载;4、测试输出纹波时,不能外加元件;5、管理电路部分也可灵活选择,最好用单片机作控制,并实施电源管理。
低频数字Q表一、任务设计制作一个数字式Q表,该Q表能够测量电感和电容的Q值,其示意图如下:1.基本要求(1)能够以1kHz的基准频率测量电感和电容的Q值。
(2)测量电路具有串联等效和并联等效两种模式。
(3)被测电感的范围为10μH ~100μH,被测电容的范围为0.1μF~10μF,Q值的显示范围为0.01~100。
(4)Q值的测量精度为±5%。
2.发挥部分(1)能够以1kHz~10kHz连续变化的基准频率测量Q值。
(2)测量Q值的同时自动识别电感和电容并测量出被测电感和电容的电感值和电容值。
2013年全国大学生电子设计竞赛红外光通信装置(F题)2013年9月7日摘要设计红外通信收发系统,该系统由信号产生模块、红外光发送模块和红外光接收模块三部分构成,实现对信号的产生、发送、接收以及实现对信号的功率放大。
掌握系统的原理,用Altium designer软件绘制原理图并生成PCB 板,然后实际操作搭建电路板。
系统主要由信号产生电路,红外光发射系统,红外光接收系统三个模块构成,由音乐芯片构成的信号产生电路发出电信号,通过发送系统转化为光信号发送,通过接收系统接受光信号并将其转化为电信号,再通过喇叭将其重新转化为语音信号,实现红外光通信的全过程。
首先主要用LM386芯片构成音乐产生电路,发出电信号,由于发出的信号比较微弱,所以需要再经过一个分压式共射电路适当放大信号,并通过LED红外发送管转化为光信号发送。
?信号经接收管接收后,通过运放电路得到较高的输出功率,驱动喇叭发出音乐芯片的音乐。
利用放大器LM386、AD623、AD8608可以得到200的增益,驱动喇叭得到所需功率。
AbstractDesign of infrared communication transceiver system, the system module, the infrared light generated by the signal of sending module and infrared receiving module, realize the signal producing, sending, receiving, and realize the signal of power amplifier. The principle of control system, with Altium designer software map principle and generate the PCB, and then practical building circuit boards. System is mainly composed of signal generation circuit, infrared launch system, the infrared receiving system three modules, which composed the music chip issue electrical signal circuit, by sending system is converted into optical signals to send, receive light signals by receiving system and convert it into electrical signals, then convert it to speech signal over the loudspeaker, realize the whole process of infrared communication. First mainly with LM386 circuit chip music, send electrical signals, because the signals are faint, so need to pass a partial pressure type radio appropriate amplified signals, and through the LED infrared transmitting tube into the light signal transmission. Signal after receiving tube, high output power is obtained by op-amp circuit, drive the horn music chip music. Using amplifier LM386, AD623, AD8608 can get the gain of 200, and drive the horn to get the required power.目录1系统方案 (4)1.1 发射管的论证与选择 (4)1.2 输入端运放的论证与选择 (4)1.3 信号传输的论证与选择 (4)1.4 功率放大器的论证与选择 (6)1.5 温度信号的获取与传输 (6)1.6 显示模块 (6)2系统理论分析与计算 (6)2.1 语音信号的放大与接受 (6)2.2 温度信号的接受 (6)2.3 传输距离的测试 (6)3电路与程序设计 (6)3.1电路的设计 (6) (6) (7) (7) (8) (8) (8)3.2程序的设计 (9) (9) (9) (10)4测试方案与测试结果 (10)4.1测试方案 (10)4.2 测试条件与仪器 (10)4.3 测试结果及分析 (10)5总结 (11)附录1:电路原理图 (12)附录2:源程序 (13)红外光通信装置(F题)1、系统方案论证:总体系统由信号产生电路、红外光发射系统、红外光接收系统三个模块构成,由音乐芯片构成的信号产生电路发出电信号,通过发送系统转化为光信号发送,通过接收系统接收光信号并将其转化为电信号,再通过喇叭将其重新转化为语音信号,实现红外光通信的全过程。
2013年全国大学生电子设计竞赛单相AC-DC变换电路(A题)【本科组】2013年9月15日摘要本单相AC-DC变换电路是以220v,50HZ为输入电压,输出直流电压,使其稳定在36v,并要求输出电流额定值为2A。
首先经自耦变压器输出20-30v的交流电,再经过整流桥整流,但由基本要求的第一条:在输入交流电压为24v,输出直流电流为2A条件下,使输出直流电压为36v〒0.1V可知,24V经整流最大才得33.9V 的电压,所以在AC-DC后还得再加一个DC-DC升压电路,使输出电压达到36V。
该电源采用推挽式DC-DC升压方式,在控制电路上,前级推挽升压电路采用SG3525芯片控制,闭环反馈;在保护上,具有短路保护、过流保护、等多重保护功能电路,增强了该电源的可靠性和安全性。
关键字:单相变换电路 AC-DC DC-DC 推挽式稳压AbstractThe single-phase AC - DC conversion circuit based on 220 v, 50 hz for the input voltage, output DC voltage, make its stability in 36 v, and demanded that the output current rating is 2 a. First the autotransformer output 20-30 V alternating current (AC), again through the rectifier bridge rectifier, but by the basicrequirements of the first: the input AC voltage is 24 V, output DC current is 2 a condition, make the output DC voltage is 36 V + / - 0.1 V, 24 V by rectifying maximum voltage of 33.9 V, so after AC - DC have to add a DC - DC booster circuit, make the output voltage of 36 V. The power supply adopts the push-pull DC - DC booster way, in the control circuit, the former push-pull booster circuit usingSG3525 chip control, closed-loop feedback; On the protection, short circuit protection, over current protection, such as multiple protection circuit, enhancing the reliability and security of the power supply.Key words: single phase commutation circuit AC - DC DC - DC push-pull voltage regulator目录摘要 (1)Abstract (2)一:方案论证 (1)1.1 AC-DC变换电路 (1)1.2 控制方法的方案选择 (3)二理论分析与计算 (3)2.1 提高效率的方法 (3)2.2 功率因数的调整方法 (3)2.3稳压控制方法 (4)三电路与程序设计 (5)3.1系统总体设计框图 (5)3.2 主回路与器件选择 (5)3.3控制电路与控制程序 (8)3.4 保护电路 (9)4 测试方案与测试结果 (9)4.1测试使用的仪器 (9)4.2 测试方法 (9)4.3 测试结果 (10)4.4 测试结果分析 (10)五结论 (10)参考文献 (11)附录 (12)一、系统电路图 (12)二、程序设计 (13)三、题目要求 (17)单相AC-DC变换电路(A题)【本科组】一:方案论证1.1 AC-DC变换电路此部分采取整流为直流,再进行DC-DC变换。
2013年全国大学生电子设计竞赛简易旋转倒立摆及控制装置(C 题)【本科组】2013年9月4日简易旋转倒立摆及控制装置摘要:本作品采用了TI公司MSP430 单片机作为控制器,实现了简易旋转倒立控制系统。
本作品选择两相四线步进电机作为旋转倒立摆的驱动装置,通过精密导电塑料角位移传感器获取摆杆的角度,实现对摆杆E运动状态的检测,以此角位移传感器的测量值作为反馈量,通过PID算法控制步进电机的运动方向和单位时间内运动的步数,实现对摆杆E角度的控制以及倒立摆的起摆和倒立平衡。
本作品可以实现对E摆杆运动状态的检测、倒立摆、起摆以及倒立摆的倒立平衡控制,具有起摆速度快、倒立摆平衡状态稳定、抗干扰能力强等特点。
关键字:旋转倒立摆步进电机 PID算法Abstract:This paper describes a control based on TI's MSP430 microcontroller simple rotary inverted control system. The system uses the West An Jiusheng 57HS56 08 type two-phase four-wire stepper motor as the power source of the system. In WDS35D4 precision conductive plastic angular displacement sensor as the only sensor to realize the system E pendulum motion detection, and so the sensor feedback value as the amount of feedback through software algorithm to determine E pendulum motion by changing the stepper motor the steering and speed to control the state of motion of the pendulum E. Test results had showed that: the system can realize the E pendulum motion detection and control. And the system also has a simple structure, enabling strong, control and stability advantages.Keywords:Rotating balance handstand tepper motor angular displacement一:系统方案1.1 系统结构:本系统主要由以下几部分构成,包括:MSP430单片机、液晶显示模块、矩阵键盘模块、角位移传感器、步进电机驱动模块以及步进电机。
2013年全国大学生电子设计竞赛简易旋转倒立摆及控制装置(C题)2013年9月7日摘要旋转倒立摆是一个非线性、强耦合、多变量和自然不稳定系统。
通过它能有效地反映控制过程中诸如镇定性、鲁棒性、随动性以及跟踪等多种关键问题,是检验各种控制理论的理想模型。
对倒立摆的研究不仅具有深远的理论意义,而且在航天科技和机器人学领域中也有现实指导性意义。
本作品是基于STC89C52单片机作为核心控制器,以L298N作为驱动电路芯片,利用直流电机PWM调速原理,控制旋转臂的转速,从而控制摆杆的频率和振幅,当二者共振时就实现了摆杆在某一固定角度往复运动,能够实现倒立摆的基本功能。
利用加速度传感器获取摆杆的状态,实现摆杆在固定角度摆动,最终实现在竖直方向倒立,即小范围内摆动而不倒下。
关键词:旋转倒立摆,STC89C52,PWM调速,共振目录1系统方案------------------------------------------------ 1 1.1 设计要求 ------------------------------------------1 1.1.1 任务----------------------------------------1 1.1.2 要求----------------------------------------2 1.1.3 说明----------------------------------------2 1.2 总体设计方案---------------------------------------3 1.2.1 设计思路-------------------------------------3 1.2.2 方案论证与比较-------------------------------5 2单元硬件电路设计-----------------------------------------6 2.1 单片机控制系统设计---------------------------------7 2.1.1 STC89C52最小系统-----------------------------6 2.1.2 AD采集模块电路设计---------------------------6 2.1.3 显示模块电路设计-----------------------------7 2.2 加速度传感器的应用---------------------------------7 2.2.1 MMA7361L原理及应用---------------------------7 2.3 电机驱动模块---------------------------------------7 2.3.1 L298N驱动电路设计----------------------------8 3程序结构与设计-------------------------------------------8 3.1 程序流程图-----------------------------------------9 3.1.1 主程序流程图及算法分析-----------------------9 3.1.2 显示程序设计--------------------------------10 4系统测试------------------------------------------------11 4.1 实验摆角测试-------------------------------------114.2 实验结果分析-----------------------------------11 5参考文献----------------------------------------------12 附录1 总程序附录2 电路原理图简易旋转倒立摆及控制装置(C题)【XX组】1系统方案本系统主要由电机驱动模块、显示模块、加速度传感器模块,下面详细介绍各模块的选择与特点。
学校统一编号HIT-A-003学校名称哈尔滨工业大学队长姓名队员姓名指导教师姓名2013年9月7日摘要本系统以A VR ATmega16 单片机为控制核心,结合MOSFET驱动器IR2102,低导通电阻功率MOSFET IRF3205制作了一台具有自动稳压功能的AC-DC变换装置,DC-DC部分采用Boost拓扑结构,实现了AC(20~30 V)-DC(36 V)转换。
负载调整率、电压调整率分别达到了2.7%和1.3%,较好地完成了基本要求。
此外,给出了功率因数调整和校正的基本方法和结构框图。
关键词:AC-DC;功率因数调整;Boost电路目录一、设计任务................................................51.1 基本要求.............................................51.2 发挥部分.............................................5二、方案论证与比较..........................................62.1AC-DC整流电路的选择................................62.2DC-DC主回路拓扑的选择..............................62.3 处理器的选择.........................................62.4 反馈稳压方案选择.....................................72.5 过流保护方案选择.....................................72.6 功率因数测量方案选择.................................72.7 功率因数调整方案选择.................................72.8 系统框图.............................................8三、理论分析与计算..........................................93.1 提高效率的方法.......................................93.2 功率因数调整方法.....................................93.3 稳压控制方法.........................................103.4AC-DC主回路与器件选择..............................113.5DC-DC主回路与器件选择..............................113.6 控制电路.............................................123.7 辅助电源.............................................123.8 电压测控电路.........................................133.9 软件与程序设计.......................................13四、测试结果与误差分析......................................144.1 测试仪器.............................................144.2 测试方案.............................................144.3 测试数据.............................................154.4 测试结果分析.........................................16五、结论与心得体会..........................................17参考文献....................................................17附录1 总电路图..............................................18附录2 元器件清单............................................19附录3 程序..................................................19单相AC-DC变换电路(A题)【本科组】一、设计任务设计并制作如图1所示的单相AC-DC变换电路。
2013年全国大学生电子设计竞赛直流稳压电源及漏电保护(L题)【高职高专组】参赛学校:亳州职业技术学院参赛学生:指导老师:2013年9月7日直流稳压电源及漏电保护装置摘要:本系统是由直流稳压电源、功率测量和显示电路及漏电保护装置构成。
直流稳压电源一般有电源变压器、整流滤波电路机稳压电路组成。
稳压器把不稳定的直流电压变成稳定的直流电压输出,通过线性稳压设计达到输出低压直流电的作用。
功率测量及显示电路由真有效值转换电路和单片机系统组成,当安装设备长期处于低功率电平时,会消耗较多能量。
因此在设备中加入功率测试部分,可以实时监测负载的输出变化。
而选用漏电保护装置也应考虑多方面的因素。
其中,首先是正确选择漏电保护装置的漏电动作电流。
因此选用高灵敏度、快速型漏电保护装置(动作电流不宜超过30mA),以便发生人触电事故时,能得到其他人的帮助计时脱离电源。
关键词:直流稳压电源功率测量漏电保护装置目录1.设计要求 (3)1.1基本要求 (3)1.2发挥部分 (3)2. 方案设计与论证…………………………………………………………………………2.1方案论证与比较………………………………………………………………………2.1.1直流稳压电源………………………………………………………………………2.1.2漏电保护装置…………………………………………………………………………3. 电路设计…………………………………………………………………………………………………3.1直流稳压电源电路设计…………………………………………………………………3.2漏电保护装置电路设计…………………………………………………………………3.3功率测量和显示电路设计………………………………………………………………4. 测试方法与测试结果………………………………………………………………………4.1测试仪器……………………………………………………………………………………4.2测试方法……………………………………………………………………………………5. 总结…………………………………………………………………………………………6.参考文献………………………………………………………………………………………7.附录(功率测量的仿真电路)……………………………………………………………………直流稳压电源及漏电保护(L题)【高职高专组】1设计要求1.1 基本要求设计一台额定输出电压为5V, 额定输出电流为1V的直流稳压电路。
2013年全国大学生电子设计竞赛射频宽带放大器(D题)【本科组】摘要本系统采用TI公司的可控增益放大器VCA810和电流反馈放大器THS3001实现增益可调的射频宽带放大器。
系统主要有三个模块组成:前置放大电路、可控增益放大电路、单片机控制显示模块。
可控增益放大部分由VCA810构成,可实现80dB的动态增益调节范围;前级放大电路使用的THS3001具有420MHz 的-3dB带宽和良好的带内平坦度【1】。
在设计过程中充分考虑了高频小信号的自激和外界干扰的问题,采取了一系列的保护和改善的措施以提高放大器稳定性。
关键词:射频放大器自激振荡增益平坦度AbstractAdopting the controllable gain amplifier --VCA810 produced by the TI and combining with THS3001, the system can achieve a wideband RF amplifier with adjustable gain. The system is mainly constituted by three block: Pre-amplifier circuit,controllable-gain amplifier circuit, MCU display and control module .Constituted by VCA810, the controllable-gain amplifier can achieve 80dB of gain adjustment range .The pre-amplifier circuit is constituted by THS3001,which is a high-speed current-feedback operational amplifier.The THS3001 offers a 420-MHz bandwidth , a good gain flatness ,making it suitable to the requirement . In the progress of the designing ,we take the H. F. small signal fully into account and adopt a series measure to improve the stability of the whole system.Key Words: Radio-frequency amplifier self excited oscillation gain flatness一、系统方案论证经过仔细的分析和论证,最终设计的射频宽带放大器包括3个模块:前置放大电路、可变增益放大电路、增益控制模块,下面针对这些模块分别进行方案论证与选择。
2013年全国大学生电子设计竞赛2013 National Undergraduate Electronic Design Contest设计报告design report参赛题目:红外光通信装置(F题)队伍编号:20130136日期:2013年9月7日红外光通信装置(F题)摘要本装置由32位MCU为主控制器。
采集音频信号及温度信号后,利用红外发光管和红外光接收模块作为收发器件,用来定向传输。
另配有一个红外光通信中继转发节点,以改变通信方向90°,传输距离为2m。
接收装置在接收到信号后用耳机播放出语音,用液晶屏显示当前温度。
当接收装置不能接收发射端发射的信号时,用发光管指示。
装置如图所示:关键词:MCU ;红外通信;语音信号;定向传输Abstract::This communication device is based on a 32-bit MCU controller . First , the system Acquisition audio signal and temperature . Then , we use infrared receiver and infrared transmitter to transport audio signal . Beside , there is a relay node.we can use relay node to change transmission direction 90°, and relay distance no less than 2 meters . Last , the system play audio by earphone and show the temperature by LCD . If infrared receiver can’t receive signals , the LED turned on .Keyword:MCU Infrared Communication Audio Transmission1.引言我们在分析题目之后认为难点是利用红外收发装置尽可能完整的传输信号而且信号中要包含音频信息和温度信息。
2013年全国大学生电子设计竞赛综合测评题
综合测评注意事项
(1)综合测评于2013年9月16日8:00正式开始,9月16日15:00结束。
(2)本科组和高职高专组优秀参赛队共用此题。
(3)综合测评以队为单位采用全封闭方式进行,现场不能上网、不能使用手机。
(4)综合测评结束时,制作的实物及《综合测评测试记录与评分表》由全国专家组委派的专家封存,交赛区保管。
波形发生器
使用题目指定的综合测试板上的555芯片和一片通用四运放324芯片,设计制作一个频率可变的同时输出脉冲波、锯齿波、正弦波Ⅰ、正弦波Ⅱ的波形产生电路。
给出设计方案、详细电路图和现场自测数据波形(一律手写、3个同学签字、注明综合测试板编号),与综合测试板一同上交。
设计制作要求如下:
1、同时四通道输出、每通道输出脉冲波、锯齿波、正弦波Ⅰ、正弦波Ⅱ中的一种波形,每通道输出的负载电阻均为600欧姆。
2、四种波形的频率关系为1:1:1:3(3次谐波):脉冲波、锯齿波、正弦波Ⅰ输出频率范围为8kHz—10kHz,输出电压幅度峰峰值为1V;正弦波Ⅱ输出频率范围为24kHz—30kHz,输出电压幅度峰峰值为9V;脉冲波、锯齿波和正弦波输出波形应无明显失真(使用示波器测量时)。
频率误差不大于10%;通带内输出电压幅度峰峰值误差不大于5%。
脉冲波占空比可调整。
3、电源只能选用+10V单电源,由稳压电源供给。
不得使用额外电源。
4、要求预留脉冲波、锯齿波、正弦波Ⅰ、正弦波Ⅱ和电源的测试端子。
5、每通道输出的负载电阻600欧姆应标示清楚、置于明显位置,便于检查。
注意:不能外加555和324芯片,不能使用除综合测试板上的芯片以外的其他任何器件或芯片。
说明:
1、综合测评应在模数实验室进行,实验室应能提供常规仪器仪表、常用工具和电阻、电容、电位器等。
2、综合测评电路板检查后发给参赛队,原则上不允许参赛队更换电路板。
3、若综合测评电路板上已焊好的324和555芯片被损坏,允许提供新的324和555芯片,自行焊接,但要记录并酌情扣分;
4、提供324和555芯片使用说明书。
综合测评实施办法
“综合测评”是全国大学生电子设计竞赛评审工作中的重要环节,是“一次竞赛二级评审”工作中全国专家组评审工作的一部分。
“综合测评”的实施办法如下:
1.全国竞赛组委会委托各赛区组委会实施“综合测评”,并在全国专家组指导下完成组织和评测工作,届时全国专家组将委派专家参加。
2.综合测评的测试对象为赛区推荐上报全国评奖的优秀参赛队全体队员,以队为单位在各赛区以全封闭方式进行,测试现场必须相对集中。
3.综合测评采用设计制作方式,测评题目与评分标准由全国专家组统一制定,各队设计制作时间为9月16日8:00~15:00。
4.综合测评使用的电路板及器件由全国竞赛组委会统一提供;电阻、电容、电位器等元件由各赛区实验室准备。
5.综合测评现场各队不能上网,不能使用手机。
6.各队综合测评作品在测试完毕后封存在赛区,以备复测。
7.“综合测评”成绩由全国专家组按统一的标准确定,按满分30分计入全国评审总分。
8.综合测评题目将在9月16日7:30发到务赛区联系人的电子邮箱中,请注意接收。
题目下载打印后复制,于8:00发给参加综合测试的各队。
综合测评需要的主要物品由全国竞赛组委会提前邮到各赛区组委会指定接收人,所寄主要物品必须在9月16日综合测试开始前1小时拆封,拆封前需由全国专家组委派负责查验。
综合测评参赛队设计制作结束后,各赛区专家组组织综合测评专家组立即按综合测评题目和要求进行严格的测试记录。
各赛区组委会必须于9月17日17:00之前(以邮戳为准)将各队综合测评记录、电路图等材料以特快专递方式寄出或派人报送全国竞赛组委会秘书处指定地址和收件人。
全国专家组委派专家要按照“综合测评实施办法”和“综合测评纪律与规定”和各项要求,实时监督检查与记录,并作为综合测评的评分依据之一。
综合测评纪律与规定
1.各赛区推荐的优秀参赛队(以下简称推荐队)全体队员必须按统一时间参加综合测评,按时开始和结束综合测评。
综合测评期间,参赛队学生可以自带并使用纸质图书资料,但不得携带电子资料,不得使用计算机网络资源,不得以任何方式与队外人员进行讨论交流。
如发现老师参与、他人代做、抄袭及被抄袭、队与队之间交流、不按规定时间结束综合测评的,将取消其测评与全国评奖资格。
2.在综合测评期间,推荐队员的个人计算机、移动式存储介质、开发装置或仿真器、“单片机最小系统板”、元器件和测试仪器等一律不得带入综合现场,否则取消测试资格。
全国大学生电子设计竞赛组织委员会
2013年8月17日。