手术管理制度检查表(术前、后)
- 格式:doc
- 大小:98.00 KB
- 文档页数:4
5.5.1.3.1检查内容:手术室患者交接制度并执行检查方式:手术患者交接制度及手术患者交接记录;访谈护士,查交接流程与记录手术室(麻醉)与ICU、病房之间的患者转接制度一、接送患者一律用平车,注意安全,防止坠床。
危重病员应有负责医师陪送。
二、接患者时,严格查对科室、床号、姓名、性别、年龄、手术名称、住院号、腕带等,同时检查患者皮肤准备情况及术前医嘱执行情况,携带患者病历、X线片和术前抗生素等,随车推入手术室。
患者若有义齿、发卡等要取下,贵重物品如首饰、现金、手表等不得带入手术室内。
三、进入手术室后为患者戴手术帽,接送护士(护工)与巡回护士当面交清,严格做好交接手续。
四、巡回护士接患者进入手术间,将患者移至手术床上时,注意防止坠床。
核对患者科室、床号、性别、年龄、手术名称和部位、切口标识、腕带等,严防差错事故。
五、术后麻醉医师、手术医师和手术室护士护送患者回病房或ICUo六、护送途中,注意观察患者面色、呼吸、脉搏等的变化。
注意保暖,保持输液及管道通畅,防止脱落。
七、至病房或ICU后详细交代病情及术后注意事项,交代易受压部位皮肤、术中用药和输液输血情况,交清病历和随带的物品等,做好交接手续并签名。
5. 5. L 3. 1前标识,术前用药、输血前备血情况、药物过敏试验结果与手术通知单是否相符,手术医嘱所带的药品、物品(如CT、X片)。
评估患者的整体状况及皮肤情况,询问过敏史。
二、接入手术室后:巡回护士与接送病人工作人员查对后,接入手术间。
三、进入手术间之后:巡回护士与麻醉医生查对。
四、麻醉之前:巡回护士、手术医生与麻醉医师必须共同与清醒的患者交谈查对,进行“病人姓名、性别、年龄、手术名称、手术部位”的再次确认。
昏迷及神志不清病人应通过“手腕带”进行查对。
填写《手术病人安全核查表》并签名。
五、手术者切皮前:由手术室巡回护士,提前实行手术“暂停”程序,由手术者、麻醉医师、巡回护士、病人(清醒的病人)进行四方核对,确认无误后方可手术。
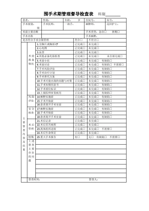
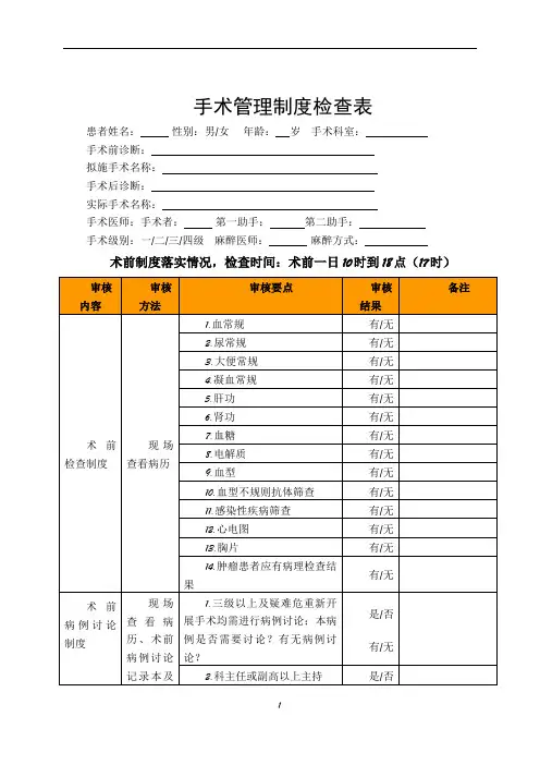
手术管理制度检查表 ( 术前、后)手术管理制度检查表患者姓名:性别:男 / 女年龄:岁手术科室:手术前诊断:拟施手术名称:手术后诊断:实际手术名称:手术医师:手术者:第一助手:第二助手:手术级别:一 / 二 / 三/ 四级麻醉医师:麻醉方式:术前制度落实情况,检查时间:术前一日10 时到 18 点( 17 时)审核内容审核方法术前检查现场查看制度病历现场查看病历、术术前病例前病例讨讨论制度论记录本及根据记录内容询问讨论参加人员重大手术现场查看审批制度病历审核要点审核结果备注1.血常规有 / 无2.尿常规有 / 无3.大便常规有 / 无4.凝血常规有 / 无5.肝功有 / 无6.肾功有 / 无7.血糖有 / 无8.电解质有 / 无9.血型有 / 无10. 血型不规则抗体筛查有 / 无11. 感染性疾病筛查有 / 无12. 心电图有 / 无13. 胸片有 / 无14. 肿瘤患者应有病理检查结果有 / 无1.三级以上及疑难危重新开展手是 / 否术均需进行病例讨论;本病例是否需要讨论?有无病例讨论?有 / 无2.科主任或副高以上主持是 / 否3.护士长、责任护士必须参加;是 / 否4.讨论内容记录在术前讨论记录是 / 否本上,参加人员手工签字。
5.讨论是否真实。
是 / 否6.讨论格式是否规范是 / 否是否属于重大手术(破坏性、新开展、危险性较大、危重、特殊是 / 否手术)有无重大审批有 / 无审核内容审核方法审核要点审核结果备注现场查看手术分级病历,查是否符合手术分级权限是 / 否管理制度看手术医师授权手术风险查看病手术医师、麻醉医师共同评估是 / 否历,询问评估分值≧ 2 分时,由科主任组评估制度是 / 否医务人员织病例讨论谈话医师为主刀医师是 / 否下达手术医嘱前完成是 / 否手术知情查看病谈话内容包括手术方式、手术指缺少内容:同意告知历,询问征、手术风险与利弊、高值耗材内容齐全制度患者家属的使用与选择、可能的并发症、是 / 否替代方案、手术费用等病历书写现场查看规范与管病历理制度麻醉术前现场询问访视/麻醉病人,查知情同意看病历告知制度查看病围手术期历、查看合理用药抗菌药物使用权限签字顺序:谈话医师先签署是 / 否入院记录是 / 否24 小时内完成有/无签字 . 格式 . 内容是否符合要求是/否首程有 / 无8 小时内完成是/否签字 . 格式 . 内容是否符合要求是/否术前小结在术前一日是 / 否签字 . 格式 . 内容是否符合要求是/否术前讨论记录有 / 无签字 . 格式 . 内容是否符合要求是/否手术风险评估单有 / 无签字 . 格式 . 内容是否符合要求是/否知情同意书有 / 无签字 . 格式 . 内容是否符合要求是/否是否需要会诊是 / 否需要会诊者有无会诊记录有 / 无需要会诊者填写麻醉前访视记录有 / 无签字 . 格式 . 内容是否符合要求是/否主麻医师是否亲自到病房随访是 / 否术前访视记录是否规范是 / 否签署麻醉知情同意书有 / 无是否应使用预防性抗菌药物是 / 否处方用药是否规范是 / 否处方医师是否有权限是 / 否检查者:检查日期:术后制度执行情况检查表,检查时间:术后1-3 天每日下午随访审核内容审核方法审核要点审核结果备注手术记录有 / 无术后 24 小时内完成是 / 否手术者书写(特殊情况下第一助手写,手术者签是/否字)签字、内容及格式是否规范是/否术后首次病程记录有/无术后即时完成是/否术后相关现场查看病手术医师书写是/否记录历签字、内容及格式是否规范是/否术后病程记录有/无术后每日有记录,连记三天是/否签字、内容与格式是否规范是/否术后三天手术者查房 1 次有/无术后镇痛记录有/无签字、内容、格式是否规范是/否术后麻醉访视记录有/无签字内容、格式是否规范是/否术后麻醉现场询问患麻醉医师是否亲自到病房进是 / 否访视制度者行随访术后病情询问患者如出现不适医务人员是否能是 / 否观察及时指导处理非计划再现场查看记是否上报是 / 否录,到医务是否在术后 24 小时内上报是 / 否次手术上部查看上报报记录是否有讨论分析有 / 无表有无术后现场查看病有无并发症有 / 无并发症历并发症处理是否及时、得当是 / 否检查者:检查日期:。
手术管理制度检查表
患者姓名:性别:男/女年龄:岁手术科室:
手术前诊断:
拟施手术名称:
手术后诊断:
实际手术名称:
手术医师:手术者:第一助手:第二助手:
手术级别:一/二/三/四级麻醉医师:麻醉方式:
术前制度落实情况,检查时间:术前一日10时到18点(17时)
检查者:检查日期:
术后制度执行情况检查表,检查时间:术后1-3天每日下午随访
审核内容审核方
法
审核要点审核
结果
备注
非计
划再次手
术上报记
录
现场查
看记录,到
医务部查看
上报表
是否上报是/否
是否在术后24小时内上
报
是/否
是否有讨论分析有/无有无
术后并发
症
现场查
看病历
有无并发症有/无
并发症处理是否及时、得
当
是/否检查者:检查日期:。
围手术期相关制度个案追踪表——护理院感组患者姓名:性别:男/女年龄:岁手术科室:手术前诊断:拟施手术名称:手术后诊断:实际手术名称:手术医师:手术者:第一助手:第二助手:手术级别:级麻醉医师:麻醉方式:审核内容审核方法审核要点结果存在问题术前一日检查内容护理组病房护士接待病人询问病区护士及病人查看病区护士接诊是否规范:备用床、生命体征监测、通知医师、入院宣教。
治疗组护理组医护联合交接班现场查看及病历查看交接班时间、内容、交接班本、医护一致性等。
护理组术前皮肤准备询问护士病人手术野准备护理组术前病例讨论制度查看病历、术前病例讨论记录本及根据记录内容询问讨论参加人员护士长、责任护士必须参加;是/否手术当日检查内容治疗组护理组手术部位标示制度现场跟踪查看手术医师、病房护士、手术间巡回护士病人离开病区前进行标示是/否是否按要求规范标示(需要标示的手术:涉及双侧、多重结构、多平面的手术;标示部位及形状:手术患者身体切口位置,黑色油彩笔标“+”图形。
)是/否治疗组护理组手术患者转运制度现场跟踪、查看1.由病房护士将病人送入手术室是/否2、由复苏室护士跟随病人返回手术室是/否3、转运路程是否顺畅是/否护理组手术患者交接制度现场查看病历按交接清单要求进行交接是/否护理组术前准备间工作制度现场查看术前0.5-2小时抗生素应用时间是/否治疗组护理组术前物品准备制度(包括物品、药品、耗材、器械等)现场查看术前有无因物品准备不足延迟手术现象是/否术中有无外出取拿物品现象是/否护理院感组手卫生现场查看外科手消毒。
医护人员手卫生,要求合格率100%。
治疗组护理组手术患者安全核查制度现场查看麻醉前手术安全核查是/否手术前手术安全核查是/否离开手术室前手术安全核查是/否护理组手术物品清点制度现场查看手术开始前清点时间是/否关闭体腔或深部组织前是/否关闭体腔或深部组织后是/否缝皮前是/否清点内容缝针、敷料、器械数量及其完整性,其他是/否清点有误的处理报告护士长,按不良事件上报;确实找不到的透视、拍片,主刀医师签字后关闭体腔。
手术安全核查制度一、手术安全核查是由具有执业资质的手术医师、麻醉医师和手术室护士三方(以下简称三方),分别在麻醉实施前、手术开始前和患者离开手术室前,共同对患者身份和手术部位等内容进行核查的工作。
二、本制度适用于各级各类手术,其他有创操作可参照执行。
三、手术患者均应配戴标示有患者身份识别信息的标识以便核查。
四、手术安全核查由手术医师或麻醉医师主持,三方共同执行并逐项填写《手术安全核查表》。
五、实施手术安全核查的内容及流程。
(一)麻醉实施前:三方按《手术安全核查表》依次核对患者身份(姓名、性别、年龄、病案号)、手术方式、知情同意情况、手术部位与标识、麻醉安全检查、皮肤是否完整、术野皮肤准备、静脉通道建立情况、患者过敏史、抗菌药物皮试结果、术前备血情况、假体、体内植入物、影像学资料等内容。
(二)手术开始前:三方共同核查患者身份(姓名、性别、年龄)、手术方式、手术部位与标识,并确认风险预警等内容。
手术物品准备情况的核查由手术室护士执行并向手术医师和麻醉医师报告。
(三)患者离开手术室前:三方共同核查患者身份(姓名、性别、年龄)、实际手术方式,术中用药、输血的核查,清点手术用物,确认手术标本,检查皮肤完整性、动静脉通路、引流管,确认患者去向等内容。
(四)三方确认后分别在《手术安全核查表》上签名。
六、手术安全核查必须按照上述步骤依次进行,每一步核查无误后方可进行下一步操作,不得提前填写表格。
七、术中用药、输血的核查:由麻醉医师或手术医师根据情况需要下达医嘱并做好相应记录,由手术室护士与麻醉医师共同核查。
八、住院患者《手术安全核查表》应归入病历中保管,非住院患者《手术安全核查表》由手术室负责保存一年。
九、手术科室、麻醉科与手术室的负责人是本科室实施手术安全核查制度的第一责任人。
十、医疗机构相关职能部门应加强对本机构手术安全核查制度实施情况的监督与管理,提出持续改进的措施并加以落实。
附件手术安全核查表科别:患者姓名:性别:年龄:病案号:麻醉方式:手术方式:术者:手术日期:。
手术前安全检查表
背景
手术前的安全检查是确保手术过程中患者安全的重要步骤。
通过对手术前的检查,可以发现潜在的风险和问题,并采取相应的预防和处理措施,以确保手术的顺利进行和患者的安全。
检查项目
以下是手术前安全检查表中的常见项目:
1. 患者信息确认:
- 确认患者姓名、年龄、性别和身份证号码等基本信息。
- 核对患者的病历号和手术名称。
2. 手术麻醉风险评估:
- 根据患者的年龄、身体状况、手术类型等因素,评估手术麻醉的风险等级。
- 确认患者是否存在手术麻醉相关的风险因素,如过敏史、心脏病史等。
3. 检查患者的身体状况:
- 检查患者的身高、体重、血压、心率等基本生理指标。
- 评估患者的一般状况、呼吸情况、肢体活动等。
4. 手术部位标记:
- 标记手术部位,以避免手术错误。
- 核对手术部位标记是否正确。
5. 检查手术器械和设备:
- 检查手术需要使用的器械、设备和药品等是否完整、无损,并进行消毒确认。
6. 环境安全检查:
- 检查手术室的环境是否符合卫生要求,如洁净度、空气质量等。
- 确认手术室的紧急设备和药品是否齐全,并检查其有效期。
结论
手术前安全检查表是确保手术安全的重要工具。
通过细致的检查和评估,可以减少手术风险,保证患者的安全。
医护人员应认真
填写和执行手术前安全检查表,并及时处理检查中发现的问题和风险。