大气飘尘浓度测定方法
- 格式:doc
- 大小:157.00 KB
- 文档页数:10
GB18883 中华人民共和国国家标准室内空气质量标准1 范围本标准规定了室内空气质量参数及检验方法。
本标准适用于住宅和办公建筑物。
2 规范性引用文件下列文件中的条款通过本标准的引用而成为本标准的条款。
凡是注日期的引用文件,其随后所有的修改(不包括勘误内容)或修订版均不适用于本标准,然而,鼓励根据本标准达成的各方研究是否可使用这些文件的最新版本。
凡是不注日期的引用文件,其最新版本适用于本标准。
5 室内空气质量检验5.1 室内空气中各种化学污染物采样和检验方法见附录A 和附录B 。
5.2 室内空气中苯浓度的测定方法见附录C 。
5.3 室内空气中总挥发性有机物(TVOC )的检验方法见附录D 。
5.4 室内空气中细菌总数检验方法见附录E 。
5.5 室内热环境参数的检验方法见附录F 。
附录A(规范性附录)室内空气采样技术导则1 范围本导则在进行室内空气污染物监测时,对采样点位,采样高度,采样时间和频率,以及采样方法和质量保证措施等项做出规定。
本导则作为《室内空气质量标准》配套的空气采样技术的指导原则,适用于《室内空气质量标准》中所规定的各种化学污染物的采样。
2 选点要求2.1 采样点的数量:采样点的数量根据监测室内面积大小和现场情况而确定,以期能正确反映室内空气污染物的水平。
原则上小于50m 2 的房间应设1~3 个点;50~100m 2 设3~5 个点;100m 2 以上至少设 5 个点。
在对角线上或梅花式均匀分布。
2.2 采样点应避开通风口,离墙壁距离应大于0.5m 。
2.3 采样点的高度:原则上与人的呼吸带高度相一致。
相对高度0.5m~1.5m 之间。
3 采样时间和频率采样前至少关闭门窗4 小时。
日平均浓度至少连续采样18 小时,8 小时平均浓度至少连续采样6 小时,1 小时平均浓度至少连续采样45 分钟。
4 采样方法和采样仪器根据污染物在室内空气中存在状态,选用合适的采样方法和仪器,用于室内的采样器的噪声应小于50dB 。
实验一环境空气中悬浮颗粒物浓度的测定——重量法(一)实验意义及目的环境空气中悬浮颗粒物(如TSP、PM10、PM2.5等)是一种常规的污染物,目前我国许多城市的大气首要污染物为可吸入颗粒物(PM10),它们对人体健康、植被生态和能见度等都有着非常重要的直接和间接影响。
因此,对这类污染物的浓度进行测定是大气环境污染研究中一项重要的工作。
本实验在校园中以及附近的工作区、公路旁进行采样分析。
通过本实验,达到掌握重量法测定大气中悬浮颗粒物(如TSP、PM10)浓度的目的。
(二)实验原理通过具有一定切割特性的采样器,以恒速抽取一定体积的空气,空气中某一粒径范围的悬浮颗粒物被截留在已恒重的滤膜上。
根据采样前、后滤膜质量之差及采样体积,计算总悬浮颗粒物的浓度。
滤膜经处理后,可再进行组分分析。
本方法适合于大流量或中流量悬浮颗粒物的测定。
方法的检测限为0.001mg/m3。
悬浮颗粒物含量过高或雾天采样使滤膜阻力大于10KPa时,本方法不适用。
(三)实验仪器和材料(1)大流量或中流量采样器:1台,应按HYQ1.1—89,《总悬浮颗粒物采样器技术要求(暂行)》的规定。
(2)大流量孔口流量计:1个,量程0.7~1.4m3/min,流量分辨率0.01m3/min,精度优于±2%。
(3)中流量孔口流量计:1个,量程70~160L/min,流量分辨率1L/min,精度优于±2%。
(4)U形管压差计:1个,最小刻度0.1hPa(5)X光看片机:1台,用于检查滤膜有无缺损。
(6)打号机:1台,用于在滤膜及滤膜袋上打号。
(7)镊子:1个,用于夹取滤膜。
(8)超细玻璃纤维滤膜:10片,对0.3μm标准粒子的截留不低于99%,在气流速度为0.45m/s时,单张滤膜阻力不大于3.5KPa,,在同样气流速度下,抽取经高效过滤器净化的空气5 h,1cm2滤摸失重不大于0.012mg。
(9)滤膜袋:10个,用于存放采样后对折的采尘滤膜,袋面印有编号、采样日期、采样地点、采样人等项栏目。
华南师范大学实验报告学生姓名:谭晓东学号:20102501024专业:生物科学年级、班级:10科四课程名称:生态学实验实验项目:大气悬浮物的测定实验类型:验证实验时间:2013年4月27日实验指导老师:周先叶实验评分:一、实验目的环境空气中悬浮颗粒物是一种常规的污染物,目前我国许多城市的大气首要污染物为可吸入颗粒物,它们对人体健康、植被生态和能见度等都有着非常重要的直接和间接影响。
因此,对这类污染物的浓度进行测定是大气环境污染研究中一项重要的工作。
通过测定校园内大气环境污染物的含量,作为评定校园内空气质量的指标之一。
二、实验原理通过空气采样器,以恒速抽取定量体积的空气,空气中粒径小于100 μm的悬浮颗粒物,被截留在已恒重的滤膜上。
根据采样前、后滤膜重量之差及采样体积,计算空气中总悬浮颗粒物的浓度。
三、仪器、工具中流量采样器(流量50-150L/min),滤膜(超细玻璃纤维滤膜或聚氯乙烯滤膜),镊子,电子天平。
四、实验方法1测定环境:4月26日星期五白天多云高温:31℃吹轻微偏南风;夜间多云间阴天:20℃吹轻微偏南风.4月27日星期六白天阴天高温:24℃无持续风向微风;夜间阴天低温:19℃无持续风向微风2采样(1)每张滤膜使用前需用光照检查,不得使用有针孔或任何缺陷的滤膜采样。
(2)将选好的滤膜放在恒温恒湿箱中平衡24 h,取出滤膜,30 s内称完,记下滤膜重量W0(g),(精确到0.1 mg)。
(3)在选定的样点,安装好空气采样器,打开采样头顶盖,取出滤膜夹,擦去灰尘。
将滤膜“毛”面向上,放在滤膜支持网上,放上滤膜夹。
对正,拧紧,使不漏气。
(4)仪器设定(5)测定日平均浓度一般从8:00开始采样至第二天8:00结束。
记录采样流量和采样时间,同时读取现场气温和气压。
将有关参数记录在表中。
(6)样品采完后,打开采样头,用镊子轻轻取下滤膜,采样面向里,将滤膜对折,放入表面光滑的纸袋中。
3样品测定将采样后的滤膜放入恒温恒湿箱中平衡24 h,然后称重,30 s内称完,记录下滤膜重量W1 (g)(精确到0.l mg)。
管道中空气粉尘的测定一、实验目的我国以质量浓度为测尘标准,采用滤膜法测尘。
以此作为检查工作场所是否符合卫生标准以及作为鉴定生产工艺及通风防尘措施的效果的依据。
该法一般用在常温、常压、粉尘浓度不高的场合。
本实验使学生全面掌握管道中用滤膜法测定空气中粉尘浓度的方法。
(室外大气中、劳动环境中含尘浓度的测定方法与此相同,其测定具体要求可查阅有关资料)。
二、实验原理滤膜法测尘系统如图1所示。
调风管 2-风机 3-净化箱 4-笛型管 5-取样斗 6软管 7-整流格 8-旋风器9-整流格 10-均压环 12-发尘器 13-底架 14灰斗 16-采样器图1 滤膜法测尘系统在抽气机的作用下,使一定体积的含尘空气通过滤膜,其中的粉尘被阻留在滤膜上,根据采样前后滤膜的增重(即扑尘量)和通过滤膜的空气质量(用流量计测定),即可测定除空气中的粉尘浓度。
三、使用器材及操作1 天平使用方法(1)调平工作台:使用天平前,先用底部支撑螺旋将天平工作台调平(天平水准器位于主架肩部);(2)调零:使天平空载(加码旋钮全部回零)。
轻轻打开底架正前方的天平开关,放下托盘,转动游码调整旋钮,将游码调至零位。
轻轻关闭天平开关。
(3)称重:用镊子将滤膜(注意:如膜上有粉尘,不要使粉尘掉下)放在天平托盘中心,关好天平门,估计滤膜重量,适当加载砝码。
轻轻打开天平开关,观察游码移动方向。
如游码漂离视域,关闭天平开关,酌情加减砝码,使天平游标稳定在某一位置后,读取滤膜重量数值。
2 滤膜的准备:从干燥皿中取出待用滤膜5片(备用滤膜事先放在干燥皿内干燥),用镊子取下两片衬纸,用万分之一天平分别称重(滤膜初重,35-45毫克左右),在实验记录上记好每片滤膜初重,将称好的滤膜用滤膜夹夹好,放如编号的滤膜盒内,备用。
3 将滤膜滤膜连夹放入采样头内拧紧,按图一连接采样管路。
4 开动采样器,调节流量计到20-30毫升(流量根据发尘浓度、采样时间确定,在采样过程中始终保持此采样流量)。
H J 中华人民共和国国家环境保护标准HJ618-2001代替GB6921-86 环境空气PM10和PM2.5的测定重量法2011-09-08发布 2011-11-01实施环境保护部发布目次2前言为贯彻《中华人民共和国环境保护法》和《中华人民共和国大气污染防治法》,保护环境,保障人体健康,规范环境空气中PM10和PM2.5 的测定方法,制定本标准。
本标准规定了测定环境空气中PM2.5和PM10 的重量法。
本标准是对《大气飘尘浓度测定方法》(GB 6921-86)的修订。
本标准首次发布于 1986 年,本次为第一次修订。
修订的主要内容如下:——将飘尘改为可吸入颗粒物(PM10);——增加了规范性引用文件、术语和定义、质量控制与质量保证三章内容;——增加了PM10和PM2.5 的术语和定义;——对PM10 采样器性能指标进行了修改,将切割粒径Da50=(10±1)μm改为Da50=(10±0.5)μm;捕集效率的几何标准差σg≤1.5 改为σg =(1.5±0.1)μm。
全部性能指标要求符合《PM 10 采样器技术要求及检测方法》(HJ/T 93-2003 )中的规定;——增加了PM2.5 采样器性能指标,切割粒径Da50=(2.5±0.2 )μm;捕集效率的几何标准差为σg=(1.2±0.1)μm;其他性能指标要求符合《PM10采样器技术要求及检测方法》(HJ/T 93 -2003 )中的规定。
自本标准实施之日起,原国家环境保护局1986 年 10 月 10 日批准、发布的国家环境保护标准《大气飘尘浓度测定方法》(GB 6921-86)废止。
本标准的附录A 为资料性附录。
本标准由环境保护部科技标准司组织修订。
本标准主要起草单位:中日友好环境保护中心、国家环境分析测试中心。
本标准环境保护部2011 年9 月8 日批准。
本标准自2011 年 11 月 1 日起实施。
烟气流量及含尘浓度的测定一、测试的意义和项目大气污染的主要来源是工业污染源排出的废气,其中烟气造成的危害极为严重。
因此,烟气含尘测试是大气污染源监测的主要内容之一。
测定烟气的流量和含尘浓度对于评价烟气排放的环境影响,检验除尘装置的功效有重要意义。
测试项目如下:(1)除尘设备处理烟气量(2)烟气温度、压力、含湿量等参数和烟气流速流量(3)测试除尘设备运行时烟气的排放浓度二、测试原理(一)采样位置的选择正确的选择采样位置和确定采样点数目并符合测试要求是非常重要的。
采样位置应选取气流平稳的管段,距弯头、变径管等其他干扰源,下游方向大于6 倍当量直径,上游方向大于3倍当量直径。
选择时应优先考虑垂直管段,当位置有限不能满足上述要求时,可根据实际情况选取相对比较适宜的管段做为采样位置。
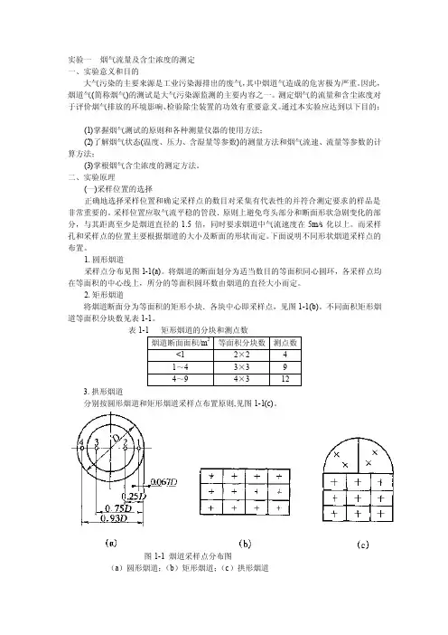
下面说明不同形状烟道采样点的布置。
1、圆形烟道:在选定的测试断面上,设置相互垂直的两个采样孔,再把烟道分成一定数量的同心等面积圆环,通过采样孔沿该断面的直径方向,在每个等面积圆环上各取两个点作为采样点,如图1所示。
采样点数按表1确定。
图1圆形烟道采样点(此图依照5环一测点共10点设计)表1圆形烟道等面积圆环和采样点数各采样点距烟道中心的距离按式(1)计算:(1)式中:R.——采样点距烟道中心的距离,m;R-—-烟道半径,m;i——自烟道中心算起的采样点顺序号;n——划分环数。
为了方便起见,采样点的位置可用采样点距烟道的内壁距离表示。
采样孔入口端至各采样点烟道直径倍数见表2表2采样点距烟道内壁的烟道直径倍数2、矩形烟道将烟道断面分成若干个等面积小矩形,使小矩形相邻两边之比接近于1,每个小矩形中心即为采样点(见图2)。
采样点数见表3图2矩形烟道采样点位置(N,n分别为采样点排数和列数)表3矩形烟道采样点数(二)烟气状态参数的测定烟气状态参数包括压力、温度、相对湿度和密度。
1、压力测量烟气压力:多功能取样管测端有测量压力的相反开口,如图3所示,测定时将多功能取样管与测试仪器用橡皮管连好,一个开口面向气流,测得全压; 另一个背向气流,测得静压;两者之差便是动压。
大气环境总悬浮颗粒物的测定(重量法)指导老师:陈章和老师一、实验目的及意义总悬浮颗粒物(total suspended particulate,TSP)指悬浮在空气中的空气动力学当量直径≤100μm 的颗粒物,它们都是粉尘微粒。
大气中可吸入颗粒物(10微米以下的浮游状颗粒物)会随气流进入气管和肺部。
滞留在上呼吸道中的颗粒物能对粘膜组织产生刺激和腐蚀作用,引起炎症;滞留在细支气管和肺泡中的可吸入尘能与直接进入肺深部的二氧化氮产生联合作用,损伤肺泡和粘膜,引起支气管和肺部产生炎症。
本实验于华南师范大学校园内抽取5个采样点,通过重量法测定空气中总悬浮颗粒物的浓度。
为校园绿化规划提供一定的参考数据。
二、采样与测定方法1、采样器具:智能中流量空气总悬浮微粒采样器(TH-150C,武汉市天虹仪表有限公司,流量50~150 L min-1),滤膜(超细玻璃纤维滤膜或聚氯乙烯滤膜),镊子,精密电子天平(精确度0.0001g)2、测定时间:2012年4月9日17:00-21:003、天气情况:阴,吹轻微偏东风,气温介于26.5℃~27.5℃,气压101.3kPa,相对湿度介于75%~95%4、测定地点及其环境状况:表1 华师校内5个监测点环境情况监测点桃李园门前田家炳学院东十九门前一课南门前地科院门前植被情况周围有较大面积草坪;乔木有木棉树、人面子、红花羊蹄甲等;其下有福建茶等灌木。
南面有一花圃。
道路两边栽行道树白兰,下栽小叶米兰等灌木。
南面为文化广场,周围栽满各类植物。
前有两块草坪,有人面子和榕树等乔木;有福建茶等灌木;地毯草等草本植物周围栽培有木棉树、大叶紫薇、蒲葵等乔木,勒杜鹃红花檵木等灌木道路两边栽培大王椰子,周围种植大花美人蕉、蒲桃、凤尾葵等植株,有2块草坪建筑物情况有一小块空地,背靠桃李园,南面为美术学院院楼田家炳学院周围围绕教师宿舍、文化广场和工体楼西北侧为桃园,背靠东十一、东十九男生宿舍,南面为新体育馆停车场南面有一块小空地和喷水池,东西方分别为生科院2号楼和生科院新楼,背靠第一课室大楼北面为师范技能训练中心,西侧为粤海酒店人为活动测定时间介于上下课,人流量较多。
H J 中华人民共和国国家环境保护标准HJ618-2001代替GB6921-86 环境空气PM10和PM2.5的测定重量法2011-09-08发布 2011-11-01实施环境保护部发布目次2前言为贯彻《中华人民共和国环境保护法》和《中华人民共和国大气污染防治法》,保护环境,保障人体健康,规范环境空气中PM10和PM2.5 的测定方法,制定本标准。
本标准规定了测定环境空气中PM2.5和PM10 的重量法。
本标准是对《大气飘尘浓度测定方法》(GB 6921-86)的修订。
本标准首次发布于 1986 年,本次为第一次修订。
修订的主要内容如下:——将飘尘改为可吸入颗粒物(PM10);——增加了规范性引用文件、术语和定义、质量控制与质量保证三章内容;——增加了PM10和PM2.5 的术语和定义;——对PM10 采样器性能指标进行了修改,将切割粒径Da50=(10±1)μm改为Da50=(10±0.5)μm;捕集效率的几何标准差σg≤1.5 改为σg =(1.5±0.1)μm。
全部性能指标要求符合《PM 10 采样器技术要求及检测方法》(HJ/T 93-2003 )中的规定;——增加了PM2.5 采样器性能指标,切割粒径Da50=(2.5±0.2 )μm;捕集效率的几何标准差为σg=(1.2±0.1)μm;其他性能指标要求符合《PM10采样器技术要求及检测方法》(HJ/T 93 -2003 )中的规定。
自本标准实施之日起,原国家环境保护局1986 年 10 月 10 日批准、发布的国家环境保护标准《大气飘尘浓度测定方法》(GB 6921-86)废止。
本标准的附录A 为资料性附录。
本标准由环境保护部科技标准司组织修订。
本标准主要起草单位:中日友好环境保护中心、国家环境分析测试中心。
本标准环境保护部2011 年9 月8 日批准。
本标准自2011 年 11 月 1 日起实施。
《环境空气PM10和PM2.5的测定重量法》(HJ618-2011)一、填空题1、《环境空气PM10和PM2.5的测定重量法》(HJ618-2011)是对《》(GB 6921-86)的修订。
答案:大气飘尘浓度测定方法2、切割器的切割特性包括和。
答案:切割粒径捕集效率的几何标准差3、颗粒物采样要求滤膜对μm 标准粒子的截留效率不低于。
答案:0.3 99%4、PM10和PM2.5称量要求分析天平:感量mg 或mg。
答案:0.1 0.015、PM10和PM2.5分析恒温恒湿箱(室)要求:箱(室)内空气温度在()°C 范围内可调,控温精度°C。
答案:15~30 ±16、PM10和PM2.5测量时空白滤膜平衡处理至,称量后,放入中备用。
答案:恒重干燥器7、PM10和PM2.5分析时将滤膜放在恒温恒湿箱(室)中平衡h,平衡温度条件为:取°C 中任何一点。
答案:24 15 ~308、PM10和PM2.5采样点应避开污染源及障碍物。
如果测定交通枢纽处PM10 和PM2.5,采样点应布置在距人行道边缘外侧处。
答案:1m9、采用间断采样方式测定PM10和PM2.5 日平均浓度时,其次数不应少于次,累积采样时间不应少于h。
答案:4 1810、PM10和PM2.5采样结束后,用镊子取出。
将有尘面,放入样品盒或纸袋,并做好采样记录。
答案:两次对折11、颗粒物空气动力学直径指在静止空气中,颗粒的沉降速度与单位密度(ρ0=1g/cm3)的球体沉降速度相同时的。
答案:圆球直径12、PM10和PM2.5分析时将滤膜放在恒温恒湿箱(室)中平衡h,平衡时相对湿度应控制在范围内,记录平衡温度与湿度。
答案:24 45%~55%13、PM10和PM2.5采样滤膜使用前均需进行检查,不得有或任何缺陷。
滤膜称量时要消除的影响。
答案:针孔静电14、“标准滤膜”制作时取清洁滤膜若干张,在恒温恒湿箱(室),按平衡条件平衡h,称重。
实验一烟气流量及含尘浓度的测定一、实验意义和目的大气污染的主要来源是工业污染源排出的废气,其中烟道气造成的危害极为严重。
因此,烟道气(简称烟气)的测试是大气污染源监测的主要内容之一。
测定烟气的流量和含尘浓度对于评价烟气排放的环境影响、检验除尘装置的功效有重要意义。
通过本实验应达到以下目的:(1)掌握烟气测试的原则和各种测量仪器的使用方法;(2)了解烟气状态(温度、压力、含湿量等参数)的测量方法和烟气流速、流量等参数的计算方法;(3)掌根烟气含尘浓度的测定方法。
二、实验原理(一)采样位置的选择正确地选择采样位置和确定采样点的数目对采集有代表性的并符合测定要求的样品是非常重要的。
采样位置应取气流平稳的管段.原则上避免弯头部分和断面形状急剧变化的部分,与其距离至少是烟道直径的1.5倍,同时要求烟道中气流速度在5m/s化以上。
而采样孔和采样点的位置主要根据烟道的大小及断面的形状而定。
下面说明不同形状烟道采样点的布置。
1.圆形烟道采样点分布见图1-1(a)。
将烟道的断面划分为适当数目的等面积同心圆环,各采样点均在等面积的中心线上,所分的等面积圆环数由烟道的直径大小而定。
2.矩形烟道将烟道断面分为等面积的矩形小块.各块中心即采样点,见图1-1(b)。
不同面积矩形烟道等面积分块数见表1-1。
表1-1 矩形烟道的分块和测点数3.拱形烟道分别按圆形烟道和矩形烟道采样点布置原则,见图1-1(c)。
图1-1 烟道采样点分布图(a)圆形烟道;(b)矩形烟道;(c)拱形烟道(二)烟气状态参数的测定烟气状态参数包括压力、温度、相对湿度和密度。
1.压力测量烟气压力的仪器为s形毕托管和倾斜压力计。
s形毕托管适用于含尘浓度较大的烟道中。
毕托管是由两根不锈钢管组成,测端做成方向相反的两个相互平行的开口,如图1-2所示,测定时将毕托管与倾斜压力汁用橡皮管连好.一个开口面向气流,测得全压;另一个背向气流,测得静压;两者之差便是动压,由于背向气流的开口上吸力影响,所得静压与实际值有一定误差,因而事先要加以校正。
环境空气质量标准(GB3095-1996)二级标准规定了环境空气质量功能区划分、标准分级、污染物项目、取值时间及浓度限值,采样与分析方法及数据统计的有效性规定。
本标准适用于全国范围的环境空气质量评价。
环境空气质量功能区分为三类:一类区为自然保护区、风景名胜区和其它需要特殊保护的地区;二类区为城镇规划中确定的居民区、商业交通居民混合区、文化区、一般工业区和农村地区;三类区为特定工业区。
空气环境质量分为三级:一类区执行一级标准,二类区执行二级标准,三类区执行三级标准。
共限定了六种污染物的浓度值:SO2、TSP、PM10、NOx、NO2、CO、O3、Pb、B[a]P、F。
标准同时配有各项污染物分析方法。
1 主题内容与适用范围本标准规定了环境空气质量功能区划分、标准分级、污染物项目、取值时间及浓度限值,采样与分析方法及数据统计的有效性规定。
本标准适用于全国范围的环境空气质量评价。
2 引用标准GB/T 15262 空气质量二氧化硫的测定甲醛吸收副玫瑰苯胺分光光度法GB 8970 空气质量二氧化硫的测定四氯汞盐副玫瑰苯胺分光光度法GB/T 15432 环境空气总悬浮颗粒物测定重量法GB 6921 空气质量大气飘尘浓度测定方法GB/T 15436 环境空气氮氧化物的测定 Saltzman法GB/T 15435 环境空气二氧化氮的测定 Saltzman法GB/T 15437 环境空气臭氧的测定靛蓝二磺酸钠分光光度法GB/T 15438 环境空气臭氧的测定紫外光度法GB 9801 空气质量一氧化碳的测定非分散红外法GB 8971 空气质量苯并[a]芘的测定乙酰化滤纸层析荧光分光光度法GB/T 15439 环境空气苯并[a]芘的测定高效液相色谱法GB/T 15264 空气质量铅的测定火焰原子吸收分光光度法GB/T 15434 环境空气氟化物的测定滤膜氟离子选择电极法GB/T 15433 环境空气氟化物的测定石灰滤纸氟离子选择电极法3 定义3.1 总悬浮颗粒物(TSP):指能悬浮在空气中,空气动力学当量直径≤100μm的颗粒物。
野外模拟的常见方法示踪物浓度测量法野外模拟是一种常见的科学研究方法,用于测量大气或水体中的某种物质浓度。
这种方法通过模拟真实环境中的野外条件,来研究物质的传输、转化和分布规律,从而更好地了解物质在自然界中的行为。
在野外模拟中,常见的浓度测量方法有多种。
下面将介绍其中几种常用的方法。
一、袋采样法袋采样法是一种常见的浓度测量方法,适用于大气中的气体或水体中的溶解性物质。
该方法使用采样袋收集环境中的气体或水样,并通过分析袋内物质的浓度来推断环境中的浓度。
袋采样法的步骤如下:1.选取合适的采样袋,确保其材质对目标物质没有吸附和反应;2.将采样袋放置在采样点,使其与环境中的气体或水接触;3.根据采样时间和环境条件,收集足够量的样品;4.将采样袋送至实验室,使用适当的分析方法测量袋内物质的浓度。
袋采样法的优点是操作简单、便捷,对样品的保持和转运要求较低。
但由于袋内物质可能与袋壁发生吸附或反应,因此在分析时需要进行修正,以减小误差。
二、质量平衡法质量平衡法是一种基于质量守恒定律的浓度测量方法,适用于大气或水体中的气体或溶解性物质。
该方法通过测量物质的进出流量和浓度,推算环境中物质的浓度。
质量平衡法的步骤如下:1.确定研究区域的边界,并安装进出口装置;2.测量物质进出口的流量和浓度,并记录数据;3.根据质量守恒定律,计算环境中物质的浓度。
质量平衡法的优点是能够考虑物质在环境中的输入、输出和转化过程,具有较高的测量精度。
但该方法需要准确测量进出口流量和浓度,且对环境的边界要求较高。
三、气象学方法在大气环境中,气象学方法常用于浓度测量。
这些方法通过测量和分析大气中的气象要素,来推断大气中某种物质的浓度。
常用的气象学方法有:1.逆推法:通过测量环境中物质的浓度和气象要素的变化,利用数学模型反推物质的源和传输路径。
2.扩散模型法:根据气象要素和环境条件,使用扩散模型计算物质的传输和扩散过程,进而推算物质的浓度。
3.气象雷达法:利用气象雷达测量大气中的物理量,如降水、风速等,结合数学模型推测大气中的物质浓度。
大气飘尘浓度测定方法
空气中的大气飘尘浓度受到环境污染的影响。
它不仅影响空气的质量,而且对人们的健康有害。
为此,大气飘尘浓度测定方法受到人们的重视。
目前,测量大气飘尘浓度的技术大致可以分为两种:物理法和化学法。
物理法是使用实物设备,例如重力萃取仪和可操作厂场,对空气中的大气飘尘浓度进行测量。
其化学法主要是利用气溶胶吸收灰尘的原理,把空气中的大气飘尘浓度的污染物质抽出,然后经过化学分析,来量化大气飘尘浓度。
互联网解决大气飘尘浓度测定的一种方法是通过网络数据的采集传感技术,结合相应的传感技术,使用仪器设备,实现大气飘尘浓度的即时监测和远程漫游。
传感器分为光、电磁、温湿度等,通过电子传感器对大气飘尘浓度中灰尘、小颗粒等污染物进行检测和分析,然后将采集数据传输至监控服务器,从而实现大气飘尘浓度数据的远程采集和处理。
此外,互联网环境也可针对不同城市或者小地区的大气污染状况,提供复杂的综合信息,为政府有效的管理提供建议。
因此,互联网技术可以有效的提升大气飘尘浓度测定的效率和全面性,从而使技术精准化,高效化。
它的实现,有利于减少污染物的排放量以及地表大气的污染程度,营造更加优美的环境。
总之,互联网技术凭借其良好的性能,使得大气飘尘浓度测定变得更加容易和准确。
在国家重视环境保护的形势下,互联网技术将会在环境污染的检测与控制中发挥独特的作用。
实验4 管道中含尘气体粉尘浓度测定方法1、实验目的及意义测定气体含尘浓度,可以计算污染源的粉尘排放量。
因而检测粉尘污染源是否符合国家现行排放标准、评价除尘装置的除尘性能等,必须测定某些管道断面的气体含尘浓度。
通过该实验应达到一下目的。
1、掌握管道中气体含尘浓度的测试原理和方法。
2、学会使用TH-880智能烟尘平行采样仪。
3、使学生了解粉尘测试的特点,并掌握粉尘测试的技能。
2. 实验原理粉尘浓度是指单位体积大气中所含粉尘的量。
常用重量浓度单位,以mg/m3表示。
测量管道中的粉尘浓度一般采用过滤称量法。
其基本原理就是使一定体积的含尘气体通过已知重量的滤膜,粉尘将阻留在滤膜上,根据采样前后滤膜的重量差,即可计算出气体中粉尘的浓度。
为正确测定出真实的气体含尘浓度,必须进行等速度采用,即粉尘进入采样嘴的速度等于该点的气流速度,因而要预测气体流速、再换算成实际控制的采样流量。
图4-1就是等速度采样的情形。
图中采样头安装再与气流平行的位置上,采样速度与气流速度相同,即采样嘴处内外的气流速度相等。
这是,从采样嘴吸入的含尘气体样品才能与管道中的实际情况相符合。
图4-1 等速度采样3、实验仪器设备仪器设备包括TH-880智能烟尘平行采样仪、抽气泵、采样管、玻璃纤维滤筒、倾斜压力计、毕托管、干湿球温度计、镊子等。
TH-880智能烟尘平行采样仪是采用微电脑和高精度微差压传感、干湿球温度传感器、热电温度偶等传感器的智能化烟尘平行采样仪。
仪器可在各种复杂烟道烟气流量动态变化较大的情况下使采样流量能保持等速,并能自动跟踪流量变化,从而减少人工调节误差和检测人员的劳动强度,采用毕托管平行采样法原理,操作简便快捷,测量数据准确可靠,测量结果可自动打印或与微机通讯。
4、实验方法与操作步骤4.1 滤膜的预处理滤膜采用玻璃显微滤膜,具静电性、疏水性、阻力小及耐酸碱等特点。
采样前先将滤膜编号,然后在105℃烘烤箱中干燥2h,取出后置于干燥器内冷却20min,在使用分析天平称其初重并记录。
高中物理观测大气污染程度的方法教案一、引言大气污染是当今社会面临的重要环境问题之一,其对人类健康和生态系统造成了严重的影响。
因此,在高中物理的学习中,引入观测大气污染程度的方法,既能培养学生的实验技能,又能增进对大气环境的了解。
本教案将介绍几种常用的物理方法来观测大气污染程度。
二、教学目标通过本教案的学习,学生应能够:1. 掌握利用物理方法观测大气污染程度的原理和步骤;2. 理解不同观测方法的优缺点,并能合理选择适用的方法;3. 运用所学知识设计并实施物理观测实验;4. 分析和解释观测数据,得出合理的结论。
三、教学内容与方法1. 烟尘观测方法烟尘是大气污染的一个重要指标,可以通过光电比较法来观测。
实验中,学生可以利用一个灰度比较仪,测量不同地点的光照强度,然后根据光照强度的变化来判断大气中的烟尘含量。
2. 酸雨观测方法酸雨是大气污染的另一个重要指标,可以通过酸碱滴定法来观测。
实验中,学生可以采集不同地点的雨水样品,用标准酸溶液滴定,测量消耗的酸溶液量,从而计算出酸雨的酸度。
3. 大气温度和湿度观测方法大气温度和湿度对于大气污染的变化有一定影响,可以通过常见的温湿度计或电子温湿度计来观测。
实验中,学生可以在不同时间和地点测量大气的温度和湿度,并记录结果。
4. 大气中气体浓度观测方法大气中的气体浓度也是观测大气污染程度的重要指标,可以通过气体浓度检测仪来观测。
实验中,学生可以选择测量二氧化碳、二氧化硫等污染物的浓度,并进行测试与对比。
五、课堂实施在实施本教案的课堂中,教师应分阶段进行,具体步骤如下:1. 导入:“大家是否关心过我们身边的大气环境问题?今天我们将学习一些物理方法来观测大气污染程度。
”2. 理论讲解:介绍各种观测方法的原理和步骤,让学生对其有初步了解。
3. 示范实验:教师现场进行某一种观测方法的实验演示,引导学生观察和记录实验结果,并进行数据分析。
4. 学生实验:分组进行观测实验,让学生亲自操作和记录实验数据。
水质六种特定多环芳烃的测定高效液相色谱法GB 13198—911 适用范围本标准规定了测定水中多环芳烃(PAH)的高效液相色谱(HPLC)法。
本标准参照采用国际标准ISO/DIS 7981/2高效液相色谱法分析的六种特定多环芳烃。
本标准适用于饮用水、地下水、湖库水、河水及焦化厂和油毡厂的工业污水中荧蒽、苯并(b)荧蒽、苯并(k)荧蒽、苯并(a)芘、苯并(ghi)苝、茚并(1,2,3-cd)芘六种多环芳烃的测定。
本法用环己烷提取水中多环芳烃,提取液通过弗罗里硅土柱,PAH吸附在柱上,用丙酮加二氯甲烷混合溶液脱附PAH后,用配备荧光和(或)紫外检测器的高效液相色谱仪测定。
本方法对六种PAH通常可检测到ng/L水平。
水样中若存在可被共萃取的能产生荧光信号或熄灭荧光的物质对本法也有干扰。
本法用弗罗里硅土柱层析净化分离,可降低荧光背景。
2 试剂和材料2.1 高效液相色谱流动相为水和甲醇的混合溶液。
2.1.1 甲醇:分析纯,用全玻璃仪器重蒸馏,要求有足够低的空白。
2.1.2 水:电渗析水或蒸馏水,加高锰酸钾在碱性条件下重蒸。
在测定的化合物检测限内未观察到干扰。
2.2 配制标准样品和水样预处理使用的试剂和材科。
2.2.1 二氯甲烷(CH2Cl2):用全玻璃蒸馏器重蒸馏,在测定化合物检测限内不出现色谱干扰为合格。
2.2.2 丙酮(C3H6O):同2.2.1。
2.2.3 环已烷:分析纯,同2.2.1。
注:若环已烷的纯度不够,可采用附录中两种办法中的任一种进行净化。
2.2.4 无水硫酸钠(Na2SO4):分析纯,在400℃加热2h。
2.2.5 硫代硫酸钠(Na2S2O3·5H2O):分析纯。
2.2.6 弗罗里硅土(Florisil):60~100目,色层分析用。
在400℃加热2h。
冷却后,用水(2.1.2)调至含水量为11%(m/m)。
2.2.7 碱性氧化铝;层析用,50~200μm,活度为BrockmannⅠ级。
达到Ⅰ级的制法如下:将氧化铝加热至550±20℃至少2h,冷却至200~250℃,移入放有高氯酸镁的干燥器内,继续冷却,即得活度为BrockmannⅠ级的氧化铝。
在干燥器内可存放五天。
2.2.8 柱层析用硅胶:100目,在300℃活化4h。
2.2.9 浓硫酸(H2SO4):分析纯。
2.2.10 标准溶液:注:有些多环芳烃是强烈致癌的,因此操作时必须极其小心。
不允许人体与多环芳烃固体物质、溶剂萃取物、多环芳烃标准品接触。
多环芳烃可随溶剂一起挥发而沾附于具塞瓶子的外部,因此处理含多环芳烃的容器及实验操作过程必须使用抗溶剂的手套。
被多环芳烃污染的容器可用紫外灯在360nm紫外线下检查,并置于重铬酸钾-浓硫酸洗液中浸泡4h。
标准溶液应在有适当设备(如合适的毒气橱、防护衣服,防尘面罩等)的实验室中配制。
用固体化合物配多环芳烃标准品,在没有合适的安全设备及尚未正确掌握使用技术之前,不能进行。
2.2.10.1 色谱标准物:固体多环芳烃标准物为荧蒽、苯并(k)荧蒽、苯并(b)荧蒽、苯并(a)芘、茚并(1,2,3-cd)芘及苯并(ghi)苝等六种,纯度在96%以上。
采用固体标准物配制标准储备液,亦可采用经证实为合格的市售多环芳烃标准溶液配置标准储备液。
2.2.10.2 用固体多环芳烃配制标准储备液:分别称量各种多环芳烃(2.2.10.1)20±0.1mg,分别溶解于50~70mL环己烷(2.2.1)中,再以环已烷稀释至100±0.1mL,配成浓度为200μg/mL 单个化合物的标准储备液。
若用市售溶液配制标准储备液,可在容量瓶中用环已烷稀释,使标准储备液的浓度各为200μg/mL的单化合物溶液。
储备液保存在4℃冰箱中。
2.2.10.3 混合PAH标准溶液的配制:在10mL容量瓶中加入各种PAH储备液(2.2.10.2)1±0.01mL,用甲醇稀释至标线,使标准溶液中含各种多环芳烃的浓度各为20μg/mL的混合PAH 标准溶液。
标准液保存在4℃冰箱中。
2.2.10.4 标准工作溶液:根据仪器灵敏度及线性范围的要求,取不同量的混合PAH标准溶液(2.2.10.3),用甲醇(2.1.1)稀释,配制成几种不同浓度的标准工作溶液。
3 仪器3.1 高效液相色谱仪:带荧光和紫外检测器的高效液相色谱仪。
3.1.1 恒流梯度泵系统。
3.1.2 反相柱:填料为Zorbax 5μODs,校长250mm,内径4.6mm。
3.1.3 荧光检测器:荧光分光光度计检测器,激发波长280nm,发射光波长大于389nm截止点;荧光光度计检测器应有激发用的色散光系统和可用滤光片或色散光学系统的荧光发射部分。
3.1.4 紫外-可见光检测器:可调波长紫外检测器或固定波长为254nm的紫外检测器,可单独使用,也可以与荧光检测器联用。
3.1.5 记录仪:与检测器匹配。
3.1.6 微量注射器:规格为5,10,50,100及500μL。
3.1.7 恒温水浴(或恒温柱箱)。
3.2 采样瓶:1L具磨口玻璃塞的棕色玻璃细口瓶。
3.3 振荡器:调速,配备自动间歇延时控制仪。
3.4 玻璃器皿:3.4.1 分液漏斗:1000mL,玻璃活塞不涂润滑油。
3.4.2 碘量瓶200mL。
3.4.3 层析柱:3.4.3.1 净化环己烷层析柱:长500mm,内径25mm,玻璃活塞不涂润滑油的玻璃柱。
3.4.3.2 样品预处理层析柱:长250mm,内径10mm,玻璃活塞不涂润油油的玻璃柱。
3.4.4 K-D浓缩瓶:25mL,带刻度,容积必须进行标定,带磨口玻璃塞。
3.4.5 K-D蒸发瓶:500mL。
3.4.6 K-D Snyder柱:三球,常量。
3.4.7 K-D Snyder柱:二球,微量。
3.4.8 量筒:500mL。
3.5 玻璃毛或玻璃纤维滤纸:在400℃加热1h。
冷却后,保存在具塞磨口的玻璃瓶中。
3.6 沸石:在00℃加热1h。
冷却后,保存在具塞磨口的玻璃瓶中。
4 样品4.1 样品的性质4.1.1 样品名称:水样。
4.1.2 样品状态:液体。
4.1.3 样品稳定性:水样中的PAH对光敏感。
4.2 水样采集和储存方法4.2.1 水样采集:样品必须采集在玻璃容器中,采样前不能用样品预洗瓶子,以防止样品的沾染或吸附。
防止采集表层水,保证所采样品具有代表性。
在采样点采样及盖好瓶塞时,样品瓶要完全注满,不留空气。
若水中有残余氯存在,要在每升水中加入80mg硫代硫酸钠(2.2.5)除氯。
4.2.2 水样保存:水样应放在暗处,4℃冰箱中保存;采样后应尽快在24h内进行萃取。
萃取后的样品在40天内分析完毕。
4.3 水样预处理4.3.1 水样的萃取:摇匀水样,用500mL量筒(3.4.8)量取500mL水样(萃取所用水样体积视具体情况而定,可增减),加入50mL环己烷(2.2.3),手摇分液漏斗,放气几次后,安装分液漏斗于振荡器架上(3.3),振摇5min进行萃取。
取下分液漏斗,静置约15~30min(静置时间视两相分开情况而定),分出下层水相留待进行第二次萃取,上层环已烷相放入200mL碘量瓶(3.4.2)中,再用50mL环己烷对水样进行第二次萃取,水相弃去,环己烷萃取液并入同一碘量瓶中,加无水硫酸钠(2.2.4)至环己烷萃取液清沏,至少放置30min,脱水干燥。
4.3.2 萃取液的净化:4.3.2.1 饮用水的环己烷萃取液,可以不经柱层析净化,浓缩后直接进行HPLC分析。
4.3.2.2 地表水及工业污水用柱层析净化。
4.3.2.2.1 层析柱的装填:在玻璃层析柱(3.4.3.2)的下端,放入少量玻璃毛或玻璃纤维滤纸(3.5)以支托填料,加入3mL环己烷(2.2.1)润湿柱子、称4~6g弗罗里硅土(2.2.6)于小烧杯(3.4.9),用环己烷制成匀浆,以湿式装柱法填入上述柱中。
净化地表水的校,填充4g弗罗里硅土,净化污水的住,填充6g弗罗里硅土。
放出柱中过量的环己烷至填料的界面。
4.3.2.2.2 萃取液的净化;从层析柱(4.3.2.1)的上端加入已干燥的环己烷萃取液,全部溶液以1~2mL/min流速通过层析柱,用环己烷洗碘量瓶中的无水硫酸钠三次,每次5~10mL,环己烷洗涤液亦加入层析柱,回收通过柱的环己烷。
被吸附在柱上的PAH用丙酮(2.2.2)和二氯甲烷(2.2.1)的混合溶液解脱。
地表水用100mL(88mL丙酮+12mL二氯甲烷)脱附;污水用75mL(15mL丙酮+60mL二氯甲烷)脱附。
解脱液收集于已联接K-D蒸发瓶(3.4.5)的K-D浓缩瓶(3.4.4)中,加入两粒沸石(3.6),安装好三球Snyder柱(3.4.6)、待浓缩。
4.3.2.3 试样的浓缩:将K-D浓缩装置的下端浸入通风橱中的水浴锅(3.7)中,在65~70℃的水温下浓缩至约0.5mL,从水浴锅上移下K-D浓缩装置,冷却至室温,取下三球Snyder柱,用少量丙酮洗柱及其玻璃接口,洗涤液流入浓缩瓶中。
加入一粒新沸石,装上二球Snyder柱(3.4.7),在水浴锅中如上述浓缩,定容至0.3~0.5mL,留待HPLC分析。
注:甲醇、环己烷、二氯甲烷及丙酮等是易燃的有机溶剂,应在通用橱中操作。
5 操作步骤5.1 调整仪器安装高效液相色谱仪,使其达到预期的分离效果,预热运转至获得稳定的基线。
5.1.1 柱温:35℃。
5.1.2 流动相组成:A 泵:85%水(2.1.2)+15%甲醇(2.1.1)(V/V)。
B 泵:100%甲醇(2.1.1)。
5.1.3 洗脱:视柱的性能可采用下列方式的一种进行洗脱,或按柱的性能选择条件。
5.1.3.1 恒溶剂洗脱:以92%B泵和8%A泵流动相组成,等浓度洗脱。
5.1.3.2 梯度洗脱:以60%B泵+40%A泵的组成洗脱,保持20min;以3%B/min增量至成为96%B+4%A泵的组成,保持至出峰完。
以8%B/min减量至成为60%B泵+40%A泵的组成,保持15min,使流动相组成恒定,为下一次进样准备好条件。
5.1.4 流动相流量:30mL/hr恒流;或按校的性能选定流量。
5.1.5 检测器:5.1.5.1 荧光检测器(3.1.3)波长的选择:a.荧光分光光度计检测器:六种PAH在荧光分光光度计特定的条件下最佳的激发和发射波长如表1。
表1 六种多环芳烃最佳的荧光激发和发射波长水样中含苏并(1,2,3-cd)芘时选λex =340nm,λem=450nm较好,在此波长下茚并(1,2,3-cd)芘的荧光强度较高;否则选λex =286nm,λem=430nm对苯并(a)芘灵敏度较高。
b.荧光计检测器:单色光荧光计使用λex =300nm,λem=460nm为适宜;滤色器荧光计在λex=300nm,λem>370nm下测定。